Пресс монтажный
Министерство образования и науки
Украины
Национальный аэрокосмический
университет
им. Н.Е. Жуковского
"ХАИ"
Расчетно-пояснительная записка
к курсовому проекту по деталям машин
"Пресс монтажный"
Выполнил: студентка 432гр.
Консультант: доцент
Харьков 2002
Содержание
Введение
Задание
Расчет винта
Расчет пяты скольжения
Расчет гайки
Расчет штифта
Расчет корпуса пресса
Расчет рукоятки пресса
Вывод
Список использованной литературы
Введение
Цель работы - спроектировать винтовой механизм пресса
монтажного.
Назначение передач винт-гайки - преобразование вращательного
движения в поступательное. Передачи обеспечивают большой выигрыш в силе,
возможность получения медленного движения, большую несущую способность при
малых габаритах, возможность достижения высокой точности перемещений, простоту
конструкции и изготовления. Поэтому винтовые механизмы получили широкое
распространение почти во всех видах устройств.
В курсовом проекте дано описание конструкции пресса
монтажного, произведен расчет винтовой передачи, корпуса пресса, а также
приведен выбор подшипника.
Задание
Пресс монтажный.



Тип резьбы: ГОСТ9484 - трапецеидальная.
Расчет
винта
1. Назначаем материал для винта: сталь 45 улучшенная.
Характеристики:
,
,
.
. Определяем основное допускаемое напряжение:
.
. Найдем диаметр винта по критериям, определяющим
работоспособность, передачи винт-гайка, из следующих условий:
а) прочность на сжатие с учетом устойчивости:
где
- внутренний диаметр резьбы винта;
- коэффициент, учитывающий скручивание тела винта моментом в
опасном сечении
=1.1…1.2;
- коэффициент уменьшения основного допускаемого напряжения с
предварительно задаваемой гибкостью
, т.е.
;
- отношение внутреннего диаметра к внешнему полого сечения винта;
б) допускаемой гибкости:
где
- коэффициент приведенной длины винта:
=0.7;
- коэффициент полноты сечения: при
;
- допускаемая гибкость (для грузовых винтов
=100);
- свободная длина винта:
.
в) износостойкости рабочих поверхностей витков резьбы (ограничение
удельного давления):
где
- средний диаметр резьбы винта;
- коэффициент высоты гайки (для ходовых винтов принимают
конструктивно 1.2-2.5);
- высота гайки;
- коэффициент высоты резьбы: для трапецивидной резьбы
;
- высота профиля резьбы;
- шаг резьбы;
- допускаемое удельное давление, зависит от материалов трущейся
пары, для стали по оловянной бронзе
. Определяем наружный диаметр винта d [1]:
а) d=16мм, P=2;
б) d=10мм, P=2;
в) d=18мм, P=2;
По наибольшему диаметру находим остальные геометрические
характеристики винта и гайки [1]:
внутренний диаметр винта:
средний диаметр винта и гайки:
внутренний диаметр гайки:
наружный диаметр гайки:
. Выполняем проверочный расчет:
а) найдем соотношение между
и
, которое для самотормозящейся резьбы
должно быть таким:
:
,
где n - количество заходов резьбы (принимаем n =2); P - шаг
резьбы. Материал гайки бронза. [1] Смазка скудная. Скорость <1м/с
коэффициент трения
.
Условие самоторможения выполняется.
б) проверим винт на прочность в опасном сечении:
Тогда
,
Где
- крутящий момент в опасном сечении.
Расчет
пяты скольжения
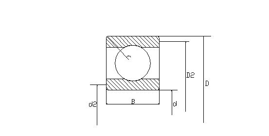
Так как механизм испытывает в основном радиальную нагрузку,
то берем радиальный шарикоподшипник [3].
Расчетная грузоподъемность стандартного радиального
шарикоподшипника:
где
- статическая грузоподъемность;
- коэффициент запаса (1.2…1.5).
пресс монтажный винтовой механизм
Условное обозначение подшипника: 221.
Грузоподъемность:
,
. Вес G=3.6кг.
По ГОСТ8338-57
определяем размеры подшипника:
Шарики
,
Момент трения в стандартном радиальном шарикоподшипнике равен:
где
- средний диаметр круга катания шариков;
- коэффициент трения качения;
- диаметр шарика;
- внутренний диаметр кольца подшипника;
- приведенный коэффициент трения.
Расчет
гайки
1. Сталь гайки: оловянистая бронза БрОФ10-1.
ГОСТ613-41. Способ изготовления - отливка в землю.
Характеристики:
,
2. Определяем число витков:
.
Из конструктивных соображений принимаем
3. Определяем высоту гайки:
. Определяем наружный диаметр гайки
,
где
- коэффициент, учитывающий действие
касательных напряжений кручения;
- допускаемое напряжение сжатия или растяжения равное 
Т.к. толщина стенки гайки по расчету оказывается малой, то наружный
диаметр гайки назначаем конструктивно, но не менеее
Из конструктивных соображений принимаем D=30.
5. Размер заплечика
определяем из условия смятия материала гайки под действием силы
по уравнению:
где 
Так как это очень малое значение, то из конструктивных соображений
принимаем
. Высоту заплечника
определяем из условия его изгиба под действием нагрузки
, без учета запрессовки и трения на
поверхности гайки, по уравнению:
. Витки гайки проверяют на прочность при следующих допущениях:
а) осевое усилие
распределяется между витками равномерно;
б) угол подъема витков настолько мал, что их можно рассматривать в
виде плоских круговых колец.
Уравнение прочности витка на срез при нагрузке, приходящейся на
один виток
имеет вид:
, где
Расчетная схема витка гайки на изгиб представляет собой кольцевую
плитку, заделанную по наружному контуру и несущую равномерно распределенную
нагрузку:
Прочность витка на изгиб:
где
Расчет
штифта
Иногда гайку в корпусе, помимо запрессовки, фиксируют с помощью
стальных штифтов или винтов, которые должны удерживать гайку от вращения в
предположении, что трение на ее поверхности отсутствует. Расчет этих элементов
можно выполнить из условия их среза по сечению
или смятия поверхности
под действием момента винтовой пары:

Из конструктивных соображений принимаем 
Из конструктивных соображений длина штифта должна равняться:

КПД механизма определяем по формуле:
где
работа сил полезного сопротивления за
один оборот;
работа сил полезного сопротивления и трения в винтовой паре за
один оборот;
работа сил полезного сопротивления в подшипнике.
Работа трения винтовых передач характеризуется коэффициентом
полезного действия:
.
КПД механизма должен мало отличаться от КПД винтовой передачи.
Расчет
корпуса пресса
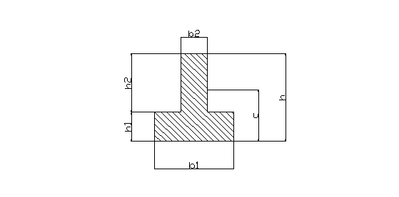
Проверяем корпус на прочность в опасном сечении.
Поскольку напряжения во внутренних волокнах сечения захвата
суммируются, то с целью облегчения конструкции назначаем сечения в форме тавра.
Т.к. стержень характеризуется большой кривизной (R/h <5), то
его расчет ведем по формуле:
где
- статический момент площади сечения
бруса относительно нейтральной оси;
с - координата центра тяжести;- расстояние нейтральной линии от
центра тяжести;
- площадь сечения бруса;
и
сила и момент;
- расстояние от нейтральной линии до внутреннего и наружного
волокон соответственно;
- радиус внутренних и наружных волокон соответственно.
; R=140мм; h=35мм;
;
;
Подставив значения, получим:
,
Материал корпуса: сталь 40Х улучшенная. Характеристики стали:
HB=280. Коэффициент запаса S=3.
Расчет
рукоятки пресса
1. Материал рукоятки: ст.3 без термической обработки.
Характеристики стали:
. Определяем длину рукоятки из условия равенства моментов:
где Q=100Н.
. Определяем диаметр рукоятки из условия прочности на изгиб в
опасном сечении:

. Проверяем прочность материала рукоятки на смятие в опасном сечении:
,
Вывод
В ходе данного курсового проекта мы приобрели первичные
навыки конструкторской деятельности.
В данном курсовому проекте представлен расчет винтового
механизма пресса монтажного. В ходе рсчетов были определены параметры винтовой
передачи, корпуса, подобраны стандартные детали. Определен КПД механизма,
который равен 38%.
Список
использованной литературы
1.
Муравьева В.А., Яковлев Ю.В. Методические указания к выполнению домашнего
задания по винтовым устройствам. - Х.: ХАИ, 1981. - 48с.
.
Яковлев Ю.В. Расчет и проектирование устройств с винтовой передачей. Учебное
пособие по курсовому и дипломному проектированию. - Х.: ХАИ, 1978. - 86с.
.
Бейзельман Р.Д., Цыпкин Б.В. Подшипники качения. Справочник. Изд.6-е, перераб.
и доп. - М.: Машиностроение, 1975. - 572с.