|
Шаг резьбы, мм Резьба трапецеидальная ГОСТ 9484-73 (рис 2). Диаметр
резьбы, мм
|
|
|
Винт
|
Винт и гайки
|
Гайки
|
|
Наружный Внутренний Средний
Наружный Внутренний
|
|
|
|
|
|
2
|
21,5
|
23
|
24,5
|
22
|
Рис.2 - Резьба трапецеидальная
Проводим проверочные расчёты на условие самоторможения и на прочность в
опасном сечении.
Расчёт на условие самоторможение:
Угол подъёма средней винтовой линии резьбы:
,
где
i - кол-во заходов резьбы (принимаем i=1);
- шаг резьбы;1 - средний диаметр резьбы.
Приведенный угол трения:
,
где
- коэффициент трения материалов винта и гайки;
b - угол, образуемый рабочей поверхностью витка резьбы
с плоскостью, нормальной к оси винта.
Условие самоторможения
выполняется (
).
Дальше выполняем проверку
винта на прочность в опасном сечении:
;
,

,
,
.
Условие
прочности выполняется.
3. Расчет гайки
Гайки обычно изготавливаются из материалов, имеющих в паре со стальным
винтом низкий коэффициент трения и хорошую износостойкость. К таким материалам
относятся оловянистые и безоловянистые бронзы, латунь, металлокерамика и
антифрикционный чугун.
Гайки выполняются в виде цилиндрических втулок, которые запрессовываются
или ввинчиваются в подвижный или неподвижный корпус. В данном случае
конструкцию гайки выбираем таким образом, чтобы распределение нагрузки по
виткам резьбы было наиболее равномерным
Рис.3
- Конструкция гайки
Соединение гайки с корпусом имеет следующий вид (рис. 4).
Рис.4 - Конструктивная схема соединения гайки с корпусом
При
расчёте резьбы гаек допускается, что осевое усилие распределяется по виткам
равномерно, а угол подъёма витков настолько мал, что их можно рассматривать в
виде плоских круговых колец. В гайке рассчитывают резьбу (на изгиб, срез и
удельное давление), основные её размеры (H, D), а также отдельные элементы
(посадка в корпус, упорный буртик
,
фиксирующие детали и др.).
Тело
гайки подвергается кручению и сжатию. Наружный диаметр тела гайки
определяется из условия прочности:
где
- коэффициент, учитывающий скручивание тела гайки,
;
-
допускаемое напряжение сжатие или растяжения
.
Таким
образом,
.
Толщина стенки гайки по условию прочности оказалась малой, наружный
диаметр гайки назначаем конструктивно:
.
Рассчитаем
количество витков резьбы по формуле:
.
Поскольку
нагрузку воспринимают только первые 10 витков резьбы то возьмем z=10.
Длина
резьбы равна :
.
Проводим
проверку витков резьбы на прочность, так как материал гайки обладает более
низкими механическими свойствами, чем материал винта. Виток резьбы гайки
разворачиваем по наружному диаметру (D) и представим в виде консольной балки,
несущей равномерно распределённую нагрузку, которую заменяем сосредоточенной
силой F/z. Наибольшее напряжение среза и изгиба возникают в корневом сечении с
длиной
и высотой витка
. Исходя
из условия прочности витка на срез:
,
,
,
,
а)
Проверка на срез:
,
где
- ширина витка в корневом сечении резьбы.
б)
Проверка на смятие:
,
где
- высота витка в среднем сечении.
в)
Проверка на изгиб:
.
Все
условия выполняются.
Размер
заплечика
определяем из условия смятия материала гайки под
действием силы F по уравнению:
,
где
.
,
из
конструкторских соображений принимаем D=5 мм.
Высоту
заплечика
определяется из условия изгиба под действием нагрузки
F, без учёта запрессовки и трения на поверхности гайки, по уравнению:
,
Гайку
в корпус ставим по посадке с гарантированным натягом. Для уменьшения натяга
гайку в корпусе фиксируем штифтом, который должен удерживать гайку от
проворачивания при работе механизма. Если
<
, гайка в корпусе проворачиваться не будет, штифт
нагрузки не испытывает. В противном случае штифт будет работать на срез.
Рис.5
- Соединение гайки с корпусом с помощью штифта
Расчет
штифта выполним из условия его среза по сечению
или
смятия поверхности
под действием момента винтовой пары:
где
.

По
справочнику подбираем штифт: Штифт 4Г
12 ГОСТ
3128-70
4. Расчёт пяты
Размеры шариковых подшипников в механизмах, с ручным приводом
определяется из расчета статической грузоподъемности:
где
n - 1,2…1,5 - коэффициент надёжности, - эквивалентная нагрузка подшипника, Н;
С0
- статическая грузоподъемность.
.
По
значению С0 подберём подшипник из справочника /4/ по ГОСТ 6874-75,
подшипник 8100.
Внутренний
диаметр подшипника d=10мм;
Внешний
диаметр подшипника D=24мм;
Высота
подшипника H=9мм;
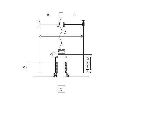
Вид
пяты показан на рис.6.
Рис.6
- Схема пяты пресса монтажного
Все остальные размеры пяты назначаем из конструктивных соображений.
5. Расчет рукоятки
Материал рукоятки: сталь 45 без термообработки
;
В
переносных винтовых механизмах чаще всего применяются перекидные рукоятки либо
рукоятки с трещотками.
Длина
рукоятки
определяется из условия равенства движущего момента
моменту сопротивления в винтовой паре
. Принимаем усилие рабочего равным
.

,
где
,
где
- внутренний диаметр подшипника пяты.
.
Диаметр
рукоятки определяется из условия прочности на изгиб:
;
,
где
.
6. Расчёт корпуса
Расчет элементов корпуса пресса проводим в следующей последовательности.
Из прочностного расчета на изгиб определяется диаметр d оси вращения
.
Находим
для двутаврового сечения характерный размер
:
.
Определяем
силу предварительной затяжки:
.
Определяем
расчетное усилие с учетом кручения при затяжке:
.
Определяют
внутренний диаметр резьбы, нарезанный на стойке:
.
По
диаметру
подбирают метрическую резьбу (ГОСТ 9150-81, СТ СЭ
В180-75).
7. Определение КПД механизма
Коэффициент полезного действия винтовой пары скольжения определяется по
формуле (при прямом ходе):
.
КПД механизма определяем по формуле:
где
работа сил полезного сопротивления за один оборот;
работа сил
полезного сопротивления и трения в винтовой паре за один оборот;
работа
сил полезного сопротивления в подшипнике.
КПД механизма должен мало отличаться от КПД винтовой передачи.
Заключение
В данной работе был проведён расчёт и спроектирована конструкция
монтажного пресса по предлагаемой схеме и заданным параметрам. В ходе
выполнения домашнего задания были приобретены навыки конструирования винтовых
передач, изучен и закреплён материал читаемого курса КММ, а также получены
первичные навыки конструкторского труда.
Был спроектирован механизм, преобразующий вращательное движение в
поступательное. Коэффициент полезного действия этого механизма равен 39%, что
является хорошим результатом.
Список использованной литературы
1. Муравьева
А.М., Яковлев Ю.В. Методические указания к выполнению домашнего задания по
винтовым устройствам: Харьков, Харьк. авиац. ин-т, 1981.
. Ефоян А.С.,
Дорофеев В.Г. Проектирование винтовых механизмов авиационных устройств и
роботов: Харьков, Харьк. авиац. ин-т, 1989.
. Анурьев
В.И. Справочник конструктора - машиностроителя: В 3-х т.М.: Машиностроение,
1979. Т.1
. Анурьев
В.И. Справочник конструктора - машиностроителя: В 3-х т.М.: Машиностроение,
1979. Т.2