Расчет детали пресса при помощи пакета программ САПР
Министерство
образования и науки РФ
ГОУ-ВПО
Тульский
государственный университет
Кафедра
«Механика пластического формоизменения
им. Н.
Демидова»
Контрольно-курсовая
работа
по учебной
дисциплине
Компьютерные
технологии в науке и образовании
Выполнил ст.гр
Проверил к.т.н., доц. каф. МПФ ________________ Маленичев А.С.
Тула 2011
Задание
Необходимо рассчитать детали пресса ГОСТ 10026-87 (исполнение 2) при
помощи пакета программ САПР.
Характеристики листового пресса
|
Номинальная сила
|
2500 кН
|
|
Ход ползуна регулируемый
|
200 мм
|
|
Частота ходов ползуна
|
40
|
|
Процесс исследования
|
гибка
|
СОДЕРЖАНИЕ
1. Технологический расчет
.1 Выбор угла встречи
.2 Определение радиуса кривошипа и длины шатуна
.3 Определение номинальной силы пресса
. Расчет частоты ходов ползуна пресса и предварительный выбор
электродвигателя
. Расчет передаточных отношений привода
. Расчет клиноременной передачи
. Расчет зубчатых передач
. Проектирование кинематической схемы пресса
. Кинематические расчеты
. Энергетический расчет
.1 Определение расхода энергии на включение пресса в работу
.2 Определение потерь энергии в передачах при выполнении
прессом технологической операции
.3Расчет мощности электродвигателя
.4 Определение момента инерции маховика, его размеров и массы
.5 Расчет коэффициентов полезного действия оборудования
.6 График работоспособности пресса
. Расчет фрикционных дисковых муфт включения
.1 Проектный расчет муфты включения
.2 Определение основных конструктивных размеров муфты
.3 Определение среднего радиуса трения
.4 Определение параметров трения
.5 Расчет пневмоцилиндра муфты
.6 Расчет параметров пружин муфты
.7 Проверочный расчет фрикционной дисковой муфты включения
. Расчеты тормоза, пневмопривода тормоза, пружины тормозы
. Расчет главного вала
. Расчет уравновешивателей ползуна
. Определение работоспособности пресса
Список использованных источников
1. Технологический расчет
.1 Выбор угла встречи
Технологическая
операция на кривошипных прессах начинает выполняться, когда ползун находится на
расстоянии
от нижней мертвой точки (рисунок 2).
Рисунок 1 - Расчетная схема кривошипно-ползунного механизма при
выполнении технологической операции
Положение
кривошипа в этот момент определяется углом встречи (технологическим)
. Величина угла встречи является исходной как при
выборе, так и при проектировании пресса. Величина угла встречи влияет на
размеры радиуса кривошипа и длины шатуна, а, следовательно, и на габариты всего
пресса, величины скорости движения ползуна и необходимого крутящего момента на
кривошипном валу.
В
зависимости от типа технологической операции угол встречи рекомендуется
выбирать в следующих пределах:
- для
разделительных операций;
.2 Определение радиуса кривошипа и длины шатуна
Радиус кривошипа (при отсчете из удаленного положения) определяется по
зависимости
,
где
- путь, необходимый для выполнения технологической
операции;
- коэффициент кривошипного механизма,
, где
- длина
шатуна.
Коэффициенты
для прессов различного технологического назначения
рекомендуется принимать:
-
листоштамповочные универсальные прессы с нормальным ходом;
Длина
хода ползуна пресса определяется по зависимости
,
и
округляется в большую сторону по ГОСТ 6636-84 “Нормальные линейные размеры”.
Затем уточняется радиус кривошипа и длина шатуна по зависимостям:
,
.
Полученная
длина шатуна округляется в большую сторону по ГОСТ 6636-84, а затем уточняется
коэффициент длины шатуна
.
.3 Определение номинальной силы пресса
Номинальное усилие без учета сил трения и с учетом сил трения
рассчитываются соответственно по зависимостям
;
;
где
- приведенное плечо сил трения кривошипно-шатунного
механизма, мм
;
На
рисунке 2 приведен нагрузочный график
Рисунок 2- Нагрузочный график
На рисунке 4 приведен график зависимости крутящего момента от угла поворота
кривошипа
Рисунок 3-График зависимости крутящего момента от угла поворота кривошипа
ОПЕРАЦИЯ - ГИБКА c ВЫРУБКОЙ
номинальное усилие пресса, [кH] - 3150.000
ход ползуна, [мм] - 200.000
коэффициент дезаксиальности - 0.000
коэффициент длины шатуна - 0.100
диаметр вала в опорах, [мм] - 230.000
коэффициент трения - 0.030
┌──────┬────┬───────────┬────────┬────────┐
│ ХОД, мм │ УГОЛ, гр. │ Мкр, кН*м │ ПРИВЕДЕННОЕ│
УСИЛИЕ, кН │
│ │ │ │ ПЛЕЧО, мм │ │
─────────┼──────┼───────┼──────────┼──────┤
│ 34.677 │ 47.149 │ 0.000│ 86.404 │ 0.000│
│ 28.542 │ 42.490 │ 50.826│ 80.677 │
630.000│
│ 19.217 │ 34.524 │ 70.116│ 69.559 │
1008.000│
│ 3.135 │ 13.722 │ 21.642│ 34.353 │ 630.000│
│ 0.000 │ -0.000 │ 26.299│ 8.349 │ 3150.000│
│ 0.000 │ -4.353 │ 27.957│ 16.694 │
1674.736│
└────┴─────┴────┴─────┴──────┘
РАБОТА ПЛАСТИЧЕСКОЙ ДЕФОРМАЦИИ,
(график Усилие-Путь) [Дж] - 25308.52
РАСХОД ЭНЕРГИИ НА СОВЕРШЕНИЕ ПРЕССОМ РАБОЧЕГО ХОДА,
( по графику крутящих моментов) [Дж] - 35130.94
Номинальный угол, [градус] - 34.00000
Номинальный крутящий момент, [ кН * м ] - 216.70609
Номинальное плечо крутящего момента,[ мм ] - 68.79558
2. Расчет частоты ходов ползуна пресса и
предварительный выбор электродвигателя
При установке на столе пресса нескольких штампов для изготовления
различных деталей, частота ходов ползуна пресса будет
,
где
- количество штампов,
-
производительность, шт./мин.
Средняя
скорость ползуна на протяжении рабочего хода (рабочего угла) определяется по
выражению
где
- рабочий угол, градус,
- мин-1,
-
допустимая скорость операции.
Предварительный
подбор электродвигателя необходим для проектирования кинематической схемы
пресса. Мощность электродвигателя (кВт) вычисляется по зависимости:
кВт;
где
- коэффициент использования энергии прессом за цикл,
;
-
суммарная работа, затрачиваемая прессом за цикл;
-
работа, затрачиваемая на деформирование заготовки и определяемая по графику
"Усилие - рабочий ход"
- длина
кинематического цикла,
, с.
Выбор
электродвигателя проведем на ЭВМ
АВТОМАТИЗИРОВАННЫЙ ВЫБОР АСИНХРОННОГО ЭЛЕКТРОДВИГАТЕЛЯ
ВЫБРАННЫЕ ВЕЛИЧИНЫ
ЧАСТОТА ВРАЩЕНИЯ РОТОРА, [ 1/мин ] = 1500
НОМИНАЛЬНАЯ МОЩНОСТЬ, [кВт] PH= 150
КОЭФФИЦИЕНТ МОЩНОСТИ ПРИ ПВ=25% C1= .73
КОЭФФИЦИЕНТ МОЩНОСТИ ПРИ ПВ=50% C2= .86
КПД ПРИ ПВ=25%, [ % ] N1= 91.5
КПД ПРИ ПВ=50%, [ % ] N2= 93.5
КРАТНОСТЬ ПУСКОВОГО МОМЕНТА MP= 1.4
КРАТНОСТЬ МАКСИМАЛЬНОГО МОМЕНТА MK= 2.2
НОМИНАЛЬНОЕ СКОЛЬЖЕНИЕ, [ % ] SH= 1.4
УСТАНОВОЧНАЯ ДЛИНА, [мм ] L1= 915
ОБЩАЯ ДЛИНА ДВИГАТЕЛЯ, [мм ] L2= 1100
ВЫСОТА ДВИГАТЕЛЯ, [мм ] H= 640
ДИАМЕТР, [мм ] D= 554
МОМЕНТ ИНЕРЦИИ, [кг*м^2] JP= 7.3
ТИП ДВИГАТЕЛЯ ==> 4A355S6Y3
ВЫЧИСЛЕННЫЕ ВЕЛИЧИНЫ
КРИТИЧЕСКОЕ СКОЛЬЖЕНИЕ, [ % ] SK= 15.8
НОМИНАЛЬНЫЙ КРУТЯЩИЙ МОМЕНТ, [Н*м] MH= 1549.6
ПУСКОВОЙ МОМЕНТ, [Н*м] MN= 2169.5
КРУТЯЩИЙ МОМЕНТ, [Н*м] MK= 3409.3
МАССА ДВИГАТЕЛЯ, [кг ] AM= 832.1
3. Расчет передаточных отношений привода
Общее передаточное отношение привода, состоящего из клиноременной
передачи и одной или нескольких зубчатых передач, определяется
Выражение можно представить в виде
Определяем
число ступеней в передаче:
при
менее 80 - 3 ступени;
Для
клиноременной передачи принимаем передаточное отношение в пределах
Тогда передаточное отношение зубчатых передач:
Частоту
вращения приемного и главного валов определяем соответственно по зависимостям:
4. Расчет клиноременной передачи
Синхронная частота вращения двигателя, 1/мин : 1460.000
Номинальное скольжение двигателя : 0.04000
Мощность эл-двигателя, кВт : 37.000
Вращающий момент Т1, Н*м : 255.425
Выбранное значение диаметра меньшего шкива d1, мм : 280.000
Передаточное отношение i : 2.800
Относительное проскальзывание ремня: 0.030
Диаметр большего шкива d2, мм : 651.840
Уточненное значение диаметра большего шкива d2, мм : 760.000
Уточненное передаточное отношение i : 2.872
КЛИНОВЫЕ РЕМНИ /по ГОСТ 1284.1-80/, размеры в мм
╔═╤═══╤════╤═══╤══╤════╤═══╤═══╤════╤════╗
║ │Обозначе-│ d1, │Ширина│ │Высота│
│Длина ремня │дель-│ Масса║
║ N │ние сече-│ не │ремня,│ W │ │
A │ │та L │одного║
║ │ния ремня│ менее│ lp │ │ To │
│ Lp │ │метра ║
║──┼────┼────┼──┼┼───┼┼──┼──┼──────╢
║ 4.│ В │ 200 │ 19.0 │ 22 │ 13.5 │
230 │ 1800-10000 │ 59 │ 0.30 ║
╚═╧══╧═══╧═══╧══╧════╧══╧════════╧══╧════╝
Выбранное межосевое расстояние ap, мм : 800.000
Длина ремня Lp, мм : 3033.263
Расчетная длина ремня Lp, из таблицы, мм : 3150.000
Уточненное межосевое расстояние ap, мм : 860.377
Угол обхвата alfa : 151.645
Мощность передаваемая одним ремнем, кВт : 8.490
Коэффициент Cl, учитывающий влияние длины ремня : 0.970
Коэффициент Cp, режима работы : 1.300
Коэффициент Ca, угла обхвата : 0.950
Коэффициент Cz, учитывающий число ремней в передаче : 0.900
Число ремней, Z : 6.000
Коэффициент G, учитывающий влияние центробежных сил : 0.300
Скорость v, м/с : 15.970
Натяжение ветви ремня Fo, H : 453.311
Сила действующая на вал Fв, H : 5274.046
Базовое число циклов Noц : 4700000
Значение максимального напряжения sigma max, МПа : 5.0
Рабочий ресурс ремней :
при периодически изменяющейся нагрузке : 12644.46 ч
при постоянной нагрузке : 6322.23 ч
5. Расчет зубчатых передач
Находим диаметр шестерни
;
диаметр
колеса
;
число
зубьев колеса
;
межцентровое
расстояние
.
Ширину
колеса находим по формуле, мм
Ширина
шестерни, мм
.
Определив параметры зубчатого зацепления, рассчитываем окружную скорость
по зависимости
,
где
- диаметр колеса, мм;
- частота
вращения зубчатого колеса, мин-1.
Проведем
расчет зубчатой передачи на ЭВМ и построим график сил на ползуне допускаемых
прочностью зубчатой передачи от угла поворота кривошипа.
Рисунок 4- График зависимости сил на ползуне допускаемых прочностью
зубчатых передач от угла поворота кривошипа
- Досускаемое усилие зубчатой передачи.
- Технологическое усилие
- Номинальное усилие
Вывод : По графику видно, что зубчатые передачи работоспособены.
ПРОГРАММА ПРЕДНАЗНАЧЕНА ДЛЯ
РАСЧЕТА ЗУБЧАТЫХ ПЕРЕДАЧ КРИВОШИПНЫХ ПРЕССОВ
Исходные данные :
НОМИНАЛЬНОЕ УСИЛИЕ пресса, [кН] - 3150
ДИАМЕТР ГЛАВНОГО ВАЛА В ОПОРАХ, [мм] - 100
ЧАСТОТА ХОДОВ ПРЕССА, [ 1/мин ] - 25
ЧАСТОТА ВРАЩЕНИЯ КОЛЕСА, [ 1/мин ] - 32
ЧИСЛО НАГРУЖЕНИЙ КОЛЕСА В МИНУТУ - 25.6
ТИП ПРИВОДА - ДВУХСТОРОННЯЯ ЗУБЧАТАЯ ПЕРЕДАЧА
ТИП ПЕРЕДАЧИ - ЗАКРЫТАЯ ПЕРЕДАЧА
ХАРАКТЕРИСТИКА ЗУБЧАТОЙ ПАРЫ - ТИХОХОДНАЯ
МАТЕРИАЛ КОЛЕСА - Сталь 40Х(улучшение)
МАТЕРИАЛ ШЕСТЕРНИ - Сталь 40ХН(улучшение)
ДОПУСКАЕМОЕ КОНТАКТНОЕ НАПРЯЖЕНИЕ, [H/мм^2] - 1900
МЕЖЦЕНТРОВОЕ РАССТОЯНИЕ [мм] - 858
СРЕДНИЙ НОРМАЛЬНЫЙ МОДУЛЬ [мм] - 22
ШИРИНА ЗУБА КОЛЕСА, [мм] - 308
ШИРИНА ЗУБА ШЕСТЕРНИ, [мм] - 333
ЧИСЛО ЗУБЬЕВ ШЕСТЕРНИ - 13
ЧИСЛО ЗУБЬЕВ КОЛЕСА - 65
УТОЧНЕННОЕ ПЕРЕДАТОЧНОЕ ОТНОШЕНИЕ - 5
ОКРУЖНАЯ СКОРОСТЬ ЗУБЧАТОЙ ПЕРЕДАЧИ, [м/c] - .4791976
ДОПУСТИМАЯ ОКРУЖНАЯ СКОРОСТЬ ЗУБЧАТОЙ ПЕРЕДАЧИ, [m/c] - 3.3
КОЭФФИЦИЕНТ, УЧИТЫВАЮЩИЙ МОДУЛИ УПРУГОСТИ
МАТЕРИАЛОВ ЗУБЧАТОГО КОЛЕСА И ШЕСТЕРНИ - 214
КОЭФФИЦИЕНТ, УЧИТЫВАЮЩИЙ УГЛЫ ЗАЦЕПЛЕНИЯ И НАКЛОНА ЗУБА - .96
КОЭФФИЦИЕНТ, УЧИТЫВАЮЩИЙ СТЕПЕНЬ ПЕРЕКРЫТИЯ - 1.3
КОЭФФИЦИЕНТ КОНЦЕНТРАЦИИ НАГРУЗКИ - 1.2
КОЭФФИЦИЕНТ ДИНАМИЧНОСТИ НАГРУЗКИ - 1.4
КОЭФФИЦИЕНТ ЭКВИВАЛЕНТНОЙ НАГРУЗКИ ПРИ ИЗГИБЕ - .749696
КОЭФФИЦИЕНТ, УЧИТЫВАЮЩИЙ НАГРУЖЕНИЕ ПЕРЕДАЧИ МОМЕНТОМ, ОБРАТНЫМ ПО ЗНАКУ
РАБОЧЕМУ МОМЕНТУ - 0
КОЭФФИЦИЕНТЫ, ЗАВИСЯЩИЕ ОТ ПРЕДЕЛА УСТАЛОСТИ
ДЛЯ КОЛЕСА - .2
ДЛЯ ШЕСТЕРНИ - .2
КОЭФФИЦИЕНТЫ, УЧИТЫВАЮЩИЕ МАСШТАБНЫЕ ФАКТОРЫ :
ДЛЯ КОЛЕСА - 2.45
ДЛЯ ШЕСТЕРНИ - 2.4
КОЭФФИЦИЕНТ ЗАПАСА ПРОЧНОСТИ ПО ПРЕДЕЛУ УСТАЛОСТИ ПРИ ИЗГИБЕ ПРИ
НЕРЕВЕРСИВНОЙ НАГРУЗКЕ
ДЛЯ КОЛЕСА - 2
ДЛЯ ШЕСТЕРНИ - 2.2
КОЭФФИЦИЕНТ ФОРМЫ ЗУБА :
КОЛЕСА - .1732703
ШЕСТЕРНИ - 9.923489E-2
ПРЕДЕЛ ВЫНОСЛИВОСТИ ПРИ ИЗГИБЕ И СИММЕТРИЧНОМ ЦИКЛЕ
КОЛЕСА [H/мм^2] - 360
ШЕСТЕРНИ [H/мм^2] - 360
ДОПУСТИМЫЙ КРУТЯЩИЙ МОМЕНТ, ИСХОДЯ ИЗ УСТАЛОСТНОЙ ПРОЧНОСТИ ЗУБЬЕВ НА
ИЗГИБ, [H*m]
ДЛЯ КОЛЕСА - 382829.7
ДЛЯ ШЕСТЕРНИ - 263987.1
КОЭФФИЦИЕНТ НАГРУЗКИ ПРИ ИЗГИБЕ - 1.259489
ДОПУСТИМОЕ НОРМАЛЬНОЕ КОНТАКТНОЕ НАПРЯЖЕНИЕ, [H/мм^2] - 900
КОЭФФИЦИЕНТ ЭКВИВАЛЕНТНОЙ НАГРУЗКИ, УЧИТЫВАЮЩИЙ ПЕРЕМЕННОСТЬ РЕЖИМА
РАБОТЫ И РАСЧЕТНЫЙ СРОК СЛУЖБЫ КОЛЕС - .6
КОЭФФИЦИЕНТ НАГРУЗКИ ПРИ РАСЧЕТЕ НА УСТАЛОСТНУЮ ПРОЧНОСТЬ ПОВЕРХНОСТЕЙ
ЗУБЬЕВ - 1.008
КРУТЯЩИЙ МОМЕНТ, ПЕРЕДАВАЕМЫЙ КОЛЕСОМ,
ПО ПРЕДЕЛУ ВЫНОСЛИВОСТИ ПОВЕРХНОСТИ ЗУБЬЕВ, [H*m] - 2088898
... слабое звено - шестерня ...
НАИМЕНЬШИЙ КРУТЯЩИЙ МОМЕНТ,
ДОПУСКАЕМЫЙ ПРОЧНОСТЬЮ ЗУБЬЕВ, [ H*м ] - 263987.1
Радиус кривошипа, [ мм ] - 125
Коэффициент длины шатуна - .1
Коэффициент дезаксиальности - 0
Коэффициент трения в ГИМе - .03
┌───────────┬───────────┬──────────────┐
│УГОЛ ПОВОРОТА│ ДОПУСКАЕМОЕ │ ПРИВЕДЕННОЕ │
│ КРИВОШИПА │ УСИЛИЕ │ ПЛЕЧО │
│ [ градусы ] │ [ кН ] │ [ мм ] │
├─┼─────┼──────┤
│ 0 │ 106018.898 │ 4.9 │
│ 10 │ 18321.738 │ 28.8 │
│ 20 │ 10207.762 │ 51.7 │
│ 30 │ 7249.168 │ 72.8 │
│ 40 │ 5777.898 │ 91.3 │
│ 50 │ 4946.826 │ 106.7 │
│ 60 │ 4458.456 │ 118.4 │
│ 70 │ 4184.86 │ 126.1 │
│ 80 │ 4066.133 │ 129.8 │
│ 90 │ 4076.075 │ 129.5 │
│ 100 │ 4209.809 │ 125.4 │
│ 110 │ 4481.183 │ 117.8 │
│ 120 │ 4927.636 │ 107.1 │
└───┴──────┴────┘
6. Проектирование кинематической схемы пресса
В соответствии с проведенными расчетами построим кинематическую схему
пресса (см. рисунок 5).
Рисунок 5- Кинематическая схема пресса
- электродвигатель, 2 - шкив, 3 - маховик, 4 - муфта, 5 - шестерня,
- зубчатое колесо, 7 - тормоз, 8 - шатун, 9 - ползун.
7. Кинематические расчеты
В кривошипных машинах наиболее широко используется кривошипно-шатунный
механизм, схема которого показана на рисунке 6.
При проведении кинематических исследований необходимо рассчитать
перемещение, скорость и ускорение ползуна пресса в функции угла поворота
главного вала.
Связь
между перемещением
, скоростью
и
ускорением
ползуна и углом поворота кривошипа
определяется по зависимостям
;
;
.
Рисунок 6 - Схема кривошипно-шатунного механизма
За начало отсчета перемещений и углов поворота главного вала принято крайнее
верхнее положение ползуна.
Проведем кинематический расчет на ЭВМ и построим графики (см. рисунки
7,8,9).
Рисунок 7-График зависимости перемещения ползуна от угла поворота
кривошипа
Рисунок 8- График зависимости скорости ползуна от угла поворота кривошипа
Рисунок 9- График зависимости ускорения ползуна от угла поворота
кривошипа
РАДИУС КРИВОШИПА [мм] = 200.00
коэффициент ДЛИНЫ ШАТУНА = 0.10000
ДЛИНА ШАТУНА [мм] = 200.00
Частота ходов ползуна пресса [1/мин] = 25.00
Угловая скорость главного вала [1/с] = 3.35
┌───┬─────┬────┬──────┐
│градус│ S, мм │ V, м/с │ j, м/с^2 │
├────┼────┼────┼──────┤
│ 0 │ 250.00 │ 0.0000 │ 1.26 │
│ 10 │ 248.10 │ 0.0656 │ 1.25 │
│ 20 │ 242.47 │ 0.1298 │ 1.21 │
│ 30 │ 233.27 │ 0.1913 │ 1.15 │
│ 40 │ 220.78 │ 0.2486 │ 1.05 │
│ 50 │ 205.39 │ 0.3003 │ 0.93 │
│ 60 │ 187.55 │ 0.3446 │ 0.77 │
│ 70 │ 167.81 │ 0.3802 │ 0.59 │
│ 80 │ 146.77 │ 0.4054 │ 0.38 │
│ 90 │ 125.06 │ 0.4189 │ 0.14 │
│ 100 │ 103.35 │ 0.4197 │ -0.11 │
│ 110 │ 82.30 │ 0.4071 │ -0.37 │
│ 120 │ 62.55 │ 0.3809 │ -0.63 │
│ 130 │ 44.69 │ 0.3415 │ -0.88 │
│ 140 │ 29.27 │ 0.2899 │ -1.10 │
│ 150 │ 16.76 │ 0.2276 │ -1.29 │
│ 160 │ 7.55 │ 0.1567 │ -1.43 │
│ 170 │ 1.90 │ 0.0799 │ -1.51 │
│ 180 │ 0.00 │ 0.0000 │ -1.54 │
└───┴───┴─────┴────┘
8. Энергетический расчет
8.1 Определение расхода энергии на включение
пресса в работу
Расход
энергии на включение кривошипного пресса в работу
зависит от ряда факторов и, прежде всего, от режима
работы оборудования и типа используемой муфты включения. При использовании
фрикционных муфт энергия, затрачиваемая на включение пресса в работу, может
быть определена формулой
где
- энергетический показатель кривошипного пресса ;
- номинальное усилие оборудования;
- наибольший ход ползуна пресса.
,
то
есть
- коэффициент, учитывающий соотношение моментов
инерции маховика
и ведомых частей пресса
.
.
.2 Определение потерь энергии в передачах при
выполнении прессом технологической операции
Суммарные
потери энергии в передачах пресса в период его рабочего хода
определяются из выражения
,
где
- потери энергии в клиноременной передаче;
потери энергии в зубчатой передаче привода пресса.
В
клиноременной передаче потери энергии в основном зависят от изменения силового
режима на валу электродвигателя в период рабочего хода пресса. Эти потери
рассчитываются по формуле:
,
где
- коэффициент полезного действия клиноременной
передачи,
;
-
коэффициент кратности, зависящий от технологических параметров и конструкции
пресса;
- предельная величина крутящего момента на главном
валу пресса;
- угол поворота кривошипа главного вала, на
протяжении которого совершается рабочий ход пресса.
Потери
энергии в зубчатых передачах зависят от типа привода пресса.
При
двухступенчатом приводе, с расположением муфты включения на рабочем валу и при
наличии нескольких включений за один технологический цикл оборудования:
,
где
- коэффициент полезного действия зубчатой передачи,
;
- число
включений пресса за один технологический цикл (при работе на автоматических
ходах
);
-расходы
энергии на включение и совершение им рабочего хода.
.3Расчет мощности электродвигателя
Как
уже отмечалось ранее расчет электродвигателя кривошипного пресса основывается
на номинальной мощности оборудования
, которая
приравнивается к мощности электродвигателя
. При
этом, как правило, предпочтение отдается асинхронным трехфазным
электродвигателям с короткозамкнутым ротором, характеризующимся простотой
управления, стоимостью, надежностью и безопасностью в работе.
Потребная
мощность такого электродвигателя, кВт:
,
где
- время цикла, с;
- работа
автоматической подачи, 
;
остальные составляющие этой формулы были определены ранее.
На
основании расчетной мощности
и
синхронной частоты вращения ротора по ТУ 1-6-526.694-86 выбирается
электродвигатель и определяется его техническая характеристика.
Помимо
электродвигателя с короткозамкнутым ротором на кривошипных прессах используются
и асинхронные электродвигатели с фазным ротором, мощность которых
рассчитывается по формуле:
,
где
- уже известная номинальная мощность оборудования;
- коэффициент, учитывающий соотношение номинальной
(каталожной) и действительной (с учетом проскальзывания) частот вращения ротора
электродвигателя,
,
где
- номинальная (по каталогу) частота вращения
электродвигателя с фазным ротором;
-
действительная частота вращения, с учетом скольжения, определяемая по формуле
,
где
- синхронная (по каталогу) частота вращения
электродвигателя с фазным ротором;
-
номинальное скольжение электродвигателя.
.4 Определение
момента инерции маховика, его размеров и массы
Величина момента инерции маховика кривошипного пресса рассчитывается по
формуле:
,
где
- частота вращения маховика;
- работа маховика, совершаемая за счет отдачи
накопленной кинетической энергии,
;
-
работа, затрачиваемая на совершение рабочего хода пресса;
- работа электродвигателя, совершаемая в период
непосредственной деформации металла,
;
-
мощность электродвигателя, принятая по каталогу;
- время,
в течении которого осуществляется непосредственная деформация металла,
,
- время
одного полного цикла работы оборудования;
-
коэффициент неравномерности вращения вала маховика,
;
-
коэффициент запаса, учитывающий пиковый характер нагрузки электродвигателя;
- коэффициент зависящий от соотношения между
номинальным и критическим скольжением электродвигателя;
- упругое проскальзывание клиноременной передачи.
где
- коэффициент использования частоты ходов ползуна
пресса
Если
маховик кривошипного пресса представить в виде диска с массивным ободом, то его
основные размеры определяются исходя из его момента инерции
по следующим зависимостям:
где
и
-
соответственно наружный и внутренний диаметры обода маховика;
- ширина обода маховика.
Масса
маховика определяется в зависимости от его момента инерции, материала и
геометрических размеров:
4
для маховика в
виде сплошного диска
,
4
для маховика в
виде диска с массивным ободом

.
Завершается
расчет параметров маховика кривошипного пресса выполнением следующих двух
обязательных проверок:
определяется
время разгона маховика при первоначальном пуск электродвигателя и соответствие
этого времени допускаемому, т.е.
,
где
- допускаемое время разгона маховика, для асинхронных
короткозамкнутых электродвигателей нормальной сети
c; для электродвигателей с повышенным скольжением
c;
- определение величины окружной скорости маховика и соответствие этой
скорости допускаемой
,
где
- допускаемая окружная скорость вращения маховика
пресса,
м/с для маховиков из чугунного литья,
м/с - стального литья.
8.5 Расчет коэффициентов полезного
действия оборудования
Показателями, характеризующими эффективность работы кривошипных прессов,
являются коэффициенты полезного действия, представляющие собой отношение
величины полезно используемой работы к затраченной работе приводом пресса в
течении определенного периода времени.
Наиболее характерными и удобными показателями работы кривошипных прессов
являются КПД технологического цикла (КПД цикла) и КПД рабочего хода пресса.
Первый из них - КПД цикла, учитывающий долю затрат энергии на штамповку
одного изделия в полном расходе энергии кривошипного пресса, определяется
выражением:
,
где
- работа, затрачиваемая на пластическую деформацию
металла;
- работа привода кривошипного пресса за один
технологический цикл,
.
Обычно
КПД цикла современных кривошипных прессов составляет
.
Второй
показатель эффективности работы оборудования (КПД рабочего хода) определяется
выражением
и
учитывает долю непроизводительных потерь энергии в механизмах на трение и
упругое деформирование деталей пресса в период рабочего хода.
.6 График
работоспособности пресса
Как правило, кривошипные прессы общего назначения применяют для штамповки
с явным недоиспользованием их по номинальной работе привода. Так как величина
отдаваемой приводом пресса энергии за технологический цикл зависит от мощности
привода и длительности цикла, при заниженном объеме технологической работы
машину можно более интенсивно использовать во времени.
При известных параметрах электродвигателя работа пресса за один
технологический цикл
.
Поскольку
и
, получим
,
где
- коэффициент использования частоты ходов пресса.
На
основе этой зависимости строится график работоспособности кривошипного пресса
(или допустимой технологической работы).
Проведем
энергетический расчет на ЭВМ и построим график работоспособности пресса.
Рисунок 10- График работоспособности пресса
Энергетический расчет кривошипного ПРЕССА, параметров ЭЛЕКТРОДВИГАТЕЛЯ И
МАХОВИКА
НОМИНАЛЬНОЕ УСИЛИЕ пресса, [кН] - 2500
ХОД ПОЛЗУНА ПРЕССА, [мм] - 200
КПД КЛИНОРЕМЕННОЙ ПЕРЕДАЧИ - .9
КПД ЗУБЧАТОЙ ПЕРЕДАЧИ - .95
ПРЕДЕЛЬНЫЙ КРУТЯЩИЙ МОМЕНТ НА ГЛАВНОМ ВАЛУ, [Н*м] - 579554
РАСХОД ЭНЕРГИИ НА СОВЕРШЕНИЕ ПРЕССОМ РАБОЧЕГО ХОДА, [Дж] - 86162
РАБОТА ПЛАСТИЧЕСКОЙ ДЕФОРМАЦИИ, [Дж] - 50475
НОМИНАЛЬНАЯ ЧАСТОТА ХОДОВ ПОЛЗУНА, [1/мин] - 32
КОЭФФИЦИЕНТ ЗАПАСА, УЧИТЫВАЮЩИЙ ПИКОВЫЙ ХАРАКТЕР НАГРУЗКИ
ЭЛЕКТРОДВИГАТЕЛЯ - 1.3
НОМИНАЛЬНОЕ СКОЛЬЖЕНИЕ ЭЛЕКТРОДВИГАТЕЛЯ - .07
СИНХРОННАЯ ЧАСТОТА ВРАЩЕНИЯ ЭЛЕКТРОДВИГАТЕЛЯ, [1/мин] - 750
НОМИНАЛЬНАЯ ЧАСТОТА ВРАЩЕНИЯ ЭЛЕКТРОДВИГАТЕЛЯ, [1/мин] - 735
ВЕЛИЧИНА УГЛА ПОВОРОТА РАБОЧЕГО ВАЛА, НА ПРОТЯЖЕНИИ КОТОРОГО СОВЕРШАЕТСЯ
ПЛАСТИЧЕСКАЯ ДЕФОРМАЦИЯ МЕТАЛЛА, [градус] - 45
КОЭФФИЦИЕНТ, ЗАВИСЯЩИЙ ОТ СООТНОШЕНИЯ МЕЖДУ НОМИНАЛЬНЫМ И КРИТИЧЕСКИМ
СКОЛЬЖЕНИЯМИ ЭЛЕКТРОДВИГАТЕЛЯ - .9
ЧАСТОТА ВРАЩЕНИЯ МАХОВИКА, [1/мин] - 1000
ЧАСТОТА ВРАЩЕНИЯ ВАЛА МУФТЫ [1/мин] - 1000
РЕЗУЛЬТАТЫ РАСЧЕТА:
. СУММАРНЫЕ ПОТЕРИ ЭНЕРГИИ В ПЕРЕДАЧАХ ПРЕССА В ПЕРИОД ЕГО АКТИВНОГО
ХОДА, [Дж] - 7179
. НОМИНАЛЬНАЯ МОЩНОСТЬ ЭЛЕКТРОДВИГАТЕЛЯ, [кВт] - 77.1
. ВРЕМЯ, В ТЕЧЕНИЕ КОТОРОГО ОСУЩЕСТВЛЯЕТСЯ НЕПОСРЕДСТВЕННАЯ ДЕФОРМАЦИЯ
МЕТАЛЛА, [с] - .292
. РАБОТА ЭЛЕКТРОДВИГАТЕЛЯ, ОТНЕСЕННАЯ К ГЛАВНОМУ ВАЛУ ПРЕССА И
СОВЕРШАЕМАЯ В ПЕРИОД ЕГО АКТИВНОГО ХОДА, [Дж] - 20337
. РАБОТА МАХОВИКА, СОВЕРШАЕМАЯ ЗА СЧЕТ ОТДАЧИ НАКОПЛЕННОЙ КИНЕТИЧЕСКОЙ
ЭНЕРГИИ, [Дж] - 65824
. КОЭФФИЦИЕНТ НЕРАВНОМЕРНОСТИ ВРАЩЕНИЯ ВАЛА МАХОВИКА - .1872
. МОМЕНТ ИНЕРЦИИ МАХОВИКА КРИВОШИПНОГО ПРЕССА, [кг*м^2] - 33
. НАРУЖНЫЙ ДИАМЕТР ОБОДА МАХОВИКА, [мм] - 710
. ВНУТРЕННИЙ ДИАМЕТР ОБОДА МАХОВИКА, [мм] - 59
. ШИРИНА ОБОДА МАХОВИКА, [мм] - 170
. МАССА МАХОВИКА, [кг] - 528
ПЛОТНОСТЬ МАТЕРИАЛА МАХОВИКА [кг/м3] - 7900
. ВРЕМЯ РАЗГОНА МАХОВИКА, [с] - 5.221
допустимое ВРЕМЯ РАЗГОНА МАХОВИКА, [с] - 10
. ОКРУЖНАЯ СКОРОСТЬ ВРАЩЕНИЯ МАХОВИКА ПРЕССА, [м/с] - 37.19 допустимая
ОКРУЖНАЯ СКОРОСТЬ ВРАЩЕНИЯ МАХОВИКА [м/с] - 40
. РАБОТА ПРИВОДА КРИВОШИПНОГО ПРЕССА ЗА ОДИН ТЕХНОЛОГИЧЕСКИЙ ЦИКЛ, [Дж] -
139051
. ЦИКЛОВОЙ КПД, УЧИТЫВАЮЩИЙ ДОЛЮ ЗАТРАТ ЭНЕРГИИ НА ШТАМПОВКУ ОДНОГО
ИЗДЕЛИЯ - .362
. КПД РАБОЧЕГО ХОДА - .585
. ФАКТИЧЕСКАЯ ЧАСТОТА ХОДОВ ОБОРУДОВАНИЯ, [1/мин] - 25
. ВРЕМЯ ОДНОГО РАБОЧЕГО ХОДА ПРЕССА, [ с ] - 2.34375
. РАБОТА ВКЛЮЧЕНИЯ МУФТЫ, [Дж] - 2806
Значение допускаемой работы на колесах тихоходной ступени при работе на
одиночных ходах
┌─────┬─────────┐
│Частота│ Допускаемая │
│ ходов,│ работа, │
│ 1/мин │ Дж │
├────┼───┤
│ 23 │ 106028 │
│ 32 │ 77661 │
│ 32 │ 80467 │
└──┴─────┘
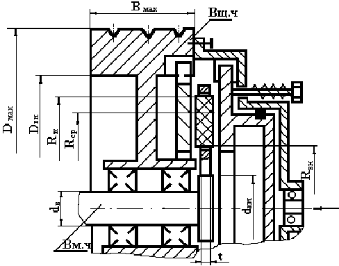
9. Расчет фрикционных дисковых муфт включения
В настоящее время в кривошипных прессах широко применяются одно- и
многодисковые фрикционные муфты со вставками или накладками из ретинакса,
козида, феродо и других материалов. Наибольшее распространение получили
однодисковые консольные муфты.
Рисунок
11- Эскиз муфты
.1 Проектный расчет муфты включения
где
- передаточное отношение от главного вала к валу
муфты;
- коэффициент запаса, определяемый по таблице 4.12;
- КПД передачи от главного вала к валу муфты (
=0,85¼0,95);
,
Величины
,
или
,
определяются
при расчёте главного вала и основных параметров пресса;
- номинальное усилие пресса, Н;
,
-
соответственно номинальное и текущее значение приведенного плеча, м
,
где
- приведенное плечо сил для идеального механизма (без
учета сил трения),
;
-
приведённое плечо сил трения,
,
где
- радиус кривошипа, м;
- угол
поворота кривошипа, градус;
-
приведенный коэффициент трения в шарнирах ГИМ;
-
коэффициент длины шатуна; в опорах, м;
-
радиусы шатунной и опорных шеек главного вала, м;
- радиус пальца шатуна или шаровой опоры шатуна в
ползуне, м (обычно
=
).
,
где
- относительная величина недохода,
.
или
,
где
- масса ползуна, кг;
-
максимальное ускорение ползуна, м/с2;
-
приведенное плечо крутящего момента, определенное при номинальном недоходе
ползуна до нижней мертвой точки, м;
.
.
9.2 Определение основных конструктивных размеров
муфты
Диаметр корпуса муфты находим по формуле
,
Внутренний
радиус трения
,
Наружный
радиус трения
,
Толщина
диска
,
Средний
радиус поверхности трения
,
.3 Определение среднего радиуса трения
Муфта
проектируется по большему значению среднего радиуса
, определяемого из трех следующих условий:
- конструктивного размещения
передачи заданного расчетного момента
; (1)
-
обеспечения заданного срока службы при двухсменной работе,
месяцев (
) или
год (
):
(2)
На стадии проектирования ориентировочно можно принять следующие данные:
-
линейная интенсивность износа фрикционных материалов,
м3/Дж;
-
относительная ширина кольца трения,
;
-
коэффициент взаимного перекрытия
-
приведенное фактическое давление на поверхности трения, МПа;
-
приведенный коэффициент трения,
;
-
коэффициент трения фрикционного контакта,
;
-
коэффициент формы, зависящий от вида и расположения вставок,
;
-
относительный момент инерции деталей муфты,
; (3)
- частота
вращения вала муфты, 1/мин;
-
угловая скорость вала муфты, рад/с,
; (4)
-
частота включений пресса;
для прессов без средств автоматизации,
для прессов со средствами автоматизации;
-
частота ходов ползуна пресса, 1/мин;
-
величина ресурса на износ,
мм;
- число
поверхностей трения;
- момент
инерции ведомой части привода без деталей муфты и тормоза,
.
.4 Определение параметров трения
Наружный
и внутренний
радиусы
трения муфты со вставками зависят от отношения ширины кольца трения
к длине вставки
:
. (5)
Число
вставок
определяется из условия обеспечения заданного
давления на поверхности трения
(6)
с
последующим уточнением этого числа по условию размещения:
при
однорядном расположении овальных и круглых вставок
; (7 )
внутренний радиусы трения:
для однорядного расположения
;
;
для
двухрядного расположения
;
; (8)
Полученные
значения округляются до стандартных значений, после чего уточняются средний
радиус трения и ширина кольца трения:
;
(9)
Затем
определяется суммарная площадь трения
(10)
и
уточняется значение коэффициента взаимного перекрытия
. (11)
Рекомендуемые
значения
.
Проведем
проектный расчет муфты на ЭВМ и построим график зависимости сил на ползуне
допускаемых прочностью муфты от угла поворота кривошипа.
Рисунок
12- График зависимости сил на ползуне допускаемых прочностью муфты от угла
поворота кривошипа
РАСЧЕТ
пневматической фрикционной МУФТЫ со вставками
ИСХОДНЫЕ ДАННЫЕ
СРОК СЛУЖБЫ МУФТЫ - 6 месяцев
ЧИСЛО ПОВЕРХНОСТЕЙ ТРЕНИЯ - 4
Номинальное усилие пресса, [ кН ] - 3150
МОМЕНТ ИНЕРЦИИ ВЕДОМОЙ ЧАСТИ ПРИВОДА БЕЗ ДЕТАЛЕЙ МУФТЫ И ТОРМОЗА ,
[кг*м^2] - 33
КОЭФФИЦИЕНТ ТРЕНИЯ В МУФТЕ - .4
ЧАСТОТА ВРАЩЕНИЯ ГЛАВНОГО ВАЛА, [1/мин ] - 32
КРУТЯЩИЙ МОМЕНТ МУФТЫ, [ Н*м ] - 579554
Величина ресурса вставки на износ, [ см ] - 3.2
РЕЗУЛЬТАТЫ РАСЧЕТА
ВСТАВКИ ДВУХРЯДНОГО РАСПОЛОЖЕНИЯ С ПЕРЕКРЫТИЕМ
ОСНОВНЫЕ ПАРАМЕТРЫ ВСТАВОК :
ФОРМА ВСТАВКИ - ОВАЛ
ОБОЗНАЧЕНИЕ - 150*80*40
МАРКА МАТЕРИАЛА - 63-7-67
ПЛОЩАДЬ ТРЕНИЯ С ОДНОЙ СТОРОНЫ ,[ см^2 ] - 104
ТОЛЩИНА ВСТАВКИ , [ см ] - 4
ДЛИНА ВСТАВКИ , [ см ] - 15
ШИРИНА ВСТАВКИ , [ см ] - 8
РАДИУС ВСТАВКИ , [ см ] - 4
КОЛИЧЕСТВО ВСТАВОК,РАСПОЛОЖЕННЫХ
В ВЕРХНЕМ РЯДУ , m1 - 25
В НИЖНЕМ РЯДУ , m2 - 25
УТОЧНЕННЫЕ ЗНАЧЕНИЯ :
КОЭФФИЦИЕНТА ВЗАИМНОГО ПЕРЕКРЫТИЯ - .5476354
СРЕДНЕГО РАДИУСА ТРЕНИЯ, [ см ] - 70.95
ШИРИНЫ КОЛЬЦА ТРЕНИЯ , [ см ] - 21.3
ОБЩАЯ ПОВЕРХНОСТЬ ТРЕНИЯ ПО ВСЕМ
ВСТАВКАМ С ОДНОЙ СТОРОНЫ, [ см^2 ] - 5200
ТОЛЩИНА ДИСКА МУФТЫ ДЛЯ ОБЕСПЕЧЕНИЯ
ДОСТАТОЧНОЙ ЖЕСТКОСТИ ВСТАВОК, [ см ] - 2.7
РАСЧЕТ пневмоцилиндра
Поршень пневмоцилиндра сплошной, и его диаметр , [ см ] - 121
ПЛОЩАДЬ поршня, [ см^2 ] - 11499
Рабочее давление воздуха, [ МПа ] - .5
Давление воздуха для преодоления усилия затяжки отводных пружин, [ МПа ]
- .035
Усилие затяжки отводных пружин, [ Н ] - 40246
Радиус кривошипа, [ мм ] - 125
Коэффициент длины шатуна - .1
Коэффициент дезаксиальности - 0
Коэффициент трения в ГИМе - .02
┌───────────┬────────────┬────────────┐
│УГОЛ ПОВОРОТА│ ДОПУСКАЕМОЕ │ ПРИВЕДЕННОЕ │
│ КРИВОШИПА │ УСИЛИЕ │ ПЛЕЧО │
│ [ градусы ] │ [ кН ] │ [ мм ] │
├─────────┼──────────────┼─────────────┤
│ 0 │ 87811.21 │ 6.5 │
│ 10 │ 19042.644 │ 30.4 │
│ 20 │ 10866.551 │ 53.3 │
│ 30 │ 7786.327 │ 74.4 │
│ 40 │ 6234.235 │ 92.9 │
│ 50 │ 5351.56 │ 108.2 │
│ 60 │ 4830.992 │ 119.9 │
│ 70 │ 4538.963 │ 127.6 │
│ 80 │ 4412.53 │ 131.3 │
│ 90 │ 4424.076 │ 131 │
│ 100 │ 4568.483 │ 126.8 │
│ 110 │ 4860.442 │ 119.2 │
│ 120 │ 5339.517 │ 108.5 │
└──────────┴──────────────┴──────────────┘
Рекомендуемое МАКСИМАЛЬНОЕ время cрабатывания пневмопривода, [ мc ] -
138.8 оптимальное время включения муфты, [ мc ] - 156.2
кривошип пресс маховик электродвигатель
9.5 Расчет пневмоцилиндра муфты
Площадь поршня пневмоцилиндра
, (12)
где
- рабочее давление воздуха в заводской пневмосети;
- давление, необходимое для преодоления сил сопротивления
движению поршня
Если
поршень пневмоцилиндра выполнен сплошным, то его диаметр
, (13)
а если он выполнен в виде кольца, то принимают его наружный диаметр
;
или
при известном диаметре вала муфты внутренний диаметр поршня принимают, как
, тогда другой диаметр определяют по формулам
; (14)
; (15)
Полученные
значения
,
, и
далее необходимо округлить до стандартных величин в
соответствии с ГОСТами на уплотнения.
Расчет пневмопривода муфты проведем на ЭВМ
Рисунок 13- График зависимости перемещения поршня от времени
Рисунок 14- График зависимости скорости поршня от времени
Рисунок 15- График зависимости ускорения поршня от времени
. ШАГ ПЕЧАТИ ПО ВРЕМЕНИ, [ с ], = .001
. ШАГ СЧЕТА ПО ВРЕМЕНИ, [ с ], = .001
. ДИАМЕТР ПОРШНЯ ЦИЛИНДРА, [ м ], = .27
. ДИАМЕТР ОТВЕРСТИЯ ПОДВОДА ВОЗДУХА, [ м ], = .004
. ХОД ПОРШНЯ, [ м ], = .004
. НАЧАЛЬНЫЙ объем ПОЛОСТИ НАПОЛНЕНИЯ , [ м^3 ], = .0001144
. ДАВЛЕНИЕ МАГИСТРАЛИ, [ MПа ], = .55
. ТЕХНОЛОГИЧЕСКАЯ НАГРУЗКА, [ H ], = 2576
. МАССА ПОДВИЖНЫХ ЧАСТЕЙ, [ кг ], = 45
. КОЭФФ.РАСХОДА ВОЗДУХА, = .7
. ЖЕСТКОСТЬ ПРУЖИНЫ, [ H/м ], = 7100
. НАЧАЛЬНОЕ СЖАТИЕ ПРУЖИНЫ, [ м ], = .0394
. КОЭФФИЦИЕНТ СКОРОСТНОГО СОПРОТИВЛЕНИЯ,[ H*с/м ] = 500
. ПУТЬ ТОРМОЖЕНИЯ, [ м ], = .001
Разработчик программы:
ТулГУ, кафедра <Механика пластического формоизменения>
им. Н. Демидова
телефон (8-087-2-) 35-05-60
ВРЕМЯ ДО НАЧАЛА ДВИЖЕНИЯ, Тнд = .005 [ с ];Pстр= .1498632 [МПа]
ПО СТАТИЧЕСКИМ ФОРМУЛАМ:
Время наполнения до начала движения - 5.936248E-3
ПРЯМОЙ ХОД
┌─────┬────────┬──────────┬─────────┬─────────┐
│ ВРЕМЯ│
ДАВЛЕНИЕ │ ПУТЬ ПОРШНЯ│ СКОРОСТЬ │УСКОРЕНИЕ │
│ │
НАПОЛНЕНИЯ│ │ │ │
│ [ с ]
│ [ Па ] │ [ мм ] │ [ м/с ] │ [ м/с^2 ] │
├───┼────┼─────┼────┼──────┤
│ 0 │
158490 │ .01 │ .00765 │ 7.652024 │
│ .001 │
166464 │ .04 │ .02544 │ 17.79641 │
│ .002 │
172825 │ .11 │ .05133 │ 25.88452 │
│ .003 │
176794 │ .2 │ .08225 │ 30.92354 │
│ .004 │
178016 │ .33 │ .11471 │ 32.46269 │
│ .005 │
176653 │ .49 │ .14542 │ 30.7083 │
│ .006 │
173269 │ .68 │ .1718 │ 26.37696 │
│ .007 │
168598 │ .88 │ .1922 │ 20.40448 │
│ .008 │
163340 │ 1.09 │ .20589 │ 13.683 │
│ .009 │
158048 │ 1.31 │ .2128 │ 6.916379 │
│ .01 │
153100 │ 1.52 │ .21339 │ .5872108 │
│ .011 │
148726 │ 1.73 │ .20838 │ -5.012895 │
│ .012 │
145042 │ 1.92 │ .19864 │ -9.732617 │
│ .013 │
142094 │ 2.1 │ .18513 │ -13.51313 │
│ .014 │
139885 │ 2.26 │ .16878 │ -16.35181 │
│ .015 │
138392 │ 2.4 │ .1505 │ -18.27775 │
│ .016 │
137577 │ 2.53 │ .13117 │ -19.33676 │
│ .017 │
137398 │ 2.63 │ .11158 │ -19.58304 │
│ .018 │
137810 │ 2.71 │ .09251 │ -19.07553 │
│ .019 │
138762 │ 2.78 │ .07463 │ -17.87713 │
│ .02 │
140202 │ 2.83 │ .05857 │ -16.05576 │
│ .021 │
142070 │ 2.87 │ .04489 │ -13.6865 │
│ .022 │
144301 │ 2.89 │ .03403 │ -10.85428 │
│ .023 │
146818 │ 2.92 │ .02638 │ -7.656201 │
│ .024 │
149534 │ 2.94 │ .02217 │ -4.203275 │
│ .025 │
152353 │ 2.96 │ .02155 │ -.6205764 │
│ .026 │
155165 │ 2.98 │ .02451 │ 2.9548 │
│ .027 │
157859 │ 3.02 │ .03089 │ 6.378317 │
│ .028 │
160321 │ 3.06 │ .04005 │ 9.162177 │
│ .029 │
162457 │ 3.12 │ .05182 │ 11.77015 │
│ .03 │
164178 │ 3.19 │ .06564 │ 13.82035 │
│ .031 │
165421 │ 3.28 │ .08088 │ 15.23736 │
│ .032 │
166151 │ 3.39 │ .09686 │ 15.98305 │
│ .033 │
166364 │ 3.51 │ .11292 │ 16.05887 │
│ .034 │
166083 │ 3.64 │ .12842 │ 15.50372 │
│ .036 │
164257 │ 3.96 │ .15561 │ 12.80431 │
│ .037 │
162860 │ 4.13 │ .16647 │ 10.85893 │
│ .037 │
162860 │ 4.13 │ .16647 │ 10.85893 │
└───┴─────┴───┴─────┴──────┘
ЗАКЛЮЧИТЕЛЬНЫЙ ПЕРИОД :
ВРЕМЯ наполнения ПОСЛЕ ОСТАНОВКИ ПОРШНЯ, Тнп = .1829817 [ с ]
ВРЕМЯ ОПОРОЖНЕНИЯ ПОСЛЕ ОСТАНОВКИ ПОРШНЯ, Тoп = 0 [ с ]
ПОЛНОЕ ВРЕМЯ ПРЯМОГО ХОДА ПО ПЕРИОДАМ :
.936248E-3 + 3.699999E-2 + .1829817 = .2199816 [ с ]
.6 Расчет параметров пружин муфты
Рабочее усилие затяжки одной пружины
, (16)
где
- число пружин, которое выбирается по конструктивным
соображениям из ряда 6, 9, 12, 18, 24, 32 и т.д. кратно трем.
Расчетное
усилие пружины муфты
, развиваемое во включенной муфте с учетом допустимого
износа между регулировками, определяется по формуле:
, (17)
где
- ход поршня пневмоцилиндра,
;
- ресурс
на износ между двумя регулировками,
м.
Диаметр
проволоки пружины
, (18)
где
- индекс пружины,
;
- допустимое напряжение кручения: для стали 65Г
Н/мм2; для стали 60С2
Н/мм2.
Средний
диаметр пружины
. (19)
Минимальное
число рабочих витков пружины
, (20)
где
коэффициент
.
Максимальное
значение деформации
. (21)
Длина
пружины, сжатой до соприкосновения витков,
. (22)
Шаг
навивки
. (23)
Длина
пружины в свободном состоянии
. (24)
Длина
пружины при расчетном усилии
. (25)
Деформация
пружины при рабочем усилии
. (26)
Длина
пружины при рабочем усилии
. (27)
Расчет пружины муфты проведем на ЭВМ.
РАСЧЕТ НЕСТАНДАРТНОЙ ПРУЖИНЫ МУФТЫ
ИСХОДНЫЕ ДАННЫЕ ПРУЖИНЫ I класса
РАБОЧЕЕ УСИЛИЕ ЗАТЯЖКИ ОДНОЙ ПРУЖИНЫ [Н] - 235
ПОЛНЫЙ ХОД ПОРШНЯ, [мм] - 5
ИНДЕКС ПРУЖИНЫ - 5
ДОПУСКАЕМОЕ НАПРЯЖЕНИЕ КРУЧЕНИЯ, [Н/мм^2] - 400
РЕСУРС НА ИЗНОС МЕЖДУ ДВУМЯ РЕГУЛИРОВКАМИ [мм] - 4
ПАРАМЕТРЫ ПРУЖИНЫ
РАСЧЕТНОЕ УСИЛИЕ , [Н] - 270
МАКСИМАЛЬНОЕ УСИЛИЕ , [Н] - 351
КОЛИЧЕСТВО РАБОЧИХ ВИТКОВ - 40
ПОЛНОЕ КОЛИЧЕСТВО ВИТКОВ - 41.5
ЖЕСТКОСТЬ ПРУЖИНЫ, [Н/мм] - 7
ДИАМЕТР ПРОВОЛОКИ ПРУЖИНЫ, [мм] - 3.83
НАРУЖНЫЙ ДИАМЕТР ПРУЖИНЫ, [мм] - 22.98
ДЕФОРМАЦИЯ ПРИ РАБОЧЕМ УСИЛИИ, [мм] - 34.5
ДЕФОРМАЦИЯ ПРИ РАСЧЕТНОМ УСИЛИИ, [мм] - 38.5
ШАГ ПРУЖИНЫ В СВОБОДНОМ СОСТОЯНИИ, [мм] - 5
ВЫСОТА ПРУЖИНЫ
... В СВОБОДНОМ СОСТОЯНИИ, [мм] - 203.8
... ПРИ РАБОЧЕМ УСИЛИИ, [мм] - 169.2
... ПРИ РАСЧЕТНОМ УСИЛИИ, [мм] - 165.2
МАССА ПРУЖИНЫ, [грамм] - 224
ОБЪЕМ ПРУЖИНЫ, [мм^3] - 70200
ПРОВЕРКА ЖЕСТКОСТИ И НАПРЯЖЕНИЙ КРУЧЕНИЯ
ЖЕСТКОСТЬ ПРУЖИНЫ , [ Н/мм ] - 7.6
НАПРЯЖЕНИЯ В ПРУЖИНЕ , [ Н/мм^2 ] - 400
Так как высота пружины больше ее диаметра, необходимо предусмотреть
направляющие для пружины...
9.7 Проверочный расчет фрикционной дисковой
муфты включения
Крутящий момент муфты
, (28)
где
- удельная нагрузка на дисках муфты;
- количество трущихся поверхностей;
,
-
наружный и внутренний радиусы трения;
-
коэффициент трения на дисках.
Обычно
в расчетные значения
вводится поправочный коэффициент
, которая зависит от типа машины и ее технологического
назначения.
В
этом случае при расчете муфт со вставками
, (29)
где
- площадь трения с одной стороны;
- количество трущихся поверхностей, обычно
;
-
средний радиус муфты,
. (30)
Для
условий сухого трения металлических ведущих дисков (чугунных или стальных)
допускаемое давление для обкладок из феродо
= 0,2 ...
0,25 МПа.
Усилие
на включающем устройстве, необходимое для нажатия дисков
, будет складываться из следующих составляющих:
)
усилия
для преодоления трения в манжетах поршня;
)
усилия
для преодоления трения в шлицах дисков при их
перемещении в период включения муфты-тормоза;
)
усилия
для сжатия пружин;
)
усилия
для обеспечения на дисках муфты требуемого давления.
Усилие
трения
в поршне зависит от затяжки уплотнительного
устройства и обычно принимается в долях от усилия
с коэффициентом
, т. е.
. (31)
Усилие
можно также определить по следующим формулам:
для
кольцевого поршня
; (32)
для
сплошного поршня
; (33)
где
- коэффициент трения манжеты в поршне,
;
-
наружный и внутренний диаметры манжеты;
- высота
манжеты;
- давление воздуха, необходимое для включения муфты.
Усилие
находим по формуле
, (34)
где
- коэффициент трения в шлицах дисков,
;
-
момент, вызванный сопротивлением на ведомых дисках,
, (35)
где
- коэффициент, учитывающий величину сопротивления на
валу,
, причем большие значения принимаются для тяжелых
условий работы;
- наружный и внутренний радиусы шлицев дисков муфты.
Усилие
определяется по формуле
, (36)
где
- коэффициент, равный 1,3.
Усилие
вычисляем по формуле
, (37)
или,
если известно
, по формуле
, (38)
Таким
образом,
;
или
Давление
воздуха определяем по формуле:
, (39)
где
- наружный внутренний диаметры поршня.
Давление
воздуха
МПа или
МПа.
Показатель
износа трущихся поверхностей
,
где
- частота ходов ползуна машины, определяемое по
паспорту машины;
- коэффициент возможного использования частоты ходов;
- допустимое значение показателя износа ;
- работа трения при включении,
,
где
- приведенный к валу муфты момент инерции деталей
ведомой части привода;
- частота вращения ведущей части привода до включения
муфты.
Площадь
трущихся поверхностей дисковой муфты
,
где
- число трущихся поверхностей.
Время
срабатывания пневмопривода одностороннего действия
,
где
- коэффициент расхода цепей наполнения, который
выбирается согласно в зависимости от
, (40)
где
- суммарная длина трубопроводов цеховой сети до
силового цилиндра;
- внутренний диаметр трубопровода; значения
и
;
- проходное сечение трубопровода наполнения;
- давление в цеховой сети и внешней среды;
- давление, развиваемое в рабочей полости при
движении поршня,
;
-
давление, развиваемое в полости противодавления в период движения поршня,
,
-
вредный объем и приращение объема полости наполнения,
;
.
Проверочный
расчет муфты проведем на ЭВМ.
ПОВЕРОЧНЫЙ РАСЧЕТ МУФТЫ СО ВСТАВКАМИ
Группа - 641561
ИСХОДНЫЕ ДАННЫЕ :
МАКСИМАЛЬНЫЙ КРУТЯЩИЙ МОМЕНТ МУФТЫ, [Н*м] - 579554
МОМЕНТ ИНЕРЦИИ ВЕДУЩЕЙ ЧАСТИ ПРИВОДА, [кг*м^2] - 0
МОМЕНТ ИНЕРЦИИ ВЕДОМОЙ ЧАСТИ ПРИВОДА, [кг*м^2] - 33
ЧАСТОТА ВРАЩЕНИЯ ВАЛА МУФТЫ, [1/мин] - 250
НОМИНАЛЬНАЯ ЧАСТОТА ХОДОВ ПОЛЗУНА, [ход/мин] - 250
КОЭФФИЦИЕНТ ИСПОЛЬЗОВАНИЯ ЧАСТОТЫ ХОДОВ - 32
ЧИСЛО ПОВЕРХНОСТЕЙ ТРЕНИЯ - 4
НАРУЖНЫЙ РАДИУС ТРЕНИЯ, [ cм ] - 27
ВНУТРЕННИЙ РАДИУС ТРЕНИЯ, [ cм ] - 19
ЧИСЛО ВСТАВОК - 25
ПЛОЩАДЬ ТРЕНИЯ ВСТАВКИ С ОДНОЙ СТОРОНЫ, [ cм^2 ] - 14.5
РЕЗУЛЬТАТЫ РАСЧЕТА :
ОТНОСИТЕЛЬНЫЙ МОМЕНТ ИНЕРЦИИ - 0
ЧИСЛО ОБОРОТОВ ВАЛА ПРИ ВЫБЕГЕ - 11
МОМЕНТ СОПРОТИВЛЕНИЯ ВРАЩЕНИЮ ВЕДОМОЙ ЧАСТИ, [ Н*м ] - 1638
ОТНОСИТЕЛЬНЫЙ МОМЕНТ СОПРОТИВЛЕНИЯ, - 2.356338E-2
РАБОТА ТРЕНИЯ ЗА ОДНО ВКЛЮЧЕНИЕ СОСТАВЛЯЕТ, [ Дж ] - 113437
ПОКАЗАТЕЛЬ ИЗНОСА, K - 19624.06
ДОПУСКАЕМОЕ ЗНАЧЕНИЕ ПОКАЗАТЕЛЯ ИЗНОСА, [K] - 12.42883
ЛИНЕЙНАЯ СКОРОСТЬ НА СРЕДНЕМ РАДИУСЕ, [ м/с ] - 6.02
КОЭФФИЦИЕНТ ФОРМЫ - 1.108
ОТНОСИТЕЛЬНАЯ ПОВЕРХНОСТНАЯ ТЕМПЕРАТУРА, Qm - 1.25
УСЛОВИЕ РАБОТОСПОСОБНОСТИ УЗЛА ВЫПОЛНЕНО
ДАВЛЕНИЕ НА ТРУЩИХСЯ ПОВЕРХНОСТЯХ - 1.67
УСЛОВИЕ НОРМАЛЬНОЙ РАБОТЫ УЗЛА ВЫДЕРЖАНО
ОПРЕДЕЛЕНИЕ РАСЧЕТНОГО ДАВЛЕНИЯ СЖАТОГО ВОЗДУХА:
НАРУЖНЫЙ ДИАМЕТР ПНЕВМОЦИЛИНДРА, [ см ] - 10
ВНУТРЕННИЙ ДИАМЕТР ПНЕВМОЦИЛИНДРА,[ см ] - 10
ПЛОЩАДЬ ПОРШНЯ ПНЕВМОЦИЛИНДРА, [ см^2 ] - 78
ВЫСОТА ПОРШНЯ, [ cм ] - 10
ДИАМЕТР ПНЕВМОТРУБОПРОВОДА, [ cм ] - 12
ЧИСЛО ПРУЖИН - 12
РАСЧЕТНОЕ ДАВЛЕНИЕ СЖАТОГО ВОЗДУХА, [ МПа ] - .45
РАБОЧЕЕ ДАВЛЕНИЕ ВОЗДУХА В РЕСИВЕРЕ, [ МПа ] - 7.87
УСЛОВИЕ РАБОТОСПОСОБНОСТИ ПНЕВМОЦИЛИНДРА ВЫПОЛНЕНО
РАСЧЕТ КРЕПЕЖНЫХ БОЛТОВ МУФТЫ:
КОЛИЧЕСТВО БОЛТОВ КРЫШКИ ПОДШИПНИКА - 6
ВНЕШНЯЯ НАГРУЗКА, ДЕЙСТВУЮЩАЯ НА КРЕПЕЖНЫЕ БОЛТЫ КРЫШЕК ПОДШИПНИКОВ, [ кH
] - 0
Диаметр резьбы болтов, мм - 6
Материал болтов - Ст.3
КОЛИЧЕСТВО БОЛТОВ СТУПИЦЫ МУФТЫ - 8
ВНЕШНЯЯ НАГРУЗКА, ДЕЙСТВУЮЩАЯ НА БОЛТЫ КРЕПЛЕНИЯ
СТУПИЦЫ МУФТЫ , [ кH ] - 0
Диаметр резьбы болтов, мм - 8
Материал болтов - Ст.3
ПРОВЕРКА
~~~~~~~~ ВСТАВОК НА СМЯТИЕ
ДЛИНА ВСТАВКИ, [см] - 15
ТОЛЩИНА ВСТАВКИ, [см] - 13
УСЛОВИЕ НОРМАЛЬНОЙ РАБОТЫ ВСТАВКИ ВЫПОЛНЕНО
ПРОВЕРКА шлицев дисков НА СМЯТИЕ :
~~~~~~~~ ВЕДОМЫХ -
МОДУЛЬ, [см] - 1.6
СРЕДНИЙ РАДИУС , [см] - 20
ЧИСЛО ШЛИЦЕВ - 25
НАПРЯЖЕНИЕ СМЯТИЯ , [ МПа ] - 19.02 < [ 35 МПа ]
ВЕДУЩИХ -
МОДУЛЬ, [см] - 1.2
СРЕДНИЙ РАДИУС , [см] - 20
ЧИСЛО ШЛИЦЕВ - 33.33333
НАПРЯЖЕНИЕ СМЯТИЯ , [ МПа ] - 0 < [ 35 МПа ]
СРОК СЛУЖБЫ ФРИКЦИОННЫХ ЭЛЕМЕНТОВ , В МЕСЯЦАХ - 8.928705E-3
СРОК СЛУЖБЫ ФРИКЦИОННЫХ элементов МЕНЬШЕ
МИНИМАЛЬНОГО СРОКА СЛУЖБЫ - 6 месяцев
10. Расчеты тормоза, пневмопривода тормоза,
пружины тормоза
Для прессов небольших усилий применяют ленточные и дисковые тормоза, для
прессов больших усилий - дисковые.
Тормозной момент определяют, исходя из работы торможения:
,
где
- момент инерции затормаживаемых деталей, приведенный
к валу тормоза;
- показатель момента тормоза;
- частота вращения вала тормоза;
- частота ходов ползуна;
- расчётный угол торможения.
На
стадии проектного расчета ориентировочно можно принять приведенный момент
инерции
,
где
- номинальное усилие пресса, кН;
- коэффициент (для листоштамповочных
).
Далее
расчет дискового тормоза проводится аналогично расчету муфты по формулам
(1-40).
Проектный,
проверочный расчеты тормоза, а также расчеты пружины и пневмопривода тормоза
проведем на ЭВМ.
РАСЧЕТ
пневматического фрикционного ТОРМОЗА со вставками
ИСХОДНЫЕ ДАННЫЕ
СРОК СЛУЖБЫ ТОРМОЗА - 12 месяцев
ЧИСЛО ПОВЕРХНОСТЕЙ ТРЕНИЯ - 4
Номинальное усилие пресса, [ кН ] - 3150
МОМЕНТ ИНЕРЦИИ ВЕДОМОЙ ЧАСТИ ПРИВОДА БЕЗ ДЕТАЛЕЙ МУФТЫ И ТОРМОЗА , [кг*м^2]
- 25
ЧАСТОТА ВРАЩЕНИЯ ГЛАВНОГО ВАЛА, [1/мин ] - 25
КРУТЯЩИЙ МОМЕНТ ТОРМОЗА, [Н*м ] - 4379
Величина ресурса вставки на износ, [ см ] - 1
РЕЗУЛЬТАТЫ РАСЧЕТА
РАСПОЛОЖЕНИЕ ВСТАВОК ОДНОРЯДНОЕ
ОСНОВНЫЕ ПАРАМЕТРЫ ВСТАВОК :
ФОРМА ВСТАВКИ - ОВАЛ
ОБОЗНАЧЕНИЕ - УД-1830A
МАРКА МАТЕРИАЛА - 8-45-62
ПЛОЩАДЬ ТРЕНИЯ С ОДНОЙ СТОРОНЫ ,[ см^2 ] - 58.3
ТОЛЩИНА , [ см ] - 4
ДЛИНА , [ см ] - 11
ШИРИНА , [ см ] - 6
РАДИУС , [ см ] - 3
КОЛИЧЕСТВО ВСТАВОК - 5
УТОЧНЕННЫЕ ЗНАЧЕНИЯ :
КОЭФФИЦИЕНТА ВЗАИМНОГО ПЕРЕКРЫТИЯ - .3374085
СРЕДНЕГО РАДИУСА ТРЕНИЯ, [ см ] - 12.5
ШИРИНЫ КОЛЬЦА ТРЕНИЯ , [ см ] - 11
ОБЩАЯ ПОВЕРХНОСТЬ ТРЕНИЯ ПО ВСЕМ ВСТАВКАМ С ОДНОЙ СТОРОНЫ, [ см^2 ] -
291.5
ТОЛЩИНА ДИСКА ТОРМОЗA ДЛЯ ОБЕСПЕЧЕНИЯ ДОСТАТОЧНОЙ ЖЕСТКОСТИ ВСТАВОК,[ см
] - 1.06
РАСЧЕТ пневмоцилиндра
Поршень пневмоцилиндра - сплошной, и его диаметр , [ см ] - 23
ПЛОЩАДЬ поршня, [ см^2 ] - 415
Рабочее давление воздуха, [ МПа ] - .55
Усилие тормозных пружин, [ Н ] - 26619.3
Рекомендуемое МАКСИМАЛЬНОЕ время cрабатывания пневмопривода, [ c ] -
.1388889
РАСЧЕТ НЕСТАНДАРТНОЙ ПРУЖИНЫ ТОРМОЗА
ИСХОДНЫЕ ДАННЫЕ ПРУЖИНЫ I класса
РАБОЧЕЕ УСИЛИЕ ПРУЖИНЫ ТОРМОЗА, [Н] - 1420
ПОЛНЫЙ ХОД ПОРШНЯ, [мм] - 6
ИНДЕКС ПРУЖИНЫ - 5
ДОПУСКАЕМОЕ НАПРЯЖЕНИЕ КРУЧЕНИЯ, [Н/мм^2] - 400
РЕСУРС НА ИЗНОС МЕЖДУ ДВУМЯ РЕГУЛИРОВКАМИ, [мм] - 5
ПАРАМЕТРЫ ПРУЖИНЫ
РАСЧЕТНОЕ УСИЛИЕ , [Н] - 1600
МАКСИМАЛЬНОЕ УСИЛИЕ , [Н] - 2082
КОЛИЧЕСТВО РАБОЧИХ ВИТКОВ - 24.84
ПОЛНОЕ КОЛИЧЕСТВО ВИТКОВ - 26.34
ЖЕСТКОСТЬ ПРУЖИНЫ, [Н/мм] - 29.99
ДИАМЕТР ПРОВОЛОКИ ПРУЖИНЫ, [мм] - 9.32
НАРУЖНЫЙ ДИАМЕТР ПРУЖИНЫ, [мм] - 55.92
ДЕФОРМАЦИЯ ПРУЖИНЫ ПРИ РАБОЧЕМ УСИЛИИ [мм] - 47.3
ДЕФОРМАЦИЯ ПРИ РАСЧЕТНОМ УСИЛИИ, [мм] - 53.3
ШАГ ПРУЖИНЫ В СВОБОДНОМ СОСТОЯНИИ, [мм] - 13.1
ВЫСОТА ПРУЖИНЫ
... В СВОБОДНОМ СОСТОЯНИИ, [мм] - 335.2
... ПРИ РАБОЧЕМ УСИЛИИ, [мм] - 287.8
... ПРИ РАСЧЕТНОМ УСИЛИИ, [мм] - 281.8
МАССА ПРУЖИНЫ, [грамм] - 2052
ОБЪЕМ ПРУЖИНЫ, [мм^3] - 692308
-------------------------------------------------
ПРОВЕРКА ЖЕСТКОСТИ И НАПРЯЖЕНИЙ КРУЧЕНИЯ
ЖЕСТКОСТЬ ПРУЖИНЫ , [ Н/мм ] - 30
НАПРЯЖЕНИЯ В ПРУЖИНЕ , [ Н/мм^2 ] - 400
__________________________________________________
Так как высота пружины больше ее диаметра, необходимо предусмотреть
направляющие для пружины...
Расчет пневмопривода
Рисунок 16- График зависимости перемещения поршня от времени
Рисунок 17- График зависимости cкорости поршня от времени
Рисунок 18- График зависимости ускорения поршня от времени
РАСЧЕТ ПНЕВМОПРИВОДА
. ШАГ ПЕЧАТИ ПО ВРЕМЕНИ, [ с ], = .0001
. ШАГ СЧЕТА ПО ВРЕМЕНИ, [ с ], = .0001
. ДИАМЕТР ПОРШНЯ ЦИЛИНДРА, [ м ], = .15
. ДИАМЕТР ОТВЕРСТИЯ ОТВОДА ВОЗДУХА, [ м ], = .004
. ХОД ПОРШНЯ, [ м ], = .005
. НАЧАЛЬНЫЙ объем ПОЛОСТИ ОПОРОЖНЕНИЯ, [ м^3 ], = .0000362
. ДАВЛЕНИЕ МАГИСТРАЛИ, [ MПа ], = .55
. ТЕХНОЛОГИЧЕСКАЯ НАГРУЗКА, [ H ], = 11144
. МАССА ПОДВИЖНЫХ ЧАСТЕЙ, [ кг ], = 142
. КОЭФФ.РАСХОДА ВОЗДУХА, = .7
. ЖЕСТКОСТЬ ПРУЖИНЫ, [ H/м ], = 3.2E+7
. НАЧАЛЬНОЕ СЖАТИЕ ПРУЖИНЫ, [ м ], = .0433
. КОЭФФИЦИЕНТ СКОРОСТНОГО СОПРОТИВЛЕНИЯ,[ H*с/м ] = 700
. ПУТЬ ТОРМОЖЕНИЯ, [ м ], = .001
Разработчик программы:
ТулГУ, кафедра <Механика пластического формоизменения>
им. Н. Демидова
телефон (8-087-2-) 35-05-60
ВРЕМЯ ДО НАЧАЛА ДВИЖЕНИЯ, Тнд = 0 [ с ];Pстр= .5492076 [МПа]
ПО СТАТИЧЕСКИМ ФОРМУЛАМ:
Время опорожнения до начала движения - -2.896177E-4
ОБРАТНЫЙ ХОД
┌─────┬────────┬──────────┬────────┬──────────┐
│ВРЕМЯ│
ДАВЛЕНИЕ │ ПУТЬ ПОРШНЯ│ СКОРОСТЬ │ УСКОРЕНИЕ │
│ │ОПОРОЖНЕНИЯ│
│ │ │
│ [ с ]
│ [ Па ] │ [ мм ] │ [ м/с ] │ [ м/с^2 ] │
├─┼─────┼───┼─────┼──────┤
│ 0 │
548416 │ .12 │ .86612 │ 8661.272 │
│ .0001
│ 554477 │ .34 │ 1.7351 │ 8689.795 │
│ .0002
│ 567992 │ .65 │ 2.6088 │ 8737.006 │
│ .0003
│ 590254 │ 1.04 │ 3.48909 │ 8802.87 │
│ .0004
│ 623556 │ 1.52 │ 4.37782 │ 8887.271 │
│ .0005
│ 671846 │ 2.09 │ 5.27681 │ 8989.931 │
│ .0006
│ 742098 │ 2.76 │ 6.18783 │ 9110.232 │
│ .0007
│ 847505 │ 3.52 │ 7.11252 │ 9246.824 │
│ .0008
│ 1015950 │ 4.37 │ 8.05217 │ 9396.563 │
│ .0009
│ 1317881 │ 5.32 │ 9.00331 │ 9511.339 │
│ .0009
│ 1317881 │ 5.32 │ 9.00331 │ 9511.339 │
└────┴─────┴────┴─────┴──────┘
ЗАКЛЮЧИТЕЛЬНЫЙ ПЕРИОД :
ВРЕМЯ ОПОРОЖНЕНИЯ ПОСЛЕ ОСТАНОВКИ ПОРШНЯ, Тoп = -4.331826E-2 [ с ]
ПОЛНОЕ ВРЕМЯ ОБРАТНОГО ХОДА ПО ПЕРИОДАМ :
+ .0009 + -4.331826E-2 = -4.241826E-2 [ с ]
11. Расчет главного вала
Расчет главного вала проведем на ЭВМ и построим графики зависимости
допускаемого усилия от угла поворота.
Рисунок 19- График зависимости допускаемого усилия от угла поворота
а) Для сечения В-В; б) Для сечения Е-Е.
Рисунок 20- Вал главный
Схема коленчатого вала с односторонним зубчатым приводом -N6
ИСХОДНЫЕ ДАННЫЕ ДЛЯ РАСЧЕТА ГЛАВНОГО ИСПОЛНИТЕЛЬНОГО МЕХАНИЗМА (ГИМа)
Номинальное усилие пресса.[МН] p= 3.15 (линейные размеры -В МЕТРАХ!!!)
Диаметр опорной шейки главного вала d0= .27
Диаметр шатунной шейки главного вала d3= .38
Длина опорной шейки главного вала l0= .52
Радиус кривошипа r= .2
Радиус зубчатого колеса по начальной окружности r4= .51
Ширина щеки двухколенчатого вала b= .14
Дезаксиальность глав. исполнит. механизма e= 0
Длина шатуна l= .35
Расстояние от центра обода зубчатого колеса до наружнего
края опорной шейки l1= .1
Коэффициенты материала для сечений (Фs,Фt) B (d0) - 1.9 3.2 E (d3) - 2.8
4.8
Коэф-т трения в кинематич.парах глав.исполнит.мех. .03
Угол зацепления, [градус] 20
Установочный угол шестерни, [градус] 120
Коэффициент запаса прочности n= 1.3
Коэффициент эквивалентной нагрузки k= .8
Предел выносливости, [МПа] 280
РАСПЕЧАТКА РЕЗУЛЬТАТОВ
┌─────────┬────────────────────┬────────────┐
│Угол
поворотa│ Допускаемые усилия в сечениях │Приведенное плечо│
│
кривошипа │ B-B │ E-E │ силы │
│
[градусы] │ [кН] │ [кН] │ [мм] │
├─────────┼───────┼─────────────┼────────────┤
│ 10 │
7808 │ 16015 │ 69.5 │
│ 20 │
3966 │ 21492 │ 120.1 │
│ 30 │
2751 │ 15416 │ 164 │
│ 40 │
2211 │ 11068 │ 198.8 │
│ 50 │
1947 │ 9094 │ 222.8 │
│ 60 │
1833 │ 8301 │ 235.2 │
│ 70 │
1824 │ 8237 │ 236.3 │
│ 80 │
1905 │ 8797 │ 227.2 │
│ 90 │
2083 │ 10087 │ 209.7 │
│ 100 │
2381 │ 12417 │ 186.2 │
│ 110 │
2852 │ 16205 │ 159 │
│ 120 │
3588 │ 20607 │ 130.6 │
└───┴───┴─────┴────┘
12. Расчет уравновешивателей ползуна
Уравновешиватели применяются для предотвращения опускания ползуна в
случае неисправности тормоза, а также для более плавной работы привода и
снижения энергозатрат на холостой ход ползуна. Наличие уравновешивателя
обеспечивает постоянную одностороннюю выборку зазоров, что, в свою очередь,
приводит к более равномерному ходу ползуна.
Уравновешиватель способствует более точной штамповке и меньшему износу
инструмента. Уравновешиватели могут быть как пневматическими так и пружинными.
По конструктивному исполнению пневматические уравновешиватели делятся на две
группы:
цилиндры связаны со станиной, а штоки поршней - с ползуном пресса
(рисунок 15);
Рисунок 21- Крепление цилиндров уравновешивателей на станине, а штоки
поршней с ползуном
Исходные
данные для расчета:
- частота ходов пресса, 1/мин;
- длина хода ползуна пресса, м;
- масса ползуна пресса с подвижными частями,
коленчатым валом и верхней половиной штампа, кг; ориентировочно можно принять
,
где
- номинальное усилие пресса, кН;
- число цилиндров уравновешивателей,
- число уравновешивающих пружин (для пружинных
уравновешивателей),
МПа - расчетное давление в ресивере цилиндров
уравновешивателей;
- длина цилиндра уравновешивателя, м.
Составляющая
инерционных усилий, действующих на ползун,
,
где
;
- радиус
кривошипа, м;
- длина шатуна, м. Диаметр цилиндра уравновешивателя
с креплением к станине (рисунок 14)
;
диаметр
цилиндра уравновешивателя, установленного на фундаменте (рисунок 15),
;
где
;
-
диаметр штока.
Объем
ресивера уравновешивателя принимается равным 8-10 объемам цилиндра
уравновешивателя:
,
где
;
.
Диаметр
ресивера принимается равным диаметру цилиндра уравновешивателя.
При
пружинном уравновешивателе суммарное усилие пружин определяется по формуле
,
где
- усилие одной пружины,
- число пружин.
Расчет
штоков и других деталей, соединяющих поршни уравновешивателей с ползунами,
проводится по усилию
следующим образом:
при
установке цилиндра на станине
;
при установке цилиндра на фундаменте
.
Расчет
уравновешивателя проведем на ЭВМ
расчет пневматических уравновешивателей
уравновешиватель тянущего типа с малым изменением силы
Номинальная сила пресса, [ кН ] - 3150
частота ходов ползуна, [ 1/мин ] - 25
радиус кривошипа, [ мм ] - 100
коэффициент длины шатуна, - .1
допустимое напряжение, Sigma [ МПа ] - 80
показатель политропы - 1.18
допустимая скорость течения воздуха, [м/с] - 20
коэффициент динамичности, Kд - 1.4
РАСЧЕТНЫЕ ПАРАМЕТРЫ
для определения необходимого силы уравновешивания
масса ползуна, [ кг ] = 3799
масса шатуна, [ кг ] = 500
масса кривошипов, [ кг ] = 50
количество шатунов, - 1
приведенная масса кривошипа, [ кг ] - 50
количество кривошипов, - 1
начальная Сила [ Н ] = 45139.5
определение конструктивных параметров уравновешивателей
критерий выбора типа уравновешивателя, К2 =
коэффициент, <delta> = 8.074475E-2
начальное давление воздуха, [ МПа ] = .3
конечное давление воздуха, [ МПа ] = .375
уравновешиватели с общей силой, [ Н ] = 45139.5
=========== Уравновешиватели в СТОЙКАХ ============
количество уравновешивателей в стойках - 2
Сила в стойках [ Н ] = 45021.05
Диаметр цилиндров в стойках [ мм ] = 310
диаметр штоков в стойках [ мм ] = 25
========= Уравновешиватели в ТРАВЕРСЕ ============
количество уравновешивателей в траверсе - 1
Сила в траверсе [ Н ] = 118.4414
Диаметр цилиндров в траверсе [ мм ] = 21
диаметр штоков в траверсе [ мм ] = 1
общая площадь поршней [ м^2 ] = .1502732
Объем ресивера [ м^3 ] = .263
уточненное начальное давление [ МПа ] = .3003829
определение диаметров трубопроводов
скорость движения ползунa , [ м/c ] = .4
диаметр трубопровода в стойках, [ м ] = 43
диаметр трубопровода в траверсе, [ м ] = 1
Проверка трубопровода на нагрев
Длина трубопровода, [ м ] = 3
Коэффициент трения воздуха в трубопроводе = .03
Коэффициент использования частоты ходов = .02
коэффициент меcтного сопротивления: на входе = .01
на выходе = 1
при поворотах = .25
число поворотов под углом 90 градусов = 2
рассчитанный коэффициент сопротивления = 3.603023
Удельное тепловыделение, W = 6.114165E-4
Допустимое значение [W] = 3
13. Определение работоспособности пресса
Для определения работоспособности пресса построим в одной системе
координат графики допускаемых усилий и график технологической силы.
Рисунок 22. График для определения работоспособности пресса
-график технологической нагрузки
- график номинальной силы
- график допускаемого усилия из условия прочности зубчатой передач.
- график допускаемого усилия из условия прочности муфтой
- график допускаемого усилия из условия прочности вала сечения E-E
- график допускаемого усилия из условия прочности вала сечения B-B
Вывод: По графику видно, что пресс работоспособен.
Список использованных источников
1)
Руководство по дипломному проектированию: Учеб. пособие. - Тула: ТулГУ, 2000. -
Ч.1-5.
Ч.4: А.С.
Маленичев, Н.Е. Проскуряков, Е.Б. Чачина / Под общей редакцией Н.Е.
Проскурякова. - кузнечно-штамповочное оборудование - 132 с.
2) Основы
проектирования машин и узлов: Учебное пособие/ А.К. Талалаев, Н.Е. Проскуряков,
А.С. Маленичев. - Тул. гос. ун-т: Тула, 1997. - с.