Фільтр верхніх частот
МІНІСТЕРСТВО ОСВІТИ І НАУКИ УКРАЇНИ
Харківський національний університет радіоелектроніки
Кафедра радіоелектронних пристроїв
КУРСОВА РОБОТА
ПОЯСНЮВАЛЬНА ЗАПИСКА
ФІЛЬТР ВЕРХНІХ ЧАСТОТ
Виконав:
ст. гр. РТ-07-3
Фесунов
М.О.
Варіант
№18
Перевірив
Звягінцев
О.Ю.
Харків
2009р.
РЕФЕРАТ
Мета роботи - синтез схеми активного
RC-фільтра та розрахунок компонентів схеми.
Метод дослідження - апроксимація АЧХ
фільтра поліномом Баттерворта.
Апроксимована передаточна функція
реалізована з допомогою активного фільтра. Фільтр побудоване каскадним
з'єднанням незалежних ланок. В активних фільтрах використані неінвертуючі
підсилювачі зі скінченим підсиленням, які реалізовані з допомогою операційних
підсилювачів.
Результати роботи можуть
використовуватися для синтезу фільтрів радіотехнічної апаратури.
Прогнозні пропозиції щодо розвитку
об'єкта дослідження - пошук оптимальних схем фільтрів.
АКТИВНИЙ ФІЛЬТР, АПРОКСИМАЦІЯ,
ОПЕРАЦІЙНИЙ ПІДСИЛЮВАЧ, ПЕРЕДАТОЧНА ХАРАКТЕРИСТИКА
ВСТУП
До недавнього часу результати порівняння
цифрових і аналогових приборів в радіоапаратурі і технічних засобах
електрозв’язку не могли не визивати відчуття незадоволення. Цифрові вузли, що
реалізувалися з широким використанням інтегральних мікросхем, якісно
відрізнялися своєю конструктивно-технологічною завершеністю. По іншому було з
аналоговими вузлами обробки сигналів, які, наприклад, в телекомунікація
складали від 40 до 60 % об’єму і маси апаратури зв’язку. Громіздкі, які містять
велику кількість ненадійних і трудомістких намотаних елементів, виглядали
жахливо на фоні великих інтегральних схем, що викликало у багатьох спеціалістів
думку про необхідність «тотальної цифризації» радіоелектронної апаратури.
Але останнє не могло привести до
очікуваних результатів. Істина опинилася десь посередині. В деяких випадках
більш ефективною виявилася апаратура на функціональних аналогових вузлах,
елементний базис яких адекватний можливостям і обмеженням мікроелектроніки.
Адекватність в даному випадку може
бути забезпечена переходом до активних RC-кіл, в елементний базис яких не
входять котушки індуктивності і трансформатори, які принципово не реалізовані
засобами мікроелектроніки.
Вмотивованість такого переходу
визначається в теперішній час, з одного боку, досягненнями теорії активних
RC-кіл, а з іншої - успіхами мікроелектроніки, що дали розробникам високоякісні
лінійні інтегральні схеми, серед яких і інтегральні операційні підсилювачі
(ОП). Ці ОП, володіючи великими функціональними можливостями, значно збагатили
аналогову схемотехніку. Особливо ярко це проявилося в схемотехніці активних
фільтрів.
До 60-х років для реалізації
фільтрів використовувалися в основному пасивні елементи, тобто індуктивності,
конденсатори та резистори. Основною проблемою при реалізації таких фільтрів
виявлявся розмір котушок індуктивності (на низьких частотах вони були занадто
громіздкими). Із розробкою в 60-х роках інтегральних операційних підсилювачів
з’явився новий напрямок проектування активних фільтрів на базі ОП. В активних
фільтрах використовуються резистори конденсатори и ОП (активні компоненти), але
них нема котушок індуктивності. Далі активні фільтри майже повністю замінили
пасивні. Зараз пасивні фільтри використовуються лише на високих частотах (вище
1 МГц), за границею частотного діапазону ОП широкого використання. Але навіть в
багатьох високочастотних приладах, наприклад, в радіопередавачах і приймачах,
традиційні RLC-фільтри заміняються кварцовими фільтрами і фільтрами на
поверхневих акустичних хвилях.
Зараз в більшості випадків аналогові
фільтри замінюються цифровими. Робота цифрових фільтрів забезпечується, в
основному, програмними засобами, тому вони виявляються значно більше гнучкими в
використанні порівняно з аналоговими. За допомогою цифрових фільтрів можна
реалізувати такі передатні функції, які дуже важко отримати звичайними
методами. Але все-таки, цифрові фільтри поки що не можуть замінити аналогові в
усіх випадках, тому зберігається необхідність найбільш популярних аналогових
фільтрах - RC-фільтрах.
1. ОГЛЯД АНАЛОГІЧНИХ СХЕМ ТА
ОСОБЛИВОСТІ ПРОЕКТУВАННЯ ФІЛЬТРІВ
Фільтри - це частотно-селективні
прибори, які пропускають або затримують сигнали, що лежать в деяких визначених
смугах частот.
Фільтри можна класифікувати по їх
частотним характеристикам:
1. Фільтри
нижніх частот (ФНЧ) - пропускають сигнали з частотами не вище деякої частоти
зрізу і постійну складову.
2. Фільтри
верхніх частот (ФВЧ)
- пропускають сигнали не нижче деякої частоти зрізу.
3. Смугові
фільтри (СФ) - пропускають сигнали в деякій смузі частот, яка визначається по
деякому рівню частотної характеристики.
4. Смуго-затримуючі
фільтри (СЗФ) - затримують сигнали в визначеній смузі частот, яка визначається
по деякому рівню частотної характеристики.
5. Режекторні
фільтри (РФ) - вид СЗФ, які мають вузьку смугу затримки і називаються ще
фільтром-пробкою.
6. Фазові
фільтри (ФФ) - мають постійний в ідеальному випадку коефіцієнт передачі на всіх
частотах і назначені для зміни фази вхідних сигналів (в окремому випадку для
часової затримки сигналів).
За допомогою активних RC-фільтрів
неможливо отримати ідеальні форми частотних характеристик в вигляді показаному
на рис.1.1 прямокутників із постійними коефіцієнтами передачі в смузі
пропускання, безкінечним послабленням в смузі затримки і безкінечною крутизною
спаду при переході від смуги пропускання до смуги затримки. Проектування
активного фільтра завжди представляє собою пошук компромісу між ідеальною
формою характеристики і трудністю її реалізації. Це називається «проблемою
апроксимації». В багатьох випадках вимоги до якості фільтрації дозволяють
обійтися найпростішими фільтрами першого і другого порядків. Деякі схеми таких
фільтрів представлені нижче. Проектування фільтрів у цьому випадку зводиться до
вибору схеми з найбільш вигідною конфігурацією і наступному розрахунку значень
номіналів елементів для конкретних частот.
Рисунок 1.1 - Основні типи
фільтрів
Але бувають випадки, коли
вимоги до фільтрації можуть виявитися більш жорсткими, і можуть вимагатися
схеми більш високих порядків, ніж перший і другий. Проектування фільтрів
високих порядків виявляється більш складним завданням, чому і присвячена дана
курсова робота.
Нижче представлені деякі
основні схеми першого і другого порядків з описом переваг і недоліків кожного з
них.
ФНЧ-I і ФВЧ-I на основі
неінвертующого підсилювача
а) б)
Рисунок 1.2 - Фільтри на
основі неінвертующого підсилювача: а) ФНЧ I,
б) ФВЧ-I
До переваг схем фільтрів
можна віднести головним чином простоту реалізації і налаштування, недоліки -
мала крутизна частотних характеристик, не стійкі до самозбудження.
- ФНЧ-ІІ з багатопетльовим зворотним
зв'язком (рис. 2.3) - малі та середні значення добротності (<20),
інвертуючий, можливо побудувати фільтр з К<1, відносна невисока чутливість
до розкиду значень елементів, відносно малий вхідний опір, легко налагоджуються
лише два параметра w i Q,, великий діапазон значень елементів при великих Q і К;
а) б)
Рисунок 1.3 - Фільтри з
багатопетльовим зворотним зв'язком: а) ФНЧ II, б) ФВЧ-II.
- ФВЧ-ІІ з багатопетльовим зворотним
зв'язком (рис. 2.4) - малі та середні значення добротності (<20),
інвертуючий, можливо побудувати фільтр з К<1, відносна невисока чутливість
до розкиду значень елементів, великий діапазон значень елементів, необхідно три
конденсатори, складна настройка, коефіцієнт передачі дорівнює відношенню
ємностей двох конденсаторів, що менш стабільне ніж за відношенням двох
резисторів;
- ФНЧ-ІІ Саллена-Кея (рис. 1.4а) та
Баттерворта для К=1 (рис. 1.5а) - неінвертуючий, малі та середні значення
добротності (<20), відносна висока чутливість до розкиду значень елементів,
обмежені можливості реалізації К>1, легко налагоджуються лише два параметра
а) б)
Рисунок 1.4 - Фільтри Саллена-Кея:
а)
ФНЧ-II, б) ФВЧ-II
- ФВЧ-ІІ Саллена-Кея (рис. 1.4б) та
Баттерворта для К=1 (рис. 1.5б) - неінвертуючий, малі та середні значення
добротності (<20), відносно невеликий діапазон номіналів елементів, відносно
висока чутливість до відхилення значень елементів, не вдається перекрити
діапазон можливих значень wз, Q і К
а) б)
Рисунок 1.5 - Фільтри Баттерворта:
а)
ФНЧ-II, б) ФВЧ-II
- ФВЧ-ІІ, ФНЧ-ІІ на базі конверторів
повного опору - неінвертуючий, невисока чутливість wз, Q і К до
відхилення значень елементів від номінальних, проста настройка, малі та великі
значення добротності (до 100), великі Q реалізуються за невеликим діапазоном
номіналів елементів.
резистор конденсатор фільтр
2. ВИБІР СХЕМИ ФІЛЬТРА
В даному пункті буде розраховано
порядок ФВЧ Баттерворта, визначено вигляд його передатної функції, вибрана
схема фільтра, згідно з заданими параметрами технічного завдання
(рис. 1.1) (розрахунок проводиться згідно [1])
Рисунок 1.1 - Шаблон ФВЧ
Баттерворта.
2.1
Нормування ФВЧ
за коефіцієнтом передачі:

Перейдемо від нормованого ФВЧ
до нормованого ФНЧ.
2.2
Визначення необхідного порядку фільтра
Округлюємо n до найближчого
цілого значення: n = 5.
Отже, для дотримання вимог,
заданих шаблоном, необхідно фільтр п’ятого порядку.
2.3
Визначення полінома Баттерворта
Згідно таблиці нормованих
передаточних функцій Баттерворта знаходимо поліном Баттерворта п’ятого порядку:
Тоді передаточна функція буде
записана у вигляді:
2.4 Зворотній перехід від нормованого ФНЧ до ненормованого ФВЧ
масштабування по коефіцієнту
передачі:
масштабування по частоті:
зробимо заміну
В результаті масштабування
отримуємо передатну функцію W(р) в вигляді:

2.5 Перехід
від передатної функції до схеми
Для переходу до схеми представимо
передатну функцію ФВЧ п’ятого порядку, що проектується, у вигляді добутку
передатних функцій трьох активних ФВЧ: одного ФВЧ першого порядку і двох ФВЧ
другого порядку. Загальний порядок n=1+2+2.
Загальний коефіцієнт передачі
фільтра (К0=6.309) буде визначатися добутком коефіцієнтів передатних
функцій окремих фільтрів (К1, К2, К3).
Загальне підсилення між окремими
фільтрами буде розподілено в ході розрахунку.
Передаточна функція приймає вигляд
де
-
коефіцієнт передачі і-го фільтра;
- частота полюса;
- добротність фільтра (відношення
коефіцієнта підсилення на частоті
до коефіцієнта підсилення в смузі
пропускання).
Тепер потрібно вибрати схемне
рішення для побудови окремих фільтрів. Вибір відбувається з урахуванням переваг
і недоліків тих чи інших схем, а також з урахуванням технічного завдання на
проектування всього приладу.
Так як згідно завдання на
проектування потрібно забезпечити невеликий діапазон номіналів елементів,
виберемо таке схемне рішення:
першу ланку реалізуємо на
неінвертуючому ФВЧ першого порядку;
друга, третя ланка -
неінвертуючий ФВЧ Саллена-Кея другого порядку
Для ФВЧ-I на основі неінвертуючого
підсилювача залежність параметрів фільтра від номіналів елементів схеми така:
,
,
.
Для ФВЧ-ІІ Саллена-Кея
.
3.
Розрахунок елементів схеми
.1
Розрахунок другого каскаду - ФВЧ-ІІ Саллена-Кея (QF=1/1,61803)
Вибираємо номінали ємностей С1=С2=С=1.5
нФ, виходячи з розрахунку:
Вибираємо також R1=R2=R,
тоді К0=3-1/QF,
(3.1.2)
при QF=1/1,61803=0,61803,
К0=2,382.
Частота зрізу
тоді опір
Вибираємо R3=20кОм,
тоді
3.2
Розрахунок третього каскаду - ФВЧ-ІІ Саллена-Кея (QF=1/0,61803)
Вибараємо номінали ємностей С1=С2=С=1.5
нФ, виходячи з розрахунку
Вибираємо також R1=R2=R,
по формулі (3.1.2) з
урахуванням, що QF=1/0,61803=1,61803, коефіцієнт підсилення третього
каскаду К0=1,382.
Частота зрізу
, по формулі
(3.1.3),
тоді
Вибираємо R3=20кОм,
тоді
, по формулі (3.1.5)
3.3
Розрахунок першого каскаду - ФВЧ-І неінвертуючий
Даний каскад повинен
реалізувати підсилення
Вибираємо С=1,5 нФ, тоді
Вибираємо R2=20
кОм, тоді
Результати розрахунків
кожного каскаду привожу в таблиці 4.1
|
Перший каскад
|
|
Назва елемента
|
R1, кОм
|
R2, кОм
|
R3, Ом
|
C1, нФ
|
|
Розрахунок
|
11,16876
|
20
|
18.32
|
1.5
|
|
Е24
|
11
|
20
|
18
|
1.5
|
|
Другий каскад
|
|
Назва елемента
|
R1, кОм
|
R2, кОм
|
R3, кОм
|
R4, кОм
|
C1, нФ
|
C2, нФ
|
|
Розрахунок
|
11,16876
|
11,16876
|
20
|
27.6394
|
1.5
|
1.5
|
|
Е24
|
11
|
11
|
20
|
27+0.62
|
1.5
|
1.5
|
|
Третій каскад
|
|
Назва елемента
|
R1, кОм
|
R2, кОм
|
R3, кОм
|
R4, кОм
|
C1, нФ
|
C2, нФ
|
|
Розрахунок
|
11,16876
|
11,16876
|
20
|
7.6394
|
1.5
|
1.5
|
|
Е24
|
11
|
11
|
20
|
7.5
|
1.5
|
1.5
|
|
|
|
|
|
|
|
|
|
|
|
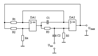
4. МОДЕЛЮВАННЯ СХЕМИ ФІЛЬТРА
Перевіримо правильність розрахунку
номіналів елементів за допомогою моделювання схеми фільтра з розрахованими
номіналами елементів у програмі OrCAD 9.2. Електрична схема і результати
моделювання представлені на рисунку 4.1 та на рисунку 4.2.
Рисунок 4.1 - Схема ФВЧ Баттерворта
п’ятого порядку
Рисунок 4.2 - Результат моделювання
схеми рисунок 4.1
5. Вибір
типів резисторів, конденсаторів та операційних підсилювачів
.1 Вибір
типу резисторів
Для схеми фільтра, що проектується,
щоб забезпечити низьку температурну залежність, необхідно вибирати резистори з
мінімальним ТКС.
Але в дротяних резисторів більш
високий рівень струмових шумів, тому необхідно врахувати і параметр рівня
власних шумів.
Резистори типу С2-23 відповідають
заданим вимогам (параметри взяті з [2], перевірені в [5])
– номінальна потужність, Вт 0,125
– маса (не більше), г 0,15
– діапазон номінальних опорів,
Ом 1…3,01*106
– ТКС (в інтервалі
температур
),
– ТКС (в інтервалі
температур
),
– рівень власних шумів,
мкВ/В 1…5
– гранична робоча
напруга постійного і змінного стуму, В 200
– мінімальний час
роботи, годин 40000
5.2 Вибір
типу конденсаторів
Вибираємо низькочастотний тип
конденсаторів, так як вони дешевші.
Необхідні невеликі габарити і маса
конденсаторів.
Вибирати конденсатор необхідно з як
можна меншими втратами (з малим значенням тангенса кута діелектричних втрат).
Оптимальним по цим вимогам можна
вважати конденсатори типу К10-17а - низькочастотні керамічні конденсатори з
малими МГП, мають ізоляцію, але також мають відносно високі втрати.
Деякі параметри групи К10-17 (взяті
з [2]) :
– розміри, мм
В 4,6…8,6 6.8…12,0
А 2,5…7,5
Маса, г 0,5…2
– Допустиме відхилення
ємності %
– Тангенс кута втрат 0,0015
– Опір ізоляції, МОм 1000
– Діапазон робочих
температур,
-60…+125
5.3 Вибір
типу операційних підсилювачів
Головний критерій при виборі ОП -
його частотні властивості, так як реальні операційні підсилювачі мають
скінченну смугу пропускання. Для того щоб частотні ОП не впливали на
характеристику проектованого фільтра, потрібно, для частоти одиничного
підсилення ОП в і-му каскаді виконувалося співвідношення
Для першого каскаду:
.
Для другого каскаду:
.
Для третього каскаду:
.
Вибираючи найбільше значення,
отримуємо, що частота одиничного підсилення ОП не повинна бути менше 2,15 МГц.
Коефіцієнт підсилення ОП
повинен бути достатньо великим.
Напруга живлення ОП повинна
відповідати напрузі джерела живлення, якщо таке відомо. В іншому випадку бажано
вибрати ОП з широким діапазоном напруги живлення.
При виборі ОП для багато
каскадного ФВЧ краще вибрати ОП з найменшою напругою зміщення.
Згідно даних довідників [3] і
[4] виберемо ОП типу 140УД11, конструктивно виконаний у корпусі типу 301.8-5.
ОП даного типу - швидко реагуючий ОП з захистом входу від перенапруги, а виходу
- від короткого замикання.
Напруга живлення номінальна
, В
Напруга живлення номінальна
, В
струм використання
, мА
·
напруга зміщення, мВ
10
коефіцієнт підсилення ОП за
напругою
частота одиничного підсилення
, МГц 15
·
вхідний опір, МОм 0.4
Допускається живлення несиметричними
напругами (а також однополярною напругою) при дотриманні умови
але параметри в даному
випадку не гарантуються.
6. МЕТОДИКА НАЛАШТУВАННЯ ТА
РЕГУЛЮВАННЯ РОЗРОБЛЕНОГО ФІЛЬТРА
Налаштування даного фільтра
проводиться за рахунок налаштування першого, другого і третього каскадів, які
не залежать один від одного.
Перший каскад має незалежне
від номіналів елементів значення добротності і незалежне регулювання
коефіцієнту підсилення та частоти полюсу.
Другий і третій каскади
фільтра реалізовані на ФВЧ-ІІ Саллена-Кея, у якому не вдається перекрити
діапазон можливих значень коефіцієнта підсилення, частоти полюса і добротності,
так як ці значення залежать від одних і тих же значень номіналів резисторів. У
цьому виникає трудність у регулювання фільтра.
Частоту полюса другого і
третього каскадів можна регулювати резисторами R1 та R2.
Добротність другого і
третього каскадів налаштовується резисторами R3 та R4.
Тоді загальний коефіцієнт
підсилення краще всього регулювати за допомогою резистора R3 першого
каскаду.
Частота полюса першого
каскаду регулюється резистором R1.
ВИСНОВКИ
Кінцевим етапом даної
курсової роботи є отримання та розрахунок схеми заданого фільтра. ФВЧ з
апроксимацією частотних характеристик поліномом Баттерворта з параметрами,
приведеними в технічному завданні, має п’ятий порядок і представляє собою
каскадне з’єднання трьох фільтрів: одного ФВЧ першого порядку неінвертуючого,
двох ФВЧ другого порядку Саллена-Кея. Схема містить три операційні підсилювачі,
дванадцять резисторів, п’ять ємностей. В схемі використовуються два джерела
живлення, кожне по 15 В.
Вибір схеми кожного каскаду
всього фільтра проводився на основі технічного завдання (забезпечити невеликий
діапазон номіналів елементів) з урахування переваг і недоліків кожного типу
схеми фільтрів, які використовувались в якості каскадів всього фільтра в
цілому.
Номінали елементів схеми
підбиралися і розраховувались таким чином, щоб максимально наблизити їх до
стандартного номінального ряду Е24, а також щоб отримати при цьому якомога
більший вхідний опір кожного каскаду фільтра.
Після моделювання схеми
фільтра (рис. 4.1) за допомогою пакета програм OrCAD 9.2 були отримані частотні
характеристики (рис. 4.2), що мають необхідні параметри, приведені в технічному
завданні.
До переваг даної схеми
фільтра можна віднести невеликий діапазон номіналів елементів.
Недоліком схеми є відносно
складне регулювання параметрів фільтра, неможливо незалежно налаштувати
параметри другого і третього каскаду. Значення коефіцієнту підсилення та
частоти полюса першого каскаду регулюються незалежно один від одного.
СПИСОК ВИКОРИСТАНОЇ
ЛІТЕРАТУРИ
1. Зеленин
А.Н., Костромицкий А.И., Бондарь Д.В. - Активные фильтры на операционных
усилителях. - Х.: Телетех, 2001. изд. второе, исправ. и доп. - 150 с.:ил.
2. Резисторы,
конденсаторы, трансформаторы, дроссели, комутационные устройства РЭА:
Справ./Н.Н. Акимов, Е.П. Ващуков, В.А. Прохоренко, Ю.П. Ходоренок. - Мн.:
Беларусь, 1994. - 591 с.:ил.
3. 180
аналоговых микросхем (справочник). Ю.А. Мячин. - Изд-во «Патриот», МП
«Символ-Р» и редакция журнала «Радио», 1993.- 152 с., ил., (приложение к
журналу «Радио»).
4. Аналоговые
интегральные схемы: Справ./А.Л. Булычёв, В.И. Галкин, В.А. Прохоренко. - 2-е
изд., перераб. и доп. - Мн.: Беларусь, 1993. - 382 с.: черт.
5. Резисторы:
Справочник/В.В. Дубровский, Д.М. Иванов, Н.Я. Пратусевич и др.; Под ред. И.И
Четверткова и В.М. Терехова.- 2-е изд. и доп.- М.: Радио и связь, 1991.- 528
с.: ил.