Универсальные делительные головки

  • Вид работы:
    Реферат
  • Предмет:
    Другое
  • Язык:
    Русский
    ,
    Формат файла:
    MS Word
    273,47 kb
  • Опубликовано:
    2011-11-01
Вы можете узнать стоимость помощи в написании студенческой работы.
Помощь в написании работы, которую точно примут!

Универсальные делительные головки

РЕФЕРАТ

Универсальные делительные головки

Выполнил студент

Группы 8041

Баталов А.С.

Проверил преподаватель

Беляков В.Н.

Великий Новгород


Ранее нашей промышленностью выпускались универсальные делительные головки УДГ-Н-135 и УДГ-Н-160 с высотой центров Н=135 и Н = 160 мм. По новому стандарту (ГОСТ 8615-69) за основной размер делительных головок принят наибольший диаметр обрабатываемой заготовки D. По стандарту принят ряд из шести типоразмеров головок D : 160; 200; 250; 320; 400 и 500 мм. Универсальные головки используют для комплектации фрезерных станков отечественного производства и зарубежных.

Каждому размеру станка (по ширине стола) должен соответствовать определенный типоразмер делительной головки. Так, к консольно-фрезерным станкам № 2 (с шириной стола 320 мм) рекомендуется делительная головка с наибольшим диаметром обрабатываемой заготовки Л=250 мм, а к фрезерным станкам № 3 (с шириной стола 400 мм) - делительная головка УДГ-Д-320 и т. д. На 138 показана универсальная делительная головка. На чугунном основании 20 со стяжными дугами 9 установлен корпус 10. Ослабив гайки, можно поворачивать корпус на угол, определяемый по шкале и нониусу 12. На опорной плоскости основания делительной головки имеются два, параллельных шпинделю, сухаря, предназначенных для установки головки в пазы стола фрезерного станка. В корпусе расположен шпиндель со сквозным отверстием. Его концы расточены на конус Морзе. На одном из них устанавливается центр 21, на другом - оправка для дифференциального деления. На переднем конце шпинделя имеются резьба и центрирующий поясок 7, необходимые для крепления трех-кулачкового самоцентрирующего или поводкового патрона. На буртике шпинделя установлен лимб 8 непосредственного деления с 24 отверстиями. В средней части шпинделя расположено червячное колесо с круговой выточкой на торце, в которую входит конец зажима 11. Оно получает вращение от червяка, расположенного в эксцентричной втулке. Поворотом втулки с помощью рукоятки червяк можно ввести в зацепление или вывести из него. Делительный диск сидит на валу, смонтированном в подшипниках скольжения, установленных в крышке 19. Крышка фиксируется на корпусе 10 центрирующей расточкой и крепится неподвижно к основанию. К делительному диску с помощью пружины прижат раздвижной сектор 18, состоящий из линеек 14 и зажимного винта 13, с помощью которого линейки устанавливают под требуемым углом. Пружинная шайба предотвращает самопроизвольный поворот сектора.

Вал 16 механического привода от станка смонтирован в подшипниках скольжения и расположен во втулке 15, закрепленной на крышке 19. На конце вала размещено коническое зубчатое колесо, находящееся в постоянном зацеплении с коническим зубчатым колесом, сидящим на валу делительного диска. Делительный диск фиксируется в требуемом положении стопором 17. Центр задней бабки можно перемещать в горизонтельном и вертикальном направлениях. В основании 24 расположен корпус 2, который штифтом связан с рейкой. Вращением головки зубчатого вала можно перемещать корпус вверх и поворачивать относительно оси штифта. В требуемом положении задняя бабка крепится на столе станка с помощью болтов и гаек. Пиноль 3 перемещается с полуцентром 4 при вращении маховичка 1, укрепленного на винте.



На опорной плоскости основания имеются два направляющих сухаря, выверенных относительно оси пиноли, которые обеспечивают совпадение центров делительной головки и задней бабки при установке их на столе станка. Люнет служит дополнительной опорой при обработке нежестких заготовок. В корпусе 23 люнета расположен винт, перемещающийся с помощью гайки 5 и имеющий призматическую головку б, которая крепится стопорным винтом 22. Полууниверсальная делительная головка по устройству аналогична универсальной делительной головке.

Непосредственное деление. При непосредственном делении червяк головки должен быть выведен из зацепления с червячным колесом. Поворот обрабатываемой заготовки осуществляется вращением шпинделя. Отсчет угла поворота производится по градуированному на 360е диску с ценой деления 1°. Нониус позволяет производить отсчет угла поворота шпинделя с точностью до 5'.

При простом делении гильза 4, конические колеса 5 и вал б в делении не участвуют (139).

Для удобства отсчета промежутков между отверстиями (или отсчета отверстий) делительного круга служит раздвижной сектор (140). который состоит из двух ножек 1 и 3. Эти ножки могут  вращаться  одна  относительно  другой.

Ножки сектора устанавливают так, чтобы между ними было число промежутков та. Для установки сектора в рабочее положение надо ввести стержень фиксатора в одно из отверстий выбранного делительного круга, например   в   отверстие   А.   Освободив   винт 2, крепящий ножки 1 и 3 сектора, подводят ножку 1 к стержню фиксатора. Отсчитав число промежутков круга, ножку 3 фиксатора подводят к последнему отверстию В и закрепляют сектор винтом 2. Следует запомнить, что если отсчет производить по числу отверстий круга, начиная с того, в которое входит штифт фиксатора, то число отверстий должно быть на единицу больше числа промежутков между отверстиями та. На 140 отсчитано пять промежутков круга, ограниченных шестью.отверстиями. После фрезерования поверхности заготовки при данном положении фиксатора следует повернуть рукоятку головки по часовой стрелке, ввести стержень фиксатора в отверстие В и повернуть сектор в том же направлении до соприкосновения с ножкой 3. Сектор в новом -положении показан на 140 пунктиром. Рукоятку надо вращать всегда по часовой стрелке, чтобы избежать влияния мертвых ходов в передаче от валика рукоятки к шпинделю головки. Когда фиксатор рукоятки окажется напротив последнего пропускаемого промежутка между отверстиями круга, рукоятку фиксатора необходимо отпустить и осторожно, постукивая по ней рукой, довести до требуемого положения. В этот момент фиксатор под действием пружины войдет в отверстие круга.

Дифференциальное деление. Дифференциальное деление применяется тогда, когда ограниченное количество концентрических кругов с различным числом отверстий в них не дает возможности получить необходимый поворот фрезерной заготовки способом простого деления. Так, например, нельзя методом простого деления разделить окружность на 61, 79,' 83. 97, 127 частей, т. е. на количество частей, выраженное числом, не имеющим множителей, равных или кратных количеству отверстий в делительном диске.

делительная головка фрезерный станок

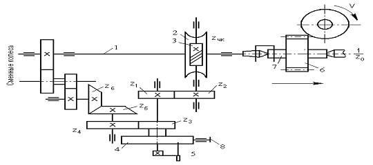
На 141 показана кинематическая схема универсальных делительных головок для дифференциального деления. Отличие дифференциального способа деления от всех других заключается в том, что отсчет поворотов рукоятки 2 производится не по неподвижному, а по вращающемуся делительному диску 1. В коническое отверстие заднего конца шпинделя вводят конический хвостовик оправки и с помощью гитары сменных зубчатых колес z\, zj, z3 и z4 связывают шпиндель 9 с конической зубчатой парой 5, гильзой 4 и в конечном счете с делительным диском 1.

При дифференциальном делении выключают фиксатор 3 и стопор 17 (см. 138), удерживающий делительный диск 1 в неподвижном состоянии.  Выведем теперь формулу расчета настройки головки на дифференциальное деление. Пусть требуется произвести деление на z частей, причем z>40, и не может быть осуществлено  ни  непосредственное,   ни  простое деление. Поворот червяка и шпинделя головки, а следовательно, и обрабатываемой заготовки получается в этом случае как сумма двух движений: поворота рукоятки головки, а следовательно и шпинделя, и поворота делительного диска от шпинделя через сменные и постоянные зубчатые колеса.

Берем круг с 30 отверстиями, при каждом повороте рукоятки пропускаем 10 промежутков между отверстиями круга и вставляем штифт в 11-е отверстие диска.

Гитару, применяемую для установки сменных зубчатых колес при дифференциальном делении (142), надевают на цилиндрический конец выступа коробки привода и закрепляют болтом. Зубчатое колесо zy устанавливают на шпиндельном валике. Зубчатые колеса z2 и z3, а также промежуточное зубчатое колесо z0 устанавливают на гитаре, а сменное зубчатое колесо z4 - на валике привода головки.

В справочниках фрезеровщика и в руководствах по делительным головкам приведены таблицы настройки для дифференциального деления на число делений от 51 до 399, с указанием делительного круга, числа пропускаемых промежутков, числа зубьев сменных зубчатых колес и схемы установки зубчатых колес (см. табл. 12).

Настройка делительных головок для фрезерования винтовых канавок

На 143 показана кинематическая схема настройки  универсальных делительных головок (см. табл. 14) для фрезерования винтовых поверхностей. Для образования винтовой канавки заготовку необходимо непрерывно вращать и одновременно перемещать вдоль оси на величину шага винтовой канавки за один ее оборот. Для этого ходовой винт продольной подачи стола соединяют с помощью гитары сменных зубчатых колес t\, z%, z3 и z4 со шпинделем 9 делительной головки (обозначения см. в тексте к 141). Вращение ходового винта вызывает вращение шпинделя делительной головки с заготовкой и одновременно их перемещение совместно со столом. Чтобы определить передаточное отношение сменных зубчатых колес, необходимо знать шаг нарезаемой винтовой канавки и характеристику станка. Характеристикой универсально-фрезерного станка А называется   шаг   винтовой   канавки,   которая будет профрезерована на данном станке при передаточном   отношении  сменных   зубчатых

колес, соединяющих винт станка и валик привода делительной  головки,  равном  единице. Допустим, что передаточное отношение сменных зубчатых колес, показанных на 143, равно единице. Передаточное отношение всех постоянных колес делительных головок  (см. табл. 14), связывающих винт продольной подачи стола с валиком червяка, равно единице. Ясно, что, когда винт продольной подачи стола делает один4 оборот, стол перемещается на величину шага винта, т. е. червяк головки сделает один оборот, а шпиндель головки повернется на -jL оборота. Следовательно, шпиндель головки сделает  полный  оборот,  когда   винт  подачи стола сделает 40 оборотов, а стол станка переместится на величину, равную произведению числа оборотов винта (40) на его шаг (6 мм), т. е. составит 40x6 мм=240 мм. Таким образом, за один оборот шпинделя делительной головки и,  следовательно,  обрабатываемой заготовки при принятом допущении (;ш = 1) на ней будет образована винтовая канавка с шагом 240 мм. Число 240=40 :< 6 и есть характеристика станка. В общем случае характеристика универсально-фрезерного станка А определяется по формуле

A = N-tx.B,     (22)

где tx.B - шаг винта продольной подачи стола, мм. Теперь легко получить формулу для определения передаточного отношения сменных зубчатых колес гитары. Если на станке с характеристикой 240 требуется профрезеровать винтовую канавку с шагом 120 мм, то за время, когда стол с обрабатываемой заготовкой переместится на 240 мм, заготовка должна сделать 2 оборота. Для этого необходимо, чтобы передаточное отношение сменных зубчатых колес было равно 2; при шаге винтовой канавки, равном 60 мм, это соотношение должно быть равно 4 и т. д.


Не нашли материал для своей работы?
Поможем написать уникальную работу
Без плагиата!
Без нейросетей!