Разработка принципиальной электрической схемы AM передатчика и расчет ВЧ генератора на транзисторе
Курсовой
проект
Разработка
принципиальной электрической схемы AM передатчика и расчет ВЧ генератора на
транзисторе
Введение
Радиоприёмными устройствами называются радиотехнические
аппараты, служащие для генерирования, усиления по мощности и модуляции
высокочастотных колебаний, подводимых к антенне и излучаемых в пространство.
Три функции - генерация, усиление и модуляция - объединяются общим понятием:
формирование сигнала, под которым понимают колебание, несущее информацию. Такой
электромагнитный сигнал, излученный в пространство, называется радиосигналом.
Третья функция - модуляция I есть процесс наложения исходного сообщения на ВЧ
или СВЧ колебания.
В технологическом плане радиопередающие устройства
представляют собой сборки интегральных микросхем, транзисторов, диодов,
электровакуумных приборов, конденсаторов, трансформаторов и множества иных
элементов, соединённых между собой согласно определённой электрической схеме.
Наиболее совершенные конструкции полностью состоят из полупроводниковых гибких
и интегральных микросхем.
Радиопередатчики служат для передачи информации в рамках
определённой радиоэлектронной системы. К их числу относятся следующие системы:
звукового и телевизионного радиовещания; радиосвязи с помощью наземных средств,
в частности сотовая радиосвязь; глобальные космические радиосвязи,
телевизионного радиовещания и радионавигации; радиоуправления и
радиотелеметрического контроля разнообразными объектами; радиолокационного,
дальнего и ближнего радиуса действия.
В зависимости от назначения радиоэлектронной системы
применяют тот или иной тип радиопередатчика: ламповый или полупроводниковый, ВЧ
или СВЧ диапазона, небольшой или повышенной мощности, работающий в непрерывном
или импульсном режиме.
У истоков радио стоят два человека: русский учёный Александр
Степанович Попов (1859-1906) и итальянский изобретатель Гульемо Маркони
(1874-1937).В 1873 г. английский учёный Джеймс Клерк Максвелл опубликовал
работу «Трактат по электричеству и магнетизму». Как следствие, из составленных
им уравнений следовал вывод в свободном пространстве со скорость света, но
полученному теоретическим путём открытию мало кто поверил, даже известные в ту
пору физики. Однако спустя 15 лет немецкий учёный Генрих Рудольф Герц
экспериментальным путём доказал справедливость теории Максвелла
От опытов Герца, отталкивались как Попов, так и Маркони.
Впервые 7 мая 1895 г. А.С. Попов продемонстрировал на заседании физического
отделения Русского физико-химического общества свой чувствительный
радиоприёмник, названный в начале грозоотметчиком, принимавший колебания,
излучаемые видоизмененным осциллятором Герца. Этот день в нашей стране
отмечается как День радио. На заседании 24 марта 1896 г. А.С. Попов
продемонстрировал созданный им искровой радиопередатчик, передав из одного здания
в другое азбукой Морзе первую в мире радиотелеграмму. Текст её был краток:
«ГЕНРИХ ГЕРЦ». Этим он продемонстрировал дань уважения своему предшественнику.
Маркони же в 1896 г. подал заявку на изобретение, связанное с передачей
импульсов, а в июле 1897 г. получил на него первый английский патент. В 1909 г.
за изобретение радио Маркони была присуждена
Нобелевская премия по физике. За три года до этого события
скончался А.С. Попов. Поскольку Нобелевская премия присуждается только при
жизни, то кандидатура последнего, не рассматривалась.
Четыре
этапа развития радиопередающих устройств
радиопередающий генератор транзистор усилитель
Первый этап (1896-1920) включает в себя создание
искровых радиопередатчиков, использующих машинные генераторы высокой частоты. Мощность
последних достигла нескольких киловатт, а частота - 20 кГц. Помимо А.С. Попова
среди русских ученых, внесших наиболее весомый вклад в развитие этого
направления, следует назвать В.П. Вологдина и М.В. Шулейкина.
Второй этап (с 1920 г. по настоящее время) связан с изобретением
электровакуумных приборов - триода, тетрода и пентода В России первый
электровакуумный прибор, пригодный для генерации и усиления ВЧ колебаний, был
разработан в Нижнем Новгороде под руководством М.А. Бонч-Бруевича. Ламповые радиопередатчики,
мощность которых непрерывно наращивалась, достигнув нескольких сотен киловатт,
полностью вытеснили искровые. Так в Москве под руководством А.Л. Минца в 1929
г. была построена радиовещательная станция в диапазоне длинных волн мощностью
100 кВт, в 1933 г. - 500 кВт, в 1943 г. -1200 кВт. В этот же период важный
вклад в развитие теории радиопередающих устройств внес А.И. Берг, издавший
книгу «Теория и расчет ламповых генераторов» (1932). В настоящее время
электровакуумные приборы применяются в основном только в радиовещательных
радиопередатчиках мощностью более нескольких киловатт.
Третий этап (с 1938 г. по настоящее время) связан, в первую
очередь, с телевидением и радиолокацией, развитие которых требовало освоения
все более высоких частот - перехода к дециметровым и сантиметровым волнам.
Обычные электровакуумные приборы не справлялись с этой задачей: с их помощью
можно было генерировать и усиливать колебания коротковолнового диапазона, т.е.
метрового диапазона волн. Поэтому появилась настоятельная необходимость в
разработке принципиально новых приборов, работающих в СВЧ диапазоне. Такие
приборы - магнетроны, клистроны, лампы бегущей волны, в которых электронный
поток взаимодействует с электромагнитной системой распределённого типа, - были
разработаны, что и позволило создавать СВЧ радиопередатчики. Мощность этих
приборов непрерывно возрастала, достигнув нескольких киловатт в непрерывном
режиме и мегаватт - в импульсном. Среди российских ученых у истоков этого
направления стояли создатели новых типов СВЧ электронных приборов: Н.В.
Алексеев, Д.Е. Маляров, В.Ф. Коваленко и др.
В настоящее время СВЧ электровакуумные приборы применяются в
основном только в СВЧ радиопередатчиках повышенной мощности.
Четвёртый этап (с 1960 г. по настоящее) связан с созданием
мощных ВЧ и СВЧ транзисторов. Первый транзистор, за который американским ученым
Шокли, Бардину и Брайтену в 1956 г. присудили Нобелевскую премию по физике, был
сделан в 1950 г. Однако первые транзисторы имели ограничения, как по частоте,
так и по мощности. Только с созданием многоэмиттерных полупроводниковых
структур оба ограничения были преодолены и появились возможностью в несколько
десятков и даже сотен ватт, в том числе и в СВЧ диапазоне.
В настоящее время полупроводниковые радиопередатчики занимают
доминирующее положение. Они имеют преимущества по сравнению с ламповыми по
таким параметрам, как долговечность, надёжность, понижение напряжение питания,
масса, габаритные размеры, технологичность изготовления.
Итак, большинство выпускаемых в настоящее время
радиопередатчиков самого различного назначения являются транзисторными. Однако
как в ВЧ, так и СВЧ диапазонах при повышенной мощности излучения по-прежнему
находят применение и ламповые радиопередающие устройства.
Автогенератор
(ЗГ)
Автогенератор или задающий генератор - это источник
электромагнитных колебаний, колебания в котором возбуждаются самопроизвольно
без внешнего воздействия. В радиопередатчиках автогенераторы применяются в
основном в качестве каскадов, задающих несущую частоту колебаний. В зависимости
от типа АЭ различают транзисторные и диодные автогенераторы. Идея создания
транзисторного автогенератора основана на том, чтобы обеспечить режим
транзистора приблизительно такой же, как в УМ. При этом на вход транзистора
подаются колебания не от внешнего источника, а из собственного резонатора через
цепь обратной связи.
Главное свойство резонатора - колебательный характер
переходного процесса. Простейший резонатор - это колебательный контур.
Относительная нестабильность частоты Δƒ/ƒ автогенераторов,
выполняемых на резонаторах в виде LC - контуров, менее 10-3….10-4.
Однако к современным радиопередатчикам предъявляют более высокие требования по
стабильности частоты. Как правило, долговременная относительная нестабильность
частоты должна быть не менее чем 10-6….10-8, что можно
обеспечить, применяя кварцевые резонаторы.
Умножитель
частоты (УЧ)
Умножители частоты в структурной схеме радиопередатчика
располагаются перед усилителями мощности ВЧ или СВЧ колебаний, повышая в
требуемое число раз частоту сигнала возбудителя. Умножители частоты могут также
входить в состав и самого возбудителя или синтезатора частот. Для входного и
выходного сигнала умножителя запишем:
вх(t)=UвхCOS (ωt+ω1);вых(t)=UвыхCOS n (ωt+φn)
Где n - коэффициент умножения частоты в целое число раз.
Классификация умножителей частоты возможна по двум основным признакам: принципу
действия, или способу реализации функции, и типу нелинейного элемента. По
принципу действия умножители подразделяются на два вида: основанные на синхронизации
частоты автогенератора внешним сигналом в n раз меньшим по частоте,
и с применением нелинейного элемента, искажающего входной синусоидальный
сигнал, и выделением из полученного многочастотного спектра требуемой
гармоники.
Недостаток умножителей частоты первого вида состоит в сужении
полосы синхронизма с увеличением номера гармоники n. У умножителей частоты
второго вида уменьшается коэффициент преобразование Кпр с повышением п. Поэтому
обычно ограничиваются значением n=2 или 3 и при необходимости включают последовательно
несколько умножителей частоты, чередуя их с усилителями.
Промежуточный
усилитель (ПУ)
В промежуточных усилителях на транзисторах в качестве
нагрузки, кроме колебательных контуров, широко используются. П - образные
фильтры нижних частот и высокочастотные трансформаторы на ферритовых
сердечниках.
При использовании в качестве нагрузки колебательных контуров
обычно применяют автотрансформаторную индуктивную или емкостную схему
междукаскадных связей.
Наиболее удобны в наладке и более гибки индуктивная и
автотрансформаторная схемы.
Ставится после умножителя частоты, для усиления слабого
сигнала. Далее сигнал идёт на предоконечный усилитель мощности.
Предварительный
усилитель мощности (Пред. У)
Предварительный усилитель мощности (ПУ) - один из основных
каскадов радио передающих устройств (РП); он служит для усиления мощности
высокочастотных электромагнитных колебаний, возбуждаемых в задающем
автогенераторе, путём преобразования энергии постоянного электрического поля в
энергию электромагнитных колебаний. Следовательно, в состав ПУ должен входить
элемент, способный производить подобное преобразование. Эти элементы называют
активными элементами (АЭ). В качестве АЭ в РП наиболее часто применяют
биполярные и полевые транзисторы, а иногда и генераторные диоды (лавинно -
пролетные, диоды Ганна).
Усилитель
мощности (ОК)
Усилитель мощности (УМ) - один из основных каскадов РП; он
предназначен для усиления мощности высокочастотных электромагнитных колебаний,
возбуждаемых в задающем автогенераторе, путём преобразования энергии
постоянного электрического поля в энергию электромагнитных колебаний.
Следовательно, в состав УМ должен входить элемент, способный производить
подобное преобразование. Эти элементы называют активными элементами (АЭ). В
качестве АЭ в РП наиболее часто применяют биполярные и полевые транзисторы,
иногда генераторные диоды.
АФУ
Радиосигнал от оконечного каскада поступает на
антенно-фидерное устройство (АФУ), которое настраивается на частоту,
передаваемого радиосигнала и далее через антенну транслирует передаваемое
сообщение.
Описание
прохождения сигнала в РПУ
Задающий генератор вырабатывает высокочастотные колебания в
заданном режиме. В нём происходит преобразование энергии источника постоянного
тока в энергию высокочастотных и сверхвысокочастотных колебаний необходимых для
осуществления модуляции. Основными параметрами работы задающего генератора
являются: мощность автоколебаний с нагрузкой, диапазон частот или значение
фиксированной частоты. Затем сигнал попадает на умножительный каскад, в нашем
случае (пятикратный), который увеличивает частоту сигнала возбудителя в пять
раз. Далее - сигнал поступает на предварительный усилитель, который усиливает
высокочастотный сигнал по мощности для нормальной его передачи в предоконечный
каскад.
Звуковое сообщение попадает на микрофон, где оно
преобразуется в электрический низкочастотный сигнал. Потом он усиливается в
усилительном каскаде до уровня необходимого для его дальнейшей обработки и
нормальной работы последующих каскадов.
После усилителя звуковой частоты сигнал поступает на
амплитудный модулятор, где он модулируется и поступает на оконечный каскад
(оконечный усилитель). Радиосигнал от оконечного каскада поступает на фильтр
ФНЧ, фильтруется от гармонических колебаний и далее поступает на антенно-фидерное
устройство (АФУ), которое настраивается на частоту передаваемого радиосигнала и
через антенну транслирует передаваемое сообщение.
Расчетная
часть
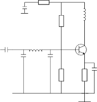
Задающий генератор
Рис. 1
R1, R2 - определяют смещение или рабочей точки режима транзистора.
Эти резисторы образуют делитель напряжения и выбираются из следующих условий:
1. Ток через делитель должен быть больше как минимум
на порядок тока базы (в 10 раз).
2. В генераторных каскадах соответственно от одного до
нескольких десятков мА, поэтому ток делителя выбирают порядка 1 мА.
При напряжении делителя порядка 7В, общее сопротивление
делителя, то есть (R1+R2) - должно быть равно около 7 кОм Выбираем 10 кОм, тогда для
получения цепи базы порядка 0,7В (напряжение смещения, для нормальной работы
автогенератора).
R1+R2=10 кОм
Следовательно, R1=9,1 кОм; R2=1 кОм
L1, C1 - колебательный контур частот который совпадает с
резонансной частотой кварцевого резонатора ZQ и образует фильтр, для
получения высокой точности и стабильности частоты генераторных колебаний в
генераторе.
Рассчитаем LC фильтр
1. λ=Ссвета/ ƒзг = 3*108/7*106=43 (м)
С=(2..3)λ[пФ]
2. С1=2*43=86 (пФ)
3. L=1/(2π)2*ƒ2*С=1/39,5*49*1012*86*10-12=6 (мкГн)
Таблица №1.
|
Элемент
|
Номинал
|
Единица измерения
|
|
R1
|
9,1
|
кОм
|
|
R2
|
1
|
кОм
|
|
R3
|
240
|
Ом
|
|
C1
|
86
|
пФ
|
|
C2
|
10
|
пФ
|
|
C3
|
пФ
|
|
L1
|
6
|
мкГн
|
|
L2
|
200
|
мкГн
|
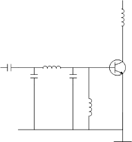
Умножитель частоты
Рис. 2
R4, R5 - цепь смещения устанавливает рабочую точку (см R1, R2).
R6, C5 - RC фильтр, стабилизация рабочей точки
Контур С4, L3 - выделяет первую гармонику
Расчет контура
1. λ=Ссвета/ ƒзг =43 м
С=(2..3)λ[пФ]
2. С4=3*43=129 пФ
3. L3=1/39,5*49*1012*129*10-12=4
мкГн
Таблица №2.
|
ЭлементНоминалЕдиница измерения
|
|
|
|
R4
|
9,1
|
кОм
|
|
R5
|
240
|
Ом
|
|
R6
|
51
|
Ом
|
|
C4
|
129
|
пФ
|
|
C5
|
6800
|
мкФ
|
|
L3
|
4
|
мкГн
|
Предварительный усилитель мощности
Рис. 3
R7, C8 - фильтр развязывающий.
Защищает от обратного прохождения СВЧ.
Остальные элементы аналогичны предыдущим каскадам
Расчет LC контура
λ =43 (м)
С=(2..3)λ[м]
С7=3,5*43=150 (пФ) т.к. С7 должно быть
С9=3,7*43=159 (пФ) немного меньше С9 по условию
L4=1/39,5*49*1012*155*10-12=4
(мкГн)
Таблица №3.
|
Элемент
|
Номинал
|
Единица измерения
|
|
С6
|
1500
|
пФ
|
|
С7
|
150
|
пФ
|
|
С8
|
10
|
пФ
|
|
С9
|
159
|
пФ
|
|
С10
|
6800
|
мкФ
|
|
R7
|
Ом
|
|
R8
|
9,1
|
кОм
|
|
R9
|
240
|
Ом
|
|
R10
|
51
|
Ом
|
|
L4
|
4
|
мкГн
|
|
L5
|
200
|
мкГн
|
Предоконечный усилитель мощности
Рис. 4
Таблица №4
|
Элемент
|
Номинал
|
Единица измерения
|
|
С17
|
1500
|
пФ
|
|
С19
|
95
|
пФ
|
|
С20
|
100
|
пФ
|
|
L6
|
2
|
мкГн
|
|
L7
|
100
|
мкГн
|
|
L8
|
200
|
мкГн
|
Оконечный каскад
Таблица №6
|
ЭлементНоминалЕдиница измерения
|
|
|
|
С27
|
1500
|
пФ
|
|
С28
|
95
|
пФ
|
|
С29
|
100
|
пФ
|
|
L9
|
2
|
мкГн
|
|
L10
|
100
|
мкГн
|
Расчет оконечного каскада АФУ (выходного контура)
1. λр=Ссвета/ ƒр = 3*108/14*106=21,4
(м)
2. L10=1/39,5*196*1012*86*10-12=15*10-6
(мкГн)
3. Zв=\/ L/C= \/ 15*10-6/86*10-12=170
(кОм)
4. Q= Zв/rn, где (сопротивление
потерь) rn = (2..3) Ом
Q=170/3=57
5. Rн=Q*Zв=57*170=9,7 (кОм)
6. Р/Р1=9,7*103/75=129 (отн.
ед.)
Таблица №6
|
Элемент
|
Номинал
|
|
С30
|
1500
|
пФ
|
|
С31
|
86
|
пФ
|
|
С32
|
129
|
пФ
|
|
L10
|
6
|
мкГн
|
Безопасность
труда при техническом обслуживании, ремонте и регулировки БРЭА
При техническом обслуживании, ремонте и регулировки БРЭА
радиомеханик должен быть в одежде с длинными рукавами, халате или нарукавниках.
Необходимо пользоваться инструментами с изолированными ручками.
До проверки и ремонта нужно убедится в соответствии
предохранителей напряжению питающей сети и в отсутствии замыкания в шнуре
питания или в его вилке. Перед ремонтом радиоаппаратуры следует выключить его
из розетки электрической сети. До подключения измерительной аппаратуры или
замены неисправных радиоэлементов с помощью отвёртки с изолированной ручкой,
нужно снять остаточный заряд с конденсаторов фильтра, выпрямителей и с
кинескопа телевизора.
Ремонтировать обслуживать радиоаппаратуру под напряжением
разрешается только в тех случаях, когда иначе выполнить работу не возможно
(настройка, регулировка, измерение режимов). При этом необходимо быть особенно
внимательным, чтобы избежать прикосновения тока к ведущим частям
радиоаппаратуры. Работать в данном случае следует одной рукой, вторую руку
держа за спиной.
При ремонте или проверки включенного в электрическую сеть
радиоаппарата, кроме радиомеханика, непосредственно выполняющего ремонт,
необходимо присутствие ещё одного лица. Лица, не выполняющие ремонт должны
находится на безопасном расстоянии (не менее 3 метров) от ремонтирующего
радиоаппаратуру.
Запрещается производить измерение сопротивления проводов,
замену радиоэлементов, пайку, монтаж и другие операции, выполняемые двумя
руками в радиоаппаратуре без предварительного отключения её от электросети и
снятия остаточных зарядов, а также работать с часами на металлическом браслете.
Применение паяльников с питанием от сети 127-220 В не
безопасно для жизни, в случае плохой изоляции между спиралью и стержнем
паяльника Радиоэлементыфезисторы, конденсаторы) и оголенные провода нужно
поддерживать пинцетом или плоскогубцами. Поскольку при пайке выделяются вредные
для здоровья пары, то помещение должно быть оборудовано вытяжной вентиляцией,
чательно проветриваться. Особую осторожность при работе со снятым футляром или
задней стенкой радиоприёмника либо телевизора, находящегося под напряжением.
Все работы с открытым кинескопом должны проводится в защитных
очках. При ремонте телевизоров цветного изображения следует особо помнить об
имеющихся опасных для жизни напряжениях. В виду опасности рентгеновского
излучения запрещается включать телевизор при снятом экране выпрямителя высокого
напряжения, а также производить регулировку со снятым экраном с блока развертки
и при неисправном высоковольтном выпрямителе.
Запрещается оставлять без надзора включённую радиоаппаратуру,
измерительную аппаратура и электрический паяльник.
Оказания первой помощи лицу, пострадавшему от электрического
тока
Результатом первой помощи является быстрота освобождения его
от действия тока, умением предпринимать необходимые действия.
Основным требованием при оказании помощи пострадавшему от
электрического тока является необходимость немедленно обесточить проводку и
освободить его от воздействия тока. Если источник тока отключить не удается, то
необходимо оторвать человека от токоведущих частей, пользуясь резиновыми
перчатками, сухой одеждой или другими не токопроводящими предметами.
Прикасаться не защищенными руками к голым частям тела человека, находящегося
под напряжением не допустимо, поскольку в этом случае тот, кто оказывает
помощь, сам может быть поражён электрическим током.
Меры оказания помощи пострадавшему зависят от состояния, в
котором он находится после освобождения от действия электрического тока Во всех
случаях поражения током необходимо вызвать скорую помощь. Если пострадавший
находится в сознании, то его следует положить в удобное положение, обеспечить
полный покой и дождаться врача Нельзя позволять пострадавшему двигаться, а тем
более продолжать работу, так как отсутствие тяжёлых симптомов после поражения
электрическим током не исключает возможность ухудшения состояния.
Если пострадавший находится в бессознательном состоянии, но
сохранилось устойчивое дыхание и пульс, его следует уложить, расстегнуть одежду
и создать приток свежего воздуха, дать понюхать нашатырный спирт и срочно
вызвать врача. Если пострадавший плохо дышит или у него отсутствует дыхание,
сердце бьётся и есть пульс, а болевые раздражения не вызывают реакций, то
следует делать искусственное дыхание и массаж сердца, до восстановления дыхания
и пульса.
При оказании помощи пострадавшему, дорога каждая секунда,
поэтому первую помощь следует оказывать немедленно и по возможности на месте
происшествия.
«Инструкция по охране труда для паяльщиков.»
) Для работы с паяльником допускаются студенты, прошедшие
инструктаж по техники безопасности и охране труда, непосредственно на рабочем
месте и расписавшись за технику безопасности.
) На рабочем месте паяльщик обязан выполнять правила
внутреннего распорядка.
) При получении травмы, паяльщик обязан уведомить
преподавателя, и обратится в медицинский пункт.
) Не допускается на рабочем месте приём пищи, хранение
пищевых продуктов, а также хранение личных вещей.
) Перед приёмом пищи нужно вымыть руки, умыться.
) Перед началом работы надо убрать с рабочего места всё, что
мешает работе, привести в порядок одежду.
) Проверить изоляцию провода паяльника, изоляция не должна
быть плохой.
) Не отвлекаться самому и не отвлекать других от работы.
) Не трогать паяльник руками при проверки готовности его к
работе, убедится в готовности паяльника можно приложив его жало к припою, тот
должен быстро расплавится.
Во избежание всплеска, не допускается попадание воды на
припой, пайку проводить нужно осторожно, плавно, чтобы расплавленный припой не
попал на лицо или руки.
Лабораторная
работа по расчету электрического режима работы ВЧ транзисторного генератора
Цель работы рассмотреть методику расчета электрического режима
работы транзисторного ВЧ генератора с внешним возбуждением в граничном режиме
работы. Расчет генератора будет сопровождаться подробным описанием формул.
Данная лабораторная работа по расчету транзисторного ВЧ
генератора смоделирована на основе математического языка MadCAD 2000. В данной
лабораторной работе будет рассмотрен пример расчета генератора, с помощью
введения разных исходных данных можно наблюдать режимы работы генератора.
При введении исходных данных для расчета генератора
рекомендуем использовать справочник по «Полупроводниковые приборы».
Лабораторная работа состоит из трех частей:
Ввода исходных данных;
Расчета параметров генератора по коллекторной цепи;
Расчета параметров базовой цепи генератора.
В все напряжения имеют размерность в вольтах (V), токи - в
амперах (А), мощность - в ваттах (W), сопротивление - в омах (),
крутизна статических характеристик лампы - ампер / вольт - (A/V).
Ввод исходных данных:
Требуемая выходная мощность
Частота усилиемого сигнала
Напряжение питания колектора
Напряжение отсечки
Крутизна линии граничного режима
Сопротивление насыщения транзистра
Стабилизирующие сопротивление в цепи эмитера транзистора
Выбор угла отсечки.

Расчет цепи коллектора.
Коэффициент использования коллекторного напряжения
Амплитуда коллекторного ВЧ напряжения
Пиковое значение напряжения коллектор-эмиттер
Амплитуда 1-й гармоники коллекторного тока
Амплитуда импульса коллекторного тока
Постоянная составляющая коллекторного тока
Мощность, потребляемая по коллекторной цепи
Мощность рассеиваемая коллектором
Коэффициент полезного действия
Сопротивление нагруженной коллекторной цепи, необходимое для
реализации рассчитанного режима работы
Расчет цепи базы
Коэффициент усиления транзистора по мощности
Мощность входного сигнала
Первая гармоника тока базы
Амплитуда входного ВЧ напряжения база-эмиттер
Напряжение смещения
Выходное сопротивление первой гармоники
Рис. 1 Пример схемы генератора на транзисторе.
а) На биполярном.
б) На полевом.
Список
используемой литературы
1. Радиопередающие
устройства на полупроводниковых приборах. Авторы: Б.Е. Петров, ВА Романюк
2. Проектирование
радиопередатчиков. Под редакцией В.В. Шахгильдяна
. Схемы
устройств формирования радиосигналов. Авторы: А.И. Александров, М.П. Кевлишвили
. Справочник
по транзисторам.
. Каталог
по транзисторам и интегральным схемам.