Разработка перспективной системы радиосвязи в гражданской авиации

  • Вид работы:
    Дипломная (ВКР)
  • Предмет:
    Информатика, ВТ, телекоммуникации
  • Язык:
    Русский
    ,
    Формат файла:
    MS Word
    161,81 kb
  • Опубликовано:
    2011-07-25
Вы можете узнать стоимость помощи в написании студенческой работы.
Помощь в написании работы, которую точно примут!

Разработка перспективной системы радиосвязи в гражданской авиации













ДИПЛОМНЫЙ ПРОЕКТ

Разработка перспективной системы радиосвязи в гражданской авиации













г.

Содержание

Аннотация

Перечень сокращений

Введение

1. Общая часть

1.1 Задачи воздушной радиосвязи

1.2 Основные требования к средствам авиационной воздушной связи

2. Специальная часть

2.1 Обоснование технических требований к перспективной УКВ радиосвязи

2.1.1 Общие требования

2.1.2 Выбор типа сигнала

2.1.3 Обоснование рабочего диапазона частот

2.1.4 Дальность связи

2.1.5 Количество каналов связи

2.1.6. Помехозащищенность

2.1.7 Электромагнитная совместимость

2.1.8 Основные типы ШПС

2.1.9 Чувствительность приемного устройства

2.2 Обоснование структурной схемы проектируемой системы связи

2.3 Разработка функциональной схемы генератора опорной псевдослучайной последовательности

2.3.1 Обоснование алгоритма работы генератора опорной ПСП

2.3.2 Обоснование функциональной схемы генератора

2.4 Разработка принципиальной схемы генератора опорной псевдослучайной последовательности

2.4.1 Выбор элементной базы

2.4.2 Расчет принципиальной схемы

2.4.3 Работа принципиальной схемы

3. Техническая эксплуатация

3.1 Расчет энергопотребления

3.2 Расчет быстродействия

3.3 Расчет надежности

3.4 Анализ эффективности разработанного генератора ПСП

3.5 Разработка инструкции по технической эксплуатации

5. Безопасность и экологичность

5.1 Охрана труда

5.1.1 Анализ опасных и вредных производственных факторов

5.1.2 Мероприятия по технике безопасности

5.1.3 Мероприятия производственной санитарии

5.1.4 Мероприятия пожарной и взрывной безопасности

5.2 Экологичность проекта

6. Экономическое обоснование

6.1 Назначение проекта

6.2 Производственные затраты

6.2.1 Материальные издержки

6.2.2 Стоимость материалов

6.2.3 Стоимость покупных комплектующих изделий

6.3 Издержки на оплату труда персонала

6.4 Калькуляционные издержки

6.5 Издержки на оплату услуг сторонних организаций

6.6 Стоимость реализации проекта

6.7 Цена изделия

6.8 Инвестиции, необходимые для реализации проекта

6.9 Эксплуатационные расходы

6.9.1 Издержки на оплату труда персонала

6.9.2 Амортизационные отчисления

6.9.3 Затраты на техническое обслуживание и ремонт

6.9.4 Расходы на электроэнергию

6.9.5 Прочие расходы

6.10 Потоки денежных поступлений и выплат

6.11 Расчет показателей оценки эффективности инвестиций

6.11.1 Срок окупаемости инвестиций

6.11.2 Чистый дисконтированный доход

7. Безопасность полетов

Заключение

Список использованных источников

Аннотация


Авиационная воздушная УКВ радиосвязь является одним из основных видов связи, используемых для обеспечения управления полетами ЛА. В настоящее время к системам авиационной радиосвязи предъявляются достаточно жесткие требования по помехоустойчивости, достоверности и скорости передачи информации потребителям.

Целью дипломного проекта является разработка перспективной системы УКВ радиосвязи, обладающей повышенной помехоустойчивостью по сравнению с используемыми в гражданской авиации.

Для этого предлагается использовать новые принципы организации связи, базирующиеся на применении сложных сигналов. Проектируемая система обладает также более высокой по сравнению с существующими системами радиосвязи надежностью благодаря применению современной и более надежной элементной базы.

Основное внимание в ходе проектирования обращено на разработку принципов функционирования и схемы генератора псевдослучайной последовательности.

Перечень сокращений


AM - амплитудная модуляция

АСКУ - аппаратура сопряжения, контроля и управления

БЕВЧ - блок единого времени и частоты

БК - блок контроля

ВЧ - высокая частота

ВЧП - высокочастотный переключатель

ГА - гражданская авиация

ГОПСП - генератор опорной псевдослучайной последовательности"

ДЧС - дискретно-частотный сигнал

ДПП - диспетчерский пункт подхода

ЗИП - запасное имущество и принадлежности

ИМС - интегральная микросхема

KB - короткие волны

КП - канальный процессор

ЛА - летательный аппарат

ДОС - линейная обратная связь

МВД - местные воздушные линии

МДП - местный диспетчерский пункт

МШ - магистральная шина

МУ - модуль управления

МЧС - многочастотный сигнал

НОС - нелинейная обратная связь

ОГ - опорный генератор

ОВЧ - очень высокая частота

ОМ - однополосная модуляция

ОС - основная станция

ПДСП - производственно-диспетчерская служба предприятия

ПРЦ - передающий радиоцентр

ПРМЦ - приемный радиоцентр

ПСП - псевдослучайная последовательность

РЭО - радиоэлектронное оборудование

С - синхронизатор

СДП - стартовый диспетчерский пункт

СП - сигнальный процессор

СЧ - синтезатор частот

ТП - терминальный процессор

ТТЛ - транзисторно - транзисторно логика

УВД - управление воздушным движением

УКВ - ультракороткие волны

УМ - усилитель мощности

ФМС - фазаманипулированые сигналы

ЧМ - частотная модуляция

ЦКС - центр коммутации сообщений

ШПС - широкополосный сигнал

ШСС - широкополосная система связи

ЭМИ - электромагнитное излучение

ЭМС - электромагнитная совместимость

ЭСЛ - эммитерно-связная логика

Введение


Гражданская авиация (ГА) является одной из основных составных частей транспортной системы государства, от эффективности работы которой зависит обеспечение потребностей населения и объектов хозяйственной системы в воздушных перевозках. При этом мировая тенденция состоит в постоянном повышении объема воздушных перевозок, росте пассажирооборота и соответственно повышении интенсивности воздушного движения.

Успешное решение стоящих перед ГА народнохозяйственных задач обеспечивается оснащением авиакомпаний новыми типами самолетов и вертолетов, оборудованных все более совершенными и эффективными системами, а также модернизацией уже существующих образцов техники. Высокими темпами ведутся работы по созданию и вводу в эксплуатацию самолетов, технические и экономические характеристики которых соответствуют современным требованиям. Одновременно с этим совершенствуются радиотехнические средства наземного обеспечения полетов - системы радиосвязи, радиолокации и радионавигации.

В связи с повышением интенсивности воздушного движения и расширением круга задач, решаемых с помощью авиации, остается важнейшей проблемой обеспечение высокого уровня безопасности полетов. Одним из основных факторов в обеспечении безопасности воздушного движения является четкий и постоянный контроль за самолетами и вертолетами в воздушном пространстве, своевременное и надежное управление ими. С этой целью применяются разнообразные средства радиосвязи, использующие различные диапазоны радиоволн, прежде всего ультракоротковолновый (УКВ).

Средства радиосвязи УКВ диапазона, обладая высокой пропускной способностью, обеспечивают устойчивую и бесперебойную связь между объектами в пределах прямой видимости, что обусловлено особенностями распространения радиоволн. Однако повышение интенсивности воздушного движения приводит к увеличению числа самолетов в ограниченном объеме воздушного пространства, что неблагоприятно сказывается на качестве радиосвязи, так как возрастает вероятность ее нарушения из-за воздействия взаимных помех от работающих абонентов. Кроме этого, возрастают требования к качеству и достоверности передачи информации в авиационных каналах радиосвязи.

В настоящее время основными направлениями совершенствования радиоэлектронной аппаратуры, являются: микроминиатюризация, стандартизация и унификация, применения современных видов сигналов, методов формирования и обработки информации.

В дипломном проекте предлагается перспективная система радиосвязи, обладающая повышенной помехоустойчивостью благодаря использованию современных видов сигналов - так называемых псевдослучайных сигналов. Основное внимание обращено на разработку передающей аппаратуры системы связи, а именно устройства формирования псевдослучайного сигнала - генератора кода.

1. Общая часть


1.1 Задачи воздушной радиосвязи


Радиосвязь является основным средством обеспечения связи между наземными службами управления воздушным движением (УВД) и ЛА в полете. Радиосвязь осуществляется на выделенных ICAO для этих целей частотах в диапазонах коротких (KB) и ультракоротких (УКВ) волн. Основными для систем УВД являются УКВ каналы радиосвязи. Каналы KB радиосвязи используются в основном для осуществления дальней связи с ЛА для УВД в районе, где нет УКВ радиосвязи, а также для резервирования каналов УКВ радиосвязи.

Организация авиационной воздушной радиосвязи должна обеспечивать ведение прямых переговоров в радиотелефонном режиме между диспетчерами пунктов УВД и экипажами ЛА на всю глубину их полета в пределах воздушного пространства диспетчерского района (зоны, сектора). При этом радиосвязь должна обладать высокой надежностью, так как потеря радиосвязи с летательными аппаратами рассматривается как чрезвычайное происшествие, могущее вызвать тяжелые последствия.

Для повышения надежности радиосвязи в каждом аэропорту необходимо иметь резерв радиосредств, готовый к немедленному использованию по заранее разработанной схеме резервирования.

Авиационная воздушная радиосвязь на диспетчерских пунктах служб УВД организуется и обеспечивается:

в верхнем и нижнем воздушном пространстве РДС. При этом УКВ радиосвязь для диспетчеров верхнего и нижнего воздушных пространств РДП (а при делении этих пространств на секторы - для диспетчеров РДП каждого сектора) обеспечивается на раздельных каналах. Каналы KB радиосвязи могут организовываться на раздельных частотах для каждого диспетчера РДП. на одной частоте для нескольких диспетчеров РДП, на общих частотах для одного РДС или для группы смежных РДС, работающих в сети с использованием "семейства" частот;

В районе аэродрома (подхода) и в зоне взлета и посадки радиосвязь организуется и обеспечивается только средствами УКВ радиосвязи. При этом для диспетчеров ДПП, ДПСП организуются УКВ каналы на раздельных § частотах. Диспетчер СДП должен работать, как правило, на частоте ДПСП, за исключением аэропортов с интенсивным воздушным движением, где при необходимости на СДП могут выделяться два УКВ канала: один - на частоте посадки, другой - на частоте круга;

В зоне МВД радиосвязь организуется средствами УКВ и KB радиосвязи. При этом радиосвязь обеспечивается на общей частоте для всех МДП определенного района.

На диспетчерских пунктах службы движения авиационная воздушная радиосвязь применяется:

на РДП для управления полетами в районе ответственности РДС;

на МДП для управления полетами на местных воздушных линиях;

на ДПП для управления полетами в районе аэродрома (коридорах подхода);

на ДПСП и СДП для управления полетами в зоне взлета и посадки, а также на аэродроме при рулении.

Организация радиосвязи на указанных пунктах призвана обеспечить решение следующих задач по УВД:

выполнение полетов по установленным маршрутам в заданное расписанием время и с соблюдением безопасных интервалов и дистанций между ЛА;

подвод ЛА к границам районов аэропортов и смежным районам диспетчерского руководства строго по линии заданного пути на наивыгоднейших высотах полета с соблюдением безопасных интервалов и дистанций между ЛА;

радиосвязь генератор гражданская авиация

предотвращение уклонения ЛА в случае вынужденного изменения маршрута при обходе районов со сложными метеоусловиями, в запретные зоны, в сторону государственной границы и в районы высоких препятствий (гор,

искусственных сооружений), когда высота полета не обеспечивает их преодоления.

По каналам авиационной воздушной радиосвязи, кроме того, обеспечивается передача разного рада сообщений по условиям полета, радионавигации, безопасности и регулярности полетов.

Для обеспечения передачи сообщений используются радиосети авиационной воздушной радиосвязи, которые организуются в соответствии с указаниями и действующими регламентами.

Таким образом, ЛА ведут радиосвязь в полете с пунктами УВД, расположенными в районе вылета, по маршруту полета и в районе посадки. При этом авиационная воздушная радиосвязь организуется для непосредственного управления полетами:

районными диспетчерскими пунктами и вспомогательными районными диспетчерскими пунктами - в верхнем и нижнем воздушном пространстве РДС в районе вылета, на маршруте и в районе посадки:

диспетчерскими пунктами подхода - в районах аэродрома вылета, аэродромов на маршруте полета и аэродрома посадки;

диспетчерскими пунктами системы посадки, старшими диспетчерскими пунктами - в зоне взлета и посадки.

Каждый из указанных диспетчерских пунктов для ведения переговоров с ЛА в своем районе (зоне, секторе) должен быть обеспечен надежной и четко действующей радиосвязью.

Диапазон УКВ является основным для использования в воздушной и наземной авиационной радиосвязи, что связано с его достаточно высокой емкостью и пропускной способностью. При этом распространение радиоволн УКВ диапазона имеет ряд специфических особенностей, основной из которых является возможность распространения радиоволн только в пределах прямой видимости.

Радиосвязь может организовываться на основе линейного и радиального принципов. Тот или иной принцип выбирается исходя из условий задач радиосвязи, характера и интенсивности радиообмена и наличия технических средств.

Линейный принцип применяется при построении канала радиосвязи между двумя пунктами, на каждом из которых устанавливаются приемопередающие радиостанции, работающие на радиоданных, выделенных для данной радиолинии. При построении каналов радиосвязи по линейному принципу могут применяться различные варианты назначения радиоданных для радиолинии в зависимости от ее назначения и задач связи, а именно:

одна частота для радиообмена (круглосуточная, ночная, дневная);

несколько частот для радиообмена, которые применяются в зависимости от обстановки и условий связи (радиопомехи, непрохождение связи на основной частоте и т.д.);

две частоты для радиообмена (на разных частотах приема и передачи).

Назначение частот по тому или иному варианту зависит от конкретных условий организации радиосвязи, задач и характера радиообмена, а также наличия средств и частот радиосвязи.

На отдельных направлениях радиосвязи в зависимости от расстояния между абонентами каналы по линейному принципу могут строиться с применением ретрансляционных станций. При этом радиосвязь с использованием ретрансляторов может осуществляться как на одной частоте приема и передачи, так и на двух частотах.

При больших потоках информации и наличии соответствующих средств ретрансляции каналы по линейному принципу могут строиться с применением промежуточных пунктов автоматической ретрансляции. При автоматической ретрансляции необходимо назначать не менее двух частот для обеспечения симплексной связи.

При построении каналов по радиальному принципу (радиосети) имеется возможность обеспечивать с помощью одной радиостанции радиосвязь с группой корреспондентов, у каждого из которых установлена приемопередающая радиостанция, работающая на радиоданных, выделенных для данной сети (радиоканала).

Радиальный принцип позволяет организовывать и обеспечивать с помощью одной радиостанции и дополнительных приемников радиосвязь с данного пункта управления с многими пунктами, что говорит об экономичности радиального принципа. При этом в зависимости от назначения каналы радиосвязи, организованные по радиальному принципу, могут иметь различную надежность и пропускную способность.

Радиальный принцип при построении каналов воздушной авиационной радиосвязи является основным. При этом сети воздушной авиационной радиосвязи работают, как правило, на одной частоте приема и передачи в симплексном режиме.

1.2 Основные требования к средствам авиационной воздушной связи


Передающий радиоцентр (ПРЦ) предназначен для организации авиационной подвижной воздушной электросвязи в диапазонах ОВЧ и ВЧ (обеспечение передачи информации в аналоговом и цифровом видах от диспетчерских наземных служб УВД экипажам воздушных судов), а также для организации авиационной фиксированной электросвязи.

Приемный радиоцентр (ПРМЦ) предназначен для организации авиационной подвижной воздушной электросвязи ОВЧ и ВЧ диапазонов (обеспечение приема информации в аналоговом и цифровом видах диспетчерскими наземными службами от экипажей воздушных судов), а также для организации авиационной фиксированной электросвязи.

Автономный ретранслятор авиационной подвижной воздушной связи (АРТР) предназначен для организации сплошного радиоперекрытия зон ответственности районных центров УВД различного уровня автоматизации многочастотным полем авиационной подвижной воздушной связи и обеспечения обмена информацией в аналоговом и цифровом видах между диспетчерскими наземными службами УВД и экипажами воздушных судов.

Средства авиационной подвижной воздушной связи ОВЧ - диапазона предназначены для использования в качестве основных средств связи аэродромных и районных диспетчерских пунктов, а также как резервные и I аварийные (с электропитанием от аккумуляторов) средства связи при отказе основных передающих и приемных устройств объектов ПРЦ и ПРМЦ.

Средства радиосвязи и ретрансляторы ВЧ - диапазона предназначены для организации радиоперекрытия зон ответственности районных центров УВД радиополем авиационной подвижной связи ВЧ - диапазона с целью обеспечения обмена информацией в аналоговом и цифровом видах между диспетчерскими пунктами УВД и экипажами ВС на участках маршрутов и трасс полетов.

Оборудование центров коммутации сообщений (ЦКС) предназначено для приема, анализа, маршрутирования, передачи, архивации сообщений, контроля состояния каналов связи и очередей на передачу, поддержания технологического единства сети телеграфной связи гражданской авиации.

В состав средств ПРЦ должны входить:

антенно-фидерная система;

мачты для размещения антенной системы;

антенно-фильтровые, развязывающие и переключающие устройства;

радиопередатчики ОВЧ - диапазона;

радиопередатчики ВЧ - диапазона;

аппаратура сопряжения, контроля и дистанционного управления;

аппаратура служебной связи;

вводно-коммутационные устройства с молниезащитой;

средства гарантированного электропитания;

комплект ЗИП и КИП;

комплект эксплуатационной документации.

В состав средств ПРМЦ должны входить:

антенно-фидерная система:

мачты для размещения антенной системы;

радиоприемники ОВЧ - диапазона;

радиоприемники ВЧ - диапазона;,

аппаратура сопряжения, контроля и дистанционного управления;

аппаратура служебной связи;

вводно-коммутационные устройства с молниезашитой;

средства гарантированного электропитания;

комплект ЗИП и КИП;

комплект эксплуатационной документации ЭД.

В состав средств автономного ретранслятора авиационной подвижной воздушной связи должны входить:

мачта для размещения антенных систем;

приемо-передающая антенно-фидерная система;

приемо-передающие антенные фильтры, объединители, разветвители и коммутаторы ОВЧ сигналов;

передатчики ОВЧ иапазона;

приемники ОВЧ диапазона;

аппаратура сопряжения, контроля и управления (АСКУ);

аппаратура служебной связи (при необходимости);

вводно-кроссовое оборудование с устройствами молниезащиты;

средства гарантированного электропитания;

комплект ЗИП и КИП;

комплект эксплуатационной документации.

Требования к оборудованию центров коммутации сообщений (ИКС).

Взаимодействие ЦКСов в процессе обмена информационными и служебными сообщениями должно производиться в соответствии с требованиями и рекомендациями следующих документов:

приложение 10 к Конвенции ИКАО тома 1 и 2 для телеграфной связи АФТН;

требования к функциональным характеристикам средств коммутации сообщений телеграфной сети связи ГА.

обмен информацией по телеграфным каналам связи должен осуществляться одной из скоростей: 50, 100 Бод для кода МКТ-2 или 100, 200 Бод для кода СТ-5 (КОИ-7).

ЦКС должен сопрягаться с телеграфными каналами в соответствии с требованиями ГОСТ 22937-78 (ГОСТ 18664-73) и обеспечивать возможность работы по телеграфным каналам связи и/или физическим линиям. ЦКС должен обеспечивать прием, обработку, хранение и передачу информации по телеграфным каналам при круглосуточном режиме работы.

ЦКС должен выполнять функции краткосрочной и долгосрочной архивации сообщений и их журналов. Доступ к этим архивам должен обеспечиваться соответствующими процедурами.

В ЦКС должна быть предусмотрена возможность управления основными параметрами. С помощью команд должно производиться изменение состояния и характеристик каналов связи, маршрутов, адресных указателей, а также обеспечиваться контроль и управление техническими средствами ЦКС и осуществление их реконфигурации, включение и отключение их работы, управление ресурсами.

Должна обеспечиваться возможность реконфигурации технических средств ЦКС для проведения диагностики, технического обслуживания и ремонта оборудования. Изменение режимов работы и состояния технических средств не должно приводить к потере сообщений или перерыву во взаимодействии с сетью.

ЦКС должен обеспечивать возможность подготовки сообщений для передачи в сеть, вывода неформатных сообщений для их корректировки или принятия соответствующего решения, обработку служебных сообщений, вывод извещений о состоянии каналов связи и работе оборудования, поиск и вывод сообщений. Для передачи информационных и служебных сообщении может использоваться один из двух типов телеграфных кодов (МКТ-2 или МКТ-5), поэтому должно быть предусмотрено однозначное преобразование между двумя типами телеграфных кодов.

В процедурах телеграфного обмена предусматривается обработка сообщений, принятых с отклонениями от стандартного формата в пределах допусков. Такие сообщения перед передачей должны быть преобразованы в сообщения, не имеющие отклонения от стандартного формата.

Основные технические характеристики средств авиационной воздушной электросвязи ОВЧ и ВЧ диапазонов должны соответствовать требованиям, изложенным в табл.1.1

Таблица 1.1


Наименование характеристики

Един. измер.

Норматив

Основные характеристики радиопередатчиков ОВЧ-диапазона

1.

Диапазон частот

МГц

118.137

2.

Сетка частот

КГц

25 или 8,33

3.

Выходная мощность на нагрузке 50 Ом

Вт

5/50

4

Максимальная глубина модуляции

%

85

5.

Полоса пропускания по уровню 6 дБ:




 - для сетки частот 25 кГц для сетки частот 8,33 кГц

Гц Гц

300…2700 300…2500

6.

Уровень входного НЧ-сигнала на нагрузке 600 Ом





В

0,25.1,5

7.

КБВ АФУ

=

>0,5


Стабильность частоты: для сетки частот 25 кГц для сетки частот 8,33 кГц

% %

0,002 0,0001

Основные характеристики радиоприемников ОВЧ - диапазона

1.

Чувствительность, не хуже

мкВ

3,0


Таким образом, проведенный анализ показывает, что средства авиационной воздушной радиосвязи играют весьма важную роль в процессе обеспечения управления воздушным движением. От качества функционирования каналов радиосвязи, достоверности, оперативности доставки информации потребителям, прежде всего экипажам ВС, зависит уровень безопасности и регулярность полетов самолетов ГА. Поэтому необходимо постоянно совершенствовать возможности и характеристики систем радиосвязи, применяемых в ГА.

2. Специальная часть


Эксплуатационно-техническими характеристиками называют данные о функциональных возможностях и качестве работы систем связи. На первое место пользователь (эксплуатант) выдвигает эксплуатационные характеристики: информационные, эргономические, энергетические и обобщенные.

Информационные характеристики позволяют оценивать качество связи. При ведении связи существуют проблемы, связанные с искажениями принятых сообщений и нарушениями связи, при которых сообщения или их части не доходят до адресата.

Эргономические характеристики отражают степень приспособленности средств связи и устройств воспроизведения сообщений к потребностям эксплуатанта или оператора.

Экономические характеристики позволяют оценить затраты энергии и ресурсов на передачу сообщений с требуемым качеством.

Обобщенные характеристики предназначены для интегрального описания основных свойств системы связи и степени их соответствия некоторой эталонной системе.

Технические характеристики отражают особенности технической реализации систем связи и несут дополнительную информацию об их эксплуатационных возможностях.

К основным техническим характеристикам систем радиосвязи относятся диапазон волн, ширина полосы частот канала, число каналов, дальность действия, способы разделения каналов, энергетические характеристики (уровни сигналов и помех), используемые методы кодирования и модуляции.

Диапазоны используемых радиоволн и другие основные характеристики каналов воздушной радиосвязи регламентированы ICАО и Международным союзом электросвязи (см. табл.2.1)

Таблица 2.1.

Диапазон частот,

Число каналов

Частотный

Допустимая

МГц

связи

интервал, кГц

нестабильность




частоты

0,2.1,5

1300

2

 (1.3) 10-5

2.30

280000

0,1

100*10-6.2*10-7

118.136

720

25

 (10.150) 10-6

220.400

3600

50

 (5.15) 10-6


Анализ данных, приведенных в табл.2.1 показывает, что для организации каналов УКВ радиосвязи выделены два участка диапазона: от 118 до 136 МГц и от 220 до 400 МГц.

Рассмотрим характеристики радиостанций УКВ диапазона, эксплуатируемых в ГА в настоящее время.

В настоящее время в ГА эксплуатируются следующие типы бортовых командных радиостанций: "Баклан-5", "Баклан-20", и "Орлан". Для повышения надежности управления ЛА на борту обычно устанавливаются две радиостанции. Основные характеристики перечисленных бортовых радиостанций приведены в табл.2.2.

В качестве наземных радиостанций УКВ каналов радиосвязи, устанавливаемых на диспетчерских пунктах, используются радиостанции "Полет-1 А", "Баклан-РН", передатчик "Ясень", приемник Р-870М. Основные технические данные радиостанций этого типа приведены в табл.2.3.

Данные, приведенные в таблицах, показывают, что характеристики бортовых и наземных радиостанций УКВ диапазона примерно аналогичны.

При этом диапазон частот, используемый наземными радиостанциями, шире, что позволяет создать большее число каналов связи. Большей у наземных станций является и мощность излучения. При этом следует отметить, что в наиболее совершенной из наземных радиостанций используется не только обычный режим работы с излучением амплитудно-модулированных (AM) колебаний, но введены также режимы амплитудной манипуляции (АМн) и однополосной модуляции (ОМ). Введение этих режимов излучения связано со стремлением разработчиков повысить помехоустойчивость каналов УКВ радиосвязи (известно, что помехоустойчивость каналов связи с AM самая низкая).

Однако принятие таких мер не позволяет кардинальным образом улучшить информационные, экономические и технические (прежде всего энергетические) характеристики систем радиосвязи.

Это вызвано тем, что существующие каналы связи с AM, АМн и ОМ имеют недостаточно высокую помехоустойчивость, что приводит к искажениям принимаемой информации. Если при передаче речевых (аналоговых) сигналов воздействие помех может быть частично скомпенсировано за счет некоторой информационной избыточности и натренированности органов восприятия оператора, повторением передаваемых сообщений, то при передаче информации по цифровым каналам связи требования к вероятности искажения символов при приеме (не более 10-6.10-8) значительно ужесточаются.

Верность передачи сообщений обеспечивается проведением мероприятий по уменьшению уровня помех, применением радиостанций, обладающих повышенной мощностью излучения, надлежащего разноса несущих частот соседних каналов связи, фильтров, согласованных с применяемыми сигналами, помехоустойчивых кодов и видов модуляции.

Таблица 2.2

Параметр

Орлан

Баклан-5

Баклан-20

Диапазон частот, МГц

118-135,975

118-135,975

118-135,975

Дискретность сетки частот, кГц

25

25

25


Число фиксированных частот

720

720

720


Нестабильность частоты

10-5

10-5

10-5


Выходная мощность передатчика

25

5

16


Коэффициент модуляции, %

80

70

87

Чувствительность приемника, мкВ

7

3

3

Полоса пропускания приемника на

60

40

40

уровне 6 дБ, кГц




Время перестройки, с

-

1

1

Высотность, м

12000

10000

10000


Таблица 2.3

Параметр

Полет-3

Баклан-РН

Диапазон частот, МГц

100-149,975

100-149,975

118-135,975

Дискретность сетки частот, кГц

12,5

25

25

Число фиксированных частот

2000

2000

720

Нестабильность частоты

-

±10*10-6

±17*10-6

Выходная мощность передатчика, Вт

A3E,A2D- 150 J3E - 500

5

5

Чувствительность приемника, мкВ

0,2.2,8

2

2,5

Готовность к работе, мин, не более Время перехода в режим передача", при дистанционном управлении, с, не более Класс излучения

 АЗЕ, J3E, A2D

 0,5 АЗЕ

5 АЗЕ


Очевидно, что верность восприятия сообщений в каналах воздушной радиосвязи оказывает существенное влияние на эффективность УВД и на протекание процессов в системе воздушного транспорта в целом. В свою очередь, верность восприятия зависит не только от факторов технического характера, но и от психофизиологического состояния пилота и диспетчера УВД. Известны случаи, когда при хорошо работающих каналах связи сообщения воспринимались неправильно. Это относится в первую очередь к восприятию числовых сообщений.

В периоды пиковой интенсивности воздушного движения речевой канал загружен до предела. При этом становится значительным уровень взаимных помех, ухудшающих качество связи. При этом у пилотов и диспетчеров появляется желание говорить быстрее, что, как правило, ведет к повышению вероятности возникновения ошибок восприятия.

В документах ICAO (Doc.9426/AN/924) указываются важнейшие направления работ по обеспечению высокой надежности наземных систем диспетчерской связи. К их числу относится создание многофункциональных линий авиационной наземной связи, обеспечивающих возможность независимого обмена данными различных классов (например, обмена данными по вопросам взаимодействия органов УВД, метеорологической, аэронавигационной и другой информацией).

Таким образом, к основным направлениям совершенствования средств радиосвязи можно отнести следующие:

переход от однофункциональных к многофункциональным системам связи.

· переход от передачи аналоговых сигналов к цифровым;

· автоматизация управления сетями связи;

· создание сетей с резервными каналами связи для повышения надежности связи;

· применение уплотнения передаваемой информации с использованием временного уплотнения каналов связи;

· повышение помехоустойчивости каналов связи;

совершенствование оконечной аппаратуры, применение в ней современной элементной базы, методов формирования и обработки сигналов, что способно повысить надежность каналов связи. Для получения устойчивой радиосвязи в сложной помеховой обстановке разработаны методы передачи информации с помощью широкополосных сигналов (ШПС). Используя ШПС возможно вести устойчивую радиосвязь даже в тех случаях, когда уровень принимаемого полезного сигнала ниже уровня помех.

Использование в широкополосных системах связи (ШСС) сигналов сложной формы затрудняет также извлечение информации из сигнала, если не известны данные о его структуре, что представляется в настоящее время весьма актуальным из-за участившихся случаев захвате воздушных судов.

Широкополосные сигналы могут обеспечить высокую достоверность Связи и передачу сообщений с требуемым для современных систем цифровой радиосвязи качеством и оперативностью.

Отличие широкополосной системы от обычной (узкополосной) состоит в использовании сигналов с полосой частот, значительно более широкой, чем полоса передаваемого сообщения, и методов селекции, основанных на применении сигналов различной формы на передающей и согласованных с формой сигналов различной формы фильтров на приемной стороне.

Важно отметить, что широкополосные системы радиосвязи принципиально совместимы с узкополосными, т.е. на одном и том же участке диапазона могут одновременно работать и те, и другие, не оказывая серьезных помех друг другу.

Проведенный анализ позволяет сделать вывод о том, что перспективы для использования широкополосных систем радиосвязи в ГА достаточно хорошие. Поэтому разработка таких систем является актуальной уже в настоящее время.

2.1 Обоснование технических требований к перспективной УКВ радиосвязи


2.1.1 Общие требования

Развитие и совершенствование систем УВД, повышение интенсивности воздушного движения привело к возрастанию объемов передаваемой по каналам УКВ авиационной воздушной радиосвязи информации. Это обстоятельство обусловливает возрастание требований к автоматизации обмена информацией и улучшению информационных и энергетических характеристик каналов связи.

В перспективных системах радиосвязи с применением ШПС, наряду с повышением пропускной способности, предусмотрена защита от естественных помех, криптозащита информации, а также меры по обеспечению электромагнитной совместимости с действующим парком радиосредств. При разработке новых поколений радиостанций произведена унификация многих узлов и блоков на основе модульного подхода к их конструированию, что снижает затраты на техническое обслуживание и ремонт в процессе эксплуатации. Применение новой элементной базы позволяет существенно снизить энергопотребление и массогабаритные характеристики, а также повысить надежность и ремонтопригодность оконечной приемо-передающей аппаратуры каналов радиосвязи.

Рассмотрим основные требования, предъявляемые к перспективным системам авиационной воздушной УКВ радиосвязи.

Достоверность связи. Из-за воздействия помех в канале связи при передаче информации возникают ошибки. Вследствие этого необходимо принимать меры по защите информации от ошибок, что возможно путем применения помехоустойчивого кодирования. Таким образом, можно сделать вывод, что информация, передаваемая по каналу радиосвязи, должна быть защищена помехоустойчивым кодом.

Скорость передачи информации. Система радиосвязи должна обеспечивать высокую достоверность передачи информации и высокую скорость обмена данными между абонентами системы. Эта скорость обусловлена высокими динамическими свойствами ЛА и его высокой скоростью, а также наличием большого количества абонентов в сети связи. Исходя из требований, сформулированных в [2], скорость передачи информации должна быть не менее 28 кбит/с.

Многостанционный доступ. Одним из требований к перспективным системам связи является многоканальность. Исходя их того, что информация, передаваемая в системе связи, объединена в общий информационный банк, то необходимо организовать доступ абонентов системы к нужной информации с минимальными временными затратами. Удовлетворение данного требования возможно благодаря использованию многоканальной системы радиосвязи с распределенным временным уплотнением. В такой системе связи посылки, принадлежащие одному сообщению, передаются в течение сравнительно большого временного интервала, а между ними находятся посылки других сообщений.

Помехоустойчивость системы. Помехоустойчивость - свойство системы связи выполнять поставленные задачи в условиях воздействия помех искусственного и естественного происхождения. Достижение высокой помехоустойчивости возможно благодаря применению ШПС. Согласно [3], для подавления системы радиосвязи с ШПС требуемая мощность помехи должна быть в базу раз больше, чем для подавления узкополосной системы связи.

Системы воздушной авиационной радиосвязи УКВ диапазона должны обеспечивать устойчивую и надежную радиосвязь в пределах прямой видимости.

Система радиосвязи должна обладать высокой эксплуатационной надежностью. Это достигается применением на этапе проектирования современной элементной базы и современной технологии на этапе изготовления, а также грамотной эксплуатацией и качественным техническим обслуживанием.

На основе перечисленных требований проведем обоснование основных технических характеристик проектируемой системы связи.

К основным информационным характеристикам проектируемой системы связи относятся:

высокая достоверность передачи информации, при которой вероятность искажения одного элемента в канале передачи данных должна лежать в пределах Ре=10 - 2…10 - 4;

обеспечение высокой скорости передачи информации - до 1200 бит/с;

оптимизация выбора рабочих частот. Наиболее подходящим по условиям электромагнитной совместимости и с учетом требований ICAO является диапазон от 100 до 1000 МГц;

организация информационной сети с многостанционным доступом (минимизация потерь времени на обмен данными);

гибкость по отношению к перестройке организационной структуры системы;

функциональная надежность и отказоустойчивость.

К основным техническим характеристикам проектируемой системы радиосвязи относятся: тип сигнала, используемого в системе; дальность действия; ширина спектра сигнала; диапазон рабочих частот; мощность передающего устройства; чувствительность приемного устройства; количество каналов связи.

2.1.2 Выбор типа сигнала

Из всех известных типов сигналов, применяемых в радиосвязи, наилучшими характеристиками помехозащищенности, скрытности и простоты реализации многостанционного доступа с временным разделением являются ШПС. Помехозащищенность таких сигналов обеспечивается введением в передаваемый сигнал частотной избыточности. Расширение спектра сигнала осуществляется независимо от передаваемого сообщения с помощью модуляции или кодирования.

Частотная избыточность характеризуется базой сигнала. Найдем величину базы сигнала, используемого в проектируемой системе.

Для расширения спектра применяется внутриимпульсное кодирование с фазовой манипуляцией, т.е. посылка длительностью Т может включать в себя16, 32, 64 или 128 элементов длительностью τэ = 200 нс. Известно, что база угнала находится по формуле

В = Т/ τэ,

где: Т - длительность посылки; τэ - длительность элемента посылки.

Так как длительность элемента посылки является фиксированной, то база сигнала будет зависеть от количества элементов в посылке Т и примет значения: В=16; 32; 64; 128.

2.1.3 Обоснование рабочего диапазона частот

Требованиями ICAO для воздушной радиосвязи в диапазоне УКВ выделен частотный диапазон от 118 до 136 МГц. Для проектируемой системы радиосвязи также целесообразно выбрать диапазон УКВ. Это объясняется рядом факторов, к которым относятся: достаточно малые размеры антенн, обеспечивающие достаточную эффективность, малая вероятность искажения символов при передаче цифровой информации (Ре = 10-3.10-5). Такую вероятность ошибки можно достичь благодаря применению кодов, исправляющих ошибки. При этом такая низкая вероятность ошибки при приеме цифровой информации по сравнению с другими диапазонами волн достигается тем, что в УКВ диапазоне действуют только аддитивные помехи и малы космические шумы.

Радиоволны УКВ диапазона распространяются прямолинейно и поэтому отсутствует многолучевость при приеме, а также отсутствуют замирания сигнала при распространении, что также оказывает положительное влияние на помехоустойчивость каналов связи.

Для проектируемой системы радиосвязи предлагается использовать

перспективный диапазон частот 220.400 МГц. Это обусловлено тем, что стандартный диапазон частот достаточно активно используется узкополосными системами связи, а также достаточно широкой полосой частот (несколько мегагерц), занимаемой применяемым типом сигналов.

2.1.4 Дальность связи

Дальность действия проектируемой системы связи характеризуется максимальным расстоянием, на котором обеспечивается получение заданных показателей качества функционирования.

Основной особенностью радиоволн диапазона УКВ является распространение волной поверхностного типа. Такие волны обладают малой способностью к огибанию препятствий, поэтому дальность радиосвязи ограничивается прямой видимостью. Дальность прямой видимости с учетом сферической формы Земли определяется по формуле

 (2.1)

где: D - дальность прямой видимости в [км]; h1 и h2 - высоты подъема приемной и передающей антенн в [м].

При работе наземного пункта с самолетной радиостанции дальность действия определяется высотой полета самолета и высотой установки антенны наземной станции. С учетом явления тропосферной рефракции дальность связи в УКВ диапазоне определяется выражением

 (2.2)

Расчеты по формуле (3.2) показывают, что дальность прямой видимости в диапазоне УКВ с учетом рефракции составляет при полете ЛА на высотах 100м, 4000м и 12000м соответственно не менее 89 км, 522 км и 903 км.

2.1.5 Количество каналов связи

Количество каналов связи зависит от ширины спектра сигнала:


где: τэ - длительность одного элемента, τэ = 200 не. Тогда получим Δfc = 5 МГц.

Так как для системы отводится диапазон частот 220.400 МГц, то располагаемое количество каналов связи


2.1.6. Помехозащищенность

Помехозащищенность характеризует способность системы связи противостоять воздействию помех. Помехозащищенность включает в себя такие понятия как скрытность и помехоустойчивость. Известно, что помехоустойчивость приема сигналов на фоне широкополосной помехи (Δfn >Δfc) типа белый гауссовский шум определяется только отношением энергии сигнала Ес к спектральной плотности шума N [1]

q0 = 2E/N = 2PcT/N, (2.3)

и не зависит от вида сигнала. Поэтому при известной спектральной плотности помех помехоустойчивость оптимального приема ШПС к широкополосным помехам равна помехозащищенности оптимального приема узкополосных сигналов в этих условиях.

Если ширина спектра помехи не превышает ширину спектра сигнала, то применение ШПС обеспечивает увеличение отношения сигнал/помеха относительно узкополосных сигналов

 (2.4)

Таким образом, отношение сигнал/помеха в ШСС улучшается пропорционально базе сигнала.

Помехоустойчивость ШСС определяется соотношением, связывающим отношение сигнал/помеха на выходе приемника q2 с отношением сигнал/помеха на его входе р2 [2]

 (2.5)

где  - отношение мощности ШПС к мощности помехи; q2 = 2E/Nп - отношение энергии ШПС Е к спектральной плотности мощности помехи Nп в полосе ШПС, т.е. Е = РсТ, Nп = Рп /Δfc.

Из данного соотношения следует, что прием ШПС сопровождается усилением сигнала в 2В раз.

Скрытность системы связи определяет ее способность противостоять обнаружению и измерению параметров сигнала. Если известно, что в данном диапазоне частот может работать система связи, но параметры ее неизвестны, то в этом случае можно говорить об энергетической скрытности системы связи, так как ее обнаружение возможно только с помощью анализа спектра. Скрытность ШСС связана с уменьшением спектральной плотности сигнала в результате увеличения его базы, т.е.

 (2.6)

т.е. в В раз меньше, чем у узкополосного сигнала при равных мощностях и скорости передачи информации. Отношение спектральной плотности мощности сигнала Nc к спектральной плотности мощности входных шумов N приемника, обнаруживающего сигнал, составляет

 (2.7)

т.е. в В раз меньше, чем у узкополосных сигналов. Поэтому в точке приема при неизвестной структуре ШПС вероятность его обнаружения на фоне шума чрезвычайно низка [2]. Таким образом, чем шире спектр ШПС и больше его база, тем выше энергетическая и параметрическая скрытность системы связи.

2.1.7 Электромагнитная совместимость

ШПС обеспечивает хорошую ЭМС с узкополосными системами связи. Для ШПС спектральная плотность мощности определяется выражением

 (2.8)

для узкополосного сигнала

 (2.9)

Помехоустойчивость системы связи с ШПС определяется соотношением (2.5), в котором

 (2.10)

Если узкополосная система связи постоянно занимает определенный интервал частот, то ее спектр можно подавить, используя режекторный фильтр. Таким образом, воздействие узкополосной системы связи на широкополосную незначительно и определяется выражением

Nшпс Δfy = Ршпс Δfy/Δfc. (2.11)

Исходя из этого, отношение сигнал/помеха на выходе узкополосного приемника будет определяться выражением (2.5), в котором

, (2.12)

B = Δfc/Δfy. (2.13)

Таким образом, чем больше отношение Afc /Afy, тем лучше фильтрация ШПС в узкополосной системе связи, т.е. чем больше база ШПС, тем выше ЭМС широкополосной и узкополосной систем связи.

Следовательно, системы связи с ШПС обладают хорошей ЭМС с узкополосными системами связи. Они обеспечивают высокую помехоустойчивость относительно мощных помех, скрытность, адресность, работоспособность в общей полосе частот, хорошую ЭМС с другими радиотехническими системами.

2.1.8 Основные типы ШПС

Известно большое число различных ШПС. В настоящее время в радиосвязи применяются:

·частотно-модулированные сигналы (ЧМС);

·многочастотные сигналы (МЧС);

·фазоманипулированные сигналы (ФМС);

·дискретные частотные сигналы (ДЧС);

·дискретные составные частотные сигналы (ДСЧ).

Из перечисленных ШПС наиболее перспективными для систем связи являются ФМС. Это объясняется сравнительной простотой реализации устройств формирования и демодуляции ШПС на элементах цифровой микроэлектронной техники, возможностью создания большого числа сигналов для одной и той же величины последовательности, хорошими корреляционными свойствами сигналов в частотно-временной области.

ФМС представляют собой последовательность радиоимпульсов, начальные фазы которых изменяются по заданному закону. В большинстве случаев ФМС состоит из радиоимпульсов с двумя значениями начальных фаз О и π.

Для реализации фазовой манипуляции сигналов используются различные кодовые последовательности (коды Баркера, Голда и М-последовательности - последовательности максимальной длины).

Для проектируемой системы радиосвязи в качестве модулирующего сигнала выберем М-последовательность, обладающую следующими достоинствами [2]:

·   М-последовательность является последовательностью с периодом, состоящим из n символов (импульсов);

·   боковые лепестки периодической автокорреляционной функции сигналов, образованных М-последовательностью, равны 1/n;

М-последовательность в общем случае состоит из нескольких видов импульсов. Импульсы различного вида встречаются в периоде примерно одинаковое количество раз, т.е. все импульсы распределены в периоде равномерно. Вследствие этого М-последовательности называют псевдослучайными;

·   М последовательности легко фильтруются с помощью линейных переключаемых схем на основе сдвигающих регистров;

автокорреляционная функция М-последовательности, под которой понимается непериодическая последовательность длиной L за период Т, имеет величину боковых лепестков, близкую к . Поэтому с ростом Т величина боковых пиков уменьшается.

М-последовательностью называется периодическая последовательность символов (элементов) d1 d2,., di, удовлетворяющая следующему правилу:

 (2.14)

где сложение производится по модулю 2. Это означает, что при возможных значениях а, = 0 или 1 символы di,. dj могут принимать значения 0 или 1.

Важным параметром М-последовательности является параметр n, определяющий число ячеек регистра сдвига, с помощью которого формируется сама последовательность. Такой регистр с заданными определенным образом обратными связями образует неповторяющуюся комбинацию из L =2n - 1 символов. Эта неповторяющаяся комбинация является максимально возможной.

Для образования М-последовательности задаются произвольной начальной комбинацией из п символов d1. dn, которую называют начальным блоком. Используя правило [16] определяются все остальные элементы последовательности dn+1,. dj. Изменение начального блока приводит к циклическому сдвигу последовательности.

Таким образом, ШПС формируется путем фазовой манипуляции несущей частоты кодовой М-последовательностью.

2.1.9 Чувствительность приемного устройства

Чувствительность приемника оказывает непосредственное влияние на дальность радиосвязи. Чувствительность приемников радиостанций систем связи УКВ диапазона находится в пределах 2,5.3 мкВ и ограничена собственными шумами радиоэлементов. Учитывая, что существенно снизить собственные шумы без значительного увеличения затрат не представляется возможным, чувствительность приемных устройств проектируемой системы радиосвязи должна быть не хуже 2 мкВ (с учетом применения современной элементной базы, имеющей пониженный уровень тепловых шумов).

2.2 Обоснование структурной схемы проектируемой системы связи


Проектируемая система связи состоит из аппаратуры, находящейся на наземном диспетчерском пункте, линии связи, под которой следует понимать среду распространения радиосигнала, и аппаратуры, устанавливаемой на борту ЛА. В состав аппаратуры на диспетчерском пункте и на борту ЛА должны входить приемо-передающие устройства - терминалы. Основное отличие терминала от обычного приемо-передающего устройства состоит в наличии в его составе специализированных вычислительных устройств - процессоров, реализующих функции формирования, передачи, приема и обработки широкополосных сигналов. При этом состав и структура наземного и бортового терминалов проектируемой системы связи практически одинакова. При разработке структурной схемы терминала следует учесть его многофункциональность, необходимость точной синхронизации с шкалой единого времени системы (для обеспечения своевременного выхода абонентов на связь), а также необходимость осуществления функционального контроля всего терминала.

Таким образом, структурная схема терминала приемопередающего устройства примет вид, представленный на рис.4.1 В состав терминала входят следующие устройства:

усилитель мощности (УМ);

приемопередатчик;

сигнальный процессор (СП);

канальный процессор (КП);

генератор опорной псевдослучайной последовательности (ГОПСП);

магистральная шина (МШ);

блок контроля (БК);

высокочастотный переключатель (ВЧП);

синтезатор частоты (СЧ);

синхронизатор (С);

блок единого времени и частоты (БЕВЧ);

терминальный процессор (ТП).

Кроме этого, для изменения и приспособления структуры и основных параметров системы связи к изменяющимся условиям функционирования и помеховой обстановки, в состав терминала входит адаптивный процессор (АДП).

Приемопередатчик обеспечивает усиление сигнала до уровня, необходимого для передачи сообщений, приема сообщений и их усиления до уровня, необходимого для работы сигнального процессора.

Сигнальный процессор имеет в своем составе модем, кодек, модуль управления (МУ).

Модем обеспечивает модуляцию передаваемого и демодуляцию принимаемого сигналов и одновременное кодирование и декодирование их внутренним кодом. В каждом импульсе, состоящем из 32-х подъимпульсов, содержится одно кодовое слово. Декодер настроен на возможные комбинации этого слова и при демодуляции выявляет в принятом сообщении ошибки, если они произошли. Модем также производит синхронизацию сигнала. Обеспечивая сигнальную синхронизацию, он обеспечивает согласование и поддержание в заданных пределах временные шкалы приемника абонента со временем прихода сигнала во время сеанса связи, а в отдельных случаях и между сеансами связи,

поскольку всегда имеется погрешность времени прихода сигналов, связанная с временем распространения радиоволн между абонентами и их относительного движения.

Кодек производит кодирование и декодирование сообщений внешним кодом. Например, при демодуляции находит ошибку, ее позицию в принятом сообщении, значение ошибки и производит ее исправление.

Модуль управления по командам с канального процессора управляет всеми процессами, протекающими в блоках терминала.

Канальный процессор организует в сети работу, задает формат сообщений, организует системную синхронизацию, подтверждает прием сообщений. Системная синхронизация обеспечивает первоначальный вход абонента в систему (установку системного времени), хранение системного

времени, а при необходимости его коррекцию в процессе работы. В качестве сигналов входа в сеть используется последовательность синхронизирующих импульсов.

Терминальный процессор имеет в своем составе дополнительные модули, позволяющие расширить функции системы связи.

Одним из основных функциональных узлов терминала является генератор опорной псевдослучайной последовательности, который выдает на канальный процессор непрерывный поток импульсов, из которых формируется сообщение. Частота заполнения импульсов изменяется от импульса к импульсу по псевдослучайному закону. Каждый импульс излучается в интервале события, который характеризуется кодовым словом, т.е. генератор опорной псевдослучайной последовательности выдает поток кодовых слов. Для каждого события определено свое кодовое слово.

Каждое слово содержит следующие параметры:

код частоты;

код внутреннего заполнения импульса;

номер интервала события.

Кодовое слово определяется параметрами сигнала и канала. В проектируемой системе связи предлагается использовать распределенное временное разделение каналов.

Блок контроля осуществляет функциональный контроль терминала.

Высокочастотный переключатель предназначен для переключения антенны на прием или передачу по команде канального процессора.

Синхронизатор и блок единого времени и частоты предназначены для того, чтобы создать разделение каналов, т.е. создают доступ пользователей к информационному банку в определенный интервал времени.

Управление сетью осуществляется терминалом наземной станции, установленной на диспетчерском пункте, поэтому блок единого времени и частоты предназначен для создания временной шкалы, а также для определения порядка использования временных интервалов.

Точная синхронизации всей системы осуществляется за счет высокостабильного эталона частоты.

2.3 Разработка функциональной схемы генератора опорной псевдослучайной последовательности


2.3.1 Обоснование алгоритма работы генератора опорной ПСП

ГОПСП, как видно из анализа структурной схемы терминала проектируемой системы связи, является одним из основных функциональных устройств, так как именно от его характеристик зависят информационные характеристики системы.

Генератор псевдослучайной последовательности лежит в основе формирования широкополосного сигнала. Генератор ПСП предназначен для выдачи непрерывного потока импульсов, из которых формируется сообщение. Частота заполнения импульсов изменяется по псевдослучайному закону. Каждый импульс излучается в интервале события, которое характеризуется кодовым словом.

Кодовое слово содержит следующие параметры: код частоты, код внутреннего заполнения, номер интервала события.

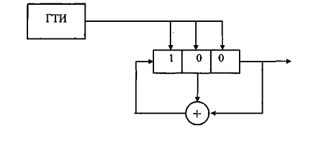
Формирование ПСП на практике достаточно просто осуществить с помощью так называемых регистров сдвига, представляющих собой устройства для запоминания многоразрядного двоичного числа. На рис.5.1 представлена схема трехкаскадного регистра, включающего три триггерные ячейки, генератор тактовых импульсов (ГТИ) и сумматор по модулю 2.

Каждая триггерная ячейка имеет два устойчивых состояния - "О" и "1". Скорость сдвига соответствует частоте следования тактовых импульсов.

Рис.2.2 Схема трехкаскадного регистра

Каждым сдвигающим импульсом от ГТИ состояния первого и второго каскадов сдвигаются во второй и в третий соответственно. Складываясь по модулю 2 информация второго и третьего каскадов поступает на вход первого. Выходной сигнал представляет собой последовательность состояний последнего каскада. Длительности всех импульсов одинаковы и определяются параметрами триггерной ячейки. Число ячеек можно увеличивать, а к сумматору можно подключать выходы любых ячеек. Переключение каскадов, на которые включена обратная связь меняет выходную последовательность и используется для смены выходной последовательности кода.

Максимальное число двоичных единиц определяется по формуле

m = 2n-l, где n - число триггерных ячеек.

Данная формула характеризует максимальную длину кода, которая получается при применении триггерных ячеек к сумматору по модулю 2.

Из приведенного примера ясно, что последовательность символов может быть достаточно длинной даже при сравнительно небольшом количестве сдвигающих ячеек.

Последовательность символов {ак}, вырабатываемая регистром сдвига, на котором построен генератор линейных кодовых последовательностей, удовлетворяет рекуррентному правилу

с0ак = с1ак - 1 + с2ак-2 +…+смак-м = f (ак-1,…ак-м),

где значения символов последовательности ак, так же как и значения коэффициентов ск принадлежат алфавиту G = (0,1), а операция сложения и умножения производится по модулю 2; м - называется памятью последовательности.

На рис.2.3 представлена функциональная схема генератора, построенного по данному рекуррентному правилу. Генератор представляет собой регистр сдвига с линейными обратными связями и формирующий линейную кодовую последовательность.

Следует отметить, что линейные кодовые последовательности имеют Явственный недостаток, заключающийся в низкой структурной скрытности.

Более высокую структурную скрытность имеют нелинейные последовательности, воспроизведение структуры которых невозможно в шейных генераторах.

Нелинейные кодовые последовательности формируются регистрами сдвига с нелинейными обратными связями. Нелинейные кодовые последовательности с периодом 2m получили название полных кодовых колец.

ТИ

Рис.2.3 Функциональная схема генератора

Полные кодовые кольца отличаются тем, что на их основе можно сформировать ансамбль биортогональных последовательностей, применяемых при многопозиционном кодировании информации.

Нелинейные последовательности могут быть получены на регистре сдвига с нелинейными обратными связями. Наибольшее применение нашли последовательности, удовлетворяющие соотношению

ак = f (aк-1, ак-2,., ак-m),

где ак-к-й член последовательности; f () - нелинейная булева функция.

В частном случае функцию f () можно записать в следующем виде

f (a1,a2,., am) =f’ (a1, а2,., am) +a2a3,.,am,

где f’ () - функция обратной связи регистра сдвига, вырабатывающего М - последовательность.

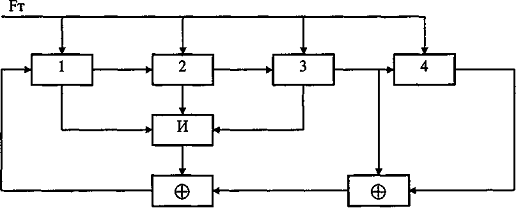
На рис.2.4 приведена в качестве примера схема реализации четырехразрядного генератора ПСП, являющейся полным кодовым кольцом.

Рис.2.4 Схема четырехразрядного генератора ПСП

Линейная обратная связь обеспечивается сложением по модулю 2 выходов третьего и четвертого разрядов регистра сдвига. Особенностью линейного генератора является недопустимость нахождения всех его разрядов в нулевом состоянии. Нелинейная обратная связь организуется схемой И, подключенной к единичным выходам первых трех регистров сдвига. Выход схемы И складывается по модулю 2 с выходом линейной обратной связи. Нелинейная обратная связь допускает нахождение всех его разрядов в нулевом состоянии и обеспечивает выход генератора из него.

Число формируемых последовательностей с периодом 2m определяется выражением


Недостатком таких генераторов является то, что выходы разрядов регистра сдвига жестко закреплены к схемам линейной и нелинейной обратных связей.

Учитывая отмеченные достоинства и недостатки известных генераторов ПСП, обоснуем структурную схему и алгоритм работы разрабатываемого генератора ПСП.

Во-первых, генератор ПСП должен быть реализован на регистре сдвига, состоящем из 49 разрядов. Это обусловлено тем, что генератор опорной ПСП выдает поток кодовых слов, каждое из которых содержит параметры, рассмотренные ранее.

Во-вторых, в разрабатываемом генераторе не должно быть жесткого закрепления разрядов регистра сдвига к схемам линейной и нелинейной обратных связей, что позволит оперативно изменять вид формируемой ПСП.

В-третьих, ПСП должна сниматься со всех разрядов генератора параллельно.

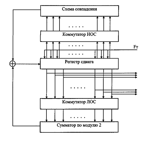
Учитывая все перечисленные свойства, предложена структурная схема генератора ПСП, представленная на рис.2.5.

В состав генератора входят:

·регистр сдвига;

·схема нелинейной обратной связи (НОС), в которую входят коммутатор НОС и схема совпадения;

·схема линейной обратной связи (ЛОС), в которую входят коммутатор ЛОС и сумматор по модулю 2.

Рис.2.5 Структурная схема проектируемого генератора опорной ПСП

2.3.2 Обоснование функциональной схемы генератора

На основе рассмотренного в п.5.1 алгоритма работы генератора ПСП и его структурной схемы в ходе дипломного проектирования была разработана функциональная схема генератора опорной ПСП, представленная на рис.5.5 В состав функциональной схемы входят следующие узлы:

1.49-разрядный регистр сдвига, который построен на основе регистров сдвига с последовательной записью и параллельным считыванием информации.

2. Схема НОС, которая состоит из коммутаторов НОС и многовходовой схемы И. Всего в схеме НОС задействовано 48 коммутаторов. Коммутаторы пропускают сигналы тогда, когда на один из входов поступает управляющий сигнал, а на другой вход поступает значение, записанное в разряде регистра сдвига, к которому подключен данный коммутатор. Если управляющий сигнал не поступает, то данный коммутатор будет закрыт. Подключение коммутаторов происходит в соответствии с определенным алгоритмом.

В схеме И происходит логическое умножение цифровых сигналов, поступающих с выходов коммутаторов.

3. Схема ЛОС, в состав которой входят коммутаторы ЛОС и сумматоры по модулю 2. Коммутаторы выполняют такие же функции, что и коммутаторы в схеме НОС, только к их выходам подключаются сумматоры по модулю 2. Всего в схеме 49 таких коммутатора.

Выходы схем ЛОС и НОС складываются по модулю 2, а выходной сигнал, являющийся результатом этого сложения, поступает на вход первого разряда регистра сдвига.

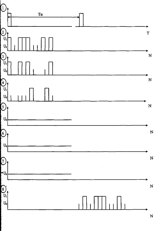
Таким образом происходит формирование опорной ПСП. На рис.2.6 показаны временные диаграммы, поясняющие работу функциональной схемы.

Рис.2.6 Временные диаграммы работы генератора ПСП

2.4 Разработка принципиальной схемы генератора опорной псевдослучайной последовательности


2.4.1 Выбор элементной базы

Требования, предъявляемые к современному РЭО, являются определяющими при разработке новых систем. Это требования к массе, габаритам, надежности, энергопотреблению, быстродействию. Удовлетворения всех этих требований в процессе разработки и изготовления нового РЭО можно добиться путем широкого использования интегральных микросхем (ИМС).

При разработке генератора ПСП применялись цифровые ИМС.

На практике применяются ИМС, использующие несколько отличающихся друг от друга принципов. Наиболее быстродействующие ИМС построены на основе элементов эмиттерно-связной логики (ЭСЛ). Однако такие микросхемы потребляют достаточно большую мощность и имеют низкую помехоустойчивость. Учитывая эти особенности ИМС ЭСЛ, их практическое применение ограничивается устройствами очень высокого быстродействия. ИМС с транзисторно-транзисторной логикой и непосредственными связями (ТЛНС) на комплиментарных МДП-транзисторах (КМДП) имеют низкое быстродействие, но при этом и низкое энергопотребление.

Наибольшее применение находят ИМС на основе транзисторно-транзисторной логики (ТТЛ) и ТТЛ с диодами Шотки (ТТЛШ). Эти ИМС характеризуются достаточно низким энергопотреблением, достаточно высоким быстродействием, высокой помехоустойчивостью. Именно поэтому при разработке генератора опорной ПСП были использованы ИМС с ТТЛШ логикой. При выборе серии ИМС были отобраны ИМС серии 1533, имеющие высокое быстродействие и малое энергопотребление по сравнению с другими сериями ИМС с этой логикой.

Маломощные быстродействующие интегральные микросхемы серии 1533 предназначены для организации высокоскоростного обмена и обработки цифровой информации, временного, электрического согласования сигналов в вычислительных системах. Микросхемы серии 1533 по сравнению с другими

известными сериями логических ТТЛ микросхем обладают минимальным значением произведения быстродействия на рассеиваемую мощность. Сочетание высокого быстродействия и малой потребляемой мощности позволяет создавать на микросхемах серии 1533 вычислительные устройства и устройства цифровой автоматики с качественно новыми характеристиками и высокими технико-экономическими показателями.

Конструктивно микросхемы серии 1533 выполнены в 14-, 16-, 20-, 24-выводных стандартных пластмассовых корпусах типа 201.14-1, 238.16-1, 2140.20-8, 2142.24-2.

2.4.2 Расчет принципиальной схемы

В разработанной схеме генератора опорной ПСП имеются следующие функциональные узлы:

· регистр сдвига;

· инверторы;

· схема линейной обратной связи (ЛОС);

· схема нелинейной обратной связи (НОС).

Для реализации 49-разрядного регистра сдвига были применены ИМС серии 1533 ИР8. Эти ИМС представляют собой регистр сдвига с прямым направлением сдвига, имеющий один вход и восемь выходов и относятся к регистрам с последовательной системой записи и параллельной системой считывания информации. Для реализации необходимого количества разрядов достаточно иметь цепочку из последовательно соединенных регистров. В нашем случае необходимо иметь 7 ИМС серии 1533 ИР8. При этом у последнего регистра используется только один выход - Q0.

Схема ЛОС построена на основе коммутаторов ЛОС и сумматоров по модулю 2. В качестве коммутаторов предложено применить ИМС серии 1533 ЛИ2. В состав такой ИМС входят четыре логических элемента, выполняющих функцию конъюнкции. Для реализации ЛОС необходимо использовать 13 таких ИМС. В качестве сумматоров по модулю 2 были использованы ИМС серии 1533 ЛП5, содержащие четыре двухвходовых сумматора по модулю 2 - логических элементов "исключающее ИЛИ". В разрабатываемом устройстве используются 13 таких микросхем.

Схема НОС построена на основе коммутаторов НОС и схемы совпадения. Коммутаторы построены на ИМС серии 1533 ЛИ2. В схеме используется 12 таких ИМС. Схема совпадения построена на ИМС серии 1533 ЛИЗ, содержащих по три элемента, выполняющих операции конъюнкции и имеющих по 3 входа. В схеме использовано 9 ИМС этой серии.

Так как на схему НОС значения, записанные в регистре сдвига, должны поступать с инверсных выходов, а у регистра сдвига, реализованного на ИМС 1533 ИР8, имеются только прямые выходы, то необходимо между регистрами сдвига и схемой НОС ставить инверторы. В качестве инверторов были использованы ИМС серии 1533 ЛН1, содержащее по 6 логических элементов "НЕ". В схеме всего применено 9 ИМС данной серии.

Таким образом, для схемной реализации разработанного генератора опорной ПСП использованы 63 ИМС серии 1533.

Питание всех ИМС осуществляется от источника постоянного тока напряжением +5 В.

Не использованные информационные выходы ИМС необходимо подключить через сопротивление 1 кОм к источнику питания. На одно сопротивление допускается нагружать до 20 выводов. Это необходимо делать для того, чтобы не возникало паразитных емкостей.

2.4.3 Работа принципиальной схемы

Исходное состояние генератора ПСП - все разряды регистра сдвига, собранного на ИМС 1533 ИР8 (на схеме DD1. DD7) обнулены. Для его приведения в рабочее состояние необходимо задействовать схему НОС. Для этого, в соответствии с алгоритмом работы, заложенным в устройство управления и обработки сигнала, на коммутаторы НОС, собранные на ИМС 1533 ЛИ2 (DD14. DD26), поступают управляющие сигналы двоичного кода. На другие входы коммутаторов, через инверторы 1533 ЛН1 (DD8. DD16), поступают значения, записанные в соответствующих разрядах регистра сдвига. Так как все разряды регистра сдвига обнулены, то на вход схемы НОС будут поступать логические "1".

Коммутаторы НОС представляют собой двухвходовые схемы "И" и пропускают на выход "1", если на оба входа будут поступать "1". Нелинейная обратная связь организуется схемой "И" 1533 ЛИЗ, представляющей собой трехвходовую схему "И". На выходе такой схемы будет "1", если на все три ее входа поступают "1". На входы этой схемы поступают "1" с единичных выходов коммутаторов НОС 1533 ЛИ2 (DD14. DD38).

Для того, чтобы вывести регистр сдвига 1533 ИР8 (DD1. DD7) из нулевого состояния, необходимо на выходе схемы "И" 1533 ЛИ2 (DD14. DD26) получить "1", которая поступает на вход сумматора по модулю 2 1533 ЛП5 (DD39. DD47). На другой вход этого сумматора поступает "О" с выхода схемы ЛОС, которая состоит из коммутаторов ЛОС 1533ЛИ2 (DD27. DD38) и сумматоров по модулю 2 1533 ЛП5 (DD54 - DD57). В результате сложения по модулю 2 в сумматоре 1533 ЛП5 DD57, на его выходе появляется "1", которая поступает на вход регистра сдвига 1533 ИР8 (DD1. DD7). В результате этого на вход регистра сдвига поступает "1". Происходит сдвиг регистра, т.е. сдвиг числа, записанного в регистре сдвига, на один разряд вправо.

После прихода на вход регистра сдвига очередного импульса, следующего с тактовой частотой, происходит очередной сдвиг числа, записанного в регистре.

Опорная ПСП формируется путем сложения по модулю 2 значений, записанных в определенных, выбранных на очередной такт работы, разрядах регистра. Порядок подключения выходов регистра сдвига DD1. DD7 к схемам ЛОС и НОС, как отмечалось выше, определяется по специальному алгоритму формирования опорной ПСП. Формирование каждой очередной последовательности должно быть закончено не позднее, чем через 12,8 мкс после поступления очередного импульса, следующего с тактовой частотой. Каждая, полученная в результате работы генератора ПСП, последовательность снимается параллельно со всех разрядов Qo--. Q49 регистра сдвига. Далее она поступает в балансный модулятор, где используется для кодирования формируемого для передачи сигнала, и в демодулятор, где используется для получения информационного сообщения из принятого сигнала.

3. Техническая эксплуатация


3.1 Расчет энергопотребления


Для реализации генератора ПСП согласно разработанной принципиальной схемы были использованы следующие ИМС (табл.3.1).

Таблица 3.1

Тип ИМС

Количество

Iпотр. мах. мА

Рпотр. мах. мВт

tзад мах. нс

1533ИР8

7

32,6

163

13,5

1533ЛИ2

13

5,4

27.

8,4

1533ЛИЗ

6

1,32

20

10,1

1533ЛН1

5

1,32

20

13,5

1533ЛП5

7

2

30

12,6


Так как питание на все ИМС подается параллельно, то максимальный ток, потребляемый генератором ПСП, определяется как сумма


где:

∑Iпотр. мах. рсi - максимальный потребляемый ток регистром сдвига;

∑Iпотр. мах. кi - максимальный потребляемый ток коммутаторами;

∑Iпотр. мах. +i - максимальный потребляемый ток сумматорами по модулю 2;

∑Iпотр. мах. Иi - максимальный потребляемый ток инверторами

∑Iпотр. мах. ссi - максимальный потребляемый ток схемами совпадения.

Воспользовавшись данными табл.3.1, получим

∑Iпотр. мах. = 4∙32,6 + 13∙5,4 + 5∙1,32 + 5∙1,32 + 7∙2=130,4 + 70,2 + 113,2 + 14 - 327,8 мА

Зная потребляемый схемой ток, определим потребляемую генератором ПСП мощность Рпотр по формуле

Рпотр=U∙Iпотр. мах. сх

где U - напряжение источника питания, в нашем случае +5В.

После подстановки значений получим Рпотр. =1,64Вт.

3.2 Расчет быстродействия


При расчете быстродействия разработанного генератора ПСП необходимо учитывать, что сумматоры по модулю 2 соединены последовательно, поэтому максимальное быстродействие будет определяться временем задержки сигналов в цепочке сумматоров. Самая большая цепочка состоит из четырех сумматоров по модулю 2. Тогда общее время задержки в цепочке будет определяться по формуле


Поскольку =12,6 нс, =4, то получим


Коммутаторы осуществляют коммутацию одновременно, поэтому для расчета необходимо взять время задержки одного коммутатора


Время задержки последовательно соединенных сдвиговых регистров складывается из задержки каждого из них


Поскольку , то получим


Время задержки последовательно соединенных ИМС, выполняющих логическое умножение, будет определяться суммарным временем задержки в цепочке этих ИМС согласно выражению


где  - количество логических устройств

Самая большая цепочка содержит 4 ИМС, следовательно, суммарное время задержки


Время задержки сигнала на инверторах определяется временем задержки на одном инверторе


Общее время задержки после прихода одного импульса, следующего с тактовой частотой, составит


Формирование ПСП происходит за 49 тактов работы генератора. Следовательно общее время, затрачиваемое схемой генератора на формирование ПСП составит


3.3 Расчет надежности


Надежность является одной из основных технико-эксплуатационных характеристик разрабатываемого устройства. Расчет надежности производится с целью оценки достигнутых при проектировании показателей надежности и сравнения их с заданными. При расчете надежности разработанного генератора ПСП будем рассматривать такие показатели надежности, как вероятность безотказной работы РБР генератора и интенсивность отказов λ,. Зададим условие, что вероятность безотказной работы проектируемой системы связи в условиях выполнения интенсивных полетов на интервале времени τ=100 час при средней наработке на отказ Тср=1000 час, не должна быть хуже 0,95. Определим допустимое значение интенсивности отказов проектируемого генератора ПСП, исходя из заданной вероятности безотказной работы


где .

После выполнения расчетов получим


Допустимая интенсивность отказов разработанного генератора определяется формулой

 (3.1)

Примем, что Qгенер = 0,1, т.е.10% всех отказов терминала системы связи происходит по причине генератора опорной ПСП.

Тогда после подстановки в (3.1) получим


Допустимая вероятность безоказной работы генератора определяется по формуле


Подставляя известные значения, получим при τ=100 час


Интенсивность отказов генератора ПСП, разработанного в дипломном проекте, можно определить по формуле


где λi - интенсивность отказов элемента I-того типа; m - число различных групп элементов; n - количество элементов I - того типа.

В табл.3.2 приведены интенсивности отказов для типов элементов, на основе которых реализована принципиальная схема генератора ПСП.

Таблица 3.2

Тип элемента

ni

λi·10-51/ч.

ni λi·10-51/ч.

Микросхемы

34

0,05

1,7

Резистор

1

0,005

0,005

Соединения пайкой

480

0,48


На основании приведенных в таблице данных по формуле (7.2) вычислим интенсивность отказов генератора ПСП


На основании полученного значения для интенсивности отказов генератора найдем величину Рген

где ,

После вычислений, получим Рген = 0,9959.

Сравнив полученные значения интенсивности отказов и вероятности безотказной работы с допустимыми, отметим, что


Таким образом, можно сделать вывод, что разработанный генератор удовлетворяет требованиям по надежности.

3.4 Анализ эффективности разработанного генератора ПСП


Эффективность любого изделия РЭО зависит от ряда факторов. Одним из таких факторов является помехозащищенность, т.е. способность изделия сохранять свою работоспособность и качество работы при воздействии естественных и искусственных помех. Это достигается возможностью создания с помощью генератора ПСП по возможности большего ансамбля используемых сигналов с возможностью достаточно легко изменять их форму, что обеспечит высокую структурную скрытность. Количественной мерой структурной скрытности является вероятность раскрытия структуры сигнала Рстр при условии, что сигнал обнаружен.

Эффективность разработанного генератора рассмотрим, анализируя эффективность уже известных генераторов, которые были рассмотрены в п.5.1.

Сначала оценим эффективность линейного генератора.

Такой генератор формирует не повторяющуюся комбинацию из L=2k-l символов, где к - число разрядов регистра сдвига.

Для определения структурной скрытности необходимо знать количество Q различных не повторяющихся последовательностей, т.е. количество различных правил кодообразования, по которым они могут быть сформированы. Это количество, в зависимости от к, определяется выражением

 (3.3)

где - функция Эйлера (количество чисел в ряду 1, 2, 3,., N-1, взаимно простых с числом N; N = Pk - 1).

Если N - простое число, то = N - 1.

Для нашего случая к=49. Будем считать, что N = 249 - 1 простое число

Тогда, согласно формуле (3.3)


Вероятность раскрытия структуры сигнала определяется по формуле


Несмотря на столь значительный ансамбль различных ПСП или возможных алгоритмов работы, этот генератор не обладает значительной скрытностью, так как для раскрытия алгоритма его работы достаточно проанализировать последовательно 2к символов ПСП, вырабатываемой генератором. В данном случае эта информация будет содержаться в параметрах двух последовательно излученных последовательностей импульсов

Следовательно, генератор ПСП с ЛОС практически не обладает структурной скрытностью, так как алгоритмы функционирования линейных ПСП широко известны. Таким образом полученное значение для Рстр. лос является нижней границей вероятности раскрытия при очень малых отношениях сигнал-шум. Верхняя граница будет зависеть от отношения сигнал-шум и при больших значениях близка к 1.

Лучшей структурной скрытностью обладает генератор ПСП с НОС. У такого генератора НОС жестко закреплены к выходам разрядов регистра сдвига. Количество не повторяющихся последовательностей, формируемых таким генератором, определяется формулой


где к=49, и, следовательно


В соответствии с этим вероятность раскрытия структуры сигнала будет определятся как


Из полученных результатов видно, что вероятность раскрытия структуры последовательности, формируемой таким генератором, значительно меньше, чем у линейных последовательностей. Поскольку алгоритмы формирования таких последовательностей также широко известны, то полученное значение для Pop нос является нижней границей вероятности раскрытия структуры сигнала, а верхняя граница будет зависеть от отношения сигнал/шум и при больших значениях будет такой же, как и у линейных последовательностей, т.е. близкой к 1.

Рассмотрим эффективность разработанного генератора ПСП. В данном генераторе увеличение числа не повторяющихся последовательностей достигается за счет применения НОС, которая не жестко закреплена к выходам регистра сдвига. В НОС задействованы все разряды регистра сдвига, кроме последнего. Их подключение происходит определенным образом согласно алгоритму формирования сигнала. В результате получается большое количество возможных последовательностей, определяемое формулой

 (3.4)

где k - количество разрядов регистра сдвига, k =49; i - количество разрядов, образующих HOC, i = (1,2,3,.48);


Qнос - количество неповторяющихся последовательностей, которые формируются генератором с НОС.

Подставив в формулу (7.4)  и , получим следующее количество формируемых генератором ПСП неповторяющихся последовательностей


Отсюда вероятность раскрытия структуры сигнала будет равна


Достижение такой структурной скрытности стало возможным за счет применения алгоритма функционирования, отличающегося от алгоритмов функционирования известных генераторов ПСП. Следовательно, полученное значение для Рстр. р. г. будет определять как верхнюю, так и нижнюю границы вероятности раскрытия структуры сигнала.

Таким образом, применение разработанного генератора опорной ПСД в проектируемой системе связи делает применяемый сигнал практически полностью недоступным для несанкционированного использования.

3.5 Разработка инструкции по технической эксплуатации


Инструкция по технической эксплуатации определяет объем, порядок и технологию выполнения проверок, необходимых регулировок терминала проектируемой системы связи, а также содержит указания по использованию одиночного и группового комплекта ЗИП и сведения об особенностях эксплуатации в условиях, отличных от нормальных.

В процессе обслуживания терминала категорически запрещается отсоединять кабели, снимать кожухи с блоков, заменять предохранители, сигнальные и индикаторные лампы, подключать измерительные приборы при включенном электропитании.

Обслуживание изделия включает работы по проверке его параметров перед установкой на диспетчерском пункте, после установки, проверки и осмотры при выполнении установленных форм обслуживания, работы по замене неисправных узлов и блоков.

Проверка включает в себя:

· включение;

· проверку работоспособности с помощью встроенной системы контроля;

· проверку работоспособности с помощью тест-контроля.

· проверку работоспособности путем установления двухсторонней связи с самолетным терминалом.

Встроенная система контроля осуществляет общий контроль функционирования блоков и основных функциональных узлов изделия после включения.

При тестовом контроле оценивается исправность всех блоков изделия. Он осуществляется переводом изделия в данный режим работы вручную диспетчером.

Проверка работоспособности путем установления двухсторонней связи позволяет оценить качество и оперативность связи.

5. Безопасность и экологичность


5.1 Охрана труда


Одним из неотъемлемых компонентов в обеспечении воздушного движения является система УВД, включающая в себя совокупность технических средств УВД, навигации, посадки и связи. Условия эксплуатации технических средств УВД, навигации, посадки и связи требуют высокой квалификации, ответственности и внимания обслуживающих их специалистов.

Служба ЭРТОС обеспечивает бесперебойную работу наземных средств радиолокации, радионавигации и связи, которыми в больших количествах насыщены современные аэропорты. Она является одним из важнейших подразделений в составе служб аэропортов, поскольку именно грамотное, своевременное техническое обслуживание данных средств и оперативность работы персонала ЭРТОС в существенной мере определяют безопасность воздушного движения.

Известно, что любое радиолокационное, радионавигационное оборудование и средства связи являются источниками электромагнитного излучения (ЭМИ) радиочастотного диапазона, эксплуатация которого сопряжена с риском для здоровья человека. Наличие сопутствующих неблагоприятных факторов производственной среды и трудового процесса также может привести к ухудшению здоровья работающих. Вместе с тем, не вызывает сомнений то факт, что условия труда основных структурных подразделений службы ЭРТОС отличаются большим своеобразием. Последнее обусловлено наличием на рабочих местах целого комплекса неблагоприятных факторов производственной среды и трудового процесса, создаваемых как обслуживаемыми радиотехническими средствами (электромагнитные излучения (ЭМИ) прежде всего СВЧ диапазона, а также ВЧ, УВЧ и промышленной частоты 50 Гц, шум, микроклиматические параметры и др.), так и собственно характером выполняемой работы (высокий уровень напряженности труда, связанный с большой ответственностью за обеспечение безопасности полетов).

Результаты гигиенических исследований свидетельствуют о том, что персонал службы ЭРТОС в процессе осуществления своей трудовой деятельности подвергается воздействию целого комплекса факторов производственной среды и трудового процесса. Ведущими среди физических факторов являются ЭМП широкого диапазона частот, а также шум и для ряда подразделений вибрация. Кроме того, для персонала, обслуживающего системы локации, навигации и связи важную роль играют микроклиматические параметры, особенно учитывая, что часть работ они проводят вне помещения на открытых территориях. Высокая личная ответственность за обеспечение безопасности полетов является дополнительным важным стрессирующим фактором

5.1.1 Анализ опасных и вредных производственных факторов

Основополагающими для сложного и достаточно емкого производственного процесса - технического обслуживания средств и систем авиационной радиосвязи аэропортов, в том числе и средств воздушной УКВ радиосвязи, являются отраслевые стандарты (ОСТ), которые конкретизируют требования безопасности при техническом обслуживании основных элементов и систем оборудования. В них сформулированы опасные и вредные производственные факторы, которые могут воздействовать на инженерно-технический персонал при выполнении технического обслуживания объектов наземного оборудования.

Разработанный в данном проекте терминал обладает достаточно высокой степенью безопасности, так как при его проектировании учитывались рекомендации для систем авиационного РЭО. При этом была применена современная элементная база, в том числе и в интегральном исполнении, а также схемотехнические решения, достаточно широко используемые и хорошо зарекомендовавшие себя на практике. Вместе с этим в составе терминала имеются функциональные узлы, представляющие собой определенную опасность с точки зрения возможности поражения электрическим током или электромагнитным полем высокой частоты.

Для предотвращения возникновения травм и профессиональных заболеваний, типичных для авиапредприятия, должен соблюдаться безопасный производственный процесс. Безопасность производственного процесса - это свойство производственного процесса сохранять соответствие требованиям безопасности труда в условиях, установленных нормативно-технической документацией.

К техническим причинам возникновения травм и профессиональных заболеваний относятся случаи, связанные с наличием в технологических процессах технического обслуживания и ремонта объектов радиоэлектронной аппаратуры отдельных опасных и вредных производственных факторов. Эти факторы возникают и проявляются в результате конструктивных недостатков производственных процессов и производственного оборудования (например, неудовлетворительное состояние предохранительных устройств, предотвращающих опасность применения неисправного оборудования, инструментов и приспособлений).

К организационным причинам относятся:

·        неудовлетворительная организация труда на рабочих местах;

·        неудовлетворительная организация контроля за соблюдением правил

·        техники безопасности;

·        нерациональное размещение производственного оборудования;

·        неудовлетворительная организация цехового инструментального хозяйства;

·        некачественный инструктаж на рабочем месте;

·        несоблюдение инструкции по безопасному выполнению технологических процессов и использованию производственного оборудования и т.д.

При обслуживании проектируемого терминала к опасным и вредным производственным факторам согласно ГОСТ 12.0.003-74 и ОСТ 54 71001-82 следует отнести:

·        повышенный уровень напряжения в электрических цепях передатчика, замыкание которых может произойти через тело человека;

·        повышенная или пониженная температура, влажность в зоне технического обслуживания блоков терминала;

·        недостаточная освещенность рабочей зоны при обслуживании узлов и блоков, ограниченные объемы помещения в месте размещения блоков.

Эксплуатация терминала и его ремонт должны осуществляться инженерно-техническим составом службы ЭРТОС, имеющим специальную подготовку и допуск (сертификат) к работе на данном виде техники, прошедшем инструктаж по охране труда. Порядок проведения инструктажа на авиапредприятиях регламентирован ГОСТ 12.0.004-90.

Обслуживание терминала должно производиться в соответствии с руководящими документами, регламентирующими порядок эксплуатации средств радиотехнического обеспечения полетов.

Проектируемая перспективная система радиосвязи работает в верхней части диапазона частот, выделенного для средств УКВ радиосвязи ГА (950 - 1015 МГц), причем передатчик наземного терминала обладает достаточно высокой мощностью. Поэтому при техническом обслуживании антенной системы необходимо предусматривать меры защиты обслуживающего персонала от длительного воздействия электромагнитного излучения.

Воздействие электромагнитного излучения на организм человека проявляется в виде теплового эффекта, что повышает температуру тела и приводит к местному перегреву отдельных его участков и органов.

Длительное систематическое воздействие электромагнитных полей радиочастот на организм человека может привести к функциональным расстройствам в центральной нервной системе, что выражается в жалобах на головную боль, нарушении сна, повышенной утомляемости.

Среди технических мер защиты от воздействия радиоизлучений наиболее широко распространен метод защиты расстоянием, т.е. организацией зон, обеспечивающих безопасное нахождение за их пределами обслуживающего персонала и населения.

Предельно допустимые значения интенсивности облучения на рабочих местах персонала, осуществляющего работы с источниками электромагнитных полей в диапазонах частот 60 кГц - 300 ГГц, установлены производственными стандартами ГОСТ 12.1.006-84.

Предельно допустимые значения плотности потока энергии высокочастотного электромагнитного поля в диапазоне частот 300 МГц - 300 ГГц определяются исходя из допустимой энергетической нагрузки на организм с учетом времени воздействия согласно выражению = vЭТ, где vэ - суммарный поток энергии; Т - время действия в часах.

Нормативно предельно допустимая энергетическая нагрузка для разработанного устройства равна 0,75 Вт ч/м.

5.1.2 Мероприятия по технике безопасности

Предотвращение поражения электрическим током осуществляется с помощью следующих мероприятий:

·        соединение блоков терминала с шиной заземления;

·        блок передатчика терминала, помимо защитного кожуха, имеет дополнительную крышку с надписью "Опасно! Высокое напряжение", предотвращающей случайное прикосновение к токоведущим частям;

·        печатные платы покрыты лаком ЭП-730, создающим изоляционную пленку.

·        изделие защищено по питанию 220 В 50 Гц и 27 В предохранителями типа СП-1.

При длительной непрерывной работе элементов схемы, прежде всего передающей части, возможен их значительный нагрев, что может привести к возгоранию.

Для нормальной и безопасной работы узлов и блоков терминала предназначена система их принудительного охлаждения потоком воздуха.

В процессе работы, особенно в условиях пониженной влажности в помещении, возможна электризация элементов из-за трения о воздух.

Для защиты от статического электричества элементы конструкции терминала и его блоки соединены металлизацией с шиной заземления.

Выбор элементной базы с точки зрения электробезопасности осуществлен таким образом, что применены элементы, имеющие запас по мощности рассеивания, превышающий рабочую мощность в 1,5.2 раза. Резисторы выбраны по номинальной мощности рассеивания.

При этом напряжение на резисторах не должно превышать напряжения, определяющего их электрическую прочность.


Отсюда

Рном = u2 /R

Выбор сечения применяемых монтажных проводов производится на основе рассчитанного значения потребляемой мощности как произведения напряжения питания на максимальный ток.

Тогда при условии, что GT = 10 А/мин, площадь сечения монтажных проводов будет равна

S> 0,7/10 = 0,07 мм2.

Исходя из этого для монтажа функциональных узлов принципиальной схемы выбран монтажный провод типа МГШВ сечением 0,35 мм2.

Для снижения опасности поражения электрическим током применять, как уже указывалось, заземление. При этом необходимо, чтобы сопротивление заземления было достаточно малым (3-4 Ом). Таким образом, соединяя корпус электроустановки с землей, можно снизить напряжение, прикладываемое к человеку до такой величины, при которой ток, протекающий через него, не Представляет смертельной опасности.

Рассчитаем требуемое сопротивление заземления для обеспечения безопасности выполнения работ с терминалом в условиях диспетчерского пункта.

Пусть сопротивление тела человека составляет Rч = 1000 Ом. Напряжение, под которым может оказаться специалист Uч =220 В, сопротивление изоляции rиз = 6000 Ом, безопасный для здоровья ток Iч = 0,3 мА.

После подстановки в расчетную формулу данных значений получим


Для обеспечения заземления используются естественные и искусственные заземлители. В качестве искусственных заземлителей используют шины заземления, которые подсоединяются к металлическим стержням, заглубляемым в землю. В соответствии с "Правилами устройства электроустановок" сопротивление заземления электроустановок напряжением до 1000 В в сетях с небольшой протяженностью должно быть не более 4 Ом.

Трубчатый или стержневой заземлитель, забитый в землю на глубину t0 > 0,5 м, обладает сопротивлением


гдеt - глубина заложения от поверхности до середины заземлителя, примем t = 1м; l - длина стержня, примем l = 100 см; d - диаметр стержня, примем d= 5 см; ρ - удельное сопротивление грунта, примем ρ = 104 (суглинок). После подстановки данных в формулу, получим


Полученное значение сопротивления превышает требуемое значение. Следовательно, увеличить длину стержня, примерно в 4 раза, т.е. его длина должна составлять 400 см.

5.1.3 Мероприятия производственной санитарии

Показатели микроклимата воздуха рабочей зоны при обслуживании изделия - температура, относительная влажность, интенсивность теплового излучения должны соответствовать "Санитарным нормам микроклимата в производственных помещениях".

Производственное освещение также является одним из факторов, определяющих благоприятные условия труда.

Влияние электромагнитных частот на организм человека определяется согласно ГОСТ 12.1.006-84ССБТ. В нашем случае частота излучения передатчика терминала, лежащая в диапазоне 950 - 1015 МГц, определяет предельно допустимое значение плотности потока энергии. Она не должна превышать следующего воздействия на персонал:

в течение рабочего дня - 1 Вт/м2;

Вт/м - не более двух часов за рабочий день.

Важным элементом производственной санитарии является обеспечение требований по освещенности рабочего места. Свет является естественным условием жизни человека, необходимым для сохранения здоровья и высокой производительности труда.

В производственных помещениях используется 3 вида освещения:

·        естественное (источником его является Солнце);

·        искусственное (когда используются только искусственные источники света);

·        совмещенное или смешанное (характеризуется одновременным сочетанием естественного и искусственного освещения).

Совмещенное освещение применяется в том случае, когда только естественное освещение не может обеспечить необходимые условия для выполнения производственных операций.

Действующими строительными нормами и правилами предусмотрены две системы искусственного освещения: система общего освещения и комбинированного освещения.

В производственных помещениях используются следующие виды естественного освещения:

боковое - через светопроемы (окна) в наружных стенах;

верхнее - через световые фонари в перекрытиях; комбинированное - через световые фонари и окна.

В зданиях с недостаточным естественным освещением применяют совмещенное освещение - сочетание естественного и искусственного света. Искусственное освещение в системе совмещенного может функционировать постоянно (в зонах с недостаточным естественным освещением) или включаться с наступлением сумерек.

Искусственное освещение на промышленных предприятиях осуществляется лампами накаливания и газоразрядными лампами, которые являются источниками искусственного света.

В производственных помещениях применяются общее и местное освещение. Общее - для освещения всего помещения, местное (в системе комбинированного) - для увеличения освещения только рабочих поверхностей или отдельных частей оборудования.

С точки зрения гигиены труда основной светотехнической характеристикой является освещенность (Е), которая представляет собой распределение светового потока (Ф) на поверхности площадью (S) и может быть выражена формулой Е=Ф/S.

Световой поток (Ф) - мощность лучистой энергии, оцениваемая по производимому ею зрительному ощущению. Измеряется в люменах (лм).

В физиологии зрительного восприятия важное значение придается не падающему потоку, а уровню яркости освещаемых производственных и других объектов, которая отражается от освещаемой поверхности в направлении глаза. Зрительное восприятие определяется не освещенностью, а яркостью, под которой понимают характеристику светящихся тел, равную отношению силы света в каком-либо направлении к площади проекции светящейся поверхности на плоскость, перпендикулярную к этому направлению. Яркость измеряется в Кд/м. Яркость освещенных поверхностей зависит от их световых свойств, степени освещенности и угла, под которым поверхность рассматривается.

Сила света - световой поток, распространяющийся внутри телесного угла, равного 1 стерадиану. Единица силы света - кандела (кд).

Необходимые уровни освещенности нормируются в соответствии со СНиП 23-05-95 "Естественное и искусственное освещение" в зависимости от точности выполняемых производственных операций, световых свойств рабочей поверхности и рассматриваемой детали, системы освещения.

К гигиеническим требованиям, отражающим качество производственного освещения, относятся:

·        равномерное распределение яркостей в поле зрения и ограничение теней;

·        ограничение прямой и отраженной блесткости;

·        ограничение или устранение колебаний светового потока.

Равномерное распределение яркости в поле зрения имеет важное значение для поддержания работоспособности человека. Если в поле зрения постоянно находятся поверхности, значительно отличающиеся по яркости (освещенности), то при переводе взгляда с ярко - на слабоосвещенную поверхность глаз вынужден переадаптироваться. Частая переадаптация ведет к развитию утомления зрения и затрудняет выполнение производственных операций.

Степень неравномерности определяется коэффициентом неравномерности

отношением максимальной освещенности к минимальной. Чем выше точность работ, тем меньше должен быть коэффициент неравномерности.

Чрезмерная слепящая яркость (блесткость) - свойство светящихся поверхностей с повышенной яркостью нарушать условия комфортного зрения, ухудшать контрастную чувствительность или оказывать одновременно оба эти действия.

Светильники - источники света, заключенные в арматуру, - предназначены для правильного распределения светового потока и защиты глаз от чрезмерной яркости источника света. Арматура защищает источник света от механических повреждений, а также дыма, пыли, копоти, влаги, обеспечивает крепление и подключение к источнику питания.

По светораспределению светильники подразделяются на светильники прямого, рассеянного и отраженного света. Светильники прямого света более 80% светового потока направляют в нижнюю полусферу за счет внутренней отражающей эмалевой поверхности. Светильники рассеянного света излучают световой поток в обе полусферы: одни - 40-60% светового потока вниз, другие - 60-80% вверх. Светильники отраженного света более 80% светового потока направляют вверх на потолок, а отражаемый от него свет направляется вниз в рабочую зону.

С помощью соответствующего размещения светильников в объеме рабочего помещения создается система освещения. Общее освещение может быть равномерным или локализованным. Общее размещение светильников для создания рациональной освещенности производят при выполнении однотипных работ по всему помещению, при большой плотности рабочих мест. Общее локализованное освещение предусматривается для обеспечения на ряде рабочих мест освещенности в заданной плоскости, когда около каждого из них устанавливается дополнительный светильник (например, кососвет), а также при выполнении на участках цеха различных по характеру работ или при наличии затеняющего оборудования.

Местное освещение предназначено для освещения рабочей поверхности и может быть стационарным и переносным, для него чаще применяются лампы накаливания, так как люминисцентные лампы могут вызвать стробоскопический эффект.

Аварийное освещение устраивается в производственных помещениях и на открытой территории для временного продолжения работ в случае аварийного отключения рабочего освещения (общей сети). Оно должно обеспечивать не менее 5% освещенности от нормируемой при системе общего освещения.

5.1.4 Мероприятия пожарной и взрывной безопасности

Пожарная опасность блока передатчика терминала может быть обусловлена образованием искр, электрической дуги, перегревом токоведущих частей и т.д. Опасными факторами пожара для людей являются: открытый огонь, повышенная температура окружающей среды и предметов, токсичные продукты горения, дым. Для предотвращения перегрузок по питающему напряжению применена защита с помощью предохранителей. Расчет предохранителя выполняется по следующей формуле


где  - номинальный ток;  - ток на который рассчитан предохранитель.

Мощность, потребляемая передатчиком по цепи питания 220В 50Гц не превышает 150 ВА, по цепи питания 27В - 100ВА. Тогда получим


Исключение больших переходных сопротивлений контактов и соединений достигается применением штепсельных разъемов с посеребреными контактами типа СНО-53.

Поддержание определенного уровня температуры блоков терминала осуществляется путем применения обдува. Для этого корпуса нагруженных в тепловом плане блоков имеет профилированные участки, занимающие до 30% от площади корпуса. Дополнительно к этому печатные платы выполнены электромеханическим способом из стеклотекстолита. Характер его горения - самозатухание, толщина и ширина токоведущих панелей рассчитана в соответствии с протекающим по ним током.

К эксплуатации терминала допускаются лица инженерно-технического состава, изучившие данное изделие и сдавшие зачет по технике безопасности.

Необходимо строго следить за надежностью креплений металлизации к корпусу прибора.

Предохранители в цепи защиты должны соответствовать номиналу.

Все работы по осмотру и обслуживанию изделия производить согласно инструкции по технической эксплуатации.

После демонтажа блоков изделия все открытые разъемы должны быть заглушены.

В случае возникновения пожара немедленно отключить питание и тушить огонь огнетушителем ОУ-2 из бортового комплекта.

5.2 Экологичность проекта


Аэропорты ГА, насыщенные различной радиоэлектронной аппаратурой, излучают потоки электромагнитной энергии, которая воздействует на работников аэропорта, а также на население, проживающее в непосредственной близости от этих объектов. Опасность создаваемых электромагнитных полей заключается в том, что средства, излучающие электромагнитную энергию, установлены на небольших по размерам территориях.

Медико-биологическими исследованиями установлено, что степень воздействия ЭМП на человека зависит от диапазона частот поля, интенсивности и характера излучения и продолжительности воздействия.

Передающие радиоцентры мощностью более 100 кВт необходимо размещать вне населенных пунктов. Их территории должны быть огорожены.

Передатчик проектируемого терминала имеет мощность 1000 Вт и к данным объектам не относится.

В процессе работы терминала имеет место излучение в пространство электромагнитной энергии, что увеличивает общий радиофон Земли, внося изменения в экологический фактор электромагнитной биосферы. Таким образом, проектируемый терминал является искусственным источником электромагнитной биосферы.

Существенная особенность такого источника в отличие от природных состоит в высокой когерентности (частотной и фазовой стабильности) и большой концентрации энергии в рабочем спектре радиочастот. Известно, что электромагнитные поля радиочастот являются мощным физическим разрушителем, который может вызвать значительные функциональные и органические изменения в организме человека. При комбинированном воздействии ЭМП с другими неблагоприятными факторами окружающей среды отмечаются дезактирующее действие радиоволн - снижение приспособляемости организма к другим видам воздействия, в частности к шуму, рентгеновскому излучению, тепловому воздействию.

Влияние электромагнитных излучений зависит не только от напряженности поля и времени его действия, но и от частоты радиоволн. С повышением частоты биологическое воздействие поля становится более выраженным.

При эксплуатации проектируемой системы связи в силу различных причин возможен выход из строя отдельных элементов схем терминалов и их конструкции. Эффективным способом борьбы с загрязнением окружающей среды является создание производств с замкнутыми технологическими циклами. Этот путь организации производства предполагает использование отходов (например, вышедших из строя микросхем, резисторов, конденсаторов и других элементов) в качестве сырья для другого производства. В настоящее время с помощью новых технологических процессов вышедшие из строя элементы РЭО перерабатываются и используются далее для других технологических процессов.

6. Экономическое обоснование


6.1 Назначение проекта


В дипломном проекте разработан генератор ПСП, являющийся составной частью терминала перспективной системы воздушной УКВ радиосвязи. Его применение обеспечит повышение помехоустойчивости системы связи.

Для оценки экономической эффективности проекта рассчитаем:

· производственные затраты;

· эксплуатационные затраты;

· показатели оценки эффективности инвестиций.

6.2 Производственные затраты


Определим производственные затраты на изготовление одного изделия. Производственные затраты на создание одного генератора ПСП (себестоимость) равны сумме связанных с этим процессом всех видов издержек (затрат)

Спрмирксто

где: Сми - материальные издержки; Ср - издержки на оплату труда персонала; Ск - калькуляционные издержки; Ссто - издержки на оплату услуг сторонних организаций.

6.2.1 Материальные издержки

Материальные издержки, связанные с изготовлением генератора ПСП, определяются выражением

Сми„=Смп

где См = Смо + Смв + Смт - стоимость материалов;

Смо - стоимость основных материалов;

Смв - стоимость вспомогательных материалов;

Смт - стоимость технологических материалов;

Сп - стоимость покупных изделий.

6.2.2 Стоимость материалов

Расчёт стоимости материалов, идущих на изготовление одного генератора ПСП, приведен в таблице 6.1.

Таблица 6.1

Наименование материала

Единицы

Норма расхода

Потери (отходы), %

Оптовая цена, руб.

Затраты на единицу продукции, руб.

Индекс роста стоимости

Затраты на единицу продукции, руб.

Основные материалы

Стеклотекстолит

кг

0,1

10

25

2,75

1,5

4,1

Провод МГШВ

м

4

5

5

21

1,3

27,3

Вспомогательные материалы

Смо = 31,4

 


Припой ПОС-61

кг

0,2

2

25

5.5

1,5

8.2

Канифоль

кг

0,05

5

17

0,9

1,6

1,4

Спирт

л

0,1

10

25

2,75

1,2

3,3

Лак

л

од

10

12

1,32

1,3

1,72

Производственные материалы

Смв=14.7

Электроэнергия

КВТ

10

10

0,5

5,50

1,5

8,25

Сжатый воздух

м5

3

10

од

0,33

1,5

0,50







Смт = 8,75

Итого:

54,9


С учётом инфляции и индексов роста цен на отдельные материалы суммарная стоимость материалов равна

Сммтмвмо=55 руб.

6.2.3 Стоимость покупных комплектующих изделий

Расчёт стоимости покупных комплектующих изделий приведен в табл.6.2.

Таблица 6.2

Наименование

Тип

Кол-во, шт.

Цена за единицу, руб.

Сумма, руб.

Микросхема

1533ИР8

7

5,00

35,00

Микросхема

1533ЛН1

6

2,00

12.0

Микросхема

1533ЛИ2

25

1,5

37,50

Микросхема

1533 ЛИЗ

6

1,5

9.0

Микросхема

1533ЛП5

13

1,5

19,5

Соединительный разъем

ГРПМ-9

1

10.00

10.00


Итого Сп= 123


С учетом прогноза роста цен на покупные комплектующие к концу года индекс составит равен 1,5, поэтому с его учётом суммарные расходы на покупные изделия будут

Сп=123· 1,5 = 184 руб.

На основании данных таблиц 6.1 и 6.2 рассчитываем суммарные материальные издержки

Сми = См + Сп = 55 + 184 = 240 руб.

6.3 Издержки на оплату труда персонала


Издержки на оплату труда персонала, принимающего участие в обслуживании:

Сроди

где: С0 = Ст + Сдо + Снб = 1,3 Ст основная заработная плата;

Ст - тарифная заработная плата;

Сдо - периодические доплаты;

СНб - постоянные надбавки;

Сди = Ссц+ Сст + Сп = 0,55С0 - дополнительные издержки;

Ссц - законодательные социальные издержки;

Сст - социальные издержки согласно тарифному соглашению;

Сп - прочие издержки.

В табл.6.3 приведён расчёт тарифной заработной платы производственных рабочих за выполнение технологических операций.

Таблица 6.3

Виды работ

Средний разряд

Часовая ставка, руб/ч

Трудоёмкость чел. /час

Сумма, руб

Заготовительные

3

1,5

2.0

3

Контрольные

2

12

1

12

Маркировочные

2

10

0,5

5

Настроечные

4

9

3

27

Радиомонтажные

3

8

112

Сборочные

3

15

2

30

Сверлильные

3

9

0,5

4,50

Слесарные

3

7

1

7




Итого: 200,5 руб.


Согласно методике расчетов прогноз роста индекса заработной платы в год составляет 1,25 раза. Поэтому суммарные расходы на оплату труда в конце года будут равны:

Ст = 200,5 - 1,25 = 251 руб.

Алгоритм модели и результаты расчёта суммарных издержек на оплату труда персонала приведены в табл.6.4.

Таблица 6.4

Статья затрат

Условное обозначение

Расчётная модель

Расчётная величина

1. Тарифная заработная плата

ст

табл.9.3

251

2, Доплаты персоналу

Сдо

0,25Ст

63

3. Надбавки (пост)

Снб

0,05Ст

12,55

4. Основная заработная плата

Со

Стдонб

327

5. Социальные издержки, согласно законодательству

Ссц

0,33Со

108

5. Социальные издержки, согласно тарифного соглашения

Сст

0,17Со

55,4

7. Прочие издержки

Сп

0,05Со

16,4

8. Дополнительные издержки

Сди

Ссцстп= =0,55Со

180

9. Суммарные издержки

Ср

Соди=1,55Со

507


Таким образом, суммарные издержки по оплате труда персонала равны:

Сроди=327+180=507руб.

6.4 Калькуляционные издержки


Калькуляционные издержки определяются выражением:

Скамкпкр

где: Сам - амортизационные отчисления;

Скп - калькуляционные проценты;

Скр - калькуляционный риск.

Учитывая, что Со=327 руб., определим калькуляционные издержки (см. табл.6.5.)

Таблица 6.5

Статья затрат

Условное обозначение

Расчетная модель

Расчетная величина

Амортизационные отчисления

Сам

Сам=0,35Со

114

Калькуляционные проценты

Скп

Скп=0,25Со

82

Калькуляционный риск

Скр

Скр=0,75Со

245

Калькуляционные издержки

Ск

Скамкпк

441


Таким образом с учётом инфляции, роста тарифов и зарплаты калькуляционные издержки составляют Ск = 441 руб.

6.5 Издержки на оплату услуг сторонних организаций


Сумма выплат за услуги сторонних организаций может быть определена на основании выражения

Ссто = Снрвноптама

 

где Снр - расходы на НИР и ОКР;

Свн - внепроизводственные расходы;

Соп - операционные издержки;

Ста - торгово-административные издержки;

Сма - маркетинговые издержки.

Расчёт издержек на оплату услуг сторонних организаций приведён в таблице 6.6.

Таблица 6.6

Статья затрат

Условное обозначение

Расчетная модель

Расчетная величина

1. Расходы на НИР и ОКР

Снр

0,15Со

49

2. Внепроизводственные расходы

Свн

0,5Ст

126

3. Операционные издержки

Соп

0,4Со

130,8

4. Торгово-административные издержки

Ста

0,3Со

98,1

5. Маркетинговые издержки

Сма

0,45Ст

113

6. Цеховые издержки

Сц

0,25Со

81,75

7. Общезаводские издержки

Соз

0,25Со

81,75

8. Оплата услуг сторонних организаций

Ссто

Снр+ Свн+ Соп+ + Ста+ Сма

680


Таким образом, расчётное значение услуг сторонних организаций

Ссто=680руб.

6.6 Стоимость реализации проекта


Стоимость реализации проекта определяется как сумма составляющих статей калькуляции, рассчитанных выше, и составляет

Спр = Сми + Ср + Ск + Ссто = 240 + 507 + 441 + 680 = 1868 руб.

6.7 Цена изделия


Устанавливаемая заводом-изготовителем минимально возможная цена определяется из выражения

Ци min = Спр + Нпр + Ндс,

где Спр =1868 руб. - себестоимость проекта;

Нпр - минимальная норма прибыли завода-изготовителя (0.15Спр);

Нпр = 0.15-"1868 =280 руб.

Ндс - налог на добавленную стоимость;

Ндс = 0.2 (Спр + Нпр) = 0.2 (1868 +280) = 430 руб.

При этом цена изделия составит

Ци = 1868 + 280 + 430 = 2578 руб.

6.8 Инвестиции, необходимые для реализации проекта


Инвестиции (Инв), необходимые для реализации проекта, вычисляются по формуле

Инв = Ци + Ст +См + Сзч + Ссз,

где: Ст - стоимость транспортировки изделия к месту эксплуатации в ГА в зависимости от удаленности завода от авиапредприятия, примем Ст = 0.15 Ци = 387 руб;

См - стоимость монтажа на месте эксплуатации, примем См = 0.2 Ци = 515 руб. Сзч - стоимость запасных частей, примем Сзч = 0.5 Ци = 1289 руб.;

Ссз - прочие сопряженные инвестиции, примем Ссз = 0.1 Ци = 258 руб.

С учетом произведенных расчетов необходимые для реализации проекта инвестиции составят

Инв = 2578 + 387 + 515 + 1289 + 258 = 5027 руб.

6.9 Эксплуатационные расходы


В общем случае эксплуатационные расходы можно определить на основании выражения

Сэ = Сзп + Сам + Сто + Сэл + Спр,

где Сзп - расходы на оплату труда обслуживающего персонала;

Сам - амортизационные отчисления;

Сто - затраты на ТОиР;

Сэл - стоимость расходуемой электроэнергии;

Спр - прочие расходы.

6.9.1 Издержки на оплату труда персонала

Для расчета суммарных издержек на оплату труда персонала используем формулу

Сзп=1.55ΣСок,

где Сок - оклад обслуживающих изделие специалистов.

Для обслуживания изделия в процессе эксплуатации достаточно располагать одним специалистом с окладом Сок = 750 руб. Тогда суммарные издержки на оплату труда составят

Сзп =1.55· 750 =1165 руб.

6.9.2 Амортизационные отчисления

Для бортового оборудования норма амортизации на реновацию вычисляется в тыс. руб. на час наработки аппаратуры по формуле:

Сам = Ци W4 /Тпр,

где Тпр - амортизационный срок службы изделия, час;

W4 - годовая наработка аппаратуры.

В нашем случае W4 = 5475 час (при среднесуточной наработке аппаратуры 15 час); Тпр = 6000 час.

Тогда получим

Сам = 2578 - 5475/6000 = 2352 руб

6.9.3 Затраты на техническое обслуживание и ремонт

В соответствии с рекомендациями затраты на ТОиР рекомендуется брать в пределах (0.1-0.15) Ци, что в нашем случае составляет

Сто = 0.1Ци=258руб.

6.9.4 Расходы на электроэнергию

Расходы на электроэнергию для проектируемой системы радиосвязи примем равными О,1 Ци, что составит 257 руб.

6.9.5 Прочие расходы

Прочие расходы включают в себя стоимость различных материалов, потребляемых в процессе эксплуатации и согласно рекомендациям составляют 0.5-1%отЦи.

В нашем случае получим

Спр =0,01Ци = 26руб.

Таким образом, смета эксплуатационных расходов составит:

Сэ= 1165 +2352 + 258 + 257 + 26 = 4060 руб.

6.10 Потоки денежных поступлений и выплат


Результатом реализации проекта являются потоки денежных поступлений (ПДП) и потоки денежных выплат (ПДВ), исходя из которых определяются показатели экономической оценки эффективности инвестиций.

В нашем случае источником ПДП является повышение качества решения задач УВД за счет повышения надежности каналов УКВ радиосвязи.

Пусть годовая экономия от внедрения проектируемой системы радиосвязи составит 27% от сметы общих эксплуатационных расходов на создание генератора ПСП. Тогда при ежегодной годовой экономии Гэ = 0.27 Сэ = 1100 руб и отсутствии дополнительных денежных поступлений, денежные поступления в 1-й год эксплуатации системы составят CF (1) =1100 руб.

Ежегодные денежные поступления в последующие годы эксплуатации системы радиосвязи без учета инфляции, изменения ценности денег, повышения окладов, тарифов и прочих цен также составят 1100 руб.

Состояние экономики страны позволяет полагать, что из-за инфляционных факторов будет продолжаться рост цен, тарифов и окладов, учитываемый коэффициентом Кг = 1,5 для 1 и 2 года, Кг = 1,45 для 3 и 4 года и Кг = 1,4 для 5-го года с начала эксплуатации. С учетом Кг прогноз объемов ПДП на период в ближайшие 5 лет с начала эксплуатации разработанной системы радиосвязи примет вид:

Время t

CFc (t)

DCF (t)



E=0

E=0.30

1

1100

1650

1269

2

1100

2475

1465

3

1100

3589

1634

4

1100

5204

1822

5

1100

7285

1962


Кроме инфляции, на эффективность инвестиций оказывают влияние факторы, под действием которых из года в год меняется ценность стоимостей потока денежных поступлений CF (t). Для приведения CF (t) к году инвестирования капитала в проект осуществляется дисконтирование ПДП CF (t).

При этом используется формула

DCF (t) = CF (t) / (l+E) t,

где Е - норма дисконта, ориентиром для которой служит депозитный процент РК%, под который можно получить кредит в относительно твердой валюте, DCF (t) - дисконтированная стоимость денежного потока CF (t). В результате для Е=0.30 получим:

DCF (t=l) = CF (t=l) / (1 + 0.3) =1269руб. DCF (t=2) = CF (t=2) / (1 + 0.3) 2 = 1465 руб. DCF (t=3) = CF (t=3) / (1 + 0.3) 3 = 1634 руб. DCF (t=4) = CF (t=4) / (1 + 0.3) 4=1822руб. DCF (t=5) = CF (t=5) / (1 +0.3) 5 = 1962 руб.

По аналогичной методике рассчитываются потоки дисконтированных денежных выплат DPF (t), которые формируются из эксплуатационных расходов.

Получим:

Время t

PFc (t)

DPF (t)

 

 

Е=0

Е=0.30

1

3667

5500

4231

2

3667

8251

6347

3

3667

11964

9203

4

3667

17347

13344

5

3667

24286

18682


6.11 Расчет показателей оценки эффективности инвестиций


6.11.1 Срок окупаемости инвестиций

Срок окупаемости - это время, необходимое для возмещения первоначальных инвестиций Инв = 5027 руб. за счет поступлений денежных средств, получаемых в результате реализации проекта путем экономии на расходах.

Так как Cfc (t) = 1100 руб, то в результате получим

1ок = 5027/1100 = 4,57 года.

Дисконтированный срок окупаемости:

для Е=0 1ок =2 + (5027 - 1650 - 2475) 73589 = 2 + 0.25 = 2.25 года;

для Е=0.30 toK = 3 + (5027 - 1269 - 1465 - 1634) 7 1822 = 3 + 0.36 = 3.36 года.

6.11.2 Чистый дисконтированный доход

Чистый дисконтированный доход (ЧДД) определяется по формуле

ЧДД=Σ (Rt - 3t) (1+Е) t= ΣDCF (t) - Инв

Индекс доходности определяется отношением суммы приведенных ектов к величине инвестиций и равен

ИД =Σ (Rt - Зt) (1+Е) t / Инв = ΣDCF (t) / Инв.

Результаты расчетов представим в виде таблицы.

t, год

ЧДД (Е=0)

ЧДД (Е=30)

ИД (Е=0)

ИД (Е=30)

1

-

-

0.35

0.27

2

-

-

0.87

0.57

3

3211


1.62

0,92

4

8415

1687

2.71

1.3

5

15700

3649

4.24

1.71


Полученные результаты для ЧДД (>0) и ИД (>1) через три года эксплуатации говорят об экономической целесообразности реализации предлагаемого генератора ПСП.

Таким образом в результате проведенных расчетов получены следующие экономические показатели:

· цена изделия - 2578 руб.

· инвестиции - 5027 руб.

срок окупаемости - 2.25года (для Е=0) и 3,36 года (для Е=0,30).

7. Безопасность полетов


Современная наука определяет безопасность полетов как комплексную характеристику воздушного транспорта и авиационных работ, способность выполнять полеты без угрозы для жизни и здоровья людей. На нее влияют различные факторы, от которых зависит качество функционирования авиационно-транспортной системы.

Проблема обеспечения безопасности полетов в практике всех авиакомпаний мира за последнее время не утратила своей актуальности. Основными причинами этого являются:

·        повышение интенсивности воздушного движения, что приводит к увеличению числа ЛА, находящихся в ограниченной размерами области воздушного пространства;

·        постоянное усложнение конструкции ЛА и их бортовых систем авионики, состоящих из большого числа блоков, узлов и элементов. Статистика ИКАО показывает, что около 20.30% всех авиационных происшествий происходит из-за отказов и неисправностей авиационной техники;

·        усложнение систем и средств наземного обеспечения полетов;

·        усложнение и интенсификация процесса обслуживания авиационной техники в аэропортах;

·        рост влияния "человеческого фактора" на качество обслуживания авиационной техники в аэропортах.

Для обеспечения безопасности полетов необходимо объективно оценить все причины инцидентов и авиационных происшествий, связанных с отказами авиационной техники, ошибками личного состава и неблагоприятными условиями полёта, степень опасности последствий и на этой основе выявить конструктивно-производственные недостатки авиационной техники, обуславливающие низкую надёжность отдельных систем самолёта, недостатки в подготовке лётного и технического состава, в организации технической эксплуатации авиационной техники, недостатки в обеспечении взаимодействия экипажей ЛА и служб управления воздушным движением.

Обеспечение безопасной работы авиационной техники в авиапредприятиях возлагается как на инженерно-технический состав авиационно-технических баз, который обязан полностью поддерживать летную годность эксплуатируемых самолетов и вертолетов, так и на службы наземного обеспечения полетов и организации перевозок, так как от их взаимодействия зависят такие характеристики, как оперативность обслуживания авиатехники при подготовках к полетам, регулярность воздушного движения и т.д., т.е. показатели, оказывающие влияние на безопасность полетов.

Одним из основных факторов в обеспечении безопасности воздушного движения является четкий и постоянный контроль за самолетами и вертолетами в воздушном пространстве, своевременное и надежное управление ими. С этой целью применяются разнообразные средства радиосвязи, использующие различные диапазоны радиоволн, прежде всего ультракоротковолновый (УКВ) и коротковолновый (KB).

Средства радиосвязи УКВ диапазона, обладая высокой пропускной способностью, обеспечивают устойчивую и бесперебойную связь между самолетами и наземными пунктами управления воздушным движением в пределах прямой видимости, что обусловлено особенностями распространения радиоволн. Однако повышение интенсивности воздушного движения приводит к увеличению числа самолетов в ограниченном объеме воздушного пространства, что неблагоприятно сказывается на качестве радиосвязи, так как возрастает вероятность ее нарушения из-за воздействия взаимных помех от работающих абонентов. Кроме этого, возрастают требования к качеству и достоверности передачи информации в авиационных каналах радиосвязи, а в последние годы, в связи с опасностью проведения террористических актов - и к скрытности авиационных каналов радиосвязи.

Таким образом, можно заключить, что качество функционирования каналов авиационной радиосвязи непосредственно влияет на оперативность и надежность управления самолетами в воздухе, а следовательно, и на безопасность полетов.

В разработанном дипломном проекте предложена перспективная система радиосвязи, обладающая повышенной помехоустойчивостью благодаря использованию современных видов сигналов, методов их формирования, передачи, приема и обработки, что позволит увеличить надежность и помехозащищенность каналов связи, а соответственно надежность и эффективность связи между наземными пунктами управления и экипажами самолетов. При этом обеспечивается, благодаря перечисленным достоинствам проектируемой системы, и более высокий уровень безопасности полетов.

Заключение


В результате дипломного проектирования предложена перспективная система авиационной УКВ радиосвязи. Произведено обоснование и расчет функциональной и принципиальной схем генератора псевдослучайной последовательности - устройства, являющегося одним из основных в трактах как формирования, так и демодуляции широкополосного сигнала.

На основе известных методик оценены надежность и ряд других эксплуатационно-технических характеристик проектируемого устройства. Это позволяет сделать вывод о целесообразности его практического использования

Список использованных источников


1.       Варакин Л.Е. Системы связи с ШПС. М.: Радио и связь. 2005.

2.       Зарубежная радиоэлектроника, №5, 2008.

.        Методы подавления помех в системах радиосвязи с ШПС. ТИИЭР, №6, 2008, т.76.

.        Цифровые и аналоговые интегральные микросхемы. Справочник. М.: Радио и связь, 2009.

.        Логические ИС серий 1533 и 1554. Справочник. "Бином", 1993.

.        Справочник по расчету надежности. М.: Сов. радио, 1975

.        Тихонов В.И., Харисов В.Н. Статистический анализ и синтез радиотехнических устройств и систем. М.: Радио и связь, 2007.

.        Бородин В.Т. Управление полетом самолетов и вертолетов. М.: Машиностроение, 2006.

.        Козлов А.В. Справочник по расчету надежности аппаратуры радиоэлектроники и автоматики. М.: Радио и связь. 2005.

Похожие работы на - Разработка перспективной системы радиосвязи в гражданской авиации

 

Не нашли материал для своей работы?
Поможем написать уникальную работу
Без плагиата!
Без нейросетей!