Проектирование цифрового устройства
Белорусский государственный
университет информатики и радиоэлектроники
ФЗВиДО
Контрольная работа №1
по дисциплине: Цифровые и
микропроцессорные устройства
Минск, 2008.
Содержание
Глава 1. Логические основы синтеза цифровых устройств
Основные понятия и определения функций алгебры логики
Минимизация логических функций с помощью алгебраических
преобразований
Минимизация логических функций с помощью карт Карно
Глава 2. Проектирование цифрового устройства
Анализ задания
Построение аналитической модели устройства
Минимизация аналитической модели
Анализ и выбор элементной базы
Синтез принципиальной схемы преобразователя
Заключение
Литература
Глава 1.
Логические основы синтеза цифровых устройств
Основные
понятия и определения функций алгебры логики
Для описания логических операций используется математический
аппарат, получивший название алгебры логики, или Булевой алгебры.
В алгебре логики рассматриваются переменные, которые могут
принимать только два значения: 1 и 0.
Основные логические функции:
1) Логическое отрицание НЕ (инверсия). Обозначается в виде
черточки над аргументом:
. В качестве примера цепи, реализующей
функцию НЕ, можно привести размыкающий контакт реле. При срабатывании реле,
цепь, в которую входит такой контакт, будет размыкаться.
) Логическое умножение И (конъюнкция). Символически
обозначается:
или
В качестве примера электрической цепи, реализующей функцию И,
можно привести соединение последовательно замыкающих контактов нескольких реле.
Цепь в этом случае будет замкнута тогда и только тогда, когда сработают все
реле.
) Логическое сложение ИЛИ (дизъюнкция). Операция
обозначается выражениями:
либо
В качестве примера электрической цепи, реализующей функцию ИЛИ,
можно привести параллельное соединение замыкающих контактов нескольких реле.
Цепь, в которую входят эти контакты, будет замкнута, если сработает хотя бы
один контакт.
Основные законы алгебры логики:
1) переместительный:

) сочетательный:
;
) распределительный:
;
) закон поглощения:
;
) закон склеивания:
;
6) закон отрицания или правило де Моргана:
;
.
СДНФ-совершенная дизъюнктивная нормальная форма - дизъюнкция
элементарных конъюнкций, если в конъюнкции входят все аргументы функций. Приведем
пример СДНФ:
СКНФ-совершенная конъюнктивная нормальная форма - конъюнкция
элементарных дизъюнкций, если в элементарные дизъюнкции входят все аргументы
функции.
Минимизация
логических функций с помощью алгебраических преобразований
Минимизация логических функций применяется при синтезе
комбинационных логических цепей (КЛЦ). КЛЦ - это такие цепи, выходные сигналы
которых не зависят от предыстории и однозначно определяются сигналами,
поступающими на их входы в рассматриваемый момент времени.
Синтез КЛЦ проводят в следующей последовательности:
. Составляется таблица истинности. Эта таблица
показывает, чему равен выходной сигнал цепи при различных комбинациях входных
сигналов.
2. Исходя из таблицы истинности, записывается логическая
функция.
. Логическая функция минимизируется и преобразуется к
удобному виду для реализации на логических ячейках заданного типа.
Рассмотрим работу мажоритарной ячейки на 3 входа. Строим
таблицу истинности:
|
№
|
X1
|
X2
|
X3
|
F
|
|
0
|
0
|
0
|
0
|
0
|
|
1
|
0
|
0
|
1
|
0
|
|
2
|
0
|
1
|
0
|
0
|
|
3
|
0
|
1
|
1
|
1
|
|
4
|
1
|
0
|
0
|
|
5
|
1
|
0
|
1
|
1
|
|
6
|
1
|
1
|
0
|
1
|
|
7
|
1
|
1
|
1
|
1
|
Записываем и минимизируем логическую функцию при помощи
законов склеивания и поглощения:
Построим схему по полученному выражению:
Рис.1.2 Реализация мажоритарной ячейки на 3 входа по
минимизированному выражению.
Минимизация
логических функций с помощью карт Карно
При использовании карт Карно, функцию предварительно следует
привести к дизъюнктивной нормальной форме (ДНФ), т.е. выразить в виде
логической суммы простых конъюнкций. Простой конъюнкцией считается логическое
произведение переменных, взятых с отрицанием или без него, в которых каждая
переменная встречается не более одного раза. В простую конъюнкцию не должны
входить суммы переменных, отрицания, функции двух или нескольких переменных.
Простая конъюнкция, в которую входят все аргументы рассматриваемых логических
функций, называется минтермом. Именно в виде суммы минтермов мы получаем
логическую функцию тогда, когда получаем её исходя из таблицы истинности. После
того, как приведём функцию к ДНФ, следует заполнить прямоугольную таблицу. Эта таблица и
есть карта Карно или диаграмма Вейча.
|
X1
|
  
|
|
|
|
|
11
|
01
|
00
|
10
|
|
1
|
1
|
1
|
0
|
1
|
|
0
|
1
|
0
|
0
|
0
|
Каждой клетке ставится в соответствие определённая
конъюнкция, причем это делается таким образом, чтобы в соседних клетках
конъюнкции отличались не более чем на один сомножитель. При заполнении в клетку
ставится 1, если минимизированная функция при данном наборе аргументов равна 1,
в остальные клетки вписываются 0. Обводят прямоугольными контурами все 1, затем
записывается минимизированная функция в виде суммы логических произведений,
описывающих эти контуры.
Правила проведения контуров:
. Контур должен быть прямоугольным.
2. Внутри контура должны быть только клетки, заполненные
1.
цифровое устройство алгебраическое преобразование
3. Число клеток, находящихся внутри контура, должно быть
степенью числа 2.
4. Одни и те же клетки, заполненные 1, могут входить в
несколько контуров.
. При проведении контуров самая верхняя и самая нижняя
строки таблицы считаются соседними. То же самое справедливо для крайних левого
и правого столбцов.
. Число контуров должно быть как можно меньше, а сами
контуры - как можно большими.
Глава 2.
Проектирование цифрового устройства
Анализ
задания
В данной контрольной работе представлена реализация процесса
разработки цифрового устройства для преобразования кода Ватса в код "22 из
5". Данные коды и взаимосвязь между ними представлены в таблице:
Таблица 2.1
|
Десятичный Код
|
Код Ватса
|
Код 22 из 5
|
|
0
|
0000
|
11000
|
|
1
|
0001
|
00011
|
|
2
|
0011
|
00101
|
|
3
|
0010
|
00110
|
|
4
|
0110
|
01001
|
|
5
|
1110
|
01010
|
1010
|
01100
|
|
7
|
1011
|
10001
|
|
8
|
1001
|
10010
|
|
9
|
1000
|
10100
|
Исходя из таблицы кодов, видно, что нам необходимо
спроектировать цифровое устройство, на входы которого будет подаваться четыре
входных сигнала, а на выходе пять.
Построение
аналитической модели устройства
Для синтеза преобразователя кода Ватса в код "22 из
5" составим таблицу истинности, в которой входными сигналами будут
значения кода Ватса, а выходными - значения кода "22 из 5".
Таблица 2.2
|
Код Ватса
|
Код "22 из
5"
|
|
X4
|
X3
|
X2
|
X1
|
Y1
|
Y2
|
Y3
|
Y4
|
Y5
|
|
0
|
0
|
0
|
0
|
1
|
1
|
0
|
0
|
0
|
|
0
|
0
|
0
|
1
|
0
|
0
|
0
|
1
|
1
|
|
0
|
0
|
1
|
1
|
0
|
0
|
1
|
0
|
1
|
|
0
|
0
|
1
|
0
|
0
|
0
|
1
|
1
|
0
|
|
0
|
1
|
1
|
0
|
0
|
1
|
0
|
0
|
1
|
1
|
1
|
0
|
0
|
1
|
0
|
1
|
0
|
|
1
|
0
|
1
|
0
|
0
|
1
|
1
|
0
|
0
|
|
1
|
0
|
1
|
1
|
1
|
0
|
0
|
0
|
1
|
|
1
|
0
|
0
|
1
|
1
|
0
|
0
|
1
|
0
|
|
1
|
0
|
0
|
0
|
1
|
0
|
1
|
0
|
0
|
На основании таблицы 2.2 построим выражения для Y1-Y5:
Минимизация
аналитической модели
Для минимизации заполним карты Вейча-Карно для Y1-Y5:
Таблица 2.3.1
|
X2 X1
|
0 0
|
0 1
|
1 1
|
1 0
|
|
X4 X3
|
|
|
|
|
|
0 0
|
1
|
0
|
0
|
0
|
|
0 1
|
*
|
*
|
*
|
0
|
|
1 1
|
*
|
*
|
0
|
|
1 0
|
1
|
1
|
1
|
0
|
Таблица 2.3.1 построена для функции Y1. Звездочками показаны
неопределённые состояния.
Эта функция имеет 4 единичных значения при значениях
аргумента 0000, 1000, 1001 и 1011, при значениях аргументов 0001, 0011, 0011,
0010, 0110, 1110 и 1010 значения Y1 равны 0, в остальных случаях они не определены.
Доопределяем их таким образом, чтобы получить самый
минимальный результат. В результате получаем:
Аналогично вычисляем Y2 из
таблицы 2.3.2
Таблица 2.3.2
|
X2 X1
|
0 0
|
0 1
|
1 1
|
1 0
|
|
X4 X3
|
|
|
|
|
|
0 0
|
1
|
0
|
0
|
0
|
|
0 1
|
*
|
*
|
*
|
1
|
|
1 1
|
*
|
*
|
*
|
1
|
|
1 0
|
0
|
0
|
0
|
1
|
Вычисленное на основе таблицы 2.3.3 значение Y3.
Таблица 2.3.3
|
X2 X1
|
0 0
|
0 1
|
1 1
|
1 0
|
|
X4 X3
|
|
|
|
|
|
0 0
|
0
|
0
|
1
|
1
|
|
0 1
|
*
|
*
|
*
|
0
|
|
1 1
|
*
|
*
|
*
|
0
|
|
1 0
|
1
|
0
|
0
|
1
|
Вычисленное на основе таблицы 2.3.4 значение Y4.
|
X2 X1
|
0 0
|
0 1
|
1 1
|
1 0
|
|
X4 X3
|
|
|
|
|
|
0 0
|
0
|
1
|
0
|
1
|
|
0 1
|
*
|
*
|
*
|
0
|
|
1 1
|
*
|
*
|
*
|
1
|
|
1 0
|
0
|
1
|
0
|
0
|
Вычисленное на основе таблицы 2.3.5 значение Y5.
Таблица 2.3.5
|
X2 X1
|
0 0
|
0 1
|
1 1
|
1 0
|
|
X4 X3
|
|
|
|
|
|
0 0
|
0
|
1
|
1
|
0
|
|
0 1
|
*
|
*
|
*
|
1
|
|
1 1
|
*
|
*
|
*
|
0
|
|
1 0
|
0
|
0
|
1
|
0
|
На основе полученных выражений можно построить схему
преобразователя кода Ватса в код "22 из 5".
Анализ и
выбор элементной базы
В целях уменьшения габаритов схемы, рационально будет строить
схему преобразователя на элементах 2-2-3-4И-4ИЛИ-НЕ и 2-2-2-3И-4ИЛИ-НЕ. Также в
схему будет необходимо включить инверторы 6НЕ на входах и выходах
преобразователя.
Элементы 2-2-3-4И-4ИЛИ-НЕ выберем исходя из меньшего времени
задержки. Из возможных вариантов выбираем микросхему К531ЛР9 со следующими
параметрами: типовая средняя задержка - 5 нс, типовая средняя потребляемая
мощность одним элементом в статике - 35 мВт.
Элементы 2-2-2-3И-4ИЛИ-НЕ выберем типа К155ЛД3 со следующими
параметрами: типовая средняя задержка - 19 нс, типовая средняя потребляемая
мощность одним элементом в статике - 20 мВт.
Инверторы 6НЕ выберем типа К555ЛН1 для уменьшения суммарной
потребляемой мощности преобразователя.
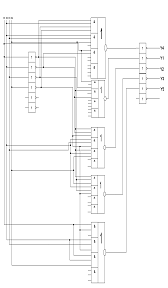
Синтез
принципиальной схемы преобразователя
Заключение
Изобретение полупроводниковых материалов, а на их основе
интегральных микросхем создало основу для развития микропроцессорной техники. В
современном мире без микропроцессорной техники были бы невозможны самые
разнообразные процессы: использование мобильных коммутационных устройств,
стационарных компьютеров, выполнение различных технологических операций сложным
производственным оборудованием.
Современные микропроцессорные устройства постоянно
модернизируются. На смену устаревшим устройствам приходят новые, которые
способны выполнять поставленные задачи, которые, в свою очередь, тоже постоянно
усложняются.
Литература
1. Савельев
А.Я. Прикладная теория цифровых автоматов: Учеб. для вузов по спец. ЭВМ. - М.:
Высш. шк., 1987.
2. Цифровые
интегральные микросхемы: Справочник / П.П. Мальцев, Н.С. Долидзе, М.И. Критенко
и др. - М.: Радио и связь, 1994
. Интегральные
микросхемы: Справочник / Под ред. Б.В. Тарабрина. - М.: Радио и связь, 1984