Теоретическая электромеханика
Министерство
образования РФ
Хабаровский
государственный технический университет
Кафедра
"Электроника и электротехника"
Курсовая
работа по курсу
"Теоретическая
электротехника"
Выполнил:
студент группы ИС-91
Бриненко А.А.
Проверил: зав. кафедрой
Кузьменко А.П.
Хабаровск 2001
Содержание
1. Цель работы
2. Анализ
цепи во временной области методом переменных состояния при постоянных
воздействиях
.1 Численный метод решения методом переменных состояния
3. Анализ
цепи операторным методом при апериодическом воздействии
. Анализ цепи
частотным методом при апериодическом воздействии
. Анализ цепи
частотным методом при периодическом воздействии
6. Литература
1. Цель работы
Целью курсовой работы является овладение некоторыми современными методами
анализа линейной электрической цепи при различных воздействиях в переходном и
установившемся режимах с применением вычислительной техники.
В курсовой работе использован следующий материал курса теоретических
основ электротехники: методы расчёта сложных цепей, анализ цепей во временной
области, операторный метод анализа цепей, частотный метод анализа цепей.
В курсовой работе требуется провести анализ линейной разветвленной
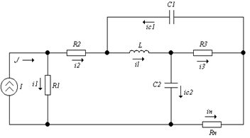
электрической цепи различными методами. Рассмотрим это на примере цепи,
принципиальная схема которой представлена на рис. 1. Параметры элементов цепи
следующие: R1 = 1000 Ом, R2 = 2000 Ом, R3 =2000 Ом, Rн = 1000 Ом, L = 0.12 Гн, C1 = 0.0528
мкФ, С2 = 0.0264 мкФ, Е = 4·1(t) В, J = 2 А. Параметры одиночного и последовательности импульсов
тока: Im = 0.5 A, tи = 8·10-5 c, T =
24·10-5 c.
Рис. 1. Схема анализируемой электрической цепи
2. Анализ
цепи во временной области методом переменных состояния при постоянных воздействиях
Требуется:
. Составить уравнения состояния цепи для t ³ 0.
. Найти точные решения уравнений состояния.
. Найти решения уравнений состояния. Вид решаемых уравнений:
4.
Построить точные и численные решения уравнений состояния, совместив их попарно
на одном графике для каждой из переменных состояния
В
первой части курсового проекта требуется провести анализ цепи во временной
области методом переменных состояний при постоянных воздействиях. Метод
переменных состояния составлении и решении системы дифференциальных уравнений
относительно переменных, определяющих энергетическое состояние цепи. В данной
задаче ими являются напряжение на емкости и ток на индуктивности: uc1, uc2 и il. При этом переменные состояния образуют систему из наименьшего числа
переменных, полностью определяющих реакции всех ветвей цепи при заданных
начальных условиях и приложенных при t 0 внешних
воздействиях. Требуемая система уравнений может быть получена из системы
уравнений, составленной по законам Кирхгофа. При составлении уравнений
целесообразно записывать напряжения и токи на емкости и индуктивности через
переменные состояния, например, для емкости: uC и Сduс/dt,
соответственно.
Исключая из уравнений напряжения и токи, не связанные с переменными
состояния, получим систему уравнений по методу переменных состояния,
разрешенную относительно первых производных (форма Коши):
=
(1)
Эта система в матричной форме записи имеет вид:
= AX
+ BV (2)
где
A - матрица коэффициентов при переменных состояния, X
- вектор - столбец переменных состояния, B - матрица
коэффициентов источников тока и ЭДС, V - вектор - столбец
параметров источников. Для нас это:

(3)
Решение
системы (3) может быть представлено в виде:
X(t) = exp(At) X(0) + exp(At)
exp(-) BVd
(4)
Так
как в нашей цепи действуют источник постоянного тока J и источник
постоянной ЭДС E, то решение может быть представлено в более
простом виде:
X(t) = exp(At)X(0)+
(exp(At)-1)BV = exp(At)[X(0)+1BV] -1BV (5)
здесь
exp(At) - матричная экспоненциальная функция, X(0)
- вектор - столбец начальных значений переменных состояния, 1-
единичная матрица, A-матрица, обратная матрице Анализ
выражения (5) показывает, что оно реакция цепи (в данном случае - переменные
состояния) представляет собой сумму реакций при нулевом входе (первое
слагаемое) и при нулевом начальном состоянии (второе слагаемое). Термин
"нулевой вход" означает, что в цепи отсутствуют источники энергии и
переходной процесс происходит за счет энергии, накопленной в электрическом поле
конденсатора и в магнитном поле катушки индуктивности (V=0),
а "нулевое начальное состояние" означает отсутствию напряжения на
конденсаторе и тока в индуктивности перед началом переходного процесса (X(0)=0).
Начальные значения переменных состояния могут быть определены из анализа схемы
до коммутации (включения E).
Предполагается,
что в схеме до коммутации существовал установившийся режим постоянного тока,
что позволяет представить схему в виде:
Рис. 2. Схема для определения независимых начальных условий
Анализ схемы рис. 2. позволяет определить независимые начальные условия:
(6)
Определим матричную экспоненциальную функцию по методу Сильвестра.
Матричная функция exp(At) может быть представлена в виде:
exp(At)
=
(7)
где
Аr =
и
lrсобственные значения матрицы
(характеристические числа) A, которые могут быть определены из
уравнения:
|
A - l
| = 0, что позволяет получить:
l1 = -12010.48
l2 = -3985.293 + 7756.66j
l3 = -3985.293 - 7756.66j
Вещественному
отрицательному корню матрицы A будет соответствовать собственное
колебание в виде затухающей экспоненты, а паре комплексно - сопряженных корней
с отрицательной вещественной частью - затухающая по экспоненте синусоидальная
функция с собственной частотой wñâ = 7756.66
рад/с.
Подстановка exp(At) и начальных условий (6) в решение (5)
позволяет получить точное (аналитическое) решение (8):
uc1 = 933.79×exp(-12010.5×t) + 700.379×exp(-3985.29×t) ×cos(7756.66×t) + 33.2126×exp(-3985.29×t) - 815.979
uc2 = -1181.65×exp(-12010.5×t) + 1180.54×exp(-3985.29×t) ×cos(7756.66×t) -331.989×exp(-3985.29×t) ´ sin(7756.66×t) + 1092.03
il = -6.878×10-2× exp(-12010.5×t) + 6.95×10-2×exp(-3985.29×t) ×cos(7756.66×t) -0.363×exp(-3985.29×t) ´ sin(7756.66×t) + 0.272
На рис. 3а, 3б, 3в приведен график зависимости напряжения на конденсаторе
uC1(t), uC2(t), il(t) построенные
на основании (8).
2.1 Численный метод решения метода переменных состояния
Также решение системы уравнений (1) может быть получено с помощью
какого-либо численного метода интегрирования дифференциальных уравнений. В этих
методах интересующий промежуток разбивается на равные малые интервалы h. Приближенные дискретные значения переменных состояния
определяются последовательно, на каждом шаге, начиная от момента t = 0.
Решение системы (1) с использованием явного метода Эйлера или алгоритма
Рунге-Кутта первого порядка будет иметь вид:

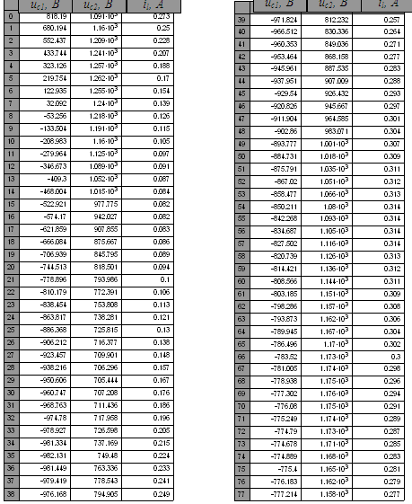
Таблица
значений переменных состояния на каждом шаге.
Таблица
1.
Рис.
3а. График напряжения на конденсаторе С1
Рис.
3б. График напряжения на конденсаторе С2
Рис.
3в. График тока на катушке индуктивности L
3. Анализ
цепи операторным методом при
апериодическом воздействии
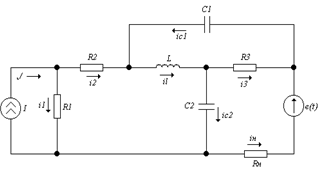
Анализу подлежит схема представленная на рис. 4. Начальные условия в цепи
нулевые, в момент t = 0 на вход цепи источником тока подан
импульс тока с амплитудой 0.5 А и длительностью 80 мкс. e(t) = 0.
Рис. 4. Схема анализируемой цепи
Рис. 5. Вид подаваемого сигнала
Требуется:
1.
Определить функцию передачи:
.
Найти нули и полюсы функции передачи и нанести их на плоскость комплексной
частоты.
.
Найти переходную и импульсную характеристики для выходного тока.
.
Определить изображение по Лапласу входного импульса.
.
Найти ток на выходе цепи, используя или HI(p).
6. Построить на одном графике переходную и импульсную характеристики
цепи, на другом - входной и выходной сигналы.
Передаточные (системные) функции цепи могут быть определены как отношение
выходной величины ко входной. В зависимости от того, какие величины входят в
определение передаточной функции различают: передаточные функции по напряжению,
по току, передаточные сопротивления и проводимости. Функция передачи по току
может быть представлена в виде: HI (p) = Iн (p)/J(p), где Iн(p) и J(p) операторные изображения выходного и
входного сигналов, соответственно.
Для определения HI (p) заменим схему
исходной цепи (рис. 1) ее операторной схемой замещения, в которой сопротивления
емкости и индуктивности равны 1/Cp и Lp, соответственно, а
сопротивления резисторов те же. Далее, из уравнений по законам Кирхгофа,
составленных для операторной схемы замещения, выразим отношение Iн (p)/J(p).
I(p)=
(9)
Полюсы функции передачи могут быть найдены из условия равенства нулю
знаменателя отношения Iн(p)/J(p), что позволяет получить следующие значения:
Нули функции передачи могут быть найдены из условия равенства нулю
числителя отношения Iн(p)/J(p), что позволяет получить следующие значения:
Нетрудно заметить, что полюсы передаточной функции p1,2,3
совпадают с собственными значениями l,2,3матрицы A. Таким
образом, полюсы являются частотами собственных колебаний цепи. Это является
следствием того, что функция цепи фактически представляет символическую запись
дифференциального уравнения цепи относительно переменной - реакции цепи. Это
может быть дополнительным способом проверки правильности нахождения
передаточной функции цепи.
Наиболее наглядным способом охарактеризовать передаточную функцию
является графическое расположение ее полюсов и нулей на комплексной плоскости,
называемое диаграммой полюсов-нулей. Тип используемых элементов, а также
структура цепи ограничивают области комплексной плоскости, в которых могут
располагаться нули и полюсы. В линейной пассивной цепи с потерями (с
резистивными элементами) полюсы передаточной функции лежат в левой
полуплоскости. Только при этом условии свободные составляющие токов и
напряжений затухают. При отсутствии потерь (резистивных элементов) все корни
знаменателя будут чисто мнимыми. Нули передаточной функции, корни числителя,
при учете потерь могут располагаться в любой части комплексной плоскости. Их
положение не связано с характером изменения во времени свободных составляющих
токов и напряжений. Отсутствие нулей передаточной функции на мнимой оси
физически означает, что при любой частоте гармонического напряжения на входе
цепи на выходе будет какое-то напряжение. При отсутствии резистивных элементов
все корни числителя передаточной функции (так же как и знаменателя) находятся
на мнимой оси. Передаточные функции, полюса которых не лежат в правой
полуплоскости комплексной плоскости, называются устойчивыми. В устойчивой цепи
свободные колебания, определяемые частотами собственных колебаний, при t®: затухают.
В данном случае, из трёх полюсов два являются комплексно-сопряжёнными, а
один - вещественным. Это означает, что свободная составляющая тока будет
состоять из затухающих синусоидальной составляющей и экспоненты.
о - нули функции передачи
´ - полюсы функции передачи
Рис. 6. Диаграмма полюсов-нулей
Знание передаточной функции цепи HI (p)
позволяет определить переходную h1(t) и импульсную hd(t)характеристики цепи. Переходная характеристика
цепи представляет собой реакцию цепи на воздействие единичной ступенчатой
функции (функции Хэвисайда Ф(t), функции включения) и может быть найдена
как обратное преобразование Лапласа от HI (p)/p:
h1(t) = L-1(HI (p)/p)
Символ L-1 обозначает: обратное преобразование Лапласа.
Использование теоремы вычетов или теоремы разложения позволяет осуществить
обратное преобразование Лапласа и получить следующее выражение для переходной
характеристики цепи:
(10)
Данное
выражение легко может быть проверено на крайних точках временного интервала
(при
и
).
Например, установившееся значение тока в нагрузке (из (10)) равно 0.13636
А, и оно же может быть получено из расчета схемы, заменяя индуктивность
закороченным участком цепи, а емкость - разрывом (по постоянному току).
Переходная характеристика цепи представлена на рис. 7. Значения переходной
характеристики в этих же точках могут быть определены на основании предельных
соотношений операционного исчисления. В соответствии с этим, значение функции,
например, в начальный момент времени (
+) может быть
определено как предел произведения операторного изображения функции на
операторную переменную при стремлении последней к бесконечности. Для переходной
характеристики будем иметь:
Импульсная
характеристика цепи h(t)представляет собой
реакцию цепи на воздействие единичной импульсной функции dt) и
может быть найдена как обратное преобразование Лапласа от передаточной функции:
Первое
слагаемое в (11) определяется действием на входе цепи dимпульса тока и существует только для t=0. В
дальнейшем переходной процесс протекает за счет энергии, накопленной в
электрическом поле конденсатора и магнитном поле индуктивности в результате
действия dимпульса тока. Подобного вида решения (с d -функцией - Dirac(t)) возникают всякий раз, когда степени
полиномов числителя и знаменателя передаточной функции оказываются равными.
Коэффициент при d(t) соответствует
части входного импульса поступающей в нагрузку.
Входной
импульс в данной работе представляет собой первую половину периода косинусоиды.
Для нахождения ее изображения можно воспользоваться как непосредственно прямым
преобразованием Лапласа, так и таблицами изображений и оригиналов.
Воспользуемся вторым вариантом. Для этого исходный сигнал можно представить в
виде суммы двух косинусоид, причем вторая задержана относительно первой на
полпериода T/2=tи:
(t)
= Imcos(w0t)
+ Imcos(w0(t-tи))
1(t - tи) (12)
Последнее
слагаемое в (12) представляет собой косинусоиду, смещенную вправо по оси
времени на tи = 8·10-5 c. Частота
косинусоиды w0 = ptи = 12500p рад/с. Согласно теореме запаздывания, изображение F1(p)
функции, смещенной вправо (запаздывающей) на tи относительно
начала отсчета (t = 0), связано с изображением F(p) той же
функции с началом в t = 0 следующим образом:
1(p)
= F(p)exp(-ptи)
В рассматриваемом примере F(p) - операторное изображение
косинусоиды: F(p)= Imp/(p2+w02). В результате может быть получено следующее
изображение для одиночного импульса (13):
Тогда, входной сигнал J(t) будет иметь
вид:
J(t)= 0.5×cos(39270×t) + 0.5×Ф(t-8×10-5)×cos(39270×t - 3.1416)
Для нахождения тока на выходе цепи воспользуемся уже известными
изображениями для передаточной функции (9) и входного сигнала (13). Это дает
возможность записать изображение выходного сигнала Iн(p) в
виде:
н(p) = HI (p)J(p)
Далее, используя один из упомянутых выше методов (непосредственное
применение обратного преобразования Лапласа, использование таблиц соответствия
оригиналов и изображений, использование теоремы разложения) можно найти ток
нагрузки:
iн(t)= L-1(Iн(p)) = L-1(HI(p)J(p))
Оригинал iн(t), найденный одним из упомянутых выше способов, имеет
вид:
Здесь, Ф(t - 0.00008) - единичная ступенчатая функция с
координатой ’’ступеньки’’ t = 0.00008c. На рис. 9. приведены графики заданного входного и
рассчитанного выходного сигналов.
Рис. 9. Графики входного и выходного сигналов
4. Анализ
цепи частотным методом при
апериодическом воздействии
Анализу подлежит схема представленная на рис. 10. Начальные условия в
цепи нулевые. В момент времени t=0 на вход цепи подан сигнал в виде
одиночного импульса или тока. e(t)=0.
Рис. 10. Схема анализируемой цепи
Рис. 11. Вид подаваемого сигнала
1.
Найти и построить амплитудно-фазовую (АФХ), амплитудно-частотную (АЧХ) и
фазо-частотную (ФЧХ) характеристики функции передачи или HI(jww).
.
Определить полосу пропускания цепи по уровню 0,707 |H(jw)|макс.
.
Найти и построить амплитудный и фазовый спектры входного сигнала. Определить
ширину спектра входного сигнала по уровню 0,1|F(jw)|макс.
4. Сопоставляя спектры входного сигнала с частотными характеристиками
цепи, дать предварительные заключения об ожидаемых искажениях сигнала на выходе
цепи. Сверить эти качественные оценки с сигналом на выходе, полученным в п.
3.5.
. Найти и построить амплитудный и фазовый спектры выходного сигнала.
. Определить выходной сигнал по вещественной или мнимой частотной
характеристике, используя приближённый метод Гиллемина.
Модуль и фаза являются функциями вещественной частоты. Зависимости
модулей от частоты называют амплитудными, а зависимости углов - фазовыми
частотными характеристиками. Амплитудные и фазовые характеристики позволяют
судить о том, какие частотные составляющие доминируют на выходе цепи, а какие,
наоборот, ослабляются.
Амплитудно-частотная характеристика (АЧХ) является одной из самых важных
характеристик любой цепи и позволяет исследовать искажения вносимые цепью в
спектр входного сигнала. Наличие частотно - зависимых элементов (L и C)
в исследуемой цепи приводит к неравномерному изменению составляющих спектра
входного сигнала. Наиболее простой способ получения АЧХ цепи - это замена в
выражении для HI (p) операторной переменной p
на мнимую частоту jw и
нахождение модуля полученной комплексной функции частоты: |HI(jw)| (14).
Комплексная частотная характеристика цепи является спектральной функцией
её импульсной характеристики.
H(jw) =F(hd(t)),
где символ F обозначает
преобразование Фурье.
Рис. 12. АЧХ функции передачи
Построенная по данному выражению АЧХ цепи имеет вид представленный на
рис. 12. По построенной характеристике
может быть определена полоса пропускания. Полосой пропускания цепи называют
диапазон частот, для которых коэффициент передачи не более чем в 2
отличается от его максимального значения. Это же соответствует снижению уровня
сигнала на 3 дБ = 0.346 Нп. Для рассматриваемой цепи максимальное значение
передаточной функции достигается на бесконечности (для постоянного тока) и
составляет |HI(jw)|max = 0.25. Границе полосы пропускания соответствует значение
передаточной функции |HI(jw)|max/2
= 0.707|HI(jw)|max =0.177. Это значение достигается на частоте w=11200 рад/c. Таким образом, полоса пропускания
равна Dw=[11200,¥[.
ФЧХ представляет собой аргумент передаточной функции. Электрическая цепь,
все нули передаточной функции которой лежат в левой полуплоскости, и значит,
аргумент имеет наименьшее возможное значение, называется минимально-фазовой
цепью.
Амплитудно-фазочастотная характеристика цепи (годограф) связывает воедино
изменение коэффициента передачи и фазового сдвига между выходным и входным
током (j = yI2 - yI1)
во всем диапазоне
частот. Годограф включает сведения, которые содержатся как в АЧХ, так и в ФЧХ.
Годограф является параметрической кривой, параметром которой является
частота w.
Длина вектора, проведенного из начала координат к какой- либо точке годографа
соответствует абсолютному значению передаточной функции на этой частоте |HI(jw)|, а угол между ним и положительным направлением
вещественной оси - аргументу передаточной функции j = arg(HI(jw)). Если четырёхполюсник является устойчивым, то его
годограф не охватывает точку с координатами (1,0). Годограф
неустойчивого четырёхполюсника охватывает точку с координатами (1,0)
либо проходит через неё.
На рис. 14 представлен годограф для рассматриваемой цепи. Нулевой частоте
(постоянному току) соответствует точка с координатой 0.13636 на
вещественной оси, очень большой (в пределе бесконечной) частоте соответствует
точка с координатой 0.25 на вещественной оси. На этих граничных частотах
влияние реактивных элементов на фазовый сдвиг отсутствует.
Для нахождения спектральной характеристики входного сигнала J(jw) можно воспользоваться непосредственно прямым
преобразованием Фурье. Второй путь решения этой задачи основан на аналогии
между преобразованиями Лапласа и Фурье и состоит в замене в операторном
изображении входного сигнала (13) операторной переменной p на мнимую
частоту jw.
В итоге после простых преобразований получим:
Амплитудный спектр входного сигнала J(w) может быть найден как модуль спектральной
характеристики сигнала (15):
На рис. 15. представлен амплитудный спектр
входного сигнала. Максимальное значение спектральной характеристики достигается
при w = 54000 и составляет Jмакс(w) = 2.1842 ´10-5 А ·с. Определенная по уровню 0.1 ·
Jмакс(w) ширина спектра сигнала составляет Dwс @ 401000 рад/c. Между шириной спектра сигнала и его
длительностью существует следующее соотношение: Dwс·D tи = const. Эта константа называется базой
сигнала. Для данного вида сигнала получаем: 401000 · 0.00008@ 32.08. Уменьшение длительности импульса в
10 раз приводит к такому же (в 10 раз) увеличению ширины его спектра. Таким
образом, при стремлении длительности к нулю получим бесконечно широкий спектр
импульсной функции. Наличие широкого спектра у коротких импульсов дает
возможность использования таких импульсов для исследования частотных свойств
различных цепей. В математическом смысле спектр несинусоидального сигнала
неограничен.
В общем случае теорема Рейли имеет вид:
В
частом случае, когда f(t) является
напряжение или током, интеграл будет представлять энергию (при сопротивлении в
1 Ом).
Использование теоремы Рейли позволяет обоснованно ограничить спектр
сигнала полосой частот, которой соответствует основная часть энергии сигнала.
Рассматривая действие импульса тока на сопротивлении в 1 Ом, определим
потребляемую сопротивлением энергию следующим образом:
Квадрат модуля амплитудного спектра называют энергетическим спектром.
Энергия, определенная на основании теоремы Рейли из спектра входного сигнала J(w) (15) для найденной выше ширины спектра Dwc @ 40
рад/c, равна:
Таким образом, ограничивая спектр сигнала определенной по уровню 0.1
· Jмакс(w) шириной спектра Dw @ 401000 рад/c, мы учитываем WDw/Wt) · 100% @ 96.076от полной энергии Wt.
Эта информация может быть полезной, например, для выбора полосы пропускания
фильтра.
Скачки на угол p
в узлах фазового спектра вызваны изменением знака косинуса. электрический цепь операторный частотный
У неискажающей цепи амплитудная характеристика должна быть постоянной, а
фазовая в бесконечной полосе частот. При этом тангенс угла наклона фазовой
характеристики оказывается равным времени запаздывания сигнала.
Частотные характеристики реальных передающих систем всегда отличаются от
идеальных: амплитудная характеристика всегда отклоняется от постоянной, а
фазовая - от линейной.
Оценку искажений производят простым сравнением графиков амплитудного и
фазового спектров с графиками амплитудно-частотной и фазо-частотной
характеристик цепи. Сравнивая амплитудный спектр входного сигнала с частотными
характеристиками цепи, на выходе можно ожидать небольшого искажения сигнала.
Отсечение высокочастотной части спектра приводит к замедлению фронтов и
выбросам сигнала, а искажения низкочастотной части - к спаду плоской части
сигнала. Искажения связаны с различием величины передаточной функции для
различных составляющих спектра входного сигнала. Для резистивной цепи выходной
сигнал был бы подобен входному сигналу и имел бы ту же длительность. В данном
случае цепи содержащей частотно-зависимые элементы значительные изменения будут
иметь место и для фазового спектра входного сигнала. Это приведет к нарушению
фазовых соотношений между составляющими сигнала и станет другой причиной
искажения формы выходного сигнала.
Амплитудный спектр выходного сигнала может быть получена перемножением
модуля спектральной характеристики входного сигнала и АЧХ цепи (выражения 14 и
15):
н(w)=J(w) |HI(jw)|
Фазовый выходного сигнала может быть получена суммированием аргументов
спектральной характеристики входного сигнала и ФЧХ цепи (выражения 14 и 15). Метод Гиллемина является одним из
методов позволяющих восстановить функцию времени (какой - либо сигнал) по
известной вещественной (или мнимой) частотной характеристике. Метод основан на
такой аппроксимации, когда аппроксимирующая частотную характеристику функция
либо ее производные состоят из последовательности бесконечно коротких
импульсов. Последовательность бесконечно коротких импульсов представляет собой
заданную функцию в так называемой квантованной форме. Погрешность метода
преимущественно связана со ступенчатым характером аппроксимирующей функции.
Уменьшение этой погрешности требует увеличения общего числа членов в
аппроксимации. Исходная частотная характеристика аппроксимируется
кусочно-линейным образом, после чего два последовательных дифференцирования
позволяют свести аппроксимирующую функцию к последовательности бесконечно
коротких импульсов. Окончательное выражение для искомой функции времени f(t) полученной по вещественной частотной характеристике
имеет вид:
Здесь
ak -
величины бесконечно коротких импульсов, wk - координаты импульсов на частотной оси. Вещественная
частотная характеристика Bн (w) может быть
определена из соотношений: Bн(w)=|Iн(jw)|cosaí(w); |Iн(jw)|= |HI(jw)|× |J(jw)|; aí(w= jH(wa1w jw фазочастотная
характеристика цепи, a1wфазовый спектр входного сигнала.
Рис.
19 а. Линейно аппроксимированная частотная характеристика выходного сигнала Bн(w)
Таким образом, уравнение выходного сигнала будет иметь вид:
5. Анализ цепи частотным методом при периодическом
воздействии
Анализу подлежит схема представленная на рис. 21. e(t) = 0. Начальные условия в цепи нулевые. На
вход цепи подана периодическая последовательность импульсов тока с периодом Т в
виде:
Рис. 21. Вид подаваемого сигнала
Рис. 22. Схема анализируемой цепи
Требуется:
. Разложить в ряд Фурье заданную периодическую последовательность
импульсов и построить её амплитудный и фазовый спектры.
. Построить на одном графике заданную периодическую последовательность
импульсов и её аппроксимацию отрезком ряда Фурье, число гармоник которого
определяется шириной амплитудного спектра входного сигнала, найденной в п. 4.3. Используя рассчитанные в п. 4.1 АЧХ и ФЧХ функции
передачи цепи, определить ток на выходе цепи в виде отрезка ряда Фурье.
Разложение периодической последовательности импульсов может быть
осуществлено с учетом очевидной связи комплексной амплитуды гармоники ряда
Фурье и спектральной плотности одиночного импульса той же формы J(jw)
, (16)
здесь
w1 -
частота сигнала, равная частоте первой (основной) гармоники w1 = 2p/T = 2p/3tи = 8333.3p рад/с. Выражение, полученное в итоге для комплексной амплитуды k
- той гармоники, имеет вид:
Величины
Jm(jk) могут быть найдены непосредственно по известному
выражению ряда Фурье в комплексной форме. Преимущество использования
комплексной формы ряда Фурье состоит в том, что она позволяет непосредственно
найти амплитуды и начальные фазы гармоник по известной Jm(jk). Точность представления сигнала гармоническим рядом
зависит от количества гармоник, удерживаемых в разложении сигнала. Определим
число гармоник по известной ширине спектра входного сигнала: kmax
= Dw/w1 =
[401000/8333.3p]
+1= 15.32+1=16. Итак, для
первых четырёх гармоник входного сигнала определим амплитуды и начальные фазы.
Амплитуды гармоник могут быть определены из выражения:
Начальные
фазы ak:
ak = arg(Jm (jk))
Таблица
2.
|
k, номер гармоники
|
Амплитуда k - той гармоники
Jm (k), A
|
Начальная фаза k - той
гармоники ak, рад
|
|
0
|
0
|
-
|
|
1
|
0.127
|
0.524
|
|
2
|
0.182
|
-0.524
|
|
3
|
0.141
|
-1.571
|
|
4
|
0.046
|
-2.618
|
|
5
|
0.035
|
-0.524
|
|
6
|
0.0566
|
-1.571
|
|
7
|
0.0238
|
-2.618
|
|
8
|
0.0206
|
-0.524
|
|
9
|
0.0364
|
-1.571
|
|
10
|
0.0163
|
-2.618
|
|
11
|
0.0147
|
-0.524
|
|
12
|
0.0269
|
-1.571
|
|
13
|
0.0124
|
-2.618
|
|
14
|
0.0115
|
-0.524
|
|
15
|
0.0214
|
-1.571
|
|
16
|
0.01
|
-2.618
|
На рис. 23 представлен амплитудный спектр входного сигнала. Огибающая
дискретного спектра периодического сигнала совпадает с амплитудно-частотной
характеристикой одиночного импульса. При всех частотах w = kw1 амплитуды спектра периодической
функции отличаются от значений спектральной плотности непериодической только
постоянным множителем w1/2p = 1/T.
Увеличение периода следования импульсов ведет к уменьшению расстояния между
соседними гармониками амплитудного спектра. При увеличении периода до
бесконечности дискретный амплитудный спектр периодической последовательности
переходит в непрерывный спектр одиночного импульса. Вид этого спектра наглядно
позволяет судить о свойствах периодических функций времени, например, по скорости
уменьшения амплитудного спектра можно судить о степени гладкости периодической
функции, а по наличию или отсутствию гармоник на высоких частотах - есть ли
участки с быстрыми изменениями. Амплитудный спектр является четной функцией
частоты, а фазовый - нечетной функцией.
Выражение для отрезка ряда Фурье, аппроксимирующего входной сигнал,
содержит семнадцать гармоник и может быть представлено в виде:
Для определения вида выходного сигнала воспользуемся определенной выше
передаточной функцией. Тогда значения амплитуд Iнm (k) и
начальных фаз akн гармоник выходного сигнала могут
быть получены следующим образом:
нm (jk) = HI(jw1k) · Jm (jk)
Iнm (k) = |HI(jw1k)| · Jm (k), akн = jH(w1k)+ak
Здесь |HI(jw1k)| - величина передаточной функции на частоте k
- той гармоники: wk = w1k,
представляет собой отношение амплитуд (и действующих значений) гармоник
выходного и входного сигналов для данной частоты. Аргумент передаточной функции
jH(w1k) равен
сдвигу фаз между соответствующими гармониками выходного и входного сигналов.
Расчет величин амплитуд Iнm (k) и начальных фаз akн может быть также произведен с
помощью любого из методов расчета линейных электрических цепей (метод
непосредственного использования законов Кирхгофа, метод контурных токов, метод
узловых потенциалов и т.д.). Расчет проводится на основе комплексного метода,
для каждой из гармоник входного сигнала в отдельности, используя рассчитанные
ранее амплитуды Jm (k)
и начальные фазы ak.
Результаты расчета для первых семнадцати гармоник представлены в таблице 2.
Затем суммирование мгновенных значений отдельных гармоник сигнала на
сопротивлении нагрузки Rн позволяет получить результирующий
выходной сигнал iн(t). Оправданность такого подхода связана с
применимостью принципа суперпозиции (метода наложения) к линейным электрическим
цепям.
Таблица 3. Расчетные значения передаточной функции и гармоник выходного сигнала
|
k, номер гармоники
|
|HI(jw1k)|,
отн. ед.
|
jH(w1k), рад
|
Iнm (k),
A
|
akн, рад
|
|
0
|
0.136
|
0
|
0
|
0
|
|
1
|
0.241
|
0.286
|
0.031
|
0.81
|
|
2
|
0.248
|
0.141
|
0.045
|
-0.383
|
|
3
|
0.249
|
0.094
|
0.035
|
-1.477
|
|
4
|
0.249
|
0.07
|
0.012
|
-2.548
|
|
5
|
0.25
|
0.056
|
0.0087
|
-0.468
|
|
6
|
0.25
|
0.047
|
0.0141
|
-1.524
|
|
7
|
0.25
|
0.04
|
0.00595
|
-2.578
|
|
8
|
0.25
|
0.035
|
0.00515
|
-0.4885
|
|
9
|
0.25
|
0.031
|
0.00909
|
-1.54
|
|
10
|
0.25
|
0.028
|
0.00407
|
-2.59
|
|
11
|
0.25
|
0.026
|
0.00368
|
|
12
|
0.25
|
0.023
|
0.00673
|
-1.547
|
|
13
|
0.25
|
0.022
|
0.0031
|
-2.596
|
|
14
|
0.25
|
0.02
|
0.00287
|
-0.5035
|
|
15
|
0.25
|
0.019
|
0.00536
|
-1.552
|
|
16
|
0.25
|
0.018
|
0.00251
|
-2.6
|
Окончательное выражение для мгновенного значения выходного сигнала - тока
в сопротивлении нагрузки Rн - примет вид:
На рис. 26 приведен график iн(t).
Длительность паузы между соседними импульсами входного сигнала такова, что
переходной процесс к началу очередного импульса практически заканчивается.
Выходной сигнал, определяемый действием периодической последовательности
импульсов, имеет такой же вид что и сигнал рассчитанный в п. 3. Удержание в
разложении большего количества гармоник позволяет получить все более полное
соответствие между выходными сигналами цепи при воздействии на входе одиночного
импульса и последовательности импульсов тока.
Литература
1. Бессонов
Л.А. Теоретические основы электротехники. - М.: Высшая школа, 1996.
. Матханов
П.Н. Основы анализа электрических цепей. Линейные цепи. - М.: Высшая школа,
1990.
. Зевеке Г.В.
и др. Основы анализа цепей. - М.: Энергоатомиздат, 1989. 5-е изд. - 528.
. Лосев А.К.
Теория линейных электрических цепей. - М: Высшая школа, 1987.
. Шебес М.Р.
Каблукова М.В. Задачник по теории линейных электрических цепей. -М: Высшая
школа, 1990.
. Зевеке Г.В.
и др. Основы анализа цепей. - М.: Энергоатомиздат, 1975. 4-е изд. - 752.