Пуск двигателя постоянного тока в функции времени

  • Вид работы:
    Практическое задание
  • Предмет:
    Физика
  • Язык:
    Русский
    ,
    Формат файла:
    MS Word
    111,02 kb
  • Опубликовано:
    2011-12-01
Вы можете узнать стоимость помощи в написании студенческой работы.
Помощь в написании работы, которую точно примут!

Пуск двигателя постоянного тока в функции времени

Лабораторная работа по теме: ПУСК ДВИГАТЕЛЯ ПОСТОЯННОГО ТОКА (ДПТ) В ФУНКЦИИ ВРЕМЕНИ

Цель работы:

. Изучить основные способы пуска ДПТ;

. Изучить схему пуска ДПТ в функции времени.

Основные теоретические сведения

Основные способы пуска ДПТ

К пуску двигателя предъявляются два основных требования: обеспечить необходимый для трогания с места и разгона якоря вращающий момент и не допустить при пуске протекания через якорь большого тока, опасного для двигателя. Практически возможны три способа пуска: прямой пуск, пуск при включении реостата в цепь якоря и пуск при пониженном напряжении в цепи якоря.

При прямом пуске цепь якоря включается сразу на полное напряжение. Так как в первый момент пуска якорь неподвижен (n=0), то противо-ЭДС отсутствует (Eпр.=Ce*n*Ф). Тогда следует, что пусковой ток якоря

яп = Uя /Rя.

Так как для двигателей большой мощности Rя = 0,02…1,1 Ом, то Iяп = (50…100)Iн, что недопустимо. Поэтому прямой пуск возможен только у двигателей большой мощности, у которых Iяп ≤ (4…6)Iн и разгон двигателя длится менее 1с.

Пуск при включении пускового реостата Rп последовательно с якорем обеспечивает пусковой ток, равный:

яп = Uя /(Rя+Rп).

Сопротивление Rп = Uя/Iяп - Rя выбирают таким, чтобы в начальный момент пуска, когда Eпр = 0, Iяп = (1, 4…2, 5)Iн. По мере разгона якоря возрастает Eпр, сопротивление реостата выводится.

Пуск с ограниченным пусковым током возможен при питании якоря двигателя от отдельного источника с регулируемым напряжением. Ограничение пускового тока и плавный разгон двигателя обеспечивается постепенным повышением напряжения на якоре от нуля до требуемого значения. Этот метод находит применение в системах управления и регулирования мощных двигателей постоянного тока.

Рис. 1

Автоматизация пускового процесса значительно облегчает управление электродвигателями, устраняет возможные ошибки при пуске и ведёт к повышению производительности механизмов, особенно при повторно-кратковременном режиме работы. Автоматическое управление позволяет более точно выдержать заданные условия пуска и освобождает человека от выполнения утомительных операций.

Рис. 2

Управление током может быть осуществлено:

б) в функции скорости;

в) в функции времени.

Паспортные данные ДПТ: Тип СЛ-221 Uян = 110 В nян = 3600 - 4600 об/мин Iян = 0,35 А η = 33% Jдв = 0,00055 кг*м2  Mc = 0,1 - 0,12 Н*м

 Упрощенная схема

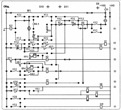
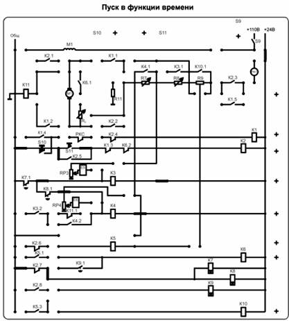
Рис. 3

Работа схемы

При подаче питания срабатывают реле времени K7,K8 через нз K2.7. Их контакты K7.1, K8.1 размыкаются. Пускатели K3 и K4 обесточены. Подаётся питание на обмотку возбуждения M1. При нажатии кнопки S11 срабатывает пускатель K2 через K6.2, K1.3, S11, S10. Своим контактом K2.5 блокирует S11, чем обеспечивается подача напряжения на K2 после отпускания кнопки S11. Контактом K2.3 подаётся питание на якорь двигателя (+110В, S9, PA1, K2.3, пусковые реостаты R8, R7, M1, K11). Двигатель набирает обороты. Размыкается контакт K2.7, обесточивая реле K7, K8. Через время уставки K7 замыкается контакт K7.1, срабатывает реле K3 и контактом K3.1 закорачивает пусковой реостат R8. Происходит бросок тока, двигатель увеличивает обороты.

Через время уставки K8 замыкается его контакт K8.1, срабатывает K4 и своим контактом K4.1 закорачивает пусковой реостат R7. Ток двигателя и его обороты устанавливаются номинальными. Пусковые реостаты R7 и R8 закорочены. При нажатии кнопки S10 обесточивается K2, размыкается K2.3, снимая питание двигателя. Замыкается контакт K2.7. Реле K7, K8 срабатывают, а реле K3, K4 обесточиваются.

Временные диаграммы


Порядок расчёта сопротивлений ступеней пуска (R7, R8) и выдержек реле времени (K7, K8).

Измеряем Rя.я = 69.0 Ом (РМ № 1),я = 68.1 Ом (РМ № 2).

Рассчитываем пусковой ток якоря Iп =

Задаём пределы изменения тока якоря при пуске I1 = 1,4 ÷ 2,5Iян

,1 Iян < I2 < I1.

Определяем суммарное сопротивление пускового реостата (R7+R8)

п = - Rя Rп

Из формулы nян =  определяем СЕФ

СЕФ =  В расчётах принимаем nян = 4600 об/мин.

=  n2

Определяем сопротивление первой ступени пускового реостата

(R8)→K3 Rп1 = ; Rп1

Определяем сопротивление 2-й степени (R7) K4

двигатель пуск ток реостат

Rп2 = Rп - Rп1 Rп2

Определяем выдержки времени реле

= Tmx ln

= JR/Cм2= JR /(10СЕФ)2=J(Rя+Rп)/Cм2; Tmx1=

См ≈ 10СЕФ= J(Rя+Rп2)/Cм2; Tmx2 =- ток двигателя в статическом режиме;=0.2 A (РМ №1),

Ic =0.2 A(РМ №2).= Tmx1 ln (реле К7), tx1= Tmx2 ln (реле К8), tx2

Порядок выполнения лабораторной работы №1 (М219)

Рассчитать сопротивления ступеней пускового реостата и необходимые выдержки реле времени K7, K8 для обеспечения пуска.

С помощью тестера выставить расчетные значения сопротивлений пусковых реостатов R7, R8.

Собрать схему рис. 1.1 и изучить её работу (схема находится на рабочем месте).

Доложить преподавателю о готовности к проведению измерений.

С разрешения преподавателя подать напряжение на стенд (включить «Сеть»).

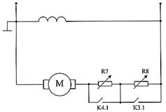
Опытным путём подобрать расчётные выдержки времени реле K7, K8 с помощью секундомера и соответствующих регуляторов на лицевой панели стенда (Туст K7, Туст K8). Для настройки K7 собрать вспомогательную схему «первая ступень» рис. 1.2. При нажатии кнопки S11 срабатывает пускатель K2 и его размыкающий контакт запускает секундомер. Контакт K2.7 обесточивает K7. Через время выдержки реле K7 замыкается K7.1 и подаёт напряжение на реле K3, которое своим замыкающим контактом (смотри вспомогательную схему рис. 1.2) остановит секундомер. Вернуть схему в исходное положение (нажать кнопку S10). Нажимая поочерёдно кнопки S11 и S10 ручкой «Туст K7» подбирают рассчитанные значения tx. При настройке реле K8 собирают вспомогательную схему «вторая ступень» рис. 1.2 и подбирают рассчитанное значение tx2 аналогично подбору tx1.

Собрать схему пуска ДПТ в функции времени рис. 1.3 и вспомогательную схему «время пуска» рис. 1.2.

Определить цену деления приборов PA1, Pω.

Нажать S10. Выключить S9.

Доложить преподавателю о выполнении измерений.

Разобрать схему и сдать рабочее место преподавателю.

Построить зависимости I = f(t) и n = f(t).

Сделать выводы по работе.

Похожие работы на - Пуск двигателя постоянного тока в функции времени

 

Не нашли материал для своей работы?
Поможем написать уникальную работу
Без плагиата!
Без нейросетей!