Разработка нейронной сети с быстрой и простой обучаемостью программы новым символам

  • Вид работы:
    Дипломная (ВКР)
  • Предмет:
    Информационное обеспечение, программирование
  • Язык:
    Русский
    ,
    Формат файла:
    MS Word
    364,14 kb
  • Опубликовано:
    2011-08-17
Вы можете узнать стоимость помощи в написании студенческой работы.
Помощь в написании работы, которую точно примут!

Разработка нейронной сети с быстрой и простой обучаемостью программы новым символам

СОДЕРЖАНИЕ

ВВЕДЕНИЕ

ОБОСНОВАНИЕ ЦЕЛЕСООБРАЗНОСТИ РАЗРАБОТКИ СИСТЕМЫ

1.1 Назначение системы

.2 Обзор аналогов

1.2.1 ABBYY FineReader

.2.2 OCR CuneiForm

.2.3 Вывод по обзору

1.3 Основные требования к системе

1.3.1 Основные цели создания системы и критерии эффективности ее функционирования

.3.2 Особенности и условия эксплуатации системы

.3.3 Требования к функциональной структуре

.3.4 Требования к техническому обеспечению

.3.5 Требования к информационному обеспечению

.3.6 Требования к программному обеспечению

2 ОСНОВНЫЕ ТЕХНИЧЕСКИЕ РЕШЕНИЯ ПРОЕКТА СИСТЕМЫ

2.1 Решение по комплексу технических средств

.1.1 Описание системы программного обеспечения

.2 Общее описание нейронных сетей

2.2.1 Однослойные нейронные сети

.2.2 Многослойные нейронные сети

.2.3 Сеть Хопфилда

.2.4 Эффективность запоминания персептронов

2.3 Обучение персептрона

2.3.1 Алгоритм обучения персептрона

.3.2 Обучение однослойной сети

.3.3 Обучение двухслойной сети обратного распространения

2.4 Дельта-правило

3 МЕТОДИКА, РЕЗУЛЬТАТЫ ЭКСПЕРЕМЕНТАЛЬНЫХ ИССЛЕДОВАНИЙ И ОПИСАНИЕ ИНТЕРФЕЙСА ПРОГРАММЫ

3.1 Эффективность запоминания персептронов

.2 Трудности с алгоритмом обучения персептрона

.3 Проблема функции исключающее ИЛИ

.4 Представляемость двухслойной нейронной сети

.5 Возможности программы

.6 Описание интерфейса и пользовательского меню

4 ПЛАНИРОВАНИЕ РАЗРАБОТКИ И ОПРЕДЕЛЕНИЕ СЕБЕСТОИМОСТИ ПРОГРАММНОГО ОБЕСПЕЧЕНИЯ

4.1 Резюме

.2 Анализ положения дел в отрасли

.3 Суть разрабатываемого проекта

.4 Маркетинговый план

.5 Производственный план

.6 Организационный план

.7 Финансовый план

.8 Экологические и социально-экономические аспекты

.9 Вывод

5 БЕЗОПАСНОСТЬ И САНИТАРНО-ГИГИЕНИЧЕСКИЕ УСЛОВИЯ ТРУДА НА РАБОЧЕМ МЕСТЕ ПОЛЬЗОВАТЕЛЯ ПЭВМ

5.1 Характеристика санитарно гигиенических условий труда

.2 Микроклимат производственного помещения

.3 Вентиляция производственного помещения

.4 Шум и вибрация

.5 Требования по защите от излучения

.6 Требования к освещенности. Выбор и расчет системы освещения

5.6.1 Выбор типа светильника

.6.2 Расчет необходимого количества светильников

5.7 Электробезопасность

.8 Пожарная безопасность

.9 Мероприятия по созданию благоприятных условий труда

.10 Вывод

ЗАКЛЮЧЕНИЕ

СПИСОК ИСПОЛЬЗОВАННЫХ ИСТОЧНИКОВ

ПРИЛОЖЕНИЕ А. ТЕКСТ ПРОГРАММЫ

ВВЕДЕНИЕ

нейронная сеть программа персептрон

В наше время все большее число людей пользуются компьютером и интернетом. В связи с чем информация ранее хранимая в печатном виде сейчас требуется в виде цифровом. Возникает потребность перевода информации с аналоговых носителей в электронные копии. При простом сканировании, из-за качества печати, сканирующих устройств и других возможных факторов, вероятность ошибки достаточно велика и требуется вносить поправки.

Таким образом, человек должен в большинстве случаев вручную редактировать полученные данные, а как известно человеческий фактор один из наиболее непостоянных. Чтобы облегчить участь современного человека, создаются автоматизированные программы в значительной мере снижающие потребность в человеческом вмешательстве. Так называемые Искусственные интеллекты, программное обеспечение позволяющее имитировать деятельность человека в различных областях. В нашем случае нейронная сеть будет отвечать за сравнение и вывод результата. Выходным результатом будет перевод изображения с символами в текстовый документ.

Методы опознания символа основаны на сравнении с образцами или на использовании характерных деталей.

1. ОБОСНОВАНИЕ ЦЕЛЕСООБРАЗНОСТИ РАЗРАБОТКИ СИСТЕМЫ

1.1 Назначение системы

Система идентификации символов реализует определение символа. Система предназначена для обработки графических изображений. Система позволяет сравнить несколько изображений друг с другом по выделенным локальным особенностям.

1.2 Обзор аналогов

Как уже было указано во введении, метод символов известен достаточно давно и с появлением электронно-вычислительной техники начали появляться программные продукты для анализа и сравнения изображений.

1.2.1ABBYY FineReader

Автоматическое распознавание - экономный вариант распознавания для конвертации большого массива документов.

Возможно применение технологии автоматического распознавания для автоименования файлов при поточном сканировании (автоматическое распознавание штрихкода документа, либо его учетного номера).

Распознавание с участием оператора - оператор определяет структуру документа, производит распознавание текста и графических областей.

Распознавание текста с участием оператора применяется, если: документ содержит сложные таблицы, графические элементы которые могут быть расценены ИИ как текстовые области и тп.

Распознавание с коррекцией ошибок - оператор определяет структуру документа, производит распознавание текста и графических областей, проверяет корректность распознавания и выправляет ошибки.

Распознавание старых/поврежденных документов - несмотря на богатую историю и наработанный опыт распознавания производители современных систем оптического распознавания не могут создать программный продукт, который будет воспринимать образы лучше человека. Иногда возникает потребность перевести в электронный вид старые или поврежденные документы (например, сметы, напечатанные на печатной машинке). Приблизительный процент успешного распознавания текста специализированным п.о. равен 50%. Для восстановления оставшейся половины оператор вручную перепечатывает информацию в электронный документ.

1.2.2OCR CuneiForm

OCR CuneiForm может распознавать любые полиграфические, машинописные гарнитуры всех начертаний и шрифты, получаемые с принтеров за исключением декоративных и рукописных. В систему встроены специальные алгоритмы для распознавания текста с матричного принтера, плохих ксерокопий факсов и машинописи.CuneiForm это:

) высокое качество распознавания;

) высокая скорость работы;

) распознавание текстов на русском, английском, смешанном русско-английском, украинском, немецком, французском, испанском, итальянском, шведском и других (всего более 20);

) работа в режиме автофрагментации для поиска текстовых блоков, таблиц и изображений, а также мощное средство ручной и полуавтоматической фрагментации;

) распознавание таблиц любой структуры и сложности, в том числе и без отображения линий табличной сетки;

) автоматическое сохранение иллюстраций (черно-белых и цветных) и таблиц в получаемом на выходе документе;

) полное сохранение топологии страницы;

) поддержка пакетного режима сканирования и распознавания;

) простота использования и интуитивный интерфейс, встроенные помощники по работе с программой;

) встроенный текстовый редактор для работы с распознанным текстом;

) совмещенный показ изображений и результатов распознавания.

1.2.3 Вывод по обзору

Список программных продуктов, безусловно, может быть расширен, но все же самые характерные и популярные разработки в него включены.

Среди программных продуктов, посвященных идентификации и коррекции символов, можно выделить возможность как автоматического распознавания и коррекции, так и с помощью оператора.

В данном случае актуальной является разработка системы распознавания символов с помощью нейронных сетей, которые обладают возможностью быстро распознавать символы, а так же способностями обучения и самообучения.

1.3Основные требования к системе

1.3.1Основные цели создания системы и критерии эффективности ее функционирования

Создание системы распознавания позволит получить новую возможность по подготовке изображений к структурному анализу, разработать инструмент, улучшающий качество графической информации за счет снижения искажений и шумов.

Для оценки эффективности работы системы можно использовать качество получаемых на выходе изображений, и их структурное описание. А также уровень правильного распознавания.

1.3.2Особенности и условия эксплуатации системы

Система идентификации символов предназначена для работы с цифровыми изображениями, полученными посредством сканирования и их сегментации с полученного изображения.

Таким образом изображения символов имеют размер порядка нескольких мегапикселей и должны сохраняться в формате без сжатия, чтобы избежать искажений.

1.3.3Требования к функциональной структуре

Построение системы идентификации символа предполагает модульную структуру. Общий интерфейс и возможность доступа ко всем модулям в составе системы должна обеспечивать оболочка. Из оболочки вызываются следующие модули: подсистема анализа изображения, подсистема сравнения определения символа с помощью нейронной сети. Обмен данными между подсистемами происходит через проект в рамках общей оболочки.

1.3.4Требования к техническому обеспечению

Задача обработки изображений в системе связана с автоматическим анализом больших массивов графической информации. Преобразования, проводимые в системе, должны проводиться в процессе интерактивного взаимодействия с пользователем, поэтому паузы на обработку не должны превышать нескольких секунд. Исходя из этого, сформулированы требования к техническим характеристикам персонального компьютера, на котором будет функционировать система. Требования сведены в таблице 1.1.

Таблица 1.1 - Технические характеристики персонального компьютера

Наименование

Значение

Частота процессора, МГц

от 1800

Объем оперативной памяти, Мб

от 256

Разрешение экрана монитора

не менее 1024x768

1.3.5Требования к информационному обеспечению

Система предназначена для обработки битовых изображений. Вследствие неточностей, шумов и аппроксимаций, вносимых оборудованием (сканер или любое иное дискретизирующее графику устройство) в изображении появляются шумы различной природы. Система позволяет частично избавиться от этих искажений. Поэтому качество входных образов должно быть на приемлимом уровне.

1.3.6Требования к программному обеспечению

Систему целесообразно разрабатывать для функционирования под операционной системой семейства Windows, так как ОС данного класса наиболее широко распространены в современном мире. Платформой для разработки выбрана среда для разработки Borland Delphi 6 Enterprize. Эта среда поддерживает алгоритмический язык Pascal и обладает при этом возможностями быстрой разработки и проектирования визуальных интерфейсов, что особенно важно при работе с графической информацией.

2. ОСНОВНЫЕ ТЕХНИЧЕСКИЕ РЕШЕНИЯ ПРОЕКТА СИСТЕМЫ

2.1 Решение по комплексу технических средств

Как уже отмечалось в п. 1.3.4, для достижения удобного пользователю режима функционирования системы необходимо следующая минимальная конфигурация персонального компьютера: частота процессора 1800 МГц, объем оперативной памяти 254 Мб, монитор, поддерживающий разрешение 1024x768 точек. Также желательно наличие следующих периферийных технических средств: сканер, цветной струйный принтер для вывода на печать результатов.

2.1.1 Описание системы программного обеспечения

Для реализации и функционирования проекта необходимо общесистемное программное обеспечение ОС Windows XP, в основе которой лежит ядро, характеризуемое 32-разрядной вычислительной архитектурой и полностью защищенной моделью памяти, что обеспечивает надежную вычислительную среду.

Разработка системы распознавания и ее подсистем будет вестись с использованием среды для разработки приложений Borland Delphi 6 Enterprize. Среда разработки включает в себя высокопроизводительный 32-битный компилятор, что позволяет оптимизировать создаваемый код. Borland Delphi 6 Enterprize включает обширный набор средств, который повышает производительность труда программистов и сокращают продолжительность цикла разработки. Многофункциональная интегрированная среда разработки включает компилятор, удовлетворяющий стандарта ANSI/ISO, встроенный дизайнер форм, богатый набор средств для работы с компонентами, инструмент Solution Explorer, менеджер проектов и отладчик. Удобство разработки и эффективность созданных в данной среде разработки программа делают Borland Delphi 6 Enterprize оптимальным выбором для построения исследовательской системы, какой является система распознавания личности.

2.2 Общее описание нейронных сетей

2.2.1 Однослойные нейронные сети

В соответствии с [1] персептрон представляет собой модель обучаемой распознающей системы. Он содержит матрицу светочувствительных элементов (S-элементы), ассоциативные элементы (А-элементы) и реагирующие элементы (R-элементы). По сути персептрон состоит из одного слоя искусственных нейронов, соединенных с помощью весовых коэффициентов с множеством входов.

В 60е годы персептроны вызвали большой интерес. Розенблатт [1] доказал теорему об обучении персептрона и тем самым показал, что персептрон способен научиться всему, что он способен представлять. Уидроу [2-5] дал ряд убедительных демонстраций систем персептронного типа. Исследования возможности этих систем показали, что персептроны не способны обучиться ряду простых задач. Минский [6] строго проанализировал эту проблему и показал, что имеются жесткие ограничения на то, что могут выполнять однослойные персептроны, и, следовательно, на то, чему они могут обучаться.

Один из самых пессимистических результатов Минского показывает, что однослойный персептрон не может воспроизвести такую простую функцию как исключающее ИЛИ. Это - функция от двух аргументов, каждый из которых может быть нулем или единицей. Она принимает значение единицы, когда один из аргументов равен единице (но не оба). Если проблему представить с помощью однослойной однонейронной системы, то легко видеть, что при любых значениях весов и порогов невозможно расположить прямую линию, разделяющую плоскость (пространство образов) так, чтобы реализовывалась функция исключающее ИЛИ. Имеется обширный класс функций (наряду с функцией исключающее ИЛИ), не реализуемых однослойной сетью. Об этих функциях говорят, что они являются линейно неразделимыми, и они накладывают определенные ограничения на возможности однослойных сетей. Линейная разделимость ограничивает однослойные сети задачами классификации, в которых множества точек (соответствующих входным значениям) могут быть разделены геометрически. В случае двух входов разделитель является прямой линией. В случае трех входов разделение осуществляется плоскостью, рассекающей трехмерное пространство. Для четырех или более входов визуализация невозможна и необходимо мысленно представить n-мерное пространство, рассекаемое ‘‘гиперплоскостью’’ - геометрическим объектом, который рассекает пространство четырех или большего числа измерений. Как показано в [7], вероятность того, что случайно выбранная функция окажется линейно разделимой, весьма мала. Так как линейная разделимость ограничивает возможности персептронного представления, то однослойные персептроны на практике ограничены простыми задачами.

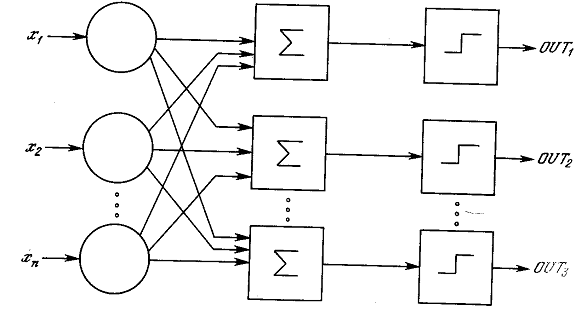
Чтобы сеть представляла практическую ценность, нужен систематический метод (алгоритм) для вычисления значений весов и порогов. Процедуру подстройки весов обычно называют обучением. Цель обучения состоит в том, чтобы для некоторого множества входов давать желаемое множество выходов. Алгоритм обучения персептрона был предложен в [1] и имеет множество модификаций. В настоящей работе реализована модель одного из вариантов. На рисунке 2.1 представлена общая модель персептрона.

Рисунок 2.1 - Персептрон со многими выходами

2.2.2 Многослойные нейронные сети

Серьезное ограничение представляемости однослойными сетями можно преодолеть, добавив дополнительные слои. Многослойные сети можно получить каскадным соединением однослойных сетей, где выход одного слоя является входом для последующего слоя, причем такая сеть, представленная на рисунке 2.2, может привести к увеличению вычислительной мощности лишь в том случае, если активационная функция между слоями будет нелинейной.

Многослойные сети способны выполнять общие классификации, отделяя те точки, которые содержаться в выпуклых ограниченных или неограниченных областях. Если рассмотреть простую двухслойную сеть с двумя нейронами в первом слое, соединенными с единственным нейроном во втором слое, то каждый нейрон первого слоя разбивает плоскость на две полуплоскости, образуя в пространстве образов V-образную область, а нейрон второго слоя реализует различные функции при подходящем выборе весов и порога. Аналогично во втором слое может быть использовано три нейрона с дальнейшим разбиением плоскости и созданием области треугольной формы. Включением достаточного числа нейронов во входной слой может быть образован выпуклый многоугольник любой желаемой формы. Точки, не составляющие выпуклой области, не могут быть отделены о других точек плоскости двухслойной сетью.

Трехслойная сеть является более общей. Ее классифицирующие возможности ограничены лишь числом искусственных нейронов и весов. Ограничения на выпуклость отсутствуют. Теперь нейрон третьего слоя принимает в качестве входа набор выпуклых многоугольников, и их логическая комбинация может быть невыпуклой. При добавлении нейронов и весов число сторон многоугольника может неограниченно возрастать. Это позволяет аппроксимировать область любой формы с любой точностью. В добавок не все выходные области второго слоя должны пересекаться. Возможно, следовательно, объединять различные области, выпуклые и невыпуклые, выдавая на выходе единицу всякий раз, когда входной вектор принадлежит одной из них.

Для обучения искусственных нейронных сетей широко применяется процедура обратного распространения. Обратное распространение было независимо предложено в трех различных работах [8, 9, 10]. В работе программно реализована двухслойная сеть обратного распространения.

Рисунок 2.2 - Двухслойная сеть обратного распространения

2.2.3 Сеть Хопфилда

Сети, рассмотренные выше, не имели обратных связей, т.е. связей, идущих от выходов сети к их входам. Отсутствие обратных связей гарантирует безусловную устойчивость сетей. Так как сети с обратными связями имеют пути от выходов к входам, то отклик таких сетей является динамическим, т.е. после приложения нового входа вычисляется выход и, передаваясь по сети обратной связи, модифицирует вход. Затем выход повторно вычисляется и процесс повторяется снова и снова. Для устойчивой сети последовательные итерации приводят к все меньшим изменениям выхода, пока в конце концов выход не становится постоянным. Для многих сетей процесс никогда не заканчивается, такие сети называются неустойчивыми. Проблема устойчивости ставила в тупик первых исследователей. Никто не был в состоянии предсказать, какие из сетей будут устойчивыми, а какие будут находится в постоянном изменении. К счастью, в работе [5] была получена теорема, описавшая подмножество сетей с обратными связями, выходы которых в конце концов достигают устойчивого состояния. Это замечательное достижение открыло дорогу дальнейшим исследованиям.

Дж. Хопфилд сделал важный вклад как в теорию, так и в применение систем с обратными связями. В его работе [11] при имитации поведения ансамбля нейронов использовались переменные, описывающие состояния нейронов (вектор состояния ), и переменные, описывающие связи между нейронами (оператор памяти W),а также два уравнения , определяющие изменение со временем. Одно из этих уравнений представляет изменение под действием оператора W (выработка реакции на стимул), а второе - изменение матрицы W, квадратичное по (запоминание).При этом вектор состояния ансамбля нейронов представляет собой вектор в фазовом пространстве динамической системы , а ‘‘память’’ реализована как система аттракторов. Запоминание новой информации осуществляется путем усложнения по определенному алгоритму структуры аттракторов. Такой подход допускает простую механическую аналогию, если представить себе вектор состояния как положение частицы, движущейся под действием силы тяжести и трения по некоторому рельефу. При скатывании с ‘‘горы’’ в одну из ‘‘низин’’ потенциальная энергия системы уменьшается, и в конце концов материальная точка останавливается из-за трения. Положение частицы в конечном состоянии (т.е. та из низин, в которой она останавливается) зависит как от формы рельефа, так и от начального состояния, с которого началось скатывание. Функционирование сети легко визуализируется геометрически. В случае двух бинарных нейронов в выходном слое каждой вершине квадрата соответствует одно из четырех состояний системы (00,01,10,11). В случае трехнейронной системы пространство образов представлено кубом (в трехмерном пространстве), имеющим 8 вершин, каждая из которых помечена трехбитовым бинарным числом. В общем случае система с n нейронами имеет 2n различных сосояний и представляется n - мерным гиперкубом. Когда подается новый входной вектор, сеть переходит из вершины в вершину, пока не стабилизируется. Устойчивая вершина определяется сетевыми весами, текущими входами и величиной порога. Если входной вектор частично неправилен или неполон, то сеть стабилизируется к вершине, ближайшей к желаемой.

В данной работе представлена программная реализация сети Хопфилда и проиллюстрированы ряд ее свойств.

2.2.4 Эффективность запоминания персептронов

Серьезные вопросы имеются относительно эффективности запоминания информации в персептроне (или любых других нейронных сетях) по сравнению с обычной компьютерной памятью и методами поиска информации в ней. Например, в компьютерной памяти можно хранить все входные образы вместе с классифицирующими битами. Компьютер должен найти требуемый образ и дать его классификацию. Различные хорошо известные методы могли бы быть использованы для ускорения поиска. Если точное соответствие не найдено, то для ответа может быть использовано правило ближайшего соседа.

Число битов, необходимое для хранения этой же информации в весах персептрона, может быть значительно меньшим по сравнению с методом обычной компьютерной памяти, если образы допускают экономичную запись. Однако Минский [6] построил патологические примеры, в которых число битов, требуемых для представления весов, растет с размерностью задачи быстрее, чем экспоненциально. В этих случаях требования к памяти с ростом размерности задачи быстро становятся невыполнимыми. Если, как он предположил, эта ситуация не является исключением, то персептроны часто могут быть ограничены только малыми задачами. Это остается открытым вопросом, относящимся ко всем нейронным сетям.

2.3 Обучение персептрона

Способность искусственных нейронных сетей обучаться является их наиболее интригующим свойством. Подобно биологическим системам, которые они моделируют, эти нейронные сети сами моделируют себя в результате попыток достичь лучшей модели поведения.

Используя критерий линейной разделимости, можно решить, способна ли однослойная нейронная сеть реализовывать требуемую функцию. Даже в том случае, когда ответ положительный, это принесет мало пользы, если у нас нет способа найти нужные значения для весов и порогов. Чтобы сеть представляла практическую ценность, нужен систематический метод (алгоритм) для вычисления этих значений. Розенблатт [12] сделал это в своем алгоритме обучения персептрона вместе с доказательством того, что персептрон может быть обучен всему, что он может реализовывать.

Обучение может быть с учителем или без него. Для обучения с учителем нужен «внешний» учитель, который оценивал бы поведение системы и управлял ее последующими модификациями. При обучении без учителя, рассматриваемого в последующих главах, сеть путем самоорганизации делает требуемые изменения. Обучение персептрона является обучением с учителем.

Процедуру подстройки весов обычно называют «обучением» и говорят, что сеть «обучается». Доказательство Розенблатта стало основной вехой и дало мощный импульс исследованиям в этой области.

2.3.1 Алгоритм обучения персептрона

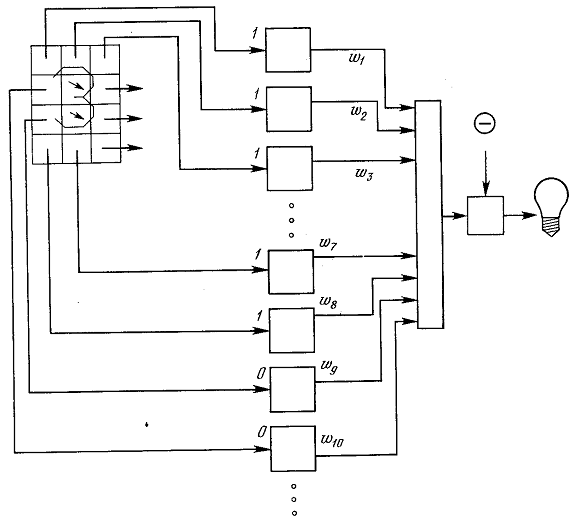
Персептрон обучают, подавая множество образов по одному на его вход и подстраивая веса до тех пор, пока для всех образов не будет достигнут требуемый выход. Допустим, что входные образы нанесены на демонстрационные карты. Каждая карта разбита на квадраты и от каждого квадрата на персептрон подается вход. Если в квадрате имеется линия, то от него подается единица, в противном случае - ноль. Множество квадратов на карте задает, таким образом, множество нулей и единиц, которое и подается на входы персептрона. Цель состоит в том, чтобы научить персептрон включать индикатор при подаче на него множества входов, задающих нечетное число, и не включать в случае четного.

На рисунке 2.3 показана такая персептронная конфигурация. Допустим, что вектор Х является образом распознаваемой демонстрационной карты. Каждая компонента (квадрат) Х - (x1, x2, …, xn) - умножается на соответствующую компоненту вектора весов W - (w1, w2, ..., wn). Эти произведения суммируются. Если сумма превышает порог Θ, то выход нейрона Y равен единице (индикатор зажигается), в противном случае он - ноль. Эта операция компактно записывается в векторной форме как Y = XW, а после нее следует пороговая операция.

Рисунок 2.3 - Персептронная система распознавания изображений

Для обучения сети образ Х подается на вход и вычисляется выход Y. Если Y правилен, то ничего не меняется. Однако если выход неправилен, то веса, присоединенные к входам, усиливающим ошибочный результат, модифицируются, чтобы уменьшить ошибку.

Чтобы увидеть, как это осуществляется, допустим, что демонстрационная карта с цифрой 3 подана на вход и выход Y равен 1 (показывая нечетность). Так как это правильный ответ, то веса не изменяются. Если, однако, на вход подается карта с номером 4 и выход Y равен единице (нечетный), то веса, присоединенные к единичным входам, должны быть уменьшены, так как они стремятся дать неверный результат. Аналогично, если карта с номером 3 дает нулевой выход, то веса, присоединенные к единичным входам, должны быть увеличены, чтобы скорректировать ошибку.

Этот метод обучения может быть подытожен следующим образом:

1)Подать входной образ и вычислить Y.

) а)Если выход правильный, то перейти на шаг 1);

б) Если выход неправильный и равен нулю, то добавить все входы к соответствующим им весам; или

в) Если выход неправильный и равен единице, то вычесть каждый вход из соответствующего ему веса.

)Перейти на шаг 1).

За конечное число шагов сеть научится разделять карты на четные и нечетные при условии, что множество цифр линейно разделимо. Это значит, что для всех нечетных карт выход будет больше порога, а для всех четных - меньше. Отметим, что это обучение глобально, т. е. сеть обучается на всем множестве карт. Возникает вопрос о том, как это множество должно предъявляться, чтобы минимизировать время обучения.

2.3.2 Обучение однослойной сети

Обучение происходит по следующей схеме:

а) Все веса задаются случайным образом из диапазона(-0.5,+0.5).

б) На вход сети подается обучающий вектор и вычисляется выход каждого нейрона как алгебраическая сумма его взвешенных входов .

в) В модели использован метод обучения Уидроу - Хоффа [5], где используется непрерывный сигнал, чтобы вычислить ошибку для каждого нейрона, то есть вычитается выходной сигнал, как алгебраическая сумма его взвешенных входов, из требуемого выхода.

г) Корректируется веса сети так, чтобы минимизировать ошибку.

д) Повторяются шаги с а) по г) до тех пор пока общая ошибка сети не станет меньше допустимой, заданной в данной модели. Величина допустимой ошибки изменяется в целях эксперимента.

2.3.3 Обучение двухслойной сети обратного распространения

Для подсчета количества слоев использованы следующие соображения: слой состоит из множества весов со следующими за ними нейронами, суммирующими взвешенные сигналы. Первый слой состоит из двадцати нейронов, второй (выходной) - из двух нейронов.

В качестве активационной функции нейронов первого и второго слоя использована сигмоидальная функция. Так как многослойные нейронные сети обладают большей представляющей мощностью, чем однослойные, только в случае присутствия нелинейности, то сигмоид обеспечивает это требование. Данная функция всюду дифференцируема, что используется в алгоритме обратного распространения. Ее дополнительные преимущество состоит в автоматическом контроле усиления. Для слабых сигналов кривая вход - выход имеет сильный наклон, дающий большое усиление, а когда величина сигнала становится больше, усиление падает. Таким образом большие сигналы воспринимаются сетью без насыщения, а слабые сигналы проходят по сети без чрезмерного ослабления.

Обучение сети обратного распространения в модели происходило по следующей схеме:

а) Всем весам присвоены начальные значения, выбранные случайным образом из диапазона (-0.5,+0.5) .

б) Выбирается очередная обучающая пара из обучающего множества и подается входной вектор на вход сети.

в) Проход вперед . Вычисляется выход сети. Вычисления выполняются послойно. Сначала вычисляются выходы первого нейронного слоя, затем они используются в качестве входов второго слоя; вычисляются выходы нейронов второго слоя, которые и образуют выходной вектор сети.

г) Вычисляется разность между выходом сети и требуемым выходом (целевым вектором обучающей пары), то есть каждый из выходов сети вычитается из соответствующей компоненты целевого вектора, чтобы получить ошибку.

д) Обратный проход . Корректируется веса сети так, чтобы минимизировать ошибку. Так как для каждого нейрона выходного слоя задано целевое значение, то ошибка находится с использованием модифицированного дельта-правила для персептрона. Выходы нейронов скрытого слоя не имеют целевых значений для сравнения, то для поиска ошибки (и коррекции весов) делается ряд шагов, составляющие алгоритмы подстройки весов выходного и скрытого слоев .

Повторяются шаги с а) по д) для каждого вектора обучающего множества до тех пор, пока ошибка на всем множестве не достигнет приемлемого уровня. Величина предельной ошибки изменяется в целях эксперимента.

В модели сети используется метод ускорения обучения для алгоритма обратного распространения, предложенный в [9], увеличивающий также устойчивость процесса. Этот метод, названный импульсом, заключается в добавлении к коррекции веса члена, пропорционального величине предыдущего изменения веса. Коэффициент импульса выбран равным 0.5.

В доказательстве алгоритмов обучения персептрона [1] и процедуры обратного распространения [9] ничего не говорится о том, сколько шагов требуется для обучения сети. В данной работе для контроля остановки процесса обучения этих сетей введена величина допустимой ошибки сети, которая изменяется в экспериментах с моделями, чтобы определить условие разделимости для конкретного обучающего множества.

2.4 Дельта-правило

Важное обобщение алгоритма обучения персептрона, называемое дельта-правилом, переносит этот метод на непрерывные входы и выходы. Чтобы понять, как оно было получено, шаг 2 алгоритма обучения персептрона может быть сформулирован в обобщенной форме с помощью введения величины δ, которая равна разности между требуемым или целевым выходом T и реальным выходом Y

δ = (T - Y).(2.1)

Случай, когда δ=0, соответствует шагу 2а, когда выход правилен и в сети ничего не изменяется. Шаг 2б соответствует случаю δ > 0, а шаг 2в случаю δ < 0.

В любом из этих случаев персептронный алгоритм обучения сохраняется, если δ умножается на величину каждого входа хi и это произведение добавляется к соответствующему весу. С целью обобщения вводится коэффициент «скорости обучения» η), который умножается на δхi, что позволяет управлять средней величиной изменения весов.

В алгебраической форме записи

Δi = ηδxi,(2.2)

w(n+1) = w(n) + Δi,(2.3)

где Δi - коррекция, связанная с i-м входом хi; wi(n+1) - значение веса i после коррекции; wi{n) -значение веса i до коррекции.

Дельта-правило модифицирует веса в соответствии с требуемым и действительным значениями выхода каждой полярности как для непрерывных, так и для бинарных входов и выходов. Эти свойства открыли множество новых приложений.

3. МЕТОДИКА, РЕЗУЛЬТАТЫ ЭКСПЕРЕМЕНТАЛЬНЫХ ИССЛЕДОВАНИЙ И ОПИСАНИЕ ИНТЕРФЕЙСА ПРОГРАММЫ

3.1 Эффективность запоминания персептронов

Серьезные вопросы имеются относительно эффективности запоминания информации в персептроне (или любых других нейронных сетях) по сравнению с обычной компьютерной памятью и методами поиска информации в ней. Например, в компьютерной памяти можно хранить все входные образы вместе с классифицирующими битами. Компьютер должен найти требуемый образ и дать его классификацию. Различные хорошо известные методы могли бы быть использованы для ускорения поиска. Если точное соответствие не найдено, то для ответа может быть использовано правило ближайшего соседа.

Число битов, необходимое для хранения этой же информации в весах персептрона, может быть значительно меньшим по сравнению с методом обычной компьютерной памяти, если образы допускают экономичную запись. Однако Минский [6] построил патологические примеры, в которых число битов, требуемых для представления весов, растет с размерностью задачи быстрее, чем экспоненциально. В этих случаях требования к памяти с ростом размерности задачи быстро становятся невыполнимыми. Если, как он предположил, эта ситуация не является исключением, то персептроны часто могут быть ограничены только малыми задачами. Это остается открытым вопросом, относящимся ко всем нейронным сетям.

3.2 Трудности с алгоритмом обучения персептрона

Может оказаться затруднительным определить, выполнено ли условие разделимости для конкретного обучающего множества. Кроме того, во многих встречающихся на практике ситуациях входы часто меняются во времени и могут быть разделимы в один момент времени и неразделимы в другой. В доказательстве алгоритма обучения персептрона ничего не говорится также о том, сколько шагов требуется для обучения сети. Мало утешительного в знании того, что обучение закончится за конечное число шагов, если необходимое для этого время сравнимо с геологической эпохой. Кроме того, не доказано, что персептронный алгоритм обучения более быстр по сравнению с простым перебором всех возможных значений весов, и в некоторых случаях этот примитивный подход может оказаться лучше.

На эти вопросы никогда не находилось удовлетворительного ответа, они относятся к природе обучающего материала. В различной форме они возникают в последующих главах, где рассматриваются другие сетевые парадигмы. Ответы для современных сетей как правило не более удовлетворительны, чем для персептрона.

3.3 Проблема функции исключающее ИЛИ

Один из самых пессимистических результатов Минского показывает, что однослойный персептрон не может воспроизвести такую простую функцию, как исключающее ИЛИ. Это функция от двух аргументов, каждый из которых может быть нулем или единицей. Она принимает значение единицы, когда один из аргументов равен единице (но не оба). Проблему можно проиллюстрировать с помощью однослойной однонейронной системы с двумя входами, показанной на рисунок 3.1. Обозначим один вход через х, а другой через у, тогда все их возможные комбинации будут состоять из четырех точек на плоскости х-у, как показано на рисунок 3.2. Например, точка х = 0 и у = 0 обозначена на рисунке как точка А Таблица 3.3 показывает требуемую связь между входами и выходом, где входные комбинации, которые должны давать нулевой выход, помечены А0 и А1, единичный выход - В0 и В1.

Рисунок 3.1 - Однонейронная система

В сети на рисунок 3.1 функция F является обычным порогом, так что OUT принимает значение ноль, когда NET меньше 0,5, и единица в случае, когда NET больше или равно 0,5. Нейрон выполняет следующее вычисление:

NET = xw1 + yw2(3.1)

Никакая комбинация значений двух весов не может дать соотношения между входом и выходом, задаваемого таблица 3.1. Чтобы понять это ограничение, зафиксируем NET на величине порога 0,5. Сеть в этом случае описывается уравнением (3.1). Это уравнение линейно по х и у, т. е. все значения по х и у, удовлетворяющие этому уравнению, будут лежать на некоторой прямой в плоскости х-у.

xw1 + yw2 = 0,5(3.2)

Таблица 3.1 - Таблица истинности для функции исключающее ИЛИ

Точки

Значения х

Значения у

Требуемый выход

A0

0

0

0

B0

1

0

1

B1

0

1

1

A1

1

1

0


Любые входные значения для х и у на этой линии будут давать пороговое значение 0,5 для NET. Входные значения с одной стороны прямой обеспечат значения NET больше порога, следовательно, OUT=1. Входные значения по другую сторону прямой обеспечат значения NET меньше порогового значения, делая OUT равным 0. Изменения значений w1, w2 и порога будут менять наклон и положение прямой. Для того чтобы сеть реализовала функцию исключающее ИЛИ, заданную таблицей 3.1, нужно расположить прямую так, чтобы точки А были с одной стороны прямой, а точки В - с другой. Попытавшись нарисовать такую прямую на рисунок 3.2, убеждаемся, что это невозможно. Это означает, что какие бы значения ни приписывались весам и порогу, сеть неспособна воспроизвести соотношение между входом и выходом, требуемое для представления функции исключающее ИЛИ.

Рисунок 3.2 - Проблема исключающее ИЛИ

Взглянув на задачу с другой точки зрения, рассмотрим NET как поверхность над плоскостью х-у. Каждая точка этой поверхности находится над соответствующей точкой плоскости х-у на расстоянии, равном значению NET в этой точке. Можно показать, что наклон этой NET-поверхности одинаков для всей поверхности х-у. Все точки, в которых значение NET равно величине порога, проектируются на линию уровня плоскости NET (см. рисунок 3.3).

Рисунок 3.3 - Персептронная NET-плоскость

Ясно, что все точки по одну сторону пороговой прямой спроецируются в значения NET, большие порога, а точки по другую сторону дадут меньшие значения NET. Таким образом, пороговая прямая разбивает плоскость х-у на две области. Во всех точках по одну сторону пороговой прямой значение OUT равно единице, по другую сторону - нулю.

Для того, чтобы проиллюстрировать эту проблему, персептрону предоставляли четыре обучающих пары. К одному классу образов относили, подаваемое на измерительную сетчатку 5х7, шахматное поле и такое же поле, но с инвертируемым цветом. К другому классу - буквенные символы E и F. В результате распознавания персептрон классифицировал первый из указанных образов как относящийся к первому классу, а второй, третий и четвертый - ко второму. Т. е. персептрон ошибся на втором образе.

Эти же обучающие пары предоставили для обучения и распознавания модели двухслойной сети. В результате сеть все образы классифицировала правильно. Эти результаты согласуются с теорией представляемости персептрона и двухслойных сетей.

3.4 Представляемость двухслойной нейронной сети

Данный эксперимент был поставлен для выяснения способности двухслойной сети обратного распространения классифицировать буквенно-цифровые изображения (десять цифр и двадцать шесть букв латинского алфавита) на два класса - цифры и буквы. Сеть обратного распространения при уровне допустимой ошибки 0.001 путала классами цифры 3, 4, 5 и буквы S, I. При уровне допустимой ошибки 0.00001 сеть обратного распространения путала класс буквы S. При уровне допустимой ошибки 0.000001 сеть обратного распространения ошибок в классификации не допускала.

3.5 Возможности программы

Программа предназначена для распознавания изображений символов, после сигметативного выделения и корректировки образа по вертикали.

Программа написана на языке Pascal в интегрированной среде разработки Borland Delphi 6 Enterprize в форме Windows-приложения. Тексты исполняемых процедур с соответствующими комментариями приведены в приложении.

Конечной целью программы является выдача файла с текстом.

Программа обеспечивает:

Распознавание уже известных символов

Быстроту распознавания

Возможность быстрого «обучения» для увеличения количества и качества распознаваемых символов

3.6 Описание интерфейса и пользовательского меню

В программе предусмотрен удобный графический интерфейс с интуитивно понятным пользовательским меню. После загрузки исполняемого файла программы на экране дисплея отображается основное окно, приведенное на рисунке 3.4. На панели в верхней части окна располагаются пункты главного меню.

Рисунок 3.4 - Начало работы

Пункт «Файл» главного меню содержит три подпункта: «Открыть», который позволяет открыть файл с изображением, «Сохранить Как», который позволяет сохранить полученный текст на диск в виде текстового файла, «Закрыть все»,который закрывает все открытые форм работы с программой, но не саму программу, и «Выход», который позволяет выйти из программы. Пункт «Справка» содержит подпункты «О программе» и «Помощь». При выборе подпункта «О программе» появляется окно, приведённое на рисунке 3.5, и при выборе «Помощь» » появляется окно, приведённое на рисунке 3.6.

Рисунок 3.5 - О программе

Рисунок 3.6 - Помощь

Далее представлен пример работы программы, представлено на рисунке 3.7 и представлеет собой окно с картинкой клавишами «Обучить», «Очистить» и «Распознать». Клавиша «Обучить» позволяет сопоставить картинку символу записанному в «Поле для символа». «Очистить» убирает картинку. «Распознать» приводит к выполнению распознавания символа с помощью нейронной сети и последующая запись результата в «Поле для символа».

Рисунок 3.7 - Распознавание

Частичный текст программы приведен в приложении А.

4. РАСЧЕТ ЭКОНОМИЧЕСКИХ ПОКАЗАТЕЛЕЙ

4.1 Резюме

Главной задачей моей дипломной работы является разработка программы, позволяющей распознавать изображения, в частности для распознавания символов. Программа применима для обработки отсканированных или сфотографированных изображений содержащих символы. Например при оцифровке книг или при распознавании номерных знаков. В данной отрасли представлено очень малое число продуктов.

4.2 Анализ положения дел в отрасли

На данный момент на рынке представлены несколько программных продуктов, такие как ABBYY FineReader и OCR CuneiForm. Фирмы предоставляющие данный софт являются практически полномерными монополистами в своей сфере. В связи с этим фактом цена на программную продукцию данных фирм высока.

В целом ситуация в отрасли выглядит обнадеживающей. Российский рынок активно развивается и функциональное программное обеспечение может найти свою нишу. В тоже время необходимо постоянное наблюдение конкурентов и своевременное совершенствование своего программного продукта, иначе шанс захватить и удержать долю рынка будет невелик.

4.3 Суть разрабатываемого проекта (описание научно технического продукта)

Цель данной работы состоит в разработке функционального и в тоже время простого программного обеспечения, способного распознавать текст, оцифровывать его.

Проект реализован в виде набора файлов программы, набора готовых алгоритмов. Набор готовых алгоритмов представлен в текстовом файле с целью возможности быстрого копирования и модификации.

Для использования программного обеспечения необходим компьютер. В зависимости от величины базы, количества обрабатываемых записей и производительности компьютера длительность выполнения преобразований записей может серьезно меняться от нескольких минут до десятков часов в случае базы с большим числом обрабатываемых записей.

Одной из главных особенностей системы является ее быстродействие. Среди преимуществ перед аналогами можно выделить возможность «обучения» программы для более эффективного распознавания и увеличения распознаваемых символов.

В рамках лицензии пользователя предлагается бесплатное обновление программы в течении ее действия (1 год). Это даст дополнительный фактор уверенности потенциальных покупателей продукта.

Код данной программы в обязательном порядке будет охраняться законом об авторских правах, и являться собственностью разработчика. Только при его согласии, будет осуществляться продажа, использование и распространение системы. Патент на данный код не требуется.

Прохождение сертификации для данной программы не обязательно. Для популяризации приложения возможны различные доклады на конференциях по безопасности информации, создание тем на различных форумах, связанных с тематикой отрасли.

4.4 Маркетинговый план

Маркетинг - процесс управления, согласующий ресурсы с возможностями для получения прибыли через идентификацию, прогнозирование, оказания влияния и удовлетворение потребительского спроса.

В данной дипломной работе разрабатывается программное обеспечение, которое может использоваться как готовый к продаже конечный продукт. Для его функционирования не требуется дополнительного программного обеспечения.

Для использования средств программы не требуется высокой квалификации, достаточно знания компьютера на уровне опытного пользователя.

Для клиента важной стороной разработки будет являться его относительно низкая стоимость и обеспечение бесплатной поддержки в течении действия лицензии. Программы конкурентов иногда могут обеспечить лучшую поддержку и обновление, но в свою очередь, просят за это большую плату.

Сравнительные характеристики товара-конкурента и нового товара приведены в таблице 4.1.

Таблица 4.1 - Сравнительные характеристики товара-конкурента и нового товара

Товар-конкурент

Сильные стороны

Слабые стороны

Характеристики нового товара

ABBYY FineReader

1. Наличие готовых алгоритмов.

1. Отсутствует поддержка пользовательских алгоритмов.

1. Наличие готовых алгоритмов. 2. Поддержка пользовательских алгоритмов/масок 3. Простой и удобный интерфейс пользователя. 4.Стоимость

OCR CuneiForm

1. Наличие готовых алгоритмов.

1. Малопонятный интерфейс 2. Возможная некорректность работы

1. Свободное распространение 2. Доработка продукта


Анализ рынка сбыта: основной целевой группой для сбыта программы являются физические лица. Характеристика сегментов рынка приведена в таблице 4.2.

Таблица 4.2 - Характеристика сегментов рынка

Сегмент

Описание сегмента

Прогнозируемый объем продаж лицензий, шт.

0

Физические лица, использующие программу в личных целях

1500 - 2000

Коммерческие предприятия

Основной рынок сбыта, большие объемы различной информации с необходимостью защиты

100 - 300


Диаграмма сегментирования рынка торговых систем приведена на рисунке 4.1.

Рисунок 4.1 - Диаграмма сегментирования рынка торговых систем

Стратегия. В интернете сегодня можно найти различные варианты программ обработки баз данных. Каждая из них имеет свои преимущества и недостатки. Чтобы добиться признания потребителя, программа должна включать ключевые положительные стороны существующих аналогов и минимальное количество недостатков, а так же иметь доступную большинству из основной целевой группы цену.

Для клиента важна доступная, простая в обращении, функциональная и производительная программа. Наилучшей стратегией продвижения разработанной программы на рынке, будет предоставление тестовых версий программы с ограниченными возможностями. Потенциальные покупатели смогут убедиться в необходимости приобретения программы при непосредственном тестировании программы, а затем купить необходимые лицензии для использования программы в полном объеме.

Основными методами продвижения данной системы являются:

1) проведение рекламных акций программы на форумах, конференциях и других информационных ресурсах интернета, касающихся работы с базами данных и защиты информации;

) распространение тестовых версий программы для привлечения покупателя;

) предоставление скидок оптовым покупателям;

) бесплатное обновление системы в течение действия лицензии.

4.5 Производственный план

Для разработки программного обеспечения для данной системы, требуются 1 специалист с высшим техническим образованием, освоивший язык программирования Pascal и C++.

Для выполнения работы необходимо помещение с одной ПЭВМ. Площадь помещения должна быть не менее 6 кв. метров на человека, а объем помещения - не менее 20 куб. метров.

Для проведения работ необходимо следующее оборудование:

- 1 ПЭВМ на базе процессора Intel Core 2 Duo;

- OC Windows XP;

Компилятор Borland Delphi 6 Enterprize;

- Подключение к сети Интернет;

В таблице 4.3 указана упорядоченная последовательность действий и оценка длительности разработки программного обеспечения системы по дням.

Таблица 4.3 - Упорядоченная последовательность действий и оценка длительности разработки программного обеспечения системы по дням

Действия

Аi

Mi

Bi

Moi

Di

1

Анализ тех. Задания

1

2

3

2

0,33

2

Изучение технической документации

3

4

5

4

0,33

3

Разработка алгоритмов преобразований

3

6

4,17

0,5

4

Разработка программного кода

8

12

14

11,67

1,00

5

Разработка интерфейса системы

2

3

4

3

0,33

6

Концептуальный проект

3

5

7

5

0,67

7

Тестирование и отладка

6

8

10

8

0,67

8

Документирование

2

4

5

3,83

0,5

Итого

28

42

55

41,67

4,33


Трудоемкость выполнения работы носит вероятностный характер, так как зависит от множества трудно учитываемых факторов. Для каждого действия устанавливаются 3 экспертные оценки:

Аi - оценка продолжительности действия при наиболее благоприятном стечении обстоятельств;- наиболее вероятная продолжительность действия;- оценка продолжительности действия при самом неблагоприятном стечении обстоятельств.

Ожидаемая величина длительности действия Moi и стандартное отклонение Di для каждого действия составляет:

MOi = (Аi + 4Mi + Bi) / 6,(4.1)

Di = (Bi - Ai) / 6.(4.2)

Дисперсия характеризует степень неопределенности выполнения работы за ожидаемое время.

На рисунке 4.2 представлена диаграмма Ганта разработки модульной автоматической торговой системы для следующих условий:

затраты труда программиста - 42 чел.-дн (наиболее вероятная продолжительность действия);

затраты машинного времени - 36дн. (время, в течении которого выполняются действия с использованием ЭВМ), отмечены более жирной линией.

Рисунок 4.2 - Диаграмма Ганта

Итоговая оценка трудоемкости разработки программного обеспечения и стандартное отклонение от этой оценки составляют:

, (4.3)

. (4.4)

Определение себестоимости разработки торговой системы. Расчет себестоимости проводится для определения рыночной цены программного обеспечения системы и инвестиционных затрат. Рыночная цена основывается на плановой себестоимости.

Плановая себестоимость С определяется следующим образом:

С = (З + А + Спр.)(1 + Кн),(4.5)

где З - заработная плата разработчика с начислениями на социальные нужды,А - амортизация ПЭВМ и другого оборудования,Спр - прочие производственные затраты, Кн - коэффициент накладных затрат.

При определенной выше длительности разработкиtp и коэффициентаначислений на социальные нужды 0,26 заработная плата составит:

З = З0*(1+0,26)*tp/m, (4.6)

гдеm - среднее количество рабочих дней в месяц, m = 22, З0- среднемесячная заработная плата всех разработчиков.

Амортизационные отчисления при линейном методе расчета амортизации составят:

(4.7)

где НА - годовая норма амортизации;Цвт - балансовая стоимость вычислительной техники (ВТ);256 - среднее количество рабочих дней в году;tм - объем машинных ресурсов для разработки программного обеспечения системы (дней).

Прочие производственные затраты включают затраты на техническое обслуживание и ремонт ВТ, расходные материалы и определяются по формуле:

(4.8)

гдеНпр - процент прочих производственных затрат от первоначальной стоимости ВТ, Нпр= (34)%.

Примем среднемесячную з/п разработчиков 20000 руб., балансовую стоимость равной 18000 руб. и амортизацию = 12%. Длительность разработки = 42 чел./дн., из них машинные часы = 36дн.

Заработная плата составит:

З = 20000*(1+0,26)*42/22=48109 (руб.).

Амортизация оборудования:

А = 0,12*18000*36/256=304 (руб.).

Прочие производственные затраты:

Спр= 0,03*18000*36/256=76 (руб.).

Плановая себестоимость при кн=0,2:

С = (48109+303,75+75,94)(1+0,2)=58187 (руб.).

4.6 Организационный план

Данный продукт предполагается реализовать на частном предприятии.

ЧП - предприятие, основанное на частной собственности ндивидуального лица, имеющее одного хозяина - владельца и распорядителя основными средствами, капитала предприятия.

Действующее частное предприятие находится в г. Санкт-Петербурге.

Форма собственности: ЧП.

Организационно-правовая форма: ООО «Аванти».

Организационная структура: линейно-функциональная, представлена на рисунке 4.3.

Руководитель организации

4.7 Финансовый план

Капитальный бюджет - финансовый документ, который представляет прогноз расходов фирмы на проект на данный период.

Разрабатывает проект 1 программист со среднемесячной заработной платой 20000 руб.

Пусть офис расположен в арендуемом помещении площадь 14 кв. м. Ежемесячная арендная плата составляет 23000 рублей.

Для разработки продукта необходимо закупить оборудование, которое указано в таблице 4.4.

Таблица 4.4 - Закупочное оборудование

Оборудование

Количество, шт.

Цена, руб.

1

ПК

1

18000

2

ПО

1

4000

3

Операционная система

1

3000


В таблице 4.5 представлен капитальный бюджет.

Таблица 4.5 - Капитальный бюджет

Вид капиталовложения

Интервал


1 мес

2 мес

3 мес

Аренда помещения

23000

23000

23000

Приобретение оборудования

25000

-

-

Транспортные расходы

-

-

-

Эксплуатационные расходы

1500

1500

1500

Сертификация

-

-

-

Резерв

3000

3000

3000

Итого

52500

27500

27500


В таблице 4.6 приведен состав эксплуатационных затрат.

Эксплуатационные (текущие) затраты разделены на две группы: переменные и постоянные затраты. К переменным затратам относятся те виды затрат, общая сумма которых за учетный период напрямую зависит от количества продукции, выпускаемой в данном периоде. Величина переменных затрат на единицу продукции остается неизменной.

Общая сумма постоянных затрат за учетный период не зависит от количества выпускаемой продукции, она принимается неизменной.

Таблица 4.6 - Эксплуатационные затраты

Статьи затрат

Цена тыс. руб. за месяц

Обоснование

Цена тыс. руб. за год

1. Переменные затраты: - матер.затраты, - основная з/п производственных рабочих, - дополнит. з/п производственных рабочих, - отчисления на соц. нужды.

 25000 20000 2000 5720

По данным предприятия  10% от п.2 26 % от п.2и3

 25000 240000 24000 68640

2. постоянные затраты: - накладные расходы, - амортизация.

 3000 304

 Эксплуатац. расходы

 36000 3648

Итого

 56024


397288


Метод укрупненной нормативной калькуляции предполагает определение себестоимости изделия на основе расчета, по крайней мере, основных статей: материальных затрат, основной и дополнительной заработной платы, отчислений на социальные нужды и накладные расходы.

Амортизация принципиально требует выделение ее в самостоятельную статью затрат. Если имеются данные о составе и структуре необходимых основных фондов, она начисляется по установленным нормам амортизации. В случае укрупненного расчета себестоимости она рассчитывается по нормам амортизации от затрат в основной капитал.

Прогнозируемый годовой объем продаж V в натуральном выражении по данным маркетингового анализа составит 300 шт. Основной объем продаж рассчитывается на 50-60 фирм, каждая из которых закупит 4-5 лицензий на 1 год под отдельные ПК. В таблице 4.7 представлена калькуляция себестоимости единицы изделия.

Таблица 4.7 - Калькуляция себестоимости единицы изделия

Статьи затрат

Затраты на ед., руб.

1. Переменные затраты: - матер.затраты, - основная з/п производственных рабочих, - дополнит. з/п производственных рабочих, - отчисления на соц. нужды.

 83 800 80 229

2. постоянные затраты: - накладные расходы, - амортизация.

 120 12

Итого полная себестоимость Сп

 1324

Так как цены на аналогичный проект составляют в среднем 10000 руб., то выходить на рынок планируется с ценой 2000 руб./лицензия на 1 год на 1 ПК, что обеспечит конкурентоспособность продукции.

В этом случае годовой объем продаж V составит:

ВР = 2000 руб.*300 шт. = 600000 руб.(4.9)

Годовые эксплуатационные расходы ЭР = 397288 руб.

Годовая чистая прибыль:

ЧП = (ВР-ЭР)*(1-Т), где T= 0,2;(4.10)

ВР - годовой V продажи продукции; ЭР - годовые эксплуатационные затраты;

Т - ставка налога на прибыль.

ЧП = 162169,6 руб.

Сумма инвестиционных затрат в основной капитал составит ИЗо = 240000 руб.

Если предположить, что жизненный цикл товара Тж = 6 лет и за этот срок стоимость инвестиционных затрат в основной капитал должна быть возмещена для инвесторов, то годовые амортизационные отчисления составят 40 тыс. руб. при равномерной амортизации.

В таблице 4.8 представлен укрупненный прогноз потоков денежных средств проекта в тысячах рублей. За срок жизненного цикла равный 7 годам, значение NPV составит 747,85тыс. руб., что свидетельствует об экономической целесообразности проекта относительно альтернатив с годовой доходностью i = 10%.

Таблица 4.8 - Укрупненный прогноз потоков денежных средств проекта, тыс. руб.

Показатели

Интервал планирования, год


0

1

2

3

4

5

6

1.Годовой объемпродаж


900

900

900

900

900

900

2.Инвестиц. затраты

-240







3.Годовой эксплуатац. расход


-397,3

-397,3

-397,3

-397,3

-397,3

-397,3

4.Валовая прибыль стр.1-стр.3


502,7

502,7

502,7

502,7

502,7

502,7

5.Налог на прибыль


-100,5

-100,5

-100,5

-100,5

-100,5

-100,5

6.Чистая прибыль стр.4-стр.5


402,2

402,2

402,2

402,2

402,2

402,2

7.Амортизация


40

40

40

40

40

40

8.Чистый поток денежных средств стр.6+стр.7-стр.2

-240

442,2

442,2

442,2

442,2

442,2

442,2

9.Дисконтный множитель I = 0,1

1

0,91

0,83

0,75

0,68

0,62

0,56

10.Приведенный чистый поток денежных средств стр.8*стр.9

-240

402,4

367

331,7

300,7

274,2

247,6

11.Чистая приведенная стоимость будущих потоков денежных средств NPV(стр.10 нарастающим итогом)

-240

162,4

529,4

861,1

1161,8

1436

1683,2


1)Маркетинговый риск:

маркетинговый риск - это риск недополучения прибыли в результате снижения объема реализации или цены товара. Этот риск является одним из наиболее значимых для большинства инвестиционных проектов. Причиной его возникновения может быть неприятие нового продукта рынком или слишком оптимистическая оценка будущего объема продаж. Ошибки в планировании маркетинговой стратегии возникают главным образом из-за недостаточного изучения потребностей рынка разработчиками: неправильного позиционирования товара, неверной оценки конкурентоспособности рынка или неправильного ценообразования. Также к возникновению риска могут привести ошибки в политике продвижения, например выбор неправильного способа продвижения, недостаточный бюджет продвижения и т. д.

2)Риски несоблюдения графика:

причины возникновения таких рисков могут быть объективными (например, резкое изменение стратегии торговли для автоматической системы) и субъективными (например, недостаточная проработка и несогласованность работ по реализации проекта). Риск несоблюдения графика проекта приводит к увеличению срока его окупаемости как напрямую, так и за счет недополученной выручки.

3)Общеэкономические риски:

к общеэкономическим относят риски, связанные с внешними по отношению к предприятию факторами, например риски изменения курсов валют и процентных ставок, усиления или ослабления инфляции. К таким рискам можно также отнести риск увеличения конкуренции в отрасли из-за общего развития экономики в стране и риск выхода на рынок новых игроков. Стоит отметить, что данный тип рисков возможен как для отдельных проектов, так и для компании в целом. Но в нашем случае, возможность общеэкономического риска не очень велика, т.к. если торговая тактика будет продолжать работать на текущем изменении рынка, она всегда будет оставаться востребованной.

4.8 Экологические и социально-экономические аспекты

Показатели экологической безопасности данного проекта достаточно высоки, т.к. при разработке системы не происходит загрязнения окружающей среды и нарушения экологической безопасности страны. В худшем случае, может произойти поломка компьютерного оборудования, которое должно быть соответствующим образом утилизировано. Для этого существует огромное количество компаний, которые занимаются экологически чистой утилизацией технического оборудования, что безусловно приводит к положительному влиянию на общую экологическую обстановку в регионе и стране в целом.

Социально-экономические аспекты проекта являются не маловажным фактором развития фирм и компаний. В данной работе к социально-экономическим аспектам можно отнести:

- возможность расширения клиентской базы, за счет расширения продаж;

увеличение вакансий и предоставление новых рабочих мест;

обновление и проработка уже существующих систем.

4.9 Вывод

Проектирование и создание программного обеспечения для распознавания текстовых изображений является достаточно выгодным бизнесом. Если программа будет продолжать показывать хорошие результаты в течении определенного периода и развиваться с требованиями современных технологий и правовых норм, то экономическая ценность продукта, а как следствие и количество продаж, будут значительно увеличиваться. Поэтому инвестирование и содержание подобных проектов в будущем может принести значительный доход как разработчикам, так и руководителям проекта.

5. Безопасность и санитарно-гигиенические условия труда на рабочем месте пользователя ПЭВМ

5.1 Характеристика санитарно гигиенических условий труда

Определение оптимальных условий труда производится на основе СанПиН 2.2.2/2.4.1340-03. Эти правила и нормы предназначены для предотвращения неблагоприятного воздействия на человека вредных факторов, сопровождающих работы с дисплейными терминалами и персональными ЭВМ.

Расчет параметров ведется для помещения длиной 5,5 м, шириной 5 м и высотой 3 м. В помещении расположено 3 рабочих места, оборудованных компьютером.

Работа категории 1а (лёгкая физическая). Температура в помещении 23˚С, влажность 55%, что соответствует ГОСТ 12.1.005-88 «ССБТ. Общие санитарно-гигиенические требования к воздуху рабочей зоны»(оптимальная температура 22-25˚С, оптимальная относительная влажность не более 40-60%). Вредные вещества и вибрация отсутствуют. Шум ПЭВМ не превышает допустимого (50 дБА).

5.2 Микроклимат производственного помещения

Микроклимат производственного помещения определяется температурой (°С), относительной влажностью (%), скоростью движения воздуха (м/с) [11].

Согласно ГОСТ 12.1.005-88 "ССБТ. Общие санитарно-гигиенические требования к воздуху рабочей зоны", нормирование параметров микроклимата в рабочей зоне производится в зависимости от периода года, категории работ по энергозатратам, наличия в помещении источников явного тепла.

Нормирование параметров микроклимата на рабочем месте осуществляется согласно СанПиН 2.2.2.542-96, в производственных помещениях с объемом на одного работающего более 20 м3 - не менее 20 м3/ч на каждого работающего.

В помещении на одного человека приходится 32 м3/ч.

Работа инженера производится сидя и сопровождается незначительным физическим напряжением. Такая работа относится к категории 1а и на нее расходуется до 120 ккал/ч (до 500,5 кДж/ч).

В таблице 5.1 приведены оптимальные и допустимые нормы температуры, относительной влажности и скорости движения воздуха в рабочей зоне производственных помещений с ГОСТ 12.1.005-88.

Таблица 5.1 - Оптимальные и допустимые нормы

Период года

Температура, °С

Относительная влажность

Скорость движения воздухамс


оптимальная

Допустимая





верхняя граница

нижняя граница

Оптимальная не более

Допустимая не более

Оптимальная не более

Допустимая не более



на рабочих местах







постоянных

непостоянных

постоянных

непостоянных





Холодный

22-24

25

26

21

18

40-60

75

0,1

0,1

Теплый

23-25

28

30

22

20

40-60

55(при 28°С)

0,1

0,1-0,2


Вывод: Решено использовать кондиционер, для достижения оптимальных параметров температуры и влажности воздуха.

5.3 Вентиляция производственного помещения

Эффективным средством нормализации воздушной среды в помещениях является вентиляция. По способу перемещения воздуха вентиляция разделяется на естественную и механическую. Естественная - осуществляется за счет разности температур воздуха помещения и наружного воздуха или действие ветра. Недостатки естественной вентиляции:

- Применение в основном там, где нет больших выделений вредных веществ;

Приточный воздух поступает в помещение не обработанным.

Механическая вентиляция устраняет недостатки естественной. Воздухообмен осуществляется за счет напора, создаваемого вентилятором.

Загрязнение воздуха в рабочей зоне, т.е. пространстве высотой до двух метров над уровнем пола, где находятся рабочие места, может быть вызвано наличием нетоксичной пыли. Но так как в данном помещении может происходит лишь вторичное пылеобразование (при уборке помещения, движений людей), то концентрация вредных веществ в воздухе не превышает предельно-допустимого значения.

Для эффективной работы вентиляционной системы необходимо выполнение следующих технических и санитарно-гигиенических требований:

- Вентиляционная система не должна вызывать переохлаждения или перегрева работающих;

Вентиляционная система не должна вызывать шум на рабочих местах, превышающий ПДУ по ГОСТ 12.1.003-83;

Система должна быть проста по устройству, надежна в эксплуатации и эффективна.

Ln = n * L , м / ч (5.1)

Объем рассматриваемого помещения составляет:

Vn = 5,5*5*3 = 82,5 м3;

Рассчитаем объём приточного воздуха (L) по формуле L=KV, м3/ч приняв K=1 1/ч, где K - рекомендуемая кратность воздухообмена, V - объём помещения.=1*5,5*5*3=82,5 м3/ч.

Поскольку в данном помещении:

-на одного человека приходится более 20 м3 воздуха,

отсутствует поступление неприятно пахнущих и вредных веществ,

имеются оконные проемы;

оно не требует специальной (искусственной) системы вентиляции. Таким образом, можно использовать периодически действующую естественную вентиляцию (открывание створок переплетов окон или форточек).

Скорость движения воздуха:

V = 0,2 м/с;

Площадь форточки составляет:

S = 0,5м2;

Таким образом:

υ = S*V = 0.1м3/с = 360м3/час

Следовательно:

К = Vn/ υ = 82,5 / 360 = 0,229 1/час

Для полного проветривания помещения требуется 13-14 минут.

Однако же допускается и введение систем кондиционирования воздуха. Кондиционирование воздуха позволяет обеспечить создание и автоматическое поддержание в помещении, независимо от внешних условий, постоянных или изменяющихся по определенной программе температуры, влажности, чистоты и скорости движения воздуха, наиболее благоприятных для людей. Кондиционирование воздуха требует больших единовременных затрат, но затраты окупаются за счет повышения производительности труда.

Вывод: Система кондиционирования воздуха установленная в помещении, должным образом обеспечит требуемый воздухообмен.

5.4. Шум и вибрация

Согласно ГОСТ 12.1.003.-83 на рабочих местах при широкополосном шуме устанавливаются допустимые уровни звукового давления. Допустимые уровни звукового давления для данного вида трудовой деятельности приведены в таблице 5.2.

Таблица 5.2- Допустимые уровни звукового давления

Среднегеометрические частоты октавных полос, Гц

Эквивалентные уровни звука БА

31,5

63

125

250

500

1000

2000

4000

8000


Уровни звукового давления, дБ


86

71

61

54

49

45

42

40

39

50


Нормируемые уровни шума обеспечиваются путем использования малошумного оборудования, применением звукопоглощающих материалов (специальные перфорированные плиты, панели, минераловатные плиты). Кроме того, необходимо использовать подвесные акустические потолки.

Вибрация на рабочих местах не должна превышать допустимых норм вибрации, установленных СанПиН 2.2.2/2.4.1340-03 (таблица 5.3).

Таблица 5.3 - Допустимые уровни вибрации на рабочих местах с ПЭВМ

Среднегеометрические частоты октавных полос Гц

Допустимые значения


по виброускорению

по виброскорости


м/с2

ДБ

м/с1

ДБ

2

5,3*10

25

4,5*10

79

4

5,3*10

25

2,2*10

73

8

5,3*10

25

1, 1*10

67

16

1, 0*10

31

1, 1*10

67

31, 5

2, 1*10

37

1,1*10

67

63

4,2*10

43

1, 1*10

67

коррект. значения и их уровни в дБ

9,3*10

30

2, 0*10

72


Методы снижения вибрации:

1)Снижение вибрации в источнике ее возникновения. Уровень вибрации в помещении может быть снижен путем установки оборудования на специальные виброизоляторы - фундаменты, виброизолированные от пола специальные амортизаторы (прокладки из войлока, резины, пружины т.п.).

)Организационные меры. Организация режима труда и отдыха. Организационно-технические меры включают: проведение проверок вибрации не реже 1 раза в год при общей вибрации и двух раз в год при локальной вибрации, а также после ремонта машин; и при начале их эксплуатации; исключение контакта работающих с вибрирующими поверхностями за пределами рабочего места или зоны (ограждения, знаки, надписи), введение определенного режима работ, недопущение к работе лиц, моложе 18 лет и не прошедших медосмотр, проведение повторного ежегодного медосмотра.

Вывод: Кроме выбора малошумного оборудования будут производиться постоянные чистки от пыли вентиляторов, что также приведет к снижению шума. Для избежания вибрации, вибрирующее оборудование не будет иметь прямого контакта с рабочим местом.

5.5 Требования по защите от излучения

При работе на ПЭВМ оператор подвергается воздействию электромагнитного и электростатического полей, так как монитор ПЭВМ является широкополосных электромагнитных излучений: мягкого рентгеновского, ультрафиолетового, ближнего инфракрасного, радиочастотного, сверхвысокочастотного и инфра- низкочастотного диапазона, а также электростатических полей.

Для защиты от вредного воздействия излучений рекомендуется использовать мониторы, отвечающие стандартам. Качество электромагнитной безопасности мониторов определяется соответствием стандартам России и СанПиН 2.2.2/2.4.1340-03. Нормы электромагнитной безопасности СанПиН 2.2.2/2.4.1340-03 приведены в таблице 5.4:

Таблица 5.4 - Допустимые значения параметров неионизирующих электромагнитных излучений

Наименование параметров

Допустимое значение

Напряженность электромагнитного поля на расстоянии 50см вокруг монитора по электрической составляющей должна быть не более: - в диапазоне частот 5 Гц-2 кГц; - в диапазоне частот 2 кГц-400 кГц;

   25 В/м 2,5 В/м

Плотность магнитного потока должна быть не более: - в диапазоне частот 5 Гц-2 кГц; - в диапазоне частот 2 кГц-400 кГц;

 250 нТл 25 нТл

Поверхностный электростатический потенциал не должен превышать

500 В

Для предупреждения вредного влияния излучений, создаваемых монитором ПЭВМ на организм человека, необходимо проводить мероприятия организационного и инженерно - технического порядка.

На рабочем месте оператора ПЭВМ могут быть использованы следующие способы защиты:

- защита временем: рекомендуется ограничивать время работы на ПЭВМ шестью часами в сутки, также следует производить перерывы и временно отрывать глаза от монитора;

- защита расстоянием: между экраном монитора и глазами работающего не должно быть менее 50 см;

экранирование источника излучения: на экран монитора, а также по всему контуру монитора рекомендуется устанавливать специальный защитный экран, который уменьшает интенсивность электромагнитного излучения.

5.6 Требования к освещенности. Выбор и расчет системы освещения

Правильно установленное освещение обеспечивает хорошую видимость и создает благоприятные условия труда. Недостаточное освещение вызывает преждевременное утомление, притупляет внимание, снижает производительность. Требуемый уровень освещения определяется степенью точности зрительных работ. В дневное время суток используется естественное освещение, которое обеспечивает хорошую освещенность, равномерность, экономичность, благоприятно воздействует на зрение .

Работы относятся к классу точности IVа (средней точности). Нормированные параметры освещенности рабочей поверхности для помещений с данным классом точности приведены в таблица 5.5.

Таблица 5.5 - Наименьшая освещенность рабочих поверхностей по СНиП 23-05-95

Характеристика зрительной работы

Наименьший Размер Объекта Различия мм

Разряд зрительной работы

Подразряд зрительной работы

Освещенность EH, лк





система комбинированного освещения

система общего освещения

Средней точности

От 0,5 до 1

IV

а

750

300

5.6.1 Выбор типа светильника

Так как работа с вычислительной техникой сопряжена с повышенными требованиями к цветопередаче и качеству освещения, то наибольшее предпочтение отдается использованию люминесцентных ламп, которые соответствуют этим требованиям. По характеру распределения светового потока наибольшее применение находят светильники прямого света. Характеристика выбранного светильника приведена в таблице 5.6.

Таблица 5.6- Характеристики светильника

Тип светильника

ЛСПО2

Количество и мощность ламп, Вт

Характер распределения светового потока

Преимущественно прямого света

Тип КСС

Д

Защитный угол, град

15

КПП, %

75

Размеры, мм,


Степень защиты

IP20

Исполнение

Пыле- и водонезащищенное

Область применения

Для помещений с нормальными условиями среды

При расположении светильников необходимо учитывать характер выполняемых операций и рабочей позы. В общем случае светильник следует помещать ближе к переднему краю рабочей поверхности.

Поскольку в основном ведется работа с текстом и графическими изображениями на экране ПЭВМ, а не с документами, целесообразно использовать систему общего освещения, когда отсутствует освещенность рабочих поверхностей светильниками местного освещения. Поэтому при проектировании осветительной установки наиболее целесообразно воспользоваться методом светового потока, который предполагает расчет только общего освещения в системе комбинированного или системы общего освещения.

5.6.2 Расчет необходимого количества светильников

Расчет освещения производится для комнаты площадью 27,5 м2, длина которой 5,5 м, ширина - 5 м. Воспользуемся методом светового потока.

Расчетная высота подвеса светильника над рабочей поверхностью определяется по формуле:

h = Hп - hс - hp,(5.2)

где Hп - высота помещения, м; - расстояние от светильника до потолка, м; hp=0,8м - высота рабочей поверхности от уровня пола.

В данном случае:

h = 3 - 0,156 - 0,8 = 2,044 (м)

Расчет числа светильников в осветительной установке производится методом светового потока по формуле:

,(5.3)

где N - определяемое число ламп;

Е - нормированная минимальная освещенность рабочей поверхности, Лк Е=300 лк (общее освещение) по СНиП 23-05-95 (разряд зрительных работ 3 в);

S - площадь освещаемого помещения (в нашем случае S = 27.5м2);

Z - коэффициент неравномерности освещения (для люминесцентных ламп Z = 1,1);

К - коэффициент запаса, учитывающий уменьшение светового потока лампы в результате загрязнения светильников в процессе эксплуатации (его значение зависит от типа помещения и характера проводимых в нем работ и в нашем случае К = 1,5);

η- коэффициент использования светового потока. значение коэффициента соответствует оценкам коэффициента отражения потолка, стен и рабочей поверхности: ρП = 70%, ρС = 50%, ρр = 30%.

n - количество ламп в одном светильнике, (n=2 шт.);

Ф - световой поток одной лампы, (Ф = 3000 лк).

Значение η определяется по таблице коэффициентов использования различных светильников. Для этого вычислим индекс помещения по формуле:

 ,(5.4)

где

S - площадь помещения, S = 27,5 м2;

h - расчетная высота подвеса, h = 2,04 м;

A - ширина помещения, А = 5 м;

В - длина помещения, В = 5,5 м.

Подставив значения в формулу (5.4) получим:

Зная индекс помещения I, получаем η = 68% = 0,68.

Подставив значения в формулу (3) получим:

шт.

В помещении будут расположены 4 светильника.

где h - высота подвеса светильника.

В соответствии с формулой (5.5) , l1 = 2.044*1.4 = 2.86 м.

Расстояние крайних светильников от стен вычисляется по формуле:

l2 = 0.3* l1 (5.6)

В соответствии с формулой (5.6): l2 = 0.3*3 = 0.86 м.

Светильники с люминесцентными лампами рекомендуется размещать рядами с небольшими разрывами, не превышающими половины высоты подвеса светильника над рабочей поверхностью (рисунок 5.1).

Рисунок 5.1 - План помещения и размещение светильников

5.7 Электробезопасность

Помещение с вычислительной техникой относится к классу помещений без повышенной опасности, т.к. помещение сухое, нежаркое, с токонепроводящим полом, без токопроводящей пыли, отсутствует возможность одновременного прикосновения человека к имеющим соединениям с землей металлоконструкций зданий, технологическим аппаратам, механизмам с одной стороны, и к металлическим корпусам электрооборудования, который при пробое изоляции могут оказаться под напряжением, - с другой.

В рассматриваемом помещении питание осуществляется электричеством 220В, 50Гц (однофазная сеть с дополнительным заземляющем проводом).

При правильной эксплуатации ЭВМ поражение пользователя электрическим током маловероятно, так как компьютер снабжен собственным устройством защиты от короткого замыкания и перегрузок.

Наиболее вероятным источником поражения человека электрическим током являются силовые линии электропроводки для питания компьютера из-за возможных механических повреждений и старения изоляции в процессе эксплуатации.

В соответствии с требованиями правил устройства электроустановок сопротивление изоляции силовой и осветительной сети напряжением до 1000 В должно быть не менее 0.5 МОм. Контроль качества изоляции осуществляется периодически с помощью мегаметра.

Для защиты персонала от соприкосновения с частями, находящимися под напряжением, электротехнические изделия помещают в корпуса (оболочки), которые соответствуют определенной степени защиты.

Согласно ГОСТ 12.1.030-81 предусматриваются нормы для электроустановок при нормальном рабочем (неаварийном) режиме работы (таблица 5.7), а также при аварийных режимах производственных электроустановок (таблица 5.8).

Таблица 5.7- Нормы для электроустановок при нормальном рабочем режиме работы

Род тока

Наибольшее

допустимое

Значение


Uпр, B

Iч, мА

t, мин

Переменный, 50 Гц

2

0,3

10 в сутки


Таблица 5.8 - Нормы для электроустановок при аварийном режиме работы

Родтока

Норм величина

Продолжительность воздействия t, с



0,01- 0,08

0,1

0,2

0,4

0,5

0,8

1,0

Более 1,0

Переменный, 50 Гц

Uпр, B Iч, мА

 550 650

340 400

160 190

120 140

105 125

75 75

60 50

20 6

Согласно ГОСТ 12.1.038 - 88 в аварийной ситуации при продолжительности воздействия тока более 1,0 секунды значение Iч=6мА. По нашим расчетам получается:

 А,

что в значительной мере превышает норму. В нашем помещении находится ПЭВМ, которая питается от напряжение 220 В переменного тока. Для защиты людей от поражения электрическим током при повреждении изоляции в данном случае рекомендуется применить зануление. (по ГОСТ 12.1.030-81)

Согласно ГОСТ 12.1.030-81, защитному заземлению или занулению подлежат металлические нетоковедущие части оборудования, которые из-за неисправности изоляции могут оказаться под напряжением и к которым возможно прикосновение людей.

Зануление следует выполнять электрическим соединением металлических частей электроустановок с заземленной точкой источника питания электроэнергией при помощи нулевого защитного проводника.

5.8 Пожарная безопасность

Основными причинами пожара от электроустановок является короткое замыкание, перегрузка, большое переходное сопротивление, искрение и электрическая дуга.

Эффективным средством защиты электрооборудования от токов перегрузки и короткого замыкания является использование плавких предохранителей или автоматов защиты. Для этого следует произвести расчет и выбрать тип плавкого предохранителя или автомата защиты. К наиболее простым и дешевым средствам защиты относятся плавкие предохранители, которые в сетях до 1000 В считаются основным видом защиты.

Рассчитаем ток плавкой вставки для сети 220 В с переменным током частотой 50 Гц. Мощность потребления обычно составляет 5 кВт.абочий ток плавкой вставки Iраб определяется из соотношения:

Iраб = Р/υ,(5.7)

где P - мощность потребления,

υ - напряжение в сети,раб = 5000/220 = 22,73А

Следовательно, ток срабатывания равен:

Iсраб = Iраб *К, (5.8)

где К - коэффициент запаса (Для стеклянно-плавких и малоинерционных предохранителей коэффициент К выбирают из диапазона: 1.21...1.37).

В соответствии с формулой (5.8), ток плавкой вставки равен:вст = 1.3 * 22,73 = 29,5А

В качестве защитного устройства в данной сети возможно использование предохранителей типа ПН2-1ОО (ГОСТ 17242-71) либо НПН2-60 (ГОСТ 17242-71) с током плавкой вставки 30А

Для устранения перегрузок необходимо обеспечить правильный выбор сечений монтажных и печатных проводников. Для устройств, работающих в нормальных условиях, применяются провода с волокнистой или полихлорвиниловой изоляцией. В данном случае возможно применение провода марки МШВ с площадью поперечного сечения жилы 0.35 мм2.

Согласно типовым правилам пожарной безопасности все производственные помещения должны быть обеспечены огнетушителями и пожарным инвентарем.

Первичные средства пожаротушения, необходимые для помещения площадью 40м2 приведены в таблице 5.9:

Таблица 5.9 - Нормы первичных средств пожаротушения

Углекислотные огнетушители, шт.

Пенные, химические огнетушители, шт.

Войлок, кошма или асбест (1x1 м), шт.

1

1

1


Из имеющейся номенклатуры углекислотных огнетушителей возможно использование следующих моделей:

1)Углекислотный огнетушитель ОУ-2 или порошковый огнетушитель ОП-1, «Турист».

)Химический пенный огнетушитель ОХВП-10.

Для своевременного обнаружения пожара необходимо предусмотреть в помещении автоматическую пожарную сигнализацию. Наиболее надежной системой извещения о пожаре является электрическая пожарная сигнализация.

В качестве пожарных извещателей следует установить дымовые пожарные извещатели оптико-электрического типа (например, ДИП-1). Такие дымовые извещатели устанавливаются в закрытых помещениях в зоне наиболее вероятного загорания и возможного накопления дыма.

Вывод: Расположить средства сигнализации в наиболее вероятных местах возгорания, а средства пожаротушения в быстро-доступных местах.

5.9 Мероприятия по созданию благоприятных условий труда

Для создания благоприятных условий труда в помещении можно предусмотреть следующие мероприятия:

- оптимизация схемы расположения рабочих мест;

акустическая отделка помещения для защиты от шума;

использование стеклопакетов для защиты от проникновения пыли и шума с улицы;

использование кондиционеров для создания комфортных условий труда;

Согласно СанПиН 2.2.2.542-96 площадь на одно рабочее место с ПЭВМ должна составлять не менее 6,0 м2, а объем - не менее 20,0 м3. Для внутренней отделки интерьера офисного помещения должны использоваться диффузно-отражающие материалы с коэффициентом отражения для потолка - 0,7-0,8; для стен - 0,5-0,6; для пола 0,3-0,5. Поверхность пола должна быть ровной, без выбоин, нескользкой, удобной для очистки и влажной уборки, обладать антистатическими свойствами. Схема размещения рабочих мест с ПЭВМ должна учитывать расстояния между рабочими столами с видеомониторами (в направлении тыла поверхности одного видеомонитора и экрана другого видеомонитора), которое должно быть не менее 2,0 м, а расстояние между боковыми поверхностями видеомониторов - не менее 1,2 м.

5.10 Выводы

В результате исследования рабочего места оснащенного ПЭВМ по параметрам: микроклимат, вентиляции, воздухообмена, освещенности, излучения, электрической безопасности и пожарной безопасности было выяснено, что они полностью удовлетворяют СанПин 2.2.2.542-96. Выбрана система вентиляции и освещения, удовлетворяющая оптимальным параметрам рабочего места, и приняты меры для минимизации вредных воздействий излучения, вибрации и шума, а также предупреждения и быстрого реагирования на возгорание. Следовательно, рабочее место соответствует всем стандартам.

ЗАКЛЮЧЕНИЕ

В дипломной работе рассмотрены различные виды нейронных сетей, способы их обучения и проблемы возникающее при работе с ними. Было решено использовать двухслойную нейронную сеть обратного распространения, так как при низком уровне допустимости ошибки, порядка 0,000001, нейронная сеть не выдавала ошибочных данных на уже обученных образах. Главным преимуществом системы разработанной в данной дипломной работе являются отличительные черты нейронных сетей, то есть быстрота работы с маломасштабными изображениями, площадь порядка 40х40 пикселей, и быстрая и простая обучаемость программы новым символам.

В ходе тестирования метод распознавания с помощью нейронной сети показал свою состоятельность и эффективность, при низких уровнях допустимости ошибки сбоев в определении символа не происходило. Что в свою очередь позволяет говорить о дальнейшем продолжении разработки и улучшении данного программного продукта.

СПИСОК ИСПОЛЬЗОВАННЫХ ИСТОЧНИКОВ

1 Розенблатт Ф.Принципы нейродинамики.М.: Мир.1965

2 Windrow B. The speed of adaptetion in adaptive control system. 1961

Windrow B. A statistical theory of adaptetion. Adaptive control systems. 1963

Windrow B., Angell J.B. Reliable, trainable networks for computing and control. 1962

Windrow B., Hoff N.E. Adaptive switching circuits. 1960

Минский М.Л.,Пайперт С..Персепроны.М.: Мир.1971D.O.Organization of behavior.New York:Science Edition

Wider R.O. Single-stage logic, Paper presented at the AIEE Fall General Meeting. 1960

Parker D.B. Learning-logic. Invention Report. 1982

Rumelhart D.E. Hinton G.E.,Williams R.J. Learning internal representations by error propagation. In Parallel distributed processing, vol.1986

Werbos P.G. Beyond regression: New tools for prediction and analysis in the behavioral sciences. 1974

Hopfield J.J.Neural networks and physical systems with emergent collective computational abilities. Proseedings of the National Academy of Science 79.1982

Уоссермен Ф.Нейрокомпьютерная техника.М.: Мир.1992.237С

 

ПРИЛОЖЕНИЕ А

Текст программы

//***********************MAIN**************************

if (indexBtnNextClick)=numberpatterns then:=false;m := 1 to numberpatterns doi := 1 to SecondLayerUnits do:=0;j := 1 to FirstLayerUnits do:=sumFirstSecond+wFirstSecond[i,j]*v[m,j];;[i]:=1/(1+exp(-sumFirstSecond));;i := 1 to ThirdLayerUnits do:=0;j := 1 to SecondLayerUnits do:=sumSecondThird+wSecondThird[i,j]*OutputSecond[j];;[i]:=1/(1+exp(-sumSecondThird));;:=0;i := 1 to ThirdLayerUnits do:=OutputThird[i];:=target[m,i]-output;[i]:=output*(1-output)*err;:=neterror+0.5*sqr(err);;neterror<epsilon then:=true;;;//*** for m:=..... ******

//****************обучение**************not stop then;krandom:=1 to 10*numberpatterns do:=1+Round(Random(numberpatterns));

//***********PROPAGATION************i := 1 to SecondLayerUnits do:=0;j := 1 to FirstLayerUnits do:=sumFirstSecond+wFirstSecond[i,j]*v[m,j];;[i]:=1/(1+exp(-sumFirstSecond));;i := 1 to ThirdLayerUnits do:=0;j := 1 to SecondLayerUnits do:=sumSecondThird+wSecondThird[i,j]*OutputSecond[j];;[i]:=1/(1+exp(-sumSecondThird));;:=0;i := 1 to ThirdLayerUnits do:=OutputThird[i];:=target[m,i]-output;[i]:=output*(1-output)*err;:=neterror+0.5*sqr(err);;

//*********BACKPROPAGATION**************i := 1 to SecondLayerUnits do:=OutputSecond[i];:=0;j := 1 to ThirdLayerUnits do:=err+wSecondThird[j,i]*OutLayerError[j];;[i]:=output*(1-output)*err;;i := 1 to FirstLayerUnits do:=v[m,i];:=0;j := 1 to SecondLayerUnits do:=err+wFirstSecond[j,i]*SecondLayerError[j];;[i]:=output*(1-output)*err;;

//***********i := 1 to SecondLayerUnits doj := 1 to FirstLayerUnits do[i,j]:=0;;;i := 1 to ThirdLayerUnits doj := 1 to SecondLayerUnits do[i,j]:=0;;;

//***********:=0;i := 1 to SecondLayerUnits doj := 1 to FirstLayerUnits do:=v[m,j];:=SecondLayerError[i];:=dWeightFirstSecond[i,j];[i,j]:=wFirstSecond[i,j]+eta*err*output+alpha*dWeight;[i,j]:=eta*err*output;;;:=0;i := 1 to ThirdLayerUnits doj := 1 to SecondLayerUnits do:=OutputSecond[j];:=OutLayerError[i];:=dWeightSecondThird[i,j];[i,j]:=wSecondThird[i,j]+eta*err*output+alpha*dWeight;[i,j]:=eta*err*output;;;;//****for krandom:=.......***********;

stop;;//*** IF ********

;

TFrmBack.ButtonOutClick(Sender: TObject);m,i,j:byte;:array[1..FirstLayerUnits] of shortint;,sumSecondThird:real;:array[1..SecondLayerUnits] of real;:array[1..ThirdLayerUnits] of real;

m:=1 to FirstLayerUnits do begin(Percept_FieldBack.Brushes[m]=Percept_FieldBack.RectBrush) then[m]:=1;(Percept_FieldBack.Brushes[m]=Percept_FieldBack.BackGroundBrush) then[m]:=-1;;;i := 1 to SecondLayerUnits do:=0;j := 1 to FirstLayerUnits do:=sumFirstSecond+wFirstSecond[i,j]*z[j];;[i]:=1/(1+exp(-sumFirstSecond));;i := 1 to ThirdLayerUnits do:=0;j := 1 to SecondLayerUnits do:=sumSecondThird+wSecondThird[i,j]*OutputSecond[j];;[i]:=1/(1+exp(-sumSecondThird));;(OutputThird[1]>OutputThird[2]) then.Font.Color:=clRed;.Font.Color:=clWindowText;begin(OutputThird[2]>OutputThird[1]) then.Font.Color:=clRed;.Font.Color:=clWindowText;;

end;

;

.


Не нашли материал для своей работы?
Поможем написать уникальную работу
Без плагиата!
Без нейросетей!