Разработка системы теплоснабжения административного здания с применением теплового насоса
АННОТАЦИЯ
В данном дипломном проекте произведен тепловой расчет административного
здания, который предусматривает нахождение теплового баланса между
теплопотерями и теплопоступлениями. Подобрана теплонасосная установка для этого
здания и рассчитаны ее элементы (испаритель и конденсатор). Для объективной
оценки проекта произведено технико-экономическое обоснование (определен срок
окупаемости установки объекта).
Проект включает в себя 82 страницы, 4 таблицы, 9 рисунков. Использовано
15 литературных источников. К работе также прилагается 5 листов графических
работ формата А1.
СОДЕРЖАНИЕ
Введение
.
Тепловой расчет здания
.1
Расчет теплопотерь через наружные стенки здания
.2
Расчет теплопотерь через окна здания
.3
Расчет теплопотерь через бесчердачное перекрытие
.4
Расчет теплопотерь через полы, расположенные на грунте
.5
Расчет теплопотерь через двери
.6
Расчет теплопотерь с инфильтрацией
.7
Расчет тепловыделений от людей
.8
Расчет тепловыделений от искусственного освещения
.9
Тепловой баланс здания
.10
Удельная тепловая характеристика здания
.11
Расчет тепловой инерции
.12
Проверка тепловой комфортности
.
Система теплоснабжения с применением теплового насоса
.1
Экономика возобновляемой энергетики
.2
Общие сведения о тепловом насосе
.3
Принцип действия теплового насоса
.4
Выбор холодильного агента
.5
Выбор источника низкопотенциального тепла
.6
Тепловой расчет теплонасосной установки
.
Расчет элементов теплонасосной установки
.1
Расчет испарителя
.2
Расчет конденсатора
.
Охрана труда при эксплуатации теплового насоса
.
Оценка экономической эффективности проекта
Заключение
Список
использованной литературы
ВВЕДЕНИЕ
В настоящее время вопросам использования возобновляемых источников
энергии уделяется серьезное внимание. Эти источники энергии рассматриваются как
существенное дополнение к традиционным.
В нашей стране потребляется около 20% всего мирового производства
первичных энергоресурсов, однако себестоимость органического топлива растет,
обостряются экологические проблемы, связанные с загрязнением окружающей среды
топливоиспользующими установками. В связи с указанными проблемами возможности
использования экологически чистой повсеместно доступной возобновляемой энергии
солнечного излучения, теплонасосных установок привлекают все большее внимание.
В соответствии с прогнозами уже в течение ближайших 15-20 лет возобновляемые
источники энергии должны занять заметное место в мировом энергетическом
балансе, обеспечивая замещение использующихся запасов органического топлива и
экологическое оздоровление окружающей среды.
Развитие теплонасосных установок происходит в настоящее время
стремительно. Теплонасосные системы теплоснабжения перспективны в качестве
экологически чистых и энергоэффективных теплоисточников для децентрализованных
потребителей тепловой энергии. Они используют в качестве источника -
низкопотенциальную энергию: теплоту грунта, грунтовых вод, обратную воду систем
централизованного теплоснабжения. Имеется много возможностей их эффективного
применения, в основном для частичной замены котельных на органическом топливе,
а также с использованием сбросного тепла, геотермального или солнечного тепла.
Таким образом, целью данного проекта является выбор теплового насоса и
расчет различных его элементов.
1. ТЕПЛОВОЙ
РАСЧЕТ ЗДАНИЯ
1.1 Расчет теплопотерь через наружные стенки здания
Наружные стены выполнены толщиной в два кирпича. С внутренней стороны они
покрыты известковой штукатуркой.
Рисунок 1.1 - Расчетная схема внешней стены здания
Данные для расчета:
-
температура окружающей среды (наружного воздуха) для Волгоградской области,
-
температура воздуха в административном помещении,
-
толщина известковой штукатурки,
-
толщина кирпичной кладки,
-
коэффициент теплопроводности известковой штукатурки,
-
коэффициент теплопроводности кирпичной кладки,
- высота
этажа здания,
-
средняя скорость ветра за январь, преобладающее направление - восток для
Волгоградской области,
зона
влажности - сухая.
Геометрия
здания:
- длина
здания,
- ширина
здания,
-
количество этажей.
Термическое сопротивление многослойной стенки
, (1.1)
.
Термическое сопротивление по внутренней поверхности стенки при
естественной циркуляции
. (1.2)
Коэффициент
теплоотдачи
является функцией от критериев Gr и Pr:
. (1.3)
Определим
критерий Грасгофа:
, (1.4)
где
- температурный коэффициент объемного расширения:
, (1.5)
;
-
ускорение свободного падения;
-
разность температур «горячей» и «холодной» поверхностей:
. (1.6)
Примем
температуру на внутренней поверхности стенки равной
, тогда
;
-
коэффициент кинематической вязкости воздуха, при
примем
.
Тогда
критерий Грасгофа равен:
.
При
по таблице
, тогда
.
При
коэффициент теплоотдачи
можно определить по формуле:
, (1.7)
, (1.8)
где
- коэффициент теплопроводности воздуха, примем для
.
Коэффициент
теплоотдачи:
.
Термическое сопротивление по внутренней поверхности стенки:
.
Термическое сопротивление наружной поверхности стенки
. (1.9)
Интенсивность
теплообмена наружной стенки характеризуется коэффициентом теплоотдачи, который
равен сумме конвективного коэффициента теплоотдачи
и коэффициента теплоотдачи излучением
, т.е.
. (1.10)
Конвективный
коэффициент теплоотдачи есть функция от числа Рейнольдса
:
, (1.11)
где
- скорость ветра;
- высота
3-х этажного здания,
;
-
коэффициент кинематической вязкости воздуха, примем по таблице при
.
Подставляя
данные значений получим:
.
При
можно воспользоваться следующей формулой:
, (1.12)
, (1.13)
где
- коэффициент теплопроводности,
при температуре
.
Подставив значения в формулу получим:
.
Допустим,
что температура на наружной поверхности стенки равна
.
Коэффициент
теплоотдачи излучением определяется по формуле:
, (1.14)
.
Подставляя значения, получим коэффициент теплоотдачи наружной стенки:
.
Термическое сопротивление на наружной поверхности стенки:
.
Общее термическое сопротивление
, (1.15)
.
Проверка ранее принятых температур на наружной и внутренней поверхностях
стенки
Температура наружной поверхности стенки:
, (1.16)
.
Температура
внутренней поверхности стенки:
, (1.17)
.
Так
как расхождение значений заданных и рассчитанных температур меньше
, то перерасчет не производим.
Определение теплопотерь
Для расчета теплопотерь через стены здания используем следующую формулу:
, (1.18)
где
- площадь поверхности ограждения;
-
термическое сопротивление ограждения;
-
коэффициент, учитывающий положение ограждающих конструкций по отношению к
наружному воздуху, для стен
;
-
коэффициент, учитывающий долю добавочного тепла к ограждениям в зависимости от
ориентации ограждения к сторонам света:
север
,
юг
,
восток
,
запад
.
Площадь окна:
, (1.19)
.
Площадь
поверхности северной стены здания находим по формуле:
, (1.20)
.
Потери
через северную стену:
.
Площадь поверхности западной стены здания:
, (1.21)
.
Потери через западную стену:
.
Площадь поверхности восточной стены здания:
, (1.22)
.
Потери через восточную стену:
.
Площадь поверхности южной стены здания:
, (1.23)
.
Потери через южную стену:
.
Теплопотери через наружные стены здания:
, (1.24)
.
1.2 Расчет теплопотерь через окна здания
В данном случае мы имеем дело с трехслойной плоской стенкой. Два слоя
стекла имеют толщину 1,5 мм. Ввиду весьма малой толщины стекол их термическим
сопротивлением пренебрегаем, а учитываем только воздушную прослойку, толщина
которой d=0,08 м. Ради облегчения расчета
сложный процесс конвективного теплообмена в воздушной прослойке заменяется на
элементарное явление теплопроводности, вводя при этом понятие эквивалентного
коэффициента теплопроводности lэк.
Термическое сопротивление воздушной прослойки
. (1.25)
Если
разделить
на коэффициент теплопроводности воздуха
, то получим безразмерную величину
, которая характеризует собой влияние конвекции и
называется коэффициентом конвекции
.
Критерий
Грасгофа:
. (1.26)
Допустим,
что температура наружной поверхности окна
, а
температура внутренней поверхности окна
, тогда
средняя температура воздушной прослойки:
, (1.27)
.
При
этой температуре физические свойства воздуха:
коэффициент
теплопроводности воздуха
,
коэффициент
кинематической вязкости воздуха
,
число
Прандтля
.
-
коэффициент объемного расширения,
-
перепад температур,
-
толщина воздушной прослойки.
Подставляя
значения в формулу, получим:
.
Произведение
критерия Грасгофа на число Прандтля равно:
.
При
можно использовать следующую зависимость:
, (1.28)
.
Эквивалентный
коэффициент теплопроводности воздушной прослойки:
, (1.29)
.
Термическое
сопротивление воздушной прослойки:
, (1.30)
.
Термическое
сопротивление у внутренней поверхности окна
. (1.31)
Внутри
здания всегда наблюдается естественная циркуляция воздуха. Известно, что
конвективный коэффициент теплоотдачи при естественной циркуляции воздуха
. (1.32)
Найдем
эти критерии при температуре воздуха в помещении
и высоте
окна
. При этой температуре физические свойства воздуха:
коэффициент
теплопроводности воздуха
,
коэффициент
кинематической вязкости воздуха
,
число
Прандтля
.
-
коэффициент объемного расширения,
-
перепад температур.
Критерий
Грасгофа:
, (1.33)
.
Произведение
критерия Грасгофа на число Прандтля равно:
.
При
рекомендуется использовать следующую формулу:
. (1.34)
Следовательно:
, (1.35)
.
Термическое
сопротивление у внутренней поверхности окна:
.
Термическое
сопротивление на наружной поверхности окна
. (1.36)
Интенсивность
теплообмена наружной поверхности окна характеризуется коэффициентом
теплоотдачи, который равен сумме конвективного коэффициента теплоотдачи
и коэффициента теплоотдачи излучением
, т.е.
. (1.37)
Конвективный
коэффициент теплоотдачи есть функция от числа Рейнольдса
:
, (1.38)
где
- скорость ветра;
- высота
окна;
-
коэффициент кинематической вязкости воздуха, примем по таблице при
.
Подставляя
данные значений, получим:
.
При
можно воспользоваться следующей формулой:
, (1.39)
, (1.40)
где
- коэффициент теплопроводности,
при температуре
.
Подставив значения в формулу, получим:
.
Коэффициент
теплоотдачи излучением определяется по формуле:
, (1.41)
.
Подставляя значения, получим коэффициент теплоотдачи наружной поверхности
окна:
.
Термическое сопротивление на наружной поверхности окна:
.
Общее
термическое сопротивление
, (1.42)
.
Проверка принятых температур на наружной и внутренней поверхностях окна
Температура наружной поверхности окна:
, (1.43)
.
Температура
внутренней поверхности окна:
, (1.44)
.
Так
как расхождение значений заданных и рассчитанных температур меньше
, то перерасчет не производим.
Определение
теплопотерь через окна
Для расчета теплопотерь через окна здания используем следующую формулу:
. (1.45)
Площади поверхности окон на северной, западной, восточной и южной
сторонах здания соответственно равны:
, (1.46)
,
,
,
.
Потери
через окна на северной, западной, восточной и южной сторонах здания:
,
,
,
.
Общие теплопотери через окна здания:
, (1.47)
.
.3 Расчет теплопотерь через бесчердачное перекрытие
Перекрытие
состоит из плиты железобетонной
, гравия
керамзитового плотностью
, цементной стяжки
и двух
слоев рубероида толщиной
.
Коэффициенты
теплопередачи:
,
,
,
.
Термическое сопротивление поверхности бесчердачного перекрытия
Термическое сопротивление перекрытия:
, (1.48)
.
Термическое
сопротивление на внутренней поверхности бесчердачного перекрытия
Термическое сопротивление на внутренней поверхности бесчердачного
перекрытия:
, (1.49)
где
- коэффициент теплоотдачи, зависящий от критериев
и
:
. (1.50)
Найдем
эти критерии при температуре воздуха в помещении
. При
этой температуре физические свойства воздуха:
коэффициент
теплопроводности воздуха
,
коэффициент
кинематической вязкости воздуха
,
число
Прандтля
.
Пусть
- температура на внутренней поверхности бесчердачного
перекрытия, тогда
, (1.51)
,
.
Критерий
Грасгофа:
, (1.52)
,
где
- ширина бесчердачного перекрытия.
Произведение
критерия Грасгофа на число Прандтля равно:
.
При
рекомендуется использовать следующую формулу:
. (1.53)
Следовательно:
, (1.54)
.
Термическое
сопротивление на внутренней поверхности бесчердачного перекрытия:
.
Термическое сопротивление на наружной поверхности бесчердачного
перекрытия
. (1.55)
Интенсивность теплообмена наружной поверхности бесчердачного перекрытия
характеризуется коэффициентом теплоотдачи:
. (1.56)
Конвективный
коэффициент теплоотдачи есть функция от числа Рейнольдса
:
, (1.57)
где
- скорость ветра;
- ширина
бесчердачного перекрытия,
;
-
коэффициент кинематической вязкости воздуха, примем по таблице при
.
Подставляя
данные значений, получим:
.
При
можно воспользоваться следующей формулой:
, (1.58)
, (1.59)
где
- коэффициент теплопроводности,
при температуре
.
Подставив значения в формулу, получим:
.
Допустим,
что температура на наружной поверхности бесчердачного перекрытия равна
.
Коэффициент
теплоотдачи излучением определяется по формуле:
, (1.60)
.
Подставляя значения, получим коэффициент теплоотдачи наружной поверхности
бесчердачного перекрытия:
.
Термическое сопротивление на наружной поверхности бесчердачного
перекрытия:
.
Общее
термическое сопротивление
, (1.61)
.
Проверка ранее принятых температур на наружной и внутренней поверхностях
бесчердачного перекрытия
Температура наружной поверхности бесчердачного перекрытия:
, (1.62)
.
Температура
внутренней поверхности бесчердачного перекрытия:
, (1.63)
.
Так
как расхождение значений заданных и рассчитанных температур меньше
, то перерасчет не производим.
Определение
теплопотерь
, (1.64)
где
- площадь бесчердачного перекрытия;
- для
перекрытий, соприкасающихся с наружным воздухом.
Теплопотери
через бесчердачное перекрытие здания:
.
1.4 Расчет теплопотерь через полы, расположенные на грунте
Исходные данные:
Рисунок 1.2 - Расчетная схема полов здания
- плита перекрытия:
толщина
, коэффициент теплопроводности
.
-
теплоизоляция:
толщина
, коэффициент теплопроводности
.
-
цементная стяжка:
толщина
, коэффициент теплопроводности
.
-
прослойка цементно-песчаная:
толщина
, коэффициент теплопроводности
.
-
покрытие:
толщина
, коэффициент теплопроводности
.
Ширина
пола:
.
Длина
пола:
.
Потери
тепла через полы, расположенные на грунте или лагах, определяем по
зонам-полосам шириной 2м, параллельным наружным стенам здания.
Рисунок 1.3 - Расчетная схема пола дома, расположенного на грунте
Чем ближе полоса расположена к наружной стенке, тем она имеет меньшее
термическое сопротивление теплопередаче.
При подсчете потерь тепла через полы, расположенные на грунте,
поверхность участков полов возле угла наружных стен (в первой двухметровой
зоне) вводится в расчете дважды, т.е. по направлению обоих стен, составляющих
угол.
Термическое сопротивление теплопередаче отдельных зон неутепленных полов
на грунте
Коэффициент
теплопроводности плиты перекрытия
, значит:
для
зоны-полосы I:
;
для
зоны-полосы II:
;
для
зоны-полосы III:
;
для
зоны-полосы IV:
.
Сопротивление
теплопередаче утепляющих слоев
. (1.65)
Подставим все известные значения в формулу:
.
Сопротивление теплопередаче утепленных полов
Определяем для каждой зоны по формуле:
. (1.66)
Для
зоны-полосы I:
.
Для
зоны-полосы II:
.
Для
зоны-полосы III:
.
Для
зоны-полосы IV:
.
Определение
площадей зон
,
.
Потери тепла через пол
.
1.5 Расчет теплопотерь через двери
Теплопотери через двери:
, (1.68)
где
- площадь двери;
-
термическое сопротивление двери;
- для
наружной двери одинарной;
- для
наружной двери двойной с тамбуром;
-
добавочные теплопотери;
-
добавочные теплопотери для наружной двери, ориентированной на восток;
-
добавочные теплопотери для наружной двери, ориентированной на запад;
-
добавочные теплопотери для двойных дверей с тамбуром между ними,
необорудованных воздушной завесой при высоте здания
;
-
коэффициент, учитывающий положение ограждающих конструкций по отношению к
наружному воздуху.
;
.
Теплопотери
через двери:
,
.
1.6 Расчет теплопотерь с инфильтрацией
Расход теплоты на нагрев инфильтрующего наружного воздуха в общественных
зданиях для всех помещений определяют из двух расчетов.
В
первом расчете определяют расход теплоты
на
подогрев наружного воздуха, поступающего в помещения вследствие работы
естественной вытяжной вентиляции.
Во
втором расчете определяют расход теплоты
на
подогрев наружного воздуха, проникающего в эти же помещения через неплотности ограждений
вследствие теплового и ветрового давлений. Для определения расчетных потерь
теплоты помещениями принимают наибольшую величину из определенных по
нижеприведенным формулам.
Первый
расчет
Расход
теплоты
определяют по формуле:
, (1.69)
где
- расход удаляемого воздуха, принимаемый
на
площади
помещений;
-
плотность наружного воздуха;
-
удельная теплоемкость воздуха.
.
Удельный
вес
и плотность воздуха
могут
быть определены по формулам:
, (1.70)
, (1.71)
,
.
Расход теплоты:
.
Второй
расчет
Расход
теплоты
на подогрев наружного воздуха, проникающего в
помещения через неплотности ограждений вследствие теплового и ветрового
давлений, определяют:
, (1.72)
где
- расход инфильтрующего воздуха через ограждающие
конструкции;
-
коэффициент учета встречного теплового потока, принимаемый для окон и балконных
дверей с раздельными переплетами равным 0,8, для одинарных окон и окон со
спаренными переплетами 1,0.
Для
окон величину расхода определяют как
, (1.73)
где
- расчетные площади ограждений;
-
разность давлений воздуха на наружной
и
внутренней поверхностях
окон;
-
сопротивление воздухопроницанию ограждений.
Разность
давлений воздуха
определяют из уравнения:
, (1.74)
где
- высота здания от уровня земли до устья
вентиляционной шахты (в бесчердачных зданиях устье шахты располагают на 1м выше
кровли, в зданиях с чердаком на 4-5м выше верха чердачного перекрытия,
;
-
расстояние от уровня земли до верха окон, для которых определяется расход
воздуха,
;
,
- удельные веса наружного и внутреннего воздуха:
,
;
-
расчетная скорость ветра;
и
- аэродинамические коэффициенты здания соответственно
для наветренной и подветренной поверхностей, для здания прямоугольной формы
,
;
-
коэффициент учета изменения скоростного напора ветра в зависимости от высоты
здания,
при высоте здания до 10м;
-
условно-постоянное давление воздуха, возникающее при работе вентиляции с
искусственным побуждением,
.
Разность
давлений воздуха:
,
,
.
Расход инфильтрующего воздуха:
,
,
,
.
Расход теплоты, необходимый для подогрева этого воздуха, определяют по
формуле:
.
В
итоговый расчет определения теплопотерь помещений принято большее из двух
определений расхода теплоты на подогрев инфильтрующего воздуха, т.е.
.
1.7 Расчет тепловыделений от людей
В административных, учебных, жилых и бытовых помещениях внутреннему
воздуху передаётся теплота от работающих аппаратов, машин и двигателей, горячей
продукции, осветительных приборов и людей, находящихся в помещении. Для
административного здания характерны значительные теплопоступления от
осветительных приборов и людей.
Тепловыделения от людей:
, (1.75)
где
- количество теплоты, выделяемое одним человеком;
- число
работников, находящихся в здании на 01.08.2008 согласно данным ООТиЗ.
Учитывая интенсивность выполняемой работы и теплозащитные свойства
одежды, теплоотдачу одним человеком определяют по формуле:
, (1.76)
где
- коэффициент, учитывающий интенсивность работы,
- для
легкой работы (интеллектуальной);
-
коэффициент, учитывающий теплозащитные свойства одежды,
- для
обычной одежды;
-
скорость движения воздуха в помещении,
;
-
температура помещения.
Теплоотдача
одним человеком:
.
Тепловыделения
от людей:
.
1.8 Расчет тепловыделений от искусственного освещения
Тепловыделения от искусственного освещения определяют по формуле:
, (1.77)
где
- коэффициент перехода электроэнергии в тепловую,
- для
люминесцентных ламп;
-
мощность ламп, если она заранее не известна, можно оценить ее из расчета
для хорошо освещенных помещений,
.
Тепловыделения
от искусственного освещения:
.
1.9 Тепловой баланс здания
В
общем случае разность теплопотерь
и
тепловыделений
определяет тепловую мощность отопительной установки
для компенсации недостатка теплоты в помещении:
, (1.78)
.
1.10 Удельная тепловая характеристика здания
Общие
теплопотери здания
принято относить к
его
наружного объема и
расчетной разности температуры. Получаемый показатель
называют удельной тепловой характеристикой здания.
, (1.79)
где
- теплопотери здания,
, (1.80)
;
- объем
здания по внешнему обмеру,
.
Удельная тепловая характеристика здания:
Удельную тепловую характеристику, вычисляемую после расчета теплопотерь,
используют для теплотехнической оценки конструктивно - планировочных решений
здания, сравнивая её со средними показателями для аналогичных зданий. Величина
удельной тепловой характеристики определяется, прежде всего, размерами световых
проёмов по отношению к общей площади наружных ограждений (долей остекления),
так как коэффициент теплоотдачи заполнений световых проёмов значительно выше
коэффициента теплоотдачи других ограждений. Кроме того, она зависит от объема и
формы зданий.
По
справочной литературе находим, что для административных зданий объемом более
. Разница
между
и
равная
вполне допустима.
1.11 Расчет тепловой инерции
Сопротивление теплопередаче ограждающих конструкций должно отличаться при
различной их теплоустойчивости. Теплоустойчивостью называют свойство ограждений
сопротивляться изменениям температуры окружающей среды. Как известно,
температура наружного воздуха подвержена постоянному изменению. Следовательно,
условия теплопередачи через ограждения зданий, как правило, не стационарны. При
быстром понижении температуры наружного воздуха и недостаточной
теплоустойчивости ограждающей конструкции возможное значительное понижение
температуры её внутренней поверхности. И это может нарушить условия тепловой
комфортности для находящихся в помещении людей.
Теплоустойчивость ограждений при изменении температуры наружного воздуха
характеризуют безразмерным показателем тепловой инерции:
, (1.81)
где
- термическое сопротивление отдельных слоёв
ограждающей конструкции:
; (1.82)
-
расчетные коэффициенты теплоусвоения (при периоде 24 часа) отдельных слоёв
ограждающей конструкции:
, (1.83)
где
- теплопроводность;
-
плотность;
-
удельная теплоемкость;
-
расчетное массовое отношение влаги в материале.
Теплоустойчивость
ограждений:
.
При малой тепловой инерции ограждения следует ожидать большего изменения
температуры его внутренней поверхности (когда изменяется температура наружного
воздуха), чем при увеличенной тепловой инерции.
1.12 Проверка тепловой комфортности
В каждом обогреваемом здании необходимо создавать и поддерживать тепловой
режим в зависимости от его назначения и предъявляемых санитарно-гигиенических
требований. Тепловым режимом здания называют его общее тепловое состояние в
течение отопительного сезона, рассматриваемое как совокупность тепловых условий
в помещениях. Тепловой режим может быть равномерным в зданиях с постоянным
пребыванием людей, иметь суточные, недельные и другие циклы изменения,
связанные с периодической деятельностью людей и использованием зданий.
Комфортными считаются условия, в которых сохраняется нормальное
функциональное и тепловое состояние организма человека без напряжения системы
терморегуляции. Такие условия создают предпосылки для высокого уровня
работоспособности человека.
Тепловлажностный режим ограждений
В помещениях гражданских, административных зданий и в большинстве
производственных помещений не допускается конденсация водяного пара на
поверхности наружных ограждений и накопление влаги в их толще. Увеличение
влажности материала конструкции обычно связано со значительным ухудшением её
теплозащитных качеств и, как правило, приводит к быстрому разрушению
ограждений.
Принятую конструкцию ограждения необходимо проверять на отсутствие
конденсации на его внутренней поверхности из условия удовлетворения требования
или
, (1.84)
где
- температура точки росы воздуха помещения.
,
где
- упругость водяного пара в воздухе помещения:
, (1.85)
где
- допустимая влажность.
, (1.86)
,
,
.
,
,
.
Температура
внутренней поверхности ограждения равна:
, (1.87)
,
.
,
.
Величина
меньше температуры
для
обоих температурных режимов помещения, поэтому конденсации на внутренней
поверхности стены не будет.
Первое
условие комфортности
Первое условие тепловой комфортности в помещении определяет сочетания
температуры воздуха и температуры, при которой человек, находясь в середине
рабочей зоны помещения, не испытывает чувство перегревания или переохлаждения.
Комфортные
тепловые условия выражает осредненная температура помещения
. При практических расчетах в условиях конвективного
отопления за температуру помещения
принимают
значения температуры воздуха
,
приведенные в СНиП и ГОСТ.
Обычно
значения температуры
,
и
близки. Для помещений, где температура воздуха и
температура поверхностей заметно отличаются (например, при периодическом, при
лучистом или воздушном отоплении), нормируемую внутреннюю температуру принимают
за температуру помещения. Затем проверяют выполнение первого условия тепловой
комфортности, используя зависимость между температурой
и
,
установленную для большинства помещений гражданских зданий в холодный период
года:
, (1.88)
,
, т.е.
.
Второе
условие комфортности
Второе условие комфортности определяет допустимые температуры нагретых и
охлажденных поверхностей при нахождении человека в непосредственной близости от
них.
С математической точки зрения, второе условие комфортности определяет
границы изменения переменных, входящих в первое условие комфортности.
Действительно, не все сочетания параметров окружающего воздуха, удовлетворяющих
первому условию комфортности, являются комфортными для человека. Например,
можно подобрать температуру внутреннего воздуха и радиационную температуру
помещения, при которых организм человека будет находиться в тепловом балансе с
окружающей средой, но большие значения радиационной температуры будут вызывать
дискомфорт и перегрев отдельных участков тела.
Не углубляясь в особенности изменения предельных значений, можно выделить
следующие границы параметров первого условия комфортности:
1. Температура
внутреннего воздуха:
.
. Относительная
влажность внутреннего воздуха:
.
. Скорость
движения воздуха:
.
. Расход
воздуха на 1 человека:
.
На комфортную для организма температуру внутреннего воздуха влияют тип
одежды и величина метаболизма.
Величина метаболизма человека зависит от многих факторов: активности,
массы, роста, питания, возраста и так далее. Поэтому определение значения этой
величины для конкретного человека с медицинской точки зрения невозможно. Так же
невозможно заранее определить, какой тип одежды выберет человек, какой у него
будет рост, вес и фактор конструкции. Следовательно, определить комфортную
температуру для конкретного человека невозможно. Но, согласно первому условию комфортности,
такая температура существует. Согласно второму условию комфортности, такая
температура лежит в определенных пределах. Микроклимат в помещении будет
удовлетворять первому и второму условию комфортности. Но если метаболизм
человека будет по каким-либо причинам отличаться от расчетного, или он наденет
костюм с большей плотностью, или его физическая активность будет несколько
больше, чем обычно, или его коэффициент конструкции будет отличаться от
стандартного - все это приведет к тому, что температура в помещении не будет
комфортной. Несмотря на выполнение первого и второго условий комфортности.
Поэтому для удовлетворения потребностей конкретного человека, чтобы
индивидуальный уровень теплопродукции соответствовал теплопотерям в окружающую
среду, температура внутреннего воздуха должна устанавливаться индивидуально.
2. СИСТЕМА
ТЕПЛОСНАБЖЕНИЯ С ПРИМЕНЕНИЕМ ТЕПЛОВОГО НАСОСА
2.1 Экономика возобновляемой энергетики
С точки зрения экономики, учёт плюсов и минусов систем возобновляемой
энергетики можно наглядно представить как два совмещённых графика. На этом
рисунке, для примера, показана сравнительная экономическая оценка двух условных
систем отопления «Система котла, работающего на дизельном топливе» и «Система
теплового насоса».
Рисунок 2.1 - Сравнительная экономическая оценка двух условных систем
отопления
Все затраты по обоим случаям можно разделить на:
1. начальные (разовые) - это постоянные начальные затраты на
проектирование, покупку оборудования, вспомогательных аксессуаров и монтаж.
2. эксплуатационные - это переменные (постоянно растущие по времени)
затраты на топливо, электроэнергию, ремонт и оплату труда эксплуатационному
штату (если требуется).
. суммарные - это переменные (постоянно растущие по времени)
затраты, которые являются суммой первых двух.
Из рисунка видно, что имеется особая точка на оси времени, когда
суммарные затраты обоих систем сравниваются, и дальше владелец системы
возобновляемой энергетики начинает экономить средства. От чего зависит
экономия:
от разницы в начальных затратах обоих систем;
от разницы в эксплуатационных затратах обоих систем.
По данному примеру можно сказать, что:
- выход в точку окупаемости происходит за ~ 4,2 года;
- несмотря на то, что начальные затраты теплового насоса в 2,5 раза выше,
чем дизельного котла, эксплуатационные расходы последнего (стоимость дизельного
топлива, его доставки на объект, ремонт и т.д.) выше, чем у теплового насоса.
Необходимо оговориться, что рассмотренный график составлен с учётом
нынешних тарифов на топливо и электроэнергию, а также сегодняшних цен на
оборудование. К сожалению, первоначальные затраты на его приобретение
достаточны высоки и обусловлены не столько законами себестоимости, сколько
аппетитами поставщиков. В связи с непрерывным повышением цен на энергоносители
и увеличением спроса на альтернативную энергетику - стоимость оборудования
будет стремительно приближаться к реальной.
Хотя в реальных случаях графики бывают разные, принцип оценки прямой экономической
эффективности сохраняется.
При этом существует ещё ряд факторов, не связанных с экономикой
непосредственно, но которые тоже необходимо учитывать при принятии решения по
установке той или иной системы:
необходимо организовывать регулярную доставку топлива на объект;
- в России и мире цены на углеводородное топливо и электроэнергию растут
каждый год;
- психологический дискомфорт, связанный с перебоями обычной
электроэнергии на объекте;
- проблемы общения с государственными чиновниками при попытке обеспечения
своего объекта традиционным электро- и теплоснабжением.
При сложившемся уровне цен на энергоносители топливные насосы по
экономичности уступают пока только газовым котлам, будучи на порядок
неприхотливее в эксплуатации, но заметно выигрывают у жидкотопливных и
электрических.
Таблица 2.1 Годовые затраты на отопление 1 м2 площади дома разными
системами
|
Тип тепло-генератора
системы отопления
|
Теплота сгорания топлива
|
Годовая потребность
|
Цена энерго- носителя
|
Стоимость энерго- носителя,
руб.
|
Затраты для дома S=300м2,
руб.
|
|
Газовый котел
|
   
|
|
|
|
|
|
Жидко-топливный котел
|
   
|
|
|
|
|
|
Электрический котел
|
-
|
  
|
|
|
|
|
Тепловой насос
|
-
|
  
|
|
|
|
Служат они по 15-20 лет до капитального ремонта. В перспективе, в связи с
ростом цен на все виды топлива их лидерство обеспечено.
2.2 Общие сведения о тепловом насосе
Тепловые насосы - это компактные экономичные и экологически чистые
системы отопления, позволяющие получать тепло для горячего водоснабжения,
отопления коттеджей, охлаждения воздуха в комнатах и вентилирования помещений
за счёт использования тепла низкопотенциального источника (тепло грунтовых вод,
озёр, морей, грунтовое тепло, тепло земных недр и т.п.) путём переноса его к теплоносителю
с более высокой температурой.
Идея теплового насоса была известна уже сто лет тому назад, но только
последние несколько лет соотношение цена - качество - надёжность достигло
необходимого для рынка уровня. Кроме того, с ростом цен на энергию и большими
требованиями к окружающей среде в мире, увеличилось использование тепловых
насосов в качестве отопительных систем в домах. Продажа тепловых насосов в
последние годы растёт в Европе и, в частности, во всей Скандинавии. В Швеции,
являющейся лидером использования тепловых насосов, их установлено более
400.000, а в Финляндии за последние годы количество проданных насосов
увеличилось вдвое. В Швеции для работы тепловых насосов используется вода
Балтийского моря с температурой +4 ºС. По прогнозам Мирового
Энергетического комитета (МИРЭК), к 2020 году в развитых странах мира
теплоснабжение будет, в основном, осуществляться с помощью тепловых насосов.
Для использования тепла грунтовых вод используют вертикальные коллекторы
- это система длинных труб, опускаемых в глубокие скважины (50-150 метров).
Нужен всего пятачок земли, зато требуются дорогостоящие бурильные работы. На
глубине всегда одинаковая температура - около 10ºС, поэтому данный вид коллектора
более эффективен.
Грунт имеет свойство сохранять солнечное тепло в течение длительного
времени, что ведёт к относительно равномерному уровню температуры источника на
протяжении всего года. Это обеспечивает эксплуатацию теплового насоса с высоким
коэффициентом мощности. Тепло окружающей среды передаётся со смесью из воды и
антифриза (спирта). Забор тепла из грунта осуществляется с помощью проложенной
в грунте системы пластиковых труб на глубине 1-1,2 м. Минимальное расстояние
между соседними трубопроводами около 1 метра.
Преимущества использования отопительных систем на базе тепловых насосов:
- высокая эффективность преобразования электроэнергии по сравнению
с электронагревательными приборами;
- экологически чистая технология;
отсутствие выбросов в атмосферу вредных веществ и углекислоты;
используется озонобезопасный вид фреона;
надежная автоматическая работа установки, не требующая
постоянного присутствия человека;
минимальные эксплуатационные расходы по сравнению с другими
отопительными системами;
длительный срок службы без капитального ремонта;
малые габариты и вес;
в качестве источника низкопотенциальной теплоты могут
использоваться грунт, вода, окружающий воздух.
Применение теплового насоса целесообразно:
- в качестве системы автономного обогрева и горячего водоснабжения
жилых и производственных помещений, для теплоснабжения и горячего водоснабжения
индивидуального жилья;
- для горячего водоснабжения (либо как побочный эффект
отопительной функции, либо как основная функция);
для охлаждения помещений любого рода: для охлаждения и
кондиционирования загородных домов, для охлаждения кладовок, хранилищ,
погребов, охлаждения производственных помещений и технологического оборудования
предприятий;
для вентиляции коттеджа, деревенского дома, загородного дома,
для вентиляции промышленных помещений. Речь идет о так называемой
контролируемой вентиляции: тепловой насос регенерирует тепло отточного воздуха
и нагревает свежий воздух;
для удаления из помещений излишней влажности. Данная функция
может быть полезна в области хранения продуктов питания, для хранения зерна,
фруктов, овощей, для хранения древесины - везде, где необходимо сохранение
определенного уровня влажности.
Основным достоинством теплового насоса является его высокая эффективность
по сравнению со всеми видами котельных. Учитывая КПД выработки электроэнергии
на ТЭЦ, очевидно, что применение теплового насоса в 1,2 - 2,5 раза выгоднее
самых эффективных (газовых) котельных. Тепловой насос является исключительно
энергоэффективной установкой: внедрение тепловых насосов позволит экономить до
268 кг угля, 84 кг мазута, 58 м3 газа на каждую произведенную Гкал тепла.
Применение и особенно производство тепловых насосов в нашей стране
развивается с большим опозданием. Пионером в области создания и внедрения
тепловых насосов в бывшем СССР был ВНИИхолодмаш. В 1986-1989 гг. ВНИИхолодмашем
был разработан ряд парокомпрессионных тепловых насосов теплопроизводительностью
от 17кВт до 11,5МВт двенадцати типоразмеров «вода-вода» (в том числе морская
вода в качестве источника низкопотенциального тепла для тепловых насосов теплопроизводительностью
300…1000кВт), «вода-воздух» (тепловые насосы на 45 и 65кВт). Большая часть
тепловых насосов этого ряда прошла стадию изготовления и испытания опытных
образцов на пяти заводах холодильного машиностроения. Четыре типоразмера
выпускались серийно (тепловые насосы теплопроизводительностью 14; 100; 300;
8500кВт).
В
нашей стране основным производителем тепловых насосов в течение 15 последних
лет является ЗАО «Энергия <#"528390.files/image382.gif">
Рисунок
2.2 - Схема контуров теплового насоса
Тепловой
насос состоит из трёх контуров: так называемого земляного (реально это может
быть воздушный, водный или грунтовый контур), внутреннего и отопительного. В
земляном контуре происходит отбор тепла (в разных моделях тепловых насосов
температура земляного контура от -13 до +5ºС), которое внутренний контур «перекачивает», превращая его на подаче в
отопительном контуре в температуру 55-65 ºС с помощью рабочего тела (хладагента).
-
конденсатор; 2 - дроссельный вентиль; 3 - испаритель; 4 - компрессор.
Рисунок
2.3 - Схема теплового насоса
Кроме
того, во внутреннем контуре имеется:
- терморегулятор, являющийся управляющим устройством;
- хладагент, циркулирующий в системе (газ с определенными
физическими характеристиками).
Хладагент под давлением через дроссельный вентиль поступает в испаритель,
где за счёт резкого уменьшения давления происходит испарение. При этом
хладагент отнимает тепло у внутренних стенок испарителя, а испаритель, в свою
очередь, отбирает тепло у земляного контура, за счёт чего происходит его
постоянное охлаждение. Компрессор засасывает из испарителя хладагент, сжимает
его, за счёт чего температура хладагента повышается и выталкивает в
конденсатор. Кроме того, в конденсаторе нагретый в результате сжатия хладагент
отдаёт полученное тепло (температура порядка 85-125 ºС) в отопительный контур и
окончательно переходит в жидкое состояние. Процесс повторяется вновь. При
достижении необходимой температуры терморегулятор размыкает электрическую цепь,
и компрессор останавливается. При понижении температуры в отопительном контуре
терморегулятор вновь включает компрессор. Хладагент в тепловых насосах
совершает обратный цикл Карно.
тепловой здание насос
2.4 Выбор холодильного агента
Для эффективной работы теплонасосной установки выбор рабочего вещества
имеет первостепенное значение. К хладагенту в теплонасосной установке
предъявляются такие же требования к физическим и химическим свойствам, как и в
холодильных машинах.
Идеальное рабочее вещество характеризуется:
- химической стабильностью;
- химической инертностью, по отношению к конструкционным
материалам и смазочным маслам;
- невоспламеняемостью;
- низкой стоимостью;
- нетоксичностью;
- низким давлением конденсации;
- низким давлением кипения;
- высокой эффективностью холодильного цикла.
Хотя ни одно вещество не обладает всеми выше упомянутыми
характеристиками, хладагент выбирают по наиболее важным из них.
К наиболее распространенным веществам относятся хладагенты марок R12,
R22, R502.
Хладагент аммиак, благодаря хорошим термодинамическим свойствам, можно
использовать во всех случаях, где он допустим с учетом соблюдения
соответствующих правил техники безопасности.
В последнее время в связи с ростом значимости теплонасосных установок
повысился интерес к ряду других хладагентов, в особенности к маркам R21, R113,
R12B1, прежде всего для интервала высоких температур конденсации.
Для оценки максимально возможной температуры воды для систем отопления
приводится максимально допустимая температура конденсации теплового насоса,
которая ограничена конструкцией компрессора. При приближении температуры
конденсации теплового насоса к критической снижается термодинамическая
эффективность цикла и резко ухудшается условие передачи теплоты к нагреваемой
среде. Для достижения наиболее высоких температур необходимы рабочие вещества с
существенно более высокими критическими температурами. Как правило, эти
вещества имеют и более низкие уровни давления.
Диапазон рабочих тел практически безграничен. Каждая жидкость способная
испаряться в интервале давлений от 0,1 до 2 МПа, при приемлемой температуре,
представляет интерес. Работа при низких давлениях пара ведет к
непропорционально большим компрессорам.
Эти соображения составляют диапазон возможных хладагентов от R13B1 до
R40, из которого и подбираются подходящие рабочие тела. Все эти вещества весьма
близки по степени сжатия и объемному расходу, так что окончательный выбор
делается на основе соображений безопасности, энергетической эффективности и
стоимости.
С точки зрения безопасности такие горючие вещества, как пропилен, пропан,
метилхлорид, исключаются из рассмотрения. Их нельзя применять в тех случаях,
когда не может быть обеспечена удовлетворительная техническая эксплуатация, в
частности при теплоснабжении жилищ.
Аммиак нежелателен из-за его токсичности, которая выше только у
сернистого ангидрида. Несмотря на это, аммиак все же применяется довольно
широко в домашних холодильниках, где накоплен немалый опыт эксплуатации.
Наиболее приемлемым являются негорючие нетоксичные галоидоуглеродные
соединения, среди которых можно сделать выбор. Для домашних абсорбционных
установок аммиак остается предпочтительным.
Химическая стабильность имеет существенное значение для тепловых насосов.
В холодильниках и кондиционерах рабочие жидкости применяют уже много лет, но в
тепловых насосах рабочие температуры существенно выше.
Разрушение хладагента в основном происходит на выходе из компрессора в
наиболее горячей точке цикла. Здесь металлические поверхности играют роль
катализатора разложения хладагента в смеси с небольшим количеством масла,
движущегося с большой скоростью. Моделировать такие условия в опытах с
запаянными трубками или других испытаниях на совместимость очень трудно.
Следует опираться на прямой опыт эксплуатации, который даст возможность указать
максимальную температуру длительной выдержки для хладагентов.
Продукты разложения хладагентов обычно имеют кислотный характер. Они
оказывают вредное действие на металлические детали и ограничивают ресурс
машины.
R134a представляет собой не разрушающий
озоновый слой хладагент, предназначенный для замены R12 в среднетемпературных агрегатах. R134a
обладает нулевым потенциалом разрушения озонового слоя, а его потенциал
глобального потепления составляет 1300, что гораздо ниже, чем ПГП R12, равного 8500. R134a не воспламеняется во всем диапазоне температур эксплуатации.
Однако при сжатии воздухом R134a может образовывать горючие смеси. По
этой причине хладагент нельзя смешивать воздухом для проведения испытаний под
давлением на предмет выявления утечек. В рамках программы PAFT завершено исследование токсичности R134а. Этот фреон - идеальный
хладагент для областей применения, где особое значение придается безопасности и
постоянству эксплуатационных характеристик.
Хладагент рекомендуется применять в системах кондиционирования воздуха (с
центробежными и объемными компрессорами), охладителях, холодильных системах со
средними температурами испарения, бытовых холодильниках, автомобильных и
транспортных системах кондиционирования воздуха. В среднетемпературном
оборудовании R134a обладает эксплуатационными характеристиками, близкими R12.
Таким образом, для нашего случая наиболее приемлемый вариант хладагент - R134a.
2.5 Выбор источника низкопотенциального тепла
Применение тепловых насосов всегда требует не только затрат энергии на
привод, но и дополнительных источников тепла. Общедоступным источником
низкопотенциальной теплоты является атмосферный воздух, который широко
используют для малых теплонасосных установок. Однако низкие значения
температуры воздуха, теплоемкости и коэффициента теплоотдачи не позволяет
достичь приемлемых показателей энергетической эффективности крупных установок,
в частности теплонасосных станций, к испарителям которых требуется подводить
большие тепловые потоки.
Эффективность теплового насоса во многом зависит от выбора источника
низкопотенциальной теплоты, так как повышение эффективности происходит при
снижении разности температуры конденсации и температуры кипения рабочего
вещества.
Для нашего случая источником теплоты служит технологический конденсат
завода, который не возвращается на ТЭЦ-1, а сбрасывается в канализацию.
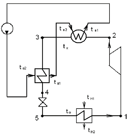
2.6 Тепловой расчет теплонасосной установки
Для данного здания выбираем тепловой насос фирмы STIEBEL ELTRON (Германия) марки WPL 604. Произведем его расчет.
-
теплопроизводительность,
-
температура теплоотдатчика (конденсата) на входе в испаритель,
-
температура теплоотдатчика (конденсата) на выходе из испарителя,
-
температура теплоприемника на входе в конденсатор,
-
температура теплоприемника на выходе из конденсатора,
-
разность температур между греющей и охлаждающей средой в испарителе,
- в
конденсаторе,
- в
охладителе.
Рисунок
2.4 - Принципиальная схема теплонасосной установки
Рисунок
2.5 - Диаграмма цикла теплонасосной установки
1. Температура испарения
, (2.1)
.
2. Температура конденсации
, (2.2)
.
3. КПД компрессора
,
, (2.3)
.
4. Значения параметров в характерных точках
, (2.4)
, (2.5)
,
, (2.6)
.
Таблица 2.2 Значения параметров в характерных точках процесса
|
Точки
|
1
|
2
|
2΄
|
3
|
4
|
5
|
|
34105100955934
|
|
|
|
|
|
|
|
0,863,03,03,00,86
|
|
|
|
|
|
|
|
0,0250,006
|
|
|
|
|
|
|
|
421452448350285285
|
|
|
|
|
|
|
|
1,701,721,701,441,281,38
|
|
|
|
|
|
|
5. Удельная холодопроизводительность
, (2.7)
.
6. Тепло, отводимое от конденсатора
, (2.8)
.
7. Тепло, отводимое от охладителя
, (2.9)
.
8. Баланс
, (2.10)
,
.
9. Массовый расход рабочего агента
, (2.11)
.
10. Объемная производительность компрессора
, (2.12)
.
11. Расчетная тепловая нагрузка испарителя
, (2.13)
.
12. Расчетная тепловая нагрузка охладителя
, (2.14)
.
13. Удельная работа компрессора
, (2.15)
.
14. Удельный расход электроэнергии на единицу выработанного тепла
, (2.16)
.
15. Электрическая мощность компрессора
, (2.17)
.
16. Коэффициент трансформации
, (2.18)
.
17. Средняя температура низкотемпературного теплоотдатчика
, (2.19)
.
18. Средняя температура полученного тепла
, (2.20)
19. Коэффициент работоспособности тепла
, (2.21)
.
20. Эксергетический КПД установки
, (2.22)
.
3. РАСЧЕТ
ЭЛЕМЕНТОВ ТЕПЛОНАСОСНОЙ УСТАНОВКИ
3.1 Расчет испарителя
В качестве испарителя выберем теплообменник с U-образными трубами. В кожухотрубчатых аппаратах этой
конструкции обеспечивается свободное удлинение труб, что исключает возможность
возникновения температурных напряжений.
Рисунок 3.1 - Теплообменник с U-образными трубами
Такие аппараты (рис. 3.1) состоят из кожуха 2 и трубного пучка, имеющего
одну трубную решетку 3 и U-образные
трубы 1. Трубная решетка вместе с распределительной камерой 4 крепится к кожуху
аппарата на фланце.
Для обеспечения раздельного ввода и вывода циркулирующего по трубам
теплоносителя в распределительной камере предусмотрена перегородка 5.
Теплообменники типа У являются двухходовыми по трубному пространству и
одно- или двухходовыми по межтрубному пространству. В последнем случае в
аппарате установлена продольная перегородка, извлекаемая из кожуха вместе с
трубным пучком. Для исключения перетекания теплоносителя в зазорах между
кожухом аппарата и перегородкой у стенки кожуха устанавливают гибкие
металлические пластины или прокладку из прорезиненного асбестового шнура,
уложенную в паз перегородки.
В аппаратах типа У обеспечивается свободное температурное удлинение труб:
каждая труба может расширяться независимо от кожуха и соседних труб. Разность
температур стенок труб по ходам в этих аппаратах не должна превышать 100°С. В противном случае могут
возникнуть опасные температурные напряжения в трубной решетке вследствие
температурного скачка на линии стыка двух ее частей.
Преимущество конструкции аппарата типа У - возможность периодического
извлечения трубного пучка для очистки наружной поверхности труб или полной
замены пучка. Однако следует отметить, что наружная поверхность труб в этих
аппаратах неудобна для механической очистки.
Поскольку механическая очистка внутренней поверхности труб в аппаратах
типа У практически невозможна, в трубное пространство таких аппаратов следует
направлять среду, не образующих отложений, которые требуют механической
очистки.
Внутреннюю поверхность труб в этих аппаратах очищают водой, водяным
паром, горячими нефтепродуктами или химическими реагентами. Иногда используют
гидромеханический способ (подача в трубное пространство потока жидкости,
содержащей абразивный материал, твердые шары и др.).
Один из наиболее распространенных дефектов кожухотрубчатого
теплообменника типа У - нарушение герметичности узла соединения труб с трубной
решеткой из-за весьма значительных изгибающих напряжений, возникающих от массы
труб и протекающей в них среды. В связи с этим теплообменные аппараты типа У
диаметром от 800мм и более для удобства монтажа и уменьшения изгибающих
напряжений в трубном пучке снабжают роликовыми опорами.
Произведем тепловой расчет испарителя - U-образного теплообменника горизонтального типа.
1. Исходные данные к расчету:
давление
греющего конденсата
,
температура
конденсата на входе
,
температура
конденсата на выходе
,
давление
нагреваемого фреона
,
температура
фреона
,
расход
фреона
.
2. Расход греющего конденсата, поступающего в испаритель, из уравнения
теплового баланса:
, (3.1)
.
3. Количество теплоты, передаваемое греющим конденсатом в испарителе:
, (3.2)
.
4. Требуемая площадь поверхности теплообмена может быть определена из
уравнения теплопередачи:
. (3.3)
5. Значение температурного напора при принятых исходных данных:
, (3.4)
.
. Коэффициент
теплопередачи примем в первом приближении
.
Требуемая площадь поверхности в этом случае:
.
. С
учетом площади поверхности предварительно принимаются основные размеры
испарителя. Приняв шахматное расположение труб (
и
) с коэффициентом заполнения трубной доски
и скоростью движения конденсата в трубах
, можно определить число параллельных труб по ходу
конденсата:
, (3.5)
.
8. При двухходовом движении воды общее число трубных концов,
развальцованных в трубной доске:
.
9. Площадь трубной доски, занятая трубами:
, (3.6)
.
10. Средняя длина труб:
, (3.7)
.
11. Для определения коэффициента теплоотдачи от пара к стенке труб
необходимо сначала установить режим движения пленки конденсата.
12. Значение числа Рейнольдса для пленки конденсата на нижней кромке
поверхности:
, (3.8)
где
- количество теплоты, передаваемое греющим
конденсатом;
-
средняя активная длина труб;
-
плотность фреона;
-
кинематическая вязкость фреона.
.
.
Поскольку
, то средний коэффициент теплоотдачи от стенки трубы к
пару:
, (3.9)
.
14. Физические параметры конденсата, движущегося внутри труб,
принимаются при следующем значении температуры:
, (3.10)
.
15. Число Рейнольдса в этом случае:
, (3.11)
.
.
Следовательно,
, т.е. режим движения конденсата турбулентный. При
,
, а
, тогда:
, (3.12)
.
17. Средний коэффициент теплоотдачи от конденсата к стенке труб:
, (3.13)
.
18. Коэффициент теплопередачи:
, (3.14)
.
Погрешность
полученного значения
составляет 1%, что допустимо.
Определим
толщину стенки сварной цилиндрической обечайки горизонтального аппарата,
работающего под внутренним давлением.
.
Исходные данные:
материал
обечайки - сталь марки Ст3;
проницаемость
материала обечайки в среде
(
,
);
давление
фреона
;
внутренний
диаметр
;
плотность
фреона
;
обечайка
без отверстий;
продольный
сварной шов ручной стыковой двусторонний (
);
поправочный
коэффициент
.
.
Расчетное давление в нижней части обечайки с учетом гидростатического давления
столба жидкости определяем по формуле:
, (3.15)
.
.
Номинальное допускаемое напряжение для стали марки Ст3 находим по графику
.
.
Допускаемое напряжение определяем по формуле:
, (3.16)
.
.
Определим отношение определяющих параметров
и
с учетом коэффициента
:
.
.
Номинальную расчетную толщину стенки обечайки для данного отношения определяем
по формуле:
, (3.17)
.
.
Выбираем прибавку на округление толщины стенки (до ближайшего большего размера
по сортаменту)
.
.
Суммарную прибавку к номинальной толщине стенки при
определяем по формуле:
, (3.18)
.
.
Толщину стенки обечайки с учетом прибавок определяем по формуле:
, (3.19)
.
.
Проверим условие:
,
т.е.
условие выполнено.
.
Допускаемое давление в обечайке определяем по формуле:
, (3.20)
.
Определим
высоту плоской круглой трубной решетки типа II в аппарате
испарителя.
.
Исходные данные:
внутренний
диаметр
;
давление
фреона
;
давление
конденсата
;
трубы
16х0,75мм;
число
труб на диаметре
;
трубы
размещены в решетке и закреплены в ней развальцовкой;
шаг
между трубами
;
материал
решетки - сталь (
);
.
.
Номинальную расчетную высоту решетки снаружи определяем по формуле, выбрав
значения величин по таблице
,
,
:
, (3.21)
.
.
Коэффициент ослабления решетки отверстиями определяем по формуле:
, (3.22)
.
.
Номинальную расчетную высоту решетки посередине определяем по формуле, выбрав
значение величин
,
и
в ней по таблице:
,
и
:
, (3.23)
.
.
С учетом прибавок на коррозию
, на
округление размеров, а также из конструктивных соображений, принимаем
и
.
3.2 Расчет конденсатора
Произведем тепловой расчет конденсатора - U-образного теплообменника горизонтального типа.
. Исходные данные к расчету:
давление
нагреваемой отопительной воды
,
температура
воды на входе
,
температура
воды на выходе
,
давление
греющего фреона
,
температура
фреона на входе в конденсатор
,
температура
фреона на выходе из конденсатора
,
расход
фреона
.
2. Расход нагреваемой отопительной воды, поступающей в конденсатор, из
уравнения теплового баланса:
, (3.24)
.
.
Количество теплоты, передаваемое греющим фреоном в конденсаторе:
, (3.25)
.
.
Требуемая площадь поверхности теплообмена может быть определена из уравнения
теплопередачи:
. (3.26)
.
Значение температурного напора при принятых исходных данных:
, (3.27)
.
.
Коэффициент теплопередачи примем в первом приближении
. Требуемая площадь поверхности в этом случае:
.
.
С учетом площади поверхности предварительно принимаются основные размеры
конденсатора. Приняв шахматное расположение труб (
и
) с
коэффициентом заполнения трубной доски
и
скоростью движения отопительной воды в трубах
, можно
определить число параллельных труб по ходу движения воды:
, (3.28)
.
.
При двухходовом движении воды общее число трубных концов, развальцованных в
трубной доске:
.
.
Площадь трубной доски, занятая трубами:
, (3.29)
.
.
Средняя длина труб:
, (3.30)
.
.
Для определения коэффициента теплоотдачи от пара к стенке труб необходимо
сначала установить режим движения пленки конденсата.
.
Значение числа Рейнольдса для пленки конденсата на нижней кромке поверхности:
, (3.31)
где
- количество теплоты, передаваемое греющим фреоном;
-
средняя активная длина труб;
-
плотность фреона;
-
кинематическая вязкость фреона.
.
.
Поскольку
, то средний коэффициент теплоотдачи от
конденсирующегося пара к стенкам труб:
, (3.32)
.
.
Физические параметры воды, движущейся внутри труб, принимаются при следующем
значении температуры:
, (3.33)
.
.
Число Рейнольдса в этом случае:
, (3.34)
.
.
Следовательно,
, т.е. режим движения воды турбулентный. При
,
, а
, тогда:
, (3.35)
.
.
Средний коэффициент теплоотдачи от конденсата к стенке труб:
, (3.36)
.
.
Коэффициент теплопередачи:
, (3.37)
.
Погрешность
полученного значения
составляет 1%, что допустимо.
Определим
толщину стенки сварной цилиндрической обечайки горизонтального аппарата,
работающего под внутренним давлением.
.
Исходные данные:
материал
обечайки - сталь марки Ст3;
проницаемость
материала обечайки в среде
(
,
);
давление
фреона
;
внутренний
диаметр
;
плотность
фреона
;
обечайка
без отверстий;
продольный
сварной шов ручной стыковой двусторонний (
);
поправочный
коэффициент
.
.
Расчетное давление в нижней части обечайки с учетом гидростатического давления
столба жидкости определяем по формуле:
, (3.38)
.
.
Номинальное допускаемое напряжение для стали марки Ст3 находим по графику
.
.
Допускаемое напряжение определяем по формуле:
, (3.39)
.
.
Определим отношение определяющих параметров
и
с учетом коэффициента
:
.
.
Номинальную расчетную толщину стенки обечайки для данного отношения определяем
по формуле:
, (3.40)
.
.
Выбираем прибавку на округление толщины стенки (до ближайшего большего размера
по сортаменту)
.
.
Суммарную прибавку к номинальной толщине стенки при
определяем по формуле:
, (3.41)
.
.
Толщину стенки обечайки с учетом прибавок определяем по формуле:
, (3.42)
.
.
Проверим условие:
,
т.е.
условие выполнено.
.
Допускаемое давление в обечайке определяем по формуле:
, (3.43)
.
Определим
высоту плоской круглой трубной решетки типа II в аппарате
конденсатора.
.
Исходные данные:
внутренний
диаметр
;
давление
фреона
;
давление
отопительной воды
;
трубы
16х0,75мм;
число
труб на диаметре
;
трубы
размещены в решетке и закреплены в ней развальцовкой;
шаг
между трубами
;
материал
решетки - сталь (
);
.
.
Номинальную расчетную высоту решетки снаружи определяем по формуле, выбрав
значения величин по таблице
,
,
:
, (3.44)
.
.
Коэффициент ослабления решетки отверстиями определяем по формуле:
, (3.45)
.
.
Номинальную расчетную высоту решетки посередине определяем по формуле, выбрав
значение величин
,
и
в ней по таблице:
,
и
:
, (3.46)
.
.
С учетом прибавок на коррозию
, на
округление размеров, а также из конструктивных соображений, принимаем
и
.
4. ОХРАНА
ТРУДА ПРИ ЭКСПЛУАТАЦИИ ТЕПЛОВОГО НАСОСА
При эксплуатации тепловых насосов необходимо руководствоваться «Правилами
технической эксплуатации тепловых энергоустановок», утвержденными приказом
Минэнерго РФ от 24 марта 2003г. №115. Тепловым насосам посвящен раздел 5.4.
. Тепловые насосы, предназначенные для выработки тепловой энергии с
использованием низкопотенциального тепла, должны удовлетворять требованиям
действующих нормативно-технических документов и настоящих Правил.
. Применение тепловых насосов целесообразно в качестве двухцелевых
установок, одновременно производящих искусственный холод и тепловых энергию для
целей теплоснабжения.
. Резервирование тепловых насосов определяется требованиями надежности к
источнику теплоты.
. Систему теплоснабжения на основе тепловых насосов следует, как правило,
проектировать их двух или большего числа машин или установок охлаждения;
допускается проектировать одну машину или одну установку охлаждения с
регулируемой мощностью.
. Тепловые насосы поставляются в полной заводской готовности согласно
комплекту поставки (компрессоры, трубопроводы, теплообменники,
предохранительные клапаны, средства автоматики и т.п.) и монтируются
специализированной организацией, имеющей разрешение и сертификат
завода-изготовителя.
. Материалы частей оборудования, подвергающиеся действию низких
температур, не должны иметь необратимых структурных изменений и должны
сохранять необходимую прочность при этих температурах.
. Помещения для установки тепловых насосов и тепловые насосы по
взрывопожарной и пожарной опасности по степени защиты от поражения
электрическим током должны соответствовать установленным требованиям.
. Эксплуатация теплового насоса с неисправными защитами, действующими на
останов, не допускается. Помещения оборудования низкотемпературного источника
теплоты с температурой 0°С и
ниже оборудуются системой светозвуковой сигнализацией «человек в камере»,
сигнал от которой должен поступать на пульт в помещение оперативного персонала.
. Особенности эксплуатации теплового насоса определяются
нормативно-технической документацией завода-изготовителя, проектом,
требованиями, установленными Госгортехнадзором России и настоящими Правилами,
что отражается в инструкции по эксплуатации.
. Техническое освидетельствование установок (внешний, внутренний осмотр,
испытания на прочность и плотность) производить до пуска в работу и
периодически в процессе эксплуатации. Все результаты освидетельствования
заносятся в паспорта оборудования.
5. ОЦЕНКА
ЭКОНОМИЧЕСКОЙ ЭФФЕКТИВНОСТИ ПРОЕКТА
Показатели экономической эффективности инвестиционных проектов позволяют
потенциальному собственнику определить срок, необходимый для возврата
первоначально инвестированной суммы, рассчитать реальный прирост активов от
приобретения собственности, оценить потенциальную устойчивость к рискам
денежного потока, формируемого конкретным объектом собственности.
Привлекательность инвестиционного проекта может быть оценена по большему
числу факторов и критериев: ситуация на рынке инвестиций, состояние финансового
рынка, профессиональные интересы и навыки инвестора, финансовая состоятельность
проекта, геополитический фактор и т.д.
Однако на практике существуют универсальные методы инвестиционной
привлекательности проектов, которые дают формальный ответ: выгодно или
невыгодно вкладывать деньги в данный проект, либо - какой проект предпочесть
при выборе из нескольких вариантов.
Инвестирование с точки зрения владельца капитала означает отказ от
сиюминутных выгод ради получения дохода в будущем. Проблема оценки
инвестиционной привлекательности состоит в анализе предполагаемых вложений в
проект и потока доходов от его использования. Аналитик должен оценить:
насколько предполагаемые результаты отвечают требованиям инвестора по уровню
доходности и сроку окупаемости.
Для принятия инвестиционного решения необходимо располагать информацией о
характере полного возмещения затрат, а также о соответствии уровня
дополнительного получаемого дохода степени риска неопределенности достижения
конечного результата.
Различают простые и усложненные методы оценки, основанные на теории
временной стоимости денег. Простые методы традиционно использовались в
отечественной практике. Методические рекомендации по расчету экономической
эффективности капитальных вложений предусматривали систему показателей,
отвечающую действующим условиям хозяйствования.
К важнейшим показателям относились:
1. коэффициент
общей экономической эффективности капитальных вложений (
):
, (5.1)
где
- годовая прибыль;
- капитальные
вложения.
. срок
окупаемости (
):
; (5.2)
3. показатель сравнительной экономической эффективности, основанный
на минимизации приведенных затрат:
, (5.3)
где
- капитальные вложения по каждому варианту;
-
текущие затраты (себестоимость) по тому же варианту;
-
нормативный коэффициент эффективности капитальных вложений.
Отличительной чертой инвестиционного процесса является разрыв во времени,
как правило, более одного года между вложением денег, имущества или
имущественных прав и получением дохода.
Следовательно, основным недостатком ранее действовавших отечественных
методик было игнорирование временной оценки затрат и доходов. Переход к
рыночным отношениям, принятие законодательных актов, касающихся инвестиционной
деятельности, предоставили инвесторам свободу выбора:
- объектов инвестирования;
- критериев оценки экономической эффективности;
источников финансирования;
способов использования конечных результатов.
Следовательно, оценка инвестиционной привлекательности проектов должна
учитывать инфляционные процессы, возможность альтернативного инвестирования,
необходимость обслуживания капитала, привлекаемого для финансирования.
Техника усложненных методов базируется на выводе о том, что потоки
доходов и расходов по проекту, представленные в бизнес-плане, не сопоставимы.
Для объективной оценки необходимо сравнивать затраты по проекту с доходами,
приведенными к их текущей стоимости на момент осуществления затрат, исходя из
уровня риска по оцениваемому проекту, т.е. доходы должны быть
продисконтированы.
Экономическая оценка проекта характеризует его привлекательность в
сравнении с другими альтернативными инвестициями. Оценка инвестиционных
проектов с учетом временного фактора основана на использовании следующих
показателей:
1. срок (период) окупаемости;
2. чистая текущая стоимость доходов;
. ставка доходности проекта;
. внутренняя ставка доходности проекта;
. модифицированная ставка доходности;
. ставка доходности финансового менеджмента.
Оценка инвестиционной привлекательности проекта предполагает
использование, как правило, всей системы показателей. Это связано с тем, что
каждому методу присущи некоторые недостатки, которые устраняются в процессе
расчета другого показателя. Экономическое содержание каждого показателя
неодинаково, аналитик получает информацию о различных сторонах инвестиционного
проекта, поэтому только вся совокупность расчетов позволит принять правильное
инвестиционное решение.
Период окупаемости определяется как ожидаемое число лет, необходимое для
полного возмещения инвестиционных затрат. Период окупаемости рассчитывается
следующим образом:
ТОК= число лет, предшествующих году окупаемости +
+невозмещенная стоимость на начало года окупаемости /
/ приток наличности в течение года окупаемости. (5.4)
Схема расчета срока окупаемости:
1. рассчитать дисконтированный денежный поток доходов по проекту,
исходя из ставки дисконта и периода возникновения доходов;
2. рассчитать накопленный дисконтированный денежный поток как
алгебраическую сумму затрат и потока доходов по проекту;
. накопленный дисконтированный денежный поток рассчитывается до
получения первой положительной величины.
. определить срок окупаемости по формуле.
Данный показатель определяет срок, в течение которого инвестиции будут
«заморожены», т.к. реальный доход от инвестиционного проекта начнет поступать
только по истечении периода окупаемости. При отборе вариантов предпочтение
отдается проектам с наименьшим сроком окупаемости.
Показатель «период окупаемости» целесообразно рассчитывать по проектам,
финансируемым за счет долгосрочных обязательств. Срок окупаемости по проекту
должен быть короче периода пользования заемными средствами, устанавливаемого
кредитором.
Показатель является приоритетным в том случае, если для инвестора главным
является максимально быстрый возврат инвестиций, например выбор путей
финансового оздоровления обанкротившихся предприятий.
Для определения величины капиталовложений в проект необходимо определить
его себестоимость - все издержки, понесенные предприятием на производство
продукции или услуги.
Себестоимость делят на виды: себестоимость по статьям калькуляции и
себестоимость по элементам затрат.
Себестоимость по статьям калькуляции представляет собой:
1. сырье, материалы, прочее (комплектующие, полуфабрикаты, агрегаты,
узлы и т.д.);
2. топливо, энергия, идущие на производство;
. амортизация основных производственных фондов;
. основная заработная плата основного персонала;
. дополнительная заработная плата основного персонала (% от пункта
4);
. отчисления на социальные мероприятия;
. общепроизводственные расходы (% от пункта 4);
. командировочные расходы;
. работы сторонних организаций;
. административные расходы.
Себестоимость по элементам затрат:
1. материальные затраты:
- сырье, материалы, комплектующие изделия и т.д.;
топливо, энергия;
общепроизводственные затраты;
2. оплата труда:
- основной производственный персонал;
вспомогательный производственный персонал;
интеллектуально трудовой персонал;
служащие (руководство, менеджеры, бухгалтеры и т.д.);
младший обслуживающий персонал;
3. отчисления на социальные мероприятия;
4. амортизация;
. прочее.
Для определения срока окупаемости определим величину капитальных вложений
и величину дисконтированных доходов.
1. По данным отчетности за 2008г.
Таблица 5.1 Затраты на отопительную воду за 2008г.
|
Месяц
|
Количество теплоты, Стоимость, Итого
за месяц,
|
|
|
|
Январь
|
764
|
438,87
|
335297
|
|
Февраль
|
410
|
438,87
|
179937
|
|
Март
|
71
|
438,87
|
31160
|
|
Апрель
|
438,87
|
17555
|
|
Октябрь
|
110
|
438,87
|
48276
|
|
Ноябрь
|
292
|
438,87
|
128150
|
|
Декабрь
|
520
|
438,87
|
228212
|
|
ИТОГО
|
2207
|
|
968587
|
2. Затраты на привод компрессора:
, (5.5)
.
3. Затраты за услуги по поставке отопительной воды:
, (5.6)
.
Себестоимость
установки теплонасосной установки:
1. Материалы, оборудование:
стоимость агрегата - 1043 тыс. руб.;
- вентиль 15с22н/ж dy80 3
шт. - 4,5 тыс. руб.;
регулирующий клапан dy65 - 20 тыс. руб.;
труба Ст10 ø89х4 25м - 1,0 тыс. руб.;
щит управления - 5 тыс. руб.;
- манометр ОБМ 0…10 2 шт. - 1,06 тыс. руб.;
- термопара 2 шт. - 3 тыс. руб.
- труба Ст10 ø15х2 30м - 1,0 тыс. руб.
2. Энергия:
привод компрессора - 275 тыс. руб.
. Амортизация - 108 тыс. руб.
4. Заработная плата основного персонал - 36 тыс. руб.
. Заработная плата вспомогательного персонала - 6 тыс. руб.
. Отчисления на социальные мероприятия - 5 тыс. руб.
. Общепроизводственные расходы - 300 ты. руб.
. Логистика - 70 тыс. руб.
. Административные расходы - 14 тыс. руб.
. Прочие - 7 тыс. руб.
Итого себестоимость равна 1900 тыс. руб., доход за 1-й год 1065 тыс. руб.
Таблица 5.2 Срок окупаемости
|
Период
|
0
|
1
|
2
|
|
Денежный поток
|
-1900
|
1065
|
1385
|
|
Дисконтированный денежный
поток
|
-1900
|
926
|
1047
|
|
Ставка дисконта - 15%
|
|
|
|
|
Накопленный
дисконтированный денежный поток
|
-1900
|
-974
|
73
|
|
|
ЗАКЛЮЧЕНИЕ
В данном дипломном проекте рассматривалась возможность использования
нетрадиционных источников энергии, а именно теплонасосная установка,
используемая для отопления в холодное время года и для кондиционирования в
теплое.
Как и у любого объекта у теплового насоса есть свои преимущества и
недостатки, которые были описаны в этом проекте.
В качестве испарителя и конденсатора установки были выбраны
теплообменники с U-образными
трубами, которые был рассчитаны.
Для данного административного здания выбираем тепловой насос фирмы STIEBEL ELTRON (Италия) марки WPL 604. Официальный представитель компании находится в
г. Москва и г. Санкт-Петербург.
В ходе оценки экономической эффективности установки объекта было
установлено, что срок окупаемости составляет всего 1,93 года, а с увеличением
цен на энергоносители, эта цифра может существенно снизится.
Таким образом, цель и задачи в ходе выполнения проекта были успешно
решены и достигнуты. Удалось предложить, разработать и исследовать совершенно
новые идеи в отоплении административного здания заводоуправления ЗАО
«Волжскрезинотехника».
СПИСОК
ИСПОЛЬЗОВАННОЙ ЛИТЕРАТУРЫ
1. Богословский
В.Н., Щеглов В.П., Разумов Н.Н. Отопление и вентиляция. - М.: Стройиздат, 1980.
- 295с.
2. Боровков
В.М., Аль Алавин А.А. Тепловой насос с двухступенчатым конденсатором //
Промышленная энергетика. - 2007. - №8. - С. 40-43.
. Касаткин
А.Г. Основные процессы и аппараты химической технологии. - М.: Государственное
научно-техническое издательство химической литературы, 1961. - 832 с.
. Кравченко
Г.М. Оценка эффективности работы водяных систем отопления // Теплоэнергетик. -
2004. - №4. - С. 72-75.
. Лащинский
А.А., Толчинский А.Р., Основы конструирования и расчета химической аппаратуры.
- Л.: Машиностроение, 1970. - 752 с.
. Мартынов
А.В. Установки для трансформации тепла и охлаждения. - М.: Энергоатомиздат,
1989. - 200с.
. Назмеев
Ю.Г., Лавыгин В.М. Теплообменные аппараты ТЭС. - М.: Энергоатомиздат, 1998. -
288 с.
. Накоряков
В.Е., Елистратов С.Л. Энергетическая эффективность комбинированных отопительных
установок на базе тепловых насосов с электроприводом // Промышленная
энергетика. - 2008. - №3. - С.28-33.
. Николаев
Ю.Е., Бакшеев А.Ю. Определение эффективности тепловых насосов, использующих
теплоту обратной сетевой воды ТЭЦ // Промышленная энергетика. - 2007. - №9. -
С. 14-17.
. Поникаров
И.И., Перелыгин О.А., Доронин В.Н., Гайнуллин М.Г. Машины и аппараты химических
производств. - М.: Машиностроение, 1989. - 368 с.
. Сканави
А.Н. Конструирование и расчет систем водяного и воздушного отопления зданий. -
М.: Стройиздат, 1983. - 304 с.
. СНиП
2.04.05-91 «Отопление, вентиляция, кондиционирование воздуха» - М.: Стройиздат,
1997. - 80 с.
. Соколов
Е.Я. Теплофикация и тепловые сети. - М.: Издательство МЭИ, 1999. - 472 с.
. Теплоэнергетика
и теплотехника. В 4-х т. Т.4 / Под общей редакцией А.В. Клименко, В.М. Зорина.
- М.: Издательство МЭИ, 2004. - 632 с.
15. Чайковский
Г.П., Путько А.В. Отопление и вентиляция здания. - Хабаровск: Издательство
ДВГУПС, 2003. - 70с.