Разработка регулятора для лабораторного стенда

  • Вид работы:
    Дипломная (ВКР)
  • Предмет:
    Другое
  • Язык:
    Русский
    ,
    Формат файла:
    MS Word
    1,22 Mb
  • Опубликовано:
    2012-01-19
Вы можете узнать стоимость помощи в написании студенческой работы.
Помощь в написании работы, которую точно примут!

Разработка регулятора для лабораторного стенда

Кафедра Автоматизации Технологических Процессов и Производств












КУРСОВАЯ РАБОТА

по дисциплине «Автоматизация технологических процессов»

Тема: «Разработка регулятора для лабораторного стенда»











Пермь 2011

ОГЛАВЛЕНИЕ

Постановка задачи на проектирование

Программирование контроллера

Снятие характеристик и получение модели объекта

Расчет настроек ПИ и ПИД регулятора методом Циглера -Никольса

Расчет настроек ПИ и ПИД регулятора методом CHR и Ротача В.Я.

Моделирование системы в программном пакете Matlab

Выбор настроек регулятора

Отклики объекта

Заключение

Приложение

Постановка задачи на проектирование

В качестве объекта управления примем контур учебного стенда “FESTO”, по которому транспортируется жидкость от одной ёмкости к другой, центробежный насос с приводом от асинхронного двигателя, уровнемер, контролер Siemens Simatik S300. Параметром, характеризующим выполнение задачи, поставленной перед установкой, служит уровень жидкости в емкости B402.

Процесс необходимо проводить таким образом, чтобы поддерживать определённое, чаще всего постоянное, значение уровня L. Это и будет целью управления данного контура.

Рис.1 Лабораторный стенд Festo «Станция розлива»:

- ЖК дисплей; 2 - конвейер; 3 - емкость В401; 4 - клемная колодка; 5 - поплавковый контактор 4В10; 6 - ультразвуковой уровнемер 4В1; 7 - емкость В402; 8 - пневматический клапан V304; 9 - насос Р401; 10 - пневматический механизм 4М4.

Программирование контроллера

Контроллер программировался на языке Step7

SIMATIC STEP 7 - программное обеспечение фирмы Siemens AG <#"527256.files/image002.gif">

Расчет настроек ПИ и ПИД регулятора методом Циглера -Никольса

Циглер и Никольс предложили два метода настройки ПИД регуляторов. Один из них основан на параметрах отклика объекта на единичный скачок, второй - на частотных характеристиках объекта управления.

Для расчёта параметров ПИД регулятора по первому методу Циглера-Никольса используются всего два параметра: a и L.

Формулы для расчёта коэффициентов ПИД регулятора сведены в табл. 1.

Таблица 1


Разгонная характеристика:

T,с

a=0,17 L=7

Параметры регулятора рассчитанные по таблице 1:

 

ПИ

ПИД

Кп

2,33

3,82

Ти

4,52

2,32

Тд

 

0,52



Расчет настроек ПИ и ПИД регулятора методом CHR и Ротача В.Я.

В отличие от Циглера и Никольса, которые использовали в качестве критерия качества настройки декремент затухания, равный 4, Chien, Hrones и Reswick (CHR) использовали критерий максимальной скорости нарастания при отсутствии перерегулирования или при наличии не более чем 20%-ного перерегулирования. Такой критерий позволяет получить больший запас устойчивости, чем в методе Циглера-Никольса.

CHR метод дает две разные системы параметров регулятора. Одна из них получена при наблюдении отклика на изменение уставки (табл 2) , вторая - при наблюдении отклика на внешние возмущения. Какую систему параметров выбирать - зависит от того, что важнее для конкретного регулятора: качество регулирования при изменении уставки, или ослабление внешних воздействий.

контроллер автоматизация модель регулятор

Таблица 2


Воспользуемся таблицей 2 для расчёта настроек регулятора. Данные берутся из метода Циглера -Никольса(a=0,17 L=7)

 

ПИ

ПИД

Кп

2,06

3,53

Ти

4,08

1,98

Тд

 

0,99


Рассчитываем настройки ПИ и ПИД регулятора в программе Linreg

Методом Ротача В.Я.

 

ПИ

Кп

5,61

6,74

Ти

3,86

2,66

Тд

 

0,645


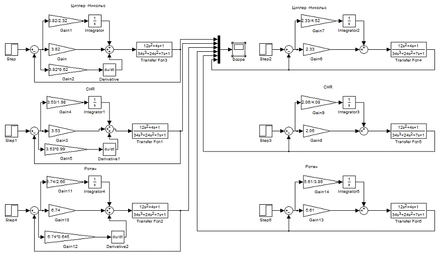
Моделирование системы в программном пакете Matlab


 

ПИД

ПИ


Ротач В.Я.

Циглер-Никольс

CHR

Ротач В.Я.

Циглер-Никольс

CHR

Попадание в 5% зону (с)

11

9

9

5

11

11

max выброс %

17

15

15

0

0

0

Выбор настроек регулятора

Сведём в таблицу основные характеристики настроек регуляторов взятых с графиков. Графики в приложении.

Наилучшим вариантом для данного объекта будет ПИ-регулятор рассчитанный по методу Ротача В.Я.

Отклики объекта



Отклик на изменение задания(ПИ-регулятор, метод Ротача В.Я.)

Отклик на возмущение(ПИ-регулятор, метод Ротача В.Я.)

Заключение

В данной курсовой работе рассчитан регулятор для контура учебного стенда “FESTO”, по которому транспортируется жидкость. В качестве оптимальных настроек выбран ПИ-регулятор, рассчитанный по методу Ротача В.Я. Он имеет минимальный выброс и быстрее остальных выходит на заданный режим.

Настройки этого ПИ-регулятора проверены непосредственно на самом объекте управления.


Не нашли материал для своей работы?
Поможем написать уникальную работу
Без плагиата!
Без нейросетей!