Широкополосный усилитель
Задание
Широкополосный усилитель
Исходные данные для расчета:выхмакс=18 В;н=50
Ом;
Кг=1%;в=5,5 МГц; fн=90 Гц;
К.Ч.И: Мн=1,5; Мв=2;
Ес=15 мВ;с=5 кОм;
Т=-10…+400С;
Исполнение: биполярные транзисторы.
ВВЕДЕНИЕ
Современная электроника предъявляет высокие требования
к качественным показателям усилительных устройств. Несмотря на существующее
многообразие типов ИМС, рассматриваемых как активные усилительные элементы,
использование транзисторов во многих случаях практики является более
предпочтительным. Так, например, ИМС не всегда могут выдержать конкуренцию в
вопросах обеспечения больших выходных уровней сигнала, малых уровней внутренних
шумов, заданных верхних граничных частот, в ряде случаях гибкости получения
конфигурации схем с различными качественными показателями и др. Проектирование
усилительных устройств на транзисторах (дискретных элементах) является основой
схемотехнического синтеза микросхем. Кроме того, сочетание при проектировании
тех и других усилительных элементов может привести к более изящным техническим
решениям, удовлетворяющим поставленным техническим задачам. Таким образом,
проектирование усилителей на транзисторах является основой для успешного
проектирования современных усилительных и аналоговых устройств.
Процесс проектирования усилительных устройств
может быть условно разделен на следующие основные этапы: 1) составление
эскизного варианта принципиальной схемы; 2) выбор режимов работы каскадов на
постоянном токе; 3) оценочный расчет основных параметров схемы и сопоставление
их с требуемыми по техническому заданию; 4) корректировка схемы с уточнением
технологии изготовления. Следует отметить, что в настоящее время имеется
тенденция объединения этапов проектирования электрической схемы с
конструкторско-технологическими этапами.
Основными звеньями, свойства которых приходится
учитывать при эскизном проектировании УП и составлении принципиальной схемы,
являются его одиночные каскады. Важным вопросом, возникающим при проектировании
многокаскадных усилителей, является вопрос о взаимном влиянии соседних каскадов
и звеньев усилителя друг на друга. Учет этого влияния осуществляют на основании
вычисления и сопоставления входных и выходных сопротивлений соседних звеньев и
каскадов. Поэтому при расчете одиночных каскадов следует определять не только
их усилительные свойства, но и величины входных и выходных сопротивлений.
1. ПРЕДВАРИТЕЛЬНЫЙ РАСЧЕТ ШУ
ШУ являются устройствами, усиливающие сигнал в
широком диапазоне частот от 90 Гц до 5,5 МГц (согласно задания). Основным
требованием, предъявляемым к ШУ является равномерность усиления сигнала в
заданном частотном диапазоне.
Для начала определим состав структурной схемы
ШУ. Обязательными элементами схемы является: входной каскад, выходной каскад и
промежуточный каскад, число промежуточных каскадов зависит от требуемого
усиления всего ШУ.
Для расчета ШУ необходимо разделить усиление
между каскадами, определить количество каскадов, а также схему включения
усилительных приборов и их тип.
Общий коэффициент усиления:
необходимо отметить, что входным
напряжением является максимальное значение напряжения источника сигнала Ec.
Тогда коэффициент усиления ШУ, согласно задания на проектирование:
;
дБ.
Первый (входной) каскад усилителя в
первую очередь предназначен для согласования источника сигнала и усилителя с
целью максимальной передачи мощности усилителю, поэтому входное сопротивление
первого каскада должно быть согласовано с выходным сопротивлением источника
сигнала. Коэффициент передачи (усиления) отвечает соотношению:
,
дБ.
где Rc - сопротивление источника
сигнала (по условию Rc=5 кОм). Схемы включения усилительных приборов с общим
эмиттером имеют Rвх=(300…500) Ом, а схемы с общим коллектором Rвх=(5…10) кОм.
Предпочтительнее выглядит схема с общим коллектором в связи с большим значением
входного сопротивления, т. к. повышение входного сопротивления приводит к
уменьшению потерь при передаче энергии между каскадами. Для осуществления
предварительных расчетов выберем значение входного сопротивления Rвх=10 кОм.
Тогда коэффициент передачи входного каскада построенного по схеме с общим
коллектором:
;
дБ.
Выходной каскад должен обеспечить
согласование ШУ с нагрузкой, поэтому сопротивление нагрузки должно быть больше
выходного сопротивления каскада. Согласно этому условию, выходное сопротивление
выбираем равным 20 Ом, тогда коэффициент передачи (усиления) выходного каскада
будет равен:
;
;
дБ.
Тогда общий коэффициент усиления УНЧ
складывается из коэффициентов усиления: входного, выходного и промежуточного
каскадов:
;
;
дБ.
Обеспечить такой коэффициент
усиления, используя один каскад усиления невозможно, поэтому необходимо
использовать несколько промежуточных каскадов. Наибольший коэффициент усиления
по напряжению имеет предварительный трансформаторный каскад с общим эмиттером
(30…40) дБ, однако при применении в составе схемы индуктивностей возникают
сложности при их изготовлении (малый частотный диапазон, большие размеры и
высокая стоимость). Следующий по усилительным свойствам является
предварительный резисторный каскад с общим эмиттером (20…30) дБ. Выбираем в
качестве промежуточного каскада резисторный каскад с общим эмиттером. В
качестве усилительных приборов во всех каскадах используем биполярные
транзисторы (указаны а задании на проектирование, обладают более высокими
усилительными способностями и т.д.).
Число каскадов промежуточного
усиления исходя из полученного общего коэффициента усиления:
.
Для обеспечения требуемого
коэффициента усиления необходимо использовать три промежуточных каскадов.
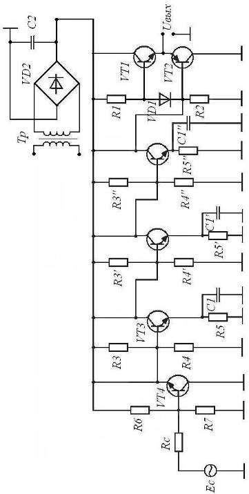
Структурная схема ШУ включает:
источник сигнала, обладающий внутренним сопротивлением Rc; входной и выходной
каскады; три промежуточных каскада рис.1.
Рис. 1 - Структурная схема ШУ
2. ЭЛЕКТРИЧЕСКИЙ РАСЧЕТ КАСКАДОВ
.1 Расчет выходного каскада
Выходной каскад является усилителем
мощности и потребляет основную часть энергии источника питания. Схема
представляет собой соединение двух эмиттерных повторителей (рис.2.), работающих
на общую нагрузку. Положение рабочей точки обеспечивается делителем R1VDR2.
Сопротивление диода создает необходимое напряжение по постоянному току между
базами транзисторов, а также выполняет функции элемента схемы термокомпенсации.
При построении таких каскадов используют два транзистора с близкими по величине
параметрами. Расчет удобно производить графо-аналитическим методом для одного
плеча усиления.
Рис. 2 - Схема выходного каскада
Транзисторы выбираются по допустимой
мощности рассеяния на коллекторе
и максимальной амплитуде
коллекторного тока
:
Вт.
А.
Из транзисторов, удовлетворяющих
условию, необходимо выбрать комплементарную пару с близкими по значению
параметрами и идентичными характеристиками.
Выбираем транзисторы КТ972Б и
КТ973Б, причем первый проводимости n-p-n, а второй p-n-p.
По выходной характеристике строим
нагрузочную прямую, и определяем по ней значения тока коллектора, напряжения
коллектор-эмиттер и выходной мощности:
А;
В;
Вт.
Находим значение тока и напряжения
ИРТ:
А;
В;
По этим значениям можно определить
мощность, выделяемую в транзисторе в режиме покоя.
Вт.
По входной характеристике определяем
значения тока базы и напряжения база-эмиттер:
мА;
В;
По этим значениям определяем входные
мощность и сопротивление транзистора:
Ом;
мВт.

Рис. 3 - Входные и выходные
характеристики транзистора выходного каскада
Вычислим коэффициенты усиления по
напряжению и по току:
;
Источник питания:
В.
Мощность, затрачиваемая источником
питания:
Вт.
КПД выходного каскада:
Находим значения сопротивлений
делителя напряжения, обеспечивающего выбор на вольтамперной характеристике рабочей
точки и режима работы:
Ом.
Для схемы выбран диод 2А511А.
Промежуточные каскады выполним
одинаковыми, поэтому потребуется расчет лишь одного из трех промежуточных
каскадов. Ввиду того, что в этом каскаде ожидается основное усиление, то схему
включения усилительного элемента выберем с общим эмиттером.
Рис. 4 - Схема промежуточного
каскада
Транзистор выбираем также как и в
предыдущем каскаде. Нагрузкой для этого каскада является выходной каскад,
поэтому сопротивление нагрузки в данном случае будет равно 5 кОм.
мВт;
мА.
Выбираем транзистор КТ601А (n-p-n).
Расчет транзистора промежуточного каскада аналогичен расчету транзистора
выходного каскада.
По выходной характеристике строим
нагрузочную прямую, и определяем по ней значения тока коллектора, напряжения
коллектор-эмиттер и выходной мощности:
мА;
В;
мВт.
Находим значение тока и напряжения
ИРТ:
мА;
В;
По этим значениям можно определить
мощность, выделяемую в транзисторе в режиме покоя.
мВт.
По входной характеристике определяем
значения тока базы и напряжения база-эмиттер:
мкА;
В;
По этим значениям определяем входные
мощность и сопротивление транзистора:
Ом;
мкВт.

Рис. 5 - Входные и выходные
характеристики транзистора промежуточного каскада
Вычислим коэффициенты усиления по
напряжению и по току:
;
Источник питания:
В.
Мощность, затрачиваемая источником
питания:
Вт.
КПД промежуточного каскада:
Находим значения сопротивлений
делителя напряжения, обеспечивающего выбор на вольтамперной характеристике
рабочей точки и режима работы:
Ом.
Рассчитываем резистор в цепи
термостабилизации:
Ом.
Найдем емкость конденсатора в цепи
термостабилизации:
мФ.
2.3 Расчет входного каскада
Данный каскад будем строить по схеме
с общим коллектором, т.к. она обладает наилучшими согласующими функциями.
Рис. 6 - Схема входного каскада
Схема выбора транзистора аналогична
схеме в предыдущем каскаде. Сопротивление нагрузки в данном случае равно 500
Ом.
мВт;
мА.
Этим требованиям соответствует
транзистор КТ602А (n-p-n). Рассчитываем транзистор:
определяем значения тока коллектора,
напряжения коллектор-эмиттер и выходной мощности:
мА;
В;
Вт.
Находим значение тока и напряжения
ИРТ:
мА;
В;
По этим значениям можно определить
мощность, выделяемую в транзисторе в режиме покоя.
Вт.
По входной характеристике определяем
значения тока базы и напряжения база-эмиттер:
мА;
В;
По этим значениям определяем входные
мощность и сопротивление транзистора:
Ом;
мВт.

Рис. 7 - Входные и выходные
характеристики транзистора входного каскада
Вычислим коэффициенты усиления по
напряжению и по току:
;
Источник питания:
В.
Мощность, затрачиваемая источником
питания:
Вт.
КПД промежуточного каскада:
Находим значения сопротивлений
делителя напряжения, обеспечивающего выбор на вольтамперной характеристике
рабочей точки и режима работы:
Ом.
3. РАСЧЕТ ИСТОЧНИКА ПИТАНИЯ
Наибольшее распространение для
устройств средней мощности получила мостовая схема выпрямителя, т.к. у нее
наименьшая рассеиваемая мощность и наилучшие точностные показатели.
Общий ток, потребляемый устройством,
складывается из токов покоя, токов базы и базовых делителей каскадов и средних
выходных токов транзисторов:
А.
Напряжение на входе фильтра
выпрямителя:
В.
В.
Средний ток, протекающий через диод:
А.
По рассчитанным показателям выбираем
диод 2Д202Д.
Сопротивление вторичной обмотки
трансформатора:
Ом.
Напряжение на вторичной обмотке
трансформатора:
,
.
В.
Ток во вторичной обмотке
трансформатора:
широкополосный усилитель
каскад трансформатор
А.
Габаритная мощность трансформатора:
Вт.
Емкость конденсатора на выходе
фильтра:
мФ.
Литература
1. Сафоненков
Ю.П. Методические указания к изучению дисциплины «Основы аналого-дискретной
схемотехники». М.: МГТУ ГА, 1996.
2. Проектирование
усилительных устройств. Под ред. Н.В. Терпугова. - М.: Высшая школа, 1982.
. Транзисторы
для аппаратуры широкого применения. Справочник. Под ред. В.Л. Перельмана. - М.:
Радио и связь, 1981.
. Диоды.
Справочник. Под ред. А.В. Голомедова - М.: Радио и связь, 1985.
Приложение
1
|
Поз.
обозначение
|
Наименование
|
Кол.
|
Примечание
|
|
R1,R2
R3 ,R4 R5, R6, R7
|
Резисторы
187,5 Ом 320 Ом 32 Ом 3,3 Ом
|
2
6 3 2
|
|
|
С1
|
Конденсаторы
0,03 мФ
|
1
|
|
|
VD
|
Диоды
2А511А 2Д202Д
|
1
1
|
|
|
VT1
VT2, VT3 VT4
|
Транзисторы
КТ972Б КТ973Б КТ601А КТ602А
|
1
1 3 1
|
|
Приложение
2
Рис. 8