Расчет и проектирование редуктора общего назначения
Оглавление
Техническое
задание на проектирование
Введение
.
Кинематический и силовой расчет
.1
Выбор грузового каната, расчет полиспаста и грузового барабана
.2
Выбор электродвигателя
.3
Определение частот вращения, вращающих моментов на валах
.
Расчет открытой ступени
.1
Выбор материалов. Расчет допустимых напряжений
.2
Расчет модуля зацепления
.3
Расчет геометрических размеров зубчатых колес
.4
Расчет вспомогательных параметров
.5
Расчет сил, действующих в зацеплении
.6
Проверочный расчет передачи
.7
Схема привода с кинематическим анализом
.
Предварительный расчет валов редуктора
.1
Ведущий вал
.2
Ведомый вал
.
Конструктивные размеры шестерни и колеса
.
Расчет зубчатых колес редуктора
.
Конструктивные размеры шестерни и колеса
.
Конструктивные размеры корпуса редуктора
.
Первый этап компоновки редуктора
.
Проверка долговечности подшипника
.
Второй этап компоновки редуктора
.
Проверка прочности шпоночных соединений
.
Уточненный расчет валов
.
Посадки зубчатого колеса, шестерни и подшипников
.
Выбор сорта масла
.
Сборка редуктора
Список
использованной литературы
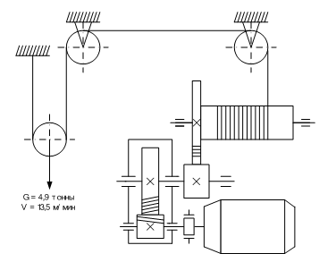
Техническое задание на проектирование
Спроектировать и рассчитать привод грузовой
лебедки имеющей грузоподъемность G = 4,9 тонны, скорость подъема груза V = 13,5
м/мин. Привод двухступенчатый: первая ступень - закрытая (редуктор)
цилиндрическая косозубая, вторая ступень - открытая, цилиндрическая прямозубая.
Рисунок 1. Задание на проектирование.
Введение
Темой курсовой работы является расчет и
проектирование редуктора общего назначения.
Цель данной работы состоит в том, чтобы
научиться правильно применять знания, полученные в процессе учебы, на практике.
В процессе выполнения данной работы решаются
следующие задачи:
расширение, углубление, закрепление и систематизация
теоретических знаний и применение этих знаний для ведения расчетов при
проектировании;
развития навыков ведения самостоятельной
творческой инженерной работы.
. Кинематический и силовой расчет
.1 Выбор грузового каната, расчет полиспаста и
грузового барабана
Расчет наибольшего натяжения каната
Кратность полиспаста принимаем
равной iП = 2, кпд полиспаста ηП = 0,99 для
блоков с подшипниками качения
S =
4900/(2*0,99) = 24747 Н
Расчет наименьшего допустимого
разрывного усилия каната
,n = 5,5 для
механизмов подъема груза, работающих в среднем режиме.
SP = 5,5*24747
= 136108 Н
Выбор грузового каната
Выбираем канат типа ЛК-Р по ГОСТ
2688-90 с прочностью проволок σВ = 1960МПа.
Выбранный канат имеет диаметр d = 15 мм и SP = 137000 =
137000Н.
Расчет минимального радиуса блока
e = 18, для
механизмов подъема, работающих среднем режиме,
D = 18*15 =
270 мм
Расчет минимального диаметра
грузового барабана
б = 270*0,85
= 229,5 мм, принимаем Dб = 230 мм
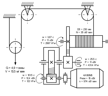
Расчет частоты вращения грузового
барабана
ωб =
(13,5*2/60)*(2000/(230+15)) = 3,67с-1
nб
= (30*3.67)/3.14 = 35 об/мин
Расчет мощности на барабане
Рб =
(10*4,9/2)*((230+15)/2000)*3,67 = 11кВт
.2 Выбор электродвигателя
Расчет кпд привода
,
где η1 - кпд
редуктора, η2 - кпд
открытой ступени, ηМ - кпд
муфты, ηПП - кпд пары
подшипников.
ηОБЩ =
0,98*0,95*0,98*0,993 = 0,885
Расчет требуемой мощности двигателя
РЭ.Тр = 11/0,885 = 12,43кВт
Оценка максимальной частоты вращения двигателя.
Выбор электродвигателя.
Принимаем: u1max = 5, u2max = 10,
nЭ.МАХ = 35*5*10 =
1750 об/мин
По каталогу (стр.390 [1]) выбираем
электродвигатель. Исходя из полученной максимальной частоты вращения, учитывая,
что при запуске двигателя всегда необходимо иметь запас мощности, выбираю
электродвигатель асинхронный с короткозамкнутым ротором 4А160М6 с РНОМ
= 15 кВт, nДВ = nc*(1-s) =
1000*(1-0.026) = 974 об/мин, dВАЛА = 48 мм.
uобщ
= nдв/nб
u2
= uпр/up
uобщ
= 974/35
= 27,8
u2
= 27,8/4
= 6,95
1.3 Определение частот вращения, вращающих
моментов на валах
Расчет представлен в таблице 1.
Таблица №1.
|
Наименование
вала
|
n, мин-1
|
ω,
с-1
|
P, кВт
|
T, Н*м
|
|
Быстроходный
вал редуктора
|
974
|
101,5
|
12,4
|
122
|
|
Тихоходный
вал редуктора
|
243,5
|
25,5
|
11
|
431,4
|
|
Вал
барабана
|
35
|
3,67
|
11
|
2997
|
2. Расчет открытой ступени
редуктор грузовой
канат полиспаст барабан
Расчет ведем по изгибу.
.1 Выбор материалов. Расчет допустимых
напряжений
Выбираем Сталь 45 ГОСТ 1050-88 улучшенную для
шестерни и колеса, с твердостью по Бринеллю, соответственно:
НВ1 = 270
НВ2 = 240
,
где KHL
коэффициент долговечности, равный 1, для долговечных передач.
Формула для расчета изгибных напряжений примет
вид:
Коэффициент запаса SF = 1,7 для
кованных и штампованных зубчатых колес
[σ]F1 =
(1,75*270)/1,7 = 278МПа
[σ]F2 =
(1,75*240)/1,7 = 247 МПа
2.2 Расчет модуля зацепления
,
где kF
- коэффициент нагрузки. Для консольного расположения шестерни kF
= 1,7. принимаем z1
= 30, ψbm
= 10, T1
- момент на тихоходном валу редуктора в Н*м, YF
= 3,8 коэффициент формы для 30 зубьев.
m =
[3,8(2*431,4*1,7*103)/(30*10*278)]1/3 = 4,06 мм.
Найденное значение открытого модуля округляем до стандартного значения m
= 4,0 мм
.3 Расчет геометрических размеров зубчатых колес
z2
= z1*
u2
= 30*6,95 = 208,5 ≈ 209
d1
= Z1*m
= 30*4,0 = 120 мм
d2
= Z2*m
= 209*4,0 = 836 мм
da1
= d1
+ 2m = 120 + 8 = 128 мм
da2
= d2
+ 2m = 836 + 8 = 844 мм
df1
= d1
- 2,5m = 120 - 10 = 110
мм
df2
= d2
- 2,5m = 836 - 10 = 826
мм
b1
= b2
+ 5 = 40 + 5 = 45мм
b2
= ψbm
*
m = 10*4 = 40мм
.4 Расчет вспомогательных параметров
v = d1
* ω1/2000
= 120*25,5/2000 = 1,53 м/с
ψbd
= b1/d1
= 45/120 = 0.375
.5 Расчет сил, действующих в зацеплении
Ft = 2000*T1/d1
= 2000*431,4/120 = 7190 Hτ
= Ft*tgα = 7190*tg20
= 2617 H
2.6 Проверочный расчет передачи
F2 = 3,6 (для
зубчатых колес, выполненных без смещения, при z ≥ 100), Yβ - учитывает
влияние угла наклона.
KF = KFα * KFβ * KFv -
коэффициент нагрузки при расчете по напряжениям изгиба.
KFα -
коэффициент, учитывающий влияние погрешностей изготовления шестерни и колеса,
на распределение нагрузки между зубьями, для прямозубых колес KFα = 1.
KFβ -
коэффициент, учитывающий неравномерность распределения напряжений у основания
зубьев по ширине зубчатого венца, KFβ = 1,068
(таблица 3.7. [1]).
KFv -
коэффициент динамической нагрузки, KFv = 1,25
(таблица 3.8. [1]).
KF =
1*1,068*1,25 = 1,335
Проверяю зубья по напряжениям
изгиба:
σF2 = ((1,335*7190)/(35*4,03))
* 3.6 = 246,8 МПа
σF1 =
246,8*(3,8/3,6) = 260,5 МПа
2.6 Схема привода с кинематическим анализом
Рисунок 2. Кинематический анализ
. Предварительный расчет валов редуктора
Предварительный расчет проведем на кручение по
пониженным допускаемым напряжениям.
.1 Ведущий вал
Диаметр выходного конца при допускаемом
напряжении [tК] = 25 МПа
определяем по формуле
dB1 =
((16*122*103)/3,14*25)1/3 = 29,2 мм.
Вал редуктора соединен с
электродвигателем посредством муфты. Принимаем муфту типа МУВП по ГОСТ 21424-75
с расточками полумуфт под dДВ = 48мм и dB1 = 45 мм
(муфты УВП могут соединять валы разных диаметров в пределах одного номинального
момента, принимаю муфту МУВП 8-710-45-2-48-2-У3), примем под подшипниками dП1
= 45 мм. Шестерню выполняем за одно целое с валом.
.2 Ведомый вал
Диаметр выходного конца вала определяем при том
же допускаемом напряжении, что и ведущий, т.к. действуют те же силы и моменты,
применяем то же допускаемое напряжение [tК]
= 25 МПа.
dB2
= ((16*431,4*10 3)/3.14*25) 1/3 = 44,5 мм,
принимаем
45мм, диаметр вала под подшипниками принимаемП2 = 45мм, под зубчатым
колесом dК2 = 50мм.
Диаметры
остальных участков валов назначаем исходя из конструктивных соображений при
компоновке редуктора.
.
Конструктивные размеры шестерни и колеса
Шестерню
выполняем для посадки на вал диаметром 45 мм, размеры ее определены ранее: d1 = 120 мм, da1 = 128мм, df1 = 110 мм, b1 = 45 мм,
ширина ступицы шестерни 60 мм.
Колесо
кованое d2 = 836 мм, da2 = 844 мм, df2 = 826 мм, b2 = 40 мм.
5.
Расчет зубчатых колес редуктора
Так
как в задании нет особых требований в отношении габаритов передачи, выбираем
материалы со средними механическими характеристиками: для шестерни - сталь 45,
термическая обработка - улучшение, твердость НВ 230; для колеса - сталь 45,
термическая обработка улучшение, но твердость на 30 единиц меньше - НВ 200.
Допускаемые
контактные напряжения
,
где σНlimb - предел
контактной выносливости при базовом числе циклов.
Для углеродистых сталей с твердостью
поверхностей зубьев менее НВ 350 и термической обработкой (улучшением)
σНlimb = 2НВ + 70;
КHL -
коэффициент долговечности; при числе циклов нагружения больше базового, что
имеет место при длительной эксплуатации редуктора, принимаем КHL = 1,
коэффициент безопасности [SH] = 1,10.
Для косозубых колес расчетное
допускаемое контактное напряжение определяется по формуле
;
для шестерни [σН1] = ((2НВ1+70)*
КHL)/ [SH] =
((2*230+70)*1)/1,10=481,8 ≈ 482 МПа;
для колеса [σН2] = ((2НВ2+70)*
КHL)/ [SH]=((2*200+70)*1)/1,10
= 427,3 ≈ 427 МПа.
Тогда расчетное допускаемое
контактное напряжение
[σН] =
0,45*(482+427) = 409,05 ≈ 409 МПа.
Требуемое условие [σН] ≤
1,23[σН2]
выполняется.
Коэффициент КНβ принимаем,
как для случая несимметричного расположения колес, значение КНβ = 1,25,
т.к. со стороны зубчатого колеса открытой передачи действуют силы, вызывающие
дополнительную деформацию ведомого вала и ухудшающие контакт зубьев.
Принимаем для косозубых колес
коэффициент ширины венца по межосевому расстоянию ψba = b/aw = 0,4.
Межосевое расстояние из условий
контактной выносливости активных поверхностей зубьев определяется по формуле:
мм,
ближайшее значение межосевого
расстояния по ГОСТ 2185-66 аw = 200 мм (второй ряд).
Нормальный модуль зацепления
принимаем по следующей рекомендации:
mn = (0.01¸0.02) аw
=200(0.01¸0.02) = 2,0¸4,0 мм, по
ГОСТ 9563-60* принимаем mn = 2,0 мм.
Примем предварительно угол наклона
зубьев b = 10° и определим числа зубьев
шестерни и колеса
.
Принимаем z1 = 39 ;
тогда z2 = z1 * u = 39 * 4 =
156
Уточненное значение угла наклона
зубьев
β = 12°50´
Основные размеры шестерни и колеса:
диаметры делительные:
проверяем аw = (d1
+ d2)/2 = (80+320)/2 = 200 мм;
диаметры вершин зубьев:
da1 = d1 + 2mn = 80 + 2*2
= 84 мм
da2 = d2 + 2mn = 320 + 2*2
= 324 мм
ширина колеса:
b2 = ψbaaw = 0.4*200
=80 мм,
ширина шестерни:
b1 = b2 + 5 = 80 +
5 = 85 мм,
определяем коэффициент ширины
шестерни по диаметру:
ψbd = b1/d1 = 85/80 =
1.063.
Окружная скорость колес и степень
точности передачи
м/с,
назначаем 8-ю степень точности и
принимаем KHv = 1.0 ¸ 1.05 [1],
значения остальных коэффициентов принимаем:
KHb = 1.04
(табл. 3.5[1]), KHα = 1.09
(табл. 3.4 [1]), KHv = 1,0 (табл. 3.6[1]), таким
образом
KH = KHb KHα KHv
=1.04*1.09*1.0 = 1.134
Проверяем контактные напряжения:
Силы, действующие в зацеплении:
окружная
радиальная
осевая
Fa =Ft tgb = 3050*tg12°50´ = 695,10 Н
Проверка зубьев на выносливость по напряжениям
изгиба
Коэффициент нагрузки
KF = KFb *KFv,
по таблице 3.7 [1] при ψbd =1,063,
твердости НВ ≤ 350 и несимметричном расположении зубчатых колес
относительно опор KFb = 1,31 . по
таблице 3.8 KFv = 1.3.
Таким образом, коэффициент KF = KFb *KFv = 1,31*1,3
=1,703; YF -
коэффициент, учитывающий форму зуба и зависящий от эквивалентного числа зубьев zv у:
шестерни
колеса
YF1 = 3,61, YF2 =3,60.
Допускаемое напряжение
.
По таблице 3.9 [1] для стали 45
улучшенной при твердости НВ ≤ 350 σ°Flimb = 1.8 HB.
Для шестерни σ°Flimb = 1,8*230
=415 МПа, для колеса σ°Flimb =1,8*200 =
360 МПа. [SF] = [SF]'[SF]" -
коэффициент безопасности, где [SF]' = 1,75
(табл. 3.9[1]), [SF]" = 1 (для поковок и
штамповок), следовательно, [SF] = 1,75*1 =
1,75.
Допускаемые напряжения:
для шестерни [σF1] = 415/1.75
= 237 МПа;
для колеса [σF2] = 360/1,75
= 206 МПа.
Дальнейший расчет будем вести для
зубьев колеса, т.к. для него данное отношение меньше.
Определяем значение коэффициентов Yb и KFα
Yb = 1-b°/140 = 1-12°50´/140 =0,908
KFα = [4+(εα - 1)(n-5)]/4εα
Для средних значений коэффициента
торцового перекрытия εα = 1,5, и
8-й степени точности KFα =0,92.
Проверяем прочность зуба колеса
<
[σF2] = 278МПа
Условие прочности выполнено.
6. Конструктивные размеры шестерни и колеса
Шестерню выполняем за одно целое с валом, ее
размеры определены ранее:
d1
= 80 мм
da1
= 84 мм
df1
= d1
- 2,5m = 80-2.5*2 = 75 мм
b1
= 85 мм.
Колесо кованное:
d2
= 320 мм
da2
= 324 мм
df2
= d2
- 2,5m = 320-2.5*2 = 315
мм
b2
= 80 мм.
Диаметр ступицы dст
= 1.6dK2
= 1.6 * 50 = 80 мм; длину ступицы принимаем равной ширине зубчатого колеса lст
= 80 мм; толщина обода δо
= (2,5 ¸
4)mn = (2,5 ¸
4)*2,0 = 5 ¸ 8 мм, принимаем 10 мм; толщина
диска С = 0,3 b2
= 0,3*80 = 24 мм.
. Конструктивные размеры корпуса редуктора
Толщина стенок корпуса и крышки: δ
= 0,025 aw
+ 1 = 0,025*200 + 1 = 6 мм, принимаем δ = 8
мм; δ1
= 0,02 aw
+ 1= 5 мм, принимаем δ1
= 8 мм.
Толщина фланцев поясов корпуса и крышки:
Верхнего пояса корпуса и пояса крышки
b = 1.5δ = 1.5*8
=12мм;
b1
= 1.5δ1
= 1,5*8 = 12мм;
нижнего пояса корпуса
р = 2,35 δ = 2,35*8 = 18,8мм,
принимаем 20 мм.
Диаметр болтов: фундаментальных d1
= (0,03¸0,036)
aw +12 = (6¸7,2)+12=18
¸ 19,2 мм; принимаем болты с резьбой
М20;
крепящих крышку к корпусу у подшипников d2
= (0,7¸0,75)
d1
= (0,7¸
0,75)*20 = 14 ¸ 15мм, принимаем болты с резьбой
М16;
соединяющих крышку с корпусом d3
= (0,5¸0,6)
d1
= (0,5¸
0,6)*20 = 10¸ 12мм, принимаем болты с резьбой
М12.
. Первый этап компоновки редуктора
Первый этап служит для приближенного определения
положения зубчатых колес и шкива относительно опор для последующего определения
опорных реакций и подбора подшипников.
Компоновочный чертеж выполняется в одной
проекции - разрез по осям валов при снятой верхней крышке редуктора.
Зазор между торцом шестерни или торцом ступицы и
внутренней стенкой корпуса А1 = 1,2 δ, зазор
от окружности вершин зубьев колеса до внутренней стенки корпуса А = δ,
расстояние между наружным кольцом подшипника ведущего вала и внутренней стенкой
корпуса А = δ , если диаметр
окружности вершин зубьев шестерни окажется больше наружного диаметра
подшипника, то расстояние А будем отмерять от шестерни.
Предварительно намечаю радиальные
шарикоподшипники средней серии; габариты подшипников выбираю по диаметру вала в
месте посадки подшипника dП1 = 45 мм и dП2 = 45 мм
Таблица №2.
|
Условное
обозначение подшипника
|
d
|
D
|
B
|
Грузоподъемность,
кН
|
|
Размеры,
мм
|
С
|
С0
|
|
109
|
45
|
75
|
16
|
21,2
|
12,2
|
|
209
|
45
|
85
|
19
|
33,2
|
18,6
|
Для смазки подшипников будем применять
консистентную пластичную смазку Литол - 24 по ГОСТ 21150-75, для предотвращения
вытекания смазки внутрь корпуса и вымывания пластичного материала жидким маслом
из зоны зацепления устанавливаем мазеудерживающие кольца, их ширина
определяется размером у = 8 ¸ 12 мм.
Измерением определяю расстояние на ведущем валу l1
= 68 мм, и на ведомом l2
=
72 мм. Принимаю окончательно 72 мм.
Глубина гнезда для подшипника lГ
≈1.5B, для 109
подшипника 24 мм, для 209 - 28,5 мм, принимаю lГ
= 30 мм.
Толщину фланца Δ крышки
подшипника принимаю примерно равной диаметру d0
отверстия в крышке под крепящий болт, для принятых мною подшипников это 14 мм.
Высоту головки болта принимаю 0,7dб
= 0,7*12 = 8,4 мм, зазор между головкой болта и ступицей шестерни принимаю 10
мм. Измерением устанавливаю расстояние l3
= 78 мм.
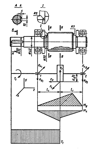
. Проверка долговечности подшипника
Рисунок 3. Расчётная схема ведущего вала
Ведущий вал. Из предыдущих расчетов имею Ft
= 3050 H; Fr
= 1138,57 Н; Fα
= 695,10 H из первого этапа
компоновки l1
= 72мм.
Реакции опор:
в плоскости xz:
Rx1
= Rx2
= Ft
/2
= 3050/2 = 1525 H;
в плоскости yz:
Проверка: Ry1 + Ry2 - Fr = 762,37 +
376,20 - 1138,57 = 0
Суммарные реакции
;
.
Подбор подшипника буду производить
по наиболее нагруженной опоре 1.
Намечаю радиальные шариковые
подшипники 109 (приложение П3 [1]): d = 45 мм ; D = 75 мм ; B = 16 мм ; C = 21,2 кН ;
C0 = 12,2 кН
Эквивалентная нагрузка
,
где Pr1= 1704,94 Н
- радиальная нагрузка; Ра = Fα = 695,1 Н -
осевая нагрузка; V = 1 (вращается внутреннее кольцо);
коэффициент безопасности для привода ленточных конвейеров Кσ = 1
(табл.9.19 [1]), КТ = 1 (табл.9.20 [1]).
Отношение Fα /C0 =
695,1/12200 = 0,057 ; этой величине соответствует е ≈ 0,26 (табл. 9.18
[1]).
Отношение Рɑ /Рr1 =
695,1/1704,94 = 0,407 > e; Х = 0,56 и Y = 1,74
PЭ =
(0,56*1*1704,94+1,74*695,1)*1*1 ≈ 2164,24 Н
Расчетная долговечность, млн. об
L = (C/PЭ)3
= (21,2*103/21,6424*102)3 ≈ 940 млн. об
Расчетная долговечность, час
Lh = L*106/60n = 940*106/60*
974 ≈ 16084 час, что больше установленного ГОСТ 16162-85.
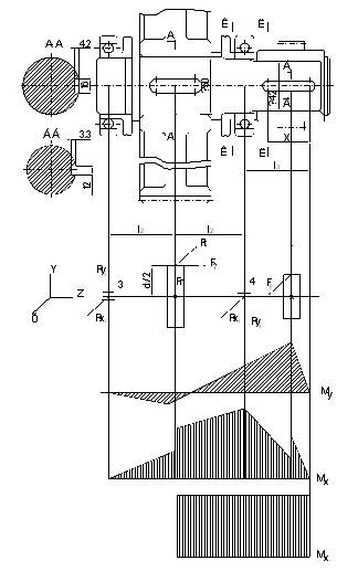
Ведомый вал: несет такие же нагрузки
как и ведущий.
Рисунок 4. Расчетная схема ведомого
вала
Ft = 3050 H; Fr = 1138,57
Н; Fα = 695,10 H; из первого
этапа компоновки l2 = 72 мм, l3 = 78 мм.
(Рис. 4)
Нагрузка на вал от открытой зубчатой
передачи Ft =7190 H. Составляющие
этой нагрузки Fвх = Fву = FТ = 2617 Н,
так как передача прямозубая, из первого этапа компоновки l2 = 72 мм, l3 = 78 мм.
Реакции опор:
в плоскости xz:
Проверка: Rx3 + Rx4 -(Ft + FBX) = 107,46 +
5559,54 - (3050 + 2617) = 0.
в плоскости yz:
Проверка: Ry3 + FBY -(Fr + Ry4) = 1214.49
+ 2617 -(1138.57 + 2692.92)=0
Суммарные реакции:
Подбор подшипника буду производить
по более нагруженной опоре 4.
Намечаю радиальные шариковые
подшипники 209 (приложение П3 [1]): d = 45 мм ; D =85 мм ; B = 19 мм ; C = 33,2 кН ;
C0 = 18,6 кН
Эквивалентная нагрузка
,
где Pr4= 6177,40 H -
радиальная нагрузка; Ра = Fα = 695,10 H - осевая
нагрузка;V = 1
(вращается внутреннее кольцо); коэффициент безопасности для привода ленточных
конвейеров Кσ = 1
(табл.9.19 [1]), КТ = 1 (табл.9.20 [1]).
Отношение Fα /C0 =
695,10/18600 = 0,037; этой величине соответствует е ≈ 0,29.
Отношение Рɑ /Рr1 =
695,10/6177,40 = 0,11 < e; Х = 1 и Y = 0
PЭ =
(1*1*6177,40)*1*1 ≈ 6177,40 Н
Расчетная долговечность, млн. об
L = (C/PЭ)3
= (33,2*103/61,7740*102)3 ≈ 155 млн. об
Расчетная долговечность, час
Lh = L*106/60n = 155*106/60*243,5
≈ 10609 час, что больше установленного ГОСТ 16162-85.
При соответствующем соблюдении ПТЭ,
контроле качества и количества смазки, снятии ВАХ и выполнении рекомендаций со
стороны завода - изготовителя подшипников, данные подшипники могут проработать
дольше.
10. Второй этап компоновки редуктора
Вычерчиваю шестерню и колесо по конструктивным
размерам, найденным ранее. Шестерню выполняю за одно целое с валом.
Конструирую узел ведущего вала:
а) наношу осевые линии, удаленные от середины
редуктора на расстояние l1.
Использую эти линии для вычерчивания в разрезе подшипников качения (при этом
использую правила упрощения, определенные ГОСТ 2.305-68);
б) между торцами подшипников и внутренней
поверхностью стенки корпуса вычерчиваю мазеудерживающие кольца. Их торцы должны
выступать внутрь корпуса на 1 ¸ 2 мм от внутренней
стенки, в этом случае, эти кольца будут играть роль еще и маслоотбрасывающих
колец. Для уменьшения числа ступеней вала кольца устанавливаем на тот же
диаметр, что и подшипники (Ç 40 мм). Фиксация
их в осевом направлении осуществляется заплечиками вала и торцами внутренних
колец подшипников;
в) вычерчиваю крышки подшипников с
уплотнительными прокладками (s
≈
1 мм) и болтами. Болт условно помещается в плоскость чертежа.
Войлочные и фетровые уплотнения применяются в
основном в узлах, заполненных консистентной смазкой, манжетные уплотнения могут
применяться как с жидкой, так и с консистентной смазкой.
Длина присоединительного конца вала Ç
45 мм определяется длиной ступицы муфты. Для муфты МУВП 8-710-45-2-48-2-У3 ГОСТ
21424-75 l = 82 мм.
Аналогично конструирую узел ведомого вала,
учитывая при этом следующие особенности:
а) для фиксации зубчатого колеса в осевом
направлении предусматривается утолщение вала с одной стороны и установка
распорной втулки - с другой; место перехода вала от Ç
50 мм к Ç
45 мм смещается на 2 - 3 мм внутрь распорной втулки с тем, чтобы гарантировать
прижатие мазеудерживающего кольца к торцу втулки (а не к заплечику вала!);
б) отложив от середины редуктора расстояние l2,
провожу осевые линии и вычерчиваю подшипники, при этом оси подшипников ведущего
и ведомого валов располагаю на одной прямой;
в) вычерчиваю мазеудерживающие кольца, крышки
подшипников с прокладками и болтами;
г) откладываю расстояние l3
и вычерчиваю шестерню открытой передачи; ступица шестерни может быть смещена в
одну сторону для того, чтобы вал не выступал за пределы редуктора на большую
длину.
д) от осевого перемещения шестерня фиксируется
торцовым креплением. Шайба прижимается к торцу ступицы одним болтом. Между
шайбой и торцом вала предусматриваю зазор в 2 мм, для обеспечения натяга.
На ведущем и ведомом валу применяю
призматические шпонки со скругленными торцами по ГОСТ 23360-78. Шпонки
вычерчиваю из расчета, что их длины на 5 - 10 мм меньше длины ступицы.
11.
Проверка
прочности шпоночных соединений
Выбираю шпонку призматическую со скругленными
торцами по ГОСТ 23360-78.
Материал шпонок - сталь 45, нормализованная.
Напряжение смятия и условие прочности определяются из выражения
Допускаемые напряжения смятия при стальной
ступице [σсм]
= 100 ¸
120 МПа, при чугунной [σсм]
= 50¸70
МПа
Ведущий вал: d
= 38 45 мм; bхh
= 14 x 9 мм; t1
= 5,5 мм, длина шпонки l
= 70 мм (при длине ступицы полумуфты 82 мм); момент на ведущем валу Т2
= 122*103 Н·мм
МПа <[σсм]
(материал полумуфт МУВП - чугун
марки СЧ 20 ГОСТ 1420-85)
Ведомый вал: из двух шпонок - под
зубчатым колесом и шестерней - более нагружена вторая (меньше диаметр вала и
поэтому меньше размеры поперечного сечения шпонки). Проверяем шпонку под
шестерней: d = 45 мм; b x h = 14 x 9; t1 = 5,5 мм,
длина шпонки l = 63 мм
(ширина шестерни 30 мм, ступицы 70 мм); момент на ведомом валу Т2 =
431,4*103Н·мм
МПа <[σсм]
шестерня выполняется из
термообработанных углеродистых сталей.
. Уточненный расчет валов
Принимаю, что нормальные напряжения
от изгиба изменяются по симметричному циклу, а касательные от кручения по
пульсирующему.
Уточненный расчет состоит в
определении коэффициентов запаса прочности s для опасных
сечений и сравнении их с требуемыми (допускаемыми) значениями [s], прочность
будет соблюдена при условии s³ [s].
Расчет производится для
предположительно опасных сечений каждого из валов. Ведущий вал:
Материал вала тот же, что и для
шестерни (выполнена заодно с валом), т.е. сталь 45, термическая обработка -
улучшение.
При диаметре заготовки 90 ¸ 120 мм (da1 = 84 мм)
табл.3.3 [1] среднее значение σв = 730 МПа.
Предел выносливости при симметричном
цикле изгиба
σ-1 ≈ 0,43σв = 0,43*730
= 313,9 МПа.
Предел выносливости при симметричном
цикле касательных напряжений
t-1 ≈0,58 σ-1 =0,58*313,9
= 182,1МПа.
Сечение по месту насаживания
полумуфты, при передаче вращающего момента от электродвигателя рассчитываю на
кручение. Концентрацию напряжения вызывает наличие шпоночного паза. Коэффициент
запаса прочности
,
где амплитуда и среднее напряжение
пульсирующего цикла
при d = 45 мм ; b = 14 мм ; t1 = 5,5 мм
(по табл. 8.5 [1])
принимаю kτ = 1,68
(табл. 8.5 [1]),
ετ ≈ 0,76
(табл.8.8[1]) и
ψ τ ≈0,1
[1]
ГОСТ 16162-78 определяет, что
конструкция редуктора должна предусматривать возможность восприятия радиальной
консольной нагрузки, приложенной в середине посадочной части вала. Величина
этой нагрузки для одноступенчатых зубчатых редукторов на быстроходном валу
должна быть
при 25*10 3
Н·мм< ТБ
< 250*10 3
Н·мм.
Принимаю у ведущего вала длину
посадочной части под муфту равной длине полумуфты l = 82 мм
(муфта УВП для вала диаметром 45 мм), изгибающий момент в этом сечении от
консольной нагрузки М = 2,5*(182,1*10 3) 1/2*(82/2) =
87,5*10 3 Н·мм.
Коэффициент запаса прочности по
нормальным напряжениям
Результирующий коэффициент запаса прочности
Коэффициент запаса, полученный в
расчетах
,
результирующий получился меньше, т.к. консольные участки валов, рассчитываются
по крутящему моменту и согласовываются с расточками стандартных полумуфт и
являются прочными. Такой большой запас прочности (70,62 и 1,19) объясняется
тем, что диаметр вала был увеличен при конструировании для соединения его со
стандартной муфтой с валом электродвигателя.
Поэтому проверку прочности вала в
других сечениях нет необходимости.
Ведомый вал.
Материал вала - сталь 45
нормализованная, σВ = 570МПа.
Пределы выносливости σ-1 = 0,43*570
= 245 МПа и τ-1 = 0,58*245
= 142 МПа. Сечение А-А: диаметр вала в этом сечении 50 мм. Концентрация
напряжений обусловлена наличием шпоночной канавки (табл. 8.5 [1]): kσ = 1,59 и kτ =1,49;
масштабные факторы εσ =0,775;
ετ = 0,67
(табл. 8.8 [1]); коэффициенты ψσ ≈ 0,15
и ψτ ≈0,1.
Крутящий момент Т2 =
431,4*10 3 Н·мм.
Изгибающий момент в горизонтальной
плоскости
изгибающий момент в вертикальной
плоскости
суммарный изгибающий момент в
сечении А - А
.
Момент сопротивления кручению (d = 50 мм; b = 14 мм; t1 = 5,5 мм)
Момент сопротивления изгибу
(табл.8.5 [1])
Амплитуда и среднее напряжение цикла
касательных напряжений
.
Амплитуда нормальных напряжений
изгиба
;
среднее напряжение σm = 0.
Коэффициент запаса прочности по
нормальным напряжениям
Коэффициент запаса прочности по
касательным напряжениям
Результирующий коэффициент запаса
прочности для сечения А - А
Сечение К - К. концентрация
напряжений обусловлена посадкой подшипника с гарантированным натягом (табл.8.7
[1]) kσ/εσ = 3,1 и kτ/ετ = 2,26;
принимаю ψσ= 0,15 и ψτ = 0,1.
Изгибающий момент
Н·мм
Осевой момент сопротивления
мм3
Амплитуда нормальных напряжений
МПа; σm = 0.
Полярный момент сопротивления
WP = 2W = 2*8,9*103
= 17,8*103 мм3
Амплитуда и среднее напряжение цикла
касательных напряжений
МПа
Коэффициент запаса прочности по
нормальным напряжениям
Коэффициент запаса прочности по
касательным напряжениям
Результирующий коэффициент запаса
прочности для сечения К - К
Сечение Л - Л. Концентрация
напряжений обусловлена переходом от Ç 45 мм к Ç 42 мм: при D/d = 45/42 ≈1,1
и r/d = 2,5/42 ≈
0,06 коэффициенты концентраций напряжений kσ = 1,51 и kτ = 1,16
(табл. 8.2 [1]). Масштабные факторы εσ = 0,84; ετ = 0,72
(табл. 8.8 [1]). Внутренние силовые факторы те же, что и для сечения К - К.
Осевой момент сопротивления сечения
мм3
Амплитуда нормальных напряжений
МПа
Полярный момент сопротивления
WP = 2*7,3*103
= 14,6*103 мм3
Амплитуда и среднее напряжение цикла
касательных напряжений

МПа
Коэффициенты запаса прочности
Результирующий коэффициент запаса
прочности для сечения Л - Л
Сечение Б - Б. Концентрация
напряжений обусловлена наличием шпоночной канавки: kσ = 1,6 и kτ = 1,5; εσ = 0,84 и ετ =0,72.
Изгибающий момент (х1 =
60 мм)
МБ - Б = FB x1 = 2617*60 =
157*103 Н·мм.
Момент сопротивления сечения нетто
при b =12 мм и t1 = 5,0 мм
мм3.
Амплитуда нормальных напряжений
изгиба
МПа.
Момент сопротивления кручению
сечения нетто
мм3
Амплитуда и среднее напряжение цикла
касательных напряжений
МПа
Коэффициенты запаса прочности
Результирующий коэффициент запаса
прочности для сечения Б - Б
Объединяю результаты в таблицу:
Таблица №3
|
сечение
|
А
- А
|
К
- К
|
Л
- Л
|
Б
- Б
|
|
Коэффициент
запаса s
|
5,89
|
2,83
|
3,69
|
4,07
|
Во всех сечениях коэффициент запаса s
˃
[s] = 2,5 (стр.
162[1]).
. Посадки зубчатого колеса, шестерни и
подшипников
Посадки назначаю в соответствии с указаниями,
данными в таблице 10.13 [1]
Посадка зубчатого колеса и шестерни
на вал
по ГОСТ
25347-82.
Шейки валов под подшипники выполнить
с отклонением вала k6, отклонения отверстий в корпусе
под наружные кольца по Н7.
Полумуфту на ведущий вал напресовать
по ГОСТ
25347-82.
Мазеудерживающие кольца
по ГОСТ
25347-82.
. Выбор сорта масла
Смазывание зубчатого зацепления производится
окунанием зубчатого колеса в масло, заливаемое внутрь корпуса до уровня,
обеспечивающего погружение колеса примерно на 10 мм. Объем масляной ванны V определяем
из расчета 0,25 дм3 масла на 1 кВт передаваемой мощности: V=
= 0,25 • 12,7 « 3,2 дм3.
По таблице 10.8 [1] устанавливаем вязкость
масла. При контактных напряжениях σН
< 600 МПа и скорости v
= 3,93 м/с рекомендуемая вязкость масла должна быть примерно равна 28 • 10-6
м2/с. По таблице 10.10 [1] принимаем масло индустриальное И-ЗОА (по
ГОСТ 20799-75*).
Камеры подшипников заполняем пластичным
смазочным материалом Литол - 24 ГОСТ 21150-75 (табл. 9.14 [1]) периодически
пополняем его шприцем через пресс-масленки.
. Сборка редуктора
Перед сборкой внутреннюю полость корпуса
редуктора тщательно очищают и покрывают маслостойкой краской.
Сборку производят в соответствии со сборочным
чертежом редуктора, начиная с узлов валов:
на ведущий вал насаживают мазеудерживающие
кольца и шарикоподшипники, предварительно нагретые в масле до 80 -100 °С;
в ведомый вал закладывают шпонку 16х10х60 и
напрессовывают зубчатое колесо до упора в бурт вала; затем надевают распорную
втулку, мазеудерживающие кольца и устанавливают шарикоподшипники,
предварительно нагретые в масле.
Собранные валы укладывают в основание корпуса
редуктора и надевают крышку корпуса, покрывая предварительно поверхности стыка
крышки и корпуса спиртовым лаком. Для центровки устанавливают крышку на корпус
с помощью двух конических штифтов; затягивают болты, крепящие крышку к корпусу.
После этого на ведомый вал надевают распорное
кольцо, в подшипниковые камеры закладывают пластичную смазку, ставят крышки
подшипников с комплектом металлических прокладок для регулировки.
Перед постановкой сквозных крышек в проточки
закладывают войлочные уплотнения, пропитанные горячим маслом. Проверяют
проворачиванием валов отсутствие заклинивания подшипников (валы должны
проворачиваться от руки) и закрепляют крышки винтами.
Далее на конец ведомого вала в шпоночную канавку
закладывают шпонку, устанавливают шестерню и закрепляют ее торцовым креплением;
винт торцового крепления стопорят специальной планкой.
Затем ввертывают пробку маслоспускного отверстия
с прокладкой и жезловый маслоуказатель.
Заливают в корпус масло и закрывают смотровое
отверстие крышкой с прокладкой из технического картона; закрепляют крышку
болтами.
Собранный редуктор обкатывают и подвергают
испытанию на стенде по программе, устанавливаемой техническими условиями.
Список использованной литературы
1. С.А.
Чернавский и др. Курсовое проектирование деталей машин.М.: АльянС, 2005.
. М.Н.
Иванов. Детали машин. М.: «Машиностроение», 1991.
. П.Ф.
Дунаев, О.П. Леликов Конструирование узлов и деталей машин. М.: «Высшая школа»,
1985.
. Д.Н.
Решетов - Детали машин. Атлас конструкций в двух частях. М.: «Машиностроение»,
1992.
. Анурьев
В.И. Справочник конструктора-машиностроителя в 3т. М. Машиностроение, 1979.