Расчет электрических показателей
Задание 1
1. Для усилительного транзисторного каскада:
.1. Выбрать транзистор, определить напряжение
источника питанияUп, рассчитать сопротивление резисторов Rк, Rб1, Rб2 и выбрать
их номиналы.
.2. Определить h-параметры h11Э, h12Э, h21Э и
h22Э в рабочей точке транзисторного каскада, его входное и выходное
сопротивления Rвх и Rвых.
.3. Найти амплитуды напряжения и тока базы Uбm,
Iбm, коэффициенты усиления каскада по току, напряжению и мощности кI, кU, кР и
амплитуду напряжения источника сигнала UGm.
.4. Рассчитать емкости конденсаторов СР1, СР2 СЭ
и выбрать их номиналы.
Исходные данные
|
Сопротивление
нагрузки Rн, Ом
|
300
|
|
Амплитуда
напряжения в нагрузке Uнm, В
|
2
|
|
Внутреннее
сопротивление источника сигнала RG, Ом
|
200
|
|
Нижняя
граничная частота Fн, Гц
|
75
|
|
Допустимые
частотные искажения на граничной частоте Мн
|
1,41
|
|
Максимальная
температура окружающей среды Тm, 0С
|
40
|
Рис. Схема электрическая принципиальная
усилительного каскада с общим эмиттером
Решение
.1 Сопротивление резистора в цепи коллектора
транзистора
Rк = (1+ КR) ∙
Rн, (1.1)
где КR - коэффициент соотношения сопротивлений
Rн и Rк;
При Rн = 300 Ом ≤ 1 кОм принимаем КR =
1,2 к = (1+ 1,2) ∙ 300 = 660 Ом
По приложению 2 /5/ выбираем номинал
сопротивления Rк = 660 Ом
Эквивалентное сопротивление нагрузки каскада
,
(1.2)
Амплитуда коллекторного тока
,
(1.3)
Ток покоя (ток в рабочей точке) транзистора
,
(1.4)
где кз - коэффициент запаса, кз = 0,7…0,95
Минимальное напряжение коллектор-эмиттер в
рабочей точке транзистора
Uкэп
min = Uн
m + U0, (1.5)
где U0 - напряжение коллектор-эмиттер, соответствующее
началу прямолинейного участка выходных характеристик транзистора
кэп min = 2 + 1 = 3 В
Так как Uкэп min = 3 В меньше типового значения
Uкэп = 5 В, принимаем Uкэп = 5 В.
Напряжение источника питания
, (1.6)
Выбираем напряжение питания Un = 20 В.
Сопротивление резистора эмиттерной цепи
транзистора
,
(1.7)
По приложению 2 /5/ принимаем номинал
сопротивления Rэ = 600 Ом
Выбираем транзистор КТ315Г
а) максимально допустимое напряжение
коллектор-эмиттер
кэ доп = 25 В > Uп = 20 В
б) максимальный допустимый средний ток
коллектора
к доп = 100мА > Iк п = 13,9 ∙ 10-3 А
Строим входные и выходные характеристики
транзистора (рисунок 1, 2).
На выходных характеристиках строим нагрузочную
прямую по постоянному току по точкам А и В.
Точка А: Uкэ = 0, Iк = Uп/(Rк + Rэ) = 14/(330 +
300) = 22,2 ∙ 10-3 А
Точка В: Uкэ = Uп = 14 В, Iк = 0
Уточняем напряжение в точке покоя, нанеся
рабочую точку С на нагрузочную прямую с координатой Iк = Iк п = 13,9 ∙
10-3 Акэп = 5,2 В
Мощность в точке покоя транзистора
Ркп = Iк п ∙ Uкэп
, (1.8)
Ркп = 13,9 ∙ 10-3 ∙ 5,2 = 72,3 ∙
10-3 Вт
Наибольшая мощность рассеивания транзистора при
максимальной рабочей температуре
,
(1.9)
где Рк доп - максимальная допустимая мощность
рассеивания на коллекторе при температуре окружающей среды Т0;
Тп max - максимальная температура перехода;
Т0 = 25 0С - температура окружающей среды,
при которой нормируется
Рк доп.

На входной характеристике определяем координаты
рабочей точки С:
бп = 0,175 мА, Uбэп = 0,52 В
Ток базового делителя Rб1, Rб2
Iд = (5…10) ∙ Iбп
, (1.10)д = 5 ∙ 0,175 ∙ 10-3 = 0,75 ∙ 10-3
А
Сопротивление резистора базового делителя
,
(1.11)
По приложению 2 /5/ выбираем номинал
сопротивления Rб2 = 6,2 кОм.
Сопротивление резистора базового делителя
, (1.12)
По приложению 2 /5/ выбираем номинал
сопротивления Rб1 = 12 кОм.
Эквивалентное сопротивление базового делителя
,
(1.13)
.2 По входным характеристикам находим в рабочей
точке, задаваясь
приращением ∆Uб = 0,125 В
,
(1.14)
По выходным характеристикам определяем h21 в
рабочей точке транзистора. Находим приращение коллекторного тока и
соответствующее ему приращение базового тока при пересечении Uкэ = Uкэп
соседних от рабочей точки С выходных характеристик (точки Д, Е)
,
(1.15)
Входное сопротивление каскада
,
(1.16)
Выходное сопротивление каскада Rвых ≈ Rк =
300 Ом
.3 На выходных характеристиках строим
нагрузочную прямую по
переменному току, которая проходит через рабочую
точку С и имеет наклон
,
(1.17)
Амплитуда тока базы по выходным характеристикам
, (1.18)
По входным характеристикам определяем амплитуду
входного напряжения транзистора
,
(1.19)
Коэффициент усиления каскада по току
,
(1.20)
Коэффициент усиления каскада по напряжению
,
(1.21)
Коэффициент усиления каскада по мощности
КР = КU ∙
КI, (1.22)
КР = 9,4 ∙ 65,2 = 612
Амплитуда напряжения источника сигнала
,
(1.23)
.4 Частотные искажения в области нижних частот,
вносимые
емкостями конденсаторов Ср1, Ср2, Сб1,
распределяем равномерно
между ними
Емкость разделительного конденсатора
,
(1.24)
Выбираем номинал Ср1 = 1,3 мкФ.
Емкость разделительного конденсатора
,
(1.25)
Выбираем номинал Ср2 = 1,0 мкФ.
Емкость блокировочного конденсатора
,
(1.26)
Выбираем номинал СG1 = 20 мкФ.
транзистор напряжение конденсатор
ток
Задание 2
Для заданной схемы на операционном усилителе:
.1. Рассчитать сопротивление резисторов и
емкости конденсаторов и выбрать их номиналы.
.2. Выбрать тип операционного усилителя.
.3. Определить максимальные амплитуды источников
сигнала.
|
Внутреннее
сопротивление источника сигнала RG1, кОм
|
15
|
|
Коэффициент
усиления по напряжению для источника сигнала кU1
|
25
|
|
Динамический
диапазон выходного напряжения D, Дб
|
26
|
|
Максимальная
температура окружающей среды Тm, 0С
|
40
|
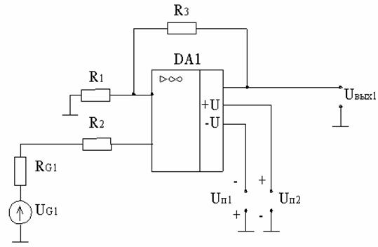
Рис. Схема электрическая принципиальная
неинвертирующего усилителя постоянного тока
Решение
.1 Сопротивление резисторов R1 и R2 на входе
операционного
усилителя
R1 = (5…10)∙RG1,
(2.1)= 5 ∙ 15 = 75 кОм
По приложению 2 /5/ выбираем номинал резистора
R1 = 75 кОм
= R2 = 75 кОм
Сопротивление резистора обратной связи
R3 = (кU1 - 1) ∙ R1
, (2.2)= (25 - 1) ∙ 75 = 1800 кОм
По приложению 2 /5/ выбираем номинал резистора
R3 = 1,8 кОм
.2 По приложению 4 /5/ выбираем операционный
усилитель по
условиям:
а) коэффициент усиления по напряжению
кU >> кU1 +
кU2, (2.3)
для данного операционного усилителя кU2 = 0,
следовательно кU >> кU1;
б) внутреннее сопротивление источника сигнала
кОм ≤ RG1 = 15 кОм ≤ 75 кОм
Выбираем операционный усилитель типа К140УД6 с
параметрами:
коэффициент усиления по напряжению кU = 70 ∙
103;
разность входных токов ∆ iвх = 10 ∙
10-9 А;
внутреннее напряжение смещения Uсмв = 5 ∙10-3
В;
тепловой дрейф внутреннего напряжения смещения
;
максимальное напряжение на выходе ОУ Uвых max ОУ
= 11 В;
номинальное напряжение питания Uп = -15 В; + 15
В.
Проверяем правильность выбора ОУ.
Допустимое напряжение смещения, приведенное ко
входу ОУ
,
(2.4)
где Д - динамический диапазон.
Напряжение смещения операционного усилителя,
вызванное разностью входных токов и ее тепловым дрейфом
,
(2.5)
где Rвх о = R2 - сопротивление по постоянному
току, подключенное между входом операционного усилителя и нулевой точкой Rвх о.
Напряжение смещения операционного усилителя,
вызванное внутренним смещением ОУ и его тепловым дрейфом
,
(2.6)
Суммарное напряжение смещения, приложенное между
входами операционного усилителя
Uсм
∑ = Uсм
i + Uсм
U, (2.7)
Uсм ∑ = 0,86 ∙ 10-3 + 5,38 ∙
10-3 = 6,24 ∙ 10-3 В
Так как Uсм ∑ = 6,24 ∙ 10-3 В <
Uсм доп = 22,1 ∙ 10-3 В, следовательно операционный усилитель типа
К140УД6 обеспечивает заданный диапазон выходного напряжения во всем интервале
рабочих температур.
Операционный усилитель К140УД6 выбран верно.
.3 Максимальная амплитуда входного сигнала
,
(2.8)
Задание 3
. Для заданной логической функции необходимо:
.1. Упростить функцию, пользуясь законами
алгебры логики.
.2. Составить таблицу истинности.
.3. Разработать функциональную электрическую
схему на базовых логических элементах И, ИЛИ, НЕ.
Исходные данные:
Логическая функция
Решение
.1 Упрощаем функцию, пользуясь законами алгебры
логики

.2 Таблица истинности
|
A
|
B
|
C
|
F
|
|
0
|
0
|
0
|
|
0
|
0
|
1
|
1
|
|
0
|
1
|
1
|
1
|
|
1
|
1
|
1
|
1
|
|
1
|
1
|
0
|
0
|
|
1
|
0
|
0
|
0
|
3.3 Функциональная электрическая схема,
реализующая функцию
на базовых
логических элементах И, ИЛИ, НЕ
Библиографический список
1.
Забродин Ю.С. Промышленная электроника. Учебник для вузов, М.: Высшая школа,
1982.
.
Арестов К.А. Основы электроники и микропроцессорной техники. Учеб. Для вузов/
К.А. Арестов М.: Колос, 2001. 216 с.
.
Жеребцов И.П., Основы электроники. 5-е изд., перераб. и доп. Л.:
Энергоиздат,1989.
.
Токхайм Роджер Л. Основы цифровой электроники. М.: Мир, 1988
.
Электроника, микропроцессорные средства и техника связи. Методические указания
по изучению дисциплины/ Росс. Гос. аграр.заоч. ун-т. Сост. В.И. Литвин, Р.И.
Штанько. М., 2002. 40 с.