Проектирование электроснабжения завода по производству сельскохозяйственной техники
Введение
Системой электроснабжения называют комплекс устройств для
производства, передачи и распределения электрической энергии.
Системы электроснабжения промышленных предприятий
обеспечивают электроэнергией промышленные потребители.
Основными потребителями являются электроприводы различных
машин и механизмов, электрическое освещение, электрические печи и
нагревательные устройства.
Работа промышленных электроприводов и других потребителей
должна находиться в строгом соответствии как с отдельными электроприемниками,
так и с комплексами электроприводов, обеспечивающим работу сложных механизмов
Работа приемников электроэнергии зависит от ее качества.
Качество электроэнергии и, в частности, например, отклонение напряжения,
вызывает изменение скорости движения электроприводов, что уменьшает или
увеличивает производительность механизмов. Это обстоятельство может привести к
браку, или даже к полной остановке технологического процесса.
Влияние системы электроснабжения на производственный процесс
очень велико. Достаточно сказать, что производственный процесс во многом
определяется показателями системы промышленного электроснабжения и
электроприводов, которые обеспечивают нормальный режим работы всего
предприятия.
В силу изложенного в интересах нормальной работы промышленного
предприятия необходимо достаточно полное знание комплекса вопросов
электроснабжения.
В данной работе поставлена задача разработать систему
электроснабжения, которая отвечала бы современным требованиям по эксплуатации и
не отличалась излишней дороговизной исполнения.
1 Технологический процесс завода по производству
сельскохозяйственной техники
Производство сельскохозяйственной техники - это процесс
производства широкого спектра технических средств, предназначенных для
повышения производительности труда в сельском хозяйстве путем механизации и
автоматизации отдельных операций или технологических процессов. В сельском
хозяйстве техника обычно используется на сельскохозяйственных объектах и
предприятиях. Для постоянного использования сельскохозяйственной техники для
сельскохозяйственных потребностей создаются сельскохозяйственные базы,
отвечающие за базирование, использование и ремонт сельскохозяйственной техники,
а также за содержание домашних животных, заготовку кормов и рыночную продажу на
других более мелких сельскохозяйственных объектах. Наиболее продвинутыми в этом
плане являются Базы ТОЗ, основной целью которых является базирование и
использование сельскохозяйственной техники и продвинутая обработка
сельскохозяйственных угодий. Управление Базами ТОЗ происходит благодаря
Товариществам по совместной обработке земли, которые также являются и
собственниками других сельскохозяйственных баз. Чаще всего сельскохозяйственные
базы именуются по названию населённого пункта, рядом с которым они
располагаются, или по расположению от какого-то ли выделяющегося
географического объекта.
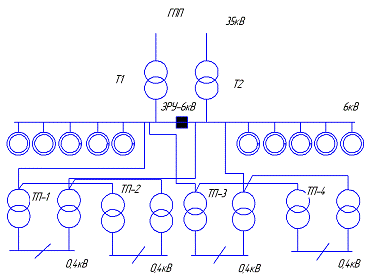
2. Выбор схемы электроснабжения
Для выбора схемы электроснабжения завода по производству
сельскохозяйственной техники необходимо произвести расчет электрических
нагрузок. Расчет приведен в 3 разделе курсового проекта.
Расчет электрических нагрузок завода производится с целью
определения оптимального числа трансформаторов на 0,4 кВ. Учитывая, что
производство сельскохозяйственной техники относится ко второй категории
надежности электроснабжения выбраны масляные трансформаторы типа ТМФ-400/6/0,4,
так как они являются более надежными и хорошо держат перегрузку. Для первой
категории коэффициент загрузки масляных трансформаторов составляет 0,7÷0,8.
Для первой и второй категории надежности электроснабжения
необходимо устанавливать двухтрансформаторные подстанции, а для третьей
категории допускается установка однотрансформаторной подстанции. Следовательно,
имеем 1 двухтрансформаторную подстанцию и 3 однотрансформаторные подстанции.
После выбора количества трансформаторов необходимо произвести
расчет компенсации реактивной мощности и выбор конденсаторных установок. А
также произвести расчет потерь в цеховых трансформаторах.
Для определения схемы электроснабжения производства
сельскохозяйственной техники намечаются два варианта схем и производится их
технико-экономический расчет (ТЭР). На основе ТЭРа выбираемся наиболее
оптимальный вариант схемы электроснабжения.
Выбирается (тупиковая линия) глухое присоединение ВЛ к
трансформатору, через разъединитель и выключатель, так как ГПП удалена от
источника питания на небольшое расстояние 15 км. А так же с учетом категории
надежности выбирается два источника питания. Линии от источника питания
соединены ремонтной перемычкой с двумя ремонтными разъединителями. На ГПП
установлены высоковольтные вакуумные выключатели, ограничители перенапряжений,
трансформаторы тока для питания релейной защиты и приборов учета и
разъединители.
ЗРУ установлено на напряжение 6 кВ. Оно выполнено одиночной
секционированной системой шин. Трансформаторные подстанции и двигатели питаются
непосредственно от ЗРУ через ячейки КСО2-10, укомплектованные вакуумными
выключателями, высоковольтными разъединителями с приводами, высоковольтными
заземлителями с приводами, трансформаторами тока типа ТОЛ-10 и предохранителями
типа ПКТ. На каждой секции шин установлены НТМИ, а также вакуумный секционный
выключатель серии ВВ/TEL.
После выбора схемы произведен расчет токов короткого
замыкания для проверки выбранного оборудования на термическую и электродинамическую
стойкость.
3. Расчет электрических нагрузок
.1 Расчет электрических нагрузок по цеху
Расчет электрических нагрузок по цеху выполняют по методу
коэффициента расчетной нагрузки. Руководствуясь «РУ по расчету электрических
нагрузок» производят расчет и заполняют таблицу согласно форме Ф636-92.
По заданию технологов выбирают электроприемники(ЭП), для которых
производится расчет, количество ЭП и номинальную мощность, а по справочным
данным коэффициент использования ЭП
и коэффициент реактивной мощности
.
Приводится расчет одного ЭП токарного цеха - токарно-револьврного
многоцелевого станка
Определяется установленная мощность ЭП, кВт:
(3.1)
где
- установленная мощность одного ЭП
Определяется промежуточная активная мощность ЭП, кВт:
(3.2)
где
- коэффициент использования нагрузки
одного ЭП
Определяется промежуточная реактивная мощность ЭП, кВар:
(3.3)
где
рассчитывается отдельно или указывается
согласно справочным данным
Аналогично рассчитываются все ЭП по ШР.
Далее рассчитывается итоговая строка по узлу ЭП по ШР1
Определяется эффективное число ЭП:
(3.4)
где
-сумма произведений
, которая берется по всем ЭП входящим в
сборку(таб.3.1)
Определяется расчетный коэффициент
по таблице 1.7 [2] методических
указаний.
Определяется расчетная активная мощность ЭП, кВт:
(3.5)
Определяется расчетная реактивная мощность ЭП, кВар:
, при
(3.6)
, при
(3.7)
Так как
расчетная реактивная мощность находится
по формуле 3.6
Определяется полная расчетная мощность ЭП, кВА:
(3.8)
Определяется расчетный ток
,А:
(3.9)
Аналогично рассчитываются
итоговые строки по ШР2, ШР3, ШР4.Также аналогично рассчитывается итоговая
строка по всему цеху.
Результаты расчетов сводятся в таблицу 3.1.
3.2 Расчет электрических нагрузок до 1000В по
производству сельскохозяйственной техники
По сравнению с расчетом электрических нагрузок цехов, где
нагрузка разбивается по узлам питания, расчет силовой нагрузки корпусов,
отдельно стоящих зданий выполняется, в общем, для выбора количества
трансформаторов на территории предприятия.
Расчет электрических нагрузок завода выполняют по методу
коэффициента расчетной нагрузки. Руководствуясь «РУ по расчету электрических
нагрузок» производят расчет по второму варианту и заполняют таблицу согласно
форме Ф636-92.
По заданию технологов выбирают цеха, для которых производится
расчет, количество ЭП расположенных в цехе, максимальную и минимальную мощность
одного ЭП и установленную мощность всех ЭП цеха, а по справочным данным
коэффициент использования цеха
и коэффициент мощности
.
Нагрузка каждого отдельного цеха или корпуса принимается
общей установленной мощностью, по которой и определяется вся расчетная
нагрузка.
Расчет производится по литейному производству:
Определяется промежуточная
активная мощность цеха по формуле (3.2), кВт:
где
=0,3- коэффициент использования нагрузки
цеха [2, таб. 1.7]
Определятся промежуточная реактивная мощность цеха по формуле
(3.3), кВАр:
где
рассчитывается отдельно или указывается
согласно справочным данным
Определяется эффективное число ЭП цеха:
где
=50 кВт - максимальная мощность одного ЭП
в цехе
=1640 кВт - мощность всех ЭП в цехе
Определяется расчетный коэффициент
по таблице 1.8 методических указаний.[2]
КР=0,7
Определяется расчетная активная мощность цеха по формуле (3.5),
кВт:
Определяется расчетная реактивная мощность цеха по формуле
(3.7), кВАр:
где
при
при
Определяется полная расчетная мощность
цеха по формуле (3.8), кВА:
Определяется расчетный ток цеха по
формуле (3.9), А:
Расчет остальных цехов производится аналогичным способом.
Расчёт сводится в таблицу 3.2
3.3 Расчет осветительной нагрузки
Рациональное освещение рабочих мест, производственных
помещений и территорий предприятий способствует повышению производительности
труда, снижает вероятность производственных травм.
Расчет освещения завода производится методом удельной
мощности.
Приведем расчет осветительной нагрузки одного цеха завода по
производству сельскохозяйственной техники - литейного производства.
Определяем установленную мощность
,кВт
(3.11)
где К - коэффициент, учитывающий дополнительные потери в сетях,
зависит от типа светильника:
К=1-для ламп накаливания
К=1,25-для люминесцентных ламп дроссельного типа
К=1,1÷1,15-для
люминесцентных ламп с электронной ПРА
К=1,15-для ламп типа ДРЛ
КЗАП - коэффициент запаса, зависит от технологической
среды помещения
КЗАП=1,1÷1,15-для чистой благоприятной среды
КЗАП=1,1÷1,3-для запыленных помещений
КЗАП=1,4÷1,5-для пыльных помещений
РУД -удельная мощность, кВт, выбирается в зависимости
от типа светильника, высоты помещения и минимальной освещенности, таб.6.7-6.15.
F - площадь помещения, м2
Определяем расчетную активную мощность РР, кВт:
(3.12)
где КС-коэффициент спроса, таб.11.1[4]
Определяем расчетную реактивную мощность QР, кВар
(3.13)
Аналогично рассчитывается освещение по
другим цехам. Результаты сводятся в таблицу 3.3
3.4 Расчет
электрических нагрузок выше 1000В
При расчете СД значение
будет записываться с отрицательным знаком. Так как они будут
работать во время пиков нагрузки в качестве синхронных компенсаторов
Расчет производится по насосной завода:
СД:
=6 шт.;
=800 кВт;
=0,85;
=-0,9
Определяется промежуточная активная мощность по формуле (3.2)
СД, кВт:
где
=0,85- коэффициент использования нагрузки
СД [2]
Определяется промежуточная реактивная мощность по формуле
(3.3) СД, кВАр:
где
рассчитывается отдельно или указывается
согласно справочным данным
Определяется расчетный коэффициент
по таблице 1.8 методических указаний.[2]
КР=0,65
Определяется расчетная активная мощность СД, кВт:
Определяется расчетная реактивная мощность СД, кВАр:
Определяется полная расчетная мощность по формуле (3.8) СД, кВА:
Определяется расчетный ток по формуле
(3.8) СД, А:
Расчет остальных высоковольтных потребителей цехов
производится аналогичным способом.
4. Компенсация реактивной мощности
.1 Выбор количества трансформаторов
Производство сельскохозяйственной техники ко второй
категории электропотребителей, а, следовательно перерыв питания может привести
к массовому недоотпуску продукции, массовым простоям рабочих, механизмов и
промышленного транспорта. В связи с этим выбираются масляные силовые
трансформаторы ТМФ, которые выдерживают высокую перегрузку, номинальной
мощностью 400 кВА. Для масляных трансформаторов коэффициент загрузки равен 0,6÷0,7.
Расчет количества трансформаторов
Определяется минимальное число трансформаторов на территории
предприятия.
(4.1)
где PP = 1666,16кВт-расчетная активная мощность
SН.Т.=400 кВА- номинальная мощность трансформатора
β = > Кз = 0,6 -коэффициент
загрузки трансформатора
∆N − добавка до целого числа.
Определяется оптимальное число
трансформаторов.
(4.2)
где m=1, определяется по графику [5]
4.2 Расчет компенсации реактивной мощности до 1
кВ
Руководствуясь «РУ по расчету результирующих электрических
нагрузок цеховых трансформаторных подстанций» производится расчет и заполняется
таблица согласно форме Ф202-90, таб 4.1
Суммарная мощность компенсации определяется в 2 этапа.
выбор экономически оптимального числа трансформаторов
выбор дополнительной мощности БК в целях оптимального
снижения потерь в трансформаторах и в сети 6-10 кВ
По предварительно выбранному числу трансформаторов
определяется наибольшая реактивная мощность, которую они могут передать в сеть
до 1 кВ, кВАр.
(4.3)
Определяется суммарная мощность трансформаторов, кВАр.
(4.4)
− определяется по таблице 3.2, суммарная расчетная нагрузка,
кВАр
Дополнительная суммарная мощность трансформаторов, кВАр.
(4.5)
где g= 0,06,
расчетный коэффициент, зависящий от К1 и К2, определяется по графику [5]
К1=15, коэффициент, зависящий от количества рабочих смен и от
энергосистемы
К2=2, коэффициент, зависящий от мощности трансформатора и длины
кабельной линии. Для расчета принимается среднее значение кабельной линии, LK= 0,5 км.
Суммарная расчетная мощность, кВАр.
(4.6)
где
суммарные мощности батарей двух этапов
расчета
Суммарная расчетная мощность распределяется между трансформаторами
пропорционально их реактивным нагрузкам.
Распределяем конденсаторные батареи между трансформаторными
подстанциями пропорционально потребляемой ими реактивной мощности:
(4.7)
ТП-1, ТП-2: Механический цех
Административный корпус
Насосная станция
Транспортный цех
Материальный склад
Литейное производство
Освещение территорий
где
- суммарная реактивная мощность,
приходящаяся на ТП, кВАр.
- реактивная мощность, подлежащая компенсации по всему заводу.
Принимаются стандартные значения комплектных конденсаторных
установок: УКМ63-0,4-200-25У3
Аналогично выполняются расчеты для других ТП, результаты расчетов
заносятся в таблицу.
Таблица 4.1
|
Мощности ККБ
установленных на ТП
|
|
Наименование
|
Qpi
|
Qнкi
|
ККБ
|
|
ТП-1, ТП-2
|
963,17
|
871,37
|
4хУКМ63-0,4-200-25У3
|
|
ТП-3
|
531,69
|
481,51
|
2х УКМ63-0,4-200-25У3
|
|
ТП-4
|
575,5
|
521,19
|
2хУКМ63-0,4-250-25У3
|
4.3 Определение потерь в цеховых трансформаторах
Выбираются цеховые трансформаторы марки ТМФ и рассчитываются
сменные потери в трансформаторах.
Расчет производится для трансформаторов ТП-1, ТП-2
Определяются потери активной мощности, кВт:
где n - количество трансформаторов
потери холостого хода в трансформаторе, кВт [2. стр.124]
потери короткого замыкания в трансформаторе, кВт [2.стр.124]
kз -
коэффициент загрузки трансформатора после компенсаций
Определяются потери активной мощности, кВАр:
где n - количество трансформаторов
потери холостого хода в трансформаторе, кВт
потери короткого замыкания в трансформаторе, кВт
kз -
коэффициент загрузки трансформатора после компенсаций
где Iхх - ток холостого хода, [2. стр.124]
Sном тр - номинальная мощность трансформатора
где Uкз - напряжение короткого замыкания, [2. стр.124]
Расчет потерь для остальных трансформаторов производится
аналогичным способом.
Расчёт сводим в таблицу 4.2
Таблица 4.2. Потери мощности цеховых трансформаторов
|
№ подстанции
|
Кол-во тр-ров
|
Мощность тр-ра
Sном. кВА
|
Расчетные
мощности
|
Коэф. загрузки
Кз
|
Потери
расчетные
|
|
|
|
Рр, кВт
|
Qр, кВАр
|
Sр кВА
|
|
Рр, кВт
|
Qр,
кВАр
|
|
|
|
|
|
|
|
|
|
|
ТП-1, ТП-2
|
4
|
400
|
1229,76
|
162,17
|
1240,41
|
0,78
|
7,35
|
44,42
|
|
ТП-3
|
2
|
400
|
632
|
131,69
|
645,57
|
0,81
|
5,74
|
28,52
|
|
ТП-4
|
2
|
400
|
608,6
|
75,5
|
613,27
|
0,77
|
5,37
|
27,38
|
5. Картограмма электрических нагрузок
.1 Определение центра электрических нагрузок
электроснабжение
мощность нагрузка трансформатор
С целью определения места расположения главной понизительной
подстанции предприятия определяют координаты активного и реактивного условного
центра электрических нагрузок (ЦЭН).
Определяются координаты ха, уа -
центра активной нагрузки
где: Ррi - расчётная активная мощность i-го цеха
хi -
координата по оси абсцисс до центра цеха
где: уi
- координата по оси ординат до центра цеха
Итог: по расчетам принимается центр электрических нагрузок
(с учётом эллипса сдвига) ЦЭН ГПП - (324:162).
Расчет сводится в таблицу 5.1
5.2 Расчет картограммы завода
Расчет производится для отделения тонкой очистки:
=547,36 кВт,
=528,75 кВАр
Определяется радиус окружности активной мощности
где: Рр - активная расчетная мощность
m - масштаб
Определяется радиус окружности реактивной мощности
где: Qр - реактивная расчетная мощность
Определяется угол освещения:
где: Рр.о - активная расчетная мощность
осветительной нагрузки
Радиусы нагрузок остальных цехов рассчитываются аналогично.
Расчет сводится в таблицу 5.1
6. Технико-экономический расчет
Целью технико-экономических расчетов
является определение оптимального варианта схемы, параметров электросети и ее
элементов. Для систем электроснабжения промышленных предприятий характерна
многовариантность решения задач, которая обусловлена широкой взаимозаменяемостью
технических решений.
При технико-экономических расчетах систем
промышленного электроснабжения соблюдают следующие условия сопоставимости
вариантов:
1)
технические,
при которых сравнивают только взаимозаменяемые варианты при оптимальных режимах
работы и оптимальных параметрах, характеризующих каждый рассматриваемый
вариант;
2)
экономические,
при которых расчет сравниваемых вариантов ведут применительно к одинаковому
уровню цен и одинаковой достижимости принятых уровней развития техники с учетом
одних и тех же экономических показателей, характеризующих каждый
рассматриваемый вариант.
Каждый рассматриваемый вариант должен
соответствовать требованиям, предъявляемым к системам промышленного
электроснабжения соответствующими директивными материалами, отраслевыми
инструкциями и ПУЭ.
Расчёт производится с целью определения затрат по каждому
варианту рассматриваемых схем.
Для технико-экономического расчета намечается два варианта
схем. Варианты схем представлены на рисунке 6.1 и 6.2.
По первому варианту в ТЭР входит расчет стоимости кабельных
линий и стоимость потерь в них, стоимость и потери трансформаторов ГПП, а так
же стоимость ячеек КСО2-10.
По второму варианту в ТЭР входит расчет стоимости кабельных
линий и стоимость потерь в них, стоимость и потери трансформаторов ГПП, а так
же стоимость ячеек КСО2-10.
вариант схемы электроснабжения рисунок 6.1
вариант схемы электроснабжения рисунок 6.2
Рассматривается 1 вариант схемы (рисунок 6.1)
6.1 Расчет затрат на кабельные линии
Выбор сечений кабеля приведен в разделе 7 для каждого узла
питания. В данном расчете используются предварительно выбранные кабели.
Капиталовложения в кабельную линии к ТП-1, тыс.тенге:
Выбираются трехжильные кабели марки ААШвУ сечением 95 мм2
Определяется активное сопротивление кабеля, Ом
(8.4)
где
Ом/км
м
Определяется коэффициент загрузки кабелей в нормальном режиме
(8.4)
где
= 60,42 А,
= 225 А по таблице 7.1
Определяются активные потери мощности, кВт
(8.5)
где
, количество кабелей проложенных рядом
Определяются потери электроэнергии, кВт∙ч
(8.6)
где τ =2000 часов,
продолжительность максимальных потерь
Стоимость потерь электроэнергии в линии, тыс. тг
(8.7)
где β=8,721 тг/
кВт∙ч, стоимость одного кВт∙ч электроэнергии
Определяются капитальные затраты, тыс. тг
где 1470 - стоимость одного километра кабеля, определяется по
укрупненным показателям стоимости [9]
Стоимость отчислений на амортизацию ремонт и обслуживание,
тыс. тг
(8.9)
где
- норма амортизационных отчислений
- для ОРУ-110кВ и ниже - норма отчислений на обслуживание
Определяются годовые эксплуатационные издержки, тыс. тг
(8.10)
Минимальные приведенные затраты составят, тыс. тг
(8.11)
где
= 0,125 − нормативный коэффициент
экономической эффективности
Аналогично рассчитывается для других кабельных линий радиальной и
магистральной схемы. Результаты расчетов приведены в таблицах 6,1 и 6,2.
6.2 Выбор трансформаторов ГПП
Рассмотрим два трансформатора технические данные которых приведены
в таблице 6,3
Таблица 6.3. Технические данные трансформаторов ГПП
|
Тип
трансформатора
|
Sном
|
Uк
|
Ркз
|
Рхх
|
I x
|
|
МВА
|
%
|
кВт
|
кВт
|
%
|
|
ТМН-10000/35
|
10000
|
7,5
|
65
|
14,5
|
0,8
|
|
ТМН-6300/35
|
6300
|
7,5
|
46,5
|
9,2
|
0,9
|
В таблице 6,4 приведены потери мощности в трансформаторах.
Таблица 6.4. Потери мощности в трансформаторах ГПП
|
|
|
Тип Тр-ра
|
Мощность тр-ров
S, кВА
|
Кол-во тр-ров
|
Рр кВт
|
Qр кВт
|
Sp
|
kз.р
|
Расчетные
потери
|
|
|
|
|
|
кВА
|
|
Рр кВт
|
Qр квар
|
|
ТМН
|
10000
|
2
|
7350,82
|
1134,29
|
7437,82
|
0,37
|
46,98
|
367,45
|
|
ТМН
|
6300
|
2
|
7350,82
|
1134,29
|
7437,82
|
0,59
|
50,81
|
442,69
|
Затраты на каждый вариант схемы приведены в таблице 6,5.
Таблица 6.5. Постоянная часть затрат ГПП
|
Наименование
оборудования
|
Стоимость
единицы, тыс. тенге
|
Первый вариант
|
Второй вариант
|
|
|
Кол-во
|
Общая стоимость
тыс. тенге
|
Кол-во
|
Общая стоимость
тыс. тенге
|
|
Трансформаторы
ТМН-10000/35/6
|
20900
|
2
|
41800
|
-
|
-
|
|
Трансформаторы
ТМН-6300/35/6
|
15250
|
-
|
-
|
2
|
30500
|
|
Кап. затраты КS
|
|
|
41800
|
|
30500
|
|
|
|
|
|
|
Постоянная
часть затрат схемы электроснабжения
|
|
|
|
Ячейки КСО
|
1090
|
17
|
18530
|
20
|
21800
|
|
ААШвУ-(3х120)
|
1630
|
-
|
|
0,14
|
228,2
|
|
ААШвУ-(3х95)
|
1470
|
0,49
|
720,3
|
0,26
|
382,2
|
|
ААШвУ-(3х70)
|
|
6 каб. в
траншее
|
1590
|
0,01
|
15,9
|
0,01
|
15,9
|
|
4 каб. в
траншее
|
1445
|
0,14
|
202,3
|
|
|
|
Переменная
часть затрат схемы электроснабжения
|
|
|
|
стоимоть потерь
в кабелях
|
-
|
-
|
256,86
|
-
|
168,80
|
|
Кап. затраты КS
|
-
|
-
|
19725,36
|
-
|
22595,10
|
На основании технико-экономического расчета и согласно
требованиям ПУЭ на ГПП устанавливается трансформатор ТМН-6300. Выбирается
первый вариант схемы электроснабжения.
7. Выбор силовых кабелей напряжением 6 кВ к узлам
питания
Приводится пример выбора силовых кабелей к узлу питания ТП-1,
ТП-2.
Силовые кабели выбираются по следующим условиям:
. По длительно допустимому току
. По экономической плотности тока
После выбора, силовые кабели проверяются:
. На термическую стойкость
. По потере напряжения
1. Выбор сечения по длительно допустимому току:
электроснабжение
мощность нагрузка трансформатор
(7.1)
где IР=60,42А-расчетный ток, равен половине расчетного послеаварийного
тока (таб.4.1)
КПОПР - поправочный коэффициент, рассчитывается по
формуле:
Где Кt=0,92 (t=15C)-коэффициент,
учитывающий температуру окружающей среды, отличную от +250С, [1,
таб.1.3.26]
КП=0,9-снижающий коэффициент, учитывающий условия
прокладки (количество одновременно проложенных кабелей в траншее) [1,
таб.1.3.26]
КПВ=1-коэффициент допустимой перегрузки. [1,
таб.1.3.26]
2. Выбор сечения кабеля по экономической плотности тока, мм2:
(7.2)
где JЭK =1,4- нормированное значение
экономической плотности тока, А/мм2, для заданных условий работы [1,
таб.1.3.36]
Выбираем кабель маркой ААШвУ -(3х50), IДОП=125А
Проверка сечения кабеля
1. На термическую стойкость, мм2:
(7.3)
где С=92-коэффициент зависящий от вида проводниковой продукции,
ВК-тепловой импульс тока КЗ, кА2с, находится
по формуле:
где IП0=8,44-периодическая
составляющая тока КЗ в точке К2 с учетом подпитки от электродвигателей (раздел
8).
tД=tРЗ+ tСВ=0,9 - действительное время
срабатывания релейной защиты, tРЗ-время срабатывания релейной защиты по
ступеням, tСВ - собственное время выключения секционного выключателя.
Выбираем кабель маркой ААШвУ (3х95) IДОП=225А
2. По потере напряжения, В:
(7.4)
(7.5)
где РР=979,29кВт-расчетная активная мощность,
приходящаяся на ТП1,ТП2
QР=225,63кВар-расчетная реактивная мощность,
приходящаяся на ТП1,ТП2
RКЛ=0,09Ом-активное сопротивление кабельной линии
ХКЛ=0,02Ом-реактивное сопротивление кабельной
линии
Выбранный кабель удовлетворяет условию проверки. Окончательно
выбираем кабель маркой ААШвУ (3х95) IДОП=225А
Аналогично производится расчет остальных кабелей. Результат
сводится в таблицу 7.1.
8. Расчет токов короткого замыкания
При расчете токов короткого замыкания определяются:
. Периодическая составляющая тока в месте КЗ IП0
. Ударный ток КЗ в начальный момент КЗ iУД
Расчет токов короткого замыкания производится методом от источника
неограниченной мощности в относительные единицах.
Приводится пример расчета токов короткого замыкания ТП1.
Расчетная схема представлена на рисунке 8.1.
Схема замещения:
Рисунок 8.1 - Однолинейная схема замещения
Для расчета тока КЗ задаются базисные условия: SБ=100 МВА
Базисный ток IБ, кА определяется по формуле:
(8.1)
где SБ=100МВА-базисная
мощность,
UБ.СР - средненоминальное базисное напряжение ступени
КЗ.
Ток короткого замыкания в точке К1.
Сопротивление системы в относительных
единицах:
(8.2)
где
=1,56кА - базисный ток первой ступени КЗ,
=20кА - ток отключения выключателя в линии 35 кВ
Сопротивление линии в относительных единицах:
(8.3)
Где ХУД=0,4Ом/км-удельное сопротивление воздушной
линии
=15км-длина воздушной линии
Результирующее сопротивление в точке К1:
(8.4)
Периодическая составляющая тока:
(8.5)
В точке К1, кА
Ударный ток КЗ в начальный момент времени, кА:
(8.6)
где КУД=1,8-ударный коэффициент[10]
Ток короткого замыкания в точке К2.
Реактивное сопротивление трансформатора в относительных единицах:
(8.7)
где
=7,5%- напряжение короткого замыкания
трансформатора(таб.6.3)
=10МВА-номинальная мощность трансформатора(таб.6.3)
Активное сопротивление трансформатора в относительных единицах:
(8.8)
где
=46,5 кВт-потери короткого замыкания
трансформатора
Результирующее сопротивление в точке К2:
(8.9)
Периодическая составляющая тока КЗ в точке К2 определяется по
формуле 8.5:, кА
В точке К2 также необходимо учитывать подпитку от электродвигателей.
Ток подпитки от синхронных двигателей, кА:
(8.10)
Где ЕСД=(1,05÷1,07)-ЭДС синхронного двигателя
ХСД=0,15-сопротивление синхронного двигателя
=235,93А-суммарный номинальный ток электродвигателей:
Где
=3-количество электродвигателей на одной
секции шин
=0,98-коэффициент мощности электродвигателя
РН=800кВт-номинальная мощность двигателя
Аналогично находится ток подпитки от асинхронных двигателей. кА:
Суммарный ток в точке К2 с учетом подпитки от электродвигателей,
кА:
(8.11)
Ударный ток в точке К2 определяется по формуле 8.6, кА:
КУД=1,3-ударный коэффициент электродвигателей.
Ток короткого замыкания в точке К3.
Реактивное сопротивление кабельной линии в относительных единицах:
(8.12)
где ХУД=0,078Ом/км-удельное реактивное сопротивление
кабеля
UСР=6,3кВ-средненоминальное
напряжение ступени КЗ
L=0,26км-длина кабельной линии
Активное сопротивление кабельной линии в относительных единицах:
(8.13)
где RУД=0,326 Ом/км- удельное активное сопротивление кабеля
Результирующее сопротивление в точке К3:
(8.14)
(8.15)
Полное сопротивление в точке К3:
(8.16)
Периодическая составляющая тока КЗ в точке К3 определяется по
формуле 8.5:, кА
Ударный ток в точке К3 определяется по формуле 8.6, кА:
Ток короткого замыкания в точке К4.
Реактивное сопротивление кабельной линии в относительных единицах
находится по формуле 8.12.
где ХУД=0,078Ом/км-удельное реактивное сопротивление
кабеля
UСР=6,3кВ-средненоминальное
напряжение ступени КЗ
L=0,13км-длина кабельной линии
Активное сопротивление кабельной линии в относительных единицах
находится по формуле 8.13
где RУД=0,326 Ом/км- удельное активное сопротивление кабеля
Результирующее сопротивление в точке К4:
(8.17)
(8.18)
Полное сопротивление в точке К4
определяется по формуле 8.16:
Периодическая составляющая тока КЗ в точке К4 определяется по
формуле 8.5:, кА
Ударный ток в точке К4 определяется по формуле 8.6, кА:
Ток короткого замыкания в точке К5.
Точка К5 находится на шине 0,4 кВ. Расчет производится в
именованных единицах.
Для расчета тока КЗ в точке К5 необходимо перевести сопротивление
предыдущей ступени КЗ в именованные единицы по формуле, мОм:
(8.19)
где UСТ.К=0,4кВ-средненоминальное напряжение ступени КЗ
(8.20)
Реактивное сопротивления
трансформатора ТП3 в относительных единицах:
(8.21)
(8.22)
где РК=5,9кВт-потери короткого замыкания трансформатора
UК=4,5%-напряжение
короткого замыкания трансформатора
SH.T=400кВА-номинальная мощность трансформатора
Сопротивления трансформатора в
именованных единицах, мОм:
(8.23)
(8.24)
Результирующее сопротивление в точке
К5, мОм:
(8.25)
(8.26)
Полное сопротивление в точке К5
определяется по формуле 8.16, мОм:
Периодическая составляющая тока КЗ в
точке К5, кА:
(8.27)
Ударный ток в начальный момент времени в точке К5, кА:
Аналогично производится расчет токов
короткого замыкания по другим трансформаторным подстанциям. Результат сводится
в таблицы 8.1 и 8.2
9. Выбор оборудования
.1 Выбор выключателей на 35 кВ
При выборе выключателей необходимо учесть 12 параметров, но
так как завод изготовитель гарантирует определенную зависимость параметров,
допустимо производить выбор по важнейшим параметрам:
По напряжению установки, кВ:
(9.1)
По длительному току, А:
(9.2)
(9.3)
Определяются рабочие и максимальные токи:
Рабочий ток, А:
(9.4)
где SР=7549,8кВА-расчетная полная мощность по заводу(таб.3.2)
Максимальный ток, А:
(9.5)
где SР=7549,8кВА-расчетная полная мощность по заводу(таб.3.2)
Принимается для установки выключатель марки ВР35НСМ-35-20/1600У1
[2]
Технические данные:
Номинальное напряжение
Номинальный ток
Номинальный ток отключения
Производим проверку на симметричный ток отключения по условию:
(9.6)
Выключатель удовлетворяет всем параметрам и проверкам.
8.2 Выбор разъединителя на напряжение 35 кВ
Примем к установке разъединитель РВЗ-35/630У3 [2]
Технические характеристики:
Номинальное напряжение
Наибольшее напряжение
Номинальный ток
Стойкость при сквозных токах КЗ, кА
· Амплитуда предельного сквозного тока -
51кА
· Предельный ток термической стойкости- 20кА
Время протекания наибольшего тока термической стойкости-4 с
Привод - ПР-3У
Выбор производится:
По напряжению установки, кВ:
(9.7)
По длительному току, А:
(9.8)
(9.9)
По конструкции, роду установки:
Наружной установки.
По электродинамической стойкости, кА:
(9.10)
(9.11)
где,
= 51кА - амплитуда предельного сквозного
тока;
Действующее значение предельного сквозного тока:
(9.12)
(9.13)
Проверка на термическую стойкость:
(9.14)
где
-расчетный тепловой импульс, кА2с
-тепловой импульс по каталожным данным
(9.15)
где IТЕР=20кА-предельный ток термической стойкости
tТЕР =4с-время
протекания наибольшего тока термической стойкости
(9.16)
где IПО2=9,4кА-периодическая составляющая тока короткого замыкания
в начальный момент времени на второй ступени короткого замыкания с учетом
подпитки от электродвигателей
tРЗ=2с-время
действия релейной защиты
tоткл.вык=4с-время
отключения выключателя
Разъединитель удовлетворяет всем условиям.
8.3
Выбор измерительных трансформаторов тока
Выбору и проверке подлежат трансформаторы тока,
устанавливаемые на вводе, на линиях, отходящих к цеховым подстанциям,
высоковольтным синхронным двигателям СД.
Рабочие максимальные токи, А:
для ввода в ЗРУ-6:
; (9.17)
где
-номинальная мощность трансформатора на
ТП[таб.4.1]
- для секционной ячейки:
(9.18)
для линий к СД:
; (9.19)
где РН.СД=800кВт-номинальная мощность синхронного
двигателя
UН=6кВ-номинальное
напряжение
cosφH=0,9-номинальный коэффициент мощности
синхронного двигателя

=
- для линий к АД:
; (9.20)
где РН.АД=1000кВт-номинальная мощность асинхронного
двигателя
UН=6кВ-номинальное
напряжение
cosφH=0,75-номинальный коэффициент мощности
асинхронного двигателя

=
-для линии к ТП:
(9.21)
Где SР=1004,94кВА-полная мощность на ТП1(таб.4.4)
UН=6кВ-номинальное
напряжение
(9.22)
Таблица 9.1. Расчет нагрузки трансформаторов тока
|
Наименование
прибора
|
Тип
|
Нагрузка по
фазам
|
|
|
А
|
В
|
С
|
|
Амперметр
Счетчик активной и реактивной энергий
|
Э-335 ПСЧ
2Р-0,52
|
0,5 7,5
|
- 7,5
|
0,5 -
|
|
Итого
|
|
8
|
7,5
|
0,5
|
Из таблицы видно, что ТА наиболее загружен на фазе А и В,
следовательно выбор трансформатора производится по одной фазе.
Таблица 9.2. Выбор трансформаторов тока для вводной и
секционной ячейки
|
Условия выбора
|
Вводная ячейка
РУ 6 кВ
|
Секционная
ячейка
|
|
расчетное
значение
|
каталожное
значение
|
расчетное
значение
|
каталожное
значение
|
|
6 кВ
|
6 кВ
|
6кВ
|
6 кВ
|
|
|
53,95A
|
1500 А
|
26,97 А
|
1500
|
|
|
8,44 кА
|
33 кА
|
8,44 кА
|
33 кА
|
|
|
19,25 кА
|
125 кА
|
19,25 кА
|
125 кА
|
|
|
Тип
трансформаторов тока
|
ТЛН-6(1/10Р)
|
ТЛН-6(1/10Р)
|
Таблица 9.3. Выбор трансформаторов тока на отходящих ячейках
6 кВ[2]
|
Условия выбора
|
Ячейка к
ТП1,ТП2
|
Ячейка к ТП3,ТП4
|
Ячейка к СД
|
Ячейка к АД
|
|
расчет
|
катал.
|
расчет
|
катал.
|
расчет.
|
катал.
|
расчет.
|
катал.
|
|
кВ6
|
6
|
6
|
6
|
6
|
6
|
6
|
6
|
|
|
120,83 А
|
300 А
|
123,32
|
300 А
|
107 А
|
300 А
|
64 А
|
300 А
|
|
|
8,44 кА
|
33 кА
|
8,44 кА
|
33 кА
|
8,44 кА
|
33 кА
|
8,44 кА
|
33 кА
|
|
|
19,25 кА
|
125 кА
|
19,25 кА
|
125 кА
|
19,25 кА
|
125 кА
|
19,25 кА
|
125 кА
|
|
|
Тип трансфор.
тока
|
ТЛМ-6(1/10Р)
кл.точности 1
|
ТЛМ-6(1/10Р)
кл.точности 1
|
ТЛМ-6(1/10Р)
кл.точности 1
|
ТЛМ-6(1/10Р)
кл.точности 1
|
.4 Выбор трансформаторов напряжения
Выбираем трансформатор напряжения: НТМИ - 6 -0,5 имеющий в
классе точности 0,5, SНОМ = 75 ВА.[2]
Таблица 9.4. Выбор трансформатора напряжения
|
Прибор
|
Тип
|
S одной обмотки
|
Число обмоток
|
Число приборов
|
Общая
потребляемая мощность
|
|
Вольтметр
|
Сборные шины
|
Э-335
|
2
|
1
|
1
|
2ВА
|
|
Счётчик
реактивный Счётчик активный
|
Ввод 6кВ от
трансфор- матора
|
СЭТ-4ТМ.02
|
2,0ВА
|
1 1
|
1
|
2,0ВА
|
|
Счётчик
реактивный Счётчик активный
|
Линии 6 кВ
|
СЭТ-4ТМ.02
|
2,0ВА
|
1
|
7
|
7ВА
|
|
Итого
|
-
|
-
|
-
|
-
|
11ВА
|
(9.23)
Условие соблюдается, трансформатор напряжения выбран правильно.
9.5 Выбор автоматических выключателей на 0,4 кВ
1. По
длительно допустимому току:
(9.24)
где IТ.Р.-ток теплового расцепителя, А
IР.А.=63,35А-расчетный послеаварийный ток ТП3 таб.4.1
2. Отстройка
от кратковременных бросков тока:
(9.25)
где IЭ.Р.-ток электромагнитного расцепителя, А
IПИК- пиковый ток группы электроприемноков,
А, определяется по формуле:
(9.26)
где
=
=498,5А-пусковой ток приемника в группе, создающего максимальный
пусковой ток, таб.9.1-токарные вертикальные полуавтоматы с ЧПУ
=
=66,47А-номинальный ток приемника в
группе, создающего максимальный пусковой ток, таб.9.1-токарные вертикальные
полуавтоматы с ЧПУ
КИ=0,6 - коэффициент использования приемника,
создающего максимальный пусковой ток, таб.3.1
Выбирается автоматический выключатель серии ВА52-39
IЭ.Р =250А [2, таб.4.10].
Проверяется электромагнитный расцепитель:
(9.27)
Условие выполняется.
Выбор секционного выключателя:
Условия выбора секционного выключателя те же что и при выборе
силового выключателя:
. По длительно допустимому току
(9.28)
где
-расчетный ток группы электроприемников,
равен половине расчетного послеаварийного тока
2. Отстройка от кратковременных бросков тока:
(9.29)
где IЭ.Р.-ток электромагнитного расцепителя, А
IПИК- пиковый ток группы
электроприемноков, А, определяется по формуле:
(9.30)
где
=
=498,5А-пусковой ток приемника в группе, создающего максимальный
пусковой ток, таб.9.1-токарные вертикальные полуавтоматы с ЧПУ
=
=66,47А-номинальный ток приемника в
группе, создающего максимальный пусковой ток, таб.9.1-токарные вертикальные
полуавтоматы с ЧПУ
КИ=0,6- коэффициент использования приемника, создающего
максимальный пусковой ток, таб.3.1
Выбирается автоматический выключатель серии АЕ2050М
IЭ.Р =80А [2, таб.4.10].
Проверяется электромагнитный расцепитель:
(9.31)
Условие выполняется.
Список используемой литературы
1. Правила
устройства электроустановок Республики Казахстан
2. Расчет
и проектирование систем электроснабжения: справочные материалы по
электрооборудованию.
. СНиП
РК 23-05-95 (2003)
. Кноринг
«Справочная книга для проектирования электрического освещения»
. Лекции
по проектированию систем электроснабжения
. Алиев
«Справочник по электротехнике и электрооборудованию»
. Каталог
КРУ,КСО «КЭМОНТ»
. Блок
«Курсовое и дипломное проектирование»
. Федоров,
Старкова «Учебное пособие для курсового и дипломного проектирования по
электроснабжению промышленных предприятий»
. Липкин
«Справочник по проектированию электроснабжения»
. Крупович
«Справочник по проектированию электроснабжения»