|
Îïîðû
øïèíäåëÿ
|
Áèåíèå,
ìêì, íå áîëåå
|
|
äîñòèãíóòîå
|
ïåðñïåêòèâíîå
|
|
Ïîäøèïíèêè
êà÷åíèÿ Ãèäðîñòàòè÷åñêèå
ïîäøèïíèêè Àýðîñòàòè÷åñêèå
ïîäøèïíèêè
|
0,6-1,0 0,2 - 0,4 0,1-0,2
|
0,2 - 0,5 Äî 0,1
0,05-0,1
|
Ìîæíî âûäåëèòü
ñëåäóþùèå ìåòîäû
ïîâûøåíèÿ òî÷íîñòè
ñòàíêîâ:
à) èñïîëüçîâàíèå
äàò÷èêîâ ëèíåéíûõ
è óãëîâûõ ïåðåìåùåíèé
ñ âûñîêîé ðàçðåøàþùåé
ñïîñîáíîñòüþ
â ðåæèìå îáðàòíîé
ñâÿçè ñ ïðèâîäîì
ïåðåìåùåíèé
÷åðåç ìèêðîïðîöåññîðíóþ
óïðàâëÿþùóþ ñèñòåìó.
Íàðÿäó ñ èíäóêòèâíûìè
íàáëþäàåòñÿ
òåíäåíöèÿ â áîëüøåé
ìåðå èñïîëüçîâàòü
îïòîýëåêòðîííûå,
ãîëîãðàôè÷åñêèå
è ëàçåðíûå ñèñòåìû,
à òàêæå ñèñòåìû
íà ïðèáîðàõ ñ
çàðÿäîâîé ñâÿçüþ.
Äîñòèãàåìàÿ
òî÷íîñòü ïîçèöèîíèðîâàíèÿ
±1 ìêì èëè ±2 ìêì. Â
îòäåëüíûõ ñëó÷àÿõ
òî÷íîñòü ìîæåò
áûòü ïîâûøåíà
äî ±0,05 ìêì;
á) àòòåñòàöèÿ
äåéñòâèòåëüíûõ
ïåðåìåùåíèé
èñïîëíèòåëüíûõ
îðãàíîâ ÌÑ ñ ïîìîùüþ
âûñîêîòî÷íûõ
êîìïàðàòîðîâ
(íàïðèìåð, ëàçåðíûõ)
ñ çàïèñüþ â ïàìÿòè
ìèêðîïðîöåññîðíîé
ñèñòåìû óïðàâëåíèÿ
è ïîñëåäóþùåé
èõ êîìïåíñàöèåé
â ðàáî÷åì ïðîöåññå;
â) àêòèâíûé êîíòðîëü
ïîãðåøíîñòåé
ãîòîâûõ èçäåëèé
ñ àâòîìàòè÷åñêîé
ïîäíàëàäêîé ñòàíêà;
â) ñíèæåíèå âëèÿíèÿ
òåìïåðàòóðíûõ
äåôîðìàöèé íà
ïîãðåøíîñòü îáðàáîòêè
(äîëÿ òåìïåðàòóðíûõ
äåôîðìàöèé â îáùåì
áàëàíñå òî÷íîñòè
äëÿ âûñîêîòî÷íûõ
ÌÑ ìîæåò äîñòèãàòü
70%);
ã) èñïîëüçîâàíèå
èíñòðóìåíòàëüíûõ
ìàòåðèàëîâ, îáåñïå÷èâàþùèõ
ìàëûé ðàçìåðíûé
èçíîñ (ÑÒÌ, ÐÊ;
ñ âûñîêîèçíîñîñòîéêèìè
ïîêðûòèÿìè);
ä) èñïîëüçîâàíèå
ýôôåêòèâíûõ
ÑÎÆ è ïðèìåíåíèå
ñèñòåì ñ áîëüøèì
ðàñõîäîì æèäêîñòè
ïðè òùàòåëüíîé
ìíîãîñòóïåí÷àòîé
åå î÷èñòêå è òîíêîé
ôèëüòðàöèè.
Îðãàíèçàöèîííûé
ïðèíöèï ýêñïëóàòàöèè
âûñîêîòî÷íûõ
ñòàíêîâ çàêëþ÷àåòñÿ
â ðàçìåùåíèè
èõ â òåðìîêîíñòàíòíûõ
ïîìåùåíèÿõ ñ
óìåíüøåííûì
òåìïåðàòóðíûì
âëèÿíèåì.
.1.4 Ïåðåíàëàæèâàåìîñòü
ñòàíêîâ
Ïåðåíàëàæèâàåìîñòü
ñòàíêîâ ÿâëÿåòñÿ
îäíèì èç ãëàâíûõ
ïîòðåáèòåëüñêèõ
ñâîéñòâ ÌÑ è
ÑÑ è çàêëþ÷àåòñÿ
â âîçìîæíîñòè
èõ ïåðåíàëàæèâàíèÿ
íà èçãîòîâëåíèå
ðàçëè÷íûõ èçäåëèé
èëè äëÿ âûïîëíåíèÿ
ðàçíûõ îïåðàöèé
ïðèìåíèòåëüíî
ê êîíêðåòíûì
òðåáîâàíèÿì
ïîñòîÿííî ìåíÿþùåéñÿ
ïðîèçâîäñòâåííîé
ñèòóàöèè ó ïîòðåáèòåëåé
ïðè ñåðèéíîì
ïðîèçâîäñòâå.
Ñ ýòèì ñâîéñòâîì
ñîâðåìåííûõ
ÌÑ è ÑÑ, ÷àñòî
îïðåäåëÿåìûì
êàê ãèáêîñòü,
ñâÿçàíû îñíîâíûå
ïîêàçàòåëè ýôôåêòèâíîñòè
ïàðêà ÌÑ è ÑÑ. Îñíîâíûå
ìåòîäû ïîâûøåíèÿ
ãèáêîñòè ñëåäóþùèå:
à) àãðåãàòèðîâàíèå
êîíñòðóêöèé,
áëî÷íî-ìîäóëüíîå
èõ ïîñòðîåíèå
íà îñíîâå óíèôèöèðîâàííûõ
òèïàæíûõ ãàìì,
èñïîëüçîâàíèå
óíèôèöèðîâàííûõ
óçëîâ è ýëåìåíòîâ
äëÿ äîïîëíèòåëüíîãî
îñíàùåíèÿ ñòàíêîâ
â ðàñ÷åòå íà êîíêðåòíîãî
ïîòðåáèòåëÿ âçàìåí
øòàòíûõ óçëîâ
èëè â äîïîëíåíèå
ê íèì. Îáû÷íî
ýòî óíèâåðñàëüíûå
èíñòðóìåíòàëüíûå
ãîëîâêè, ñòîëû,
áàáêè, êîïèðîâàëüíûå
óñòðîéñòâà è
ïðî÷èå óçëû, ïîçâîëÿþùèå
èñïîëüçîâàòü
îäèí è òîò æå ñòàíîê
â ðàçíîîáðàçíûõ
òåõíîëîãè÷åñêèõ
âàðèàíòàõ;
á) äëÿ ðàñøèðåíèÿ
âîçìîæíîñòåé
èñïîëüçîâàíèÿ
ÃÏÌ ñâåðëèëüíî-ôðåçåðíî-ðàñòî÷íîé
ãðóïïû â êðóïíîñåðèéíîì
ïðîèçâîäñòâå
èõ âñå ÷àùå âûïîëíÿþò
â âèäå áëîê-öåíòðîâ,
ò.å. ñíàáæàþò
äâóìÿ ñèñòåìàìè
ìàãàçèíîâ, â
îäíîé èç êîòîðûõ
ïîìåùåíû èíäèâèäóàëüíûå
èíñòðóìåíòû,
à â äðóãîé - ñìåííûå
ìíîãîèíñòðóìåíòàëüíûå
ãîëîâêè;
â) îñíàùåíèå
øèðîêèì íàáîðîì
ðàçíîîáðàçíûõ
ïðèñïîñîáëåíèé,
ðàñøèðÿþùèõ
âîçìîæíîñòè
ñòàíêîâ. Ýòî,
íàïðèìåð, íàêëàäíûå
èíñòðóìåíòàëüíûå
ãîëîâêè, ìíîãîøïèíäåëüíûå
ñâåðëèëüíûå è
ðåçüáîíàðåçíûå
ãîëîâêè, áûñòðîñâåðëèëüíûå
ãîëîâêè, ïðîãðàììíî-óïðàâëÿåìûå
ïëàíñóïïîðòû,
ñïåöèàëüíûå çàæèìíûå
óñòðîéñòâà. Îáû÷íî
ïðåäóñìàòðèâàåòñÿ
âîçìîæíîñòü
âêëþ÷åíèÿ èõ
â ãèäðàâëè÷åñêóþ
ýëåêòðè÷åñêóþ
è ïðîãðàììíî-óïðàâëÿþùóþ
ñèñòåìû ñòàíêà;
ã) èñïîëüçîâàíèå
ëîêàëüíûõ êèíåìàòè÷åñêèõ
öåïåé â ñèñòåìå
ìèêðîïðîöåññîðíîãî
óïðàâëåíèÿ, ÷òî
äàåò øèðîêóþ
âîçìîæíîñòü
ïîñòðîåíèÿ ìíîãîâàðèàíòíûõ
ïåðåíàëàæèâàåìûõ
ÌÑ è ÑÑ áîëüøîé
ãèáêîñòè;
ä) èñïîëüçîâàíèå
ñèñòåì ×ÏÓ è ïðîãðàììèðóåìûõ
êîìàíäîàïïàðàòîâ
(ÏÊ), ÷òî ñîçäàåò
õîðîøèå ïðåäïîñûëêè
äëÿ ðàñøèðåíèÿ
òåõíîëîãè÷åñêîãî
äèàïàçîíà ÌÑ
è ÑÑ.
.1.5 Íàäåæíîñòü
ñòàíêîâ
Äëÿ ñîâðåìåííûõ
ÌÑ è ÑÑ íàäåæíîñòü
ÿâëÿåòñÿ íåîáõîäèìûì
óñëîâèåì èõ èñïîëüçîâàíèÿ.
Ýòî êà÷åñòâî
òåì âàæíåå, ÷åì
ñëîæíåå è äîðîæå
ÌÑ èëè ÑÑ.
Ñîâðåìåííûå
òåíäåíöèè îáåñïå÷åíèÿ
âûñîêîé íàäåæíîñòè
ÌÑ è ÑÑ ñëåäóþùèå:
à) èñïîëüçîâàíèå
âûñîêîíàäåæíûõ
êîìïëåêòíûõ
ñèñòåì ×ÏÓ, ÏÊ
è ïðèâîäîâ.  îòå÷åñòâåííîé
ïðàêòèêå íàèáîëüøóþ
èíòåíñèâíîñòü
îòêàçîâ (äî 60 %) èìåþò
óïðàâëÿþùèå ñèñòåìû
è ïðèâîäà;
á) îðãàíè÷åñêîå
âêëþ÷åíèå â óïðàâëÿþùóþ
ñèñòåìó ïîäñèñòåìû
àâòîìàòè÷åñêîé
äèàãíîñòèêè
ôóíêöèîíèðîâàíèÿ
óçëîâ, ýëåìåíòîâ,
à òàêæå ÌÑ è ÑÑ
â öåëîì;
â) ïîâûøåíèå
íàäåæíîñòè ôóíêöèîíèðîâàíèÿ
ìåõàíè÷åñêèõ
ýëåìåíòîâ ÌÑ
è ÑÑ, ïðåæäå âñåãî
ïîäøèïíèêîâûõ
óçëîâ, íàïðàâëÿþùèõ,
äåëèòåëüíûõ ìåõàíèçìîâ,
ïåðåäà÷. Øèðîêîå
èñïîëüçîâàíèå
íîâûõ ìàòåðèàëîâ,
òåðìîîáðàáîòêè,
ïîêðûòèé. Ïðèìåíåíèå
óñòðîéñòâ äëÿ
çàùèòû ìåõàíèçìîâ
îò ñòðóæêè è ÑÎÆ;
ã) ñíèæåíèå äèíàìè÷åñêèõ
íàãðóçîê çà ñ÷åò
óìåíüøåíèÿ ïåðåìåùàþùèõñÿ
ìàññ, íàïðèìåð,
ïðè èñïîëüçîâàíèè
ìàòåðèàëîâ ñ
ìåíüøèìè óäåëüíûìè
ìàññàìè, îïòèìèçàöèè
çàêîíîâ äâèæåíèÿ
ðàáî÷èõ îðãàíîâ
ñòàíêà, à òàêæå
ïðèìåíåíèÿ ðàçíîîáðàçíûõ
äåìïôåðîâ;
ä) îáåñïå÷åíèå
âûñîêîýôôåêòèâíûõ
è íàäåæíûõ ñèñòåì
ñìàçûâàíèÿ òðóùèõñÿ
ïàð, èñïîëüçîâàíèå
ñàìîñìàçûâàþùèõñÿ
ïîäøèïíèêîâ;
ïðèìåíåíèå ìîùíûõ
ýôôåêòèâíûõ
ñèñòåì ïîäà÷è,
ñåïàðèðîâàíèÿ
è ôèëüòðàöèè
ÑÎÆ, ñëóæàùèõ
êàê äëÿ îòâîäà
òåïëîòû èç çîíû
ðåçàíèÿ, òàê è
äëÿ ñìûâà è òðàíñïîðòèðîâàíèÿ
ñòðóæêè;
å) áëî÷íî-ìîäóëüíîå
ïîñòðîåíèå óçëîâ,
ýëåìåíòîâ è ñèñòåì
ÌÑ è ÑÑ;
æ) èñïîëüçîâàíèå
ðàçâèòîé ñèñòåìû
äèàãíîñòèêè
è èíäèêàöèè îòêàçîâ,
îáåñïå÷èâàþùåé
ñóùåñòâåííîå
ñíèæåíèå âðåìåíè
ïðîôèëàêòèêè
è óñòðàíåíèÿ
îòêàçîâ;
è) îñóùåñòâëåíèå
ñâîåâðåìåííûõ
ïðîôèëàêòè÷åñêèõ
è ðåãëàìåíòíûõ
ðàáîò ïî ïîääåðæàíèþ
íîðìàëüíîãî ôóíêöèîíèðîâàíèÿ
ÌÑ è ÑÑ;
ê) èñïîëüçîâàíèå
âûñîêîêâàëèôèöèðîâàííîãî
îáñëóæèâàþùåãî
ïåðñîíàëà.
.1.6 Êîìïëåêñíàÿ
àâòîìàòèçàöèÿ
Õàðàêòåðíîé
îñîáåííîñòüþ
ñîâðåìåííîãî
ìàøèíîñòðîèòåëüíîãî
ïðîèçâîäñòâà
ÿâëÿåòñÿ èñïîëüçîâàíèå
ñòàíêîâ â ñîñòàâå
àâòîìàòèçèðîâàííûõ
ñòàíî÷íûõ ñèñòåì.
Ýòî îáúÿñíÿåò
ðÿä êîíñòðóêòèâíûõ
îñîáåííîñòåé
ñòàíêîâ, òàê êàê
íåîáõîäèìî îáåñïå÷èòü
ñòàíîê ñîîòâåòñòâóþùèìè
èíòåðôåéñàìè
äëÿ èíòåãðèðîâàíèÿ
åãî â ñòàíî÷íóþ
ñèñòåìó. Îñíîâíîé
ÿ÷åéêîé ÃÏÑ ÿâëÿåòñÿ
ÐÒÊ èëè ÃÏÌ.
Ñõåìû ïîñòðîåíèÿ
ÃÏÑ ðàçíîîáðàçíû.
Îíè îáû÷íî âêëþ÷àþò:
ÃÏÌ â òåõíîëîãè÷åñêè
íåîáõîäèìîì
íàáîðå; òðàíñïîðòíî-ñêëàäñêóþ
ñèñòåìó ÀÒÑÑ;
ñèñòåìó èíñòðóìåíòàëüíîãî
îáåñïå÷åíèÿ
ÀÑÈÎ; ñèñòåìó
óïðàâëåíèÿ òåõíîëîãè÷åñêèì
ïðîöåññîì ÀÑÓÒÏ;
ñèñòåìó óïðàâëåíèÿ
ïðîèçâîäñòâîì
ÀÑÓ.
 ÃÏÑ ïðèìåíÿþò
ñèñòåìó ìîíèòîðèíãà
äëÿ êîíòðîëÿ çà
ðàáîòîé èíñòðóìåíòà
è îáîðóäîâàíèÿ
è çà òåõíîëîãè÷åñêèì
ïðîöåññîì â öåëîì
è îñóùåñòâëÿÿ
êîððåêöèþ, à èíîãäà
- è àäàïòèâíîå
ðåãóëèðîâàíèå
ðàáîòû îáîðóäîâàíèÿ
è òåõíîëîãè÷åñêîãî
ïðîöåññà, àâòîìàòèçèðîâàííîå
ïðîãðàììèðîâàíèå
è äèñïåò÷èðîâàíèå.
Íàèáîëåå âûñîêîîðãàíèçîâàííûå
ÃÏÑ ñíàáæàþòñÿ
ÑÀÏÐ.
Ðàçâèòèå ÃÏÑ
çàêëþ÷àåòñÿ
â ñîâåðøåíñòâîâàíèè
èõ ñòðóêòóð ïðèìåíèòåëüíî
ê êîìïëåêòíîñòè
èçãîòîâëåíèÿ
èçäåëèé, ãèáêîñòè,
íàáîðó è ïîëíîòå
âûïîëíÿåìûõ ôóíêöèé,
à òàêæå â ñîâåðøåíñòâîâàíèè
êàæäîé èç ñèñòåì
(ÀÒÑÑ, ÀÑÈÎ, ÀÑÓÒÏ,
ÀÑÓ è ÑÀÏÐ) äëÿ
ïîâûøåíèÿ ïðîèçâîäèòåëüíîñòè,
ãèáêîñòè è íàäåæíîñòè.
Òàê, â ÀÑÈÎ èñïîëüçóþò
àâòîìàòè÷åñêè
ñìåíÿåìûå áëî÷íî-ìîäóëüíûå
èíñòðóìåíòû,
ñíàáæåííûå ñèñòåìîé
êîäèðîâàíèÿ è
äåêîäèðîâàíèÿ
ñ çàïèñüþ â ìèêðîïðîöåññîðíîé
ñèñòåìå óïðàâëåíèÿ
è ó÷åòîì êàê îáùåé
íàðàáîòêè êàæäîãî
èíñòðóìåíòà,
òàê è ôàêòè÷åñêîãî
åãî èçíîñà.
Àâòîìàòè÷åñêèå
ëèíèè (ÀË) íàèáîëåå
ïåðñïåêòèâíû
â ìàññîâîì ïðîèçâîäñòâå,
âûïóñêàþùåì
äî 25 % ìèðîâîé ìàøèíîñòðîèòåëüíîé
ïðîäóêöèè. Âûïóñê
åäèíèöû ïðîäóêöèè
íà ÀË çàíèìàåò
ïðèìåðíî â 100 ðàç
ìåíüøå âðåìåíè,
÷åì ïðè èçãîòîâëåíèè
åå íà óíèâåðñàëüíûõ
ñòàíêàõ ñ ðó÷íûì
óïðàâëåíèåì.
Îäíèì èç îñíîâíûõ
íàïðàâëåíèé
òåõíè÷åñêîãî
ðàçâèòèÿ ÀË ÿâëÿåòñÿ
ïîâûøåíèå êîìïëåêñíîñòè
îáðàáîòêè èçäåëèé,
âêëþ÷àÿ òåðìîîáðàáîòêó,
ñáîðêó, îêðàñêó
è óïàêîâêó ãîòîâîãî
èçäåëèÿ. ÀË ñ êîìïëåêñíîé
îáðàáîòêîé ñîçäàþò
ãëàâíûì îáðàçîì
äëÿ ïðîèçâîäñòâà
îñíîâíûõ âèäîâ
ìàññîâûõ èçäåëèé
ìàøèíîñòðîåíèÿ,
òàêèõ êàê ïîäøèïíèêè,
ïîðøíåâûå êîëüöà,
ãèëüçû, êîëåí÷àòûå
âàëû, ðàñïðåäåëèòåëüíûå
âàëû, çóá÷àòûå
êîëåñà è ò.ï., ïî
òèïîâûì òåõíîëîãè÷åñêèì
ïðîöåññàì íà
îñíîâå òèïîâûõ
êîìïëåêòîâ îáîðóäîâàíèÿ.
Îñîáîå çíà÷åíèå
èìååò ñîçäàíèå
ïåðåíàëàæèâàåìûõ
è ÃÀË, îáåñïå÷èâàþùèõ
âîçìîæíîñòü
÷àñòîé ñìåíû
îáúåêòîâ ïðîèçâîäñòâà.
Ïðè ðàçðàáîòêå
ÃÀË æåëàòåëüíî
îáåñïå÷èòü âîçìîæíî
áîëåå ïîäðîáíóþ
èíôîðìàöèþ î
ïðîãíîçèðóåìûõ
âàðèàíòàõ èçìåíåíèÿ
ïàðàìåòðîâ èçäåëèé.
Àâòîìàòè÷åñêèå
ðîòîðíûå (ÀÐË) è
ðîòîðíî-êîíâåéåðíûå
ëèíèè (ÀÐÊË) ÿâëÿþòñÿ
îäíèì èç ýôôåêòèâíûõ
ñðåäñòâ àâòîìàòèçàöèè
ìàññîâîãî ïðîèçâîäñòâà.
 íàñòîÿùåå
âðåìÿ ÀÐË ïðèìåíÿþòñÿ
ïðåèìóùåñòâåííî
äëÿ îáðàáîòêè
äàâëåíèåì, ôîðìîâàíèÿ,
ëèòüÿ, ñáîðêè.
Îíè ìîãóò áûòü
ïðèìåíåíû â ðÿäå
ñëó÷àåâ è äëÿ
îáðàáîòêè èçäåëèé
ðåçàíèåì, ïðåèìóùåñòâåííî
òåë âðàùåíèÿ,
ñ òî÷íîñòüþ äî
êâàëèòåòà Í11.
Èñïîëüçîâàíèå
ãðóïïîâûõ ìåòîäîâ
îáðàáîòêè â ÀÐÊË
ïîçâîëÿåò ïðèìåíÿòü
ýòè ëèíèè â ñåðèéíîì
ïðîèçâîäñòâå.
ÀÐË è ÀÐÊË ïî ñðàâíåíèþ
ñ îïåðàöèîííûì
îáîðóäîâàíèåì
èìåþò ïðîèçâîäèòåëüíîñòü
âûøå â 4-10 ðàç, çàíèìàåìûå
ïëîùàäè ìåíüøå
â 2-3 ðàçà, è ïðîèçâîäñòâåííûé
öèêë ñîêðàùàåòñÿ
â 10-20 ðàç.
Ñóùåñòâåííûé
ïðîãðåññ â òåõíèêå
è òåõíîëîãèè
ìàøèíîñòðîåíèÿ
â ñî÷åòàíèè ñ
âûñîêèìè äîñòèæåíèÿìè
â îáëàñòè ñèñòåì
óïðàâëåíèÿ ïîçâîëÿþò
ïåðåéòè îò ñîçäàíèÿ
îòäåëüíûõ ÃÏÑ
ê ñîçäàíèþ êîìïëåêñíî
àâòîìàòèçèðîâàííûõ
è êîìïüþòåðèçèðîâàííûõ
ïðîèçâîäñòâ è
çàâîäîâ-àâòîìàòîâ.
Îñíîâíûìè êîìïîíåíòàìè
òàêîãî ïðîèçâîäñòâà
ÿâëÿþòñÿ âûñîêîýôôåêòèâíîå,
ãèáêîå è íàäåæíîå
òåõíîëîãè÷åñêîå
îáîðóäîâàíèå
è ðàçâèòûå âû÷èñëèòåëüíûå
ñðåäñòâà. Îñîáûå
òðåáîâàíèÿ ê
îáîðóäîâàíèþ
òàêèõ ïðîèçâîäñòâ
- êîíöåíòðàöèÿ
îïåðàöèé è êîìïëåêñíîñòü
îáðàáîòêè. Òàê,
â ñòàíêè âñòðàèâàþò
ñèñòåìû äëÿ ëàçåðíîé
òåðìîîáðàáîòêè,
ïàéêè, ñâàðêè,
ïëàñòè÷åñêîãî
äåôîðìèðîâàíèÿ.
1.2 Ìîäåðíèçàöèÿ
ôðåçåðíûõ ñòàíêîâ
Ïðè êàïèòàëüíîì
ðåìîíòå æåëàòåëüíî
îñóùåñòâëÿòü
ìîäåðíèçàöèþ
ñòàíêîâ ñ ó÷åòîì
óñëîâèé ýêñïëóàòàöèè
è ïîñëåäíèõ äîñòèæåíèé
íàóêè è òåõíèêè.
Ïîä ìîäåðíèçàöèåé
ñòàíêîâ ïîíèìàþò
âíåñåíèå â êîíñòðóêöèþ
÷àñòè÷íûõ èçìåíåíèé
è óñîâåðøåíñòâîâàíèé
â öåëÿõ ïîâûøåíèÿ
èõ òåõíè÷åñêîãî
óðîâíÿ äî óðîâíÿ
ñîâðåìåííûõ
ìîäåëåé àíàëîãè÷íîãî
íàçíà÷åíèÿ (îáùåòåõíè÷åñêàÿ
ìîäåðíèçàöèÿ)
èëè äëÿ ðåøåíèÿ
êîíêðåòíûõ òåõíîëîãè÷åñêèõ
çàäà÷ ïðîèçâîäñòâà
ïóò¸ì ïðèñïîñîáëåíèÿ
îáîðóäîâàíèÿ
ê áîëåå êà÷åñòâåííîìó
âûïîëíåíèþ îïðåäåëåííîãî
âèäà ðàáîò (òåõíîëîãè÷åñêàÿ
ìîäåðíèçàöèÿ).
 ðåçóëüòàòå
ìîäåðíèçàöèè
ïîâûøàåòñÿ ïðîèçâîäèòåëüíîñòü
îáîðóäîâàíèÿ,
óìåíüøàþòñÿ
ýêñïëóàòàöèîííûå
ðàñõîäû, ñíèæàåòñÿ
áðàê, à â ðÿäå ñëó÷àåâ
óâåëè÷èâàåòñÿ
äëèòåëüíîñòü
ìåæðåìîíòíîãî
ïåðèîäà. Ïðåäñòàâëåíèå
îá îñíîâíûõ íàïðàâëåíèÿõ
ìîäåðíèçàöèè
ìåòàëëîðåæóùèõ
ñòàíêîâ äàåò
ñõåìà, ïðèâåäåííàÿ
íà ðèñóíêå 1.1.
Ìîäåðíèçàöèÿ
â öåëÿõ ñîêðàùåíèÿ
ìàøèííîãî âðåìåíè
îñóùåñòâëÿåòñÿ
ïóòåì ïîâûøåíèÿ
òåõíè÷åñêèõ
õàðàêòåðèñòèê:
óâåëè÷åíèÿ ìîùíîñòè
ïðèâîäà, ðàñøèðåíèÿ
äèàïàçîíà ñêîðîñòåé
ðåçàíèÿ è ïîäà÷.
Ýòî îáû÷íî ñîïðîâîæäàåòñÿ
ïîâûøåíèåì æåñòêîñòè
è âèáðîóñòîé÷èâîñòè
îòäåëüíûõ óçëîâ
ñòàíêà, ïîâûøåíèåì
æåñòêîñòè êðåïëåíèÿ
èíñòðóìåíòà
è ò.ä /1/.
Ìîäåðíèçàöèþ
äëÿ ñîêðàùåíèÿ
âñïîìîãàòåëüíîãî
âðåìåíè ïðîâîäÿò
ïî ïóòè îñíàùåíèÿ
ðàçëè÷íûìè çàæèìíûìè,
çàãðóçî÷íî-ðàçãðóçî÷íûìè
óñòðîéñòâàìè,
óñòðîéñòâàìè
àêòèâíîãî êîíòðîëÿ
ðàçìåðîâ, óñòðîéñòâàìè
è ìåõàíèçìàìè
äëÿ ðàáîòû ïî ïðîãðàììå
è ò.ä.
Ïîâûøåíèå
òî÷íîñòè ìîäåðíèçèðóåìûõ
ñòàíêîâ ïîëó÷àþò
â ðåçóëüòàòå
ïîâûøåíèÿ êèíåìàòè÷åñêîé
òî÷íîñòè (óñîâåðøåíñòâîâàíèå
îòñ÷åòíûõ óñòðîéñòâ,
êîððåêòèðóþùèõ
óñòðîéñòâ è ò.ä.),
ãåîìåòðè÷åñêîé
òî÷íîñòè (ñîâåðøåíñòâîâàíèå
êîíñòðóêöèé
îïîð øïèíäåëåé,
óñòàíîâêà ïîäøèïíèêîâ
áîëåå âûñîêîé
òî÷íîñòè, ïîâûøåíèå
æåñòêîñòè óçëîâ
è ò.ä.), óìåíüøåíèÿ
òåìïåðàòóðíûõ
äåôîðìàöèé (ïðèìåíåíèå
öèðêóëÿöèîííîãî
ñìàçûâàíèÿ, òåìïåðàòóðíûõ
êîìïåíñàòîðîâ
è ò.ä.).
Ïîâûøåíèå
ïðîèçâîäèòåëüíîñòè
ôðåçåðíûõ ñòàíêîâ
äîñòèãàåòñÿ
óâåëè÷åíèåì
ìîùíîñòè è áûñòðîõîäíîñòè
ïðèâîäà ãëàâíîãî
äâèæåíèÿ, ñêîðîñòåé
áûñòðûõ ïåðåìåùåíèé,
ðàñøèðåíèåì
äèàïàçîíà ðåãóëèðîâàíèÿ
ñêîðîñòåé è ïîäà÷,
àâòîìàòèçàöèåé
öèêëà îáðàáîòêè,
àâòîìàòèçàöèåé
è ìåõàíèçàöèåé
âñïîìîãàòåëüíûõ
äâèæåíèé â ñòàíêàõ,
ïðèìåíåíèåì
ïðèñïîñîáëåíèé,
ðàñøèðÿþùèõ
òåõíîëîãè÷åñêèå
âîçìîæíîñòè
ôðåçåðíûõ ñòàíêîâ.
Ê ïðèñïîñîáëåíèÿì,
ðàñøèðÿþùèì
òåõíîëîãè÷åñêèå
âîçìîæíîñòè
ôðåçåðíûõ ñòàíêîâ,
îòíîñÿòñÿ êðóãëûå
ïîâîðîòíûå ñòîëû,
äåëèòåëüíûå ãîëîâêè
è äðóãèå ñïåöèàëüíûå
óñòðîéñòâà, îäíè
èç êîòîðûõ íå
èçìåíÿþò îñíîâíîãî
íàçíà÷åíèÿ ôðåçåðíîãî
ñòàíêà, à äðóãèå
èçìåíÿþò õàðàêòåð
âûïîëíÿåìûõ íà
ôðåçåðíîì ñòàíêå
îïåðàöèé.
Ïðèñïîñîáëåíèÿ,
òàêèå, êàê äîïîëíèòåëüíûå
è ìíîãîøïèíäåëüíûå
ôðåçåðíûå ãîëîâêè,
ãîëîâêè äëÿ ôðåçåðîâàíèÿ
ðååê, êîïèðîâàëüíûå
ïðèñïîñîáëåíèÿ
è ò.ï., íå èçìåíÿþò
îñíîâíîãî íàçíà÷åíèÿ
ôðåçåðíîãî ñòàíêà,
à äðóãèå - äîëáåæíûå,
ñâåðëèëüíûå è
øëèôîâàëüíûå
ãîëîâêè - â êîðíå
ìåíÿþò õàðàêòåð
âûïîëíÿåìûõ íà
ôðåçåðíîì ñòàíêå
îïåðàöèé. Íåêîòîðûå
òèïû ñïåöèàëüíûõ
áûñòðîñúåìíûõ
ïðèñïîñîáëåíèé,
ìîíòèðóåìûõ
íà ãîðèçîíòàëüíî-ôðåçåðíûõ
ñòàíêàõ, ïîêàçàíû
íà ðèñóíêå 1.2.
Äîïîëíèòåëüíàÿ
âåðòèêàëüíî-ôðåçåðíàÿ
ãîëîâêà (ðèñóíîê
2,à), óñòàíàâëèâàåìàÿ
íà ãîðèçîíòàëüíî-ôðåçåðíîì
ñòàíêå, äåëàåò
ñòàíîê áîëåå
óíèâåðñàëüíûì.
Ãîëîâêó 2 êðåïÿò
íà âåðòèêàëüíûõ
íàïðàâëÿþùèõ
ñòàíèíû 1. Øïèíäåëü
3 ãîëîâêè ïðèâîäèòñÿ
âî âðàùåíèå îò
øïèíäåëÿ ñòàíêà
÷åðåç ïàðû çóá÷àòûõ
êîëåñ.
Äâóõøïèíäåëüíàÿ
ôðåçåðíàÿ ãîëîâêà
(ðèñóíîê 2,â), ìîæåò
áûòü èñïîëüçîâàíà,
íàïðèìåð, ïðè îáðàáîòêå
çàãîòîâêè ñðàçó
ñ äâóõ ñòîðîí
èëè ïðè ôðåçåðîâàíèè
ñòóïåí÷àòûõ,
ïîâåðõíîñòåé.
 ïîñëåäíåì ñëó÷àå
îäèí èç øïèíäåëåé
èìååò îñåâîå
óñòàíîâî÷íîå
ïåðåìåùåíèå.
 íåêîòîðûõ êîíñòðóêöèÿõ
äâóõøïèíäåëüíûõ
ôðåçåðíûõ ãîëîâîê
ìîæíî ðåãóëèðîâàòü
ðàññòîÿíèå ìåæäó
îñÿìè øïèíäåëåé.
Ïðèñïîñîáëåíèå
äëÿ ôðåçåðîâàíèÿ
ðååê (ðèñóíîê
2,á) çàêðåïëåíî
íà õîáîòå 4 ãîðèçîíòàëüíî-ôðåçåðíîãî
ñòàíêà è ïðèâîäèòñÿ
â äåéñòâèå îò
øïèíäåëÿ 5 ñòàíêà.
Âïàäèíó ðåéêè
ïðîðåçàþò ôðåçîé
6 ïðè ïîïåðå÷íîé
ïîäà÷å ñòîëà,
à ñìåùåíèå ðåéêè
íà îäèí øàã âûïîëíÿåòñÿ
âìåñòå ñî ñòîëîì
â ïðîäîëüíîì íàïðàâëåíèè.
Ñâåðëèëüíàÿ
ãîëîâêà (ðèñóíîê
2,ã), óñòàíîâëåííàÿ
íà ôðåçåðíîì
ñòàíêå, èìååò
ïðèâîä øïèíäåëÿ
îò îòäåëüíîãî
ýëåêòðîäâèãàòåëÿ
7 ÷åðåç êîðîáêó
ñêîðîñòåé 5. Ñâåðëèëüíóþ
ãîëîâêó èñïîëüçóþò
ïðè ñâåðëåíèè
íà ôðåçåðíîì
ñòàíêå ìàëûõ
îòâåðñòèé, êîãäà
íåîáõîäèìà áîëüøàÿ
÷àñòîòà âðàùåíèÿ
èíñòðóìåíòà.
Äîëáåæíóþ ãîëîâêó
(ðèñóíîê 2,å) èñïîëüçóþò
íà ôðåçåðíîì
ñòàíêå ïðè îòñóòñòâèè
äîëáåæíîãî ñòàíêà.
Ãîëîâêó óñòàíàâëèâàþò
íà ñòàíèíå ãîðèçîíòàëüíî-ôðåçåðíîãî
ñòàíêà. Ïîëçóí
9 ñ ðåçöîì 10 ïîëó÷àåò
âîçâðàòíî-ïîñòóïàòåëüíîå
äâèæåíèå îò øïèíäåëÿ
ñòàíêà ÷åðåç
êðèâîøèïíî-øàòóííûé
ìåõàíèçì.
Øëèôîâàëüíóþ
ãîëîâêó (ðèñóíîê
2,ä), óñòàíàâëèâàþò
íà ñòàíèíå êîíñîëüíî-ôðåçåðíîãî
ñòàíêà, åå øïèíäåëü
11 ïðèâîäèòñÿ âî
âðàùåíèå øïèíäåëåì
ñòàíêà ÷åðåç
äâå ðåìåííûå ïåðåäà÷è.
Ðèñóíîê 1.2 - Ñïåöèàëüíûå
ïðèñïîñîáëåíèÿ,
ðàñøèðÿþùèå òåõíîëîãè÷åñêèå
âîçìîæíîñòè
ôðåçåðíûõ ñòàíêîâ:
à - äîïîëíèòåëüíàÿ
âåðòèêàëüíî-ôðåçåðíàÿ
ãîëîâêà; á - ïðèñïîñîáëåíèå
äëÿ ôðåçåðîâàíèÿ
ðååê; â - äâóõøïèíäåëüíàÿ
ôðåçåðíàÿ ãîëîâêà;
ã - ñâåðëèëüíàÿ
ãîëîâêà; ä - øëèôîâàëüíàÿ
ãîëîâêà; å - äîëá¸æíàÿ
ãîëîâêà.
Òî÷íîñòü
è äîëãîâå÷íîñòü
ôðåçåðíûõ ñòàíêîâ
ïîâûøàåòñÿ çà
ñ÷¸ò áîëåå òî÷íîãî
èçãîòîâëåíèÿ
äåòàëåé è óçëîâ,
óâåëè÷åíèÿ æ¸ñòêîñòè
ñòàíêîâ, ïðèìåíåíèÿ
óñòðîéñòâ äëÿ
àâòîìàòè÷åñêîé
âûáîðêè çàçîðîâ
â ñîïðÿãàþùèõñÿ
ïàðàõ, öåíòðàëèçîâàííîé
ñìàçêè ïðè õîðîøåé
çàùèòå îò çàãðÿçíåíèÿ
òðóùèõñÿ ïàð.
Ïðè ïðîåêòèðîâàíèè
ôðåçåðíûõ ñòàíêîâ
øèðîêî óíèôèöèðóþò
óçëû è ìåõàíèçìû,
÷òî ïîçâîëÿåò
íà áàçå îñíîâíîé
ìîäåëè ñîçäàòü
ãàììó ñòàíêîâ
ñ åäèíûì ðåøåíèåì
ïî êîíñòðóêöèè
è ñèñòåìàì óïðàâëåíèÿ.
Çíà÷èòåëüíî
óâåëè÷èëñÿ âûïóñê
ôðåçåðíûõ ñòàíêîâ
ñ ×ÏÓ, êîòîðûå
ïîçâîëÿþò ñóùåñòâåííî
ïîâûñèòü ïðîèçâîäèòåëüíîñòü
òðóäà, àâòîìàòèçèðîâàòü
ìåëêîñåðèéíîå
è äàæå åäèíè÷íîå
ïðîèçâîäñòâî,
ñîêðàòèòü âðåìÿ
ïðîèçâîäñòâåííîãî
öèêëà, ïîâûñèòü
òî÷íîñòü èçãîòîâëåíèÿ
äåòàëåé, ñîêðàòèòü
çàòðàòû âðåìåíè
íà èõ êîíòðîëü.
Êðîìå òîãî, ïîëó÷èëè
äàëüíåéøåå ðàçâèòèå
ìíîãîîïåðàöèîííûå
ñòàíêè, íà êîòîðûõ
ïðîèçâîäÿò êîìïëåêñíóþ
ïîñëåäîâàòåëüíóþ
îáðàáîòêó äåòàëåé
ðàçëè÷íûìè èíñòðóìåíòàìè
ñ àâòîìàòè÷åñêîé
èõ ñìåíîé â ðàáî÷åé
ïîçèöèè.
Ïðèíöèïèàëüíî
íîâûìè ñðåäñòâàìè,
êîòîðûìè íà÷èíàþò
îñíàùàòü ñòàíêè,
ÿâëÿþòñÿ ïðîìûøëåííûå
ðàáîòû - óíèâåðñàëüíûå
áûñòðîïåðåíàëàæèâàåìû¸
ìàíèïóëÿòîðû
ñ ïðîãðàììíûì
óïðàâëåíèåì,
ïîçâîëÿþùèå ìåõàíèçèðîâàòü
è àâòîìàòèçèðîâàòü
ðó÷íîé òðóä íà
îñíîâíûõ âñïîìîãàòåëüíûõ
îïåðàöèÿõ.
Çíàíèå êîíñòðóêòèâíûõ
îñîáåííîñòåé
è ýêñïëóàòàöèîííûõ
âîçìîæíîñòåé
ôðåçåðíûõ ñòàíêîâ,
ñâîåâðåìåííîå
èõ îáñëóæèâàíèå
ïðè ñîîòâåòñòâóþùåé
îðãàíèçàöèè
ðàáî÷åãî ìåñòà
ïîçâîëèò ðàáî÷èì-ôðåçåðîâùèêàì
äîáèòüñÿ âûñîêîé
ïðîèçâîäèòåëüíîñòè
è êà÷åñòâà îáðàáîòêè.
Âìåñòå ñ
òåì ìîäåðíèçàöèþ
îáîðóäîâàíèÿ
öåëåñîîáðàçíî
îñóùåñòâëÿòü
òîëüêî ïðè óñëîâèè
å¸ ýêîíîìè÷åñêîé
ýôôåêòèâíîñòè.
Ïðåæäåâðåìåííàÿ
ìîäåðíèçàöèÿ
òàê æå, êàê è çàïîçäàëàÿ,
íàíîñèò óùåðá
ïðîèçâîäñòâó.
.3 Ïîñòàíîâêà
çàäà÷è ðàáîòû
Ïðîâåäåííûé
îáçîð ïî íàïðàâëåíèÿì
ìîäåðíèçàöèè
ìåòàëëîðåæóùèõ
ñòàíêîâ è àêòóàëüíîñòè
ïðîáëåì, ñâÿçàííûõ
ñ èõ ïðîåêòèðîâàíèåì,
ïîçâîëèë ñôîðìèðîâàòü
òåîðåòè÷åñêèå
çàäà÷è ðàáîòû
äëÿ äîñòèæåíèÿ
ïîñòàâëåííîé
öåëè, êîòîðîé ÿâëÿåòñÿ
ìîäåðíèçàöèÿ
ñòàíêà 6Ì82 ñ öåëüþ
ïîâûøåíèÿ ïðîèçâîäèòåëüíîñòè
è ðàñøèðåíèÿ
òåõíîëîãè÷åñêèõ
âîçìîæíîñòåé.
Äëÿ äîñòèæåíèÿ
ïîñòàâëåííîé
öåëè íåîáõîäèìî
ðåàëèçîâàòü ñëåäóþùèå
ìåðîïðèÿòèÿ:
à) ìîäåðíèçàöèÿ
ïðèâîäà ãëàâíîãî
äâèæåíèÿ;
á) ïðîåêòèðîâàíèå
êîíñòðóêöèè
äîïîëíèòåëüíîé
ôðåçåðíîé ãîëîâêè;
â) ðàñ÷¸òû íåñóùåé
ñèñòåìû ñòàíêà
(äåôîðìàöèîííûé,
äèíàìè÷åñêèé,
ìîäàëüíûé, òåïëîâîé);
ã) âûïîëíèòü
ðàñ÷¸ò ïàðàìåòðîâ
æ¸ñòêîñòè øïèíäåëüíîãî
óçëà äîïîëíèòåëüíîé
ôðåçåðíîé ãîëîâêè;
ä) âûïîëíèòü äèíàìè÷åñêèé
ðàñ÷¸ò øïèíäåëüíîãî
óçëà äîïîëíèòåëüíîé
ôðåçåðíîé ãîëîâêè;
å) âûïîëíèòü ñïåöèàëüíóþ
÷àñòü ïðîåêòà,
ñâÿçàííóþ ñ àíàëèçîì
ïðîãðàììû Êîìïàñ
- Àâòîïðîåêò;
æ) ïðîèçâåñòè
îöåíêó ýêîíîìè÷åñêèõ
çàòðàò ñâÿçàííûõ
ñ ìîäåðíèçàöèåé
ñòàíêà è ñôîðìóëèðîâàòü
îáùèå âûâîäû
î âîçìîæíîñòè
åãî ïðèìåíåíèÿ.
2. Êîíñòðóêòîðñêàÿ
÷àñòü
.1 Âûáîð
è ðàñ÷¸ò îïòèìàëüíûõ
ðåæèìîâ ðåçàíèÿ
Ïîñëå ïðîâåä¸ííîãî
îáçîðà âîçìîæíûõ
íàïðàâëåíèé
ìîäåðíèçàöèè
ìåòàëëîðåæóùèõ
ñòàíêîâ, ìîæíî
ñäåëàòü âûâîä,
÷òî äëÿ ïîâûøåíèÿ
ïðîèçâîäèòåëüíîñòè
ñòàíêà 6Ì82 íåîáõîäèìî
èçìåíèòü îñíîâíîå
âðåìÿ îáðàáîòêè.
Îñíîâíîå âðåìÿ,
çàòðà÷åííîå,
íà ïðîöåññ ÷åðíîâîé
îáðàáîòêè äåòàëè
òèïà ïëàñòèíà
ðàçìåðîì 1250×320
ìì ñîñòàâëÿåò
25 ìèí. Äëÿ îáåñïå÷åíèÿ
ïîâûøåíèÿ ïðîèçâîäèòåëüíîñòè
íåîáõîäèìî ýòî
âðåìÿ ñîêðàòèòü
â äâà ðàçà. Äëÿ
ýòîãî íåîáõîäèìî
èçìåíèòü ìèíóòíóþ
ïîäà÷ó Sì ñ 160 ìì/ìèí
äî 320 ìì/ìèí. Â ðåçóëüòàòå
ýòîãî èçìåíÿòüñÿ
ðåæèìû ðåçàíèÿ.
Ïðè íàçíà÷åíèè
ðåæèìîâ îáðàáîòêè
ðåçàíèåì íà îïðåäåë¸ííóþ
îïåðàöèþ ó÷èòûâàþò
õàðàêòåð îáðàáîòêè,
òèï è ðàçìåðû
èíñòðóìåíòà,
ìàòåðèàë åãî
ðåæóùåé ÷àñòè,
ìàòåðèàë è ñîñòîÿíèå
çàãîòîâêè, òèï
è ñîñòîÿíèå îáîðóäîâàíèÿ,
ïðåæäå âñåãî åãî
æ¸ñòêîñòü.  äàííîé
îïåðàöèè èñïîëüçóåòñÿ
òîðöåâàÿ ôðåçà
äèàìåòðîì D = 150 ìì è êîëè÷åñòâîì
çóáüåâ z = 14. Ðåæóùàÿ ÷àñòü
âûïîëíåíà èç
òâ¸ðäîãî ñïëàâà
Ò15Ê6.
Ýëåìåíòû ðåæèìà
îáðàáîòêè ñëåäóþùèå:
Ãëóáèíà ðåçàíèÿ
t = 4 ìì: ïðè
÷åðíîâîé îáðàáîòêå
ïðèíèìàþò ïî
âîçìîæíîñòè
ìàêñèìàëüíóþ
ãëóáèíó, ðàâíóþ
áîëüøåé ÷àñòè
ïðèïóñêà.
Ïîäà÷à S = 320 ìì/ìèí: ïðè
÷åðíîâîé îáðàáîòêå
âûáèðàþò ìàêñèìàëüíî
âîçìîæíóþ ïîäà÷ó,
èñõîäÿ èç æ¸ñòêîñòè
è ïðî÷íîñòè óçëîâ
ñòàíêà è òåõíîëîãè÷åñêîé
îñíàñòêè, ìîùíîñòè
ïðèâîäà ñòàíêà,
ïðî÷íîñòè ðåæóùåé
÷àñòè èíñòðóìåíòà
è äðóãèõ îãðàíè÷èâàþùèõ
ôàêòîðîâ.
Ñêîðîñòü ðåçàíèÿ
ïðè ôðåçåðîâàíèè
âûáèðàþò èñõîäÿ
èç äîïóñòèìîãî
èçíîñà ôðåç ïðè
ïðèíÿòîé ýêîíîìè÷åñêè
öåëåñîîáðàçíîé
ñòîéêîñòè ïî
ôîðìóëå /2/:
, (2.1)
ãäå
Cυ - êîýôôèöèåíò,
çàâèñÿùèé îò
ñâîéñòâ îáðàáàòûâàåìîãî
ìàòåðèàëà;
T - ïåðèîä
ñòîéêîñòè èíñòðóìåíòà,
ìèí;
D - äèàìåòð
èíñòðóìåíòà,
ì;
t - ãëóáèíà
ðåçàíèÿ, ì;
S - ïîäà÷à,
ì/ìèí;
B - øèðèíà
ôðåçåðîâàíèÿ,
ì;
z - ÷èñëî
çóáüåâ èíñòðóìåíòà;
x, y, z, r, q - ïîêàçàòåëè
ñòåïåíè, îïðåäåëÿþùèå
âëèÿíèå íà ñèëó
ðåçàíèÿ.
Â
çàâèñèìîñòè
îò ïðèíÿòîé ñêîðîñòè
ðåçàíèÿ υ îïðåäåëÿþò
÷àñòîòó âðàùåíèÿ
øïèíäåëÿ ñòàíêà
ïî ôîðìóëå:
, (2.2)
Îïðåäåëèì
äâèæåíèå ïîäà÷è
íà çóá ôðåçû, ìì/çóá:
,
(2.3)
Îïðåäåëèì
ãëàâíóþ ñîñòàâëÿþùóþ
ñèëû ðåçàíèÿ
è êðóòÿùèé ìîìåíò
íà øïèíäåëå ïðè
ôðåçåðîâàíèè
ïî ôîðìóëàì:
, (2.4)
ãäå
Cp, x, y, z, u, q - ïîêàçàòåëè
ñòåïåíè, ó÷èòûâàþùèå
ñèëó ðåçàíèÿ.
,
(2.5)
,
Îïðåäåëåíèå
ýôôåêòèâíîé
ìîùíîñòè ðåçàíèÿ,
Nå è ìîùíîñòè
äâèãàòåëÿ ïðèâîäà
ãëàâíîãî äâèæåíèÿ
Nä, êÂò:
, (2.6)
,
(2.7)
ãäå
η
- ÊÏÄ ïðèâîäà
ãëàâíîãî äâèæåíèÿ.
,
Òàêèì
îáðàçîì, îïòèìàëüíûé
ðåæèì ðåçàíèÿ
äëÿ äàííîãî óñëîâèÿ
îáðàáîòêè áóäåò:
Ò
= 180 ìèí;
t = 4 ìì;
S = 320 ìì/ìèí;
n = 731 îá/ìèí;
υ = 345 ì/ìèí.
2.2 Ïðîåêòèðîâàíèå
ïðèâîäà ãëàâíîãî
äâèæåíèÿ
.2.1 Êèíåìàòè÷åñêèé
ðàñ÷¸ò ïðèâîäà
ãëàâíîãî äâèæåíèÿ
Ïðè çàäàííîé
ìîùíîñòè ýëåêòðîäâèãàòåëÿ,
åãî âûáîð îñóùåñòâëÿåòñÿ
ìåòîäîì ïîäáîðà
ïî ÷àñòîòå âðàùåíèÿ.
Ïðè íèçêèõ ÷àñòîòàõ
âðàùåíèÿ øïèíäåëÿ
íåöåëåñîîáðàçíî
ïðèìåíÿòü ýëåêòðîäâèãàòåëü
ñ ïîíèæåííîé
íîìèíàëüíîé
÷àñòîòîé âðàùåíèÿ,
òàê êàê âîçðàñòàþò
ìàññà, ðàçìåðû
è ñòîèìîñòü ýëåêòðîäâèãàòåëÿ.
 òî æå âðåìÿ äëÿ
ïðèâîäîâ ãëàâíîãî
äâèæåíèÿ íå ñëåäóåò
ïðèìåíÿòü ýëåêòðîäâèãàòåëè
ñî ñêîðîñòüþ
âðàùåíèÿ 3000 ìèí
-1, òàê êàê ïðè ýòîì
âîçðàñòàåò óðîâåíü
øóìà ñòàíêà.
 òàêèõ ñëó÷àÿõ
öåëåñîîáðàçíî
ïðèìåíÿòü ýëåêòðîäâèãàòåëü
ñ îòíîñèòåëüíî
âûñîêîé ÷àñòîòîé
âðàùåíèÿ è ìåõàíè÷åñêèå
ïåðåäà÷è äëÿ ïîñëåäóþùåãî
åå ïîíèæåíèÿ.
 äàííîé ðàáîòå
äëÿ óïðîùåíèÿ
êîíñòðóêöèè
ïðèâîäà ãëàâíîãî
äâèæåíèÿ â êà÷åñòâå
ïðèâîäíîãî ýëåêòðîäâèãàòåëÿ
ïðèíèìàåòñÿ
òð¸õñêîðîñòíîé
äâèãàòåëü 4A100L4Ó3 ñî ñëåäóþùèìè
õàðàêòåðèñòèêàìè:
ìîùíîñòü äâèãàòåëÿ
Pýä.= 11; 15 è 18,5
êÂò, è ÷àñòîòà
âðàùåíèÿ nýä.= 730; 1440 è
2945 ìèí -1.
, (2.8)
ãäå nmax -
íàèáîëüøàÿ ÷àñòîòà
âðàùåíèÿ øïèíäåëÿ,
îá/ìèí;
nmin -
íàèìåíüøàÿ ÷àñòîòà
âðàùåíèÿ øïèíäåëÿ,
îá/ìèí.
Äëÿ ãåîìåòðè÷åñêîãî
ðÿäà ÷àñòîò âðàùåíèÿ
÷èñëî ñòóïåíåé
ñêîðîñòè ìîæåò
áûòü îïðåäåëåíî
èç ñîîòíîøåíèÿ:
(2.9)
Âû÷èñëåííàÿ
ïî ýòîé ôîðìóëå
âåëè÷èíà z îêðóãëÿåòñÿ
äî öåëîãî ÷èñëà,
÷òî ïðèâîäèò
ê íåêîòîðîìó
èçìåíåíèþ äåéñòâèòåëüíîãî
äèàïàçîíà ðåãóëèðîâàíèÿ
Rn .
Ïðè íàñòðîéêå
ïîñëåäîâàòåëüíî
âêëþ÷åííûìè
ãðóïïîâûìè ïåðåäà÷àìè
÷èñëî ñòóïåíåé
ñêîðîñòè ìîæåò
áûòü ïðåäñòàâëåíî
â âèäå:
, (2.10)
ãäå pk - ÷èñëî
îòäåëüíûõ ïåðåäà÷
â êàæäîé ãðóïïå;
m - ÷èñëî
ãðóïï ïåðåäà÷.
Ïðè âûáðàííîì
÷èñëå ñòóïåíåé
÷àñòîò âðàùåíèÿ
øïèíäåëÿ z êîëè÷åñòâî
ãðóïï ïåðåäà÷,
êîëè÷åñòâî ïåðåäà÷
â êàæäîé ãðóïïå
è ïîðÿäîê ðàñïîëîæåíèÿ
ãðóïï ìîæåò áûòü
ðàçëè÷íûì.
×èñëî êîíñòðóêòèâíûõ
âàðèàíòîâ ïðèâîäà,
ñîñòîÿùåãî èç
m ãðóïï ïåðåäà÷,
îïðåäåëÿåòñÿ
ïî ôîðìóëå:
, (2.11)
ãäå q - ÷èñëî
ãðóïï ñ îäèíàêîâûì
÷èñëîì ïåðåäà÷.
Åñëè ÷àñòîòû
âðàùåíèÿ øïèíäåëÿ
èçìåíÿþòñÿ ïî
ãåîìåòðè÷åñêîìó
ðÿäó, òî ïåðåäàòî÷íûå
îòíîøåíèÿ ïåðåäà÷
â ãðóïïàõ îáðàçóþò
ãåîìåòðè÷åñêèé
ðÿä ñî çíàìåíàòåëåì
jõ, ãäå õ
- öåëîå ÷èñëî, íàçûâàåìîå
õàðàêòåðèñòèêîé
ãðóïïû ïåðåäà÷.
Äëÿ ïîñëåäîâàòåëüíîãî
ïîëó÷åíèÿ ÷àñòîò
âðàùåíèÿ øïèíäåëÿ
ñíà÷àëà ïåðåêëþ÷àþò
ïåðåäà÷è îäíîé
ãðóïïû, çàòåì
äðóãîé è ò. ä. /3/.
 çàâèñèìîñòè
îò ïðèíÿòîãî
ïîðÿäêà ïåðåêëþ÷åíèé
ãðóïïà ìîæåò
áûòü:
à) îñíîâíîé, õàðàêòåðèñòèêà,
êîòîðîé îïðåäåëÿåòñÿ
ïî ôîðìóëå:
õ0 = 1 (2.12)
á) ïåðâîé ïåðåáîðíîé
ãðóïïîé, äëÿ êîòîðîé
õàðàêòåðèñòèêà
îïðåäåëÿåòñÿ
ïî ôîðìóëå:
õ1 = ð1, (2.13)
ãäå ð1- ÷èñëî ïåðåäà÷
â îñíîâíîé ãðóïïå.
â) âòîðîé ïåðåáîðíîé
ãðóïïîé, äëÿ êîòîðîé
õàðàêòåðèñòèêà
îïðåäåëÿåòñÿ
ïî ôîðìóëå:
õ2 = ð1× ð2, (2.14)
ãäå ð2- ÷èñëî ïåðåäà÷
â ïåðâîé ïåðåáîðíîé
ãðóïïå.
Îñíîâíîé è ðàçëè÷íûìè
ïî íîìåðó ïåðåáîðíûìè
ãðóïïàìè ìîæåò
áûòü
ëþáàÿ ãðóïïà
ïåðåäà÷ â ïðèâîäå.
Äëÿ îïðåäåëåííîãî
êîíñòðóêòèâíîãî
âàðèàíòà ÷èñëî
êèíåìàòè÷åñêèõ
áóäåò ðàâíî ÷èñëó
ïåðåñòàíîâîê
èç m ãðóïï ïåðå-
äà÷:
Nêèí.
= m! (2.15)
Îáùåå ìàêñèìàëüíîå
ïåðåäàòî÷íîå
îòíîøåíèå ïðèâîäà
îïðåäåëÿåòñÿ
ïî ôîðìóëå:
(2.16)
Ïîëó÷åííîå ïåðåäàòî÷íîå
îòíîøåíèå ìîæåò
áûòü ïðåäñòàâëåíî
â âèäå:
,
(2.17)
ãäå Í - ïîêàçàòåëü
ñòåïåíè, îïðåäåëÿþùèé
âåëè÷èíó îáùåãî
ïåðåäàòî÷íîãî
îòíîøåíèÿ.
Îïðåäåëåíèå
ìàêñèìàëüíûõ
ïåðåäàòî÷íûõ
îòíîøåíèé â ãðóïïàõ
ïðîèçâîäèòñÿ
ïóòåì ðàçáèåíèÿ
îáùåãî ïåðåäàòî÷íîãî
îòíîøåíèÿ íà
ïåðåäàòî÷íûå
îòíîøåíèÿ ãðóïï,
äëÿ ÷åãî âû÷èñëÿåòñÿ
ïîêàçàòåëü ñòåïåíè
Í è âûðàæàåòñÿ
â âèäå:
, (2.18)
ãäå hk- ïîêàçàòåëü
ñòåïåíè, õàðàêòåðèçóþùèé
âåëè÷èíó ìàêñèìàëüíîãî
ïåðåäàòî÷íîãî
îòíîøåíèÿ k-òîé ãðóïïû
ïåðåäà÷;
m - ÷èñëî
ãðóïï ïåðåäà÷.
Ïðè ýòîì âûáðàííûå
çíà÷åíèÿ hk äîëæíû áûòü
öåëûìè ÷èñëàìè
è äîëæíû óäîâëåòâîðÿòü
óñëîâèþ:
hk £ hk+1 £ … £ hm (2.19)
Ìàêñèìàëüíîå
ïåðåäàòî÷íîå
îòíîøåíèå â ãðóïïå
îïðåäåëèòñÿ ïî
ôîðìóëå:
(2.20)
Ïðè ýòîì äîëæíî
áûòü îáåñïå÷åíî
âûïîëíåíèå ñëåäóþùåãî
óñëîâèÿ:
(2.21)
Òàê êàê ïîêàçàòåëü
ñòåïåíè Í, êàê
ïðàâèëî, íå ÿâëÿåòñÿ
öåëûì ÷èñëîì,
îí íå ìîæåò áûòü
òî÷íî ïðåäñòàâëåí
ñóììîé öåëûõ
÷èñåë. Ïîýòîìó
äëÿ ñîõðàíåíèÿ
âåëè÷èíû îáùåãî
ìàêñèìàëüíîãî
ïåðåäàòî÷íîãî
îòíîøåíèÿ ââîäèòñÿ
äîïîëíèòåëüíàÿ
ïåðåäà÷à îò âàëà
ýëåêòðîäâèãàòåëÿ
íà âõîäíîé âàë,
ïåðåäàòî÷íîå
îòíîøåíèå êîòîðîé,
îïðåäåëèòñÿ ïî
ôîðìóëå:
, (2.22)
(2.23)
Ñòðóêòóðíàÿ
ñåòêà ïðåäñòàâëåíà
íà ðèñóíêå 2.1. Ñåòêà
ñòðîèòñÿ â ñîîòâåòñòâèè
ñ âûáðàííîé ôîðìóëîé
ñòðóêòóðû ïðèâîäà.
 íåé íàõîäèò
îòðàæåíèå îòíîñèòåëüíîé
ñâÿçè ìåæäó ïåðåäàòî÷íûìè
îòíîøåíèÿìè
â ãðóïïàõ, ïîýòîìó
ëó÷è äëÿ êàæäîé
ãðóïïû ïðîâîäÿòñÿ
ñèììåòðè÷íî,
à êîëè÷åñòâî
èíòåðâàëîâ ìåæäó
èõ êîíöàìè ÷èñëåííî
ðàâíî õàðàêòåðèñòèêå
ãðóïïû, îïðåäåëÿåìîé
â ñîîòâåòñòâèè
ñî ñòðóêòóðíîé
ôîðìóëîé.
Ãðàôèê ÷àñòîò
âðàùåíèÿ ïðåäñòàâëåí
íà ðèñóíêå 2.2. Ãðàôèê
îòðàæàåò ÷àñòîòû
âðàùåíèÿ âñåõ
âàëîâ ïðèâîäà,
âêëþ÷àÿ âàëû îäèíî÷íûõ
ïåðåäà÷, íåîáõîäèìûõ
äëÿ åãî êîìïîíîâêè.
Ïîñòðîåíèå íà÷èíàþò
ñ öåïè ðåäóêöèè,
îáåñïå÷èâàþùåé
ñíèæåíèå ÷àñòîòû
âðàùåíèÿ ýëåêòðîäâèãàòåëÿ
nýä. äî nmin íà øïèíäåëå.
Äëÿ äàëüíåéøåãî
ïîñòðîåíèÿ èñïîëüçóþòñÿ
ñòðóêòóðíûå
ñåòêè.
Ðèñóíîê 2.1 - Ñòðóêòóðíàÿ
ñåòêà ïðèâîäà
ãëàâíîãî äâèæåíèÿ
ìîäåðíèçèðîâàííîãî
ñòàíêà ìîäåëè
6Ì82
Ðèñóíîê 2.2 - Ãðàôèê
÷àñòîò âðàùåíèÿ
øïèíäåëÿ ìîäåðíèçèðîâàííîãî
ñòàíêà ìîäåëè
6Ì82
Äëÿ îïðåäåëåíèÿ
ïåðåäàòî÷íûõ
îòíîøåíèé èñïîëüçóåòñÿ
ïîñòðîåííûé
ãðàôèê ÷àñòîò
âðàùåíèÿ.
Ïåðåäàòî÷íîå
îòíîøåíèå ïåðåäà÷è
îïðåäåëÿåòñÿ
âûðàæåíèåì:
ãäå k - ÷èñëî
èíòåðâàëîâ ìåæäó
ãîðèçîíòàëÿìè,
ïåðåêðûòûõ ëó÷àìè,
ñîåäèíÿþùèìè
îòìåòêè ÷àñòîò
âðàùåíèÿ íà ñîñåäíèõ
âàëàõ.
Ïðè îïðåäåëåíèè
÷èñåë çóáüåâ
èñõîäÿò èç ïîñòîÿíñòâà
ìåæîñåâîãî ðàññòîÿíèÿ
è ÷èñëà çóáüåâ
îïðåäåëÿþò ïî
ñëåäóþùèì ôîðìóëàì:
,
, (2.25)
,
,
ãäå z1 è
z2 - ÷èñëà
çóáüåâ âåäóùåãî
è âåäîìîãî êîëåñ;
z0 - ñóììà
÷èñåë çóáüåâ
ñîïðÿæåííûõ êîëåñ;
f - ÷èñëèòåëü
ïåðåäàòî÷íîãî
îòíîøåíèÿ;
g- çíàìåíàòåëü
ïåðåäàòî÷íîãî
îòíîøåíèÿ;
K - íàèìåíüøåå
êðàòíîå ñóìì
(f + g);
Å - öåëîå ÷èñëî;
zmin=
18 - ìèíèìàëüíîå
÷èñëî çóáüåâ.
Êðóòÿùèå ìîìåíòû
íà âàëàõ ìîãóò
áûòü íàéäåíû
ïî ôîðìóëå:
, (2.26)
ãäå Ðýä. - ìîùíîñòü
íà âàëó äâèãàòåëÿ,
êÂò;
h - ÊÏÄ ó÷àñòêà
êèíåìàòè÷åñêîé
öåïè îò äâèãàòåëÿ
äî ðàññ÷èòûâàåìîãî
âàëà;
n - ðàñ÷åòíàÿ
÷àñòîòà âðàùåíèÿ
âàëà, îá/ìèí.
Êèíåìàòè÷åñêèé
ðàñ÷åò êîðîáêè
ñêîðîñòåé âûïîëíåí
ñ èñïîëüçîâàíèåì
ïðîãðàììû «SIRIUS 2», ðàçðàáîòàííîé
íà êàôåäðå «Ìåòàëëîîáðàáàòûâàþùèå
ñòàíêè è êîìïëåêñû».
Ðåçóëüòàòû ðàñ÷åòà
íàõîäÿòñÿ â ïðèëîæåíèè
Á.
2.2.2 Ðàñ÷åò ïðÿìîçóáîé
ýâîëüâåíòíîé
ïåðåäà÷è
Îïðåäåëåíèå
ìîäóëÿ çóá÷àòîé
ïåðåäà÷è ðàñ÷åòîì
íà êîíòàêòíóþ
âûíîñëèâîñòü
çóáüåâ /4/:
, (2.27)
ãäå
Kd - âñïîìîãàòåëüíûé
êîýôôèöèåíò;
äëÿ ïðÿìîçóáûõ
ïåðåäà÷
Kd = 770;
z1 - ÷èñëî
çóáüåâ øåñòåðíè;
T1 - âðàùàþùèé
ìîìåíò íà øåñòåðíå,
Í×ì;
u - ïåðåäàòî÷íîå
îòíîøåíèå ïåðåäà÷è;
sÍÐ - äîïóñêàåìîå
êîíòàêòíîå íàïðÿæåíèå,
Ïà;
KHb - êîýôôèöèåíò,
ó÷èòûâàþùèé
ðàñïðåäåëåíèå
íàãðóçêè ïî øèðèíå
âåíöà.
, (2.28)
ãäå
b - ðàáî÷àÿ øèðèíà
âåíöà çóá÷àòîé
ïåðåäà÷è, ì;
d1 - äåëèòåëüíûé
äèàìåòð øåñòåðíè,
ì.
Îïðåäåëåíèå
ìîäóëÿ çóá÷àòîé
ïåðåäà÷è ðàñ÷åòîì
íà âûíîñëèâîñòü
çóáüåâ ïðè èçãèáå
âû÷èñëÿåòñÿ
ïî ôîðìóëå:
, (2.29)
ãäå
Km - âñïîìîãàòåëüíûé
êîýôôèöèåíò;
äëÿ ïðÿìîçóáûõ
ïåðåäà÷
Km = 14;
KFb - êîýôôèöèåíò,
ó÷èòûâàþùèé
ðàñïðåäåëåíèå
íàãðóçêè ïî øèðèíå
âåíöà ïðè èçãèáå;
sFP - äîïóñêàåìîå
èçãèáíîå íàïðÿæåíèå,
Ïà;
YF1 - êîýôôèöèåíò
ó÷èòûâàþùèé
ôîðìó çóáüåâ
øåñòåðíè.
Èç
ïîëó÷åííûõ ðàñ÷åòíûõ
çíà÷åíèé mH è mF âûáèðàåòñÿ
íàèáîëüøåå è
îêðóãëÿåòñÿ â
ñòîðîíó óâåëè÷åíèÿ
äî ñòàíäàðòíîãî
ìîäóëÿ ïî ÃÎÑÒ
9563- 60.
Ïðè ýòîì äîëæíî
âûïîëíÿòüñÿ ñëåäóþùåå
óñëîâèå:
m1 £ m2 £ … £ mk, (2.30)
ãäå m1 - ìîäóëü
çóá÷àòûõ ïåðåäà÷
ãðóïïû, ðàñïîëîæåííîé
ïåðâîé îò ýëåêòðîäâèãàòåëÿ;
mk - ìîäóëü
çóá÷àòûõ ïåðåäà÷
ãðóïïû, ðàñïîëîæåííîé
ïîñëåäíåé îò
ýëåêòðîäâèãàòåëÿ.
Äëÿ ïðÿìîçóáîé
öèëèíäðè÷åñêîé
ïåðåäà÷è ìåæîñåâîå
ðàññòîÿíèå îïðåäåëÿåòñÿ
ïî ôîðìóëå:
, (2.31)
ãäå
m - ñòàíäàðòíûé
ìîäóëü ïåðåäà÷è,
ì;
z2 - ÷èñëî
çóáüåâ çóá÷àòîãî
êîëåñà, ñîïðÿæåííîãî
ñ øåñòåðíåé.
Ïðè
îïðåäåëåíèè ìåæîñåâûõ
ðàññòîÿíèé ïî
ãðóïïàì ïåðåäà÷
äîëæíî âûïîëíÿòüñÿ
ñëåäóþùåå óñëîâèå:
Aw1 £ Aw2 £ … £ Awk, (2.32)
ãäå
Aw1 - ìåæîñåâîå
ðàññòîÿíèå ïåðåäà÷
ãðóïïû, ðàñïîëîæåííîé
ïåðâîé îò ýëåêòðîäâèãàòåëÿ,
ì;
Awk - ìåæîñåâîå
ðàññòîÿíèå ïåðåäà÷
ãðóïïû, ðàñïîëîæåííîé
ïîñëåäíåé îò
ýëåêòðîäâèãàòåëÿ,
ì.
Íà
îñíîâå ïîñòðîåííîé
ñâåðòêè âûïîëíÿåòñÿ
ðàñ÷åòíàÿ ñõåìà
èçîáðàæ¸ííàÿ
íà ðèñóíêå 2.3, ïðåäñòàâëÿþùàÿ
ñîáîé óñëîâíîå
èçîáðàæåíèå
ðàñ÷åòíîé öåïè
çóá÷àòûõ ïåðåäà÷.
 ïîëþñå çàöåïëåíèÿ
êàæäîé çóá÷àòîé
ïàðû, ïî íîðìàëè
ê áîêîâûì ïîâåðõíîñòÿì
çóáüåâ, äåéñòâóþò
ñèëû, âåëè÷èíà
êîòîðûõ îïðåäåëÿåòñÿ
ïî ôîðìóëå:
, (2.33)
ãäå
m è z - ìîäóëü
è ÷èñëî çóáüåâ
çóá÷àòîãî êîëåñà;
Ò
- âðàùàþùèé ìîìåíò,
ïðèëîæåííûé ê
âàëó çóá÷àòîãî
êîëåñà, Í×ì.
Ñèëû,
äåéñòâóþùèå
ñî ñòîðîíû øåñòåðíè
íà âàëó ýëåêòðîäâèãàòåëÿ
íà çóá÷àòîå
êîëåñî âõîäíîãî
âàëà:
Ñèëà,
äåéñòâóþùàÿ
ñî ñòîðîíû øåñòåðíè
íà âõîäíîì âàëó
íà çóá÷àòîå
êîëåñî ïðîìåæóòî÷íîãî
âàëà:
Ñèëà,
äåéñòâóþùàÿ
ñî ñòîðîíû øåñòåðíè
íà ïðîìåæóòî÷íîì
âàëó íà çóá÷àòîå
êîëåñî âûõîäíîãî
âàëà:
Ðàñ÷åò
ïðÿìîçóáîé ýâîëüâåíòíîé
ïåðåäà÷è âûïîëíåí
ñ èñïîëüçîâàíèåì
ïðîãðàììû «SIRIUS
2». Ðåçóëüòàòû ðàñ÷åòà
íàõîäÿòñÿ â ïðèëîæåíèè
Â.
Ðèñóíîê
2.3 - Ðàñ÷¸òíàÿ ñõåìà
ñâåðòêè êîðîáêè
ñêîðîñòåé
2.2.3
Ðàñ÷åò è ïîäáîð
ïîäøèïíèêîâ
Íà îñíîâå âûïîëíåííîé
êîìïîíîâî÷íîé
ñõåìû ñîñòàâëÿåòñÿ
ðàñ÷åòíàÿ ñõåìà
êàæäîãî âàëà,
íà êîòîðîé óêàçûâàþòñÿ
âñå ñèëû, äåéñòâóþùèå
íà âàë, ïðèëîæåííûå
â ñîîòâåòñòâóþùèõ
òî÷êàõ. Ðàñ÷¸òíàÿ
ñõåìà ïðåäñòàâëåíà
íà ðèñóíêå 2.4.
Äàííàÿ ñõåìà
ïîçâîëÿåò îïðåäåëèòü
ðåàêöèè â êàæäîé
îïîðå ñ ïîìîùüþ
óðàâíåíèé ñòàòèêè,
êîòîðûå èìåþò
ñëåäóþùèé âèä
/4/:
,
,
, (2.34)
ãäå
SFkx -
ñóììà âñåõ ñèë,
äåéñòâóþùèõ
â ïëîñêîñòè Ozx;
SFky - ñóììà âñåõ
ñèë, äåéñòâóþùèõ
â ïëîñêîñòè Ozy;
Smî(Fk) - ñóììà ìîìåíòîâ
ñèë îòíîñèòåëüíî
âûáðàííîé òî÷êè
ïëîñêîñòè.
Ðèñóíîê
2.4 - Ðàñ÷¸òíàÿ ñõåìà
Êðèòåðèåì
äëÿ ïîäøèïíèêà
ñëóæèò íåðàâåíñòâî:
P0 £ C0, (2.35)
ãäå
Ð0 - ýêâèâàëåíòíàÿ
ñòàòè÷åñêàÿ
íàãðóçêà, Í;
Ñ0
- òàáëè÷íîå çíà÷åíèå
ñòàòè÷åñêîé
ãðóçîïîäúåìíîñòè
âûáðàííîãî ïîäøèïíèêà,
Í.
Âåëè÷èíû
ïðèâåäåííîé ñòàòè÷åñêîé
íàãðóçêè äëÿ
ðàäèàëüíûõ ïîäøèïíèêîâ
îïðåäåëÿþòñÿ
êàê áîëüøèå èç
äâóõ ñëåäóþùèõ
çíà÷åíèé:
P0 = X0Fr + Y0Fa ; P0 = Fr, (2.36)
ãäå
Õ0 - êîýôôèöèåíò
ðàäèàëüíîé íàãðóçêè;
Y0 - êîýôôèöèåíò
îñåâîé íàãðóçêè;
Fr - ïîñòîÿííàÿ
ïî âåëè÷èíå è
íàïðàâëåíèþ ðàäèàëüíàÿ
íàãðóçêà, Í;
Fà - ïîñòîÿííàÿ
ïî âåëè÷èíå è
íàïðàâëåíèþ îñåâàÿ
íàãðóçêà, Í.
Êðèòåðèåì äëÿ
âûáîðà ïîäøèïíèêà
ñëóæèò íåðàâåíñòâî:
Ñòð. £ Ñ, (2.37)
ãäå Còð.
- òðåáóåìàÿ âåëè÷èíà
äèíàìè÷åñêîé
ãðóçîïîäúåìíîñòè
ïîäøèïíèêà, Í;
Ñ - òàáëè÷íîå
çíà÷åíèå äèíàìè÷åñêîé
ãðóçîïîäúåìíîñòè
âûáðàííîãî ïîäøèïíèêà,
Í.
Òðåáóåìàÿ äèíàìè÷åñêàÿ
ãðóçîïîäúåìíîñòü
îïðåäåëÿåòñÿ
ïî ôîðìóëå:
, (2.38)
ãäå
Ð - ýêâèâàëåíòíàÿ
äèíàìè÷åñêàÿ
íàãðóçêà, Í;
n - ÷àñòîòà
âðàùåíèÿ âàëà
äëÿ êîòîðîãî ïîäáèðàåòñÿ
ïîäøèïíèê, îá/ìèí;
Lh - äîëãîâå÷íîñòü
ïîäøèïíèêà, âûðàæåííàÿ
â ÷àñàõ ðàáîòû;
a - êîýôôèöèåíò,
çàâèñÿùèé îò
ôîðìû êðèâîé êîíòàêòíîé
óñòàëîñòè.
Ýêâèâàëåíòíàÿ
äèíàìè÷åñêàÿ
íàãðóçêà äëÿ
øàðèêîâûõ ðàäèàëüíûõ
ïîäøèïíèêîâ îïðåäåëÿåòñÿ
ïî ôîðìóëå:
P = (XVFr
+ YFa)KáKò, (2.39)
ãäå Fr - ðàäèàëüíàÿ
íàãðóçêà, ïðèëîæåííàÿ
ê ïîäøèïíèêó,
Í;
Fa - îñåâàÿ
íàãðóçêà, ïðèëîæåííàÿ
ê ïîäøèïíèêó,
Í;
V - êîýôôèöèåíò
âðàùåíèÿ;
Ká
- êîýôôèöèåíò
áåçîïàñíîñòè;
Kò
- òåìïåðàòóðíûé
êîýôôèöèåíò.
Ïðè âûáîðå ïîäøèïíèêîâ
ïî òàáëèöàì äîëæåí
áûòü ó÷òåí íåîáõîäèìûé
ïî óñëîâèþ ïðî÷íîñòè
äèàìåòð âàëà.
Äèàìåòð ó÷àñòêà
âàëà, ðàáîòàþùåãî
íà ÷èñòîå êðó÷åíèå
îïðåäåëÿåòñÿ
ïî ôîðìóëå:
, (2.40)
ãäå
Ò - êðóòÿùèé ìîìåíò
íà âàëó, Í×ì;
[t] -ïîíèæåííîå
äîïóñêàåìîå
íàïðÿæåíèå, ÌÏà.
Äèàìåòð
ó÷àñòêà âàëà,
ðàáîòàþùåãî
íà êðó÷åíèå è
èçãèá, îïðåäåëÿåòñÿ
ïî ôîðìóëå:
, (2.41)
ãäå
Ìýêâ. - ýêâèâàëåíòíûé
ìîìåíò â ñå÷åíèè
âàëà, Í×ì;
[s-1] è - ïîíèæåííîå
äîïóñêàåìîå
íàïðÿæåíèå, ÌÏà.
,
(2.42)
ãäå
Ìèçã. - èçãèáàþùèé
ìîìåíò â ñå÷åíèè
âàëà, Í×ì.
Ðàñ÷åò ïîäøèïíèêîâ
êà÷åíèÿ âûïîëíåí
ñ èñïîëüçîâàíèåì
ïðîãðàììû «SIRIUS 2». Ðåçóëüòàòû
ðàñ÷åòà íàõîäÿòñÿ
â ïðèëîæåíèè Ã.
Ïîñëå ðàñ÷åòà
ïîäøèïíèêîâ íà
ñòàòè÷åñêóþ
è äèíàìè÷åñêóþ
ãðóçîïîäúåìíîñòü
ìîæíî îñóùåñòâèòü
èõ ïîäáîð äëÿ ïîñòðîåíèÿ
ðàçâåðòêè êîðîáêè
ñêîðîñòåé /5/. Ðåçóëüòàòû
ïîäáîðà ïîäøèïíèêîâ
ïðåäñòàâëåíû
â òàáëèöå 2.1.
Òàáëèöà 2.1 - Âûáîð
ïîäøèïíèêîâ
|
Âàë
|
Ìàðêèðîâêà
|
d, ìì
|
D, ìì
|
B, ìì
|
Ðàñ÷¸òíûå
|
Òàáëè÷íûå
|
|
|
|
|
|
, Í , Í , Í , Í
|
|
|
|
|
I
|
Ë
|
204×2
|
20
|
47
|
14×2
|
1984,77
|
22684,16
|
6200×2
|
12700×2
|
|
Ï
|
1000805
|
25
|
37
|
7
|
231,23
|
2642,81
|
1980
|
3120
|
|
II
|
Ë
|
7304
|
20
|
52
|
16
|
1975,27
|
18568,20
|
17000
|
26000
|
|
Ï
|
7304
|
20
|
52
|
16
|
2206,82
|
20744,78
|
17000
|
26000
|
|
III
|
Ë
|
305
|
25
|
62
|
17
|
2737,90
|
18960,41
|
11400
|
22500
|
|
Ï
|
307
|
35
|
80
|
21
|
4680,76
|
32415,00
|
18000
|
33200
|
2.2.4 Ðàñ÷åò ñå÷åíèÿ
ñïëîøíîãî âàëà
Ïîä ñðåäíèìè
ó÷àñòêàìè âàëà
ñëåäóåò ïîíèìàòü
ó÷àñòêè, íà êîòîðûõ
ðàñïîëîæåíû øåñòåðíè
è çóá÷àòûå êîëåñà.
Îïðåäåëåíèå äèàìåòðà
ïðîèçâîäèòñÿ
ðàñ÷åòîì íà èçãèá
ñ êðó÷åíèåì ïî
ôîðìóëàì (2.40) è
(2.41).
Ïîñëå çàâåðøåíèÿ
ðàñ÷åòà, ðàçðàáàòûâàåòñÿ
êîíñòðóêöèÿ êàæäîãî
âàëà, êîòîðàÿ
äîëæíà îáåñïå÷èâàòü
âîçìîæíîñòü
ñáîðêè êîðîáêè
ñêîðîñòåé è ñâîáîäíîãî
ïðîäâèæåíèÿ çóá÷àòûõ
êîëåñ äî ìåñòà
ïîñàäêè /6/.
Ðàñ÷åò âàëîâ
íà óñòàëîñòíóþ
ïðî÷íîñòü ñâîäèòñÿ
ê îïðåäåëåíèþ
ðàñ÷åòíûõ êîýôôèöèåíòîâ
çàïàñà ïðî÷íîñòè
äëÿ ïðåäïîëîæèòåëüíî
îïàñíûõ ñå÷åíèé
âàëîâ.
Óñëîâèå ïðî÷íîñòè
â äàííîì ðàñ÷åòå,
èìååò âèä /4/:
,
(2.43)
ãäå
n - ðàñ÷åòíûé
êîýôôèöèåíò
çàïàñà ïðî÷íîñòè;
[n] = 1,3 ¸1,5 - òðåáóåìûé
êîýôôèöèåíò
çàïàñà äëÿ îáåñïå÷åíèÿ
ïðî÷íîñòè;
[n] = 2,5 ¸ 4 - òðåáóåìûé
êîýôôèöèåíò
çàïàñà äëÿ îáåñïå÷åíèÿ
æåñòêîñòè;
ns - êîýôôèöèåíò
çàïàñà ïðî÷íîñòè
ïî íîðìàëüíûì
íàïðÿæåíèÿì;
nt - êîýôôèöèåíò
çàïàñà ïðî÷íîñòè
ïî êàñàòåëüíûì
íàïðÿæåíèÿì.
, (2.44)
,
(2.45)
ãäå s -1 è t -1
- ïðåäåëû âûíîñëèâîñòè
äëÿ ìàòåðèàëà
âàëà ïðè ñèììåòðè÷íûõ
öèêëàõ èçãèáà
è êðó÷åíèÿ, Ïà;
sà, tà
è sm, tm - àìïëèòóäû è
ñðåäíèå íàïðÿæåíèÿ
öèêëîâ íîðìàëüíûõ
è êàñàòåëüíûõ
íàïðÿæåíèé, Ïà;
ks è
kt - ýôôåêòèâíûå
êîýôôèöèåíòû
êîíöåíòðàöèè
íàïðÿæåíèé ïðè
èçãèáå è ïðè êðó÷åíèè;
es è et -
ìàñøòàáíûå ôàêòîðû
äëÿ íîðìàëüíûõ
è êàñàòåëüíûõ
íàïðÿæåíèé;
ys è yt -
êîýôôèöèåíòû,
ó÷èòûâàþùèå
âëèÿíèå ïîñòîÿííîé
ñîñòàâëÿþùåé
öèêëà íà óñòàëîñòíóþ
ïðî÷íîñòü.
Ìîæíî ñ÷èòàòü,
÷òî íîðìàëüíûå
íàïðÿæåíèÿ, âîçíèêàþùèå
â ïîïåðå÷íîì ñå÷åíèè
âàëà îò èçãèáà,
èçìåíÿþòñÿ ïî
ñèììåòðè÷íîìó
öèêëó, òîãäà:
, (2.46)
ãäå
Ìèçã. - ñóììàðíûé
èçãèáàþùèé
ìîìåíò â íàèáîëåå
íàãðóæåííîì
ñå÷åíèè, Í×ì;
W - ìîìåíò
ñîïðîòèâëåíèÿ
ñå÷åíèÿ ïðè èçãèáå,
ì3.
Äëÿ êðóãëîãî
ñå÷åíèÿ âàëà:
, (2.47)
Äëÿ
êðóãëîãî ñå÷åíèÿ
ñî øïîíî÷íîé
êàíàâêîé:
,
(2.48)
ãäå
b è t - øèðèíà
è âûñîòà øïîíî÷íîé
êàíàâêè, ì.
Äëÿ
ñå÷åíèÿ âàëà
ñî øëèöàìè:
, (2.49)
ãäå
x = 1,125 - äëÿ øëèöåâ
ëåãêîé ñåðèè;
x = 1,205 - äëÿ øëèöåâ ñðåäíåé
ñåðèè;
x = 1,265 - äëÿ øëèöåâ òÿæåëîé
ñåðèè.
Òàê êàê ìîìåíò,
ïåðåäàâàåìûé
âàëîì, èçìåíÿåòñÿ
ïî âåëè÷èíå, òî
ïðè ðàñ÷åòå ïðèíèìàþò
äëÿ êàñàòåëüíûõ
íàïðÿæåíèé íàèáîëåå
íåáëàãîïðèÿòíûé
çíàêîïîñòîÿííûé
öèêë - îòíóëåâîé:
,
(2.50)
ãäå Wê
- ìîìåíò ñîïðîòèâëåíèÿ
âàëà ïðè êðó÷åíèè,
ì3.
Äëÿ êðóãëîãî
ñå÷åíèÿ âàëà:
(2.51)
Äëÿ
ñå÷åíèÿ âàëà
ñî øïîíî÷íîé
êàíàâêîé:
(2.52)
Äëÿ
ñå÷åíèÿ âàëà
ñî øëèöàìè:
(2.53)
Ðàñ÷åò
íà ïðî÷íîñòü
øïîíîê è øëèöåâûõ
ñîåäèíåíèé.
Óñëîâèå
ïðî÷íîñòè ïî
ñìÿòèþ äëÿ ïðèçìàòè÷åñêîé
øïîíêè èìååò
âèä:
,
(2.54)
ãäå
z - ÷èñëî øïîíîê;
sñì.- íàïðÿæåíèå
ñìÿòèÿ, Ïà;
[s]ñì. - äîïóñêàåìîå
íàïðÿæåíèå ïðè
ñìÿòèè, Ïà;
lp- ðàáî÷àÿ
äëèíà øïîíêè,
ì;
d - äèàìåòð
âàëà, ì;
h - âûñîòà
øïîíêè, ì.
Óñëîâèå ïðî÷íîñòè
èç ðàñ÷åòà íà
ñðåç øïîíêè:
, (2.55)
ãäå
[t]ñð. - äîïóñêàåìîå
íàïðÿæåíèå ïðè
ñðåçå, Ïà.
Ðàñ÷åò
øëèöåâûõ ñîåäèíåíèé
óñëîâíî ïðîèçâîäÿò
íà ñìÿòèå âòóëêè
â ìåñòå åå ñîïðèêîñíîâåíèÿ
ñ áîêîâûìè ïîâåðõíîñòÿìè
çóáüåâ.
, (2.56)
ãäå
y = 0,7¸0,8 - êîýôôèöèåíò,
ó÷èòûâàþùèé
íåðàâíîìåðíîñòü
ðàñïðåäåëåíèÿ
íàãðóçêè ïî çóáüÿì;
z - ÷èñëî
çóáüåâ;
l - ðàáî÷àÿ
äëèíà çóáà âäîëü
îñè âàëà, ì;
h - ðàáî÷àÿ
âûñîòà êîíòàêòèðóþùèõ
çóáüåâ â ðàäèàëüíîì
íàïðàâëåíèè,
ì;
rñð.
- ñðåäíèé ðàäèóñ,
ì.
Ðàñ÷åò ñå÷åíèÿ
ñïëîøíîãî âàëà
âûïîëíåí ñ èñïîëüçîâàíèåì
ïðîãðàììû «SIRIUS 2». Ðåçóëüòàòû
ðàñ÷åòà íàõîäÿòñÿ
â ïðèëîæåíèè Ä.
2.2.5 Âûáîð è îáîñíîâàíèå
ïîñàäîê
Ïðè íàçíà÷åíèè
ïîëåé äîïóñêîâ
äëÿ ïîñàäîê âàëà
ïîä âíóòðåííåå
êîëüöî è îòâåðñòèÿ
êîðïóñà ïîä íàðóæíîå
êîëüöî ïîäøèïíèêîâ
êà÷åíèÿ íåîáõîäèìî
ó÷èòûâàòü:
à) âðàùàåòñÿ
âàë (âíóòðåííåå
êîëüöî) èëè êîðïóñ;
á) âèä íàãðóçêè;
â) ðåæèì ðàáîòû;
ã) òèï è ðàçìåðû
ïîäøèïíèêîâ;
ä) êëàññ òî÷íîñòè
ïîäøèïíèêà;
å) ñêîðîñòü âðàùàþùåãîñÿ
êîëüöà;
æ) óñëîâèÿ ìîíòàæà
è ýêñïëóàòàöèè
è ò. ï.
 ñîîòâåòñòâèè
ñ óêàçàííûìè
óñëîâèÿìè, äëÿ
ïîñàäêè íà âàë
øàðèêîâûõ ðàäèàëüíûõ
ïîäøèïíèêîâ êëàññà
òî÷íîñòè Ð6, öèðêóëÿöèîííîì
íàãðóæåíèè (âðàùàþùèéñÿ
âàë) è íîðìàëüíîì
ðåæèìå ðàáîòû,
âûáèðàåòñÿ ïîëå
äîïóñêà k6. Äëÿ ïîñàäêè
ïîäøèïíèêîâ â
êîðïóñ âûáèðàåòñÿ
ïîëå äîïóñêà Í7.
Äëÿ ïðÿìîáî÷íûõ
øëèöåâûõ ñîåäèíåíèé:
à) â êà÷åñòâå
ïîñàäêè ïî äèàìåòðó
ïðè öåíòðèðîâàíèè
ïî íàðóæíîìó
äèàìåòðó âûáèðàåòñÿ
ïîñàäêà H7/h6;
á) â êà÷åñòâå
ïîñàäêè ïî øèðèíå
øëèöà âûáèðàåòñÿ
ïîñàäêà F8/ js7.
Äëÿ íåïîäâèæíûõ
øïîíî÷íûõ ñîåäèíåíèé
âûáèðàåòñÿ ïåðåõîäíàÿ
ïîñàäêà H7/p6. Äëÿ
ïîñàäêè ïðèçìàòè÷åñêèõ
øïîíîê â âàë èñïîëüçîâàíà
ïîñàäêà P9/h9.
.3 Ïðîåêòèðîâàíèå
êîíñòðóêöèè
äîïîëíèòåëüíîé
ôðåçåðíîé ãîëîâêè
 ïðîöåññå ìîäåðíèçàöèè
ñòàíêà â åãî êîíñòðóêöèè
ïîÿâëÿþòñÿ íîâûå
ýëåìåíòû. Ýòèìè
ýëåìåíòàìè ÿâëÿþòñÿ
äîïîëíèòåëüíàÿ
ïîâîðîòíàÿ ôðåçåðíàÿ
ãîëîâêà è íîâûé
õîáîò ñòàíêà.
Ôðåçåðíàÿ ãîëîâêà
è õîáîò ñïðîåêòèðîâàíû
íà îñíîâå èäåíòè÷íûõ
ýëåìåíòîâ ôðåçåðíîãî
ñòàíêà ôèðìû
«DECKEL», îáùèé
âèä êîòîðîãî èçîáðàæåí
íà ðèñóíêå 2.5 /7/.
Ðèñóíîê 2.5 - Îáùèé
âèä ôðåçåðíîãî
ñòàíêà ôèðìû
«DECKEL»
Ìîäåðíèçàöèÿ
ãîðèçîíòàëüíî-ôðåçåðíîãî
ñòàíêà ìîäåëè
6Ì82 çàêëþ÷àåòñÿ
â ñëåäóþùåì. Ñî
ñòàíêà ñíèìàåòñÿ
ñòàðûé õîáîò
è çàìåíÿåòñÿ
íà íîâûé, êîòîðûé
èçîáðàæåí íà
ðèñóíêå 2.6. Íà âûäâèæíîì
õîáîòå ìîíòèðóþò
ïîâîðîòíóþ ôðåçåðíóþ
ãîëîâêó ñ âåðòèêàëüíûì
øïèíäåëåì, êîòîðàÿ
èçîáðàæåíà íà
ðèñóíêå 2.7. Âîçìîæíà
ðàçäåëüíàÿ è îäíîâðåìåííàÿ
ðàáîòà îáåèìè
øïèíäåëÿìè. Òàêèì
îáðàçîì, ïîñëå
ìîäåðíèçàöèè
ñòàíîê ñòàíîâèòñÿ
îáëàäàòåëåì
âîçìîæíîñòåé
êàê ãîðèçîíòàëüíî-ôðåçåðíûõ,
òàê è âåðòèêàëüíî-ôðåçåðíûõ
ñòàíêîâ.
Ðèñóíîê 2.6 - Êîíñòðóêöèÿ
õîáîòà
Ðèñóíîê 2.7 - Êîíñòðóêöèÿ
ôðåçåðíîé ãîëîâêè
.4 Îïèñàíèå
ìîäåðíèçèðîâàííîãî
ñòàíêà ìîä. 6Ì82
Ìîäåðíèçèðîâàííûé
ãîðèçîíòàëüíî-ôðåçåðíûé
ñòàíîê ìîäåëè
6Ì82 ïðåäíàçíà÷åí
äëÿ ôðåçåðîâàíèÿ
ðàçëè÷íûõ äåòàëåé
ðàçíîîáðàçíûìè
ôðåçàìè.
Íà ðèñóíêå 2.8 ïðåäñòàâëåí
îáùèé âèä ìîäåðíèçèðîâàííîãî
ñòàíêà ìîäåëè
6Ì82 /8/.
- îñíîâàíèå, 2
- ñòàíèíà, 3 - êîíñîëü,
4 - ñàëàçêè, 5 - ñòîë,
6 - õîáîò, 7 - ôðåçåðíàÿ
ãîëîâêà.
Ðèñóíîê 2.8 - Îáùèé
âèä ìîäåðíèçèðîâàííîãî
ñòàíêà ìîä. 6Ì82
Òåõíè÷åñêèå
õàðàêòåðèñòèêè
ñòàíêà:
Ðàçìåðû ðàáî÷åé
ïîâåðõíîñòè
ñòîëà, ìì: …………………..320×1250;
Íàèáîëüøèé
õîä ñòîëà, ìì: ïðîäîëüíûé……………………………700;
ïîïåðå÷íûé……………………………….240;
Ðàññòîÿíèå
îò îñè ãîðèçîíòàëüíîãî
øïèíäåëÿ
äî ðàáî÷åé ïîâåðõíîñòè
ñòîëà, ìì: …………………………30-400;
Ïðåäåëû ÷àñòîò
âðàùåíèÿ øïèíäåëåé,
îá/ìèí: ………………31,5-1600;
Ïðåäåëû ïîäà÷
ñòîëà, ìì/ìèí:
ïðîäîëüíûõ è ïîïåðå÷íàÿ…...25-1250
âåðòèêàëüíàÿ
………………………8,3-416,6;
Ìîùíîñòè ýëåêòðîäâèãàòåëÿ
ãëàâíîãî äâèæåíèÿ,
êÂò: …….11; 15; 18,5;
Ãàáàðèòíûå
ðàçìåðû, ìì: ……….
……………………. 2260×1740×1660;
Ìàññà, êã:
……………………………………………………………2800;
Ñòàíèíà ÿâëÿåòñÿ
áàçîâûì óçëîì,
íà êîòîðîì ìîíòèðóþòñÿ
âñå îñòàëüíûå
óçëû è ìåõàíèçìû
ñòàíêà. Æåñòêàÿ
êîíñòðóêöèÿ ñòàíèíû
äîñòèãàåòñÿ
çà ñ÷åò ðàçâèòîãî
îñíîâàíèÿ, òðàïåöåèäàëüíîãî
ñå÷åíèÿ ñòàíèíû
ïî âûñîòå è áîëüøîãî
÷èñëà ðåáåð è
ñòåíîê.
Ðàçäåëåíèå ñòàíèíû
íà îòäåëüíûå
îòñåêè ñíèìàåò
çâóêîâîé ðåçîíàíñ
âíóòðåííåé ïîëîñòè.
Ñïåðåäè ñòàíèíû,
ñ ëåâîé ñòîðîíû,
ïîìåùàåòñÿ ïëàíêà
ñ êóëà÷êàìè, îãðàíè÷èâàþùèìè
âåðòèêàëüíûé
õîä êîíñîëè.
Íèæíèå íèøè
ñòàíèíû, çàêðûòûå
äâåðêàìè, èñïîëüçîâàíû
äëÿ ðàçìåùåíèÿ
÷åòûðåõ ïàíåëåé
ýëåêòðîîáîðóäîâàíèÿ.
Äâå ïàíåëè çàêðåïëåíû
íà âíóòðåííèõ
ñòåíêàõ íèø,
à äâå äðóãèå - íà
âíóòðåííèõ ñòåíêàõ
äâåðîê.
Äëÿ ëó÷øåãî îõëàæäåíèÿ
íèøè ñçàäè âíóòðåííèõ
ïàíåëåé èìåþòñÿ
îêíà äëÿ öèðêóëÿöèè
âîçäóõà.
Äëÿ ïðåäîõðàíåíèÿ
îò ïîïàäàíèÿ
â ýëåêòðîøêàôû
ìàñëà è ãðÿçè
äâåðêè ñ âíóòðåííåé
ñòîðîíû îêàíòîâàíû
âîéëîêîì èëè
ãóá÷àòîé ðåçèíîé;
äëÿ ýòîé æå öåëè
ââåðõó äâåðîê
ïðèâàðåíû ýêðàíû;
ñëó÷àéíî ïîïàâøåå
ìàñëî, ñòåêàÿ
ïî ýêðàíàì, ìèíóåò
ýëåêòðîàïïàðàòû.
Ñòàíèíà â âåðõíåé
÷àñòè èìååò
íàïðàâëÿþùèå
ïðîôèëÿ «ëàñòî÷êèíà
õâîñòà», â êîòîðûõ
óñòàíîâëåí õîáîò.
Õîáîò ìîæíî ïåðåìåùàòü
ïî íàïðàâëÿþùèì.
Äëÿ ýòîãî íà ëåâîé
ãðàíè õîáîòà
íàðåçàíà ðåéêà.
Íà âåðõíåé ïîâåðõíîñòè
õîáîòà èìåþòñÿ
äâå êðûøêè äëÿ
óäîáñòâà ñáîðêè
âíóòðåííèõ ÷àñòåé
ñòàíêà.
Íà õîáîòå êðåïèòñÿ
ïîâîðîòíàÿ ôðåçåðíàÿ
ãîëîâêà äëÿ ðàñøèðåíèÿ
òåõíîëîãè÷åñêèõ
âîçìîæíîñòåé
ñòàíêà.
Êîðîáêà ñêîðîñòåé
ñìîíòèðîâàíà
íåïîñðåäñòâåííî
â êîðïóñå ñòàíèíû
(â âåðõíåé åå ÷àñòè)
è óïðàâëÿåòñÿ
ñ ïîìîùüþ âñòàâíîé
êîðîáêè ïåðåêëþ÷åíèÿ,
ðàñïîëîæåííîé
ñ ëåâîé ñòîðîíû
ñòàíèíû.
Øïèíäåëü ñòàíêà
ïðåäñòàâëÿåò
ñîáîé òðåõîïîðíûé
âàë. Íåáîëüøèå
ïî äëèíå ïðîëåòû
è çíà÷èòåëüíûé
äèàìåòð ñå÷åíèé
îáåñïå÷èâàþò
íåîáõîäèìóþ
âèáðîóñòîé÷èâîñòü
è æåñòêîñòü øïèíäåëÿ.
Äëÿ ïðåäîòâðàùåíèÿ
îñåâûõ ïåðåìåùåíèé
øïèíäåëÿ îí çàôèêñèðîâàí
äâóìÿ øàéáàìè,
ïðèâåðíóòûìè
ê ïîïåðå÷íîé ñòåíêå
ñòàíèíû è îõâàòûâàþùèìè
ðàäèàëüíî-óïîðíûìè
øàðèêîïîäøèïíèêàìè.
Çàçîð â ýòèõ ïîäøèïíèêàõ
ðåãóëèðóåòñÿ
ïîäøëèôîâêîé
ïðîìåæóòî÷íûõ
êîëåö.
Ïðåäøïèíäåëüíûé
âàë, íà êîòîðîì
ñìîíòèðîâàíû
äâà ïåðåäâèæíûõ
áëîêà, äëÿ áîëüøåé
æåñòêîñòè è âèáðîóñòîé÷èâîñòè
ðàñïîëîæåí òàêæå
íà òðåõ îïîðàõ.
Ñìàçêà çóá÷àòûõ
êîëåñ è ïîäøèïíèêîâ
êîðîáêè ñêîðîñòåé
îñóùåñòâëÿåòñÿ
îò ïëóíæåðíîãî
íàñîñà, óñòàíîâëåííîãî
âíóòðè ñòàíèíû
è ïðèâîäèìîãî
â äåéñòâèå ýêñöåíòðèêîì,
ðàñïîëîæåííûì
íà ñðåäíåì âàëó
êîðîáêè ñêîðîñòåé.
Êîðïóñ íàñîñà
öåíòðèðóåòñÿ
ñâîèì áóðòîì
â óïîðíîì ôëàíöå
ïîäøèïíèêà âòîðîãî
âàëà êîðîáêè
ñêîðîñòåé.
Êîðîáêà ïîäà÷
îáåñïå÷èâàåò
ïîëó÷åíèå ðàáî÷èõ
ïîäà÷ è áûñòðûõ
ïåðåìåùåíèé
ñòîëà, ñàëàçîê
è êîíñîëè.
Íà ðèñóíêå 2.9 èçîáðàæåíà
êèíåìàòè÷åñêàÿ
ñõåìà ìîäåðíèçèðîâàííîãî
ñòàíêà ìîäåëè
6Ì82.
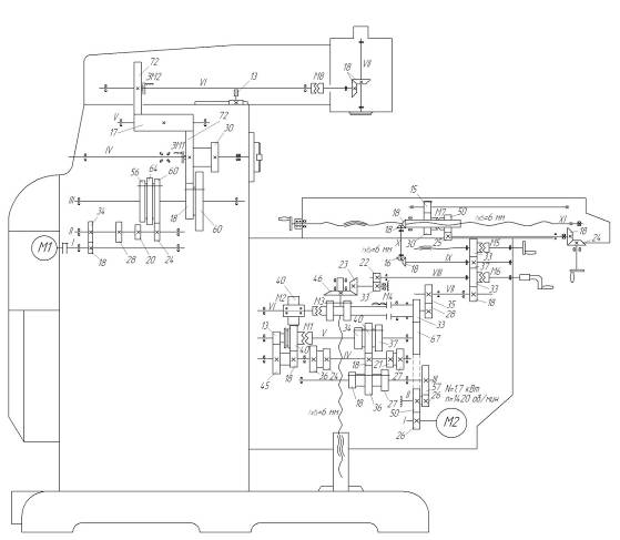
Ðèñóíîê 2.9 - Êèíåìàòè÷åñêàÿ
ñõåìà ìîäåðíèçèðîâàííîãî
ñòàíêà ìîäåëè
6Ì82
Îò òð¸õñêîðîñòíîãî
ýëåêòðîäâèãàòåëÿ
ìîùíîñòüþ 11; 15 è
18,5 êÂò ÷åðåç óïðóãóþ
ñîåäèíèòåëüíóþ
ìóôòó äâèæåíèå
ïåðåäàåòñÿ íà
âàë I, à ñâàëà I íà
âàë II ÷åðåç çóá÷àòóþ
ïåðåäà÷ó 18:34. Äâèæåíèå
âàëó III ïåðåäàåòñÿ
÷åðåç çóá÷àòûå
êîëåñà, ðàñïîëîæåííûå
íà âàëó II è òðîéíîé áëîê
çóá÷àòûõ êîë¸ñ,
ðàñïîëîæåííûé
íà âàëó III ñ ïîìîùüþ êîòîðîãî
ìîæíî ïåðåäàòü
âðàùåíèå ñ äåâÿòüþ
ðàçëè÷íûìè ñêîðîñòÿìè
÷åðåç ïåðåäà÷è
28:56, 20:64 è 24:60. Ñ âàëà III íà
âàë IV (øïèíäåëüíûé
âàë) äâèæåíèå
ìîæåò áûòü ïåðåäàíî
òàêæå äâóìÿ ðàçëè÷íûìè
âàðèàíòàìè ïåðåäà÷:
60:30, 18:72. Ñëåäîâàòåëüíî,
âàë IV èìååò
âîñåìíàäöàòü
ðàçëè÷íûõ ÷èñåë
îáîðîòîâ (3õ3õ2=18).
Îò âàëà IV äâèæåíèå ïåðåäàåòñÿ
íà âàë V öèëèíäðè÷åñêîé
çóá÷àòîé ïåðåäà÷åé
72:17, à ñ âàëà V íà øïèíäåëü
VI ÷åðåç
ïåðåäà÷ó 17:72. Ñ âàëà
VI äâèæåíèå
ïåðåäàåòñÿ íà
øïèíäåëüíûé âàë
ïîâîðîòíîé ôðåçåðíîé
ãîëîâêè ÷åðåç
êîíè÷åñêóþ çóá÷àòóþ
ïåðåäà÷ó 18:18. Òàêèì
îáðàçîì ìîæíî
çàìåòèòü, ÷òî
âåðòèêàëüíûé
øïèíäåëü ïîëó÷àåò
òàêèå æå ÷àñòîòû
âðàùåíèÿ, ÷òî
è ãîðèçîíòàëüíûé
êàê ïî êîëè÷åñòâó.
òàê è ïî ÷èñëåííûì
çíà÷åíèÿì.
Ïðèâîä ïîäà÷
îñóùåñòâëÿåòñÿ
îò îòäåëüíîãî
ýëåêòðîäâèãàòåëÿ
ìîùíîñòüþ 1,7 êÂò.
Ãðàôèê ïðèâîäà
ïðîäîëüíûõ ïîäà÷
ñòàíêà ïîêàçàí
íà ðèñóíêå 2.9. ×åðåç
ïåðåäà÷ó 26:50 ïîëó÷àåò
âðàùåíèå âàë
XI, çàòåì ÷åðåç
ïåðåäà÷ó 26:57 - âàë
XII. Íà âàëó XII íàõîäèòñÿ
òðîéíîé áëîê
çóá÷àòûõ êîëåñ,
ñîîáùàþùèé âàëó
XIII òðè ñêîðîñòè
âðàùåíèÿ ïîñðåäñòâîì
ïåðåäà÷: 36:18, 27:27 è 18:36. Íà
âàëó XIY íàõîäèòñÿ
òðîéíîé áëîê,
ñ ïîìîùüþ êîòîðîãî
äâèæåíèå ñ âàëà
XIII íà âàë XIY ìîæíî
ïåðåäàòü òàêæå
òðåìÿ âàðèàíòàìè
ïåðåäà÷ 24:34, 21:37 è 18:40. Ñëåäîâàòåëüíî,
âàë XIY èìååò äåâÿòü
ðàçëè÷íûõ ÷èñåë
îáîðîòîâ (3õ3=9). Äàëåå
âîçìîæíû äâà
ïóòè: åñëè ïîäâèæíîå
çóá÷àòîå êîëåñî
40 ñ êóëà÷êàìè
íà òîðöå ïåðåäâèíóòî
âïðàâî è íàõîäèòñÿ
â çàöåïëåíèè
ñ ìóôòîé Ì1, æåñòêî
ñâÿçàííîé ñ âàëîì
XIY, âðàùåíèå îò
âàëà XIY íà âàë XY ïåðåäàåòñÿ
íåïîñðåäñòâåííî
(÷åðåç ïåðåäà÷ó
40:40); åñëè çóá÷àòîå
êîëåñî 40 ââåäåíî
â çàöåïëåíèå
ñ çóá÷àòûì êîëåñîì
18 (êàê ïîêàçàíî
íà ñõåìå), òî äâèæåíèå
íà âàë XIY áóäåò
ïåðåäàâàòüñÿ
÷åðåç ïåðåáîð
13/45 õ 18/40 (ïåðåáîð çäåñü
ðàáîòàåò êàê
ïîíèæàþùàÿ ïåðåäà÷à).
Òàêèì îáðàçîì,
êîðîáêà ïîäà÷
èìååò 18 ðàçëè÷íûõ
ïîäà÷: äåâÿòü ïðè
ðàáîòå áåç ïåðåáîðà
è äåâÿòü ïðè ðàáîòå
ñ ïåðåáîðîì.
Ðèñóíîê 2.10 - Ãðàôèê
ïðîäîëüíîé è ïîïåðå÷íîé
ïîäà÷ ñòàíêà
ìîäåëè 6Ì82
Äâèæåíèå ñ âàëà
XIY íà âàë XY ïåðåäàåòñÿ
÷åðåç ïåðåäà÷ó
40:40, ïðåäîõðàíèòåëüíóþ
ìóôòó Ì1 ïðè âêëþ÷åííîé
êóëà÷êîâîé ìóôòå
Ì2, à îò íåãî íà
âàë XYI ïîñðåäñòâîì
ïåðåäà÷è 28:35 (ìóôòà
Ì3 âûêëþ÷åíà). Îò
âàëà XYI íà âàë XYII äâèæåíèå
ïåðåäàåòñÿ ÷åðåç
ïåðåäà÷ó 18:33. Ñ âàëà
XYII ìîæíî ïåðåäàòü
âñå ÷èñëà îáîðîòîâ
íà õîäîâûå âèíòû
ïðîäîëüíîé, ïîïåðå÷íîé
è âåðòèêàëüíîé
ïîäà÷. Òàê, ïðîäîëüíàÿ
ïîäà÷à äàëåå îñóùåñòâëÿåòñÿ
ïî ñëåäóþùåé
öåïè: ñ âàëà XYII íà
âàë XYIII ïåðåäà÷åé
33:37, ñ âàëà XYIII íà âàë
XIX - ÷åðåç ïàðó êîíè÷åñêèõ
çóá÷àòûõ êîëåñ
18:16, à ñ âàëà XIX íà âàë
XX (õîäîâîé âèíò
ïðîäîëüíîé ïîäà÷è)
òàêæå ÷åðåç ïàðó
êîíè÷åñêèõ çóá÷àòûõ
êîëåñ 18:18.
Áûñòðûå ïåðåìåùåíèÿ
ñòîëà âî âñåõ
íàïðàâëåíèÿõ
îñóùåñòâëÿþòñÿ
ïðè âêëþ÷åííîé
ôðèêöèîííîé
ìóôòå Ì3 (çóá÷àòîå
êîëåñî 33 æåñòêî
ôèêñèðóåòñÿ
íà âàëó XY; ìóôòà
Ì2 âûêëþ÷åíà) è
îñóùåñòâëÿåòñÿ
ïî ñëåäóþùåé
êèíåìàòè÷åñêîé
öåïè: âðàùåíèå
îò ýëåêòðîäâèãàòåëÿ
ïîäà÷ ïåðåäàåòñÿ
âàëó XY ÷åðåç çóá÷àòûå
ïåðåäà÷è 26:50, 50:67 è
67:33, è äàëåå ïî êèíåìàòè÷åñêèì
öåïÿì ðàáî÷èõ
ïîäà÷.
3. Èññëåäîâàòåëüñêàÿ
÷àñòü
.1 Ðàñ÷åòû íåñóùåé
ñèñòåìû ìîäåðíèçèðîâàííîãî
ñòàíêà ìîäåëè
6Ì82
 íàñòîÿùåå
âðåìÿ ïðè ñîçäàíèè
ñëîæíûõ òåõíè÷åñêèõ
îáúåêòîâ âñå
áîëüøåå âíèìàíèå
óäåëÿåòñÿ âíåäðåíèþ
ñèñòåì èíæåíåðíîãî
àíàëèçà. Ñèñòåìû
êîìïüþòåðíîãî
èíæåíåðíîãî
àíàëèçà íå òîëüêî
ïîçâîëÿþò îöåíèòü
ïðèíöèïèàëüíóþ
ðàáîòîñïîñîáíîñòü
áóäóùåé êîíñòðóêöèè
(íàïðèìåð, ïî óñëîâèÿì
ïðî÷íîñòè) - îíè
íàøëè øèðîêîå
ïðèìåíåíèå ïðè
ìîäåëèðîâàíèè
òåõíîëîãè÷åñêèõ
ïðîöåññîâ ìåòàëëîîáðàáîòêè,
êîâêè è øòàìïîâêè,
ëèòüÿ ìåòàëëîâ
è ïëàñòìàññ
/9/.
 äàííîì ïðîåêòå
èñïîëüçîâàëñÿ
îäèí èç íàèáîëåå
ðàñïðîñòðàíåííûõ
â íàøåé ñòðàíå
êîíå÷íî-ýëåìåíòíîãî
ïàêåò ANSYS, êîòîðûé ïðèìåíÿåòñÿ
äëÿ èíæåíåðíîãî
àíàëèçà íåñóùèõ
ñèñòåì ñòàíêîâ.
Äëÿ ðàñ÷åòîâ
áûëà ïðèãîòîâëåíà
ìîäåëü ñòàíêà,
êîòîðàÿ áûëà ñïðîåêòèðîâàíà
â ñèñòåìå ÊÎÌÏÀÑ
- 3D. Îíà ïðåäñòàâëåíà
íà ðèñóíêå 3.1.
Ðèñóíîê 3.1 - Ðàñ÷åòíàÿ
ìîäåëü ñòàíêà
 ïðîöåññå ðàáîòû
áûëè ïðîèçâåäåíû
÷åòûðå âèäà àíàëèçà
íåñóùåé ñèñòåìû
ñòàíêà. Ýòî ñòàòè÷åñêèé,
ìîäàëüíûé, òåïëîâîé
è òåðìîäåôîðìàöèîííûé
àíàëèç. Èõ ðåçóëüòàòû
ïðåäñòàâëåíû
íèæå.
.1.1 Ðàñ÷åò íà æåñòêîñòü
(ñòàòè÷åñêèé
ðàñ÷åò)
Íà ðèñóíêå 3.2 ïðåäñòàâëåíî
äåôîðìèðîâàííîå
ñîñòîÿíèå íåñóùåé
ñèñòåìû ñòàíêà
ïîñëå ïðîâåäåíèÿ
ðàñ÷åòà.
Ðèñóíîê 3.2 - Äåôîðìèðîâàííîå
ñîñòîÿíèå ñòàíêà
Íà ðèñóíêå 3.3 ïîêàçàíû
ðåçóëüòàòû ñòàòè÷åñêîãî
ðàñ÷åòà â êîíòóðíîì
ïðåäñòàâëåíèè
Ðèñóíîê 3.3 - Êîíòóðíîå
ïðåäñòàâëåíèå
ðåçóëüòàòà ñòàòè÷åñêîãî
ðàñ÷åòà
.1.2 Ìîäàëüíûé ðàñ÷åò
Ìîäàëüíûé àíàëèç
âûïîëíÿåòñÿ äëÿ
òîãî, ÷òîáû ïîñòðîèòü
÷àñòü äèíàìè÷åñêèõ
õàðàêòåðèñòèê
ðàññìàòðèâàåìîé
ìîäåëè: ñîáñòâåííûå
÷àñòîòû (ìîäàëüíûå
÷àñòîòû); àìïëèòóäíî-÷àñòîòíûå
õàðàêòåðèñòèêè.
Çíàíèå ýòèõ
õàðàêòåðèñòèê
ïîçâîëÿåò ïðèíÿòü
ðåøåíèå î äèíàìè÷åñêîì
êà÷åñòâå ìîäåëè.
 ïðîöåññå âûïîëíåíèÿ
ðàñ÷åòà îáíàðóæèëèñü
äåñÿòü ñîáñòâåííûõ
÷àñòîò. Ðåçóëüòàòû
ðàñ÷åò íà ÷åòûðåõ
èç íèõ ïðåäñòàâëåíû
íà ðèñóíêàõ
3.4 - 3.7.
Ðèñóíîê 3.4 - 1-ÿ ìîäà
Ðèñóíîê 3.5 - 2-ÿ ìîäà
Ðèñóíîê 3.6 - 3-ÿ ìîäà
Ðèñóíîê 3.7 - 4-ÿ ìîäà
.1.3 Òåïëîâîé ðàñ÷åò
Ïðè ðåøåíèè
çàäà÷ òåïëîîáìåíà
â Ansys óñòàíàâëèâàåòñÿ
ðàñïðåäåëåíèÿ
òåìïåðàòóð â ðàññìàòðèâàåìîé
ìîäåëè îáúåêòà.
Êðîìå òîãî, ìîæíî
èñïîëüçîâàòü
ðåçóëüòàòû òåïëîâîãî
ðàñ÷åòà äëÿ âû÷èñëåíèÿ
òåïëîâûõ íàïðÿæåíèé
è ïåðåìåùåíèé.
Ïåðåíîñ òåïëà
â îáùåì ñëó÷àå
ìîæåò îñóùåñòâëÿòüñÿ
â òðåõ ôîðìàõ:
òåïëîïðîâîäíîñòè,
êîíâåêöèè è èçëó÷åíèè.
Ðàñïðîñòðàíåíèå
òåïëà â òâåðäîì
òåëå ïðîèñõîäèò
áëàãîäàðÿ òåïëîïðîâîäíîñòè.
Ïåðåíîñ òåïëà
ïîñðåäñòâîì òåïëîïðîâîäíîñòè
îáóñëîâëåí íàëè÷èåì
âåùåñòâåííîé
ñðåäû, è òåì, ÷òî
òåïëîîáìåí ñîâåðøàåòñÿ
òîëüêî ìåæäó íåïîñðåäñòâåííî
ñîïðèêàñàþùèìèñÿ
÷àñòèöàìè òåëà.
Ðåçóëüòàò òåïëîâîãî
ðàñ÷åòà ïðåäñòàâëåí
íà ðèñóíêå 3.8.
Ðèñóíîê
3.8 - Êîíòóðíîå ïðåäñòàâëåíèå
ðåçóëüòàòà òåïëîâîãî
ðàñ÷åòà
.1.4 Òåðìîäåôîðìàöèîííûé
ðàñ÷åò
Íà ðèñóíêå
3.9 ïðåäñòàâëåí
ðåçóëüòàò òåðìîäåôîðìàöèîííîãî
ðàñ÷åòà.
Ðèñóíîê
3.9 - Êîíòóðíîå ïðåäñòàâëåíèå
ðåçóëüòàòà òåðìîäåôîðìàöèîííîãî
ðàñ÷åòà
.2 Ðàñ÷åòû
øïèíäåëÿ äîïîëíèòåëüíîé
ôðåçåðíîé ãîëîâêè
Êîíñòðóêòèâíàÿ
ñõåìà øïèíäåëÿ
ïðåäñòàâëåíà
íà ðèñóíêå 3.10.
Ðèñóíîê
3.10 - Êîíñòðóêòèâíàÿ
ñõåìà øïèíäåëÿ
.2.1 Ðàñ÷åò øïèíäåëÿ
íà æåñòêîñòü
Äëÿ ðàñ÷åòà èñïîëüçóåòñÿ
ìåòîä êîíå÷íûõ
ýëåìåíòîâ. Øïèíäåëüíûé
óçåë ïðåäñòàâëÿåòñÿ
ñòåðæíåâûìè
êîíå÷íûìè ýëåìåíòàìè,
êàæäûé ñòåðæåíü
îïèñûâàåòñÿ
òðåìÿ ïàðàìåòðàìè:
äëèíîé, âíóòðåííèì
äèàìåòðîì è íàðóæíûì
äèàìåòðîì. Ïðè
ðàçáèåíèè øïèíäåëüíîãî
óçëà íà êîíå÷íûå
ýëåìåíòû ó÷èòûâàåòñÿ:
êîëè÷åñòâî îïîð
øïèíäåëÿ; òèï
îïîð è ñõåìà èõ
óñòàíîâêè. Òèï
îïîð è ñõåìà èõ
óñòàíîâêè ìîäåëèðóåòñÿ
â çàâèñèìîñòè
îò ðÿäà óñëîâèé:
- æåñòêîñòè
ïîäøèïíèêîâ;
- êîíôèãóðàöèè
âíóòðåííèõ è
íàðóæíûõ ïîâåðõíîñòåé
øïèíäåëÿ;
ðàñïîëîæåíèÿ
çóá÷àòûõ êîëåñ;
íàëè÷èÿ äðóãèõ
ïðèâîäíûõ ýëåìåíòîâ.
 ñîîòâåòñòâèè
ñ óêàçàííûìè
óñëîâèÿìè ñîñòàâëÿåòñÿ
ðàñ÷åòíàÿ ñõåìà
øïèíäåëÿ, èñïîëüçóåìàÿ
äëÿ ïîñëåäóþùåãî
ðàñ÷åòà íà ÝÂÌ.
Îíà ïðåäñòàâëåíà
íà ðèñóíêå 3.11. Äàííûé
ðàñ÷åò âûïîëíåí
ïðè ïîìîùè ðàñ÷åòíî-ãðàôè÷åñêîãî
ïàêåòà ïðîãðàìì
«TEMOS». Ðåçóëüòàòû
ðàñ÷åòà íàõîäÿòñÿ
â ïðèëîæåíèè Å.
Ðèñóíîê
3.11 - Ðàñ÷åòíàÿ ñõåìà
øïèíäåëüíîãî
óçëà äëÿ ðàñ÷åòà
íà æåñòêîñòü
Ðèñóíîê
3.12 - Äåôîðìàöèÿ øïèíäåëüíîãî
óçëà â óçëîâûõ
òî÷êàõ
.2.2 Òåïëîâîé
ðàñ÷åò øïèíäåëüíîãî
óçëà
Òåïëîâîé ðàñ÷åò
øïèíäåëüíîãî
óçëà îñóùåñòâëÿåòñÿ
íà îñíîâå ðåøåíèÿ
îñåñèììåòðè÷íîé
çàäà÷è ìåòîäîì
êîíå÷íûõ ýëåìåíòîâ.
 êà÷åñòâå òèïîâîãî
êîíå÷íîãî ýëåìåíòà
â äàííîì ñëó÷àå
ïðèíèìàåòñÿ
òðåóãîëüíèê.
Äëÿ óïðîùåíèÿ
ôîðìèðîâàíèÿ
ðàñ÷åòíîé ñõåìû,
èñïîëüçóåòñÿ
ïðîöåäóðà òðèàíãóëÿöèè
÷åòûðåõóãîëüíûõ
ýëåìåíòîâ, ïðåäñòàâëÿþùèõ
ñîáîé ôèãóðû,
ïîëó÷åííûå ïðè
ðàçáèåíèè îñåâîãî
ñå÷åíèÿ øïèíäåëÿ.
Ïîä ðàçáèåíèå
ïîïàäàþò øïèíäåëü
è âñå ýëåìåíòû
óñòàíîâëåííûå
íà íåì çà èñêëþ÷åíèåì
èñòî÷íèêîâ òåïëà,
êîòîðûìè â äàííîì
ñëó÷àå ÿâëÿþòñÿ
îïîðû êà÷åíèÿ.
Ðàñ÷åò âûïîëíÿåòñÿ
â ñëåäóþùåì ïîðÿäêå:
) Íàçíà÷àåòñÿ
êîëè÷åñòâî ÷åòûðåõóãîëüíûõ
îáëàñòåé, íåîáÿçàòåëüíî
ïðàâèëüíîé ôîðìû,
â ñîîòâåòñòâèè
ñ óñëîâèÿìè îäíîçíà÷íîñòè.
) Íàçíà÷àþòñÿ
ãðàíè÷íûå óñëîâèÿ
(êîíâåêòèâíûé
òåïëîîáìåí è
ìîùíîñòè òåïëîâûäåëåíèÿ).
) Íàçíà÷àþòñÿ
èñõîäíûå äàííûå
äëÿ ðàñ÷åòà ìîùíîñòè
òåïëîâûäåëåíèÿ
è êîýôôèöèåíòîâ
òåïëîîòäà÷è
ïî òåïëîîòäàþùèì
ïîâåðõíîñòÿì.
) Ââîäÿòñÿ óñëîâèÿ
äëÿ âûïîëíåíèÿ
òåïëîâîãî ðàñ÷åòà
(âðåìÿ è íîìåðà
óçëîâ).
Äëÿ òåïëîâîãî
ðàñ÷åòà øïèíäåëüíîãî
óçëà áûë èñïîëüçîâàí
ïàêåò ïðîãðàììà
«TEMOS». Ðåçóëüòàòû
ðàñ÷åòà íàõîäÿòñÿ
â ïðèëîæåíèè Æ.
Ðèñóíîê
3.13 - Ðàñ÷åòíàÿ ñõåìà
øïèíäåëüíîãî
óçëà (òåïëîâàÿ
ìîäåëü)
Ðèñóíîê
3.14 - Òåìïåðàòóðíîå
ïîëå øïèíäåëüíîãî
óçëà
Ðèñóíîê
3.15 - Òåìïåðàòóðíûå
õàðàêòåðèñòèêè
îòäåëüíûõ óçëîâ
øïèíäåëÿ
4. Ñïåöèàëüíàÿ
÷àñòü
.1 Àíàëèç ïðîãðàììíîãî
ìîäóëÿ ôèðìû «ÀÑÊÎÍ»
- «ÊÎÌÏÀÑ - Àâòîïðîåêò»
Êà÷åñòâî âûïóñêàåìûõ
èçäåëèé â ìàøèíîñòðîåíèè
â çíà÷èòåëüíîé
ñòåïåíè çàâèñèò
îò óðîâíÿ òåõíîëîãè÷åñêîé
ïîäãîòîâêè ïðîèçâîäñòâà
(ÒÏÏ). ÒÏÏ âñåãäà
áûëà è îñòàåòñÿ
íàèáîëåå òðóäîåìêèì
è äëèòåëüíûì
ýòàïîì îñâîåíèÿ
èçäåëèé. Ýòî ñâÿçàíî
ñ íåîáõîäèìîñòüþ
ïðèâëå÷åíèÿ ê
ýòîé ðàáîòå áîëüøîãî
êîëè÷åñòâà âûñîêîêâàëèôèöèðîâàííûõ
ñïåöèàëèñòîâ
(èíæåíåðîâ-òåõíîëîãîâ,
êîíñòðóêòîðîâ),
à òàêæå äëèòåëüíîñòüþ
è òðóäîåìêîñòüþ
ïðîöåññà ðàçðàáîòêè
òåõíîëîãè÷åñêîé
äîêóìåíòàöèè.
Ïðè òðàäèöèîííîì
«ðó÷íîì» ïðîåêòèðîâàíèè
òåõíîëîãè÷åñêîãî
ïðîöåññà, îñîáåííî
â óñëîâèÿõ ìåëêîñåðèéíîãî
ïðîèçâîäñòâà
íàáëþäàåòñÿ
ñóáúåêòèâíûé
ïîäõîä ê ðàçðàáàòûâàåìîé
òåõíîëîãèè, ïðèâîäÿùèé
ê íåîïòèìàëüíûì
çàòðàòàì âðåìåíè
è ñðåäñòâ íà ÒÏÏ.
Ýòî çàñòàâëÿåò
èñêàòü íîâûå
ìåòîäû ïðîåêòèðîâàíèÿ
òåõíîëîãè÷åñêèõ
ïðîöåññîâ, êîòîðûå
ïîçâîëèëè áû
ââåñòè â òåõíîëîãè÷åñêóþ
ïîäãîòîâêó ìåëêîñåðèéíîãî
ïðîèçâîäñòâà
îñîáåííîñòè,
õàðàêòåðíûå äëÿ
óñëîâèé êðóïíîñåðèéíîãî
è ìàññîâîãî ïðîèçâîäñòâà,
ò. å. â êîðîòêèå
ñðîêè âûäàâàòü
îïåðàöèîííóþ
òåõíîëîãèþ ñ
ðåæèìàìè ðåçàíèÿ
è òåõíè÷åñêè
îáîñíîâàííûìè
íîðìàìè âðåìåíè
ïðè ìèíèìàëüíûõ
çàòðàòàõ. Ïîýòîìó
â íàñòîÿùåå âðåìÿ
ïðè ðåøåíèè ìíîãèõ
òåõíîëîãè÷åñêèõ
çàäà÷ øèðîêîå
ïðèìåíåíèå íàõîäÿò
àâòîìàòèçèðîâàííûå
ñèñòåìû òåõíîëîãè÷åñêîé
ïîäãîòîâêè ïðîèçâîäñòâà
(ÀÑÒÏÏ è, â ÷àñòíîñòè,
ñèñòåìû àâòîìàòèçèðîâàííîãî
ïðîåêòèðîâàíèÿ
òåõíîëîãè÷åñêèõ
ïðîöåññîâ ÑÀÏÐ
ÒÏ), ÷òî ñòàëî âîçìîæíî
áëàãîäàðÿ ñîâåðøåíñòâîâàíèþ
ìåòîäîâ ìàòåìàòè÷åñêîãî
îïèñàíèÿ ïðîèçâîäñòâåííûõ
ïðîöåññîâ è èñïîëüçîâàíèþ
ñîâðåìåííîé
âû÷èñëèòåëüíîé
òåõíèêè (ÝÂÌ).
Àâòîìàòèçàöèÿ
ïðîöåññîâ ïîäãîòîâêè
ïðîèçâîäñòâà
ïðèâîäèò ê ïîâûøåíèþ
ïðîèçâîäèòåëüíîñòè
òðóäà, îïòèìèçàöèè
ðàáîòû ðàçëè÷íûõ
ñëóæá ïðåäïðèÿòèÿ,
ïîçâîëÿåò çíà÷èòåëüíî
ïîâûñèòü ñêîðîñòü
è êà÷åñòâî ïðèíèìàåìûõ
ðåøåíèé, âûðàáîòàòü
ýôôåêòèâíóþ
ñòðàòåãèþ ðàçâèòèÿ
ïðîèçâîäñòâà
è ïðåäïðèÿòèÿ
â öåëîì.
Êîìïëåêñíàÿ
àâòîìàòèçàöèÿ
òåõíîëîãè÷åñêîé
ïîäãîòîâêè ïðîèçâîäñòâà
(ÒÏÏ) íà áàçå èíôîðìàöèîííûõ
òåõíîëîãèé îáåñïå÷èâàåò:
ñîêðàùåíèå ñðîêîâ
ïîäãîòîâêè ïðîèçâîäñòâà
çà ñ÷åò àâòîìàòèçàöèè
ýòàïîâ ÒÏÏ, ïàðàëëåëüíîãî
âûïîëíåíèÿ êîíñòðóêòîðñêîãî
è òåõíîëîãè÷åñêîãî
ïðîåêòèðîâàíèÿ;
îïòèìèçàöèþ
çàòðàò òðóäà
è ñðåäñòâ íà èçãîòîâëåíèå
èçäåëèé.
Äëÿ àâòîìàòèçàöèè
ïðîöåññîâ ÒÏÏ
«ÀÑÊÎÍ» ïðåäëàãàåò
øèðîêèé ñïåêòð
ïðîãðàììíûõ ïðîäóêòîâ,
îðèåíòèðîâàííûõ
íà èõ èñïîëüçîâàíèå
ñïåöèàëèñòàìè
ìàøèíîñòðîèòåëüíûõ
ïðåäïðèÿòèé: òåõíîëîãàìè,
êîíñòðóêòîðàìè
òåõíîëîãè÷åñêîé
îñíàñòêè, ðàçðàáîò÷èêàìè
óïðàâëÿþùèõ ïðîãðàìì
äëÿ ñòàíêîâ ñ
×ÏÓ, èíæåíåðàìè
ïî íîðìèðîâàíèþ
òðóäà è ìàòåðèàëüíûõ
çàòðàò, ñïåöèàëèñòàìè
ïî ðåêîíñòðóêöèè
öåõîâ ïðåäïðèÿòèÿ.
 òåõíîëîãè÷åñêîé
ïîäãîòîâêå ïðîèçâîäñòâà
çàäåéñòâîâàíû
ïðàêòè÷åñêè
âñå îñíîâíûå
ñëóæáû ïðåäïðèÿòèÿ.
Äâèæåíèå äàííûõ
â åäèíîì èíôîðìàöèîííîì
ïðîñòðàíñòâå
(ÅÈÏ) îñóùåñòâëÿåòñÿ
ìåæäó ñèñòåìàìè
âñåõ êëàññîâ:
PDM (óïðàâëåíèå
èíæåíåðíûìè
äàííûìè), ERP (óïðàâëåíèå
ïðåäïðèÿòèåì),
ÑÀÐÐ (òåõíîëîãè÷åñêàÿ
ïîäãîòîâêà ïðîèçâîäñòâà),
CAD (êîíñòðóêòîðñêàÿ
ïîäãîòîâêà ïðîèçâîäñòâà)
è ò.ä.
Íà áàçå ïðîãðàììíîãî
îáåñïå÷åíèÿ
êîìïàíèè «ÀÑÊÎÍ»
ìîæíî îðãàíèçîâàòü
òðè ñõåìû âçàèìîäåéñòâèÿ
êîìïîíåíòîâ
êîìïëåêñà ÅÈÏ.
ÑÀÏÐ òåõíîëîãè÷åñêèõ
ïðîöåññîâ (ÒÏ)
«ÂÅÐÒÈÊÀËÜ» ðåøàåò
ðàçëè÷íûå çàäà÷è
àâòîìàòèçàöèè
ïðîöåññîâ òåõíîëîãè÷åñêîé
ïîäãîòîâêè ïðîèçâîäñòâà,
çàäà÷è ðàçðàáîòêè
òåõïðîöåññîâ
è âûïóñêà äîêóìåíòàöèè,
ïîçâîëÿåò ïîâûñèòü
ýôôåêòèâíîñòü
ðàáîòû òåõíîëîãè÷åñêèõ
ïîäðàçäåëåíèé
â öåëîì. Êàê êîìïîíåíò
åäèíîãî èíôîðìàöèîííîãî
ïðîñòðàíñòâà
ïðåäïðèÿòèÿ, ÑÀÏÐ
ÒÏ «ÂÅÐÒÈÊÀËÜ»
óñïåøíî èíòåãðèðóåòñÿ
è ñ ëèíåéêîé ÏÎ,
ïîñòàâëÿåìîãî
êîìïàíèåé «ÀÑÊÎÍ»,
è ñ ïðîãðàììíûìè
ïðîäóêòàìè äðóãèõ
ðàçðàáîò÷èêîâ
IÒ-ðåøåíèé.
Èíòåãðàöèÿ
ÑÀÏÐ ÒÏ «ÂÅÐÒÈÊÀËÜ»
ñ ñèñòåìîé òðåõìåðíîãî
ìîäåëèðîâàíèÿ
«KÎMÏAC-3D» (ðèñóíîê
4.1) îáåñïå÷èâàåò
ñêâîçíîå ðåøåíèå
çàäà÷ êîíñòðóêòîðñêî-òåõíîëîãè÷åñêîé
ïîäãîòîâêè ïðîèçâîäñòâà
(ÊÒÏÏ). Èñïîëüçóÿ
ðàçíîîáðàçíûå
ïðèêëàäíûå áèáëèîòåêè
ñåìåéñòâà «ÊÎÌÏÀÑ»,
ëþáîå ïðåäïðèÿòèå
ìîæåò îðãàíèçîâàòü
ïî ìîäóëüíîìó
ïðèíöèïó ïðîãðàììíûé
êîìïëåêñ, îðèåíòèðîâàííûé
íà ðåøåíèå òèïîâûõ
çàäà÷ â ðàçëè÷íûõ
ïðåäìåòíûõ îáëàñòÿõ
(íàïðèìåð, ïðîåêòèðîâàíèå
ïðèâîäîâ, ìåõàíè÷åñêèõ
ïåðåäà÷, òåõíîëîãè÷åñêîé
îñíàñòêè, îáîðóäîâàíèÿ
è èíñòðóìåíòà).
Ñèñòåìà «ÊÎÌÏÀÑ-3D» ïîçâîëÿåò
îðãàíèçîâàòü
êëàññè÷åñêèé
ïðîöåññ òðåõìåðíîãî
ïàðàìåòðè÷åñêîãî
ïðîåêòèðîâàíèÿ
- îò èäåè ê àññîöèàòèâíîé
îáúåìíîé ìîäåëè,
îò ìîäåëè ê êîíñòðóêòîðñêîé
äîêóìåíòàöèè.
 òåõíîëîãè÷åñêîé
ñèñòåìå «ÂÅÐÒÈÊÀËÜ»
ðåàëèçîâàíà
âîçìîæíîñòü
ðàáîòû ñî âñåìè
âèäàìè ãðàôè÷åñêèõ
äîêóìåíòîâ - 3D-ìîäåëÿìè,
÷åðòåæàìè è ýñêèçàìè
èçäåëèé, ðàçðàáîòàííûõ
â «ÊÎÌÏÀÑ-3D». Â òåõïðîöåññ
àâòîìàòè÷åñêè
ïåðåäàþòñÿ âñå
íåîáõîäèìûå
äàííûå èç êîíñòðóêòîðñêîé
äîêóìåíòàöèè.
Ñèñòåìà
óïðàâëåíèÿ èíæåíåðíûìè
äàííûìè «ËÎÖMAH:PLM» ïîçâîëÿåò
óïîðÿäî÷èòü (ñòðóêòóðèðîâàòü)
òåõíîëîãè÷åñêóþ
äîêóìåíòàöèþ,
îáëåã÷èòü è óñêîðèòü
çàèìñòâîâàíèå
òèïîâûõ ðåøåíèé,
îðãàíèçîâàòü
ðàáîòó òåõíîëîãà
ñ ñîñòàâîì èçäåëèÿ,
à òàêæå êîëëåêòèâíóþ
ðàáîòó íàä âñåì
ïðîåêòîì. Âñòðîåííûå
â ñèñòåìó «ËÎÖÌÀÍ:PLM» Ìîäóëü
óïðàâëåíèÿ ðàáî÷èì
ïðîöåññîì è ìîäóëü
ïðîñìîòðà è àííîòèðîâàíèÿ
äîêóìåíòîâ îáåñïå÷èâàþò
ïàðàëëåëüíîå
âûïîëíåíèå ðàáîò.
Âçàèìîäåéñòâèå
ñïåöèàëèñòîâ
ïðåäïðèÿòèÿ ïðè
ðàçðàáîòêå äîêóìåíòàöèè
íà èçäåëèå è îðãàíèçàöèè
ïðîèçâîäñòâà
ïîçâîëÿåò ïðîâåñòè
ñîãëàñîâàíèå
âûáðàííîãî ðåøåíèÿ
ñ äðóãèìè ñëóæáàìè
â êðàò÷àéøèå
ñðîêè.
Ðèñóíîê
4.1 - Âçàèìîäåéñòâèå
êîìïîíåíòîâ
êîìïëåêñà ñèñòåì
«ËÎÖÌÀÍ:PLM», ÑÀÏÐ ÒÏ «ÂÅÐÒÈÊÀËÜ»,
«ÊÎÌÏÀÑ-3D»
Ïðèëîæåíèå
ËÎÖÌÀÍ-Òåõíîëîã
îáåñïå÷èâàåò
ñâÿçü ÑÀÏÐ ÒÏ
«ÂÅÐÒÈÊÀËÜ» ñ «ËÎÖÌÀÍ:ÐLM». Òàêèì
îáðàçîì, òåõíîëîã
ïîëó÷àåò âîçìîæíîñòü
ðàáîòàòü ñ ñîñòàâîì
èçäåëèÿ âíóòðè
òåõíîëîãè÷åñêîé
ñèñòåìû. Ìîäóëü
ôîðìèðîâàíèÿ
îò÷åòîâ, âõîäÿùèé
â ñîñòàâ ñèñòåìû
«ËÎÖÌÀÍ:ÐLÌ», ïîçâîëÿåò
ñôîðìèðîâàòü
âåäîìîñòè è ñâîäíûå
îò÷åòû â ðàçëè÷íûõ
ðàçðåçàõ ÊÒÏÏ.
Ïðè ðàçðàáîòêå
òåõïðîöåññà òåõíîëîãó
ïîñòîÿííî òðåáóåòñÿ
ðàçëè÷íàÿ ñïðàâî÷íàÿ
èíôîðìàöèÿ äàííûå
î ìàòåðèàëàõ,
îáîðóäîâàíèè,
èíñòðóìåíòå
è ò.ï. Åå ïðåäîñòàâëÿåò
«Óíèâåðñàëüíûé
òåõíîëîãè÷åñêèé
ñïðàâî÷íèê» è
Êîðïîðàòèâíûé
ñïðàâî÷íèê: «Ìàòåðèàëû
è Ñîðòàìåíòû».
Èõ ìîæíî èñïîëüçîâàòü
âî âñåõ ñèñòåìàõ,
âõîäÿùèõ â êîìïëåêñ
ÅÈÏ, îíè ÿâëÿþòñÿ
ïîñòàâùèêàìè
åäèíîé òåõíîëîãè÷åñêîé
ñïðàâî÷íîé èíôîðìàöèè
äëÿ âñåõ ñëóæá
ïðåäïðèÿòèÿ.
Ðàçíîîáðàçíûå
ðàñ÷åòíûå ìîäóëè
ðåøàþò çàäà÷è
íîðìèðîâàíèÿ
òðóäîâûõ è ìàòåðèàëüíûõ
çàòðàò. Âñå ïðèëîæåíèÿ
ïîëó÷àþò òåõíîëîãè÷åñêèå
äàííûå èç ñèñòåìû
«ÂÅÐÒÈÊÀËÜ», à ñïðàâî÷íûå
äàííûå - èç Óíèâåðñàëüíîãî
òåõíîëîãè÷åñêîãî
ñïðàâî÷íèêà
è êîðïîðàòèâíûõ
ñïðàâî÷íèêîâ
ÀÑÊÎÍ.
 ðåçóëüòàòå
êîìïëåêñ ÅÈÏ ïîçâîëÿåò
ïîëó÷èòü âñþ
èíôîðìàöèþ îá
èçäåëèè â ðåàëüíîì
ìàñøòàáå âðåìåíè,
÷òî ÿâëÿåòñÿ âàæíåéøèì
óñëîâèåì äëÿ óñêîðåíèÿ
ïðîöåäóð ñîãëàñîâàíèé
ñ çàêàç÷èêîì
è ïîñòàâùèêàìè,
áûñòðîé ðàçðàáîòêè
ìîäèôèêàöèé
èçäåëèÿ, îïòèìèçàöèè
âçàèìîäåéñòâèÿ
âñåõ ñëóæá ïðåäïðèÿòèÿ
òî åñòü äëÿ ðåøåíèÿ
çàäà÷, ïîçâîëÿþùèõ
ïîâûñèòü êîíêóðåíòîñïîñîáíîñòü
ïðåäïðèÿòèÿ â
öåëîì.
Åñëè â êà÷åñòâå
ÑÀÏÐ ÒÏ âûáðàíà
ñèñòåìà «ÊÎÌÏÀÑ
- Àâòîïðîåêò», òî
êîìïëåêñ ïî àâòîìàòèçàöèè
ÊÒÏÏ ìîæíî ïîñòðîèòü
èíà÷å. Âîçìîæíû
äâà âàðèàíòà.
Ñèñòåìà
«ÊÎÌÏÀÑ - Àâòîïðîåêò»
ñîñòîèò èç äâóõ
ïîäñèñòåì «ÊÎÌÏÀÑ
- Àâòîïðîåêò - Òåõíîëîãèÿ»
(ðèñóíîê 4.2) è «ÊÎÌÏÀÑ
- Àâòîïðîåêò - Ñïåöèôèêàöèÿ»
(ðèñóíîê 4.3). Ïîñëåäíÿÿ
ïîçâîëÿåò âåñòè
áàçû äàííûõ êîíñòðóêòîðñêî-òåõíîëîãè÷åñêèõ
ñïåöèôèêàöèé,
àðõèâèðîâàòü
ðàçðàáîòàííûå
òåõíîëîãè÷åñêèå
ïðîöåññû, ôîðìèðîâàòü
ñâîäíûå îò÷åòû,
ò.å. ïðåäñòàâëÿåò
ñîáîé óïðîùåííûé
âàðèàíò PDM-ñèñòåìû.
Ïîýòîìó â
çàâèñèìîñòè
îò ïîñòàâëåííûõ
çàäà÷ íà ïðåäïðèÿòèè
ìîæíî èñïîëüçîâàòü
êîìïëåêñ ÅÈÏ íà
áàçå «ÊÎÌÏÀÑ -
Àâòîïðîåêò», «ÊÎÌÏÀÑ-3D» (ðèñóíîê
4.4). Ñïðàâî÷íàÿ èíôîðìàöèÿ
â äàííîì ñëó÷àå
áóäåò èñïîëüçîâàòüñÿ
èç áàç äàííûõ
ÑÀÏÐ ÒÏ êàê ïðè
ïðîåêòèðîâàíèè
òåõïðîöåññîâ,
òàê è ïðè ïðîâåäåíèè
íîðìèðîâàíèÿ
ìàòåðèàëüíûõ
è òðóäîâûõ çàòðàò.
Ðèñóíîê
4.2 - Îêíî ìîäóëÿ «ÊÎÌÏÀÑ
- Àâòîïðîåêò - Òåõíîëîãèÿ»
Ðèñóíîê
4.3 - Îêíî ìîäóëÿ «ÊÎÌÏÀÑ
- Àâòîïðîåêò - Ñïåöèôèêàöèè»
Ðèñóíîê
4.4 - Âçàèìîäåéñòâèå
êîìïîíåíòîâ
êîìïëåêñà ñèñòåì
«ÊÎÌÏÀÑ - Àâòîïðîåêò»
è «ÊÎÌÏÀÑ-3D»
«ÊÎÌÏÀÑ - Àâòîïðîåêò»
êîìïëåêòóåòñÿ
ïî ìîäóëüíîìó
ïðèíöèïó. Ïîñòðîåíèå
êîìïëåêñà èç
ðàçëè÷íûõ ìîäóëåé
ïîçâîëÿåò îðãàíèçîâàòü
ðàáî÷èå ìåñòà
òåõíîëîãîâ, ñïåöèàëèñòîâ
ïî ðàñöåõîâêå,
íîðìèðîâùèêîâ
ìàòåðèàëüíûõ
è òðóäîâûõ çàòðàò.
Èíòåãðàöèÿ
ñèñòåìû «ÊÎÌÏÀÑ
- Àâòîïðîåêò» ñ
«ËÎÖMAH:PLM» (ðèñóíîê
4.5) ïîçâîëÿåò ïîñòðîèòü
åùå îäèí âàðèàíò
êîìïëåêñ ÅÈÏ.
Ïðèëîæåíèå «ËÎÖÌÀÍ
- Òåõíîëîã» îáåñïå÷èâàåò
ñâÿçü ÑÀÏÐ ÒÏ
«ÊÎÌÏÀÑ - Àâòîïðîåêò»
ñ ñèñòåìîé óïðàâëåíèÿ
èíæåíåðíûìè
äàííûìè «ËÎÖÌÀÍ:ÐLÌ» è òåõíîëîã
ïîëó÷àåò âîçìîæíîñòü
ðàáîòàòü ñ ñîñòàâîì
èçäåëèÿ.
Ðèñóíîê
4.5 - Âçàèìîäåéñòâèå
êîìïîíåíòîâ
êîìïëåêñà ñèñòåì
«ËÎÖÌÀÍ:PLM», «ÊÎÌÏÀÑ - Àâòîïðîåêò»,
«ÊÎÌÏÀÑ-3D»
Ôîðìèðîâàíèå
âåäîìîñòåé è
ñâîäíûõ îò÷åòîâ
â òàêîì âàðèàíòå
ïðîèñõîäèò â
«ËÎÖÌÀÍ:ÐLÌ» ñ ïîìîùüþ
ñïåöèàëüíîãî
ìîäóëÿ, à ðàçðàáîòêà
òåõíîëîãè÷åñêèõ
ïðîöåññîâ âåäåòñÿ
â «ÊÎÌÏÀÑ - Àâòîïðîåêò
- Òåõíîëîãèÿ».
Èç ìíîãèõ ñèñòåì
àâòîìàòèçèðîâàííîãî
ïðîåêòèðîâàíèÿ
òåõíîëîãè÷åñêèõ
ïðîöåññîâ ïîñòàâëÿåìûõ
íà ðîññèéñêèé
ðûíîê ðàçëè÷íûìè
ïîñòàâùèêàìè
ïðîãðàììíûõ ïðîäóêòîâ,
âûäåëÿåòñÿ ôèðìà
«ÀÑÊÎÍ» ñ ðàçðàáîòàííîé
åþ ÑÀÏÐ ÒÏ «ÊÎÌÏÀÑ
- Àâòîïðîåêò». Äàííûé
ïðîäóêò çàâîåâàë
äîâåðèå è èñïîëüçóåòñÿ
íà òàêèõ ïðåäïðèÿòèÿõ,
êàê: ÃÓÏ ÏÎ «Óðàëâàãîíçàâîä»
(Íèæíèé Òàãèë),
ÎÀÎ «Ñóðãóòíåôòåãàç»
(Ñóðãóò), ÎÀÎ «Óðàëüñêàÿ
êóçíèöà» (×åáàðêóëü),
ÎÀÎ «Ýëåêòðîìàøèíà»
(×åëÿáèíñê), ÀÎ
«Ïðèâîä» (Ëûñüâà),
Îïòèêî-ìåõàíè÷åñêèé
çàâîä (Âîëîãäà),
Çàâîä âûñîêîâîëüòíîé
àïïàðàòóðû (Ðîâíî),
ÎÀÎ «Êóðãàíõèììàø»
(Êóðãàí), ÎÀÎ «×åõîâñêèé
çàâîä Ãèäðîñòàëü»
(×åõîâ), ÏÊÒÁ ïî
ëîêîìîòèâàì
(Ìîñêâà), ÎÀÎ «ßðîñëàâñêèé
çàâîä äèçåëüíîé
àïïàðàòóðû» (ßðîñëàâëü)
è ò.ä.
 ïðîãðàììíîì
êîìïëåêñå àâòîìàòèçàöèè
òåõíîëîãè÷åñêîé
ïîäãîòîâêè ïðîèçâîäñòâà
«ÊÎÌÏÀÑ - Àâòîïðîåêò»
ñóùåñòâåííîå
âíèìàíèå îáðàùåíî
íå òîëüêî íà ðàçðàáîòêó
óäîáíîé ñðåäû
äëÿ ïðîåêòèðîâàíèÿ
òåõíîëîãè÷åñêèõ
ïðîöåññîâ, íî è
íà ñîçäàíèå ïðèêëàäíûõ
ìîäóëåé äëÿ ðàñ÷åòà
òðåáóåìûõ äëÿ
ïðîèçâîäñòâà
ìàòåðèàëîâ, ðåæèìîâ
îáðàáîòêè äëÿ
ðàçëè÷íûõ âèäîâ
ïðîèçâîäñòâ, íåîáõîäèìûõ
çàòðàò òðóäà.
Èñïîëüçîâàíèå
ïðîãðàììíîãî
êîìïëåêñà îáåñïå÷èâàåò:
ñîêðàùåíèå ñðîêîâ
ÊÒÏÏ çà ñ÷åò àâòîìàòèçàöèè
ýòàïîâ òåõíîëîãè÷åñêîé
ïîäãîòîâêè è
ïàðàëëåëüíîãî
âûïîëíåíèÿ êîíñòðóêòîðñêî-òåõíîëîãè÷åñêîé
ïîäãîòîâêè; îïòèìèçàöèþ
çàòðàò òðóäà
è ñðåäñòâ äëÿ èçãîòîâëåíèÿ
èçäåëèé; óñèëåíèå
êîíêóðåíòîñïîñîáíîñòè
ïðåäïðèÿòèÿ çà
ñ÷åò òî÷íîãî
è îïåðàòèâíîãî
îáåñïå÷åíèÿ
íåîáõîäèìîé
èíôîðìàöèåé
ðàçëè÷íûõ ñëóæá
è, êàê ñëåäñòâèå,
ñâîåâðåìåííîãî
âûïîëíåíèÿ çàêëþ÷åííûõ
êîíòðàêòîâ.
Ìíîãîïðîãðàììíàÿ
ñèñòåìà (ÌÏÑ)
«ÊÎÌÏÀÑ - Àâòîïðîåêò»
ôóíêöèîíèðóåò
òîëüêî ïðè íàëè÷èè
ïåðñîíàëüíîé
ÝÂÌ ñ îïåðàòèâíîé
ïàìÿòüþ íå ìåíåå
64 Ìá, òàêòîâîé
÷àñòîòîé íå ìåíåå
133 ÌÃö, ñ âíåøíåé
ïàìÿòüþ íå ìåíåå
1 Ãá. Îïåðàöèîííàÿ
ñèñòåìà WINDOWS 95/98/NT è
âûøå. Ìîíèòîð
- öâåòíîé ñ ðàçìåðîì
ïî äèàãîíàëè
íå ìåíåå 14”. Óñòðîéñòâî
óêàçàíèÿ ìûøü
è êëàâèàòóðà.
ÌÏÑ «ÊÎÌÏÀÑ - Àâòîïðîåêò»
ñîñòîèò èç äâóõ
ïîäñèñòåì: ÊÎÌÏÀÑ
- ÀÂÒÎÏÐÎÅÊÒ Ñïåöèôèêàöèè
(AutoKTC), çàäà÷åé êîòîðîé
ÿâëÿåòñÿ âåäåíèå
êîíñòðóêòîðñêî-òåõíîëîãè÷åñêèõ
ñïåöèôèêàöèé
èçäåëèé è îðãàíèçàöèÿ
õðàíåíèÿ ðàçðàáîòàííûõ
äîêóìåíòîâ ÊÎÌÏÀÑ-ÀÂÒÎÏÐÎÅÊÒ
Òåõíîëîãèÿ (Autîpro),
ïðåäíàçíà÷åííàÿ
äëÿ ïðîåêòèðîâàíèÿ
òåõíîëîãè÷åñêèõ
ïðîöåññîâ (ÒÏ) èçãîòîâëåíèÿ
èçäåëèé, à òàêæå
ôîðìèðîâàíèÿ
è õðàíåíèÿ òåõíîëîãè÷åñêîé
äîêóìåíòàöèè.
Äëÿ çàïóñêà ïåðâîé
ïîäñèñòåìû ñëåäóåò
âûïîëíèòü ïîñëåäîâàòåëüíî
ñ ïîìîùüþ ëåâîé
êëàâèøè ìûøè
êîìàíäû Ïóñê
- Êîìïàñ-Àâòîïðîåêò
9.4 - autoktc, à âòîðîé ïîäñèñòåìû
- Ïóñê - Êîìïàñ-Àâòîïðîåêò
9.4 - autopro. Ïåðåõîä èç îäíîé
ïîäñèñòåìû â
äðóãóþ îñóùåñòâëÿåòñÿ
â íèæíåé ÷àñòè
ýêðàíà ìîíèòîðà
ñ ïîìîùüþ ïàíåëè
çàäà÷ WINDOWS: Ïóñê -
Autoktc - Autopro. Ïîñëå íàáîðà
ýòèõ êîìàíä íåîáõîäèìî
ââåñòè ïàðîëü
ïî óìîë÷àíèþ
111 è íàæàòü êëàâèøó
OK. Íà ýêðàíå ìîíèòîðà
ïîÿâèòñÿ èíòåðôåéñ,
îäèíàêîâûé äëÿ
îáåèõ ïîäñèñòåì,
âêëþ÷àþùèé: çàãîëîâîê
îêíà, â êîòîðîì
îòîáðàæàåòñÿ
íàçâàíèå ïðîãðàììû
è òåêóùåé ïîäñèñòåìû;
ñòðîêó ìåíþ, ðàñïîëîæåííóþ
ñðàçó ïîä çàãîëîâêîì
â âåðõíåé ÷àñòè
ýêðàíà è õðàíÿùóþ
ñâÿçàííûå ñ íèì
êîìàíäû; íèæå
- ïàíåëü óïðàâëåíèÿ
(èíñòðóìåíòàëüíàÿ
ïàíåëü), íà êîòîðîé
ðàñïîëîæåíû êíîïêè,
÷àñòî èñïîëüçóåìûå
ïðè ðàáîòå ñ ïîäñèñòåìîé;
åùå íèæå - ïàíåëü
çàãîëîâêà, ïðåäíàçíà÷åííóþ
äëÿ îòîáðàæåíèÿ
òåêóùåé ñáîðî÷íîé
åäèíèöû èëè äåòàëè,
òåêóùåé îïåðàöèè,
ïåðåõîäà è ïðî÷åå;
ñòðîêó íàâèãàöèè,
ïðåäíàçíà÷åííóþ
äëÿ çàäàíèÿ êîìàíä
âûïîëíåíèÿ ïîñëåäîâàòåëüíîñòè
ðàáîòû ñ ïîäñèñòåìîé;
ðàáî÷åå ïîëå ñèñòåìû
â öåíòðàëüíîé
÷àñòè ýêðàíà,
ïðåäñòàâëÿþùåå
ìíîãîñòðàíè÷íûé
áëîêíîò äëÿ çàãðóçêè
ïîëüçîâàòåëåì
íåñêîëüêèõ èíôîðìàöèîííûõ
ìàññèâîâ (òàáëèö),
(íàïðèìåð, ñáîðíûõ
åäèíèö, òåõíîëîãè÷åñêèõ
ïðîöåññîâ, îïåðàöèé
è ò. ä.); ïàíåëü çàêëàäîê,
ñëóæàùóþ äëÿ
ïåðåõîäà îò îäíîé
ñòðàíèöû ê äðóãîé
ïðîñòûì ùåë÷êîì
íà íóæíîé çàêëàäêå;
ñòðîêó òåêóùåãî
ñîñòîÿíèÿ (â ñàìîì
íèçó ýêðàíà),
â êîòîðîé îòîáðàæàåòñÿ
íàçâàíèå òåêóùåé
áàçû äàííûõ, êîëè÷åñòâî
çàïèñåé â òàáëèöå,
êàòàëîã äèñêà
è ò. ä.
.2 Ñòðóêòóðà «ÊÎÌÏÀÑ
- Àâòîïðîåêò»
 ïðåäûäóùåé
âåðñèè «ÊÎÌÏÀÑ
- Àâòîïðîåêò 9.3» áûëè
âíåñåíû èçìåíåíèÿ
â îðãàíèçàöèþ
îáìåíà äàííûìè
ìåæäó ÿäðîì ñèñòåìû
è âíåøíèìè ïðèëîæåíèÿìè.
Èñïîëüçîâàíèå
ÑÎÌ-òåõíîëîãèè
ïîçâîëèëî îòêðûòü
äîñòóï ê áàçîâîìó
ôóíêöèîíàëó
«ÊÎÌÏÀÑ - Àâòîïðîåêò»
è åùå áîëåå óïðîñòèòü
ïðîöåññ ðàçðàáîòêè
ïðèêëàäíûõ ïðîãðàììíûõ
ìîäóëåé òåõíîëîãè÷åñêîãî
íàçíà÷åíèÿ.
Íà÷èíàÿ ñ âåðñèè
9.3, «ÊÎÌÏÀÑ - Àâòîïðîåêò»
ÿâëÿåòñÿ ñåðâåðîì
àâòîìàòèçàöèè,
êîòîðûé ïîçâîëÿåò
êëèåíòñêèì ïðèëîæåíèÿì
èñïîëüçîâàòü
ìåòîäû îáúåêòîâ
è ñïåöèàëèçèðîâàííûå
ñåðâèñû, ðåàëèçîâàííûå
â ñèñòåìå. Âíåøíèå
ïðèëîæåíèÿ, ðàáîòàþùèå
ñ «ÊÎÌÏÀÑ - Àâòîïðîåêò»,
ìîãóò: ðåàãèðîâàòü
íà ñîáûòèÿ, ïðîèñõîäÿùèå
íà ñåðâåðå: îòêðûòèå
è çàêðûòèå áàç
äàííûõ, ñìåíà
ïîäñèñòåì, òàáëèö,
èçìåíåíèå äàííûõ,
çàâåðøåíèå ïðèëîæåíèÿ
è äð.; ïîëó÷àòü
äàííûå î òåêóùåì
ñîñòîÿíèè ñèñòåìû:
ñîäåðæàíèå àêòèâíîé
òàáëèöû, ïîñëåäíèé
âûïîëíåííûé
SQL-çàïðîñ, êîíôèãóðàöèîííûå
íàñòðîéêè, èìÿ
ïîëüçîâàòåëÿ,
åãî ðàíã è ò.ä.;
óïðàâëÿòü ñèñòåìîé
«ÊÎÌÏÀÑ - Àâòîïðîåêò»:
çàãðóæàòü òðåáóåìûå
áàçû äàííûõ, àâòîìàòè÷åñêè
ïåðåìåùàòüñÿ
ïî òàáëèöàì, êîïèðîâàòü
èíôîðìàöèþ èç
ñïðàâî÷íèêîâ,
âûäåëÿòü áëîêè
çàïèñåé, ïðîèçâîäèòü
èõ óäàëåíèå èëè
âñòàâêó è ò.ä.
 ñðåäå «ÊÎÌÏÀÑ
- Àâòîïðîåêò» ðåàëèçîâàíî
ïîðÿäêà 300 ðàçëè÷íûõ
ìåòîäîâ è ñåðâèñîâ,
êîòîðûå â âèäå
API-ôóíêöèé ìîãóò
áûòü ïðåäîñòàâëåíû
ïðîãðàììàì, ðàçðàáîòàííûì
íà ðàçíûõ ÿçûêàõ,
ðåàëèçóþùèõ
COM-òåõíîëîãèþ,
âêëþ÷àÿ èíòåðïðåòèðóþùèå
ÿçûêè òèïà VBScript.
Îòêðûòàÿ àðõèòåêòóðà
ñèñòåìû ïîçâîëÿåò
ïðåäïðèÿòèÿì
ñàìîñòîÿòåëüíî
ðàçðàáàòûâàòü
ñâîè íîâûå ïðîãðàììíûå
ìîäóëè è îðãàíè÷íî
âñòðàèâàòü èõ
â ïðîãðàììíûé
êîìïëåêñ. Èñïîëüçîâàíèå
âîçìîæíîñòåé
ñåðâåðà àâòîìàòèçàöèè
«ÊÎÌÏÀÑ - Àâòîïðîåêò»
çíà÷èòåëüíî
îáëåã÷àåò ðàçðàáîòêó
ïðèëîæåíèé, ïðàêòè÷åñêè
ñíèìàåò îãðàíè÷åíèÿ
ïî àäàïòàöèè
ñèñòåìû ïîä ñïåöèàëüíûå
òðåáîâàíèÿ çàêàç÷èêîâ
è îáåñïå÷èâàåò
ðåøåíèå ðàçíîîáðàçíûõ
çàäà÷ òåõíîëîãè÷åñêîé
ïîäãîòîâêè ïðîèçâîäñòâà,
âêëþ÷àÿ øèðîêèå
âîçìîæíîñòè
èíòåãðàöèè ñ
óæå ðàáîòàþùèìè
íà ïðåäïðèÿòèè
ñèñòåìàìè
ERP/MRP/PLM.
Òàê, íàïðèìåð,
â áàçîâóþ ïîñòàâêó
òåïåðü âõîäèò
ìîäóëü èíòåãðàöèè
ñ èçâåñòíîé ñèñòåìîé
öåõîâîãî ïëàíèðîâàíèÿ
è óïðàâëåíèÿ ÔÎÁÎÑ.
 ðàìêàõ âåðñèè
«ÊÎÌÏÀÑ - ÀÂÒÎÏÐÎÅÊÒ
9.4» íà áàçå íîâûõ
âîçìîæíîñòåé,
ïðåäîñòàâëÿåìûõ
ñåðâåðîì àâòîìàòèçàöèè,
ðåàëèçîâàí ðÿä
òåõíîëîãè÷åñêèõ
ìîäóëåé ðàçëè÷íîãî
íàçíà÷åíèÿ.
.2.1 Ðàñ÷åò íîðì
ðàñõîäà ìàòåðèàëîâ
Çíà÷èòåëüíóþ
÷àñòü â ñòðóêòóðå
ñåáåñòîèìîñòè
ïðîäóêöèè ñîñòàâëÿþò
çàòðàòû íà ïðèîáðåòåíèå
ìàòåðèàëîâ äëÿ
èçãîòîâëåíèÿ
èçäåëèé. Çàäà÷à
îïòèìèçàöèè
êîëè÷åñòâà íåîáõîäèìûõ
ìàòåðèàëîâ ÿâëÿåòñÿ
îäíîé èç îñíîâíûõ
â òåõíîëîãè÷åñêîé
ïîäãîòîâêå ïðîèçâîäñòâà.
Ïðè àâòîìàòèçèðîâàííîì
ðàñ÷åòå íîðì
ðàñõîäà ìàòåðèàëîâ
ó÷èòûâàþòñÿ
ðàçëè÷íûå íîðìàòèâû
òåõíîëîãè÷åñêèõ
ïîòåðü: ïðèïóñêè
íà îòðåçêó, îòõîäû
âñëåäñòâèå íåêðàòíîñòè
ðàçìåðîâ èñõîäíîãî
ìàòåðèàëà è ò.ä.
 «ÊÎÌÏÀÑ - Àâòîïðîåêò
9.4» â çàâèñèìîñòè
îò âèäà è ïðîôèëÿ
çàãîòîâêè ïðåäóñìîòðåíû
ðàçëè÷íûå âèäû
ðàñ÷åòà, â òîì
÷èñëå ðàñ÷åò
ñîðòîâîãî ïðîêàòà
èç ïðóòêîâ íîðìàëüíîé
èëè êðàòíîé äëèíû,
ðàñ÷åò íîðì ðàñõîäà
ëèñòîâîãî ìàòåðèàëà
ïðè èíäèâèäóàëüíîì
ðàñêðîå è ò.ä.
 ñèñòåìå èìååòñÿ
âîçìîæíîñòü
ðàñ÷åòà ðàçëè÷íûõ
âàðèàíòîâ çàãîòîâêè
è âûáîðà èç íèõ
íàèáîëåå îïòèìàëüíîãî.
Âñå âàðèàíòû
ñîõðàíÿþòñÿ
è ìîãóò áûòü èñïîëüçîâàíû
â äàëüíåéøåì.
«ÊÎÌÏÀÑ - Àâòîïðîåêò»
îáåñïå÷èâàåò
íàñòðîéêó íà
àëãîðèòìû íîðìèðîâàíèÿ
ìàòåðèàëîâ, äåéñòâóþùèå
íà ïðåäïðèÿòèè.
Ýòî ïîçâîëÿåò
îïòèìèçèðîâàòü
êîëè÷åñòâî ìàòåðèàëîâ,
òðåáóåìûõ äëÿ
ïðîèçâîäñòâà.
Äàííûå ìîãóò
áûòü îïåðàòèâíî
ïîëó÷åíû êàê
â âèäå òåõíîëîãè÷åñêîé
âåäîìîñòè ñâîäíûõ
èëè ïîäåòàëüíî-ñïåöèôèöèðîâàííûõ
íîðì ðàñõîäà
ìàòåðèàëîâ, ôîðìèðóåìûõ
â «ÊÎÌÏÀÑ - Àâòîïðîåêò»,
òàê è ïåðåäàíû
â ñèñòåìû êëàññîâ
ERP/MRP/PLM äëÿ ñâîåâðåìåííîãî
çàêàçà.
Äëÿ îïòèìàëüíîãî
ðàñêðîÿ ëèñòîâîãî
ìàòåðèàëà â ñîñòàâå
èíòåãðèðîâàííîãî
ïðîãðàììíîãî
êîìïëåêñà ìîæåò
áûòü ïîñòàâëåí
ñïåöèàëèçèðîâàííûé
ÑÀÏÐ Èíòåõ-ÐÀÑÊÐÎÉ
W/L.
.2.2 Çàòðàòû òðóäà
Íå ìåíåå ñóùåñòâåííóþ
÷àñòü â ñòðóêòóðå
ñåáåñòîèìîñòè
ïðîäóêöèè ñîñòàâëÿþò
çàòðàòû òðóäà
íà âûïîëíåíèå
ðàçëè÷íûõ òåõíîëîãè÷åñêèõ
îïåðàöèé. Çàäà÷à
èõ îáúåêòèâíîãî
ðàñ÷åòà ÿâëÿåòñÿ
àêòóàëüíîé äëÿ
êàæäîãî ïðåäïðèÿòèÿ.
Äîñòîâåðíîñòü
ïîëó÷àåìîé íà
äàííîì ýòàïå
èíôîðìàöèè ñóùåñòâåííî
âëèÿåò íà âñå
àñïåêòû äåÿòåëüíîñòè,
íà ðàáîòó ïîñëåäóþùèõ
ïîòðåáèòåëåé
èíôîðìàöèè, âêëþ÷àÿ
ïîäðàçäåëåíèÿ
ïëàíèðîâàíèÿ
è óïðàâëåíèÿ ïðîèçâîäñòâîì,
ôèíàíñîâîãî
óïðàâëåíèÿ ïðè
èñïîëüçîâàíèè
âíåäðåííûìè
íà ïðåäïðèÿòèè
ñèñòåì êëàññîâ
ERP/MRP/PLM. Äëÿ îïåðàòèâíîãî
è òî÷íîãî ðàñ÷åòà
òðåáóåìûõ çàòðàò
òðóäà ïðåäíàçíà÷åíû
ïðîãðàììû ðàñ÷åòà
ðåæèìîâ ðåçàíèÿ
äëÿ ìåõàíîîáðàáîòêè
è ðåæèìîâ îáðàáîòêè
äëÿ ñâàðêè, ïðîãðàììû
óêðóïíåííîãî
íîðìèðîâàíèÿ
òåõíîëîãè÷åñêèõ
îïåðàöèé è íîðìèðîâàíèÿ
òåõíîëîãè÷åñêèõ
ïåðåõîäîâ.
.2.3 Ðàñ÷åò ðåæèìîâ
ðåçàíèÿ
Îáúåêòèâíûé
ðàñ÷åò ðåæèìîâ
ðåçàíèÿ (ðèñóíîê
4.6) òðåáóåòñÿ íà
ðàçëè÷íûõ ýòàïàõ
ïîäãîòîâêè è
ïðîèçâîäñòâà
èçäåëèÿ. Îí ÿâëÿåòñÿ
è îñíîâîé äëÿ
ðàñ÷åòà çàòðàò
âðåìåíè. Äîñòîâåðíîñòü
ðåæèìîâ îáðàáîòêè
îáåñïå÷èâàåò
îáúåêòèâíûé
ðàñ÷åò çàãðóçêè
îáîðóäîâàíèÿ
è, êàê ñëåäñòâèå,
ñâîåâðåìåííîñòü
âûïîëíåíèÿ çàêëþ÷åííûõ
êîíòðàêòîâ. Òî÷íîå
îïðåäåëåíèå çàãðóçêè
îáîðóäîâàíèÿ
ïîçâîëÿåò ñâîåâðåìåííî
ïðèíÿòü ðåøåíèå
ïî «óçêèì» ìåñòàì
ïðîèçâîäñòâà
è ïðè íåîáõîäèìîñòè
óâåëè÷èòü åãî
îáúåì, ðàçìåñòèâ
íîâûå çàêàçû
íà ìåíåå èñïîëüçóåìîì
îáîðóäîâàíèè.
Íà ïðîìûøëåííûõ
ïðåäïðèÿòèÿõ
ðàñ÷åòîì ðåæèìîâ
ðåçàíèÿ çàíèìàþòñÿ
â îñíîâíîì ïðè
ìàññîâîì èëè
êðóïíîñåðèéíîì
ïðîèçâîäñòâå
èçäåëèé. Îñíîâíûì
ôàêòîðîì, ïðåïÿòñòâóþùèì
ðåøåíèþ ýòîé
çàäà÷è â óñëîâèÿõ
åäèíè÷íîãî ïðîèçâîäñòâà,
ÿâëÿåòñÿ åå âûñîêàÿ
òðóäîåìêîñòü.
Îäíàêî ñèñòåìà
ðàñ÷åòà ðåæèìîâ
ðåçàíèÿ â ñîñòàâå
«ÊÎÌÏÀÑ - Àâòîïðîåêò»
ïîçâîëÿåò óñïåøíî
ïðèìåíÿòü äàííûé
ðàñ÷åò è äëÿ åäèíè÷íîãî
ïðîèçâîäñòâà,
îáåñïå÷èâàåò
îïåðàòèâíûé
ðàñ÷åò ðåæèìîâ
îáðàáîòêè, îñíîâíîãî
è âñïîìîãàòåëüíîãî
âðåìåíè íà îñíîâíîé
ïåðåõîä.
Ïðè ýòîì ó÷èòûâàþòñÿ
òèï è ãåîìåòðèÿ
îáðàáàòûâàåìîãî
êîíñòðóêòèâíîãî
ýëåìåíòà, ôèçèêî-ìåõàíè÷åñêèå
ñâîéñòâà ìàòåðèàëà
è ñîñòîÿíèå ïîâåðõíîñòíîãî
ñëîÿ çàãîòîâêè,
æåñòêîñòü òåõíîëîãè÷åñêîé
ñèñòåìû, ïàñïîðòíûå
äàííûå ñòàíêà,
ïàðàìåòðû ðåæóùåãî
èíñòðóìåíòà
è ò.ä. Âñïîìîãàòåëüíîå
âðåìÿ íà îñíîâíîé
ïåðåõîä îïðåäåëÿåòñÿ
ïî îáùåìàøèíîñòðîèòåëüíûì
íîðìàòèâàì. Îáåñïå÷èâàåòñÿ
íàñòðîéêà íà
ðàçëè÷íûå àëãîðèòìû
ðàñ÷åòà, â òîì
÷èñëå è ìåòîäèêó,
ïðèìåíÿåìóþ íà
êîíêðåòíîì ïðåäïðèÿòèè.
.2.4 Ðàñ÷åò ðåæèìîâ
ñâàðêè
Ñóùåñòâåííóþ
ðîëü â àâòîìàòèçàöèè
ðàçðàáîòêè òåõíîëîãèé
ñâàðêè çàíèìàåò
ðàñ÷åò ðåæèìîâ
(ðèñóíîê 4.7). Îí îáåñïå÷èâàåò
âûáîð ñâàðî÷íûõ
ìàòåðèàëîâ (ýëåêòðîäîâ,
ñâàðî÷íîé ïðîâîëîêè,
çàùèòíûõ ãàçîâ)
è íîðì èõ ðàñõîäà
äëÿ ðàçëè÷íûõ
ñïîñîáîâ ñâàðêè.
Ó÷èòûâàþòñÿ
êîíñòðóêòèâíûå
ýëåìåíòû ñâàðíûõ
øâîâ ïî ÃÎÑÒ (ÃÎÑÒ
5264-80, ÃÎÑÒ 14771-76 è äð.), ïîëîæåíèå
øâà â ïðîñòðàíñòâå,
èñïîëüçóåìîå
îáîðóäîâàíèå.
Ñèñòåìà ïîçâîëÿåò
íàñòðîèòüñÿ
íà ìåòîäèêó ðàñ÷åòà,
ïðèìåíÿåìóþ íà
êîíêðåòíîì ïðåäïðèÿòèè.
Ðèñóíîê
4.6 - Îêíî ðàñ÷åòà
ðåæèìîâ ðåçàíèÿ
Ðèñóíîê
4.7 - Îêíî ðàñ÷åòà
ðåæèìîâ ñâàðêè
6.2.5
Íîðìèðîâàíèå
çàòðàò òðóäà
Íîðìèðîâàíèå
çàòðàò òðóäà
â ñèñòåìå (ðèñóíîê
4.8) îñóùåñòâëÿåòñÿ
ïî îáùåìàøèíîñòðîèòåëüíûì
íîðìàòèâàì ÍÈÈ
òðóäà â äâóõ ðåæèìàõ:
íîðìèðîâàíèå
îïåðàöèé ïî óêðóïíåííûì
òèïîâûì íîðìàòèâàì;
íîðìèðîâàíèå
òåõíîëîãè÷åñêèõ
ïåðåõîäîâ.
Íîðìèðîâàíèå
ïî óêðóïíåííûì
òèïîâûì íîðìàòèâàì
ïðèìåíÿåòñÿ â
åäèíè÷íîì è ìåëêîñåðèéíîì
ïðîèçâîäñòâå.
Ïîäðîáíîå íîðìèðîâàíèå
âñåõ ïðèåìîâ
ðàáîò íà êàæäîì
ïåðåõîäå âåäåòñÿ
â îñíîâíîì â óñëîâèÿõ
êðóïíîñåðèéíîãî
è ìàññîâîãî ïðîèçâîäñòâà.
Îñíîâíûìè
ôàêòîðàìè, ïðåïÿòñòâóþùèìè
èñïîëüçîâàíèþ
íîðìèðîâàíèÿ
òåõíîëîãè÷åñêèõ
ïåðåõîäîâ â óñëîâèÿõ
åäèíè÷íîãî ïðîèçâîäñòâà,
ÿâëÿëàñü íå òîëüêî
âûñîêàÿ òðóäîåìêîñòü
ðàñ÷åòà ðåæèìîâ
îáðàáîòêè (â îñíîâå
ðàñ÷åòà èñïîëüçóþòñÿ
ðåæèìû), íî è âûñîêàÿ
òðóäîåìêîñòü
íåïîñðåäñòâåííîãî
íîðìèðîâàíèÿ
êàæäîãî ïðèåìà
ðàáîò.
Ñ
ðàçðàáîòêîé
ñèñòåìû ðàñ÷åòà
ðåæèìîâ ðåçàíèÿ
è ñèñòåìû íîðìèðîâàíèÿ
òðóäîåìêîñòü
âûïîëíåíèÿ äàííûõ
ðàñ÷åòîâ òåõíîëîãîì
è èíæåíåðîì ïî
íîðìèðîâàíèþ
ñâåäåíà äî ìèíèìóìà.
Íîðìèðîâàíèå
ïî óêðóïíåííûì
òèïîâûì íîðìàòèâàì
ïðèìåíÿåòñÿ â
åäèíè÷íîì è ìåëêîñåðèéíîì
ïðîèçâîäñòâå.
Ïîäðîáíîå íîðìèðîâàíèå
âñåõ ïðèåìîâ
ðàáîò íà êàæäîì
ïåðåõîäå âåäåòñÿ
â îñíîâíîì â óñëîâèÿõ
êðóïíîñåðèéíîãî
è ìàññîâîãî ïðîèçâîäñòâà.
Îñíîâíûìè
ôàêòîðàìè, ïðåïÿòñòâóþùèìè
èñïîëüçîâàíèþ
íîðìèðîâàíèÿ
òåõíîëîãè÷åñêèõ
ïåðåõîäîâ â óñëîâèÿõ
åäèíè÷íîãî ïðîèçâîäñòâà,
ÿâëÿëàñü íå òîëüêî
âûñîêàÿ òðóäîåìêîñòü
ðàñ÷åòà ðåæèìîâ
îáðàáîòêè (â îñíîâå
ðàñ÷åòà èñïîëüçóþòñÿ
ðåæèìû), íî è âûñîêàÿ
òðóäîåìêîñòü
íåïîñðåäñòâåííîãî
íîðìèðîâàíèÿ
êàæäîãî ïðèåìà
ðàáîò.
Ðèñóíîê
4.8 - Îêíî ðàñ÷åòà
íîðì âðåìåíè
Ñ
ðàçðàáîòêîé
ñèñòåìû ðàñ÷åòà
ðåæèìîâ ðåçàíèÿ
è ñèñòåìû íîðìèðîâàíèÿ
òðóäîåìêîñòü
âûïîëíåíèÿ äàííûõ
ðàñ÷åòîâ òåõíîëîãîì
è èíæåíåðîì ïî
íîðìèðîâàíèþ
ñâåäåíà äî ìèíèìóìà.
Ïðåäïðèÿòèå
è â óñëîâèÿõ åäèíè÷íîãî
ïðîèçâîäñòâà
ìîæåò óñïåøíî,
áåç ïîòåðü âðåìåíè
ñïåöèàëèñòîâ
ïî ïîäãîòîâêå
ïðîèçâîäñòâà,
èñïîëüçîâàòü
ïîäðîáíîå íîðìèðîâàíèå
âñåõ ïðèåìîâ
ðàáîò íà òåõíîëîãè÷åñêèõ
ïåðåõîäàõ.
Ïðè
íîðìèðîâàíèè
ðàññ÷èòûâàåòñÿ
âðåìÿ íà óñòàíîâêó
çàãîòîâêè, âðåìÿ
íà êîíòðîëüíûå
èçìåðåíèÿ, ïîäãîòîâèòåëüíî-çàêëþ÷èòåëüíîå
âðåìÿ è øòó÷íîå
âðåìÿ.
Ïðè
ðàñ÷åòå âðåìåíè
íà óñòàíîâêó
ó÷èòûâàåòñÿ
ñïîñîá óñòàíîâêè
äåòàëè, ñîñòàâ
ïðèñïîñîáëåíèé
äëÿ óñòàíîâêè,
âåñ äåòàëè, ñïîñîá
óñòàíîâêè, îáðàáàòûâàåìûé
ìàòåðèàë, õàðàêòåð
âûâåðêè, ñîñòîÿíèå
óñòàíîâî÷íîé
ïîâåðõíîñòè,
êîëè÷åñòâî äåòàëåé,
óñòàíàâëèâàåìûõ
â ïðèñïîñîáëåíèå,
âðåìÿ íà òðàíñïîðòèðîâêó
è êàíòîâêó êðóïíûõ
äåòàëåé. Âðåìÿ
íà ïåðåóñòàíîâêó
ðàññ÷èòûâàåòñÿ
àâòîìàòè÷åñêè.
Ðàññ÷èòûâàÿ
âðåìÿ íà êîíòðîëüíûå
èçìåðåíèÿ, ñèñòåìà
ó÷èòûâàåò ïðèìåíÿåìîå
ñðåäñòâî èçìåðåíèÿ,
òî÷íîñòü èçìåðåíèÿ,
èçìåðÿåìûé ðàçìåð,
äëèíó èçìåðÿåìîé
ïîâåðõíîñòè,
óäîáñòâî èçìåðåíèÿ
è ò.ä.
Ïðè
ðàñ÷åòå ïîäãîòîâèòåëüíî-çàêëþ÷èòåëüíîãî
âðåìåíè â çàâèñèìîñòè
îò âèäà îáîðóäîâàíèÿ
ó÷èòûâàåòñÿ
ñïîñîá óñòàíîâêè
äåòàëè, êîëè÷åñòâî
èíñòðóìåíòîâ
èëè ïåðåõîäîâ,
ãðóïïà îáîðóäîâàíèÿ,
âðåìÿ íà ïðîáíóþ
îáðàáîòêó è ò.ä.
Ïðè
ðàñ÷åòå øòó÷íî-êàëüêóëÿöèîííîãî
âðåìåíè ó÷èòûâàåòñÿ
ñåðèéíîñòü âûïîëíÿåìûõ
ðàáîò ñ ó÷åòîì
åå õàðàêòåðà,
âðåìÿ íà îáñëóæèâàíèå
ðàáî÷åãî ìåñòà
â çàâèñèìîñòè
îò ãðóïïû ñòàíêîâ,
âðåìÿ íà îòäûõ
è ëè÷íûå íàäîáíîñòè
â çàâèñèìîñòè
îò èíòåíñèâíîñòè
âûïîëíåíèÿ ðàáîò.
Ñèñòåìà
íîðìèðîâàíèÿ
ìîæåò áûòü íàñòðîåíà
íà àëãîðèòìû
ðàñ÷åòà, ïðèìåíÿþùèåñÿ
íà êîíêðåòíîì
ïðåäïðèÿòèè. Â
ñîñòàâå èíòåãðèðîâàííîãî
êîìïëåêñà îíà
îáåñïå÷èâàåò
ñèñòåìû óïðàâëåíèÿ
è ïëàíèðîâàíèÿ
ïðîèçâîäñòâà
îïåðàòèâíîé
è äîñòîâåðíîé
èíôîðìàöèåé.
.2.6
Ôîðìèðîâàíèå
òåõíîëîãè÷åñêèõ
âåäîìîñòåé
Îäíèì
èç òðåáîâàíèé,
ïðåäúÿâëÿåìûõ
ê ïðîãðàììíîìó
êîìïëåêñó àâòîìàòèçàöèè
òåõíîëîãè÷åñêîé
ïîäãîòîâêè ïðîèçâîäñòâà,
ÿâëÿåòñÿ îïåðàòèâíîå
ôîðìèðîâàíèå
ñàìûõ ðàçíîîáðàçíûõ
òåõíîëîãè÷åñêèõ
âåäîìîñòåé äëÿ
ñâîåâðåìåííîãî
îáåñïå÷åíèÿ
ïðîèçâîäñòâà
ìàòåðèàëàìè,
îñíàùåíèåì èëè
ðàñ÷åòà ñåáåñòîèìîñòè
èçãîòîâëåíèÿ
çàêàçà.
Íîâûé
ìîäóëü ôîðìèðîâàíèÿ
ñâîäíûõ âåäîìîñòåé
â «ÊÎÌÏÀÑ - Àâòîïðîåêò»
(ðèñóíîê 4.9) îáåñïå÷èâàåò
áûñòðóþ íàñòðîéêó
ëþáîé òðåáóåìîé
ôîðìû âåäîìîñòè
è ïðàâèë åå ôîðìèðîâàíèÿ.
Äîïîëíèòåëüíî
ê èìåþùèìñÿ â
áàçîâîé ïîñòàâêå
âåäîìîñòÿì (òðóäîåìêîñòè
èçãîòîâëåíèÿ
èçäåëèÿ ïî âèäàì
îáîðóäîâàíèÿ,
âåäîìîñòè ìàòåðèàëîâ
è îñíàñòêè è
äðóãèì) ïîëüçîâàòåëü
èìååò âîçìîæíîñòü
íàñòðîèòü ôîðìèðîâàíèå
âåäîìîñòè ïðîèçâîëüíîé
ôîðìû áåç ó÷àñòèÿ
ðàçðàáîò÷èêîâ
ñèñòåìû.
Ìåõàíèçì
ôîðìèðîâàíèÿ
ñâîäíûõ âåäîìîñòåé
îñíîâàí íà õðàíèìûõ
ïðîöåäóðàõ SQL ñåðâåðà,
API-ôóíêöèÿõ ÿäðà
ñèñòåìû è íàñòðàèâàåìûõ
îáðàçöàõ äîêóìåíòîâ
â ôîðìàòå MS Excel.
Ðèñóíîê
4.9 - Îêíî òåõíîëîãè÷åñêîé
îïåðàöèîííîé
âåäîìîñòè
.2.7
Ôîðìèðîâàíèå
òåõíîëîãè÷åñêèõ
êàðò
Â
«ÊÎÌÏÀÑ - Àâòîïðîåêò
9.4» âêëþ÷åíà íîâàÿ
âåðñèÿ ïðîãðàììû
ôîðìèðîâàíèÿ
êîìïëåêòà êàðò,
ðàçðàáîòàííîãî
òåõíîëîãè÷åñêîãî
ïðîöåññà. Åå îòëè÷èòåëüíûìè
îñîáåííîñòÿìè
ÿâëÿåòñÿ âûñîêàÿ
ñêîðîñòü ôîðìèðîâàíèÿ
êàðò (óâåëè÷åíà
â 3-4 ðàçà), óïðîùåííîå
ñîçäàíèå íîâûõ
ôîðì òåõíîëîãè÷åñêèõ
äîêóìåíòîâ, ðàñøèðåíèå
âîçìîæíîñòåé
íàñòðîéêè.
Ïðîãðàììà
ðåàëèçîâàíà
â âèäå ñïåöèàëüíîãî
ìàñòåðà ïîøàãîâîé
ñðåäû íàáîðà è
íàñòðîéêè ïàðàìåòðîâ
ïîëó÷àåìîé äîêóìåíòàöèè.
Ðÿä íîâûõ âîçìîæíîñòåé,
â ÷èñëå êîòîðûõ
ôîðìèðîâàíèå
äîêóìåíòîâ â
ñðåäå Microsoft Excel, âñòàâêà
äîêóìåíòîâ â
êàðòû ýñêèçîâ
èç äðóãèõ CAD ñèñòåì,
äîáàâëåíèå â
êàðòû ëþáûõ òåêñòîâûõ
äîêóìåíòîâ, â
òîì ÷èñëå è äîêóìåíòîâ
Microsoft Word, ôîíîâîå ôîðìèðîâàíèå
äîêóìåíòîâ, ìîäóëüíûé
ïðèíöèï ïîñòðîåíèÿ
- âñå ýòî äàåò âîçìîæíîñòü
ïîëó÷åíèÿ êà÷åñòâåííûõ
äîêóìåíòîâ â
ñîîòâåòñòâèè
ñ ÅÑÒÄ â êðàò÷àéøèå
ñòðîêè. Äëÿ îáåñïå÷åíèÿ
óäîáñòâà ðàáîòû
ïîëíîñòüþ èçìåíåí
âíåøíèé âèä ïðîãðàììû
è âçàèìîäåéñòâèå
ñ ïîëüçîâàòåëåì,
îðãàíèçîâàíû
âîçìîæíîñòè
áûñòðîãî ôîðìèðîâàíèÿ
îòäåëüíûõ äîêóìåíòîâ
ïî «ãîðÿ÷èì» êëàâèøàì.
Ðåàëèçîâàí ìåõàíèçì
ðàçðàáîòêè è
ïîäêëþ÷åíèÿ ñîáñòâåííûõ
òåõíîëîãè÷åñêèõ
êàðò ëþáîé ñëîæíîñòè.
Îáúåäèíåíèå
ñèñòåì ôîðìèðîâàíèÿ
òåõíîëîãè÷åñêèõ
êàðò è ñâîäíûõ
îò÷åòîâ ïîçâîëèëî
ïîëó÷èòü ìíîãîôóíêöèîíàëüíóþ
è íàñòðàèâàåìóþ
ñðåäó äëÿ ñîçäàíèÿ
ðàçëè÷íîãî ðîäà
ñâîäíûõ âåäîìîñòåé.
Îäíîé èç îñíîâíûõ
÷àñòåé ýòîé
ñèñòåìû ÿâëÿåòñÿ
âíåøíèé ìåõàíèçì
ôîðìèðîâàíèÿ
ñâîäíûõ âåäîìîñòåé
ïðè ïîìîùè ÿçûêà
Visual Basic, ÷òî ïîçâîëÿåò
äîáàâëÿòü ïîëüçîâàòåëüñêèé
ôóíêöèîíàë íåïîñðåäñòâåííî
â ïðîöåññ ñîçäàíèÿ
âåäîìîñòè.
Âñå
ýòè ôàêòîðû â
ñîâîêóïíîñòè
ïîçâîëÿþò îáðàçîâàòü
êîìïëåêñíóþ
ñèñòåìó ïîäãîòîâêè
äîêóìåíòîâ â
ñðåäå «ÊÎÌÏÀÑ
- Àâòîïðîåêò».
.2.8
Ïîèñê òåõïðîöåññîâ
â àðõèâå
Â
«ÊÎÌÏÀÑ - Àâòîïðîåêò
9.4» ðàñøèðåíû âîçìîæíîñòè
ïîèñêà òåõíîëîãè÷åñêèõ
ïðîöåññîâ â àðõèâå.
Ïîèñê ñåé÷àñ
âîçìîæåí ïî ñîäåðæèìîìó
òåõíîëîãè÷åñêèõ
îïåðàöèé è ïåðåõîäîâ.
Ïîëüçîâàòåëü
ìîæåò ïðîèçâåñòè
ïîèñê òåõïðîöåññîâ
(ðèñóíîê 4.10) ïî èñïîëüçóåìîìó
îáîðóäîâàíèþ,
ðåæóùåìó èíñòðóìåíòó,
ñðåäñòâàì èçìåðåíèÿ
è ò.ä., ïðèìåíèòü
òåõíîëîãè÷åñêèå
ðåøåíèÿ âûáðàííîãî
òåõïðîöåññà äëÿ
äàëüíåéøèõ ðàçðàáîòîê.
Ôóíêöèîíàë
èñïîëüçóåòñÿ
ïðåäïðèÿòèÿìè,
ê ïðèìåðó, ïðè ðåîðãàíèçàöèè
ïðîèçâîäñòâà.
Îí ïîçâîëÿåò áûñòðî
ñôîðìèðîâàòü
ïåðå÷åíü äåòàëåé,
îáðàáàòûâàåìûõ
íà òîì èëè èíîì
îáîðóäîâàíèè,
îáåñïå÷èòü èíôîðìàöèîííóþ
ïîääåðæêó äëÿ ïðèíÿòèÿ
ïðàâèëüíîãî ðåøåíèÿ.
Ðèñóíîê
4.10 - Îêíî ïîèñêà
òåõíîëîãè÷åñêèõ
ïðîöåññîâ
«ÊÎÌÏÀÑ
- Àâòîïðîåêò» óñïåøíî
ýêñïëóàòèðóåòñÿ
â òåñíîì ñîòðóäíè÷åñòâå
ñïåöèàëèñòîâ
ïî ïîäãîòîâêå
ïðîèçâîäñòâà
ñ âíåäðåí÷åñêèìè
êîìàíäàìè êîìïàíèè-ðàçðàáîò÷èêà.
Îíà ïðîäîëæàåò
äàëüíåéøåå ðàçâèòèå
äëÿ ðåøåíèÿ âñå
áîëåå øèðîêîãî
ñïåêòðà çàäà÷
ïîëüçîâàòåëåé
è îáåñïå÷åíèÿ
ìàêñèìàëüíîé
ýôôåêòèâíîñòè
áèçíåñ-ïðîöåññîâ
íà ïðîìûøëåííûõ
ïðåäïðèÿòèÿõ.
5.
Áåçîïàñíîñòü
òðóäà
.1
Àíàëèç è îáåñïå÷åíèå
áåçîïàñíûõ óñëîâèé
òðóäà
Ðàáî÷àÿ çîíà
ìåòàëëîðåæóùåãî
ñòàíêà âêëþ÷àåò
â ñåáÿ îïàñíûå
çîíû - çîíû, â êîòîðûõ
ãåíåðèðóþòñÿ
âðåäíûå è òðàâìèðóþùèå
âîçäåéñòâèÿ.
Íåçàùèùåííîñòü
îïàñíîé çîíû
ðîáîòà ìîæåò
ïðèâåñòè ê ðàçëè÷íûì
òðàâìàì. Áåçîïàñíîñòü
ïðîèçâîäñòâåííîãî
îáîðóäîâàíèÿ
îáåñïå÷èâàåòñÿ
ïðàâèëüíûì âûáîðîì
ïðèíöèïîâ åãî
äåéñòâèÿ, êèíåìàòè÷åñêèõ
ñõåì, êîíñòðóêòèâíûõ
ðåøåíèé (â òîì
÷èñëå ôîðì êîðïóñîâ,
ñáîðî÷íûõ åäèíèö
è äåòàëåé), ðàáî÷èõ
òåë, ïàðàìåòðîâ
ðàáî÷èõ ïðîöåññîâ,
èñïîëüçîâàíèåì
ðàçëè÷íûõ ñðåäñòâ
çàùèòû /10/.
Ïðè ðàáîòå ìåòàëëîðåæóùåãî
ñòàíêà âîçíèêàþò
ñëåäóþùèå âðåäíûå
è îïàñíûå ôàêòîðû:
âèáðàöèÿ, øóì,
ïûëü, äåéñòâèå
ýëåêòðè÷åñêîãî
òîêà â ñåòè íàïðÿæåíèåì
380 Â, èçáûòî÷íàÿ
òåìïåðàòóðà.
Óñòðàíåíèå âîçäåéñòâèÿ
ýòèõ ôàêòîðîâ
è ñîçäàíèå çäîðîâîé
âîçäóøíîé ñðåäû
ÿâëÿþòñÿ âàæíîé
çàäà÷åé, êîòîðàÿ
äîëæíà îñóùåñòâëÿòüñÿ
êîìïëåêñíî, îäíîâðåìåííî
ñ ðåøåíèåì îñíîâíûõ
âîïðîñîâ ïðîèçâîäñòâà.
Ñ öåëüþ óñòðàíåíèÿ
óêàçàííûõ âûøå
ôàêòîðîâ ïðåäïðèíèìàåòñÿ
ðÿä ìåðîïðèÿòèé
â ñîîòâåòñòâèè
ñ íîðìàòèâíûìè
äîêóìåíòàìè.
×òîáû èñêëþ÷èòü
ïîïàäàíèå â îïàñíóþ
çîíó ïðè ðàáîòå
ñòàíêà ïðåäóñìàòðèâàåòñÿ
çàùèòíîå îãðàæäåíèå,
êîòîðîå íå äîïóñêàåò
íåïîñðåäñòâåííîãî
êîíòàêòà ðàáî÷åãî
è èíñòðóìåíòà,
à òàêæå ïîïàäàíèå
ñòðóæêè íà òåëî
è îäåæäó ðàáî÷åãî,
íî ïîçâîëÿåò âèçóàëüíî
îòñëåæèâàòü
ïðîöåññ îáðàáîòêè.
Îãðàæäåíèå îñíàùàåòñÿ
êîíòðîëüíûì âûêëþ÷àòåëåì,
÷òî äåëàåò íåâîçìîæíûì
âêëþ÷åíèå ðàáî÷åé
÷àñòè. Ðåìåííàÿ
ïåðåäà÷à ïðèâîäà
ãëàâíîãî äâèæåíèÿ
çàêðûâàåòñÿ
îãðàæäåíèåì,
ïðåäîõðàíÿþùèì
îò òðàâìèðîâàíèÿ.
Âíóòðåííÿÿ ïîâåðõíîñòü
îãðàæäåíèÿ îêðàøèâàåòñÿ
â æåëòûé ñèãíàëüíûé
öâåò. Ñ íàðóæíîé
ñòîðîíû êîæóõà
óñòàíàâëèâàåòñÿ
ïðåäóïðåæäàþùèé
çíàê îïàñíîñòè
ïî ÃÎÑÒ 12.4.026-76.
Îòêëîíåíèå
ïàðàìåòðîâ ìåòåîóñëîâèé
îò ñàíèòàðíûõ
çíà÷åíèé ñîãëàñíî
ÃÎÑÒ 12.1.005-88 ìîæåò
ïðèâåñòè â ïîñëåäñòâèè
ê çàáîëåâàíèÿì:
ïðîñòóäå, ïåðåãðåâó
îðãàíèçìà.
Ìåòåîðîëîãè÷åñêèå
óñëîâèÿ, èëè ìèêðîêëèìàò,
â ïðîèçâîäñòâåííûõ
óñëîâèÿõ îïðåäåëÿþòñÿ
ñëåäóþùèìè ïàðàìåòðàìè:
) òåìïåðàòóðîé
âîçäóõà t, °Ñ;
) îòíîñèòåëüíîé
âëàæíîñòüþ φ,
%;
3) ñêîðîñòüþ äâèæåíèÿ
âîçäóõà íà ðàáî÷åì
ìåñòå υ, ì/ñ.
Êðîìå ýòèõ ïàðàìåòðîâ,
ÿâëÿþùèõñÿ îñíîâíûìè,
íå ñëåäóåò çàáûâàòü
îá àòìîñôåðíîì
äàâëåíèè Ð, êîòîðîå
âëèÿåò íà ïàðöèàëüíîå
äàâëåíèå îñíîâíûõ
êîìïîíåíòîâ
âîçäóõà (êèñëîðîäà
è àçîòà), à ñëåäîâàòåëüíî,
è íà ïðîöåññ äûõàíèÿ.
Äëÿ ñîçäàíèÿ
îïòèìàëüíûõ
ìèêðîêëèìàòè÷åñêèõ
óñëîâèé â öåõå
ïðåäóñìàòðèâàåòñÿ
ïðèòî÷íî-âûòÿæíóþ
âåíòèëÿöèþ. Â
ýòîé ñèñòåìå
âîçäóõ ïîäàåòñÿ
â ïîìåùåíèå ïðèòî÷íîé
âåíòèëÿöèåé,
à óäàëÿåòñÿ âûòÿæíîé
âåíòèëÿöèåé,
ðàáîòàþùèìè
îäíîâðåìåííî.
Äëÿ îáîãðåâà
ïîìåùåíèé â õîëîäíîå
âðåìÿ ãîäà ïðåäóñìàòðèâàåòñÿ
ñèñòåìà âîçäóøíîãî
è âîäÿíîãî îòîïëåíèÿ.
Ñèñòåìà îòîïëåíèÿ
êîìïåíñèðóåò
ïîòåðè òåïëîòû
÷åðåç ñòðîèòåëüíûå
îãðàæäåíèÿ, à
òàêæå íàãðåâ
ïðîíèêàþùåãî
â ïîìåùåíèå õîëîäíîãî
âîçäóõà, ïîñòóïàþùèõ
ìàòåðèàëîâ è
òðàíñïîðòà. Â
öåõå ðåêîìåíäóåòñÿ
ïîääåðæèâàòü
ñ ïîìîùüþ êîíäèöèîíåðîâ
îïòèìàëüíóþ
âåëè÷èíó îòíîñèòåëüíîé
âëàæíîñòè è ìèíèìàëüíóþ
ñêîðîñòü äâèæåíèÿ
âîçäóõà, à òàêæå
òåìïåðàòóðó.
Îò îñâåùåíèÿ
çàâèñÿò ïðîèçâîäèòåëüíîñòü
òðóäà è êà÷åñòâî
âûïóñêàåìîé
ïðîäóêöèè. Îñâåùåííîñòü
íà ðàáî÷åì ìåñòå
ñîîòâåòñòâóåò
õàðàêòåðó çðèòåëüíîé
ðàáîòû, îáåñïå÷èâàåò
äîñòàòî÷íî ðàâíîìåðíîå
ðàñïðåäåëåíèå
ÿðêîñòè íà ðàáî÷åé
ïîâåðõíîñòè
è â ïðåäåëàõ îêðóæàþùåãî
ïðîñòðàíñòâà,
íà ðàáî÷åé ïîâåðõíîñòè
äîëæíû îòñóòñòâîâàòü
ðåçêèå òåíè, ïðÿìàÿ
è îòðàæåííàÿ
áëåñêîñòü. Â äíåâíîå
âðåìÿ ñóòîê èñïîëüçóåòñÿ
åñòåñòâåííîå
îñâåùåíèå, êîòîðîå
îáåñïå÷èâàåò
îïòèìàëüíóþ
îñâåùåííîñòü.
Åñòåñòâåííîå
îñâåùåíèå ïîìåùåíèé
îñóùåñòâëÿåòñÿ
÷åðåç ñâåòîâûå
ïðîåìû è âûïîëíåíî
â âèäå áîêîâîãî
îñâåùåíèÿ. Â òåìíîå
âðåìÿ ñóòîê, à
òàêæå ïðè íåäîñòàòî÷íîì
åñòåñòâåííîì
îñâåùåíèè ïðåäóñìàòðèâàåòñÿ
èñêóññòâåííîå
îñâåùåíèå, êàê
â ïîìåùåíèÿõ,
òàê è íà îòêðûòûõ
ïëîùàäêàõ, ïðîåçäàõ
è ò.ï. Ýëåêòðè÷åñêèé
ñâåò íå òîëüêî
çàìåíÿåò åñòåñòâåííîå
îñâåùåíèå, íî
è îáëåã÷àåò òðóä,
ñíèæàåò óñòàëîñòü.
Åñòåñòâåííîå
è èñêóññòâåííîå
îñâåùåíèå â ïîìåùåíèè
ðåãëàìåíòèðóåòñÿ
íîðìàìè ÑÍèÏ
23-05-95 â çàâèñèìîñòè
îò õàðàêòåðà
çðèòåëüíîé ðàáîòû,
ñèñòåìû è âèäà
îñâåùåíèÿ, ôîíà,
êîíòðàñòà îáúåêòà
ñ ôîíîì.
Èñêóññòâåííîå
îñâåùåíèå íîðìèðóåòñÿ
êîëè÷åñòâåííûìè
(ìèíèìàëüíîé
îñâåùåííîñòüþ
Åmin) è êà÷åñòâåííûìè
ïîêàçàòåëÿìè
(ïîêàçàòåëÿìè
îñâåùåííîñòè
è êîìôîðòà, êîýôôèöèåíòîì
ïóëüñàöèè îñâåùåííîñòè
kE).
Åñòåñòâåííîå
îñâåùåíèå õàðàêòåðèçóåòñÿ
òåì, ÷òî ñîçäàâàåìàÿ
îñâåùåííîñòü
èçìåíÿåòñÿ â
çàâèñèìîñòè
îò âðåìåíè ñóòîê,
ãîäà, ìåòåîðîëîãè÷åñêèõ
óñëîâèé. Ïîýòîìó
â êà÷åñòâå êðèòåðèÿ
îöåíêè åñòåñòâåííîãî
îñâåùåíèÿ ïðèíÿòà
îòíîñèòåëüíàÿ
âåëè÷èíà - êîýôôèöèåíò
åñòåñòâåííîé
îñâåùåííîñòè
ÊÅÎ, íå çàâèñÿùèé
îò óêàçàííûõ
ïàðàìåòðîâ. ÊÅÎ
- ýòî îòíîøåíèå
îñâåùåííîñòè
â äàííîé òî÷êå
âíóòðè ïîìåùåíèÿ
ÅÂÍ ê îäíîâðåìåííîìó
çíà÷åíèþ íàðóæíîé
ãîðèçîíòàëüíîé
îñâåùåííîñòè
Åí, ñîçäàâàåìîé
ñâåòîì ïîëíîñòüþ
îòêðûòîãî íåáîñâîäà,
âûðàæåííîå â
ïðîöåíòàõ.
Ïðèíÿòî ðàçäåëüíîå
íîðìèðîâàíèå
ÊÅÎ äëÿ áîêîâîãî
è âåðõíåãî åñòåñòâåííîãî
îñâåùåíèÿ. Ïðè
áîêîâîì îñâåùåíèè
íîðìèðóþò ìèíèìàëüíîå
çíà÷åíèå ÊÅÎ
â ïðåäåëàõ ðàáî÷åé
çîíû, êîòîðîå
äîëæíî áûòü îáåñïå÷åíî
â òî÷êàõ, íàèáîëåå
îòäàëåííûõ îò
îêíà; â ïîìåùåíèÿõ
âåðõíèì è êîìáèíèðîâàííûì
îñâåùåíèåì - ïî
óñðåäíåííîìó
ÊÅÎ â ïðåäåëàõ
ðàáî÷åé çîíû.
Íîðìèðîâàííîå
çíà÷åíèå ÊÅÎ
ñ ó÷åòîì õàðàêòåðèñòèêè
çðèòåëüíîé ðàáîòû,
ñèñòåìû îñâåùåíèÿ,
ðàéîíà ðàñïîëîæåíèÿ
çäàíèé íà òåððèòîðèè
ñòðàíû ðàññ÷èòûâàåòñÿ
ïî ôîðìóëå:
, (5.1)
ãäå ÊÅÎ - êîýôôèöèåíò
åñòåñòâåííîé
îñâåùåííîñòè,
îïðåäåëÿåòñÿ
ïî ÑÍèÏ 23-05-95;
m - êîýôôèöèåíò
ñâåòîâîãî êëèìàòà,
îïðåäåëÿåìûé
â çàâèñèìîñòè
îò ðàéîíà ðàñïîëîæåíèÿ
çäàíèÿ íà òåððèòîðèè
ñòðàíû;
c - êîýôôèöèåíò
ñîëíå÷íîãî êëèìàòà,
îïðåäåëÿåìûé
â çàâèñèìîñòè
îò îðèåíòàöèè
îêîí îòíîñèòåëüíî
ñòîðîí ñâåòà;
êîýôôèöèåíòû
m è ñ îïðåäåëÿþò
ïî òàáëèöàì ÑÍèÏ
23-05-95.
Ñîãëàñíî ÑÍèÏ
23-05-95 ïðè ðàáîòàõ
âûñîêîé òî÷íîñòè
â ïîìåùåíèÿõ
ñ èñêóññòâåííûì
êîìáèíèðîâàííûì
îñâåùåíèåì îñâåùåííîñòü
äîëæíà ñîñòàâëÿòü
750 ëê, à â ïîìåùåíèÿõ
ñ ñîâìåùåííûì
îñâåùåíèåì (åñòåñòâåííîå
ïëþñ èñêóññòâåííîå)
îáùàÿ îñâåùåííîñòü
äîëæíà áûòü íå
ìåíåå 200 ëê, ïðè ïîêàçàòåëè
îñëåïëåííîñòè
Ð = 40 è êîýôôèöèåíòå
ïóëüñàöèè kE =15 %. Ôàêòè÷åñêîå
çíà÷åíèå îñâåùåííîñòè
ñîñòàâëÿåò 200 ëê.
Ïðè
ðàáîòàõ âûñîêîé
òî÷íîñòè â ïîìåùåíèÿõ
ñ åñòåñòâåííûì
áîêîâûì îñâåùåíèåì
ÊÅÎ, eí=1,2% â íàøåì
ñëó÷àå ôàêòè÷åñêîå
çíà÷åíèå ÊÅÎ
â ïîìåùåíèè ñ
âåðõíèì è êîìáèíèðîâàííûì
îñâåùåíèåì
(ÑÍèÏ 23-05-95).
Ðàáîòà
ìåòàëëîðåæóùåãî
ñòàíêà ñîïðîâîæäàåòñÿ
øóìîì è âèáðàöèåé.
Óðîâåíü øóìà
äîñòèãàåò 85 äÁÀ,
÷òî îêàçûâàåò
âðåäíîå âëèÿíèå
íà îðãàíèçì ÷åëîâåêà
è â ïåðâóþ î÷åðåäü
íà öåíòðàëüíóþ
íåðâíóþ è ñåðäå÷íî-ñîñóäèñòóþ
ñèñòåìû. Äëèòåëüíîå
âîçäåéñòâèå
èíòåíñèâíîãî
øóìà ìîæåò ïðèâåñòè
ê óõóäøåíèþ ñëóõà,
à â îòäåëüíûõ
ñëó÷àÿõ - ê ãëóõîòå.
Øóì îñëàáëÿåò
âíèìàíèå, óâåëè÷èâàåò
ðàñõîä ýíåðãèè
ïðè îäèíàêîâîé
ôèçè÷åñêîé íàãðóçêå,
çàìåäëÿåò ñêîðîñòü
ïñèõè÷åñêèõ
ðåàêöèé. Â ðåçóëüòàòå
ñíèæàåòñÿ ïðîèçâîäèòåëüíîñòü
è óõóäøàåòñÿ
êà÷åñòâî ðàáîòû.
Äîïóñòèìûé âåðõíèé
óðîâåíü øóìà
íà ðàáî÷åì ìåñòå
ñîñòàâëÿåò 80 äÁÀ
ïî ÑÍ 2.2.4/2.1.8.562-96.
Ê
ñðåäñòâàì èíäèâèäóàëüíîé
çàùèòû îò øóìà
îòíîñÿò âêëàäûøè,
íàóøíèêè è øëåìû.
Äëÿ óìåíüøåíèÿ
øóìà â îáîðóäîâàíèè
ïðåäóñìàòðèâàåòñÿ
ïðèíóäèòåëüíàÿ
ñìàçêà òðóùèõñÿ
ïîâåðõíîñòåé,
à òàêæå áàëàíñèðîâêà
âðàùàþùèõñÿ
ýëåìåíòîâ ðîáîòà.
Íàïðàâëåíèå øóìà
ó÷èòûâàåòñÿ
ïðè ïðîåêòèðîâàíèè
óñòàíîâîê â öåõå.
Èñïîëüçóþòñÿ
çâóêîïîãëîùàþùèå
è çâóêîèçîëèðóþùèå
ìàòåðèàëû.
Óâåëè÷åíèå
ïðîèçâîäèòåëüíîñòè
è, êàê ñëåäñòâèå
ýòîãî, ðîñò ìîùíîñòåé
è ïðîèçâîäèòåëüíîñòè
òåõíîëîãè÷åñêîãî
îáîðóäîâàíèÿ
ïðè îäíîâðåìåííîì
ñíèæåíèè åãî
ìàòåðèàëîåìêîñòè,
óìåíüøåíèå ñòàòè÷åñêèõ
íàãðóçîê íà ÷åëîâåêà
ñîïðîâîæäàþòñÿ
íåæåëàòåëüíûì
ïîáî÷íûì ýôôåêòîì
- óñèëåíèåì âèáðàöèé.
Âîçäåéñòâèå
âèáðàöèé íå òîëüêî
óõóäøàåò ñàìî÷óâñòâèå
ðàáîòàþùåãî
è ñíèæàåò ïðîèçâîäèòåëüíîñòü
òðóäà, íî ÷àñòî
ïðèâîäèò ê òÿæåëîìó
ïðîôåññèîíàëüíîìó
çàáîëåâàíèþ
- âèáðîáîëåçíè.
Ïîýòîìó âîïðîñàì
áîðüáû ñ âèáðàöèåé
ïðèäàåòñÿ îãðîìíîå
çíà÷åíèå.
Âðåäíûå ïîñëåäñòâèÿ
âèáðàöèè âîçðàñòàþò
ñ óâåëè÷åíèåì
áûñòðîõîäíîñòè
ìàøèí è ìåõàíèçìîâ,
ïîñêîëüêó ýíåðãèÿ
êîëåáàòåëüíîãî
ïðîöåññà âîçðàñòàåò
ïðîïîðöèîíàëüíî
êâàäðàòó ÷àñòîòû
êîëåáàíèé. Ïðè
ïîâûøåíèè ÷àñòîò
êîëåáàíèé áîëåå
0,7 Ãö âîçìîæíû ðåçîíàíñíûå
êîëåáàíèÿ â îðãàíàõ
÷åëîâåêà.
Äëÿ óìåíüøåíèÿ
âèáðàöèé, âîçíèêàþùèõ
ïðè ðàáîòå ìåòàëëîðåæóùåãî
ñòàíêà, âî âðåìÿ
óñòàíîâêè îáîðóäîâàíèÿ
ñòàâÿò âèáðîîïîðû.
Ïðèìåíÿþò äåìïôèðóþùèå
óñòðîéñòâà â
êîíñòðóêöèè
ñòàíêà. Ðàñ÷åò
âèáðîèçîëèðóþùèõ
îñíîâàíèé äëÿ
ñòàíêà ïðèâåäåí
â ïóíêòå 5.2.
Åùå îäíèì îïàñíûì
ôàêòîðîì ïðè ðàáîòå
ñòàíêà ÿâëÿåòñÿ
íàïðÿæåíèå â ýëåêòðè÷åñêîé
öåïè. Ñòàíîê ïîäêëþ÷àåòñÿ
ê öåïè íàïðÿæåíèåì
380 Â, çíà÷èò åñòü
îïàñíîñòü ïîðàæåíèÿ
ýëåêòðè÷åñêèì
òîêîì.
Ñëó÷àè ïîðàæåíèÿ
÷åëîâåêà òîêîì
âîçìîæíû ëèøü
ïðè çàìûêàíèè
ýëåêòðè÷åñêîé
öåïè ÷åðåç òåëî
÷åëîâåêà èëè,
èíà÷å ãîâîðÿ,
ïðè ïðèêîñíîâåíèè
÷åëîâåêà íå ìåíåå
÷åì ê äâóì òî÷êàì
öåïè, ìåæäó êîòîðûìè
ñóùåñòâóåò íåêîòîðîå
íàïðÿæåíèå.
Îïàñíîñòü òàêîãî
ïðèêîñíîâåíèÿ,
îöåíèâàåìàÿ
çíà÷åíèåì òîêà,
ïðîõîäÿùåãî ÷åðåç
òåëî ÷åëîâåêà,
èëè æå íàïðÿæåíèåì
ïðèêîñíîâåíèÿ,
çàâèñèò îò ðÿäà
ôàêòîðîâ: ñõåìû
âêëþ÷åíèÿ ÷åëîâåêà
â öåïü, íàïðÿæåíèÿ
ñåòè, ñõåìû ñàìîé
ñåòè, ðåæèìà åå
íåéòðàëè, ñòåïåíè
èçîëÿöèè òîêîâåäóùèõ
÷àñòåé îò çåìëè,
à òàêæå îò çíà÷åíèÿ
åìêîñòè òîêîâåäóùèõ
÷àñòåé îòíîñèòåëüíî
çåìëè è ò.ï.
Äëÿ çàùèòû îò
ïîðàæåíèÿ ýëåêòðè÷åñêèì
òîêîì íà ñòàíêå
ïðåäóñìàòðèâàåòñÿ:
çàùèòíîå çàçåìëåíèå,
çàùèòíîå îòêëþ÷åíèå
è èñïîëüçîâàíèå
äâîéíîé èçîëÿöèè.
Ðàñïðåäåëèòåëüíûå
øêàôû è ùèòû,
ñâåòèëüíèêè,
êîðïóñà ýëåêòðîííîãî
îáîðóäîâàíèÿ
è òîêîïðîâîäÿùèå
÷àñòè ñòàíêà
çàçåìëåíû. Òàêæå
íà ðàáî÷èõ ìåñòàõ
èñïîëüçóþòñÿ
äåðåâÿííûå ïîäìîñòêè.
Ðàñ÷åò çàçåìëåíèÿ
äëÿ ñòàíêà ïðèâåäåí
â ïóíêòå 5.3.
Ðàáîòà ñòàíêà
ñâÿçàíà ñ èñïîëüçîâàíèåì
ðàçëè÷íûõ ãîðþ÷èõ
âåùåñòâ, òàêèõ
êàê êåðîñèí (ëåãêî
âîñïëàìåíÿþùàÿñÿ
æèäêîñòü), ìàñëà
èíäóñòðèàëüíûå
(ãîðþ÷àÿ âÿçêàÿ
æèäêîñòü, ïëîòíîñòü
- 917 êã/ì3 , tâñï. -181° Ñ, tñàìîâîñïë.=355°
Ñ ), ÑÎÆ (ÎÑÌç - ãîðþ÷åå
âåùåñòâî, ïëîòíîñòü
894 êã/ì3, tâñï.=162°
Ñ, tñàìîâîñïë.=178°
Ñ ). Íåîñòîðîæíîå
îáðàùåíèå ñ ýòèìè
âåùåñòâàìè, íåñîáëþäåíèå
òåõíèêè áåçîïàñíîñòè
ìîæåò ïðèâåñòè
ê ïîæàðó íà òåððèòîðèè
öåõà.
Ïðè îáðàáîòêå
ìåòàëëîâ ðåçàíèåì
îáðàçóåòñÿ ñòðóæêà.
Ñòðóæêà èíîãäà
îòëåòàåò îò ìåñòà
ðåçàíèÿ íà áîëüøèå
ðàññòîÿíèÿ, èíîãäà
äàæå â âèäå ôàêåëà,
è ïðåäñòàâëÿåò
îïàñíîñòü. Òåìïåðàòóðà
ñòðóæêè ìîæåò
äîñòèãàòü 850 °Ñ.
Êðîìå ñòðóæêè
â ðåçóëüòàòå
ðåçàíèÿ ÷óãóíà,
ñòàëè, öâåòíûõ
ìåòàëëîâ â âîçäóõå
ðàáî÷åé çîíû
îáðàçóåòñÿ ïûëü,
êîòîðàÿ, ïîïàäàÿ
â îðãàíû äûõàíèÿ
÷åëîâåêà, ñî âðåìåíåì
ìîæåò âûçâàòü
ðàçëè÷íûå ëåãî÷íûå
çàáîëåâàíèÿ.
ÏÄÊ âûäåëÿåìîé
ïûëè ñîñòàâëÿåò
3-4 ìã/ì3 ïî ÃÎÑÒ
12.1.005-88. Ôàêòè÷åñêîå
çíà÷åíèå êîíöåíòðàöèè
ïûëè â ïîìåùåíèè
öåõà ñîñòàâëÿåò
0,8 ìã/ì3, ÷òî ñîîòâåòñòâóåò
óêàçàííîé íîðìå.
Ïðåäïðèÿòèÿ ìàøèíîñòðîèòåëüíîé
ïðîìûøëåííîñòè
íåðåäêî îòëè÷àþòñÿ
ïîâûøåííîé ïîæàðíîé
îïàñíîñòüþ, òàê
êàê èõ õàðàêòåðèçóåò
ñëîæíîñòü ïðîèçâîäñòâåííûõ
óñòàíîâîê, çíà÷èòåëüíîå
êîëè÷åñòâî ëåãêîâîñïëàìåíÿþùèõñÿ
è ãîðþ÷èõ æèäêîñòåé,
ñæèæåííûõ ãîðþ÷èõ
ãàçîâ, òâåðäûõ
ñãîðàåìûõ ìàòåðèàëîâ
è ò.ä. Ïî îòíîøåíèþ
ê ýëåêòðîáåçîïàñíîñòè
öåõ îòíîñèòñÿ
ê ïîìåùåíèÿì
ñ ïîâûøåííîé
îïàñíîñòüþ ïîðàæåíèÿ
ëþäåé ýëåêòðè÷åñêèì
òîêîì. Ñ ïîçèöèè
ïîæàðíîé áåçîïàñíîñòè
öåõ îòíîñèòñÿ
ê êàòåãîðèè ïîæàðîîïàñíûõ
(êàòåãîðèÿ Ä) è
õàðàêòåðèçóåòñÿ
òåì, ÷òî â ïîìåùåíèè
íàõîäÿòñÿ íåñãîðàåìûå
âåùåñòâà è ìàòåðèàëû
â õîëîäíîì ñîñòîÿíèè.
Îñíîâû ïðîòèâîïîæàðíîé
çàùèòû ïðåäïðèÿòèé
îïðåäåëåíû ñòàíäàðòàìè
(ÃÎÑÒ 12.1.004 -88). Ýòèìè
ñòàíäàðòàìè
âîçìîæíàÿ ÷àñòîòà
ïîæàðîâ äîïóñêàåòñÿ
òàêîé, ÷òîáû âåðîÿòíîñòü
âîçíèêíîâåíèÿ
â òå÷åíèå ãîäà
íå ïðåâûøàëà
10-6.
Äëÿ óñòðàíåíèÿ
ïîæàðíîé îïàñíîñòè
öåõ îñíàùàåòñÿ
êîìïëåêòîì ïîæàðîòóøåíèÿ.
 êîìïëåêò ïîæàðîòóøåíèÿ
âõîäÿò: êèðêè,
áàãðû, ëîïàòû,
âåäðà, îãíåòóøèòåëè
õèìè÷åñêè-ïåííûå
è óãëåêèñëîòíûå
(ÎÕÂÏ - 10, ÎÓ - 8 ). Òàêæå
â ïîìåùåíèè ðàçìåùàþòñÿ
ïîæàðíûå ãèäðàíòû
öåíòðàëüíîãî
âîäîñíàáæåíèÿ
è ïîæàðíûå ðóêàâà.
 çäàíèè, ãäå áóäóò
ðàçìåùàòüñÿ
ðàáî÷èå ìåñòà,
ïðåäóñìàòðèâàþòñÿ
çàïàñíûå âûõîäû
íà ñëó÷àé ïîæàðîîïàñíîñòè
è ÷åòêèé ïëàí
ýâàêóàöèè. Äëÿ
õðàíåíèÿ ïðîìàñëåííîé
âåòîøè ïðåäóñìàòðèâàåòñÿ
ñïåöèàëüíàÿ òàðà.
.2 Ðàñ÷åò âèáðîèçîëÿòîðîâ
Ìåæäó èñòî÷íèêîì
âèáðàöèè è åå
ïðèåìíèêîì, ÿâëÿþùèìñÿ
îäíîâðåìåííî
îáúåêòîì çàùèòû,
óñòàíàâëèâàþò
óïðóãî-äåìïôèðóþùåå
óñòðîéñòâî - âèáðîèçîëÿòîð
- ñ ìàëûì êîýôôèöèåíòîì
ïåðåäà÷è.
 êà÷åñòâå âèáðîèçîëÿòîðîâ
èñïîëüçóþò óïðóãèå
ìàòåðèàëû è ïðåæäå
âñåãî ìåòàëëè÷åñêèå
ïðóæèíû, ðåçèíó,
ïðîáêó, âîéëîê.
Âûáîð òîãî èëè
èíîãî ìàòåðèàëà
îáû÷íî îïðåäåëÿåòñÿ
âåëè÷èíîé òðåáóåìîãî
ñòàòè÷åñêîãî
ïðîãèáà è óñëîâèÿìè,
â êîòîðûõ âèáðîèçîëÿòîð
áóäåò ðàáîòàòü.
Äëÿ àãðåãàòîâ,
èìåþùèõ ÷àñòîòó
âðàùåíèÿ ìåíåå
1800 ìèí-1, ðåêîìåíäóåòñÿ
ïðèìåíÿòü ïðóæèííûå
âèáðîèçîëÿòîðû;
ïðè ÷àñòîòå âðàùåíèÿ
àãðåãàòîâ áîëåå
1800 ìèí-1 - ðåçèíîâûå.
Ïðóæèííûå âèáðîèçîëÿòîðû
äîëãîâå÷íû è
íàäåæíû â ðàáîòå.
Îíè ýôôåêòèâíû
ïðè âèáðîèçîëÿöèè
íèçêèõ ÷àñòîò,
íî íåäîñòàòî÷íî
ñíèæàþò ïåðåäà÷ó
âèáðàöèé áîëåå
âûñîêèõ ÷àñòîò
(16000…20000 Ãö), ÷òî îáóñëîâëåíî
âíóòðåííèìè
ðåçîíàíñàìè
ïðóæèííûõ ýëåìåíòîâ.
Äëÿ ïðåäîòâðàùåíèÿ
ïåðåäà÷è âûñîêî÷àñòîòíûõ
âèáðàöèé äîïîëíèòåëüíî
ðåêîìåíäóåòñÿ
ïðèìåíÿòü ðåçèíîâûå
ïðîêëàäêè òîëùèíîé
10…20 ìì, ðàñïîëàãàÿ
èõ ìåæäó ïðóæèííûìè
âèáðîèçîëÿòîðàìè
è íåñóùåé êîíñòðóêöèåé.
Âèáðîèçîëÿòîðû
ðàçìåùàþò â ÷åòûðåõ
òî÷êàõ ïî óãëàì
ïðÿìîóãîëüíèêà.
Ïðè íåîáõîäèìîñòè
óñòàíàâëèâàþò
äîïîëíèòåëüíûå
âèáðîèçîëÿòîðû
ñèììåòðè÷íî
îòíîñèòåëüíî
öåíòðà òÿæåñòè
óñòàíîâêè. Äîïîëíèòåëüíûå
âèáðîèçîëÿòîðû
ðåêîìåíäóåòñÿ
ðàñïîëàãàòü â
öåíòðàëüíûõ òî÷êàõ
ïðÿìûõ, ñîåäèíÿþùèõ
äâà óãëîâûõ âèáðîèçîëÿòîðà.
Äîïóñêàåòñÿ
ïðèìåíÿòü êóñòîâûå
âèáðîèçîëÿòîðû
(îò äâóõ äî øåñòè
â êóñòå) /11/.
Ðèñóíîê 5.1 - Âèáðîèçîëèðóþùèå
îïîðû: à - ïðóæèííûå;
á - ðåçèíîâûå.
Ïðîèçâåäåì ðàñ÷åò
âèáðîèçîëÿòîðîâ
äëÿ ñòàíêà ìîäåëè
6Ì82, ñ ìàññîé 2800 êã.
Ìàêñèìàëüíàÿ
÷àñòîòà âðàùåíèÿ
øïèíäåëÿ ñòàíêà
- 1600 ìèí-1. Ñòàíîê
ñîçäàåò óðîâåíü
çâóêîâîãî äàâëåíèÿ
L=120 äÁÀ. Òðåáóåòñÿ
îïðåäåëèòü, ïðåâûøàåò
ëè óðîâåíü øóìà
â ïîìåùåíèè Lï ïîñëå
óñòàíîâêè ñòàíêà
íà ïðóæèííûå
âèáðîèçîëÿòîðû,
äîïóñòèìûé óðîâåíü
çâóêîâîãî äàâëåíèÿ
Läîï=60 äÁÀ.
Ìàññà 1 ì2 ñòåíû
òîëùèíîé â ïîëîâèíó
êèðïè÷à, çà êîòîðîé
íàõîäèòñÿ ñòàíîê,
ïðèíÿòü ðàâíîé
210 êã.
Äëÿ ñòàíêà ñ
÷àñòîòîé âðàùåíèÿ
øïèíäåëÿ îêîëî
1600 ìèí-1 òðåáóåìàÿ
ýôôåêòèâíîñòü
âèáðîèçîëÿöèè
∆Lò=26 äÁÀ.
Ðàñ÷åòíàÿ ÷àñòîòà
âîçáóæäàþùåé
ñèëû îïðåäåëÿåòñÿ
ïî ôîðìóëå:
fâ
= ny/60, (5.2)
ãäå ny - ÷àñòîòà
âðàùåíèÿ ÷àñòåé
ñòàíêà, ìèí-1.
fâ
= 1600/60 = 26,7 Ãö
Ìåòîäîì èíòåðïîëÿöèè
îïðåäåëèì îòíîøåíèå
Ñ ðàñ÷åòíîé ÷àñòîòû
âîçáóæäàþùåé
ñèëû fâ
ê ïðåäåëüíî äîïóñòèìîé
÷àñòîòå ñîáñòâåííûõ
âåðòèêàëüíûõ
êîëåáàíèé fîä âèáðîèçîëèðîâàííîé
óñòàíîâêè: Ñ
= 4,44 [2, ñòð. 112]. Ïðè ýòîì
çíà÷åíèè ïàðàìåòðà
Ñ âû÷èñëèì ïðåäåëüíî
äîïóñòèìóþ ÷àñòîòó
ïî ôîðìóëå:
fîä
= fâ/Ñ (5.3)
fîä
= 26,7/4,44 = 6 Ãö
Òðåáóåìàÿ îáùàÿ
ìàññà âèáðîèçîëèðîâàííîé
óñòàíîâêè:
mò
≥ 2,5εmâ/Àä
(5.4)
ãäå ε = 0,2 ìì - ýêñöåíòðèñèòåò
âðàùàþùèõñÿ
÷àñòåé óñòàíîâêè
ïðè åå äèíàìè÷åñêîé
áàëàíñèðîâêå,
ìì;
mâ
= 80 êã - ìàññà âðàùàþùèõñÿ
÷àñòåé óñòàíîâêè;
Àä = 0,065 - ìàêñèìàëüíî
äîïóñòèìàÿ àìïëèòóäà
ñìåùåíèÿ öåíòðà
òÿæåñòè óñòàíîâêè.
mò
= 2,5×0,2×80/0,065
= 615 êã
Ïðîâåðèì ñîáëþäåíèå
óñëîâèÿ mî ≥ mò. Òàê êàê 2800 êã
≥ 615 êã, òî óñëîâèå
âûïîëíÿåòñÿ.
Ïðèíèìàÿ ÷èñëî
âèáðîèçîëÿòîðîâ
nâ=6 è ÷èñëî
ïðóæèí â îäíîì
âèáðîèçîëÿòîðå
õ=2, îïðåäåëèì ñòàòè÷åñêóþ
íàãðóçêó íà îäíó
ïðóæèíó, Í:
(5.5)
ãäå
nâ - ÷èñëî âèáðîèçîëÿòîðîâ;
õ - ÷èñëî ïðóæèí
â îäíîì âèáðîèçîëÿòîðå.
Í
Ðàñ÷åòíàÿ
ìàêñèìàëüíàÿ
íàãðóçêà íà îäíó
ïðóæèíó, Í:
(5.6)
Í
Òðåáóåìóþ
ñóììàðíóþ æåñòêîñòü,
Í/ì, âèáðîèçîëÿòîðîâ
â âåðòèêàëüíîì
íàïðàâëåíèè
ðàññ÷èòûâàþò
ïî ôîðìóëå:
(5.7)
Í/ì
Òðåáóåìàÿ
æåñòêîñòü, Í/ì,
îäíîé ïðóæèíû
â ïðîäîëüíîì íàïðàâëåíèè:
(5.8)
Í/ì
Â
êà÷åñòâå îïîðíûõ
ïðèìåì ïðóæèíû
ìàðêè ÄÎ-45, äëÿ êîòîðûõ
ïðîâåðèì ñîáëþäåíèå
óñëîâèé:
Ðò
max = 3800 Í ≥ Ðð max =
2925,4 Í
Êò
= 4,5 Í/ì ≤ Êòð =331632 Í/ì
Ïîñëå
ìîíòàæà âåíòèëÿöèîííîé
óñòàíîâêè íà
âèáðîèçîëèðóþùèå
îïîðû óðîâåíü
øóìà â ïîìåùåíèè,
äÁ:
Lø = L - ∆L -
(23lgQ - 9) (5.9)
äÁÀ,
÷òî
ìåíüøå äîïóñòèìîãî
óðîâíÿ çâóêîâîãî
äàâëåíèÿ Läîï
= 60 äÁÀ.
.3 Âîçìîæíûå
÷ðåçâû÷àéíûå
ñèòóàöèè
 ïðîöåññå îñóùåñòâëåíèÿ
òðóäîâîé äåÿòåëüíîñòè
ñóùåñòâóåò îïàñíîñòü
âîçíèêíîâåíèÿ
÷ðåçâû÷àéíîé
ñèòóàöèè.
×ðåçâû÷àéíàÿ
ñèòóàöèÿ (×Ñ)
- âíåøíå íåîæèäàííàÿ,
âíåçàïíî âîçíèêàþùàÿ
îáñòàíîâêà, êîòîðàÿ
õàðàêòåðèçóåòñÿ
ðåçêèì íàðóøåíèåì
óñòàíîâèâøåãîñÿ
ïðîöåññà, îêàçûâàþùàÿ
çíà÷èòåëüíîå
îòðèöàòåëüíîå
âëèÿíèå íà æèçíåäåÿòåëüíîñòü
ëþäåé, ôóíêöèîíèðîâàíèå
ýêîíîìèêè, ñîöèàëüíóþ
ñôåðó è îêðóæàþùóþ
ñðåäó.
Îäíîé èç ñèòóàöèé,
êîòîðàÿ ìîæåò
âîçíèêíóòü íà
ðàññìàòðèâàåìîì
îáúåêòå, ÿâëÿåòñÿ
ïîæàð. Ïîä ïîæàðîì
îáû÷íî ïîíèìàþò
íåêîíòðîëèðóåìûé
ïðîöåññ ãîðåíèÿ,
ñîïðîâîæäàþùèéñÿ
óíè÷òîæåíèåì
ìàòåðèàëüíûõ
öåííîñòåé è ñîçäàþùèé
îïàñíîñòü äëÿ
æèçíè ëþäåé.
Ïîæàðû íà ìàøèíîñòðîèòåëüíûõ
ïðåäïðèÿòèÿõ
ïðåäñòàâëÿþò
áîëüøóþ îïàñíîñòü
äëÿ ðàáîòàþùèõ
è ìîãóò ïðè÷èíèòü
îãðîìíûé ìàòåðèàëüíûé
óùåðá.
 äàííîì ìåòàëëîðåæóùåì
ñòàíêå èñïîëüçóþòñÿ:
Ìàñëî èíäóñòðèàëüíîå
50: ãîðþ÷àÿ, âÿçêàÿ
æèäêîñòü. Ïëîòíîñòü
917 êã/ì3, òåìïåðàòóðà
âîñïëàìåíåíèÿ
181 °Ñ, òåìïåðàòóðà
ñàìîâîñïëàìåíåíèÿ
355 °Ñ. Ñðåäñòâîì
äëÿ òóøåíèÿ äàííîãî
ãîðþ÷åãî ìàòåðèàëà
ÿâëÿåòñÿ ïåíà
èëè ïîðîøîê ÏÁÑ-3.
Ìàñëî èíäóñòðèàëüíîå
50 ÃÎÑÒ 2487-78.
Ñìàçî÷íî-îõëàæäàþùàÿ
æèäêîñòü ÌÐ-5ó:
ãîðþ÷åå âåùåñòâî
ñ òåìïåðàòóðîé
âîñïëàìåíåíèÿ
162 °Ñ è òåìïåðàòóðîé
ñàìîâîñïëàìåíåíèÿ
178 °Ñ. Ñðåäñòâîì
òóøåíèÿ ÿâëÿåòñÿ
ïîðîøîê ÏÑÁ-3, ÑÎÆ
ÌÐ-5ó ÃÎÑÒ 2617-70.
 ñâÿçè ñ
ýòèì ìîæíî ñäåëàòü
âûâîä î òîì, ÷òî
ïðåäïðèÿòèå ñ
ïàðêîì îáîðóäîâàíèÿ
ïîäîáíûì ôðåçåðíûì
ñòàíêàì ïî ñòåïåíè
ïîæàðîîïàñíîñòè
îòíîñèòñÿ ê êàòåãîðèè
Ä.
Òàê êàê îáúåêò
ÿâëÿåòñÿ ïîæàðîîïàñíûì,
îäíîé èç âîçìîæíûõ
ïðè÷èí âîçíèêíîâåíèÿ
ïîæàðà ÿâëÿåòñÿ
êîðîòêîå çàìûêàíèå.
 ñâÿçè ñ ýòèì
íèæå ïðîèçâåäåí
ðàñ÷åò çàùèòíîãî
çàçåìëåíèÿ ìåòàëëîðåæóùåãî
ñòàíêà.
Ñòåêàíèå òîêà
â çåìëþ ïðîèñõîäèò
òîëüêî ÷åðåç ïðîâîäíèê,
íàõîäÿùèéñÿ
â íåïîñðåäñòâåííîì
êîíòàêòå ñ çåìëåé.
Òàêîé êîíòàêò
ìîæåò áûòü ñëó÷àéíûì
èëè ïðåäíàìåðåííûì.
 íàøåì ñëó÷àå
ïðîâîäíèê, íàõîäÿùèéñÿ
â êîíòàêòå ñ çåìëåé,
íàçûâàåòñÿ çàçåìëèòåëåì,
èëè ýëåêòðîäîì.
 ñâÿçè ñ òåì ÷òî
åñòü âåðîÿòíîñòü
ïîðàæåíèÿ ýëåêòðè÷åñêèì
òîêîì íà ó÷àñòêå
ðàáîòàþùèõ âîçíèêàåò
íåîáõîäèìîñòü
ïðîèçâåñòè ðàñ÷åò
çàùèòíîãî çàçåìëåíèÿ.
Êîðïóñà ýëåêòðè÷åñêèõ
ìàøèí è äðóãèå
íåòîêîâåäóùèå
÷àñòè ìîãóò
îêàçàòüñÿ ïîä
íàïðÿæåíèåì ïðè
çàìûêàíèè èõ
òîêîâåäóùèõ
÷àñòåé íà êîðïóñ.
Åñëè êîðïóñ ïðè
ýòîì íå èìååò
êîíòàêòà ñ çåìëåé,
ïðèêîñíîâåíèå
ê íåìó òàêæå îïàñíî,
êàê è ïðèêîñíîâåíèå
ê ôàçå. Åñëè æå
êîðïóñ çàçåìëåí,
îí îêàæåòñÿ ïîä
íàïðÿæåíèåì,
ðàññ÷èòûâàåìîìó
ïî ôîðìóëå:
U3 = I3 · R3, (5.10)
ãäå U3 - íàïðÿæåíèå
çàçåìëèòåëÿ,
Â;
I3 - òîê,
ñòåêàþùèé â çåìëþ,
À;
R3 - ñîïðîòèâëåíèå
ñòåêàíèþ òîêà,
Îì.
×åëîâåê, êàñàþùèéñÿ
ýòîãî êîðïóñà
ïîïàäàåò ïîä íàïðÿæåíèå
ïðèêîñíîâåíèÿ
âû÷èñëÿåìîìó
ïî ôîðìóëå:
Uïð=
U3 ·α1· α2, (5.11)
ãäå Uïð
- íàïðÿæåíèå ïðèêîñíîâåíèÿ,
Â;
α1 - êîýôôèöèåíò
íàïðÿæåíèÿ ïðèêîñíîâåíèÿ;
α2 - êîýôôèöèåíò
íàïðÿæåíèÿ.
Âûðàæåíèå ïîêàçûâàåò,
÷òî ÷åì ìåíüøå
R3 è α1, òåì ìåíüøå
òîê ïðîòåêàþùèé
÷åðåç ÷åëîâåêà,
ñòîÿùåãî íà çåìëå
è êàñàþùåãîñÿ
êîðïóñà îáîðóäîâàíèÿ,
êîòîðûé íàõîäèòñÿ
ïîä íàïðÿæåíèåì.
Òàêèì îáðàçîì,
áåçîïàñíîñòü
îáåñïå÷èâàåòñÿ
ïóòåì çàçåìëåíèÿ
êîðïóñà çàçåìëèòåëåì,
èìåþùèì ìàëîå
ñîïðîòèâëåíèå
çàçåìëåíèÿ R3 è ìàëûé
êîýôôèöèåíò
íàïðÿæåíèÿ ïðèêîñíîâåíèÿ
α1. Çàùèòíîå
çàçåìëåíèå ìîæåò
áûòü ýôôåêòèâíî
òîëüêî â òîì ñëó÷àå,
åñëè òîê çàìûêàíèÿ
íà çåìëþ íå óâåëè÷èâàåòñÿ
ñ óìåíüøåíèåì
ñîïðîòèâëåíèÿ
çàçåìëåíèÿ. Ýòî
âîçìîæíî â ñåòÿõ
ñ èçîëèðîâàííîé
íåéòðàëüþ, ãäå
ïðè ãëóõîì çàìûêàíèè
íà çåìëþ èëè íà
çàçåìëåííûé
êîðïóñ òîê íå
çàâèñèò îò ïðîâîäèìîñòè
(èëè ñîïðîòèâëåíèÿ)
çàçåìëåíèÿ.
×òîáû óìåíüøèòü
øàãîâûå íàïðÿæåíèÿ
çà ïðåäåëàìè êîíòóðà,
â ãðóíò çàêëàäûâàþò
ñïåöèàëüíûå øèíû.
Ðàñ÷åòíûé òîê
çàìûêàíèÿ íà
çåìëþ - íàèáîëüøèé
âîçìîæíûé â äàííîé
ýëåêòðîóñòàíîâêå
òîê çàìûêàíèÿ
íà çåìëþ.
 ñåòÿõ íàïðÿæåíèåì
äî 1000 Â òîê îäíîôàçíîãî
çàìûêàíèÿ íà
çåìëþ íå ïðåâûøàåò
10 À, òàê êàê äàæå
ïðè ñàìîì ïëîõîì
ñîñòîÿíèè èçîëÿöèè
è çíà÷èòåëüíîé
åìêîñòè ñîïðîòèâëåíèÿ
ôàçû îòíîñèòåëüíî
çåìëè íå áûâàåò
ìåíåå 100 Îì (/Z/ >100 Îì). Îòñþäà
òîê çàìûêàíèÿ
Ih, À, íà çåìëþ â ñåòè
íàïðÿæåíèåì
380 Â, ðàññ÷èòûâàåòñÿ
ïî ôîðìóëå:
, (5.12)
ãäå
U -íàïðÿæåíèå
â ñåòè, Â.
 «Ïðàâèëàõ áåçîïàñíîé
ýêñïëóàòàöèè
ýëåêòðîóñòàíîâîê»
íîðìèðóþòñÿ ñîïðîòèâëåíèÿ
çàçåìëåíèÿ â
çàâèñèìîñòè
îò íàïðÿæåíèÿ
ýëåêòðîóñòàíîâêè.
 ýëåêòðîóñòàíîâêàõ
íàïðÿæåíèåì äî
1000 Â, ñîïðîòèâëåíèå
çàçåìëåíèÿ äîëæíî
áûòü íå âûøå 4 Îì.
Öåëü ðàñ÷åòà
çàçåìëåíèÿ - îïðåäåëèòü
÷èñëî è äëèíó
âåðòèêàëüíûõ
ýëåìåíòîâ, äëèíó
ãîðèçîíòàëüíûõ
ýëåìåíòîâ (ñîåäèíèòåëüíûõ
øèí) è ðàçìåñòèòü
çàçåìëèòåñü
íà ïëàíå ýëåêòðîóñòàíîâêè,
èñõîäÿ èç ðåãëàìåíòèðîâàííûõ
ïðàâèëàìè çíà÷åíèé
äîïóñòèìûõ ñîïðîòèâëåíèé
çàçåìëåíèÿ, íàïðÿæåíèÿ
ïðèêîñíîâåíèÿ
è øàãà, ìàêñèìàëüíîãî
ïîòåíöèàëà çàçåìëèòåëÿ
èëè âñåõ óêàçàííûõ
âåëè÷èí.
Ðàñ÷åò ïðîñòûõ
çàçåìëèòåëåé
ïðîèçâîäèòñÿ
â ñëåäóþùåì ïîðÿäêå:
à)
îïðåäåëÿåòñÿ
ðàñ÷åòíûé òîê
çàìûêàíèÿ íà
çåìëþ, ïðèíèìàåì
À, ÷òî îáîñíîâàíî
âûøå;
á)
îïðåäåëÿåòñÿ
ðàñ÷åòíîå óäåëüíîå
ñîïðîòèâëåíèå
ãðóíòà ρðàñ÷, Îì·ì,
ñ ó÷åòîì êëèìàòè÷åñêîãî
êîýôôèöèåíòà:
, (5.13)
ãäå
- óäåëüíîå
ñîïðîòèâëåíèå
êðóïíîîáëîìî÷íîãî
ãðóíòà, Îì·ì;
- êëèìàòè÷åñêèé
êîýôôèöèåíò
(êëèìàòè÷åñêàÿ
çîíà 1).
â)
ñîïðîòèâëåíèå
åñòåñòâåííûõ
çàçåìëèòåëåé
Re=5,7 Îì;
ã)
îïðåäåëÿåòñÿ
ñîïðîòèâëåíèå
èñêóññòâåííîãî
çàçåìëèòåëÿ,
åñëè ñ÷èòàòü,
÷òî èñêóññòâåííûå
è åñòåñòâåííûå
çàçåìëèòåëè
ñîåäèíåíû ïàðàëëåëüíî
è îáùåå èõ ñîïðîòèâëåíèå
íå äîëæíî ïðåâûøàòü
íîðìó RU, Îì ðàññ÷èòûâàåìóþ
ïî ôîðìóëå:
(5.14)
Òàê
êàê ê çàçåìëÿþùåìó
óñòðîéñòâó ïðèñîåäèíÿåòñÿ
êîðïóñ îáîðóäîâàíèÿ
íàïðÿæåíèåì äî
1000 Â, ñîïðîòèâëåíèå
çàçåìëÿþùåãî
óñòðîéñòâà äîëæíî
óäîâëåòâîðÿòü
äâóì óñëîâèÿì:
10 Îì
è
4 Îì.
Ïî ïåðâîìó óñëîâèþ:
,
ïðèíèìàåì
4 Îì êàê íàèìåíüøóþ.
ä)
ñîïðîòèâëåíèå
îäèíî÷íîãî âåðòèêàëüíîãî
çàçåìëèòåëÿ:
, (5.15)
ãäå d =
0,035 ì - ýêâèâàëåíòíûé
äèàìåòð ñòåðæíåé;=
2,5 ì - äëèíà ñòåðæíÿ;
Í =2,25 ì - ðàññòîÿíèå
îò ñåðåäèíû çàçåìëèòåëÿ
äî ïîâåðõíîñòè
ãðóíòà.
=135 Îì
å)
ïðåäâàðèòåëüíî
ðàçìåñòèâ çàçåìëèòåëè
íà ïëàíå, îïðåäåëèì
÷èñëî âåðòèêàëüíûõ
çàçåìëèòåëåé
è ðàññòîÿíèÿ
ìåæäó íèìè, ïî
ýòèì äàííûì îïðåäåëÿåì
êîýôôèöèåíò
èñïîëüçîâàíèÿ
âåðòèêàëüíûõ
ñòåðæíåé
.
Äëèíà
ñîåäèíèòåëüíîé
ïîëîñû (øèíû) ðàâíà
ïåðèìåòðó ïðÿìîóãîëüíèêà
7õ1 ì , ò.å. 16 ì. Âåðòèêàëüíûå
ñòåðæíè ðàçìåùàþòñÿ
ïî ïåðèìåòðó ïðÿìîóãîëüíèêà,
âñåãî 12 ñòåðæíåé,
= 0,66
Ñîïðîòèâëåíèå
ñîåäèíèòåëüíûõ
ïîëîñ Rï ñ ó÷åòîì
êîýôôèöèåíòà
èñïîëüçîâàíèÿ
ïîëîñû
= 0,45:
, (5.16)
ãäå
l =16 ì - äëèíà øèíû;
b = 0,1 ì
- øèðèíà øèíû;
Í = 1 ì
- ãëóáèíà çàëîæåíèÿ.
Ñ
ó÷åòîì êîýôôèöèåíòà
èñïîëüçîâàíèÿ
ïîëîñû 
æ)
Òðåáóåìîå ñîïðîòèâëåíèå
ðàñòåêàíèþ âåðòèêàëüíûõ
ñòåðæíåé:
, (5.17)
ç)
îêîí÷àòåëüíî
îïðåäåëÿåòñÿ
÷èñëî âåðòèêàëüíûõ
ñòåðæíåé:
, (5.18)
ãäå
=0,66 - êîýôôèöèåíò
èñïîëüçîâàíèÿ
âåðòèêàëüíûõ
çàçåìëèòåëåé.
Ïðîâåäåííûå
ðàñ÷åòû ïîêàçàëè,
÷òî 12 øòóê âåðòèêàëüíûõ
ñòåðæíåé îáåñïå÷àò
íàäåæíîå çàçåìëåíèå
è ïðåäóïðåæäåíèå
íåñ÷àñòíîãî
ñëó÷àÿ íà ó÷àñòêå.
Äëÿ óñòðàíåíèÿ
ïîæàðíîé îïàñíîñòè
íà ïðåäïðèÿòèè
óñòàíîâëåíû
ùèòû ñ êîìïëåêòàìè
ïîæàðîòóøåíèÿ
â íåïîñðåäñòâåííîé
áëèçîñòè îò ðàáî÷åãî
ìåñòà. Â êîìïëåêò
ïîæàðîòóøåíèÿ
âõîäÿò: êèðêè,
áàãðû, ëîïàòû,
â¸äðà, îãíåòóøèòåëè
õèìè÷åñêèå è
óãëåêèñëîòíûå
(ÎÕÂÏ-10, ÎÓ-8). Òàêæå
â ïîìåùåíèè óñòàíîâëåíû
ïîæàðíûå ãèäðàíòû
öåíòðàëüíîãî
âîäîñíàáæåíèÿ
è ïîæàðíûå ðóêàâà.
 çäàíèè, ãäå ðàçìåùåíû
ðàáî÷èå ìåñòà,
ïðåäóñìîòðåíû
çàïàñíûå âûõîäû
íà ñëó÷àé ïîæàðîîïàñíîñòè
è ÷¸òêèé ïëàí
ýâàêóàöèè. Óìåíüøåíèå
âåðîÿòíîñòè
âîçíèêíîâåíèÿ
ïîæàðà îáåñïå÷àò
ñëåäóþùèå ìåðîïðèÿòèÿ.
Äëÿ ïðåäîòâðàùåíèÿ
âîçãîðàíèÿ êàáåëüíûõ
ëèíèé ðåêîìåíäóåòñÿ
èñïîëüçîâàíèå
ñïåöèàëüíûõ îãíåçàùèòíûõ
ïîêðûòèé, êîòîðûå
ïðåïÿòñòâóþò
ðàñïðîñòðàíåíèþ
ïîæàðà. Âî âðåìÿ
ðåìîíòà êàáåëüíûõ
ëèíèé ñ ïðèìåíåíèåì
ñâàðêè, ïàéêè
èëè îòêðûòîãî
îãíÿ äîëæíû ñòðîãî
ñîáëþäàòüñÿ ïðàâèëà
ïîæàðíîé áåçîïàñíîñòè.
Íåîáõîäèìî òùàòåëüíî
ïðîâåðÿòü ñîñòîÿíèå
êîíòàêòîâ, òàê
êàê îñëàáëåíèå
êîíòàêòîâ â ìåñòàõ
ïðèñîåäèíåíèÿ
ìîæåò ïðèâåñòè
ê ìåñòíîìó íàãðåâó,
à çàòåì ê íàãðåâó
ïðîâîäà è ê íàãðåâó
èçîëÿöèè âûøå
äîïóñòèìûõ òåìïåðàòóð.
Íàäåæíîñòü ðàáîòû
ðàäèîýëåêòðîííûõ
èçäåëèé ãàðàíòèðóåòñÿ
òîëüêî â îïðåäåëåííûõ
èíòåðâàëàõ òåìïåðàòóðû,
âëàæíîñòè, òîêà
è íàïðÿæåíèÿ.
Èç-çà âîçìîæíûõ
îòêëîíåíèé ýëåêòðè÷åñêèõ
è êëèìàòè÷åñêèõ
ïàðàìåòðîâ ýòè
èçäåëèÿ íåðåäêî
ÿâëÿþòñÿ èñòî÷íèêàìè
îòêðûòîãî ïëàìåíè
è âûñîêèõ òåìïåðàòóð.
Ìîãóò çàãîðàòüñÿ
ðåçèñòîðû, âûãîðàòü
îòäåëüíûå ýëåìåíòû
ñõåìû. Ïðè÷èíîé
ýòîãî ÿâëÿþòñÿ
íåáðåæíîå èñïîëíåíèå
è íàðóøåíèå ïðàâèë
ìîíòàæà.
Äëÿ ïðåäóïðåæäåíèÿ
âîçíèêíîâåíèÿ
ïîæàðà íåîáõîäèìî
îáîðóäîâàòü ïîìåùåíèå
ñðåäñòâàìè ïîæàðíîé
ñèãíàëèçàöèè.
Íàèáîëåå íàäåæíîé
ñèñòåìîé ïîæàðíîé
ñèãíàëèçàöèè
ÿâëÿåòñÿ ýëåêòðè÷åñêàÿ
ïîæàðíàÿ ñèãíàëèçàöèÿ.
Íàèáîëåå ñîâåðøåííûå
âèäû òàêîé ñèãíàëèçàöèè
äîïîëíèòåëüíî
îáåñïå÷èâàþò
àâòîìàòè÷åñêèé
ââîä â äåéñòâèå
ïðåäóñìîòðåííûõ
íà îáúåêòå ñðåäñòâ
ïîæàðîòóøåíèÿ.
. Ýêîíîìè÷åñêàÿ
÷àñòü
.1 Èñõîäíûå äàííûå
äëÿ ðàñ÷åòà ýêîíîìè÷åñêîãî
ýôôåêòà îò ìîäåðíèçàöèè
Ìîäåðíèçàöèÿ
ãîðèçîíòàëüíî-ôðåçåðíîãî
ñòàíêà ìîäåëè
6Ì82 ïîçâîëèëà ïîâûñèòü
åãî ïðîèçâîäèòåëüíîñòü,
à òàêæå ðàñøèðèòü
åãî òåõíîëîãè÷åñêèå
âîçìîæíîñòè
çà ñ÷åò ïðîâåäåíèÿ
íå òîëüêî ãîðèçîíòàëüíî-ôðåçåðíûõ,
íî è âåðòèêàëüíî-ôðåçåðíûõ
îïåðàöèé. Ðàññ÷èòàåì
ãîäîâîé ýêîíîìè÷åñêèé
ýôôåêò îò ìîäåðíèçàöèè.
 êà÷åñòâå äåòàëè
ïðåäñòàâèòåëÿ
äëÿ ïðîâåäåíèÿ
ðàñ÷åòîâ âûáðàíà
ïëàñòèíà.
Áàçà äëÿ ñðàâíåíèÿ
âàðèàíòîâ - äåéñòâóþùèé
ñòàíîê ìîäåëè
6Ì82 è âåðòèêàëüíî-ôðåçåðíûé
ñòàíîê.
Èñõîäíûå äàííûå
ïðåäñòàâëåíû
â òàáëèöàõ 1, 2, 3.
ðåçàíèå ôðåçåðíûé
ñòàíîê
Òàáëèöà 6.1 - Èñõîäíûå
äàííûå äëÿ ðàñ÷åòà
çàòðàò íà ìîäåðíèçàöèþ
îáîðóäîâàíèÿ
|
Ïîêàçàòåëè
|
Óñë. îáîçí.
|
Åä. èçì.
|
Çíà÷åíèå
|
|
1 ×àñîâàÿ
òàðèôíàÿ ñòàâêà
ðàáî÷èõ, ó÷àñòâóþùèõ
â ïðîâåäåíèè
ìîäåðíèçàöèè
|
×ÒÑì
|
ðóá/÷àñ
|
24
|
|
2 Ñóììàðíàÿ
òðóäîåìêîñòü
ðàáîò ïî ìîäåðíèçàöèè
îáîðóäîâàíèÿ
|
Òðì
|
÷àñ
|
150
|
|
3 Êîýôôèöèåíò,
ó÷èòûâàþùèé
äîïîëíèòåëüíóþ
çàðàáîòíóþ ïëàòó
|
Êäç
|
-
|
1,2
|
|
4 Ðàéîííûé
êîýôôèöèåíò
(óðàëüñêèé)
|
Êóðàë
|
-
|
1,15
|
|
5 Êîýôôèöèåíò
îò÷èñëåíèé íà
ñîöèàëüíûå íóæäû
|
Êñí
|
-
|
1,281
|
|
6 Êîýôôèöèåíò,
ó÷èòûâàþùèé
ïðî÷èå (íàêëàäíûå)
ðàñõîäû íà ìîäåðíèçàöèþ
îáîðóäîâàíèÿ
|
Êïðì
|
-
|
2,5
|
|
7 Ñòîèìîñòü
îáîðóäîâàíèÿ
äî ïðîâåäåíèÿ
ìîäåðíèçàöèè
|
Öîáíåìîä
|
ðóá
|
750000
|
|
8 Îáùàÿ
ñòîèìîñòü êîìïëåêòóþùèõ
èçäåëèé, çàìåíÿåìûõ
â õîäå ïðîâåäåíèÿ
ìîäåðíèçàöèè
îáîðóäîâàíèÿ
|
Ñçàìêîìïë
|
ðóá
|
10000
|
Òàáëèöà 6.2 - Èñõîäíûå
äàííûå äëÿ ðàñ÷åòà
çàòðàò íà êîìïëåêòóþùèå
èçäåëèÿ äëÿ ìîäåðíèçàöèè
îáîðóäîâàíèÿ
|
Íàèìåíîâàíèå
êîìïëåêòóþùèõ
èçäåëèé
|
Êîëè÷åñòâî
(Qêîìïë), øò
|
Öåíà
(Öêîìïë), ðóá/øò
|
|
Ôðåçåðíàÿ
ãîëîâêà
|
1
|
70000
|
|
Äâèãàòåëü
òðåõñêîðîñòíîé
|
1
|
15000
|
Òàáëèöà 6.3 - Èñõîäíûå
äàííûå äëÿ ðàñ÷åòà
ýêîíîìè÷åñêîãî
ýôôåêòà îò ïðèìåíåíèÿ
ìîäåðíèçèðîâàííîãî
îáîðóäîâàíèÿ
|
Ïîêàçàòåëè
|
Óñë. îáîçí.
|
Åä. èçì.
|
Áàçîâûé
âàðèàíò
|
Ìîäåðí.
âàðèàíò
|
|
|
1
|
2
|
3
|
4
|
5
|
|
|
1 Øòó÷íîå
âðåìÿ, â ò.÷. - íà
ãîð.-ôðåç. îïåðàöèþ
- íà âåðò.-ôðåç. îïåðàöèþ
|
tøò
|
ìèí/øò
|
14 7 7
|
10 5 5
|
|
|
2 Ãîäîâàÿ
ïðîãðàììà âûïóñêà
äåòàëåé
|
Nâûï
|
øò/ãîä
|
10000
|
10000
|
|
|
3 Êîëè÷åñòâî
ñìåí â äåíü
|
hñìåí
|
ñìåí/äåíü
|
1
|
1
|
|
|
4 Êîëè÷åñòâî
÷àñîâ ðàáîòû
â ñìåíó
|
÷àñ/ñìåí
|
8
|
8
|
|
|
5 Êîýôôèöèåíò
ïîòåðü âðåìåíè
íà ðåìîíò è íàëàäêó
îáîðóäîâàíèÿ
|
Êðí
|
-
|
0,97
|
0,97
|
|
|
6 Ñòîèìîñòü
îáîðóäîâàíèÿ
- ãîð.-ôðåç. ñòàíîê
- âåðò.-ôðåç. ñòàíîê
|
Öîá
|
ðóá
|
750000 850000
|
|
|
|
7 Ñòîèìîñòü
1 ì2 çäàíèÿ
|
Öçä
|
ðóá/ì2
|
1500
|
1500
|
|
|
8 Ïëîùàäü
çäàíèÿ, çàíèìàåìàÿ
åäèíèöåé îáîðóäîâàíèÿ
- ãîð.-ôðåç. ñòàíîê
- âåðòèê.-ôðåç. ñòàíîê
- ìîäåðí. ñòàíîê
|
Sîá
|
ì2
|
10 12
|
10
|
|
|
9 Êîýôôèöèåíò,
ó÷èòûâàþùèé
äîïîëíèòåëüíóþ
ïðîèçâîäñòâåííóþ
ïëîùàäü
|
Êäîï
|
-
|
1,2
|
1,2
|
|
|
10 ×àñîâàÿ
òàðèôíàÿ ñòàâêà
|
×ÒÑ
|
ðóá/÷àñ
|
20
|
20
|
|
|
11 Ñòîèìîñòü
1 êÂò∙÷ ýëåêòðîýíåðãèè
|
Öýë
|
ðóá/ êÂò∙÷
|
1,64
|
1,64
|
|
|
12 Ìîùíîñòü
îáîðóäîâàíèÿ
- ãîð.-ôðåç. ñòàíîê
- âåðòèê.-ôðåç. ñòàíîê
- ìîäåðí. ñòàíîê
|
Ìîá
|
êÂò
|
7 7
|
15
|
|
|
13 Íîðìà
ãîäîâûõ àìîðòèçàöèîííûõ
îò÷èñëåíèé äëÿ
îáîðóäîâàíèÿ
|
Íàîá
|
%
|
6,25
|
6,25
|
|
14 Íîðìà
ãîäîâûõ àìîðòèçàöèîííûõ
îò÷èñëåíèé äëÿ
çäàíèÿ
|
Íàçä
|
%
|
2,5
|
2,5
|
|
15 Íîðìà
ãîäîâûõ çàòðàò
íà òåêóùèé ðåìîíò
îáîðóäîâàíèÿ
|
Íðåìîá
|
%
|
3
|
3
|
|
16 Íîðìà
ãîäîâûõ çàòðàò
íà òåêóùèé ðåìîíò
çäàíèÿ
|
Íðåìçä
|
%
|
1
|
1
|
|
17 Íîðìà
ãîäîâûõ çàòðàò
íà ñîäåðæàíèå
çäàíèÿ
|
Íñîäçä
|
%
|
3
|
3
|
|
18 Öåíà
èíñòðóìåíòà
|
Öèíñòð
|
ðóá/øò
|
150
|
150
|
|
19 Ñðîê
ñëóæáû èíñòðóìåíòà
|
Òñëèíñòð
|
ìèí
|
90
|
90
|
|
20 Íîðìàòèâíûé
êîýôôèöèåíò
ýôôåêòèâíîñòè
êàïèòàëüíûõ
âëîæåíèé
|
Åí
|
ðóá/ãîä/ðóá
|
0,15
|
0,15
|
|
|
|
|
|
|
|
|
|
.2 Ðàñ÷åò çàòðàò
íà ïðîâåäåíèå
ìîäåðíèçàöèè
.2.1 Ðàñ÷åò çàðàáîòíîé
ïëàòû ðàáî÷èõ,
ó÷àñòâóþùèõ
â ïðîâåäåíèè ìîäåðíèçàöèè,
ñ îò÷èñëåíèÿìè
Ðàñ÷åò çàðàáîòíîé
ïëàòû ðàáî÷èõ
ó÷àñòâóþùèõ
â ïðîâåäåíèè ìîäåðíèçàöèè,
ñ îò÷èñëåíèÿìè
(Ñçïì, ðóá) âåäåòñÿ
ïî ôîðìóëå /12/:
, (6.1)
ãäå
×ÒÑì - ÷àñîâàÿ
òàðèôíàÿ ñòàâêà
ðàáî÷èõ, ó÷àñòâóþùèõ
â ïðîâåäåíèè ìîäåðíèçàöèè,
ðóá/÷àñ;
Òðì
- ñóììàðíàÿ òðóäîåìêîñòü
ðàáîò ïî ìîäåðíèçàöèè
îáîðóäîâàíèÿ,
÷àñ;
Êäç
- êîýôôèöèåíò,
ó÷èòûâàþùèé
äîïîëíèòåëüíóþ
çàðàáîòíóþ ïëàòó;
Êóðàë
- ðàéîííûé êîýôôèöèåíò
(óðàëüñêèé);
Êñí
- êîýôôèöèåíò
îò÷èñëåíèé íà
ñîöèàëüíûå íóæäû.
Ñçïì=24∙150∙1,2∙1,15∙1,281=6365
ðóá/ìåñ
6.2.2
Ðàñ÷åò çàòðàò
íà êîìïëåêòóþùèå
èçäåëèÿ íà ìîäåðíèçàöèþ
îáîðóäîâàíèÿ
Ðàñ÷åò
çàòðàò íà êîìïëåêòóþùèå
èçäåëèÿ äëÿ ìîäåðíèçàöèè
îáîðóäîâàíèÿ
(Ñêîìïëì, ðóá) îñóùåñòâëÿåòñÿ
ïî ôîðìóëå:
, (6.2)
ãäå
n - ÷èñëî íàèìåíîâàíèé
êîìïëåêòóþùèõ
èçäåëèé, èñïîëüçóåìûõ
äëÿ ìîäåðíèçàöèè
îáîðóäîâàíèÿ;
Qêîìïëi - êîëè÷åñòâî
i-õ êîìïëåêòóþùèõ
èçäåëèé, èñïîëüçóåìûõ
äëÿ ìîäåðíèçàöèè
îáîðóäîâàíèÿ,
øò;
Öêîìïëi - öåíà
i-õ êîìïëåêòóþùèõ
èçäåëèé, ðóá/øò.
Ñêîìïëì=1∙70000+1∙15000=85000
ðóá
.2.3
Ðàñ÷åò ïðî÷èõ
ðàñõîäîâ íà ìîäåðíèçàöèþ
îáîðóäîâàíèÿ
Èõ
âåëè÷èíà (Ñïðì,
ðóá) îïðåäåëÿåòñÿ
ïðîïîðöèîíàëüíî
ðàñõîäàì íà îïëàòó
òðóäà:
, (6.3)
ãäå
Êïðì - êîýôôèöèåíò,
ó÷èòûâàþùèé
ïðî÷èå (íàêëàäíûå)
ðàñõîäû íà ìîäåðíèçàöèþ
îáîðóäîâàíèÿ.
Ñïðì=6365∙2.5=15913
ðóá
.2.4
Ðàñ÷åò ñóììàðíûõ
çàòðàò íà ìîäåðíèçàöèþ
îáîðóäîâàíèÿ
(Ñìîä, ðóá) ïðîèçâîäèòñÿ
ïî ôîðìóëå:
, (6.4)
Ñìîä=6365+85000+15913=107278
ðóá
Ðåçóëüòàòû
ðàñ÷åòà çàòðàò
íà ìîäåðíèçàöèþ
îáîðóäîâàíèÿ
ïðåäñòàâëåíû
â òàáëèöå 6.4
Òàáëèöà
6.4 - Çàòðàòû íà ìîäåðíèçàöèþ
îáîðóäîâàíèÿ
|
Ñòàòüè
çàòðàò
|
Çàòðàòû,
ðóá
|
|
1 Çàðàáîòíàÿ
ïëàòà ðàáî÷èõ
ñ îò÷èñëåíèÿìè
|
6365
|
|
2 Çàòðàòû
íà êîìïëåêòóþùèå
èçäåëèÿ
|
85000
|
|
3 Ïðî÷èå
ðàñõîäû
|
15913
|
|
Èòîãî
|
107278
|
.2.5 Ðàñ÷åò ñòîèìîñòè
ìîäåðíèçèðîâàííîãî
îáîðóäîâàíèÿ
Ðàñ÷åò ñòîèìîñòè
ìîäåðíèçèðîâàííîãî
îáîðóäîâàíèÿ
(Öîáìîä, ðóá) îñóùåñòâëÿåòñÿ
ïî ôîðìóëå:
, (6.5)
ãäå
Öîáíåìîä - ñòîèìîñòü
îáîðóäîâàíèÿ
äî ïðîâåäåíèÿ
ìîäåðíèçàöèè,
ðóá;
Ñçàìêîìïë
- Îáùàÿ ñòîèìîñòü
êîìïëåêòóþùèõ
èçäåëèé, çàìåíÿåìûõ
â õîäå ïðîâåäåíèÿ
ìîäåðíèçàöèè
îáîðóäîâàíèÿ,
ðóá.
Öîáìîä=750000+107278−10000=847278
ðóá
.3
Ðàñ÷åò ýêîíîìè÷åñêîãî
ýôôåêòà îò ïðîâåäåíèÿ
ìîäåðíèçàöèè
.3.1
Ðàñ÷¸ò èçìåíåíèÿ
òðóäîåìêîñòè
èçãîòîâëåíèÿ
äåòàëè
Ñíèæåíèå
òðóäîåìêîñòè
ðàññ÷èòûâàåòñÿ
ïî ôîðìóëå:
, (6.6)
ãäå
tøòìîä - øòó÷íîå
âðåìÿ íà îáðàáîòêó
äåòàëè ñ èñïîëüçîâàíèåì
ìîäåðíèçèðîâàííîãî
îáîðóäîâàíèÿ,
ìèí/øò;
tøòáàç
- øòó÷íîå âðåìÿ
íà îáðàáîòêó
äåòàëè ñ èñïîëüçîâàíèåì
áàçîâîãî îáîðóäîâàíèÿ,
ìèí/øò.
.3.2
Ðàñ÷åò íåîáõîäèìîãî
êîëè÷åñòâà îáîðóäîâàíèÿ
è åãî çàãðóçêè
.3.2.1
Ðàñ÷åòíîå êîëè÷åñòâî
îáîðóäîâàíèÿ
Ðàñ÷åòíîå
êîëè÷åñòâî áàçîâîãî
è ìîäåðíèçèðîâàííîãî
îáîðóäîâàíèÿ
äëÿ îáðàáîòêè
äåòàëåé (Ñðàñ÷)
ðàññ÷èòûâàåòñÿ
ïî ôîðìóëå:
, (6.7)
ãäå
Nâûï - ãîäîâàÿ
ïðîãðàììà âûïóñêà
äåòàëåé, øò/ãîä;
Fäåéñò
- äåéñòâèòåëüíûé
ãîäîâîé ôîíä
âðåìåíè ðàáîòû
îáîðóäîâàíèÿ,
÷àñ/ãîä.
, (6.8)
ãäå
Kðí - êîýôôèöèåíò
ïîòåðü âðåìåíè
íà ðåìîíò è íàëàäêó
îáîðóäîâàíèÿ;
Fíîì
- íîìèíàëüíûé
ôîíä ãîäîâîãî
âðåìåíè ðàáîòû
îáîðóäîâàíèÿ
â ÷àñàõ, ÷àñ/ãîä;
, (6.9)
ãäå
hñìåí - êîëè÷åñòâî
ñìåí â äåíü, ñìåí/äåíü;
Fñìåí
- êîëè÷åñòâî ÷àñîâ
ðàáîòû â ñìåíó,
÷àñ/ñìåí;
-
ñîêðàùåííàÿ
ïðîäîëæèòåëüíîñòü
ñìåí â ïðåäïðàçäíè÷íûå
äíè, ÷àñ;
Fíîìäí
- íîìèíàëüíûé
ôîíä ãîäîâîãî
âðåìåíè ðàáîòû
îáîðóäîâàíèÿ,
â äíÿõ, äí/ãîä;
Dïðåäïðàçäí
- êîëè÷åñòâî ïðåäïðàçäíè÷íûõ
äíåé â ãîäó, äí/ãîä.
, (6.10)
ãäå
Dêàëåíä - êîëè÷åñòâî
êàëåíäàðíûõ äíåé
â ãîäó, äí/ãîä;
Dâûõ
- êîëè÷åñòâî âûõîäíûõ
äíåé â ãîäó, äí/ãîä;
Dïðàçäí
- êîëè÷åñòâî ïðàçäíè÷íûõ
äíåé â ãîäó, äí/ãîä.
6.3.2.2
Ïðèíÿòîå êîëè÷åñòâî
îáîðóäîâàíèÿ
Ïðèíÿòîå
êîëè÷åñòâî è
ìîäåðíèçèðîâàííîãî
îáîðóäîâàíèÿ
(Ñïð) îïðåäåëÿåòñÿ,
èñõîäÿ èç ðàñ÷åòíîãî
êîëè÷åñòâà îáîðóäîâàíèÿ
(Ñðàñ÷), ñ ó÷åòîì
äîïóñòèìîé ïåðåãðóçêè
1 - 2 %.
Ñïðáàçãîð
= 1;
Ñïðáàçâåð
= 1;
Ñïðìîä
= 1.
.3.2.3
Çàãðóçêà îáîðóäîâàíèÿ
Çàãðóçêà
áàçîâîãî è ìîäåðíèçèðîâàííîãî
îáîðóäîâàíèÿ
ïðè îáðàáîòêå
äåòàëåé (Êçàãð,
%) îïðåäåëÿåòñÿ
ïî ôîðìóëå:
(6.11)
.3.3
Ðàñ÷åò ãîäîâîé
ïðîèçâîäèòåëüíîñòè
åäèíèöû îáîðóäîâàíèÿ
è åå èçìåíåíèÿ
.3.3.1
Ãîäîâàÿ ïðîèçâîäèòåëüíîñòü
åäèíèöû îáîðóäîâàíèÿ
Ãîäîâàÿ
ïðîèçâîäèòåëüíîñòü
áàçîâîãî è ìîäåðíèçèðîâàííîãî
îáîðóäîâàíèÿ
(Ïð, øò/ãîä) îïðåäåëÿåòñÿ
ïî ôîðìóëå:
, (6.12)
,
.3.3.2
Êîýôôèöèåíò
ðîñòà ïðîèçâîäèòåëüíîñòè
îáîðóäîâàíèÿ
Êîýôôèöèåíò
ðîñòà ïðîèçâîäèòåëüíîñòè
îáîðóäîâàíèÿ
(Êïð) ðàññ÷èòûâàåòñÿ
ïî ôîðìóëå:
,
(6.13)
.3.4
Ðàñ÷åò êàïèòàëüíûõ
âëîæåíèé
Ðàñ÷åò
êàïèòàëüíûõ
âëîæåíèé â òåõíîëîãè÷åñêèå
ôîíäû âêëþ÷àåò
â ñåáÿ îïðåäåëåíèå
ïî áàçîâîìó è
ìîäåðíèçèðîâàííîìó
âàðèàíòàì êàïèòàëüíûõ
âëîæåíèé â îáîðóäîâàíèå
è çäàíèå.
.3.4.1
Êàïèòàëüíûå
âëîæåíèÿ â îáîðóäîâàíèå
Êàïèòàëüíûå
âëîæåíèÿ â îáîðóäîâàíèå
(Êîá, ðóá) îïðåäåëÿþòñÿ
ïî ôîðìóëå:
, (6.14)
ãäå
Öîá - ñòîèìîñòü
îáîðóäîâàíèÿ,
ðóá.
,
.
.3.4.2
Êàïèòàëüíûå
âëîæåíèÿ â çäàíèå
Êàïèòàëüíûå
âëîæåíèÿ â çäàíèå
(Êçä, ðóá) îïðåäåëÿþòñÿ
ïî ôîðìóëå:
, (6.15)
ãäå
Öçä - ñòîèìîñòü
1ì2 çäàíèÿ, ðóá/ì2;
Sîá
- ïëîùàäü çäàíèÿ,
çàíèìàåìàÿ åäèíèöåé
îáîðóäîâàíèÿ,
ì2;
Êäîï
- êîýôôèöèåíò,
ó÷èòûâàþùèé
äîïîëíèòåëüíóþ
ïðîèçâîäñòâåííóþ
ïëîùàäü.
,
.
.3.4.3
Êàïèòàëüíûå
âëîæåíèÿ ñóììàðíûå
Ñóììàðíûå
êàïèòàëüíûå
âëîæåíèÿ â òåõíîëîãè÷åñêèå
ôîíäû (Êò, ðóá) îïðåäåëÿþòñÿ
ïî ôîðìóëå:
,
(6.16)
,
.
.3.5
Ðàñ÷åò òåõíîëîãè÷åñêîé
ñåáåñòîèìîñòè
ãîäîâîãî âûïóñêà
Äëÿ
îïðåäåëåíèÿ ãîäîâîãî
ýêîíîìè÷åñêîãî
ýôôåêòà îò ìîäåðíèçàöèè
îáîðóäîâàíèÿ
äîñòàòî÷íî ðàññ÷èòàòü
ïî áàçîâîìó è
ìîäåðíèçèðîâàííîìó
âàðèàíòàì ëèøü
òå ñòàòüè òåêóùèõ
çàòðàò, âåëè÷èíà
êîòîðûõ ìåíÿåòñÿ
ïîñëå âíåäðåíèÿ
êîíñòðóêòîðñêîé
ðàçðàáîòêè.
.3.5.1
Çàðàáîòíàÿ ïëàòà
ñ îò÷èñëåíèÿìè
Ðàñ÷åò
ãîäîâîé çàðàáîòíîé
ïëàòû ñ îò÷èñëåíèÿìè
(Ñçï, ðóá/ãîä) âåäåòñÿ
ïî ôîðìóëå:
, (6.17)
ãäå
×ÒÑ - ÷àñîâàÿ òàðèôíàÿ
ñòàâêà, ðóá/÷àñ.
.3.5.2
Çàòðàòû íà ýëåêòðîýíåðãèþ
Ðàñ÷åò
ãîäîâûõ çàòðàò
íà ýëåêòðîýíåðãèþ
(Ñýë, ðóá/ãîä) ïðîèçâîäèòñÿ
ïî ôîðìóëå:
, (6.18)
ãäå
Öýë - ñòîèìîñòü
1 êÂò-÷ ýëåêòðîýíåðãèè,
ðóá/êÂò-÷;
Ìîá
- ìîùíîñòü îáîðóäîâàíèÿ,
êÂò.
.3.5.3
Àìîðòèçàöèîííûå
îò÷èñëåíèÿ
à)
Àìîðòèçàöèîííûå
îò÷èñëåíèÿ äëÿ
îáîðóäîâàíèÿ
Ãîäîâûå
àìîðòèçàöèîííûå
îò÷èñëåíèÿ äëÿ
îáîðóäîâàíèÿ
(Ñàìîá, ðóá/ãîä)
ðàññ÷èòûâàþòñÿ
ïî ôîðìóëå:
, (6.19)
ãäå
Íàîá - íîðìà ãîäîâûõ
àìîðòèçàöèîííûõ
îò÷èñëåíèé äëÿ
îáîðóäîâàíèÿ,
%.
,
.
á)
Àìîðòèçàöèîííûå
îò÷èñëåíèÿ äëÿ
çäàíèÿ
Ãîäîâûå
àìîðòèçàöèîííûå
îò÷èñëåíèÿ äëÿ
çäàíèÿ (Ñàìçä,
ðóá/ãîä) îïðåäåëÿþòñÿ
ïî ôîðìóëå:
, (6.20)
ãäå
Íàçä - íîðìà ãîäîâûõ
àìîðòèçàöèîííûõ
îò÷èñëåíèé äëÿ
çäàíèÿ, %.
â)
Àìîðòèçàöèîííûå
îò÷èñëåíèÿ ñóììàðíûå
Ãîäîâûå
ñóììàðíûå àìîðòèçàöèîííûå
îò÷èñëåíèÿ (Ñàì,
ðóá/ãîä) ðàññ÷èòûâàþòñÿ
ïî ôîðìóëå:
(6.21)
.3.5.5
Çàòðàòû íà òåêóùèé
ðåìîíò
à)
Çàòðàòû íà òåêóùèé
ðåìîíò îáîðóäîâàíèÿ
Ãîäîâûå
çàòðàòû íà òåêóùèé
ðåìîíò îáîðóäîâàíèÿ
(Ñðåìîá, ðóá/ãîä)
îïðåäåëÿþòñÿ
ïî ôîðìóëå:
(6.22)
ãäå
Íðåìîá - íîðìà
ãîäîâûõ çàòðàò
íà òåêóùèé ðåìîíò
îáîðóäîâàíèÿ,
%.
á)
Çàòðàòû íà òåêóùèé
ðåìîíò çäàíèÿ
Ãîäîâûå
çàòðàòû íà òåêóùèé
ðåìîíò çäàíèÿ
(Ñðåìçä, ðóá/ãîä)
ðàññ÷èòûâàþòñÿ
ïî ôîðìóëå:
(6.23)
ãäå
Íðåìçä - íîðìà
ãîäîâûõ çàòðàò
íà òåêóùèé ðåìîíò
çäàíèÿ, %.
â)
Çàòðàòû íà òåêóùèé
ðåìîíò ñóììàðíûå
Ãîäîâûå
ñóììàðíûå çàòðàòû
íà òåêóùèé ðåìîíò
(Ñðåì, ðóá/ãîä) îïðåäåëÿþòñÿ
ïî ôîðìóëå:
(6.24)
.3.5.6
Çàòðàòû íà ñîäåðæàíèå
çäàíèÿ
Ðàñ÷åò
ãîäîâûõ çàòðàò
íà ñîäåðæàíèå
çäàíèÿ (Ññîäçä,
ðóá/ãîä) âåäåòñÿ
ïî ôîðìóëå:
(6.25)
ãäå
Íñîäçä - íîðìà
ãîäîâûõ çàòðàò
íà ñîäåðæàíèå
çäàíèÿ, %.
.3.5.7
Çàòðàòû íà èíñòðóìåíò
Ðàñ÷åò
ãîäîâûõ çàòðàò
íà èíñòðóìåíò
(Ñèíñòð, ðóá/ãîä)
îñóùåñòâëÿåòñÿ
ïî ôîðìóëå:
(6.26)
ãäå
Öèíñòð - öåíà èíñòðóìåíòà,
ðóá/øò;
Ðèíñòð
- ãîäîâîé ðàñõîä
èíñòðóìåíòà,
øò/ãîä.
Ãîäîâîé
ðàñõîä èíñòðóìåíòà
(Ðèíñòð, øò/ãîä)
îïðåäåëÿåòñÿ
ïî ôîðìóëå:
, (6.27)
ãäå
Òñëèíñòð - ñðîê
ñëóæáû èíñòðóìåíòà,
ìèí.
.3.5.8
Òåõíîëîãè÷åñêàÿ
ñåáåñòîèìîñòü
ãîäîâîãî âûïóñêà
Ðàñ÷åò
òåõíîëîãè÷åñêîé
ñåáåñòîèìîñòè
ãîäîâîãî âûïóñêà
äåòàëåé ñ èñïîëüçîâàíèåì
áàçîâîãî è ìîäåðíèçèðîâàííîãî
îáîðóäîâàíèÿ
(Ñòåõí, ðóá/ãîä)
âåäåòñÿ ïî ôîðìóëå:
Ñòåõí
= Ñçï + Ñýë + Ñàì + Ñðåì
+ Ññîäçä + Ñèíñòð
(6.28)
Ñòåõíáàç
= 82497+26849+100990+48396+1188+233400 = 493320 ðóá/ãîä,
Ñòåõíìîä
= 58926+41028+53405+25599+540+166800 = 346298 ðóá/ãîä.
Ðåçóëüòàòû
ðàñ÷åòà ñåáåñòîèìîñòè
ãîäîâîãî âûïóñêà
äåòàëåé ñ èñïîëüçîâàíèåì
áàçîâîãî è ìîäåðíèçèðîâàííîãî
îáîðóäîâàíèÿ
ñâîäÿòñÿ â òàáëèöó
6.5.
Òàáëèöà
6.5 - Çàòðàòû íà ãîäîâîé
âûïóñê äåòàëåé
ñ èñïîëüçîâàíèåì
áàçîâîãî è ìîäåðíèçèðîâàííîãî
îáîðóäîâàíèÿ
|
Ñòàòüè
çàòðàò
|
Çàòðàòû,
ðóá/ãîä
|
|
Áàçîâûé
âàðèàíò
|
Ìîäåðí.
âàðèàíò
|
|
1 Çàðàáîòíàÿ
ïëàòà ñ îò÷èñëåíèÿìè
|
82497
|
58926
|
|
2 Çàòðàòû
íà ýëåêòðîýíåðãèþ
|
26849
|
41028
|
|
3 Àìîðòèçàöèîííûå
îò÷èñëåíèÿ
|
100990
|
53405
|
|
4 Çàòðàòû
íà òåêóùèé ðåìîíò
|
48396
|
25599
|
|
5 Çàòðàòû
íà ñîäåðæàíèå
çäàíèÿ
|
1188
|
540
|
|
6 Çàòðàòû
íà èíñòðóìåíò
|
233400
|
166800
|
|
Èòîãî
|
493320
|
346298
|
.3.6 Ðàñ÷åò øòó÷íîé
òåõíîëîãè÷åñêîé
ñåáåñòîèìîñòè
Øòó÷íàÿ òåõíîëîãè÷åñêàÿ
ñåáåñòîèìîñòü
äåòàëåé ïî áàçîâîìó
è ìîäåðíèçèðîâàííîìó
âàðèàíòàì (Ñøòòåõí,
ðóá/øò) ðàññ÷èòûâàåòñÿ
ïî ôîðìóëå:
, (6.29)
,
.
.3.7
Ðàñ÷åò ãîäîâîé
ýêîíîìèè îò ñíèæåíèÿ
ñåáåñòîèìîñòè
Ãîäîâàÿ
ýêîíîìèÿ îò ñíèæåíèÿ
ñåáåñòîèìîñòè
ïðè ïåðåõîäå ñ
áàçîâîãî âàðèàíòà
íà ìîäåðíèçèðîâàííûé
(èçì Ñ, ðóá/ãîä)
îïðåäåëÿåòñÿ
ïî ôîðìóëå:
èçì
Ñ = Ñòåõíáàç - Ñòåõíìîä, (6.30)
èçì
Ñ = 493320 - 346298 = 147022 ðóá/ãîä
.3.8
Ðàñ÷åò ïðèâåäåííûõ
çàòðàò
.3.8.1
Ãîäîâûå ïðèâåäåííûå
çàòðàòû
Ãîäîâûå
ïðèâåäåííûå çàòðàòû
ïî áàçîâîìó è
ìîäåðíèçèðîâàííîìó
âàðèàíòàì (Çïðèâãîä,
ðóá/ãîä) ðàññ÷èòûâàþòñÿ
ïî ôîðìóëå:
, (6.31)
ãäå
Åí - íîðìàòèâíûé
êîýôôèöèåíò
ýôôåêòèâíîñòè
êàïèòàëüíûõ
âëîæåíèé, ðóá/ãîä/ðóá.
ïðèâãîäáàç
= 493320 + 0,15 ∙ 1639600 = 739260 ðóá/ãîä,
ïðèâãîäìîä
= 346298 + 0,15 ∙ 865278 = 476090 ðóá/ãîä.
.3.8.2
Óäåëüíûå ïðèâåäåííûå
çàòðàòû
Óäåëüíûå
ïðèâåäåííûå çàòðàòû
ïî áàçîâîìó è
ìîäåðíèçèðîâàííîìó
âàðèàíòàì (Çïðèâóä,
ðóá/øò) îïðåäåëÿþòñÿ
ïî ôîðìóëå:
(6.32)
,
.
.3.9
Ðàñ÷åò ãîäîâîãî
ýêîíîìè÷åñêîãî
ýôôåêòà
Ãîäîâîé
ýêîíîìè÷åñêèé
ýôôåêò îò ïðîâåäåíèÿ
ìîäåðíèçàöèè
îáîðóäîâàíèÿ
(Ýãîä, ðóá/ãîä) ðàññ÷èòûâàåòñÿ
ïî ôîðìóëå:
, (6.33)
Ýãîä
= 739260 - 476090 = 263170 ðóá/ãîä.
.3.10
Òåõíèêî-ýêîíîìè÷åñêèå
ïîêàçàòåëè ïðîåêòà
Íà
îñíîâàíèè ïðîâåäåííûõ
ðàñ÷åòîâ çàïîëíÿåòñÿ
ñâîäíàÿ òàáëèöà
òåõíèêî-ýêîíîìè÷åñêèõ
ïîêàçàòåëåé
ïðîåêòà (ñì. òàáëèöó
6.6).
Òàáëèöà
6.6 - Òåõíèêî-ýêîíîìè÷åñêèå
ïîêàçàòåëè ïðîåêòà
|
Ïîêàçàòåëè
|
Åä. èçì.
|
Áàçîâûé
âàðèàíò
|
Ìîäåðí.
âàðèàíò
|
|
1 Ãîäîâàÿ
ïðîãðàììà
|
øò/ãîä
|
10000
|
10000
|
|
2 Øòó÷íîå
âðåìÿ
|
ìèí/øò
|
14
|
10
|
|
3 Ñíèæåíèå
òðóäîåìêîñòè
|
%
|
29
|
|
4 Êîëè÷åñòâî
îáîðóäîâàíèÿ
|
åä
|
2
|
1
|
|
5 Ãîäîâàÿ
ïðîèçâîäèòåëüíîñòü
îáîðóäîâàíèÿ
|
øò/ãîä
|
11502
|
|
6 Êîýôôèöèåíò
ðîñòà ïðîèçâîäèòåëüíîñòè
îáîðóäîâàíèÿ
|
-
|
1,4
|
|
7 Êàïèòàëüíûå
âëîæåíèÿ, ò.÷.
- â îáîðóäîâàíèå;
- â çäàíèå
|
ðóá
|
1639600 1600000 39600
|
865278 847278 18000
|
|
8 Òåõíîëîãè÷åñêàÿ
ñåáåñòîèìîñòü
ãîäîâîãî âûïóñêà
|
ðóá/ãîä
|
493320
|
346298
|
|
9 Ýêîíîìèÿ
îò ñíèæåíèÿ ñåáåñòîèìîñòè
|
ðóá/ãîä
|
147022
|
|
10 Ãîäîâûå
ïðèâåäåííûå çàòðàòû
|
ðóá/ãîä
|
739260
|
476090
|
|
11 Ãîäîâîé
ýêîíîìè÷åñêèé
ýôôåêò
|
ðóá/ãîä
|
263170
|
Çàêëþ÷åíèå
 õîäå âûïîëíåíèÿ
äèïëîìíîãî ïðîåêòà
áûëà îñóùåñòâëåíà
ìîäåðíèçàöèÿ
ñòàíêà ìîäåëè
6Ì82 ñ öåëüþ ðàñøèðåíèÿ
òåõíîëîãè÷åñêèõ
âîçìîæíîñòåé
è ïîâûøåíèÿ ïðîèçâîäèòåëüíîñòè.
Áûë îñóùåñòâë¸í
ðàñ÷¸ò ïàðàìåòðîâ
æ¸ñòêîñòè è ïðîâåä¸í
òåïëîâîé àíàëèç
øïèíäåëüíîãî
óçëà äîïîëíèòåëüíîé
ôðåçåðíîé ãîëîâêè.
Òàêæå ïðîèçâîäèëñÿ
ðÿä ðàñ÷åòîâ äëÿ
íåñóùåé ñèñòåìû
ñòàíêà ñ ïîìîùüþ
ïðîãðàììíî-ìàòåìàòè÷åñêîãî
îáåñïå÷åíèÿ
«Ansys».
Ïðè ïðîâåäåíèè
ðàñ÷¸òà íà æ¸ñòêîñòü
øïèíäåëü äîïîëíèòåëüíîé
ôðåçåðíîé ãîëîâêè
áûë ïðåäñòàâëåí
â âèäå ñòåðæíåâîé
êîíå÷íî-ýëåìåíòíîé
ìîäåëè. Âî âðåìÿ
ðàñ÷¸òà áûëè
âû÷èñëåíû äåôîðìàöèè
øïèíäåëÿ â óçëîâûõ
òî÷êàõ.  õîäå
òåïëîâîãî àíàëèçà
øïèíäåëÿ áûëè
ïîëó÷åíû åãî
òåïëîâûå õàðàêòåðèñòèêè
âî âðåìÿ ðàáîòû.
Ðàñ÷åòû íåñóùåé
ñèñòåìû ñòàíêà
ïîçâîëèëè ñäåëàòü
âûâîä î ñòåïåíè
íàäåæíîñòè è
óñòîé÷èâîñòè
êîíñòðóêöèè
îáîðóäîâàíèÿ
âî âðåìÿ åãî ýêñïëóàòàöèè.
Ïðîèçâåäåííûé
ýêîíîìè÷åñêèé
ðàñ÷åò ïîêàçàë,
÷òî ãîäîâîé ýêîíîìè÷åñêèé
ýôôåêò îò ìîäåðíèçàöèè
ñòàíêà ìîäåëè
6Ì12Ï ñîñòàâèò
263170 ðóáëåé.
Ñïèñîê èñïîëüçîâàííûõ
èñòî÷íèêîâ
1 Íè÷êîâ
À.Ã. Ôðåçåðíûå
ñòàíêè. Ì., Ìàøèíîñòðîåíèå,
1977- 184 ñ.
Ñïðàâî÷íèê
òåõíîëîãà-ìàøèíîñòðîèòåëÿ.
 2-õ Ò.-Ò.2 / Ïîä ðåä.
À.Ã. Êîñèëîâîé
è Ð.Ê. Ìåùåðÿêîâà.
- 4-å èçä., ïåðåðàá.
è äîï. - Ì.: Ìàøèíîñòðîåíèå,
1985. - 496 ñ.
Ïîëÿêîâ
À.Í., Ïàðôåíîâ È.Â.
Ðàñ÷åò êîðîáîê
ïåðåäà÷ ìåòàëëîðåæóùèõ
ñòàíêîâ ñ ïðèìåíåíèåì
ÝÂÌ: Ìåòîäè÷åñêèå
óêàçàíèÿ ïî êóðñîâîìó
è äèïëîìíîìó
ïðîåêòèðîâàíèþ
äëÿ ñòóäåíòîâ:
- Îðåíáóðã: ÃÎÓ
ÎÃÓ, 20034. - 49 ñ.
Ïîëÿêîâ
À.Í., Ïàðôåíîâ È.Â.
Ðàñ÷åò è êîíñòðóèðîâàíèå
ñòàíêîâ. Ïðèìåíåíèå
ÝÂÌ â êóðñîâûõ
è äèïëîìíûõ ïðîåêòàõ:
Ìåòîäè÷åñêèå
óêàçàíèÿ ïî êóðñîâîìó
è äèïëîìíîìó
ïðîåêòèðîâàíèþ
äëÿ ñòóäåíòîâ:
- Îðåíáóðã: ÃÎÓ
ÎÃÓ, 2004. - 26 ñ.
Ïåðåëü
Ë.ß., Ôèëàòîâ À.À.
Ïîäøèïíèêè êà÷åíèÿ:
Ðàñ÷åò, ïðîåêòèðîâàíèå
è îáñëóæèâàíèå
îïîð: Ñïðàâî÷íèê.
- 2-å èçä., ïåðåðàá.
è äîï. - Ì.: Ìàøèíîñòðîåíèå,
1992. - 608 ñ.
Äóíàåâ
Ï.Ô., Ëåëèêîâ Î.Ï.
Êîíñòðóèðîâàíèå
óçëîâ è äåòàëåé
ìàøèí: Ó÷åá. ïîñîáèå
äëÿ òåõí. ñïåö.
âóçîâ. - 5-å èçä., ïåðåðàá.
è äîï. - Ì.: Âûñø. øê.,
1998. - 447 ñ., èë.
Ïëàí
çàïàñíûõ ÷àñòåé.
Óíèâåðñàëüíûé
èíñòðóìåíòàëüíûé
ôðåçåðíîñâåðëèëüíûé
ñòàíîê «DECKEL FP3».
Êîíñîëüíî-ôðåçåðíûå
ñòàíêè ìîäåëåé
6Ì82, 6Ì82Ã è 6Ì82ÃÁ. Ðóêîâîäñòâî
ïî óõîäó è îáñëóæèâàíèþ.
Ïîëÿêîâ
À.Í., Êàìåíåâ Ñ.Â.
Ðàñ÷åò áàçîâûõ
äåòàëåé ñòàíêîâ
â ñèñòåìå ANSYS: ó÷åáíîå
ïîñîáèå: - Îðåíáóðã:
ÃÎÓ ÎÃÓ, 2006. - 111 ñ.
Îõðàíà
òðóäà â ìàøèíîñòðîåíèè:
Ó÷åáíèê äëÿ ìàøèíîñòðîèòåëüíûõ
âóçîâ/ Å. ß. Þäèí,
Ñ. Â. Áåëîâ, Ñ. Ê. Áàëàíöåâ
è äð.; Ïîä ðåä. Å. ß.
Þäèíà, Ñ. Â. Áåëîâà
- 2-å èçä., ïåðåðàá.
è äîï. - Ì.: Ìàøèíîñòðîåíèå,
1983, 432 ñ., èë.
Êóðäþìîâ
Â.È., Çîòîâ Á.È. Ïðîåêòèðîâàíèå
è ðàñ÷åò ñðåäñòâ
îáåñïå÷åíèÿ
áåçîïàñíîñòè.
- Ì.: ÊîëîñÑ, 2005. - 216 ñ.,
èë.
Ãîðåëèêîâà-Êèòàåâà
Î.Ã. Òåõíèêî-ýêîíîìè÷åñêîå
îáîñíîâàíèå
ìîäåðíèçàöèè
òåõíîëîãè÷åñêîãî
îáîðóäîâàíèÿ:
ìåòîäè÷åñêèå
óêàçàíèÿ ïî âûïîëíåíèþ
ýêîíîìè÷åñêîãî
ðàçäåëà äèïëîìíîãî
ïðîåêòà: - Îðåíáóðã:
ÎÎÎ «Àãåíñòâî
«ÏÐÅÑÑÀ», 2006. - 22 ñ.
Ïðèëîæåíèå À
Ðåçóëüòàòû êèíåìàòè÷åñêîãî
ðàñ÷åòà
Èñõîäíûå äàííûå
Íàèáîëüøàÿ
÷àñòîòà âðàùåíèÿ
âûõîäíîãî âàëà
(îá/ìèí)..... 1600
Íàèìåíüøàÿ
÷àñòîòà âðàùåíèÿ
âûõîäíîãî âàëà
(îá/ìèí)..... 31,2
×àñòîòà âðàùåíèÿ
âàëà äâèãàòåëÿ
ïðèâîäà (îá/ìèí)......……
1440
Ìîùíîñòü äâèãàòåëÿ
ïðèâîäà (êÂò)
...........................………. 15
Çíàìåíàòåëü
ðÿäà......................................……………………. 1.26
Êîä òèïà êîðîáêè
ïåðåäà÷ [êîðîáêà
ñêîðîñòåé ---> 4 ]
…… 4
[ êîðîáêà ïîäà÷
---> 5 ]
Ðåêîìåíäóåìûé
êîíñòðóêòèâíûé
âàðèàíò:
.0000, 3.0000, 2.0000
Ðåêîìåíäóåìûé
êèíåìàòè÷åñêèé
âàðèàíò:
.0000, 1.0000, 9.0000
Ðåçóëüòàòû ðàñïðåäåëåíèÿ
õàðàêòåðèñòèêè
âñåé öåïè ïî ãðóïïàì
ïåðåäà÷:
Õàðàêòåðèñòèêà
âñåé öåïè 16.5392
Õàðàêòåðèñòèêà
0 0.5392
Õàðàêòåðèñòèêà
1 5.0000
Õàðàêòåðèñòèêà
2 5.0000
Õàðàêòåðèñòèêà
3 6.0000
Ìàòðèöà ïåðåäàòî÷íûõ
÷èñåë:
0.8828
0.3149 0.6299 1.2600
0.3149 0.3968 0.4999
0.2499 2.0004
Ìàòðèöà ÷èñåë
çóáüåâ:
20.00 18.00
57.00 18.00 46.00 29.00 33.00 42.00
64.00 20.00 60.00 24.00 56.00 28.00
72.00 18.00 30.00 60.00
Ìàòðèöà ÷àñòîò
âðàùåíèÿ âàëîâ(îá/ìèí):
×àñòîòà âðàùåíèÿ
âõîäíîãî âàëà
êîðîáêè ïåðåäà÷:
.2743
×àñòîòà âðàùåíèÿ
âòîðîãî âàëà
êîðîáêè ïåðåäà÷
.4550 801.4556 1617.9855
×àñòîòà âðàùåíèÿ
òðåòüåãî âàëà
êîðîáêè ïåðåäà÷
.4547 250.4549 505.6205
.5820 320.5822 647.1942
.7275 400.7278 808.9928
×àñòîòà âðàùåíèÿ
÷åòâåðòîãî âàëà
êîðîáêè ïåðåäà÷
31.3637 62.6137 126.4051
40.1455 80.1456 161.7986
50.1819 100.1819 202.2482
.9094 500.9097 1011.2409
.1640 641.1644 1294.3884
.4550 801.4556 1617.9855
Ðàñ÷åòíàÿ êèíåìàòè÷åñêàÿ
öåïü (îá/ìèí)
.000 1271.2743 801.4556 320.5822 80.1456
Ðàñ÷åòíûå ìîìåíòû
íà âàëàõ (Í/ì)
.8738 51.5021 78.4497 188.3382 723.4446
Îðèåíòèðîâî÷íûå
äèàìåòðû âàëîâ
(ìì)
.8833 17.4216 20.0452 26.8407 42.0354
Ïðèëîæåíèå Á
(ñïðàâî÷íîå)
Ðàñ÷åò ïðÿìîçóáîé
ýâîëüâåíòíîé
ïåðåäà÷è
-ÿ ãðóïïà ïåðåäà÷
ÈÑÕÎÄÍÛÅ ÄÀÍÍÛÅ
Êðóòÿùèé ìîìåíò
íà øåñòåðíå.....................……….…...
46.87
×àñòîòà âðàùåíèÿ
øåñòåðíè (îá/ìèí)..............……….
1440.00
Äîïóñêàåìîå
êîíòàêòíîå íàïðÿæåíèå
(ÌÏà).........…...1100.00
Äîïóñêàåìîå
èçãèáíîå íàïðÿæåíèå
(ÌÏà)...........……. 300.00
Îòíîøåíèå øèðèíû
âåíöà ê íà÷. äèàìåòðó
øåñòåðíè…. 0.40
×èñëî çóáüåâ
øåñòåðíè..........................…………………
18.00
×èñëî çóáüåâ
êîëåñà.............................………………......
34.00òåïåíü òî÷íîñòè
ïåðåäà÷è (6,7 èëè
8)...........……………… 7
Êîä ðàñïîëîæåíèÿ
ïåðåäà÷è.......................………………….
2
ÐÅÇÓËÜÒÀÒ ÐÀÑ×ÅÒÀ
Ðàñ÷åòíûé ìîäóëü
ïî êîíòàêòíûì
íàïðÿæåíèÿì.....
2.230 ìì
Ðàñ÷åòíûé ìîäóëü
ïî èçãèáíûì íàïðÿæåíèÿì.........
2.551 ìì
Ñòàíäàðòíûé
ìîäóëü ïî ÃÎÑÒ
9563-60.......... ….… 2.500 ìì
Ìåæîñåâîå ðàññòîÿíèå
............................................. 65.000 ìì
Øèðèíà øåñòåðíè
.............................……………… 18.000 ìì
Îêðóæíàÿ ñêîðîñòü
çóáüåâ ïåðåäà÷è............……..…...
3.4 ì/ñ
-ÿ ãðóïïà ïåðåäà÷
ÈÑÕÎÄÍÛÅ ÄÀÍÍÛÅ
Êðóòÿùèé ìîìåíò
íà øåñòåðíå.....................………......
78.45
×àñòîòà âðàùåíèÿ
øåñòåðíè (îá/ìèí)..............……..…
801.46
Äîïóñêàåìîå
êîíòàêòíîå íàïðÿæåíèå
(ÌÏà).........…...1100.00
Äîïóñêàåìîå
èçãèáíîå íàïðÿæåíèå
(ÌÏà)...........……. 300.00
Îòíîøåíèå øèðèíû
âåíöà ê íà÷. äèàìåòðó
øåñòåðíè…. 0.30
×èñëî çóáüåâ
øåñòåðíè..........................…………………
24.00
×èñëî çóáüåâ
êîëåñà.............................………………......
60.00òåïåíü òî÷íîñòè
ïåðåäà÷è (6,7 èëè
8)...........……………… 7
Êîä ðàñïîëîæåíèÿ
ïåðåäà÷è.......................………………….
2
ÐÅÇÓËÜÒÀÒ ÐÀÑ×ÅÒÀ
Ðàñ÷åòíûé ìîäóëü
ïî êîíòàêòíûì
íàïðÿæåíèÿì.....
2.069 ìì
Ðàñ÷åòíûé ìîäóëü
ïî èçãèáíûì íàïðÿæåíèÿì........
. 2.655 ìì
Ñòàíäàðòíûé
ìîäóëü ïî ÃÎÑÒ
9563-60.......... ….…. 3.000 ìì
Ìåæîñåâîå ðàññòîÿíèå
............................................ 126.000 ìì
Øèðèíà øåñòåðíè
.............................……………… 21.600 ìì
Îêðóæíàÿ ñêîðîñòü
çóáüåâ ïåðåäà÷è............……..…....
3.0 ì/ñ
-ÿ ãðóïïà ïåðåäà÷
ÈÑÕÎÄÍÛÅ ÄÀÍÍÛÅ
Êðóòÿùèé ìîìåíò
íà øåñòåðíå.....................……….....
188.34
×àñòîòà âðàùåíèÿ
øåñòåðíè (îá/ìèí)..............……..…
320.58
Äîïóñêàåìîå
êîíòàêòíîå íàïðÿæåíèå
(ÌÏà).........…...1100.00
Äîïóñêàåìîå
èçãèáíîå íàïðÿæåíèå
(ÌÏà)...........……. 300.00
Îòíîøåíèå øèðèíû
âåíöà ê íà÷. äèàìåòðó
øåñòåðíè…. 0.40
×èñëî çóáüåâ
øåñòåðíè..........................…………………
18.00
×èñëî çóáüåâ
êîëåñà.............................………………......
72.00òåïåíü òî÷íîñòè
ïåðåäà÷è (6,7 èëè
8)...........……………… 7
Êîä ðàñïîëîæåíèÿ
ïåðåäà÷è.......................………………….
2
ÐÅÇÓËÜÒÀÒ ÐÀÑ×ÅÒÀ
Ðàñ÷åòíûé ìîäóëü
ïî êîíòàêòíûì
íàïðÿæåíèÿì....
3.264 ìì
Ðàñ÷åòíûé ìîäóëü
ïî èçãèáíûì íàïðÿæåíèÿì........
4.056 ìì
Ñòàíäàðòíûé
ìîäóëü ïî ÃÎÑÒ
9563-60.......... ….… 4.000 ìì
Ìåæîñåâîå ðàññòîÿíèå
........................................... 180.000 ìì
Øèðèíà øåñòåðíè
.............................……………… 28.800 ìì
Îêðóæíàÿ ñêîðîñòü
çóáüåâ ïåðåäà÷è............……..…...
1.2 ì/ñ
Ïðèëîæåíèå Â
Ðàñ÷åò ðåàêöèé,
ãðóçîïîäúåìíîñòè
ïîäøèïíèêîâ è
âàëîâ
Ïåðâûé âàë êîðîáêè
ñêîðîñòåé
Èñõîäíûå äàííûå:
Ðàññòîÿíèå
îò ëåâîé îïîðû
äî ñèëû Ð, ìì.(A)........
24.00
Ðàññòîÿíèå
îò ëåâîé îïîðû
äî ñèëû Q, ìì.(B)……. 0.00
Ðàññòîÿíèå
ìåæäó îïîðàìè,
ìì.(L).…………….. 230.00
Ñèëû, äåéñòâóþùèå
íà âàë - Ð, Í.............………… 2216
Ñèëû, äåéñòâóþùèå
íà âàë - Q, H..............……… 0.00
Óãîë ìåæäó ïëîñêîñòÿìè
äåéñòâèÿ ñèë,
ãðàä..…… 40.00
×àñòîòà âðàùåíèÿ
âàëà, îá/ìèí.............………….
1440.00
Ðåçóëüòàòû ðàñ÷åòà:
Ðåàêöèè â îïîðàõ:
R=1984.77
H
S=231.23
H
Ñòàòè÷åñêàÿ
ãðóçîïîäúåìíîñòü
ïîäøèïíèêîâ
CO1= 1984.77
H
CO2= 231.23
H
Äèíàìè÷åñêàÿ
ãðóçîïîäúåìíîñòü
ïîäøèïíèêîâ
C1=22684.16
H
C2=2642.81
H
Èçãèáàþùèå
ìîìåíòû íà âàëó
(X îò ëåâîãî êîíöà)
=24.00 ìì=47.63 ìì=0.00 ìì=0.00 ìì
Âòîðîé âàë êîðîáêè
ñêîðîñòåé
Èñõîäíûå äàííûå:
Ðàññòîÿíèå
îò ëåâîé îïîðû
äî ñèëû Ð, ìì.(A)........
203.00
Ðàññòîÿíèå
îò ëåâîé îïîðû
äî ñèëû Q, ìì.(B)……. 24.00
Ðàññòîÿíèå
ìåæäó îïîðàìè,
ìì.(L).…………….. 230.00
Ñèëû, äåéñòâóþùèå
íà âàë - Ð, Í.............………… 2318
Ñèëû, äåéñòâóþùèå
íà âàë - Q, H..............……… 1964
Óãîë ìåæäó ïëîñêîñòÿìè
äåéñòâèÿ ñèë,
ãðàä..…… 40.00
×àñòîòà âðàùåíèÿ
âàëà, îá/ìèí.............………….
801.45
Ðåçóëüòàòû ðàñ÷åòà:
Ðåàêöèè â îïîðàõ:
R=1975.27
H
S=2206.82
H
Ñòàòè÷åñêàÿ
ãðóçîïîäúåìíîñòü
ïîäøèïíèêîâ
CO1= 1975.27
H
CO2= 2206.82
H
Äèíàìè÷åñêàÿ
ãðóçîïîäúåìíîñòü
ïîäøèïíèêîâ
C1=18568.20
H
C2=20744.78
H
Èçãèáàþùèå
ìîìåíòû íà âàëó
(X îò ëåâîãî êîíöà)
=203.00 ìì=400.98 ìì=24.00 ìì=454.60 ìì
Òðåòèé âàë êîðîáêè
ñêîðîñòåé
Èñõîäíûå äàííûå:
Ðàññòîÿíèå
îò ëåâîé îïîðû
äî ñèëû Ð, ìì.(A)........
259.00
Ðàññòîÿíèå
îò ëåâîé îïîðû
äî ñèëû Q, ìì.(B)……. 203.00
Ðàññòîÿíèå
ìåæäó îïîðàìè,
ìì.(L).…………….. 387.00
Ñèëû, äåéñòâóþùèå
íà âàë - Ð, Í.............………… 5567
Ñèëû, äåéñòâóþùèå
íà âàë - Q, H..............……… 2226
Óãîë ìåæäó ïëîñêîñòÿìè
äåéñòâèÿ ñèë,
ãðàä..…… 40.00
×àñòîòà âðàùåíèÿ
âàëà, îá/ìèí.............………….
320.58
Ðåçóëüòàòû ðàñ÷åòà:
Ðåàêöèè â îïîðàõ:
R=2737.90
H
S=4680.76
H
Ñòàòè÷åñêàÿ
ãðóçîïîäúåìíîñòü
ïîäøèïíèêîâ
CO1= 2737.90
H
CO2= 4680.76
H
Äèíàìè÷åñêàÿ
ãðóçîïîäúåìíîñòü
ïîäøèïíèêîâ
C1=18960.41
H
C2=32415.00
H
Èçãèáàþùèå
ìîìåíòû íà âàëó
(X îò ëåâîãî êîíöà)
=259.00 ìì=709.12 ìì=203.00 ìì=861.26
ìì
Ïðèëîæåíèå Ã
Ðàñ÷åò ñå÷åíèÿ
ñïëîøíîãî âàëà
íà ñòàòè÷åñêóþ
ïðî÷íîñòü è âûíîñëèâîñòü
Ïåðâûé âàë êîðîáêè
ñêîðîñòåé
Èñõîäíûå äàííûå:
Èçãèáàþùèé
ìîìåíò â ñå÷åíèè,
Í·ì.............…. 47.63
Êðóòÿùèé ìîìåíò
â ñå÷åíèè, Í·ì...............….…
46.87
Ïðåäåë ïðî÷íîñòè
ìàòåðèàëà âàëà,
ÌÏà............. 980.00
Ìàêñèìàëüíûé
äèàìåòð ñå÷åíèÿ
âàëà, ìì....... ...17.00
Ìèíèìàëüíûé
äèàìåòð ñå÷åíèÿ
âàëà, ìì............17.00
Øèðèíà øëèöà
èëè øïîíêè, ìì.................……..5.00
Âûñîòà øïîíêè,
ìì...........................…………. ..5.00
Ðàäèóñ ãàëòåëè,
âûòî÷êè èëè ïðèçíàê,
ìì....... ..1
Êîä ìàðêè ñòàëè.............................………………
30.00
Ïðèçíàê êîíöåíòðàòîðà
íàïðÿæåíèé............…..
4.00
×èñëî øëèöåâ
èëè øïîíîê â ñå÷åíèè
âàëà......….1.00
Ðåçóëüòàòû ðàñ÷åòà:
Øïîíêà(òîðöåâàÿ
ôðåçà) X=4, R=1, B=5.00 ìì, T=5.00 ìì,
Z=1
Çàïàñ ñòàòè÷åñêîé
ïðî÷íîñòè ïðè
èçãèáå - 5.70
Çàïàñ ñòàòè÷åñêîé
ïðî÷íîñòè ïðè
êðó÷åíèè - 9.07
Ñóììàðíûé çàïàñ
ñòàòè÷åñêîé
ïðî÷íîñòè - 4.82
Çàïàñ óñòàëîñòíîé
ïðî÷íîñòè ïðè
èçãèáå - 1.59
Çàïàñ óñòàëîñòíîé
ïðî÷íîñòè ïðè
êðó÷åíèè - 4.93
Ñóììàðíûé çàïàñ
óñòàëîñòíîé
ïðî÷íîñòè - 1.51
Âòîðîé âàë êîðîáêè
ñêîðîñòåé
Èñõîäíûå äàííûå:
Èçãèáàþùèé
ìîìåíò â ñå÷åíèè,
Í·ì.............…. 400.98
Êðóòÿùèé ìîìåíò
â ñå÷åíèè, Í·ì...............….…
78.45
Ïðåäåë ïðî÷íîñòè
ìàòåðèàëà âàëà,
ÌÏà............. 980.00
Ìàêñèìàëüíûé
äèàìåòð ñå÷åíèÿ
âàëà, ìì....... ...45.00
Ìèíèìàëüíûé
äèàìåòð ñå÷åíèÿ
âàëà, ìì............45.00
Øèðèíà øëèöà
èëè øïîíêè, ìì.................……..14.00
Âûñîòà øïîíêè,
ìì...........................…………. ..9.00
Ðàäèóñ ãàëòåëè,
âûòî÷êè èëè ïðèçíàê,
ìì....... ..1
Êîä ìàðêè ñòàëè.............................………………
30.00
Ïðèçíàê êîíöåíòðàòîðà
íàïðÿæåíèé............…..
4.00
×èñëî øëèöåâ
èëè øïîíîê â ñå÷åíèè
âàëà......….4.00
Ðåçóëüòàòû ðàñ÷åòà:
Øïîíêà(òîðöåâàÿ
ôðåçà) X=4, R=1, B=14.00 ìì, T=9.00
ìì, Z=4
Çàïàñ ñòàòè÷åñêîé
ïðî÷íîñòè ïðè
èçãèáå - 7.44
Çàïàñ ñòàòè÷åñêîé
ïðî÷íîñòè ïðè
êðó÷åíèè - 83.03
Ñóììàðíûé çàïàñ
ñòàòè÷åñêîé
ïðî÷íîñòè - 7.41
Çàïàñ óñòàëîñòíîé
ïðî÷íîñòè ïðè
èçãèáå - 1.88
Çàïàñ óñòàëîñòíîé
ïðî÷íîñòè ïðè
êðó÷åíèè - 40.98
Ñóììàðíûé çàïàñ
óñòàëîñòíîé
ïðî÷íîñòè - 1.88
Òðåòèé âàë êîðîáêè
ñêîðîñòåé
Èñõîäíûå äàííûå:
Èçãèáàþùèé
ìîìåíò â ñå÷åíèè,
Í·ì.............…. 709.12
Êðóòÿùèé ìîìåíò
â ñå÷åíèè, Í·ì...............….…
188.34
Ïðåäåë ïðî÷íîñòè
ìàòåðèàëà âàëà,
ÌÏà............. 980.00
Ìàêñèìàëüíûé
äèàìåòð ñå÷åíèÿ
âàëà, ìì....... ...50.00
Ìèíèìàëüíûé
äèàìåòð ñå÷åíèÿ
âàëà, ìì............46.00
Øèðèíà øëèöà
èëè øïîíêè, ìì.................……..8.00
Âûñîòà øïîíêè,
ìì...........................…………. ..0.00
Ðàäèóñ ãàëòåëè,
âûòî÷êè èëè ïðèçíàê,
ìì....... ..1
Êîä ìàðêè ñòàëè.............................………………
30.00
Ïðèçíàê êîíöåíòðàòîðà
íàïðÿæåíèé............…..
3.00
×èñëî øëèöåâ
èëè øïîíîê â ñå÷åíèè
âàëà......….8.00
Ðåçóëüòàòû ðàñ÷åòà:
Øëèöû ïðÿìîáî÷íûå
X=3, B=8.00 ìì, Z=8
Çàïàñ ñòàòè÷åñêîé
ïðî÷íîñòè ïðè
èçãèáå - 7.08
Çàïàñ ñòàòè÷åñêîé
ïðî÷íîñòè ïðè
êðó÷åíèè - 38.05
Ñóììàðíûé çàïàñ
ñòàòè÷åñêîé
ïðî÷íîñòè - 6.96
Çàïàñ óñòàëîñòíîé
ïðî÷íîñòè ïðè
èçãèáå - 1.82
Çàïàñ óñòàëîñòíîé
ïðî÷íîñòè ïðè
êðó÷åíèè - 15.45
Ñóììàðíûé çàïàñ
óñòàëîñòíîé
ïðî÷íîñòè - 1.81
Ðàçìåùåíî
íà Allbest.ru