Разработка цифрового комбинационного устройства - демультиплексора
I. Задание на курсовой проект
Необходимо разработать цифровое
комбинационное устройство демультиплексор из 1 в 4 в базисе ИЛИ-НЕ, НЕ,
логическая функция которого указана ниже.
Требуемые параметры устройства и
базисных элементов представлены в таблице 1.1. Параметры, необходимые для
выполнения расчетов задержек в межсоединениях схемы, представлены в таблице
1.2.
При этом необходимо:
Разработать топологии базисных
элементов и устройства в целом в программе Microwind, сделав необходимые
предварительные расчеты, используя заданный технологический базис.
Провести моделирование базисных
логических элементов и всего устройства в целом (в Schematics).
Провести логическое моделирование
устройства (в Schematics).
Логическая функция проектируемого
устройства;
,
,
,
Таблица 1.1 Требуемые
параметры всей схемы и базисных элементов
Технологический базис
,







Таблица 1.2 Параметры межсоединений
в различных технологических базисах
|
Технологический базис
|
ПолиSi, hM, мкм
|
ПолиSi, TOK,мкм
|
Металл hM, мкм
|
Металл TOK,мкм
|
ПолиSi, wM, l
|
Металл wM, l
|
dox, нм
|
|
ES2 0.7mkm-2Metal, UИП=5В
|
0.5
|
0.4
|
0.6
|
1.1
|
2
|
3
|
15
|
II. Теоретические сведения
Мультиплексор
Мультиплексор - коммутатор цифровых
сигналов. Мультиплексор представляет собой комбинационное устройство с m
информационными, n управляющими входами и одним выходом. Функционально
мультиплексор состоит из m элементов конъюнкции, выходы которых объединены
дизъюнктивно с помощью элемента ИЛИ с m входами. На одни входы всех элементов
конъюнкции подаются информационные сигналы, а другие входы этих элементов
соединены с соответствующими выходами дешифратора с n входами. Функциональная
схема мультиплексора приведена на рисунке 2.1.
Рис. 2.1. Функциональная схема
мультиплексора
Из рисунка 2.1 следует,
что мультиплексор содержит дешифратор на соответствующее число выходов (число
выходов дешифратора определяется числом информационных входов мультиплексора),
элементы конъюнкции на два или на три входа каждый и элемент дизъюнкции с
числом входов, равным количеству информационных линий
.
Число входов элементов И может быть равным только двум, однако, во многих
случаях возникает необходимость стробирования выходного сигнала мультиплексора
импульсами независимого источника. В таких случаях в структуре мультиплексора
используются элементы И с тремя входами. Одни из входов всех элементов
конъюнкции, в последнем случае, объединяются, и по этой линии подается сигнал
разрешения работы мультиплексора (стробирующий сигнал). Наличие дополнительного
управляющего входа расширяет функциональные возможности мультиплексора и
позволяет проще реализовать методы борьбы с гонками.
Рис. 2.2. Схемное
обозначение мультиплексора 4 ►1
На рисунке 2.2 показано
обозначение мультиплексора на принципиальных и функциональных электрических
схемах.
Из уравнения
мультиплексора видно, что на его выход будет передаваться сигнал только с
одного входа, номер которого совпадает с числом, соответствующим кодовой
комбинации Х1 и Х2. Если Х1=Х2=0, на выход мультиплексора будет передаваться
сигнал с входа D0. Когда на адресных (управляющих) входах Х1=1 и Х2=0, то на
выход будет передаваться сигнал с входа D1 и т.д.
Мультиплексоры нашли
широкое применение в вычислительной технике в качестве коммутаторов цифровых
сигналов. Они используются в компьютерах и микропроцессорных контроллерах для
коммутации адресных входов динамических оперативных запоминающих устройств, в
узлах объединения или разветвления шин и т.д. На базе мультиплексоров можно
построить различные комбинационные устройства с минимальным числом
дополнительных элементов логики. Следует отметить, что мультиплексоры хотя, и
предназначены для коммутации цифровых сигналов, но с помощью мультиплексоров,
изготовленных по КМОП технологии, можно коммутировать и аналоговые сигналы.
Демультиплексор
Демультиплексор -
устройство, имеющие один информационный вход, адресные входы и несколько
выходов, осуществляющие коммуникацию входа на тот вход, адрес которого задан на
адресных входах. (Е- вход разрешения работы).
Условное обозначение
демультиплексора показано на рисунке 2.3:
Рис. 2.3. Условное
обозначение демультиплексора
С помощью
демультиплексора и мультиплексора можно построить коммутатор каналов, как
показано на рисунке 2.4:
Рис. 2.4. Коммутатор
каналов
Манипулируя сигналами x1
- x4, можно скоммутировать любые входные и выходные цепи, т.е. например сигнал
со входа D0 подать на выход Q2, для чего на адресные входы подаём: x1=0; x2=0;
x3=0; x4=1.
В том случае, когда не
хватает адресных входов для реализации необходимого количества коммутируемых
каналов, строится демультиплексорное дерево (рисунок 1.5).
Рис. 2.5. Демультиплексорное
дерево
Таблица истинности
проектируемого устройства
Логическая функция
проектируемого нами устройства, как было сказано выше, равна
,
,
,
После приведения данной
функции к базису ИЛИ-НЕ, НЕ, как того требует задание на курсовой проект, мы
получим:
Таблица истинности
устройства показана на рисунке 2.6.
Рис. 2.6. Таблица
истинности
|
A
|
S0
|
S1
|
F1
|
F2
|
F3
|
|
0
|
0
|
0
|
0
|
0
|
0
|
0
|
|
0
|
0
|
1
|
0
|
0
|
0
|
0
|
|
0
|
1
|
0
|
0
|
0
|
0
|
0
|
|
0
|
1
|
1
|
0
|
0
|
0
|
0
|
|
1
|
0
|
0
|
1
|
0
|
0
|
0
|
|
1
|
0
|
1
|
0
|
1
|
0
|
0
|
|
1
|
1
|
0
|
0
|
0
|
1
|
0
|
|
1
|
1
|
1
|
0
|
0
|
0
|
1
|
III. Этап логического проектирования
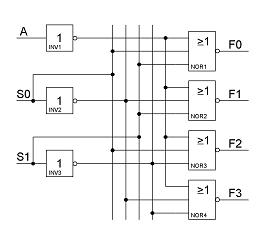
Исходная логическая схема устройства
Исходная логическая схема устройства
для данной логической функции показана на рисунке 3.1. Для разработки и
создания устройства нам необходимо и достаточно использовать только два типа
логических элементов - инвертор и 3ИЛИ-НЕ. Необходимости преобразовывать данную
логическую схему нет.
Рисунок 3.1. Исходная логическая
схема устройства
Результаты логического моделирования
спроектированного устройства
На рисунках 3.2 и 3.3 представлены
соответственно созданная логическая схема устройства и результаты логического
моделирования спроектированного устройства, удовлетворяющего заданию на курсовой
проект.
Рис. 3.2. Логическая схема
устройства
Рис. 3.3. Результаты логического
моделирования устройства
Электрические схемы используемых
логических элементов в КМДП-базисе
цифровое устройство демультиплексор
На рисунках 4.1 и 4.2 показаны
электрические схемы инвертора и элемента 3ИЛИ-НЕ, на рисунках 4.3 и 4.4 - их
схемы при расчете в программе Schematics.
Рис. 4.1. Электрическая схема
инвертора
Рис. 4.2. Электрическая схема
элемента 3ИЛИ-НЕ
Рис. 4.3. Инвертор
Рис. 4.4. 3ИЛИ-НЕ
Предварительный расчет параметров
транзисторов
1.
. Находим период
тактового сигнала при рабочей частоте fT, максимально допустимое время задержки
на схеме в целом tСХ и допустимое время задержки на каждый логический элемент
tЗД ЭЛ:
,
,
. Выбираем размеры
транзисторов в эквивалентном инверторе, обеспечивающем время задержки не хуже
tЗД ЭЛ:
Полагая, что
,
получим
Учитывая вышеприведенные
расчеты, мы получили для логических элементов следующие параметры:
Инвертор
,
,
ИЛИ-НЕ
,
,
Результаты расчета
переходных процессов в логических элементах в программе Schematics
На рисунках 4.5 и 4.6
представлены результаты расчетов переходных процессов в логических элементах,
используемых при создании демультиплексора, в программе Schematics. Все расчеты
удовлетворяют условиям, поставленным в задании на курсовой проект.
Рис. 4.5. Результаты
расчетов переходных процессов в инверторе
,
,
,
Рис. 4.6. Результаты
расчета переходных процессов в элементе 3ИЛИ-НЕ
,
,
,
Расчет переходного
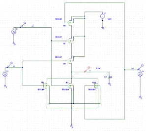
процесса устройства в целом в программе Schematics
На рисунке 4.7
представлен результат расчета переходных процессов для всего устройства в целом
программе Schematics.
Рис. 4.7. Результат
расчета переходных процессов всего устройства
Для данного
демультиплексора получены следующие характеристики:
,
,
,
V. Этап топологического
проектирования
Топология логических
элементов
Топология логических
элементов Инвертор и 3ИЛИ-НЕ представлены соответственно на рисунках 5.1 и 5.2.
Рис. 5.1. Топология
инвертора
Рис. 5.2. Топология
элемента 3ИЛИ-НЕ
Расчет максимальной
длины межсоединений
Будем считать, что
влиянием межсоединений можно пренебречь, если при учете паразитных емкостей и
сопротивлений, связанных с разводкой, изменение постоянной времени в цепи
составляет не более 5%. В этом случае для однозвенной RC-цепочки можно получить
аналитическую оценку максимальной допустимой длины межсоединений, не вносящих
существенных искажений в переходной процесс.
Ограничение на длину
межсоединений должно быть получено из условия: tМ/t0=1.05
Отсюда
(RВЫХ1+ RМ)(СМ +СВХ2)/
(RВЫХ1СВХ2) = 1.05;
(RВЫХ1+ rМ
lM/(wMhM)) (ε0 εOKlMwM / TOK +СВХ2)/(RВЫХ1СВХ2) =
1.05;
и максимальное значение
lM может быть найдено как решение квадратного уравнения
(rМ
ε0 εOK / (hMTOK))lM2 + (RВЫХ1ε0
εOKwM / TOK + СВХ2rМ /(wMhM))lM - - 0.05RВЫХ1 СВХ2 = 0;

Эскиз топологии
устройства
Эскиз топологии всего
устройства показан ниже на рисунке 5.3.
Рис. 5.3. Эскиз
топологии устройства
Расчет паразитных
сопротивлений и емкостей разводки
Значение емкости оценим
по формуле
,
где
толщина межслойной
изоляции,
,
площадь обкладок
паразитного конденсатора. Площадь обкладок для емкости металл - подложка
рассчитывается как площадь участка металлической шины, соединяющего два или
несколько электрических узлов с учетом разветвлений. 
- относительная
диэлектрическая проницаемость диэлектрика,
.
что составляет меньше
от
значения
.
Следовательно, в дальнейшем мы влияние паразитной емкости учитывать не будем
VI. Выводы по работе
При разработке
демультиплексора, удовлетворяющего заданию на курсовой проект, мы получили
следующие характеристики используемых логических элементов и всего устройства в
целом:
) Элемент Инвертор имеет
топологическую площадь равную
) Элемент 3ИЛИ-НЕ имеет
топологическую площадь равную
) Общая площадь
устройства равна
) Величина паразитной
емкости равна
.
Из-за малости данного значения в сравнении с
, при создании
устройства мы ей пренебрегаем.
) На частоте 10МГц
устройство работает нормально.