Цифровая электроника и её основные характеристики
Автономная
некоммерческая организация высшего профессионального образования Центросоюза
Российской Федерации
Российский
университет кооперации
Казанский
кооперативный институт (филиал)
Кафедра
инженерно-технических дисциплин и сервиса
Специальность
100101 (СПО) «Сервис»
Курсовая
работа
на тему
Цифровая
электроника и её основные характеристики
дисциплина:
Основы
функционирования систем сервиса
Выполнила
студентка
курса группы
4812
Терентьева
Наталья
Научный
руководитель
к.т.н.,
доцент Хусаинов Р.Н.
Казань 2011
Содержание
Введение
.
История развития электроники и классификация электронных устройств
.
Цифровые электронные устройства
.1
Системы счисления
.2
Классификация логических устройств
.3
Комбинационные цифровые устройства
.
Элементная база цифровых устройств
.1
Энергетика обработки цифровой информации
.2
Энергетика и скорость производства цифровой информации
.3
Классификация вентилей как энергопотребителей
.4
Скорость производства информации
.
Расчетная часть
Заключение
Список
литературы
Приложения
Введение
В последние годы значение цифровой техники все
более и более возрастает. Причина этого заключается в значительных
преимуществах цифровой техники, при создании очень сложных систем. Это
достигается путем представления сигнала двумя значениями, которые могут
обрабатываться вентилями с сильно нелинейными передаточными характеристиками
без сбоев, накопления и дальнейшего распространения искажений сигнала.
Благодаря такому представлению сигналов удалось создать полупроводниковую технологию,
позволяющую реализовать до 10 элементов на одном кристалле. Поскольку целью
систем цифровой техники является обработка сигналов, следует несколько
подробнее рассмотреть понятие «сигнал». Сигналы служат для переноса информации.
Они описываются такими физическими величинами, как напряжение, ток, давление,
сила и т. д. Амплитуды таких величин зависят от времени. Передаваемая
информация заключается в изменяющихся амплитудных значениях. При цифровой
передаче сигнал вначале должен быть переведен в цифровую форму. В этом случае
амплитуда будет предъявляться с помощью последовательности цифр. Каждая цифра
представляет собой сигнал с дискретным
значением.
Цифровые системы имеют ряд преимуществ перед
аналоговыми системами:
При использовании цифровых сигналов не
происходит воспроизведения их искажений, благодаря чему появляется возможность
реализации систем любой степени сложности, например, микропроцессоров. Это
свойство цифровых систем определяет их превосходство и при передаче на большие
расстояния.
Цифровые системы сравнительно легко
проектировать, поскольку способ их описания представляющий собой булеву алгебру
- аппарат очень удобный для автоматизации. Сегодня разработка сложных цифровых
систем автоматизирована посредством применения высокопроизводительных
алгоритмов.
Цифровые системы можно относительно просто
тестировать.
Недостаток цифровых систем:
Цифровые системы являются более медленными
системами, чем аналоговые. Поэтому в области высоких частот доминирует
аналоговая техника.
1. История развития электроники и классификация
электронных устройств
Электроника охватывает обширный раздел науки и
техники, связанный с изучением и использованием различных физических явлений, а
также разработкой и применением устройств, основанных на протекании
электрического тока в вакууме, газе и твердом теле при воздействии
электрических или магнитных полей. В зависимости от применяемой элементной базы
можно выделить четыре основных поколения развития электроники:
Первое поколение (1904-1950гг.) характеризуется
тем, что основу элементной базы электронных устройств составляли
электровакуумные и вакуумные трубки, газоразрядные индикаторы и др.
Второе поколение (1950- начало 60-х гг.)
характеризуется применением дискретных полупроводниковых приборов (диодов,
транзисторов, тиристоров и т.д.)
Третье поколение (1960-1980гг.) связано с бурным
развитием микроэлектроники и с созданием интегральных схем различной степени
интеграции, а также микросборок. На этом этапе электронные устройства
характеризуются резким увеличением надежности, уменьшением габаритов, массы,
энергопотребления.
Четвертое поколение (с 1980 гг. по настоящее
время) характеризуется дальнейшей микроминиатюризацией электронных устройств с
использованием больших и сверхбольших интегральных схем. Электронные устройства
(ЭУ) по способу формирования и передачи сигналов управления подразделяются на
два класса: аналоговые и дискретные.
Аналоговые электронные устройства предназначены
для приема, преобразования и передачи сигналов, которые изменяются по закону
непрерывной (аналоговой) функции. Аналоговые ЭУ отличаются простотой,
быстродействием, однако имеют низкую помехоустойчивость и нестабильность
параметров при воздействии внешних дестабилизирующих факторов, например
температуры, влажности, времени и т.д.
Дискретные электронные устройства предназначены
для приема, преобразования и передачи электрических сигналов, представленных в
дискретной форме. Такие устройства отличаются высокой помехоустойчивостью,
небольшой потребляемой мощностью и стоимостью. В свою очередь дискретные
электронные устройства подразделяются на импульсные и цифровые. Импульсные
электронные устройства формируют импульсную последовательность сигналов.
Процесс преобразования аналоговой информации в последовательность импульсов
носит название импульсной модуляции. На практике широко используется
амплитудная, широтно-импульсная и фазоимпульсная модуляция.
В цифровых электронных устройствах происходит
кодирование сигнала, т.е. преобразование его в определенную последовательность
однотипных импульсов. Цифровые электронные устройства в настоящее время
получили очень широкое распространение благодаря высокой надежности, высокой
помехоустойчивости, возможности длительного хранения информации без ее потери;
энергетической совместимости и интегральной технологичности элементной базы.
В ряде электронных устройств имеет место
аналоговая и цифровая информация. Такие устройства относятся к комбинированным
электронным устройствам. К аналоговым электронным устройствам относятся:
электронные усилители, операционные усилители, коммутаторы, компараторы,
стабилизаторы напряжения и т.д.
К импульсным электронным устройствам относятся:
мультивибраторы, одновибраторы, триггеры, блокинг-генераторы, функциональные
преобразователи, генераторы пилообразного напряжения, таймеры и т.д.
К цифровым электронным устройствам относятся:
логические элементы, триггеры, регистры, счетчики, дешифраторы, шифраторы,
мультиплексоры, демультиплексоры, сумматоры и т.д.
К комбинированным электронным устройствам
относятся: аналого-цифровые преобразователи и цифро-аналоговые преобразователи.
2. Цифровые электронные устройства
.1 Системы счисления
Способ записи чисел цифровыми знаками называется
системой счисления. Они делятся на непозиционные, например, римская система
счисления, и позиционные. Система называется позиционной, если значение каждой
цифры, входящей в запись числа, определяется ее местоположением в числе. В
цифровой технике нашли применение только позиционной системе счисления.
Любое число в позиционной системе счисления
можно представить в виде суммы
Основанием системы счисления q называется общее
количество цифр, используемых в данной позиционной системе для записи чисел.
Если принять q = 10, 2, 8, 16 и т.д., то будем иметь соответственно десятичную,
двоичную, восьмеричную, шестнадцатеричную системы счисления. В таблице 1
приведен натуральный ряд чисел в различных системах счисления.
Для перевода чисел из одной системы счисления в
другую существуют свои правила. Например, для перевода числа Nq из десятичной
системы счисления в систему счисления с основанием q необходимо осуществить
последовательное деление этого числа и получающихся остатков на это основание.
Остатки от деления представляют собой число в системе счисления с основанием q.
Например, перевести число 54 в двоичную, восьмеричную, шестнадцатеричную
системы счисления:
Обратный перевод чисел в десятичную систему
производится вычислением суммы:
Применение двоичной системы счисления в цифровой
электронике обеспечивает более высокую скорость выполнения операций и более
высокую надежность электронной аппаратуры, т.к. элементной базой для ее
построения служат элементы с двумя устойчивыми состояниями.
В ряде случаев в цифровой технике применяются
двоично-десятичные
коды. Для преобразования чисел из десятичной
системы в двоично-десятичные коды, необходимо каждую цифру в числе заменить
соответствующей тетрадой (эквивалентом), а именно:
Над числами в двоичной системе счисления
выполняются арифметические и логические операции. К арифметическим относятся
четыре операции: сложение, вычитание, умножение и деление. Алгоритм выполнения
арифметических операций такой же, как и в десятичной системе счисления. Помимо
арифметических операций существуют логические операции, которые относятся к
поразрядным (операции выполняются внутри каждого разряда без переносов и
заемов).
.2 Классификация логических устройств
Логические устройства могут быть
классифицированы по различным признакам. В зависимости от способа ввода и
вывода информации цифровые устройства подразделяются на последовательные,
параллельные и последовательно-параллельные. Последовательным называется
устройство, в котором входные сигналы поступают на вход, а выходные сигналы
снимаются с выхода последовательно разряд за разрядом.
По принципу действия все цифровые устройства
делятся на два класса: комбинационные и последовательные(накопительные).
Комбинационными цифровыми устройствами (ЦКУ)
называются устройства, выходные сигналы которых определяются только
действующими в данный момент входными сигналами и не зависят от внутреннего
состояния устройства.
Последовательными устройствами называются
цифровые устройства, выходные сигналы которых зависят не только от входных
сигналов, но и от внутреннего состояния устройства. Этот тип устройств часто
называют цифровыми автоматами.
2.3 Комбинационные цифровые устройства
К комбинационным ЦУ относятся: дешифраторы,
шифраторы, мультиплексоры, демультиплексоры, комбинационные сумматоры и АЛУ.
Дешифратором называется комбинационная цифровая схема с несколькими входами и
выходами, преобразующая код, подаваемый на входы, в сигнал на одном из выходов.
Если дешифратор, имеющий n входов, имеет 2n выходов, то такой дешифратор
называется полным. Если количество выходов меньше, то дешифратор называется
неполным
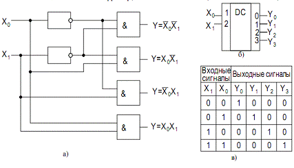
Рис. 1 Схема дешифратора (а), условное
обозначение (б), таблица истинности (в)
Рис. 2 Схема шифратора(а), условное обозначение
(б), таблица истинности (в)
Шифратором называется устройство,
предназначенное для преобразования чисел из десятичной системы в двоичную.
Логическая схема шифратора на два выхода приведена на рис.2. В соответствии с
таблицей истинности (рис. 120в), используя карты Вейча, получаем: Y0=X1+X3;
Y1=X2+X3.
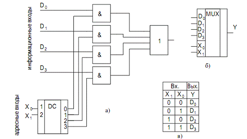
Рис.3 Схема мультиплексора (а), условное обозначение
(б), таблица истинности (в)
Нетрудно видеть, что в шифраторе сигнал,
подаваемый на вход X0, не используется. Основное применение шифраторов - это
введение первичной информации с клавиатуры (преобразование десятичного кода в
двоичный), например, ИС К555ИВ3.
Мультиплексором называется комбинационное
цифровое устройство, предназначенное для управляемой передачи информации с
нескольких источников в один выходной канал. Мультиплексор можно реализовать,
используя логические элементы "И" и дешифратор. Мультиплексор имеет
один выход, информационные входы и адресные или управляющие входы (рис.121). В
зависимости от кода, подаваемого в адресные шины X0, X1 один из информационных
входов подключается к выходному каналу. Функция алгебры логики, описывающая работу
мультиплексора, имеет вид:
Демультиплексором называется комбинационное
логическое устройство, предназначенное для управляемой передачи данных от
одного источника
информации в несколько выходных каналов.
Демультиплексор имеет один информационный вход, n адресных шин и 2n- выходов.
Для данной схемы:
При построении арифметико-логических устройств
(АЛУ) необходимо,
наряду с операцией суммирования, выполнять ряд
логических операций. Для этого можно использовать ИС К561ИП3, которая
представляет собой четырех-разрядное АЛУ, выполняющее 16 логических и
арифметико-логических операций. Вид выполняемой операции определяется
управляющим кодом, поступающим на входы S3,S2,S1,S0,M. Результаты выполненной
операции снимаются с выходных шин F3, F2, F1, F0. Схема имеет вход переноса P0
и выход переноса Pi+1. Выход K является встроенным компаратором. K=1 при A=B.
Выходы G и H используются для организации ускоренного переноса. Для организации
АЛУ с разрядностью больше 4 используют две или более схем К561ИП3.
Цифровые компараторы предназначены для сравнения
цифровых кодов. Количество входов определяется разрядностью чисел. На выходе
обычно формируются сигналы A=B, A>B и A<B. На рис.4 изображена ИС К561ИП2
на четыре разряда. Для восьмиразрядного кода берутся две схемы, для двенадцати
- три и т.д.
Рис. 4 Цифровой компоратор (а), таблица
истинности (б)
электронный цифровой логический
информация
3. Элементная база цифровых устройств
.1 Энергетика обработки цифровой информации
Цифровал техника обрабатывает, хранит и
отображает информацию, необходимую для решения самых разнообразных проблем. Все
перечисленное производится с помощью электронных схем - полупроводниковых
интегральных схем. Неизбежной платой за производство новой информации являются
затраты энергии. От того, как организованы интегральные схемы зависит, как
быстро, точно и какими энергозатратами обеспечивается производство информации.
Высокие скорости и низкие энергетические затраты - это две главных цели
развития элементной базы цифровой техники. Эти цели достигаются за счет
совершенствования системных решений цифровых устройств, принципов и алгоритмов
их функционирования. Другая группа средств достижения этих целей включает
схемотехнические, структурные и топологические решения базовых логических
вентилей и элементарных переключателей.
Целью данного раздела является изложение
основных идей и технических решений, являющихся теоретических основой создания
цифровой техники на схемотехническом и структурно-топологическом уровнях.
.2 Энергетика и скорость производства цифровой
информации
Энергетические затраты на производство
информации в цифровых системах и скорость ее производства тесно взаимосвязаны.
За высокие скорости приходится расплачиваться высокими затратами энергии. И
наоборот, сэкономить энергию можно за счет уменьшения скорости. Дополнение
Электронные схемы логических вентилей - базовые элементы цифровых интегральных
устройств с точки зрения энергетики, представляют собой совокупность
электронных компонентов, организованных в единый ансамбль электронных цепей для
передачи, накопления и диссипации электрической энергии, потребляемой с внешних
источников. В совокупность электронных компонентов обязательно входят
переключатели, управляемые входными электрическими сигналами. Эти переключатели
формируют электрические цепи совместно или с другими переключателями, или с
пассивными компонентами, с помощью которых двоичная цифровая информация
представляется в виде уровней напряжений (или токов) за счет потоков энергии
между полосами источников питания. При смене входной информации переключатели
изменяют конфигурации цепей и соответственно потоков энергии в них. При этом
происходит накопление энергии в одних компонентах и ее диссипация в других.
Количество энергии, необходимое для предоставления информации и скорости
накопления и диссипации энергии, определяются скоростные характеристики
производства информации, определяются:
принципами действия элементарных переключателей
и других
компонентов вентилей;
видами их соединения в электронных схемах
вентилей и способам подключения к источникам энергии;
способами воплощения компонентов и соединений
между ними и источниками энергии в интегральной структуре.
Эти факторы совместно определяют как количество
энергии так и скорость ее потребления, необходимые для достижения определенной
скорости обработки информации. Они тесно взаимосвязаны и трудно однозначно
четко выделить их индивидуальные вклады. Тем не менее, если приоритет отдать
энергетике производства информации, то логично вначале рассмотреть факторы, в
первую очередь, определяющие необходимое количество энергии. С этой целью
рассмотрим логические вентили как энергопотребители. Какое количество энергии
необходимо для производства информации и достаточно для этого производства с
заданным быстродействием - мало ответить на этот вопрос. Надо еще разобраться,
как и какими средствами этого достигнуть.
Энергетика и скорость производства цифровой
информации
Воплощение схемотехнических принципов в
конкретные базовые элементы цифровых схем начинается с подбора элементарных
переключателей. Этот выбор определяется прежде всего требованиями по
быстродействию, которые предъявляются к цифровому устройству. Скорость
производства информации на уровне базового логического вентиля в основном
определяется принципом действия элементарного переключателя. Поэтому в данном
разделе рассмотрены основные типы переключателей, как элементы цифровых
вентилей, главным образом определяющие скорость производства цифровой
информации.
И, наконец, электронная схема должна быть
реализована в виде интегральной структуры. От того, каким образом это будет
выполнено, зависит скорость производства информации и цена, которую за это надо
будет заплатить. Изготовление интегральных цифровых устройств дорогостоящее
дело. Поэтому требования к параметрам физической структуры, к геометрическим
(топологическим) размерам элементов не должна быть чрезмерно жесткими. Они
должны соответствовать достигнутому уровню развития технологии. Желательно
решить задачу без усложнения технологии по возможности только за счет
соответствующей организации конфигурации схемы соединения компонентов и подбора
вида и параметров электронных ключей. То есть схемотехническим путем.
Особенности структур базовых элементов, определяющие энергетику и скоростные
качества базовых вентилей будут изложены в последующих разделах дополнения.
.3 Классификация вентилей как энергопотребителей
Рассматриваемая классификация в качестве
классификационных признаков использует свойства логических вентилей,
характеризующих их энергетические характеристики. Первым классификационных
признаком в соответствии со сказанным выше целесообразно использовать вид
источников питания, из которого цифровые схемы потребляют энергию, необходимую
для производства информации. По этому признаку все виды цифровых схем можно
сгруппировать в три класса. К первому классу отнесены вентили, питающиеся от
традиционных источников электроэнергии искусственного происхождения: вторичные
источники стабилизированного напряжения, батарейки, аккумуляторы и другие. Эти
источники используются для подавляющего большинства цифровых схем. Дополнение
Ко второму классу вентилей - энергопотребителей
относятся вентили, которые для питания используют ионизирующее излучение.
Широко известны логические вентили, питающиеся от света искусственных
источников. Существуют также логические схемы работоспособные от солнечного
света. Они отнесены ко второму классу. К данному классу относятся также и
вентили, способные использовать энергию других источников энергии. В качестве
таких источников используется фоновое радиоизлучение, сейсмическая энергия
вибрации стен зданий, перепады атмосферного давления и другие. Вентили данного
класса принципиально отличаются от вентилей предыдущего класса наличием встроенных
преобразователей энергии. Известны также логические вентили, способные
функционировать как от искусственных традиционных источников, так и от
естественных источников энергии. Например, такие вентили могут питаться
энергией солнечного света, а в его отсутствие - от традиционного аккумулятора.
Вентили данного третьего класса принципиально отличаются от двух предыдущих
наличием специальных средств, обеспечивающих изменения режима электропитания.
Традиционные источники питания для передачи энергии требуют, по крайней мере,
двух шин: собственно шин питания и общей шины. Шины подключаются к каждому
вентилю цифрового устройства и занимают значительную часть площади кристалла.
Это обстоятельство во многом определяет топологию интегральной схемы и
затрудняет внутрисхемные соединения. Большая длина шин и большая площадь шин
также отрицательно сказываются на надежности устройств и плотности их упаковки.
Энергетическое снабжение с использованием традиционных источников является
типичным централизованным с присущими ему недостатками. Любой одиночный дефект,
приводящий к короткому замыканию шин питания, приводит к катастрофическому
отказу устройства в целом. Протекание токов по шинам питания обуславливает
термолизацию части поставляемой источником энергии. Неизбежные потери энергии
при транспорте от источника к вентилю делает принципиально невозможным создание
полностью адиабатических схем, то есть, схем совершенно не диссипирующих
энергию.
Вторым классификационным признаком
рассматриваемой классификации логично использовать характеристику
вентилей-потребителей, отражающую степень диссипации энергии в процессе об-д.2.
Энергетика и скорость производства цифровой информации работки и хранения
информации. Долгое время существовали логические элементы только полностью
диссипирующие потребляемую от источников питания энергию. Электрическая
энергия, поставляемая как искусственными, так и естественными источниками
электропитания в процессе производства информации диссипировалась полностью,
превращаясь в тепло, выделяемое на резистивных элементах конструкции цифровых
устройств. Это порождало большие проблемы теплоотвода. Сравнительно недавно
появились новые виды вентилей и логических схем, принципиально отличающиеся от
упомянутых выше. Появились логические схемы лишь частично диссипирующие
энергию, потребляемую от источника в процессе производства информации. В
цифровых схемах данного вида энергия диссипируется лишь часть энергии
поставляемой источником, другая же часть - обратно возвращается в источник
питания и используется повторно. Схемы данного вида имеют качественные отличия
от широко используемых традиционных схем, обуславливающие их несомненные
достоинства в экономичности.
Классификация цифровых вентилей
Способы подачи энергии, конкретные механизмы ее
использования и расходования различны для различных типов вентилей на
протяжении выделенных выше временных интервалов процесса производства
информации. Для того чтобы систематически проанализировать энергетику
производства цифровой информации во всем ее многообразии выше была проведена
классификация логических вентилей как потребителей электроэнергии. Способы
подачи энергии в вентили определяются прежде всего видом источника питания.
Механизмы использования и расходования зависят от схемотехнической организации
и видами используемых компонентов вентилей. Все это и определяет классификации.
В подавляющем большинстве известных в настоящее
время логических схем энергия расходуется полностью, что порождает одну из
важнейших проблем - обеспечение теплоотвода. Стабилизация температуры электронных
устройств требует использования эффективных конструктивных средств. Это
усложняет аппаратуру. Увеличивается ее вес и габариты, уменьшается
эксплуатационная надежность. Для современной электроники, таким образом,
проблема уменьшения энергии переключения вентиля становится проблемой номер
один. Острая необходимость решения этой проблемы стимулирует поиск новых более
энергетически эффективных решений и на уровне элементарных логических вентилей.
Одним из возможных путей повышения энергетической эффективности является
разработка схемотехнических решений вентилей, в которых энергия, поставляемая
источником питания, расходуется в процессе функционирования лишь частично
превращаясь в тепло. Идея создания логических вентилей и, соответственно,
цифровых устройств на их основе базируется на возвращении части энергии, уже
использованной для производства информации, обратно в источник энергопитания.
.4 Скорость производства информации
Скорость производства информации на уровне
логических вентилей определяется их схемотехнической организацией, топологией
и, главным образом, быстродействием элементарных переключателей-транзисторов.
Быстродействие транзисторов, характеризующиеся временами переключения из
открытого состояния в закрытое и наоборот, определяется принципом действия,
физической структурой и топологическими размерами. В данном разделе будут
рассмотрены принципы функционирования основных типов переключателей и их
принципиальные особенности. На протяжении сорока пяти лет переключатели
совершенствовались. Этот процесс носит эволюционный характер - прежде всего,
уменьшаются размеры классических транзисторов и совершенствуются их физическая
структура. Одновременно с этим процессом ведутся интенсивные поиски новых
принципов функционирования, которые обеспечили бы более высокое быстродействие.
Первым классификационным признаком транзисторов
как переключателей для цифровых схем являются принцип действия. В транзисторах
скоростные и усилительные свойства обеспечиваются специфическими физическими
процессами, явлениями и эффектами, протекающими в монокристаллических и
поликристаллических полупроводниковых материалах. В результате взаимодействия
этих процессов и их определенной последовательности оказывается возможным
управлять величиной тока между токопроводящими (управляемыми) электродами,
посредством напряжения и/или тока на входном электроде. Причем малые величины
входных воздействий позволяют управлять токами между токопроводящими
электродами в широком диапазоне. Для обеспечения высокого быстродействия
элементарных переключателей необходимо чтобы транзисторы были способны
коммутировать возможно большие токи при возможно меньших управляющих
напряжениях.
Количественно это свойство транзистора как
переключателя-усилителя определяется параметром, называемым крутизной и преобразования:
Видами физических процессов определяются также
такие важные характеристики переключателя как сопротивления между
токопроводящими электродами в открытом Дот и закрытом Дзак состояниях.
Рис. 5 Классификационная диаграмма транзисторов
как переключателей
Физические процессы определяют также сколько
энергии необходимо затратить на отпирание и запирание переключателя и за какое
время это можно осуществить. Скоростные качества транзисторов определяются
характерными рабочими частотами. По принципу действия транзисторы
подразделяются на два класса биполярные и униполярные.
В биполярных транзисторах под воздействием
входных сигналов протекают процессы инжекции неосновных носителей заряда, их
рекомбинация с основными носителями в процессе дрейфа и диффузии,
коллектирование носителей заряда. Эти процессы обуславливает перемещение и
накопление электронов и дырок в структуре биполярного транзистора, токи и
потенциалы на внешних токопроводящих электродах транзисторов в зависимости от
внешнего воздействия на управляющем электроде. Особенностями биполярного
транзистора как переключателя, вытекающими из его принципа действия, являются
высокая величина крутизны преобразования, малые величины сопротивления в
открытом состоянии и высокие значения сопротивления в закрытом состоянии.
Крутизна преобразования определяется следующим выражением:
где /к - ток коллектора, С/БЭ - напряжение между
базой и эмиттером. Высокая величина крутизны преобразования обусловлена процессом
инжекции неосновных зарядов, их дрейфом и диффузией, обуславливают их близкие к
единице значения коэффициента передачи тока и экспоненциальной зависимостью
тока от входного напряжения. Малые величины сопротивления между токопроводящих-
ми электродами эмиттера и коллектора в открытом состоянии обусловлены, так
называемым, режимом насыщения. В этом режиме сопротивление идеального
биполярного транзистора равно нулю. В реальном же транзисторе это сопротивление
определяется паразитным сопротивлением области коллектора. Поэтому открытый
биполярный транзистор способен пропускать между электродами эмиттера и
коллектора токи больших величин без существенного падения напряжения между ними.
Такова позитивная сторона режима насыщения, специфического режима работы
биполярного транзистора. Негативная сторона режима насыщения заключается в том,
что в этом режиме происходит накопление избыточного заряда неосновных
носителей. Этот избыточный заряд увеличивает время закрывания транзистора на
величину времени его рассасывания. Другими факторами, определяющими
быстродействие биполярных транзисторов являются паразитные емкости. В
униполярных транзисторах, в отличие от биполярных, принцип действия базируется
на управлении входным воздействием (полем) потоком носителей одного знака или
электронов, или дырок. Униполярные транзисторы называются полевыми, причем
последнее название используется чаще.
Ток в полевых транзисторах, поскольку они
являются униполярными, переносится только основными носителями и паразитный
эффект накопления неосновных носителей в них отсутствует. За исключением
полевых транзисторов с управляющим р-п переходом. Это первая особенность
полевых транзисторов как переключателей, вытекающая из физического принципа
действия. Быстродействие полевых транзисторов определяется сопротивлением
канала, прямо пропорциональным его длине и паразитными емкостями. От длины
канала зависит также и величина крутизны преобразования, которая в данном случае
определяется выражением:
- ток стока, ток между
токопроводящими электродами стока и истока,
- напряжение на управляющем
электроде (затворе).
Вторым классификационным признаком можно принять
структуру транзистора. По данному принципу биполярные транзисторы
подразделяются на гомо и гетеро структурные. Особенностью биполярных
транзисторов, вытекающей из физической структуры, является необходимость их
изоляции друг от друга при использовании в составе интегральной схемы. Средства
изоляции (обратносмещенный р-п переход, диэлектрические области и комбинации
р-п переходов и диэлектриков) являются вспомогательными элементами конструкции,
которые не определяют выполнение функций ключа, но требуют дополнительных
затрат площади и вносят паразитные емкости, от которых зависит их
быстродействие. Известны и широко используются в интегральных схемах цифровых
устройств три типа изоляции: изоляция обратносмещенным р-п переходом, полная
диэлектрическая и комбинированная (часть структуры изолируется диэлектриком,
другая - р-п переходом). Полевые транзисторы реализуются в трех структурных
типах. Наиболее широко распространенным типом является транзистор со структурой
«металлокисел полупроводник» (МОП-транзистор). МОП-транзистор имеет две
структурные разновидности: со встроенным каналом и индуцированным каналом.
Особенностью полевых транзисторов данного типа и
обоих структурных разновидностей является их самоизоляции от подложки и,
следовательно, друг от друга при использовании в составе интегральных схем
цифровых устройств. Это свойство позволяет тратить для размещения
переключателей меньшую площадь поверхности кристалла по сравнению с биполярным
транзистором. Второй тип полевого транзистора - полевой транзистор с
управляющим р-п переходом в структурном отношении занимает промежуточное
положение между биполярным транзистором и полевым МОП-транзистором. Данный тип
полевого транзистора имеет две структурные разновидности. Он может быть
выполнен с горизонтальным или вертикальным встроенными каналами. Третьим
классификационным признаком транзисторов - переключателей является вид
вольт-амперных характеристик (ВАХ). ВАХ бывает двух принципиально различных
типов: нормально закрытого и нормально открытого. Транзисторы различных
принципов действия и различных структурных видов, которые закрыты при
напряжении на управляющем электроде, равном нулю, является нормально закрытыми
(ИЗ). Типичные ВАХ транзисторов НЗ типа приведены на рис. Д. 2.5 и Д. 2.6.
Рис. 6 ВАХ биполярных транзисторов
К НЗ транзисторам относятся биполярные
транзисторы, полевые транзисторы с управляющим р-п переходом, МОП транзисторы с
индуцированным каналом и полевые транзисторы Шоттки. К транзисторам нормально
открытого типа (НО) относятся полевые транзисторы со встроенным каналом.
Типичные ВАХ транзисторов НО типа приведены на рис.6
Следствием принципиальных различий в НЗ и НО ВАХ
является то, что транзисторы как переключатели могут быть разделены на приборы,
управляемые током и приборы, управляемые напряжением. Это обстоятельство
является очень важным с точки зрения энергетики производства информации. Дело в
том, что отпирание переключателя НЗ типа неизбежно сопровождается потреблением
тока и, следовательно, энергии по входной цепи (см. рис 6 и 7). В подавляющем
большинстве переключателей эта энергия термализуется по мере потребления.
Другое дело в переключателях НО типа. В этих приборах запирание производится
путем подачи на управляющий электрод (затвор полевого транзистора) напряжения.
В любом из известных типов НО элементарных
переключателей - МОН транзисторов, НТШ и полевом транзисторе с управляющим р-п
переходом ток по входной цепи не потребляется. Следовательно, не потребляется и
энергия от источника питания.
Рис. 7 ВАХ полевых транзисторов с управляющим
переходом (ПТУП)
Прогресс в области микроэлектроники в целом и в
области цифровой техники в частности на протяжении более пятидесяти лет
обусловлен в основном за счет совершенствования транзисторов на базе развития
технологии. Совершенствование транзисторов ведется по следующим стратегическим
направлениям. Первое - уменьшение геометрически размеров классических типов
транзисторов традиционных конструкций. Уже более тридцати лет уменьшение
топологических и структурных размеров ведется путем простого масштабирования.
То есть одновременно с уменьшением длины канала
полевого транзистора, размеров контактных окон и электродов к рабочим областям
затвора, истока и стока уменьшается и толщина подзатворного диэлектрика и
глубины залегания р-п переходов (или толщины областей). В биполярном
транзисторе одновременно с уменьшением размеров эмиттера, базы, коллектора и
электродов к ним уменьшаются и глубины залегания р-п переходов эмиттер-база и
коллектор-база.
Второе стратегическое направление - создание
полной диэлектрической изоляции с целью уменьшения паразитных емкостей структур
переключателей и разработка новых конструктивно-топологических и структурных
решений в рамках классических принципов действия.
Третье стратегическое направление - разработка
новых переключателей на квантово-механических принципах функционирования на
основе гетероструктур с нанометровыми размерами в рамках полупроводниковой
технологии.
И, наконец, четвертое направление - исследование
возможностей использования в качестве переключателей молекул, полимерных и
других материалов и структур, создаваемых на базе нанотехнологий.
4. Расчетная часть
Задача 1
Рассчитать клепаное соединение (рисунок 1.),
нагруженное переменной растягивающей силой Fmax
= 60 кН.
Материал тяги и проушины - сталь марки Ст3.
Отверстия под заклепки сверленые. Толщина тяги δ = 6
мм. Клепка производится горячим способом.
Решение. Проектировочный расчет.
1.Тип соединения. Принимаем для
крепления тяги с проушиной
клепаное соединение внахлестку.
Назначаем
= 0,67
. Размеры поперечного сечения тяги.
По таблице 2. для стали марки Ст3 при растяжении переменной нагрузкой:
= 160*0,85 = 136 Н/ммІ.
Из условия прочности на растяжение
необходимая площадь
опасного
сечения тяги с учетом ослабления ее отверстиями под заклепки (
=0,67):
А ≥
=
= 658 ммІ.
Ширина тяги:
b =
= 658/6 =
109 мм.
. Размеры элементов клепаного
соединения:
а) диаметр отверстий под заклепки
≈ 2δ ≈ 2*6
≈ 12 мм.
Принимаем заклепки с полукруглой
головкой, изготовленные из стали марки Ст3. По таблице 3. принимаем: диаметр
заклепок d = 12 мм,
диаметр отверстий
= 13 мм;
б) шаг заклепок
p = (3 … 5)
(3 … 5) *
13 = 39 …65 мм.
Чтобы разместить по ширине тяги
целое число шагов (рисунок 1.), принимаем p = 55 мм;
в) Расстояние от края тяги до оси
заклепки
e = 1,65
= 1,65*13 =
21,4 мм,
принимаем e = 22 мм.
. Число заклепок z определяем
из условий их прочности при смятии и срезе. По таблице 2. для заклепок из стали
марки Ст3 допускаемые напряжения:
= 140*0,85 = 119 Н/ммІ;
= 320*0,85
= 272 Н/ммІ.
≥
=
= 2,82.

≥
=
=
=3,8,
Принимаем Z = 4.
. Разработка конструкции клепаного
соединения
Чтобы уменьшить влияние изгиба на
прочность соединения, располагаем заклепки в 2 ряда по две заклепки в каждом,
т.е. принимаем двухрядное клепаное соединение внахлестку (рисунок 1.).
По формуле ?? расстояние между
рядами заклепок:
а ≥
= 0,6*55 =
33 мм.
принимаем а = 35 мм.
Окончательно принимаем ширину тяги:
b =
= 2*55 =
110 мм.
Размеры поперечного сечения δ и b проушины
принимаем равными соответствующим размерам тяги.
Б. Проверочный расчет клепаного
соединения.
. На растяжение тяги и проушины. Для
тяги опасным является сечение
, ослабленное двумя отверстиями (n =2); в этом
сечении действует продольная сила
=
. В сечении
тяга также
ослаблена двумя отверстиями, но в этом сечении
. Расчетное напряжение растяжения в
сечении
:
Н/ммІ,
что удовлетворяет условию
<
=136 Н/ммІ.
. На срез заклепками краев тяги или
проушины. По таблице 2. для стали марки Ст3 допускаемое напряжение
= 0,85*100 = 85 Н/ммІ.
Сила, приходящаяся на одну заклепку,
=60*10
/4 = 15*10
Н.
Расчетное напряжение среза:
80,6 Н/ммІ,
что удовлетворяет условию
<
=85 Н/ммІ.
. Фактический коэффициент
прочности
клепаного соединения
φ =
=0,74 >
=0,74,
что допустимо.
В данной конструкции отверстия для
заклепок уменьшают прочность тяги и проушины на 24% каждую, что является
существенным недостатком клепаного соединения.
Задача 2
Винтовая стяжка имеет два резьбовых
отверстия с правой и левой метрической резьбой крупного шага. Определить
номинальный диаметр резьбы винтов, если соединение нагружено силой
= 20 кН.
Затяжка неконтролируемая.
Решение. Проектировочный расчет.
. Для резьбового соединения с
неконтролируемой затяжкой по таблице. 4 принимаем
=3 в
предложении, что номинальный диаметр d резьбы
находиться в интервале 16 … 30 мм.
. Для неответственного резьбового
соединения по таблице 5., принимаем класс прочности винтов 4.6, материал винтов
- сталь марки 20 с
=240 Н/ммІ.
. Допускаемое напряжение при
растяжении при действии на винтовую стяжку постоянной нагрузки
240/3 = 80 Н/ммІ.
. Расчетная сила для винтов
= 1,3*34 = 44,2 кН.
. Минимально допустимое значение
расчетного диаметра резьбы винтов

26,5 мм.
. По таблице 7. принимаем резьбу М
30*3,5, для которой
= 27,727 мм;
= 26,211 мм.
= 27,727+26,211/2 = 26,9 мм >
= 26,5 мм.
Условие
выполнено.
Для винтов стяжки резьбы: М 30*3,5
(правая) и М 30*3,5 (левая) пригодны.
Стальные полосы соединены с помощью
двух болтов, поставленных в отверстия с зазором, и нагружены постоянной
сдвигающей силой
= 5 кН
(рисунок 2.). Соединение неответственное. Затяжка неконтролируемая. Определить
размеры резьбы болтов.
Решение. Проектировочный расчет
. Для болтового соединения с
неконтролируемой затяжкой по таблице. 4 принимаем
=3,5 в
предположении, что номинальный диаметр резьбы находиться в интервале 16 … 30
мм. Для неответственного соединения по таблице. 5 принимаем класс прочности
болтов 4.6, материал болтов - сталь марки 20 с
= 240 Н/ммІ.
Допускаемое напряжение растяжения
= 240/3,5 = 68,6 Н/ммІ
. Принимаем коэффициент
запаса по сдвигу листов
=1,6 и
коэффициент трения
= 0,16.
Число стыков
=2
Необходимая сила затяжки болта
= 1,6*5/(2*0,16*2) = 12,5 кН
3. Расчетная сила затяжки болта

= 1,3*12,5 = 16,2 кН
4. Минимально допустимое значение расчетного
диаметра резьбы болта
17 мм
По таблице 7. принимаем резьбу М
20*2,50 с шагом
= 2,50 мм,
для которой
= 18,376 мм;
= 16,933 мм
= (18,376+16,933)/2= 17,654 мм >
=17 мм.
Условия
выполнено.
Болт с резьбой М20*2,50 пригоден.
Задача 4
Определить резьбу болтов, крепящих
крышу газового резервуара (рисунок?), если сила давления газа на крышу
=61,5 кН,
число болтов
=8. Нагрузка
постоянная. Материал прокладок - паронит. Затяжку болтов производят
динамическим ключом.
Решение. Проектировочный расчет.
1. Для
резьбового соединения с контролируемой затяжкой принимаем
=2
2. Для
соединения общего назначения по таблице.5 принимаем класс прочности болтов 5.6,
материал болтов - сталь марки 35 с
=300 Н/ммІ.
3. Допускаемое напряжение растяжения
300/2 = 150 Н/ммІ.
. Нагрузка на один болт
61,5/8 = 7,6 кН.
5. Для обеспечения герметичности соединения
устанавливают паронитовую прокладку, а болты затягивают с силой, обеспечивающей
нераскрытие стыка. Принимаем:
1,5;
0,35
Сила предварительной затяжки
1,5(1 - 0,35)7,6 = 7,4 кН.
6. Расчетная сила
1,3*7,4+0,35*7,6
= 12,2 кН.
7. Минимально допустимое значение расчетного
диаметра резьбы болта
10,1 мм.
8. По таблице 7. принимаем резьбу
М12*1,75 с шагом
=2 мм, для
которой
=10,863 мм;
= 9,853 мм.
=
(10,863+9,853)/2 = 10,358 мм >
= 10,1 мм.
Условия
выполнено.
Болт с резьбой М12*1,75 пригоден.
Заключение
В настоящее время электроника развивается очень
стремительно, т.к. она определяет прогресс во многих отраслях науки и техники.
Особая роль отводится интегральной электронике. Каждый год разрабатываются все
новые и новые микросхемы, улучшаются их характеристики и параметры. Уже созданы
большие интегральные схемы с количеством полупроводниковых элементов более 4
миллионов на одном кристалле. Существуют АЦП с разрядностью 24. Разработаны сигнальные
микропроцессоры и интегральные схемы, в которых объединены первичные
преобразователи информации со схемами электронного обрамления. Однако развитие
интегральной электроники сталкивается с рядом принципиальных проблем,
обусловленных предельными возможностями интегральной электроники - ее
быстродействия. Важнейшей проблемой является проблема межсоединений элементов в
интегральных схемах, ограничивающих их быстродействие за счет паразитных
параметров. Одним из возможных путей дальнейшего развития электроники может
являться использование динамических неоднородностей в качестве носителя
информации при обработке больших массивов. В устройствах функциональной
электроники массив информационных сигналов может быть обработан целиком, а не в
виде отдельных бит информации, как в схемотехнической электронике. При этом
возможна обработка информации в аналоговом и цифровом виде одновременно. Это
позволяет достигнуть производительности более 1015 оп/с. Важным свойством
функциональной электроники является использование в процессах обработки
информации элементарных функций высшего порядка, например,
Фурье-преобразование, операции свертки, корреляции и автокорреляции и т.д.
Таким образом, можно предполагать, что
дальнейшее развитие электроники пойдет не только по пути микроминиатюризации
классической схемотехнической электроники, но и по пути развития функциональной
электроники, способной решить сложные вопросы обработки больших массивов
информации в реальном масштабе времени.
Список литературы
1.
Опадчий Ю.Ф., Глудкин О.П., Гуров А.И. Аналоговая и цифровая
электроника.
- М.: Радио и связь, 1996. - 768 с. ,
.
Евреинов Э.В. и др. Цифровая и вычислительная техника. - М.: Радио и связь,
1991. - 420 с. ,
.
Гусев В.Г., Гусев Ю.М. Электроника. - М.: Высшая школа, 1991. - 622 с. ,
.
Цифровые и аналоговые микросхемы. Справочник. / Под редакцией С.В. Якубовского.
- М.: Радио и связь, 1989. - 496 с.
.
Титце У., Шеик К. Полупроводниковая схемотехника. / Пер. с англ. - М.: Мир,
1982. - 512 с.
.
Антонова О.А., Глудкина О.П. и др. Электроника и основы электроники. /Под ред.
О.П. Глудкина. - М.: Высшая шко ла, 1993. - 445 с.
.
Ногин В.Н. Аналоговые электронные устройства. - М.: Радио и связь, 1992. -300
с.
.
Остапенко Г.С. Усилительные устройства. - М.: Радио и связь, 1989. - 399с.
.
Аксененко А.Г., Шурагин И.И. Микросхемотехника. - М.: Радио и связь, 1990. -
497 с.
.
Потемкин И.С. Функциональные узлы цифровой электроники. - М.:
Энергоатомиздат,
1988. - 320 с.
11.
Угрюмов Е.П. Проектирование элементов и узлов ЭВМ. - М.: Высшая школа, 1987. -
318 с.
.
Токхейм Р. Основы цифровой электроники./ Пер. с англ. - М.: Мир, 1988. - 392 с.
Приложение
Таблица
1
Натуральный ряд чисел в различных системах
счисления