Динамический расчёт плоской рамы
МИНИСТЕРСТВО ОБРАЗОВАНИЯ И НАУКИ
РОССИЙСКОЙ ФЕДЕРАЦИИ.
НОВОСИБИРСКИЙ ГОСУДАРСТВЕННЫЙ
АРХИТЕКТУРНО-СТРОИТЕЛЬНЫЙ УНИВЕРСИТЕТ
(СИБСТРИН).
Кафедра строительной механики.
КОНТРОЛЬНАЯ РАБОТА № 8
«Динамический расчёт плоской рамы»
НОВОСИБИРСК 2011
Оглавление
Оглавление 2
Задание для плоской рамы: 3
Решение: 3
1) Определение минимальной частоты собственных
колебаний рамы. 3
2) Расчёт рамы на вынужденные колебания. 10
3) Построение эпюры изгибающих моментов от
статического действия силы Q. 13
4) Построение эпюры полных изгибающих моментов. 13
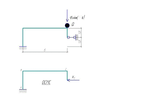
ЗАДАЧА № 11
Динамический расчёт плоской рамы.
Дано: l = 6м,Q = 40кН, F = 4кН,
№ схемы = 6,h =2,5 м, EI = 21000 кНм2;
колебание
частота плоская рама
Задание
для плоской рамы:
1) Определить круговую частоту вынужденных колебаний
θ, равной 0,9
минимальной частоты собственных колебаний системы;
2) Выполнить расчёт на динамическое воздействие вибрационной
нагрузки Fsin(θt);
Решение
1) Определение
минимальной частоты собственных колебаний рамы.
Построение эпюр изгибающих моментов в основной системе метода сил от y1 = 1.
Каноническое уравнение имеет вид:
Главный
коэффициент - собственные перемещения d11 -
находим «перемножением» эпюры
самой на
себя.
Используем
правило и Верещагина, и Симпсона:

Решая уравнение,
получаем:
строим
эпюру
Построение эпюр изгибающих моментов в основной системе метода сил от y2 = 1.
Каноническое уравнение имеет вид:
Главный
коэффициент - собственные перемещения d11 -
находим «перемножением» эпюры
самой на
себя.
Используем
правило и Верещагина, и Симпсона:
Решая уравнение,
получаем:
строим
эпюру
Система уравнений свободных
колебаний:
Определяем
коэффициенты:

Умножаем оба уравнения на EI:
Величину
обозначаем через λ.
Условие
существования ненулевого решения имеет вид:
Раскрывая
определитель, получаем квадратное уравнение относительно λ:
Подставляя
численные значения коэффициентов, решаем уравнение:
Вычисляем
минимальную круговую частоту собственных колебаний рамы:
2) Расчёт
рамы на вынужденные колебания.
Загружаем раму силой F=4 кН
Система двух уравнений вынужденных колебаний с двумя неизвестными
амплитудами инерционных сил y1 ; y2 .
Свободные
члены системы уравнений вынужденных колебаний:
При F = 4 кН получаем:
Тогда:
Вычисляем λmax:

После подстановки система уравнений
вынужденных колебаний имеет вид:
Решая систему уравнений получаем: y1 = 16,495; y2 = 3,007
Строим эпюру динамических изгибающих моментов
34 + 140 - 7 = 167
+ 57,75 - 0,435 = 71,315
+ 41,25 + 0,435 = 51,685
Штриховыми
линиями показана эпюра Мдин при sin θt = -1;
3) Построение
эпюры изгибающих моментов от статического действия силы Q.
Загружаем раму силой
Q = 40 кН
4) Построение
эпюры полных изгибающих моментов.
Строим эпюру полных изгибающих моментов
Штриховыми
линиями показана эпюра Мполн при sin θt = -1;