Техническая реализация САУ давлением пара за котлом

  • Вид работы:
    Дипломная (ВКР)
  • Предмет:
    Информатика, ВТ, телекоммуникации
  • Язык:
    Русский
    ,
    Формат файла:
    MS Word
    1,51 Mb
  • Опубликовано:
    2012-02-26
Вы можете узнать стоимость помощи в написании студенческой работы.
Помощь в написании работы, которую точно примут!

Техническая реализация САУ давлением пара за котлом












Техническая реализация САУ давлением пара за котлом


Автор: Балюк Д.С.,

студент 546 группы.

Содержание

Реферат

Введение

Ведомость проекта

.   Состав и характеристика объекта управления

1.1 Назначение

1.2    Технологическая схема

1.3 Устройство и принцип действия

1.4 Технические характеристики котла ДКВР 20/13

2. Характеристика технических средств объекта управления

2.1 Перечень и спецификация технических средств автоматизации

2.2 Описание и принцип действия технических средств автоматической системы регулирования

2.2.1 Преобразователь измерительный давления Метран 55ДИ

2.2.2 Прибор регулирующий Минитерм 400.00

2.2.3 Блок ручного управления БРУ-32

.2.4 Усилитель теристорный У24.11

.2.5 Механизм исполнительный электрический с токовым датчиком положения, комплектно с соединительной тягой МЭО 100/25

2.2.6  Преобразователь измерительный разности давления ДМ-3583М

3. Обоснование требований к разрабатываемой САУ

. Выбор технических средств разрабатываемой САУ

4.1 Обоснования выбора технических средств

.2 Перечень и спецификация технических средств системы автоматического управления

.2.2 Блок ручного управления (БРУ-32)

.2.3 Усилитель мощности

.2.4 Механизм исполнительный электрический с токовым датчиком положения, комплектно с соединительной тягой - МЭО-100/25-0,25У-87Б

.2.5 Преобразователь измерительный давления интеллектуальный датчик серии Метран-100-ДИ

5. Выбор структуры регулятора

5.1 Организация безударных переходов в САУ

5.2 Разработка технической структуры САУ

Выводы

Список литературы

Реферат

Тема курсового проекта - техническая реализация САУ давлением пара за котлом.

В данном курсовом проекте будут рассматриваться основные этапы проектирования: состав и характеристика объекта управления, характеристика технических средств объекта управления и обоснование требований к разрабатываемой САУ. Кроме этого, необходимо выбрать контроллер и подбор ТС обеспечивающих достаточную точность, быстродействие и надёжность, также будет произведена организация безударного перехода и разработана техническая структуру САУ.

Курсовой проект содержит 34 страницы, 15 рисунков и 4 таблицы.

Введение

Одним из решающих факторов повышения производительности общественного труда является автоматизация производства. В связи с этим за последние годы резко возрастает объем работ по автоматизации технологических процессов во всех отраслях народного хозяйства. Однако эффективность внедрения систем и устройств автоматического управления зависит не только от степени оснащения ими производства, но и от качества их наладки и степенью оптимальности выбранных параметров настройки систем.

Управление современными агрегатами целлюлозно-бумажной и деревообрабатывающей промышленности требует непрерывного сопоставления текущего хода технологического процесса с заданным и уточнения управляющих воздействий (управлений), прикладываемых к агрегату, в соответствии с изменением условий его работы. Все это требует напряженного внимания обслуживающего персонала, точных согласованных действий и быстрого реагирования, поэтому ручное управление заменяется автоматическим, т.е. таким управлением, при котором закон управления реализуется разного рода автоматическими устройствами без участия человека.

Рассматривается существующая система автоматического регулирования давления пара в котле и имеющиеся технические средства. Предлагается изменение существующей системы с помощью внедрения нового более современного и экономичного оборудования с целью повышения работоспособности объекта управления, улучшения технико-экономических показателей парового котла.

Ведомость проекта

Реферат …………………………………………………………………….1лист

Ведомость проекта. ………………………………………………………1 лист

Пояснительная записка……………………………………………….34 листов

1.   Состав и характеристика объекта управления

1.1 Назначение

Паровые котлы ДКВР с газо-мазутными топками, предназначены для выработки насыщенного или перегретого пара, идущего на технологические нужды промышленных предприятий, в системы отопления, вентиляции и горячего водоснабжения.

Преимущества:

) Надежная гидравлическая и аэродинамическая схема работы котла обеспечивает высокий КПД - до 91%.

) Низкий уровень затрат на эксплуатацию и обслуживание.

) Котел ДКВР имеет сборную конструкцию, что позволяет монтировать его в котельной, не разрушая стен, и быстро подключить к уже существующим системам.

) Возможен перевод котла с одного вида топлива на другой.

) Широкий диапазон регулирования производительности (от 40 до 150% от номинала) позволяет использовать котел с максимальной эффективностью и значительно экономить затраты на теплоэнергоснабжение.

) Возможность перевода котла в водогрейный режим.

) Конструкция котла позволяет использовать под заказ различные варианты комплектации КИПиА, в том числе автоматизированными горелками

1.2 Технологическая схема

Рис.1. Котел марки ДКВР

- экранные трубы; 2- верхний барабан; 3- манометр; 4- предохранительные клапаны; 5- трубы питательной воды; 6- сепаратор пара; 7- предохранительная пробка; 8- камера догорания; 9- перегородки; 10- конвективные трубки; 11- обдувочное устройство; 12- нижний барабан; 13- продувочный трубопровод.

1.3 Устройство и принцип действия

Вся серия унифицированных котлоагрегатов типа ДКВР на давление 13 кг/см2 имеет общую конструктивную схему - двухбарабанные котлоагрегаты с естественной циркуляцией и экранированной топочной камерой, с продольным размещением барабанов и коридорным расположением кипятильных труб.

Котлоагрегаты типа ДКВР-20/13 производительностью 20 т/ч рассчитаны на абсолютное рабочее давление 13 кг/см2 (1,37 МПа) и предназначены для выработки насыщенного или перегретого пара с температурой до 250°С.

Технологический процесс в паровом котле - это процесс сгорания топлива и выработки пара при нагреве воды.

Природный газ, основную горючую часть которого составляет метан СН4 (94%), по топливопроводу котла поступает в горелку ГМГ-2М и по мере выхода из нее сгорает в виде факела в топочной камере. Воздух для поддержания процесса горения подается с помощью вентилятора ВД-6.

Так как теплота сгорания газа высока и составляет 8500 ккал/м3, то удельная потребность в подаваемом воздухе велика: на 1 м3 газа требуется 9,6 м3 воздуха, а с учетом коэффициента избытка воздуха a = 1,05 - 10 м3.

В результате непрерывного горения топлива в топочной камере образуются нагретые до высокой температуры газообразные продукты сгорания. Они омывают снаружи топочные экраны, которые состоят из труб с циркулирующей внутри них водой и пароводяной смеси. Затем продукты сгорания, охлажденные в топочной камере до температуры 980оС, непрерывно двигаясь по газоходам котла, омывают вначале пучок кипятильных труб, затем экономайзер ЭТ2-106, охлаждаются до температуры 115оС и дымососом ДН-10 удаляются через дымовую трубу в атмосферу.

Питательная вода предварительно проходит через фильтры механической и химической очистки, а затем поступает в деаэратор ДС-75, где происходит удаление кислорода О2 и двуокиси углерода СО2 из воды за счет ее подогрева паром до температуры 104оС, что соответствует избыточному давлению в деаэраторе 0,02 ч 0,025 МПа. Выделившийся из воды воздух уходит через трубу в верхней части деаэраторной колонки в атмосферу, а очищенная и подогретая вода выливается в бак-аккумулятор, расположенный под колонкой деаэратора, откуда расходуется для питания котла. В верхний барабан котла питательная вода подается по двум питательным линиям после дополнительного подогрева в экономайзере до температуры 91-100оС. В котле ДКВР-20/13 имеется три контура естественной циркуляции воды. Первый - контур конвективного пучка: котловая вода из верхнего барабана опускается в нижний барабан по кипятильным трубам конвективного пучка, расположенным во втором газоходе - в области более низких температур топочных газов. Образующаяся пароводяная смесь поднимается в верхний барабан по кипятильным трубам, расположенным в первом газоходе - в области более высоких температур топочных газов. Два других контура составляют левый и правый боковые топочные экраны: котловая вода из верхнего барабана по опускной трубе подводится к нижнему коллектору левого (или правого) бокового экрана; к коллектору также подводится вода из нижнего барабана по перепускным трубам, после чего вода распределяется по коллектору, а образующаяся пароводяная смесь по трубам левого (правого) бокового экрана поднимается в верхний барабан. В верхнем барабане происходит отделение (сепарация) пара от воды. Насыщенный пар затем через главный запорный вентиль по паропроводу котельного агрегата направляется в главный паропровод котельной. Отделившаяся от пара в барабане котла вода смешивается с питательной водой.

1.4 Технические характеристики котла ДКВР 20/13

Таблица 1

Технические характеристики котла ДКВР 20/13

Параметр

Ед. измерения

Значение

Паропроизводительность

т/час

18…20

Кол-во горелок

шт

2

Давление пара

кг/см2

13

Расход газа

м3/час

900…1200

Расход питательной воды

т/час

8…10

Давление газа к котлу

кгс/м2

500

Давление воздуха после вентилятора

кгс/м2

194

Давление питательной воды

кгс/м2

14…18

Разрежение в топке

кгс/м2

2…5

Температура пара

0С

190

Температура мазута

0С

150

Температура отходящих газов за экономайзером

0С

110

Температура газов за котлом, 0С

0С

245

Температура питательной воды после экономайзера

0С

105

Уровень воды в барабане

мм

-90…0…+90

Поверхность нагрева: радиационная/ конвективная/ общая

м2

47,9/229,1/227,0

Коэффициент избытка воздуха


1,4…1,6

КПД

%

91

Продольный шаг труб кипятильного пучка

мм

100

Поперечный шаг труб кипят. пучка

мм

110

Диаметр экранных и кипятильных труб

мм

51х2,5


2.   Характеристика технических средств объекта управления

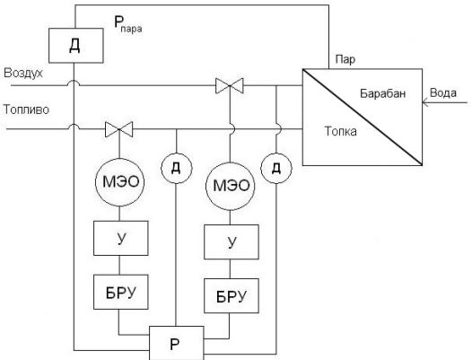
2.1 Перечень и спецификация технических средств автоматизации

Рис.2 Схема существующей системы регулирования

Д - Датчик давления Метран 55 ДИ;

Д - Дифманометр ДМ-3583М

Р - Регулятор Минитерм 400;

БРУ - Блок Ручного Управления 32;

У - Усилитель тиристорный У24.11;

МЭО - Механизм испольнительный электрический МЭО 100/25;

Таблица 2

Спецификация технических средств САУ

Позиция

Наименование и техническая характеристика оборудования и материалов. Завод изготовитель (для импортного оборудования - страна, фирма)

Тип, марка, оборудования, обозначение документа, и номер опросного листа

Код оборудования изделия, материала

Завод-изготовитель

Единица измерения

Кол-во

Масса единицы, кг

Примеч.

1

Преобразователь измерительный давления 55ДИ-515-t3-0,5-1,6МПа-42-С-М204

Метран 55 ДИ


Концерн «Метран» г. Челябинск.

шт.

1



2

Прибор регулирующий ТУ 4218-085-00225549-96

Минитерм-400.00


МЗТА г. Москва

шт

1



3

Блок ручного управления ТУ 25.02.120146-82;

БРУ-32


ПО «Промприбор» г. Чебоксары

шт

1



4

Усилитель тиристорный

У24.11


МЗТА г. Москва;

шт

1



5

Механизм исполнительный электрический с токовым датчиком положения, коплектно с соединительной тягой

МЭО 100/25-0,63У-87Б-0,25У99К


ОАО «ЗЭИМ» г. Чебоксары

шт

1



6

Преобразователь измерительный разности давления (газ)

ДМ-3583М


ОАО «Промприбор», г. Ивано-Франковск <#"521590.files/image003.gif">

Рис.3 Метран 55ДИ

Технические характеристики:

Измеряемый параметр: жидкость, пар, газ, в т.ч. газообразный кислород и кислосодержащие газовые смеси при давлении не выше 1,6 МПа, неагрессивные кПа материалам контактирующих деталей (сталь 12Х18Н10Т и сплав ВТ-9)

Диапазоны измеряемых давлений:

минимальный: 0-0,06 МПа

максимальный: 0-100 МПа

Выходной сигнал: 4-20; 0-5 мА

Температура окружающего воздуха: от -40 до +70 °С

Исполнения: кислородное, взрывозащищенное (ExiaIICT5X, ExibIICT5X, 1ExdsIIBT4/H2X)

Межпроверочный интервал: 3 года

Основная допускаемая погрешность: ±0,25%; ±0,5%; ±1% Степень защиты от воздействия пыли и воды: IP55

Масса: 0,6 кг

Рис. 4 Устройство датчика Метран 55ДИ

Принцип работы:

Датчик давления Метран 55 состоит из преобразователя давления, измерительного блока (ИБ) и электронного преобразователя (ЭП).

Измеряемое давление подается в рабочую полость датчика и воздействует непосредственно на измерительную мембрану тензопреобразователя, вызывая ее прогиб.

Чувствительный элемент пластина монокристаллического сапфира с кремниевыми пленочными тензорезисторами (структура КНС), соединенная с металлической мембраной тензопреобразователя. Тензорезисторы соединены в мостовую схему. Деформация измерительной мембраны (деформация мембраны тензопреобразователя) приводит к пропорциональному изменению сопротивления тензорезисторов и разбалансу мостовой схемы. Электрический сигнал с выхода мостовой схемы датчиков поступает в электронный блок, где преобразуется в унифицированный токовый сигнал.

Датчики МП имеют два режима работы:

режим измерения давления;

режим установки и контроля параметров измерения.

В режиме измерения давления датчики обеспечивают постоянный контроль своей работы и, в случае неисправности, формируют сообщение в виде уменьшения выходного сигнала ниже предельного.

Датчики МП имеют 2 кнопочных переключателя, расположенные под крышкой электронного преобразователя, позволяющие устанавливать значение выходного сигнала, соответствующее нижнему (кнопка 1) и верхнему (кнопка 2) предельным значениям измеряемого параметра, а также имеет встроенный в корпус светодиод, позволяющий визуально контролировать настройку датчика.

Датчики МП являются многопредельными и могут быть перенастроены на любой стандартный или нестандартный диапазон измерений в пределах данной модели, а также обеспечивают возможность настройки на смещенный диапазон измерений. Датчики МП имеют встроенный в ЭП фильтр радиопомех.

2.2.2 Прибор регулирующий Минитерм 400.00

Рис. 5 Минитерм 400.00

Назначение

Регуляторы МИНИТЕРМ 400 предназначены для автоматического регулирования технологических параметров самых разнообразных установок: печей и сушильных камер; котлоагрегатов и систем теплоснабжения; водо- и воздухоподогревателей; климатических камер и кондиционеров; установок для переработки пластмасс; агрегатов для пастеризации молока и выпечки хлебобулочных изделий, а также многих других процессов и установок.

Регулятор МИНИТЕРМ 400.00 (в дальнейшем регулятор) работает с датчиками постоянного тока и напряжения, а также с потенциометрическими датчиками.

Основные функции:

ПИД, ПИ, ПД, П, двухпозиционное регулирование с импульсным или аналоговым выходным сигналом;

формирование программного задания в виде произвольной научно-линейной функции (до 24 участков) и логическое управление программным задачником (стоп, пуск, сброс);

коррекция задания по четырем дополнительным сигналам (в частности, для регулирования соотношения двух и более параметров);

возможность использования аналогового выхода в качестве сигнала, линейно зависящего от регулируемого параметра;

защита от обрыва цепи датчика;

сигнализация верхнего и нижнего предельных отклонений регулируемого параметра от заданного значения;

автоматизированная настройка динамических параметров регулятора;

цифровая интерфейсная связь с верхним уровнем управления;

цифровая индикация параметров процесса и самого регулятора, в том числе регулируемого параметра и задания, по выбору потребителя либо в процентах, либо непосредственно в натуральных физических единицах.

Регуляторы могут использоваться как средство измерения сигналов постоянного тока, в качестве цифровых измерительных показывающих приборов.

Технические характеристики

Основная погрешность измерения сигналов, не более:

± 0,25% - для сигналов 0-50 мВ;

± 0,5% - для сигналов 0-5 мА; 0-20 мА; 4-20 мА; 0-10 В при условии подстройки индикации регулируемого параметра в натуральных физических единицах (см. п. 6.6.1)

Разрешающая способность измерения сигналов не хуже 0,02 %

Погрешность установки задания 0,01%

Статическая погрешность регулирования не более ± 0,3 %

Типы и количество подключаемых датчиков:

шесть датчиков 0-50 мВ; 0-10 В; 0-5 мА; 0(4)-20 мА постоянного тока.

Примечания.

. Сигналы 0-50 мВ подаются на входы регулятора непосредственно, сигналы 0-10В; 0-5 мА; 0(4)-20 мА - через устройства соответственно ВП10М; ВП05М; ВП20М, входящие в комплект поставки.

. Вместо датчиков постоянного тока могут подключаться до трех потенциометрических датчиков с сопротивлением до 2,2 кОм.

Импульсный выход

Один импульсный выход регулятора по трехпроводной схеме для управления пусковым устройством исполнительного механизма (для регулятора с импульсным выходом).

Вид и параметры выходного сигнала:

"сухие" транзисторные ключи (48 В; 0,15 А) либо сигнал 0; 24 В постоянного тока.

Дискретные выходы

Два дискретных выхода для сигнализации верхнего и нижнего предельных отклонений регулируемого параметра от задания.

Один дискретный выход для сигнализации отказа.

Вид и параметры дискретных выходных сигналов:те же, что у импульсного выходного сигнала.

Аналоговый выход

Один выход (по выбору): 0-10 В либо 0-5 мА постоянного тока. (0-20 мА либо 4-20 мА - по спецзаказу).

Назначение:

♦ для регулятора с импульсным выходом - для подключения внешнего регистратора регулируемого параметра;

♦ для регулятора с аналоговым выходом - в качестве выходного сигнала регулятора.

. Питание

±6 В постоянного тока при амплитуде переменной составляющей не более 1,5 В.

Потребляемая мощность не более 3,6 Вт.

Подается от внешнего источника, в частности, от усилителей мощности У300, У330, 330.Р2, У24, У13Н либо от группового источника питания серии П300, работающих в комплекте с регулятором.

. Резервное питание

Защита введенной наладчиком информации при отключении питания осуществляется литиевым сухим элементом BR-2032H (3 В).

. Интерфейсная связь

Тип интерфейса: Стык С2 (RS 232 С).

Количество регуляторов в кольце интерфейсной связи (не считая ЭВМ): до 16.

Габаритные размеры: 48 х 96 х 161 мм.

Масса: не более 0,6 кг.

автоматизация управление давление пар

2.2.3 Блок ручного управления БРУ-32

Рис. 6 БРУ-32

Назначение

Предназначены для переключения цепей управления исполнительными устройствами, индикации положений цепей управления в АСУ ТП.

Основная функция: ручное переключение с автоматического режима управления на ручной и обратно; управление исполнительными механизмами с помощью кнопок "больше-меньше"; индикация положения выходного вала исполнительного механизма с помощью миллиамперметра; световая индикация режимов управления и состояния цепей управления.

БРУ-32 имеют модифицированные исполнения, в которых жгут с контактным разъемом заменен установленным в корпус блока, стандартным 25-ти контактным разъемом типа D-SUB.

Технические характеристики

Коммутационная способность групп переключающих контактов реле и кнопок управления при активной нагрузке: постоянный ток до 0,25А при напряжении до 34 V; переменный ток до 0,25А при напряжении до 220 V.

Электрическое питание блока осуществляется переменным однофазным током с напряжением 24 V при отклонении от -3,6 до +2,4 V и частотой 50 или 60 Hz.

Электрическое питание блока возможно от спускателей, имеющих источники двухполупериодного выпрямленного напряжения со средним значением 24 V при токе 100мА.

Мощность, потребляемая блоком, не превышает 2,5 V.A.

Входной сигнал 0-4Ма (4-20Ма)

Параметры питания каждого из индикаторов - напряжение постоянного тока 24 V, ток не более 10мА.

Масса блока 0,8 кг.

Средний срок службы до списания - 10 лет.

.2.4 Усилитель теристорный У24.11

Назначение

Реверсивное управление трехфазным асинхронным электродвигателем.

Динамическое торможение электродвигателя постоянным током.

Регулировка длительности тормозного воздействия в диапазоне от 0 до 0,1 с.

Запрет на пуск электродвигателя в одну или обе стороны одновременно.

Защита исполнительного механизма от мгновенного реверса.

Преимущественная отработка сигналов ручного управления.

Защита системы регулирования при наличии противоречивых команд управления.

Наличие встроенного источника для питания регулятора МИНИТЕРМ 300 и ручного управления исполнительным механизмом.

Периодическое или постоянное отключение электродвигателя исполнительного механизма при перегрузке по току

Технические характеристики

Входные сигналы

напряжение постоянного тока минус 24 В - управление по трехпроходной схеме;

напряжение постоянного тока 10 В - управление по двухпроводной схеме;

замыкание ключа.

Выходные сигналы:

трехфазное напряжение переменного тока для пуска и постоянный ток для торможения электродвигателя мощностью до 0,4 кВт (У24.11) включительно при соединении его обмоток по схеме звезды;

коммутирующая способность ключа; род тока - постоянный, напряжение от 4 до 40 В, ток от 2 до 150 мА;

состояние бесконтактного ключа для сигнализации о перегрузке электродвигателя мощностью от 0,12 до 1,1 кВт.

Напряжение питания от трехфазной сети (380)В, частотой (50 (1) Гц и (60 (2) Гц

Потребляемая мощность не более 15 ВА

Масса не более 5 кг

Усилитель состоит из двух блоков: блока управления У024У и блока пускового У024П, которые соединены между собой кабелем с разъемом

Габаритные размеры

блока управления У024У - 190 х 60 х 165 мм

блока пускового У024П - 190 х 60 х 210 мм

2.2.5 Механизм исполнительный электрический с токовым датчиком положения, комплектно с соединительной тягой МЭО 100/25

Рис. 7 МЭО 100/25

Назначение

Механизмы исполнительные электрические однооборотные постоянной скорости МЭО 100/25 предназначены для перемещения регулирующих органов в системах автоматического регулирования технологическими процессами в соответствии с командными сигналами автоматических регулирующих устройств.

Механизмы предназначены для работы в следующих условиях:

)     температура окружающего воздуха от -30 до +50оС;

2)      относительная влажность окружающего воздуха до 95%

)        при температуре 35єС и более низких температурах без конденсации влаги;

4)   - вибрация в диапазоне частот от 10 до 150 Гц с амплитудой 0,075 мм для частот до 57-62Гц и ускорением 9,8 мм/с2 для частот свыше 62 Гц;

5)      - наличие пыли и брызг воды;

)        - отсутствие прямого воздействия солнечной радиации и атмосферных осадков.

Механизмы не предназначены для работы в средах, содержащих агрессивные пары, газы и вещества, вызывающие разрушение покрытий, изоляции и материалов, и во взрывоопасных средах. По защищенности от проникновения твердых тел (пыли) и воды механизмы имеют степень зашиты JР54.

Технические характеристики

Номинальный крутящий момент на выходном валу, Н-м - 100

Номинальное время полного хода выходного вала, с - 25, 63

Полный ход выходного вала, оборота - 0,25; 0,63

Питание трехфазным током, В - 220/380, 50 Гц или 60 Гц; 240/415 или 230/400, 50 Гц

Диапазон изменения входного сигнала постоянного тока 0-5; 0-20 или 4-20 мА.

Потребляемая мощность, Вт -260

Габаритные размеры, мм - 300x315x370

Масса, кг -27,5-28,5

Электрическое питание механизмов осуществляется трехфазным током напряжением:220/380 или 230/400, или 240/415В с частотой 50 ГЦ, или 220/380В с частотой 60 Гц.

Электрическое питание блока питания БП-10 осуществляется однофазным током напряжением 220 или 230, или 240 В с частотой 50 Гц, или 220В с частотой 60 Гц. Допускаемое отклонение напряжения питания от -15 до +10%, частоты питания от -2 до +2%.

Принцип работы

Принцип работы механизмов заключается в преобразовании электрического командного сигнала во вращательное перемещение выходного органа.

Редуктор является основным узлом, на котором устанавливаются все остальные узлы, входящие в состав механизма. В корпусе редуктора размешена червячная передача.

С помощью шестерни, установленной на червяке, передача связана кинематические с электроприводом.

Электропривод механизма состоит из низкооборотного электродвигателя типа 2ДСТР и тормозного устройства. Тормозное устройство состоит из фрикционного кольца, установленного на крышке электродвигателя, тормозного кольца с пружиной, установленных на шестерне.

Для подключения внешних электрических цепей к механизму применен разъем, который размещен в штуцерном вводе.

Ручное перемещение выходного вала механизма осуществляется вращением ручки, вставляемой в торец вала электродвигателя. Полному ходу выходного вала механизма соответствует 56 (МЭО-100/25-0,25-87) оборота ручки ручного привода. После работы необходимо установить на место крышку.

2.2.6 Преобразователь измерительный разности давления ДМ-3583М

Рис. 8. КСД-2

Дифманометр предназначен для непрерывной выдачи информации об измеряемом перепаде давления (расхода, разности давлении жидкости, газа или пара; избыточного или вакуумметрического давления газа; уровня жидкости) в виде унифицированного выходного параметра, выраженного взаимной индуктивностью.

Дифманометр ДМ является бесшкальным прибором (датчиком) преобразующим измеряемую величину в электрический сигнал, передаваемый на вторичный прибор дифференциально-трансформаторный схемы. Дифманометр, взаимозаменяемый с нормированным унифицированным выходным параметром модель 3583М, работает в комплекте с вторичными взаимозаменяемыми приборами типа КСД-2.

Чувствительным элементом дифманометра является мембранный блок, состоящий из двух мембранных коробок. Давление в камеры подводится через импульсные трубки. С ниппелем верхней мембраны связан сердечник дифференциального трансформатора. Сердечник перемещается внутри разделительной трубки. Дифференциальный трансформатор закрыт колпаком. Под воздействием разности давлений в плюсовой (нижней) и и нусовой (верхней) камерах нижняя мембранная коробка сжимается, и жидкость из нее перетекает в верхнюю коробку, вызывая перемещение сердечника трансформатора и изменение напряжения и фазы на выходе первичного прибора. В зависимости от величины перепада давления устанавливаются мембранные коробки определенной жесткости. Дифманометры снабжены температурной компенсацией. Подсоединение кабеля производится через штепсельный разъем.


Таблица 3

Технические характеристики ДМ-3583М

Наименование параметра

Значение параметра

1. Верхние номинальные пределы измерения, кПа

160

2. Предельно допустимое рабочее избыточное давление, мПа

16

3. Выходные сигналы мА

0-10

4. Предел допустимой приведенной основной погрешности преобразования, %

±1,5

5. Питание: ток, А частота, Гц

0,125 50

6. Потребляемая мощность, ВА

1,5

7. Температура, эксплуатации

от-30 до +50

8. Относительная влажность до, %

95

9. Габаритные размеры, мм

180х192х302

10.Масса, кг

12


Рис. 9 Устройство ДМ-3583М

3. Обоснование требований к разрабатываемой системе автоматического управления

Сжигание топлива в топке котла должно происходить таким образом, что бы давление пара оставалось неизменным. Для этого существует система автоматического регулирования давлением пара. Что бы осуществить регулирование давлением пара необходимо изменить расход топлива, подаваемый через горелку в топку. Для выполнения указанной задачи система автоматизации снабжается регулятором, который должен учитывать непостоянство теплотворной способности топлива и изменять его расход в зависимости от полученной информации с датчика давления, расположенного в барабане котла. Регулирование давления пара в котле осуществляет регулятор Минитерм 400.

Рассматривая существующую систему автоматического регулирования давления пара в котле ДКВР 20/13, можно сделать вывод, что система справляется с заданием, но можно ее улучшить. В нашем случае следует установить более новые, по своим функциональным возможностям и техническим характеристикам технические средства.

Требования к техническим средствам:

1.   высокая точность поддержания регулируемого параметра в заданных пределах;

2.      экономия топлива и электроэнергии;

.        высокое качество процесса горения;

.        полнота сжигания топлива;

.        стабилизация теплового КПД;

Необходимо улучшение технико-экономических показателей объекта автоматизации.

Требования к качеству управления

1.   повышение надёжности системы;

2.      оптимизация управления;

3.      увеличение срока службы, долговечность;

4.      повышение быстродействие;

5.      повышение безопасности;

6.      улучшение работоспособности системы;

.        уменьшение количества контрольно-измерительной аппаратуры

8.      экономия зарплаты при необслуживаемых котельных;

4. Выбор технических средств разрабатываемой системы автоматического регулирования

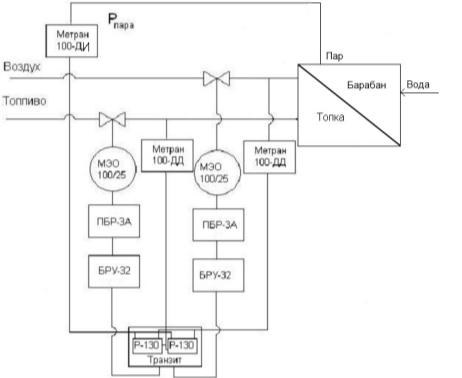
Рис 10. Схема автоматизации объекта регулирования.

Д - Датчик давления Метран 100 ДД;

Р - Регулятор «Ремиконт» Р. 130;

БРУ - БРУ 32;

У - Усилитель ПБР-3А;

МЭО - Механизм исполнительный электрический МЭО 100/25; Регулирующий орган - Клапан подачи газа.

.1 Обоснования выбора технических средств

На основании задания, полученного от преподавателя, заменяем регулятор Минитерм -400 на микроконтроллер «Ремиконт» Р.130.

С целью повышения работоспособности заменяем приборы существующей САУ на более современные.

.2 Перечень и спецификация технических средств системы автоматического управления

.2.1 Микроконтроллер «Ремиконт» Р.130

Предназначен для автоматического регулирования и логико-программного управления технологическими процессами в электротермической, энергетической, металлургической, химической, нефте- и газоперерабатывающей, стекольной, пищевой и других отраслях промышленности. Благодаря малоканальности Ремиконт Р.130 позволяет, с одной стороны, экономично управлять небольшим агрегатом и, с другой - обеспечить высокую работоспособность крупных систем управления. Преимуществом такой системы является ее гибкость, позволяющая оперативно, при необходимости программными средствами изменять алгоритм управления, регулирования и защиты, параметры и законы регулирования. Повышенная надежность, высокие технико-экономические показатели, а также возможность качественного отображения информации и осуществления дистанционного управления дают большие преимущества новой системе управления технологическими процессами перед старой.

Имеет две модели - логическую и регулирующую.

а) Регулирующая модель: предназначена для решения задач автоматического регулирования, Регулирующая модель Р.130 позволяет вести локальное, многосвязное, каскадное, супервизорное, программное регулирование. В сочетании с обработкой дискретных сигналов эта модель позволяет выполнять также логические преобразования сигналов и вырабатывать не только аналоговые или импульсные, но и дискретные команды управления.

Строение этой модели дает возможность вручную или автоматически включать, отключать, реконфигурировать и переключать контуры регулирования, при этом все эти операции выполняются безударно независимо от сложности структуры управления.

б) логическая модель: предназначена для реализации логических программ шагового управления.

Логической моделью Р.130 формируется логическая программа шагового управления анализом условий выполнения каждого шага, условным или безусловным переходом программы к заданному шагу, заданием контрольного времени на каждом шаге. Модель позволяет выполнять также разнообразные функциональные преобразования аналоговых сигналов и вырабатывать не только дискретные, но и аналоговые управляющие сигналы.

Один комплект «Ремиконт» Р.130 позволяет комплексно решить задачу автоматизации, включая автоматическое регулирование, логическое управление или их комбинацию.

Программирование контроллера выполняется специалистами, знакомыми со средствами контроля и управления в АСУТП. Процесс программирования сводится к тому, что путем последовательного нажатия нескольких клавиш из библиотеки, зашитой в постоянной памяти, извлекаются нужные алгоритмы, эти алгоритмы объединяются в систему заданной конфигурации и в них устанавливаются требуемые параметры настройки.

«Ремиконт» Р.130 имеет энергонезависимую память. С помощью встроенной батареи при отключении питания запрограммированная информация сохраняется. Запрограммированная информация может быть записана в ППЗУ.

Для сопряжения с вычислительными средствами верхнего уровня управления (персональным компьютером) в «Ремиконте» Р.130 предусмотрен канал цифровой последовательной связи с интерфейсом ИРПС и RS-232. Существует возможность объединения нескольких контроллеров в цифровую локальную сеть кольцевой конфигурации - “Транзит” кольцевой конфигурации. Для такого объединения никаких дополнительных устройств не требуется. В одну сеть могут включаться как одинаковые, так и различные модели контроллеров. Через сеть контроллеры могут обмениваться информацией в цифровой форме по витой паре проводов. Стандартные аналоговые и дискретные датчики и исполнительные устройства подключаются к Р.130 с помощью индивидуальных кабельных связей.Внутри контроллера сигналы обрабатываются в цифровой форме.

В состав Р.130 входят:

центральный блок (имеющий 30 модификаций, отличающихся числом аналоговых и дискретных сигналов ввода/вывода),

клеммно-блочные соединители для подключения внешних устройств,

блок питания и ряд дополнительных блоков (БУТ, БУМ, БУС, БПР), использующиеся для предварительного усиления сигналов с различных датчиков и формирования стандартных выходных сигналов.

Центральный блок преобразует аналоговую и дискретную информацию в цифровую форму, ведет обработку цифровой информации и вырабатывает управляющие воздействия. Все модели Р.130 содержат средства оперативного управления, расположенные лицевой панели контроллера, позволяющие вручную изменять режимы работы, также вручную управлять исполнительными устройствами, устанавливать задание, контролировать сигналы и индицировать ошибки, управлять ходом выполнения программы.

«Ремиконт» Р.130 снабжён развитой системой самодиагностики и тестирования, благодаря которой могут быть быстро обнаружены неисправности и легко локализованы. Для дистанционной передачи информации об отказе предусмотрены специальные дискретные выходы.

Для регистрации параметров технологических процессов (t, p и т.д.) и аварийных сообщений используется принтер. Вывод на печать параметров осуществляется во времени и по запросу оператора.

На месте оператора может использоваться РС:

1.  просмотр информации

2.      просмотр состояния оборудования

.        приём и подтверждение сигналов аварийных сообщений

.        архивирование информации

.        распечатка протоколов вывод графиков

Технические характеристики:

Габаритные размеры (приборное исполнение) 80Ч160Ч360

Параметры питания:

а) напряжение, В 220,240

б) частота, Гц 50,60

в) потребляемая мощность, не более 9Вт,15ВА

Общие функциональные параметры

Максимальное число алгоблоков 99

Число алгоритмов в библиотеке 76

Время цикла, с 0,2-2,0

Погрешность цифровой обработки информации, %

а) суммирование и вычитание 0

б) умножение и деление 0,01

в) извлечение квадратного корня 0,1

г) объем памяти, кБайт:

ПЗУ 32

ЗЗУ 32

Вход-выход:

Аналоговые входные сигналы:

унифицированные 0-5 мА (Rвх=400Ом)

-20мА (Rвх=100Ом)

-20 мА (Rвх=100Ом)

-10 В (Rвх=27кОм)

Аналоговые выходные сигналы:

унифицированные 0-5 мА (Rн≤2кОм)

-20мА (Rн≤0,5кОм)

-20 мА (Rн≤0,5кОм)

Дискретные входные сигналы:

Сигнал логического 0,В 0-7

Сигнал логической 1,В 18-30

Входной ток (при напряжении 24В), мА 9

Дискретные выходные сигналы:

транзисторный выход:

максимальное напряжение коммутации, В 40

максимальный ток нагрузки каждого выхода, А 0,3

точный релейный выход:

тип реле РПГ-8

максимальное напряжение коммутации

переменного (действ. значение) или

постоянного тока, В 220

максимальный ток нагрузки каждого выхода, А 2

4.2.2 Блок ручного управления (БРУ-32)

Назначение

БРУ позволяет осуществить переход от автоматического режима управления к ручному режиму, и управлять системой в этом режиме.

БРУ состоит из переключателя “автоматическое - ручное управление” и кнопок управления исполнительным механизмом.

БРУ-32 предназначен для переключения цепей управления исполнительными механизмами. Переключатель режимов предназначен для ручного переключения цепей управления. Режиму управления “Автомат” соответствует положение нажатое, с поворотом против часовой стрелки, а не нажатое - режиму “Ручной”.

Технические характеристики:

Мощность, потребляемая блоком, не превышает 2,5 V.A.

Входной сигнал 0-4Ма (4-20Ма)

Параметры питания каждого из индикаторов - напряжение постоянного тока 24 V, ток не более 10мА.

Масса блока 0,8 кг.

Средний срок службы до списания - 10 лет.

Завод изготовитель: ”Промприбор”, г. Чебоксары

.2.3 Усилитель мощности

В качестве усилителя мощности выбираем пускатель бесконтактный реверсивный ПБР-3А. Пускатель предназначен для бесконтактного управления электрическим исполнительным механизмом. ПБР-3А содержит устройство, обеспечивающее защиту трехфазного электродвигателя с короткозамкнутым ротором от перегрузки.

Технические характеристики

Электрическое питание - трехфазная сеть переменного тока с номинальным напряжением 220/380V или 230/400V, 240/415V частотой 50Hz или 60Hz.

Допустимое отклонение напряжения питания от плюс 10 до минус 15%, частоты - от плюс 2 до минус 2%. Несимметрия трехфазной системы - не более 5%.

Мощность, потребляемая пускателем при отсутствии сигнала управления не более 5W.

Входное сопротивление пускателя - (750±100)Q.

Максимальный коммутируемый ток - 3А.

Напряжение источника питания цепей управления 22-26V (среднее значение двухполупериодного выпрямленного напряжения).

Источник допускает также подключение внешней нагрузки между клеммами 8 и 10 и имеет защиту от короткого замыкания. Максимальный ток, потребляемый нагрузкой, не должен быть более 100 mA

Входной сигнал: включение - 24±6В; отключение - 0...8В пост.тока (клеммы 7-8, 8-9 клемной колодки)

4.2.4 Механизм исполнительный электрический с токовым датчиком положения, комплектно с соединительной тягой - МЭО-100/25-0,25У-87Б

Механизмы исполнительные электрические однооборотные постоянной скорости МЭО-100/25 предназначены для перемещения регулирующих органов в системах автоматического регулирования технологическими процессами в соответствии с командными сигналами автоматических регулирующих устройств.

Механизмы выполненные в исполнении У предназначены для работы в следующих условиях:

)     температура окружающего воздуха от -30 до +50оС;

8)      относительная влажность окружающего воздуха до 95% при температуре 35єС и более низких температурах без конденсации влаги;

9)   вибрация в диапазоне частот от 10 до 150 Гц с амплитудой 0,075 мм для частот до 57-62Гц и ускорением 9,8 мм/с2 для частот свыше 62 Гц;

10)    - наличие пыли и брызг воды;

)        - отсутствие прямого воздействия солнечной радиации и атмосферных осадков.

Механизмы не предназначены для работы в средах, содержащих агрессивные пары, газы и вещества, вызывающие разрушение покрытий, изоляции и материалов, и во взрывоопасных средах.

По защищенности от проникновения твердых тел (пыли) и воды механизмы имеют степень зашиты JР54.

Принцип работы механизмов заключается в преобразовании электрического командного сигнала во вращательное перемещение выходного органа.

Редуктор является основным узлом, на котором устанавливаются все остальные узлы, входящие в состав механизма. В корпусе редуктора размешена червячная передача.

С помощью шестерни, установленной на червяке, передача связана кинематически с электроприводом.

Электропривод механизма состоит из низкооборотного электродвигателя типа 2ДСТР и тормозного устройства. Тормозное устройство состоит из фрикционного кольца, установленного на крышке электродвигателя, тормозного кольца с пружиной, установленных на шестерне.

Для подключения внешних электрических цепей к механизму применен разъем, который размещен в штуцерном вводе.

Ручное перемещение выходного вала механизма осуществляется вращением ручки, вставляемой в торец вала электродвигателя. Полному ходу выходного вала механизма соответствует 56 (МЭО-100/25-0,25-87) оборота ручки ручного привода.

Технические характеристики

Номинальный крутящий момент на выходном валу, Н-м - 100

Номинальное время полного хода выходного вала, с - 25, 63

Полный ход выходного вала, оборота - 0,25; 0,63

Питание трехфазным током, В - 220/380, 50 Гц или 60 Гц; 240/415 или 230/400, 50 Гц

Потребляемая мощность, Вт -260

Габаритные размеры, мм - 300x315x370

Масса, кг -27,5-28,5

Электрическое питание механизмов осуществляется трехфазным током напряжением: 220/380 или 230/400, или 240/415В с частотой 50 ГЦ, или 220/380В с частотой 60 Гц.

Электрическое питание блока питания БП-10 осуществляется однофазным током напряжением 220 или 230, или 240 В с частотой 50 Гц, или 220В с частотой 60 Гц. Допускаемое отклонение напряжения питания от -15 до +10 %, частоты питания от -2 до +2 %.

Режим работы механизмов повторно-кратковременный реверсивный с частотой включений до 320 в час и продолжительностью включений до 25% при нагрузке на выходном органе в пределах от номинальной противодействующей до 0,5 номинального значения сопутствующей.

При этом механизмы допускают работу в течение часа в том же режиме с частотой включений до 630 в час и продолжительностью включений до 25%, с последующим повторением не менее чем через 3h. Интервал времени между выключением и включением на обратное направление - не менее 50мс. Максимальная продолжительность непрерывной работы механизмов в реверсивном режиме не должна превышать 10 мин.

4.2.5 Преобразователь измерительный давления интеллектуальный датчик серии Метран-100-ДИ

Рис. 11. Метран 100-ДИ

Предназначены для измерения и непрерывного преобразования в унифицированный аналоговый токовый сигнал и/или цифровой сигнал в стандарте протокола HART избыточного давления.

Датчики предназначены для работы с вторичной регистрирующей и показывающей аппаратурой, регуляторами и другими устройствами автоматики, воспринимающими стандартные сигналы постоянного тока 4-20, и цифрового сигнала на базе HART.

Принцип действия датчиков основан на использовании пьезорезистивного эффекта.

При деформации чувствительного элемента под воздействием входной измеряемой величины изменяется электрическое сопротивление кремниевых тензорезисторов мостовой схемы на поверхности этого чувствительного элемента.

Электронное устройство датчика преобразует электрический сигнал от тензопреобразователя в стандартный аналоговый сигнал постоянного тока и/или в цифровой сигнал в стандарте протокола HART. В памяти сенсорного блока (АЦП) хранятся в цифровом формате результаты калибровки сенсора во всем рабочем диапазоне давлений.

Цифровой сигнал с платы АЦП сенсорного блока вместе с коэффициентами коррекции поступает на вход электронного преобразователя, микроконтроллер которого производит коррекцию и линеаризацию характеристики сенсорного блока, вычисляет скорректированное значение выходного сигнала датчика и далее:

для датчиков с кодами МП, МП1, МП2, МП3 передает его в цифро-аналоговый преобразователь (ЦАП), который преобразует его в аналоговый выходной сигнал или цифровой в стандарте HART (коды МП2, МП3).

Технические характеристики

Таблица 4

Технические характеристики Метран 100-ДИ

Тип датчика Сужающее устройство

Измеряемая величина-

Характеристики датчика-

Численные параметры




-

Диффманометр

Давление топлива перед горелками Давление воздуха перед горелками

класс точности

0,5



предел измерения

50ч320 кг/см2 40-200 мм.в.ст



диаметр трубки датчика

50ч100 мм



избыточное давление

2 МПа



диапазоны измеряемых давлений: минимальный максимальный

 0ч4 кПа 0ч250 кПа



приведенная погрешность измерений

до 0,1%;



температура окружающей среды

-40ч70°С



относительная влажность

95%;



частота вибрации

10ч150 Гц



Выходной сигнал, токовый

4-20 mA


5. Выбор структуры регулятора

Для решения задач регулирования используется регулирующая модель контроллера. В каждом контроллере можно реализовать до четырех независимых или взаимосвязанных контуров регулирования. В каждом контуре регуляторы могут быть одного или разных типов, никаких ограничений на сочетание видов регулятора не накладывается.

При построении регуляторов чаще всего используются следующие алгоритмы:

РАН - регулирование аналоговое;

РИМ - регулирование импульсное;

ЗДН - задание;

РУЧ - ручное управление;

ОКО - оперативный контроль контура регулирования;

ВАА, ВАБ - ввод аналоговый группы А и (или) Б;

АВА, АВБ - аналоговый вывод группы А и (или) Б;

ИВА, ИВБ - импульсный вывод группы А и (или) Б;

РАН - это “ядро” аналогового регулятора, формирующее ПИД - закон регулирования.

РИМ - это “ядро” импульсного регулятора, также формирующее (но совместно с исполнительным механизмом постоянной скорости) ПИД - закон регулирования.

ЗДН - алгоритм, формирующий сигнал задания. Этот алгоритм снабжен также переключателем вида задания, с помощью которого можно выбирать один из трех видов задания: ручное, программное или внешнее. При ручном задании сигнал задания устанавливается оператором вручную; при программном задании изменяется во времени по заданной программе (этом дополнительно используются алгоритмы программного задания ПРЗ); при внешнем задании сигнал задания либо формируется внутри контроллера с помощью других алгоритмов, либо поступает извне через цепи аналогового входа, либо поступает, извне по сети Транзит.

РУЧ - алгоритм, с помощью которого регулятор из автоматического режима можно перевести на режим ручного или дистанционного управления. В ручном режиме алгоритм РУЧ позволяет управлять исполнительным механизмом вручную, при дистанционном управлении сигнал, управляющий исполнительным механизмом, может либо формироваться какими - алгоритмами (основного ПИД) внутри контроллера, либо поступать извне через аналоговые входы контроллера, либо поступать извне по сети Транзит.

Для того чтобы алгоритмы оперативного управления - ЗДН, РУЧ - выполняли свои функции, в комплекте с ними необходимо задействовать еще один алгоритм - ОКО. Алгоритм ОКО выполняет двойную функцию. С одной стороны, он позволяет всю оперативную информацию вывести на индикаторы, расположенные, на лицевой панели контроллера, и, с другой, - передать команды, поступающие от клавиш лицевой панели, алгоритмам оперативного управления.

С помощью специальной группы алгоритмов ввода - вывода организуется связь регулятора с внешними цепями контроллера - датчиками и исполнительными механизмами.

Аналоговые сигналы вводятся в контроллер с помощью АЦП, однако, для того, чтобы “подключиться” к этим сигналам, необходимо задействовать алгоритмы ввода аналогового: ВАА для группы А и (или) ВАБ для группы Б. В этих алгоритмах аналоговый сигнал калибруется. При калибровке путем смещения корректируется “нуль”, а путем масштабирования - диапазон изменения входного сигнала. Выходные сигналы алгоритма ВАА (ВАВ) “представляют” аналоговые сигналы, поступающие на вход контроллера.

Аналогично формируются сигналы на аналоговом выходе контроллера. Для этого используются алгоритмы аналогового вывода АВА (группа А) и (или) АВБ (Б). В этих алгоритмах также корректируется “нуль” и диапазон изменения выходного сигнала. Выходные сигналы импульсного регулятора поступают на исполнительный механизм через дискретные выходные цепи контроллера. Однако на выходе алгоритма РИМ формируется не дискретный, а аналоговый сигнал.

Поэтому этот сигнал необходимо преобразовать в импульсную форму, что выполняется с помощью алгоритма импульсного вывода ИВА для группы А и (или) ИВБ для группы Б. В алгоритме ИВА (ИВБ) устанавливается минимальная длительность импульса, поступающего на дискретный выход контроллера, а также указывает, какой по номеру контур обслуживается каждым каналом алгоритма (необходимо для того, чтобы задействовать индикаторы “меньше” - “больше” на лицевой панели контроллера).

Сигнал задания поступает на вход алгоритма РAМ, на второй вход этого алгоритма поступает сигнал от датчика (алгоритм ВАА). Выходной сигнал алгоритма РAМ через алгоритм РУЧ и алгоритм ИВА поступает на аналоговый выход контроллера.

С помощью алгоритма ОКО организуется оперативное управление. Функции, выполняемые при оперативном управлении, задаются путем конфигурирования входов алгоритма ОКО.

Рис. 13. Структура регулятора САУ давления пара в котле

5.1 Организация безударных переходов в САУ

Отказ УВК в системах автоматизации может привести к потере работоспособности САУ, если не предусмотреть специальные меры, обеспечивающие требуемые надежность и эффективность. Для достижения последних используют различные вариации резервирования САУ:

Резервирование основного УВК(полное или частное);

Контуры регулирования САУ содержат в качестве элементов горячего резервирования

Регуляторы;

Переход в системе с автоматического на ручное управление;

Одним из основных требований при разработке САУ является обеспечение безударного перехода или отступление от вышестоящих уровней иерархии к нижестоящим и наоборот. Зачастую используют следующие режимы отступления:

Отступление сразу же к наперед установленному безопасному значению сигнала задания;

Отступление к последнему значению регулируемого параметра;

Отступление к последнему значению сигнала задания, сформированному УВК;

Первоначальное отступление к последнему значению регулируемого параметра, а затем плавный переход к заданному безопасному заданию, и др.

В нашем случае, по заданию преподавателя, будем осуществлять отступление сразу же к наперед установленному безопасному значению сигнала задания. При отказе УВК система должна сразу перейти на ручной режим управления, причем сделать это безударно, последнего можно достичь путем горячего резервирования УВК, тогда при отказе первого Ремиконта его работу продолжит параллельно подключенный контроллер.

Способов реализации необходимого нам перехода существует несколько, мы не будем рассматривать все возможные варианты, так как их количество зависит от нашей фантазии и возможностей контроллера, остановимся на одном из оптимальных решений нашего перехода, а именно на горячем резервировании Ремиконта целиком.

Рис. 14 Схема безударных переходов САУ давлением пара в котле

5.2 Разработка технической структуры САУ

В предыдущем пункте была описана схема безударного перехода с резервированием контроллера целиком. Основываясь на ней, мы будем разрабатывать техническую структуру САУ.

Рис 15. Техническая структура разрабатываемой САУ

Вывод

В результате проведённой работы была рассмотрена техническая реализация САУ давлением пара в котле ДКВР 20/13. Был выбран контроллер Ремиконт Р-130. Все выбранные ТС обеспечивают достаточные точность, быстродействие и надёжность. Все технические средства отечественного производства, что упрощает их эксплуатацию, ремонт и обучение персонала. С помощью выбранного контроллера реализуется индикация параметров процесса на операторской станции, а также возможность изменения, с неё, настроек регулятора и задания системы. Ремиконт Р-130 позволяет осуществлять сигнализацию предельного положения РО. Система автоматического регулирования была успешно усовершенствована, её экономические показатели в значительной мере повысились.

Список литературы

1. Материалы, собранные на производственной практике в ФБЛИУ № 4.

.   Котельные установки и их эксплуатация. Соколов Б.А. 2007 г.

.   «Технологические измерения и приборы в ЦБП» Кондрашкова Г.А.; Москва, издательство «Лесная промышленность», 1981 год, 374 стр.

.   Конспект лекций, ТСА, Суриков В.Н.

.   В.Н. Суриков, В.Б. Яковлев «Проектирование систем автоматизации технологических процессов ЦБП», уч. пособие - Л.: ЛТА,1983.-85с.

.   Г.П. Буйлов, А.Г. Трофимович, В.Н. Остроумов; «Пневматические устройства SMC для автоматического управления», методические указания к лаб. работам-СПб., СПб ГТУРП 2007. - 24с.

.   Техническое описание контроллера Ремиконт Р-130.


Не нашли материал для своей работы?
Поможем написать уникальную работу
Без плагиата!
Без нейросетей!