Автоматическое управление температурным режимом в теплицах

  • Вид работы:
    Дипломная (ВКР)
  • Предмет:
    Другое
  • Язык:
    Русский
    ,
    Формат файла:
    MS Word
    291,10 kb
  • Опубликовано:
    2011-06-23
Вы можете узнать стоимость помощи в написании студенческой работы.
Помощь в написании работы, которую точно примут!

Автоматическое управление температурным режимом в теплицах

Введение

Тепличное производство относится к числу наиболее энергоёмких производств в сельском хозяйстве. Затраты на обогрев теплиц составляют 30…50% от себестоимости продукции. Потребности современного производства в тепловой и электрической энергии растут быстрее, чем энергетические мощности. Поэтому энергосистемы вынуждены ограничивать потребление энергии, вводить специальные режимы, требовать от потребителя срочной экономии. Эти ограничительные меры малоэффективны, а в ряде случаев приводят к снижению производства продукции. Отсюда следует, что экономить энергию надо не ограничением её отпуска, а системой научно обоснованных технических мероприятий, основными из которых являются создание энергосберегающих технологий и энергосберегающих систем управления. Для снижения энергоёмкости процесса, прежде всего надо стремиться снизить технологический расход энергии. Эта величина определяется размерами и тепловыми характеристиками помещений, а также расходом воздуха и разностью температур воздуха и окружающей среды. Чем ниже температура воздуха в помещении, тем ниже расход энергии. Однако снижение температуры в помещении ведёт к снижению продуктивности, поэтому её снижение ограничено агротехническими требованиями.

Таким образом, задача обычных САУ сводится к стабилизации температуры на заданном уровне. Системы такой стабилизации являются простейшими энергосберегающими системами автоматического управления. Даже простейшая автоматизация управления температурным режимом способна обеспечить экономию 15-18% тепла. Особенно эффективна автоматика в периоды переменной облачности, когда ручное управление температурным режимом весьма затруднено. Энергия, требуемая для обогрева помещения любого типа, может быть рассчитана по уравнению теплового баланса помещения. Тепловой баланс теплицы складывается из потерь тепловой мощности и мощности, поступающей в теплицу.

Потери тепловой мощности можно разложить на следующие составляющие:

потери теплоты через ограждения;

потери теплоты через грунт;

расход теплоты на испарение влаги;

потери теплоты при инфильтрации наружного воздуха.

Мощность, поступающая в теплицу, складывается из поступления теплоты от солнечной радиации, падающей на открытый грунт, и из поступления теплоты от приборов системы обогрева теплицы. Измерить потери тепловой мощности, которую необходимо затратить на поддержание микроклимата в теплице, можно путём установки в теплице датчика тепловых потерь. Использование таких датчиков позволяет обеспечить автоматическое регулирование температурного режима в теплице, путём замены ряда датчиков одновременно (например, датчик скорости ветра, датчик влажности, датчик потока солнечной радиации).

теплица температурный режим автоматизация

1. Обоснование необходимости автоматизации температурного режима в теплице

В последние годы во многих сферах деятельности человека, как в промышленном производстве, так и в сельскохозяйственном, проявляется тенденция к автоматизации различных процессов. Этап автоматизации неизбежен на производстве, результатом которого должна быть качественная, конкурентоспособная продукция, призванная удовлетворить потребности государства и отдельных его граждан. Автоматизация производства повышает не только качество продукции, но и производительность труда, уменьшает затраты труда, снижает себестоимость продукции. В лучшую сторону автоматизация влияет и на условия труда. Процессу широкого внедрения автоматизации способствует развитие технических средств автоматизации. Всё это делает доступным достаточно простые, другими словами, оптимальные технические средства автоматизации для небольших предприятий и хозяйств.

В связи с развитием теплоэнергетики стало выгодным строительство тепличных комбинатов возле крупных источников теплоснабжения с целью использования её в тепловых нуждах. В настоящее время потребности сельскохозяйственного производства в тепловой и электрической энергии растут быстрее, чем энергетические мощности, поэтому энергосистемы вынуждены:

ограничивать потребление энергии;

вводить специальные режимы;

требовать от потребителя строгой экономии.

Эти ограничительные меры малоэффективны и приводят к снижению производства продукции. Отсюда следует, что экономить электрическую и тепловую энергию надо не путём ограничения её отпуска, а системой научно обоснованных технических мероприятий, основным из которых является создание энергосберегающих технологий и энергосберегающих систем управления.

Управление температурным режимом вручную связано с определёнными трудностями. В этом случае оператор не всегда в состоянии реагировать на все изменения регулируемых факторов, и поэтому пределы колебания температуры воздуха при ручном режиме в 5…10 раз превышают допустимые. Даже простейшая автоматизация управления температурным режимом способна обеспечить экономию 15…18% тепла. Особенно эффективна автоматика в периоды переменной облачности, когда ручное управление температурным режимом весьма затруднительно.

Условия температурного режима, в которых развивается растение, оказывают огромное влияние на все процессы его жизнедеятельности:

фотосинтез;

дыхание;

испарение;

корневое питание.

Всякое отклонение от благоприятного для растений температурного режима отрицательно влияет на величину урожая и его качество. При этом нужно учесть, что растению в различные фазы его жизненного цикла требуется разная температура окружающей среды. Для нормального роста, развития и плодоношения растений необходимы влага и углекислый газ, причём в определённых соотношениях в зависимости от температуры воздуха. Сама же температурная среда должна определяться уровнем освещённости.

Таким образом, на растение оказывают влияние сразу несколько факторов среды. Учесть это влияние и создать оптимальное сочетание параметров микроклимата в теплицах возможно лишь с помощью автоматизации технологического процесса.

Экономия энергии на обогрев помещения может быть достигнута:

за счет установки дополнительных временных ограждений, например, размещения полимерной плёнки между остеклением и трубами обогрева

(экранирование боковых ограждений теплицы способно сэкономить до 20% тепла);

за счет регулярного ремонта остекления и тщательной регулировки привода форточек, обеспечивающей их полное закрытие;

за счет рационального размещения труб обогрева ( в соответствии с требованиями СНиП П-100-75, не менее 40% общего количества тепла должно быть подано в зону высотой 1 м над поверхностью грунта);

за счет увеличения теплоизоляции наружных участков теплотрассы;

за счет автоматического управления температурным режимом, которое может понизить температуру воздуха в теплице без какого-либо нарушения технологического процесса выращивания овощей.

Автоматические устройства способны обеспечить значительную экономию тепла за счет понижения температуры воздуха в ночные часы и в часы недостаточной освещенности.

2. Характеристика теплицы как объекта управления

Современная теплица как объект управления температурным режимом характеризуется крайне неудовлетворительной динамикой и нестационарностью параметров, вытекающими из особенностей технологии производства (изменение степени загрязнения ограждения, нарастание объёма листостебельной массы и т.д.). В то же время агротехнические нормы предписывают высокую точность стабилизации температуры (1ºС), своевременное её изменение в зависимости от уровня фотосинтетически-активной облученности, фазы развития растений и времени суток. Все эти обстоятельства предопределяют высокие требования к функционированию и качественному совершенствованию оборудования автоматизации. Представим объект управления (теплицу) в виде черного ящика рисунок 1; выходные величины которого указаны справа (температура, влажность, освещенность внутри теплицы).

Управляемые величины на рисунке 1 изображены сверху. К ним относятся параметры теплоносителя. Контролируемые факторы на рисунке изображены слева. К ним относятся: температура наружного воздуха, солнечная радиация, влажность наружного воздуха, скорость ветра. Перечисленные выше контролируемые факторы можно отнести к так называемым возмущениям, вызывающим отклонение от оптимальных режимов. структурная схема теплицы как объекта управления представлена на рисунке 2.1.

Рисунок 2.1 -Теплица как объект управления (биологический и технический).

3. Анализ путей автоматизации теплицы

.1 Энергосберегающие системы автоматического управления

Энергосберегающие системы автоматического управления - это системы, алгоритм которых направлен на то, чтобы осуществить технологический процесс при пониженных по сравнению с существующими энергетических затратах. Наиболее эффективны ЭССАУ, которые обеспечивают минимум энергетических затрат:

Q/П min, (3.1.1)

где Q - расход электроэнергии, затраченной на получение продукции, кВт·ч;

Q=Qт+Qпот, (3.1.2)

где Qт - затраты энергии на выполнение технологического процесса;

Qпот - потери энергии, вызванные несовершенством технологии, оборудования и материалов.

Применительно к теплицам будем условно считать, что Qт - это затраты на компенсацию теплопотерь с поверхности теплицы в окружающую среду. К потерям энергии, вызванным несовершенством технологии, можно отнести потери, связанные с открыванием дверей и ворот теплицы.

Условие (3.1.1) обычно дополняется какими-либо ограничениями, которые характеризуют диапазон изменения факторов и касаются минимально допустимой температуры, ниже которой наступает нарушение развития растений.

Для снижения энергоемкости процесса прежде всего надо стремиться снизить технологический расход энергии Qт. Эта величина определяется размерами и тепловыми характеристиками помещений, а также расходом воздуха и разностью температур воздуха и окружающей среды. Чем ниже температура воздуха в помещении, тем ниже Qт. Однако снижение температуры в помещении ведёт к снижению продуктивности, поэтому её снижение ограничено агротехническими требованиями. Для каждой культуры опытным путём установлена температура воздуха, ниже которой продуктивная способность снижается. Таким образом, задача САУ сводится к стабилизации температуры на заданном уровне. Системы такой стабилизации являются простейшими ЭССАУ.

Однако стабилизация температуры и влажности в теплице не является лучшим решением проблемы. Дело в том, что в реальных условиях развитие растений происходит при постоянно меняющихся параметрах микроклимата. Так, температура воздуха ночью обычно ниже, чем днём, весной и осенью ниже, чем летом. Живые организмы за долгую эволюцию приспособились к таким изменениям. Поэтому необходимая для их развития температура (да и влажность) должна изменяться в зависимости от времени суток и стадии развития растений. Соответственно должно меняться и задание. Системы, отрабатывающие такое задание, называются программными ЭССАУ.

Системы, обеспечивающие работу в прерывистом режиме, - это третий вид ЭССАУ температурным режимом в теплице, направленный на снижение технологически полезных затрат энергии.

Кратковременное снижение или повышение температуры или влажности в помещении не вызывает изменения продуктивности растений. Поэтому кратковременное отключение нагрева несколько раз в течение суток можно рассматривать как своеобразную закалку живых организмов, что одновременно приводит к определённой экономии энергии. Допустимая продолжительность отключения обогрева помещения для каждой культуры должна определяться экспериментально.

Разновидностью прерывистого режима является так называемый «рваный» режим, при котором обогрев полностью не отключается, а на допустимое время снижается лишь мощность обогрева. Снизить потери энергии можно также улучшением динамики управления, т.е. снизить максимальные динамические отклонения и длительность переходных процессов. Это обеспечивается переходом от системы управления по отклонению к комбинированной системе. В этой системе управление осуществляется по двум независимым каналам: путём изменения расхода горячей воды и её температуры. Переход на такую систему управления позволил снизить температуру обратной воды, уменьшить количество циркуляционных насосов, а, следовательно, и расход энергии на их функционирование.

Важным направлением снижения расхода энергии на единицу продукции является повышение продуктивности и урожайности. Но отметим, что с экономической точки зрения стремление к получению максимума урожая не всегда оправдано, так как этот урожай может быть очень дорогим. Поэтому помимо систем управления, обеспечивающих оптимизацию по урожаю, целесообразно применять системы управления, обеспечивающих оптимизацию по любому заранее выбранному технологическому, экономическому, экологическому или энергетическому критерию.

Технологический процесс, при котором обеспечивается наибольший эффект по одному из указанных критериев или их совокупности, называют оптимальным. Этот процесс характеризуется определённым набором параметров (режимом). Отклонение от оптимального режима ведёт к невосполнимым потерям продукции, энергии и денежных средств.

Чтобы обеспечить оптимальную технологию, необходимо организовать оптимальное управление, задача которого состоит в том, чтобы в любой момент времени создать такую совокупность условий, которая бы обеспечила оптимальное значение критерия эффективности. К таким критериям можно отнести: критерий приведённых затрат; критерий удельных энергозатрат и критерий чистой прибыли.

Выбор критерия определяется сложившейся конъюнктурой, т.е. теми экономическими и социальными задачами, которые в данный момент являются главными для предприятия.

Для создания энергосберегающих систем управления температурным режимом необходимо, прежде всего, выявить алгоритмы функционирования таких систем, разработать функциональные и принципиальные схемы, создать специализированные вычислительные устройства, датчики и регуляторы.

3.2 Математические модели продуктивности

Первым шагом к разработке системы автоматического управления температурным режимом в теплице является выявление математических моделей, т.е. выражений, определяющих связь между параметрами окружающей среды и выбранными критериями эффективности процесса.

Каким бы сложным ни был выбранный критерий, математическая модель должна установить влияние факторов среды на урожайность, расход энергии, материальных ресурсов, эффективность труда обслуживающего персонала. Если энергетические затраты можно определить из условий теплового баланса, то для учёта влияния условий окружающей среды на биологические объекты нужно иметь достаточно достоверные математические модели продуктивности. Для получения таких моделей необходимы постановка большого числа экспериментов и обработка полученного материала. Эксперименты могут быть активными, поставленными в фитотронах по планам второго порядка, и пассивными, выполненными путём непрерывного фиксирования значений параметров среды в процессе эксплуатации помещений.

Как было уже сказано, важнейшую группу ЭССАУ составляют системы, обеспечивающие оптимум какого-то заранее выбранного критерия. Экономия энергетических ресурсов является мощным средством снижения себестоимости сельскохозяйственной продукции, а сэкономленная энергия может быть использована для увеличения производства сельскохозяйственной продукции. Используя критерий удельных энергозатрат, можно получить самую дешевую с точки зрения потребления тепла сельскохозяйственную продукцию.

Условие минимума энергозатрат было уже рассмотрено выше (3.1.1):

Q/Пmin

В дальнейшем под Q будем понимать затраты энергии на выполнение технологического процесса. Величину технологического расхода энергии, как правило, определяют из уравнения теплового баланса сельскохозяйственного сооружения:


(3.2.1)

где Q3 - количество энергии, поступающей в теплицу в единицу времени за счёт радиации;

к - коэффициент тепловых потерь;

t4 - температура наружного воздуха, ºС.

Q3=q3S3η3, (3.2.2)

где S3 -площадь, занимаемая теплицей, м²;

q3 - поток солнечной радиации, кВт/м²;

η3 - коэффициент, характеризующий прозрачность ограждения теплицы (стекла, плёнки);

К=К0+К11φ2+К22V1+K12φ2V1, (3.2.3)

где К0, К11, К22, К12 - постоянные коэффициенты, определяемые экспериментально;

V1 - скорость ветра, м/с;

φ2 - относительная влажность наружного воздуха, %;

Теперь введем понятие дискретного промежутка времени ∆τ. При моделировании можно сделать допущение, что в любые равные по величине промежутки времени, на которые можно разделить весь период выращивания растений формируется равная часть урожая. В течение этого промежутка времени величины V1, φ2, t1, t4, q3 можно считать постоянными. Тогда количество энергии, поступающее за этот промежуток времени в теплицу:

∆Q=(К(t1- t4)S- Q3)∆τ, (3.2.4)

где S - площадь ограждения теплицы, м².

условие минимума энергозатрат q примет вид:

∆Q/∆П=qmin, (3.2.5)

где ∆Q - затраты энергии на обогрев теплицы за промежуток времени ∆τ;

∆П - продуктивность растений за этот же промежуток времени;

∆τ - величина дискретного промежутка времени, в течение которого возмущение практически постоянно, принимается на порядок выше величины постоянной времени объекта регулирования, то есть теплицы, по каналу быстродействующего возмущения.

Значение величины этой постоянной времени 10…15 минут получено экспериментальным путём в разработках кафедры автоматики ЧГАУ [7]. Поэтому величина ∆τ принимается равной 1…1,5 минуты.

К косвенным показателям продуктивности относятся интенсивность видимого фотосинтеза Ф и темнового дыхания D. Между Ф и ∆П можно предложить зависимость:

∆П1=К1Ф∆τS3, (3.2.6)

зависимость продуктивности от темнового дыхания:

∆П2=К2Ф∆τS3, (3.2.7)

где К1 и К2 - соответственно коэффициенты продуктивности являются функциональными зависимостями от возраста растений.

Исследование эффектов взаимодействия между всеми изучаемыми факторами среды возможно при использовании квадратичных полиномов для дневного и ночного периода.

Для дневного периода (интенсивность фотосинтеза):

Ф=А0+А1Е1+А2t2+А3Т2+А4τ1+А5τ2+А6φ1+А11Е1+Е1А12t1+А13Е1Т2+А14Е1τ1+А15Е1τ2+А16Е1φ1+А22t1+А23t1T2+А24t1τ1+А25t1τ2+А26t1φ1+А33τ2+А34τ1Т2+А35Т2τ2+А36Т2φ1+А44τ1+А45τ1τ2+А46τ1φ1+А55τ2+А56τ2φ1+А66φ1; (3.2.8)

для ночного периода (интенсивность дыхания):

D=В0+В1Е2+В2Т1+В3t2+В4τ1+В5τ2+В6φ1+В11Е2+В12Е2Т1+В13Е2t2+В14Е2τ1+В15Е2τ2+В16Е2φ1+В22Т1+В23Т1t2+В24Т1τ1+В25Т1τ2+В26Т1φ1+В33t2+В34t2τ1+В35t2τ2+В36t2φ1+В44τ1+В45τ1τ2+В46τ1φ1+В55τ2+В56τ2φ1+В66φ1; (3.2.9)

где А0…А66, В0…В66 - коэффициенты регрессии;

Ф, D - интенсивность видимого фотосинтеза и темнового дыхания мг СО2/дм²ч;

t1 - температура воздуха внутри теплицы днём, ºС;

t2 - температура воздуха внутри теплицы ночью, ºС;

Т2 -среднеарифметическое значение температуры воздуха в теплице за истекшую ночь, ºС;

Е1 - текущее значение освещённости в теплице, клк;

Е2 - среднеарифметическое значение освещённости за истекший день, клк;

τ1 - длительность фотопериода (продолжительность светового дня), ч;

τ2 - возраст растения, сут.;

φ1 - влажность воздуха в теплице, %.

Математические модели вида (3.2.8) и (3.2.9) позволяют определить величину видимого фотосинтеза или темнового дыхания конкретного сорта для различных условий среды. С их помощью можно рассчитать сочетания факторов среды, обеспечивающие максимум видимого фотосинтеза, в том числе и при наличии таких факторов, как освещенность в начале и конце фотопериода при отсутствии искусственного освещения.

Для осуществления автоматического управления каким-либо технологическим процессом необходимо выбрать алгоритм функционирования системы, т.е. совокупность предписаний, определяющих характер изменения управляемой величины в зависимости от воздействий. В связи с тем, что в математическую модель продуктивности входят факторы, изменяющиеся во времени случайным образом (освещённость, длительность фотопериода, влажность воздуха и т.д.), система управления по алгоритму функционирования может быть либо следящей, либо самонастраивающейся.

.3 Критерий удельных энергозатрат. Температура оптимальная по удельной энергоёмкости

Используя критерий удельных энергозатрат, можно получить самую дешёвую с точки зрения потребления тепла сельскохозяйственную продукцию. Математические модели интенсивности фотосинтеза и темнового дыхания в общем виде получены и описаны ранее. Таким образом, для дневного периода суток вычисляемый критерий удельных энергозатрат примет вид:

q1=(K(t1-t4)S-q3η3S3)/k1ФS3(3.3.1)

для ночи:

q2=(K(t1-t4)S)/k2DS3(3.3.2)

Минимум критерия удельных энергозатрат обеспечивается при:

dq/dt=0(3.3.3)

Для определения температуры, оптимальной по критерию удельной энергоёмкости, необходимо исходить из условия (3.1.1). Тогда условие оптимума:

d(∆Q/∆П)/dt=0,(3.3.4)

для дня:

d(∆Q/(К1S3∆τ∆Ф))/dt=0(3.3.5)

дифференцируя дробь в выражение (3.3.5), получим:

((∆Q)`∆Ф-(∆Ф)`∆Q)/((∆Ф)К1∆τS3)=0(3.3.6)

Подставляя (3.3.2), (3.3.4) в (3.3.6), имеем:

(10(d∆Q/dt)10ln10(А2+А12Е1+А23Т2+А24τ1+А25τ2+А26φ1+2А22t1)/10=0,

(3.3.7)

то есть:

d∆Q/dtln10(А2+А12Е1+А13Т2+А14τ1+А25τ2+А26φ1+2А22t1)∆Q=0,(3.3.8)

дифференцируя, получим:

dQ/dt=kS∆τ,(3.3.9)

подставим в (3.3.8), и получим уравнение:

КS= ln10(А2+А12Е1+А23Т2+А24τ2+А25τ2+А26φ1+2А22t1)(k(t1-t4)S-q3S3η3)

(3.3.10)

После упрощений и сокращений, располагая элементы уравнения (3.3.10) по степеням t1, получим:

t1+((А2+А12Е1+А23Т2+А24τ1+А25t2+А26φ1)2А22-(t4+(S3q3η3)SK)t1-1/(2A22ln10)-(A2+A12E1+A23T2+A24τ1+A25τ2+τ2+A26φ1)(t4+(S3q3η3)(SK))2A22=0

Отношение (S3q3η3)(SK) определяет изменение температуры в теплице благодаря солнечной радиации, тогда:

t5=t4-(S3q3η3)(SK),(3.3.12)

естественная температура воздуха в теплице, т.е. температура, которая устанавливается при отсутствии дополнительного обогрева. После подстановки (3.3.7) и (3.3.11) в (3.3.12) получим вид:

t1+(t21+t5)t1-1/(2A22ln10)+t21t5=0(3.3.13)

решение уравнения (3.3.13) даёт:

t31=(t21+t5)/2+(t21-t5)/4+1/2A22ln10),(3.3.14)

Из выражения (3.3.6), (3.3.13) и (3.3.14) следует, что оптимальная по энергоёмкости температура помимо указанных выше параметров микроклимата в теплице (Е1,Т2,τ1,φ1) и возраста растений τ2, зависит также от солнечной радиации q3, прозрачности ограждения η3, коэффициента тепловых потерь К, который в свою очередь зависит от скорости ветра V1 и относительной влажности наружного воздуха φ2.

Для ночного периода условие минимальной энергоёмкости имеет вид:

d(∆Q/(K1S3∆τ∆D))/dt=0,(3.3.15)

откуда:

(∆Q)`D-D`∆Q=0,(3.3.16)

Подставляя в (3.3.16) значения (∆Q), D и учитывая, что в ночное время Q3=0, получим:

К10к10ln10(B3+B13E2+B23T1+B34τ1+B35τ2+B36φ1+B37τ5+2B33t2)(t2-t4)=0, (3.3.17)

после упрощения и сокращения получим:

t2+((В3+В13Е2+В23Т1+В34τ1+В35τ2+В36φ1+В37τ5+2В33t2)/(2В33)-t4)t2-1/(2B33ln10)-4(B3+B13E2+B23T1+B34τ1+B35τ2+B36φ1+B37τ5+2B33t2)/(2B33)=0,(3.3.18)

t2-(t22-t4)t2-1/(2B22ln10)+t22t4=0,(3.3.19)

решением уравнения (3.3.19) будет:

t32=(t22+t4)/2(t22-t4)/4+1/(2B33ln10)(3.3.20)

Из выражения (3.3.20) и (3.3.10) следует, что оптимальная по энергоёмкости температура зависит как от параметров микроклимата в теплице (Е2, Т1, τ1, φ1), возраста растений и относительного времени суток τ2, так и от наружной температуры t4.

4. Датчик тепловых потерь. Его необходимость

Оптимизация по критерию удельных энергозатрат возможна двумя путями: созданием системы экстремального управления с вычислительным устройством, или системы автоматической оптимизации, изменяющей задание внутренней температуры. И в том и в другом случае системы должны получать информацию от датчиков внутренней и наружной температуры, солнечной радиации, освещённости, влажности воздуха, скорости ветра.

Вычислительные устройства обеих систем имеют практически одинаковую стоимость, однако экстремальная система является более дорогой и обладает худшими динамическими свойствами. Сделать систему автоматической оптимизации ещё более дешёвой возможно благодаря использованию в качестве ПИП - датчика тепловых потерь, который заменяет группу датчиков: внутренней и наружной температуры, солнечной радиации, освещённости, скорости ветра.

При определении величины тепловых потерь теплицы в окружающую среду, в зависимости от меняющихся метеофакторов, целесообразно не измерять по отдельности составляющие их физические величины, а иметь интегральный параметр, позволяющий получить выходной сигнал, пропорциональный величине этих потерь.

Для оценки тепловых потерь через ограждения их материал и конструкция должны быть составной частью датчика. Так для стеклянных теплиц этим элементом является лист стекла той же толщины и имеющий такое же расположение в пространстве, что и соответствующее ограждение теплицы. При необходимости таким фрагментом может быть полиэтиленовая плёнка, двойное остекление и т.д.

Конструкция датчика тепловых потерь (рисунок 4.1) включает в себя корпус 2, устанавливаемый под кровлей изнутри теплицы, верхней стенкой которого служит стекло ограждения теплицы 1. Для исключения влияния, изменяющейся внутри теплицы температуры на температуру внутри корпуса датчика тепловых потерь, нижняя и боковые стенки тщательно теплоизолированы слоем теплоизоляции 3. Для учёта потока тепла излучением проведена имитация альбедо поля с растениями реальной теплицы, для чего горизонтально расположенная нижняя стенка 7 корпуса 1 окрашена в цвет, соответствующий средней величине значения альбедо, которая достигается путём нанесения равных по ширине черных и зеленых полос.

Принцип работы датчика тепловых потерь (рисунок 4.1) основан на измерении мощности нагревателя 6, помещённого в защитное пространство внутри корпуса.

При этом нагревательный элемент с помощью системы автоматического управления, помещённой в отдельный блок, поддерживает в нагреваемом объёме постоянную температуру, равную температуре, поддерживаемой в зоне расположения растений. Контроль температуры в нагреваемом объёме производится измерительным элементом 5(медь с покрытием черного цвета), на котором установлен германиевый диод (в режиме стабильного тока), используемый в качестве датчика температуры. Для защиты измерительного элемента от прямого солнечного излучения предназначен экран 4. Корпус датчика 2 окрашивается с внешней стороны алюминиевой краской (серебрянкой) и защищается плёночным экраном от воздействия воздушных потоков. Точность датчика зависит от выбора толщины изоляции и подсчитывается из соотношения (4.1):

K(tв─tн)F≤∆⁄100qS, (4.1)

где q - плотность мощности потерь через рабочее ограждение;

S - площадь рабочей поверхности, м²;

F - площадь поверхности теплоизоляции датчика, м²;

tºв - температура, поддерживаемая в рабочем пространстве датчика, равная температуре в теплице, ºс;

tºн - наружная температура, ºс;

∆ - допустимая погрешность;

К - коэффициент теплоотдачи изоляции.

Поскольку теплица - сложная конструкция, состоящая из поверхностей, имеющих разную ориентацию в пространстве, для оценки общих тепловых потерь надо иметь несколько таких датчиков. Их количество определяется конструкцией теплицы и может колебаться от двух до шести. При этом для определения суммарной мощности показания датчиков следует учитывать с весовыми коэффициентами, учитывающими долю площади соответствующих ограждений. Заметим, что блок управления может располагаться и вне датчика, это целесообразно потому, что система автоматического управления работает в условиях меняющегося задания температуры, которое определяется специальным вычислителем большой системы. Поэтому целесообразно все элементы системы управления располагать конструктивно в станции управления. Структурные схемы датчика тепловых потерь и САУ температурным режимом с датчиком тепловых потерь соответственно показаны на рисунках 4.2 и 6.3.

Итак, датчик тепловых потерь позволяет определить мощность необходимую для обеспечения в этом изолированном пространстве заданной температуры.

- фрагмент ограждения теплицы;

- корпус;

- теплоизоляция;

- экран;

- термоэлектрический преобразователь;

- нагреватель;

- стенка, имитирующая альбедо поля с растениями реальной теплицы.

Рисунок 4.1 - Конструкция датчика тепловых потерь.

- измерительный элемент;

- нагревательный элемент;

- датчик тока;

- стабилизатор температуры;

- нормирующий преобразователь выходного сигнала;

- стабилизатор напряжения;

- источник питания схемы датчика.

Рисунок 4.2 - Структурная схема датчика тепловых потерь.

5. Конструкция и принципиальная схема датчика тепловых потерь

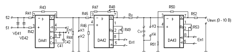
Блок управления имеет три основных узла: источник питания датчика, нормирующий преобразователь (структурная схема рисунок 5.1 и принципиальная схема рисунок 5.2), стабилизатор температуры нагревательного элемента (структурная схема рисунок 5.3 и принципиальная схема рисунок 5.4).

Принципиальная схема нормирующего преобразователя осуществляет преобразование величины электрической мощности, потребляемой датчиком и пропорциональной величине тепловых потерь, в электрический сигнал постоянного тока с напряжением 0-10В. Выходное напряжение равное +10В определяется некоторой величиной электрической мощности, потребляемой датчиком при воздействии суммарных физических параметров метеофакторов, соответствующих максимальной величине тепловых потерь технологического помещения.

В принципиальной схеме стабилизатора температуры измерительного элемента роль датчика температуры выполняет кремневый диод (в режиме стабильного тока). Он установлен на измерительном элементе. Операционные усилители ДА52, ДА54, ДА55 выполняют функцию ПИ-регулятора. Контроль величины температуры измерительного элемента осуществляется стрелочным прибором. В качестве нагревательного элемента используется транзистор с большим hэ (1000-1500), установленный на измерительном элементе. Для питания нагревательного элемента датчика стабильным постоянным напряжением предусмотрен двухкаскадный параметрический стабилизатор VD61, VD62, и прецизионный операционный усилитель с установкой 0. В качестве регулирующего транзистора используется транзистор средней мощности, установленный на охлаждающем радиаторе.

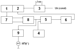
- усилитель сигнала датчика тока;

- согласующий усилитель;

- фильтр;

- согласующий усилитель выходного сигнала.

Рисунок 5.1 - Структурная схема нормирующего преобразователя выходного сигнала мощности.

Рисунок 5.2 - Электрическая принципиальная схема нормирующего преобразователя выходного сигнала мощности.

1. - измерительный элемент;

2.      - нагревательный элемент;

.        - источник питания;

.        - задатчик температуры;

.        - регулятор температуры;

.        - усилитель согласующий;

.        - датчик температуры;

.        - согласующий усилитель;

.        - усилитель индикатора температуры.

Рисунок 5.3 - Структурная схема стабилизатора температуры нагревательного элемента.

Рисунок 5.4 -Электрическая принципиальная схема стабилизатора температуры нагревательного элемента.

Рисунок 5.3 - Электрическая принципиальная схема стабилизатора напряжения питания датчика тепловых потерь.

6. Выбор системы управления по признакам классификации

Известно, что по принципу управления все существующие системы можно разделить на системы управления по отклонению, по возмущению и комбинированные системы. А по алгоритму управления САУ могут быть следящими, программными и стабилизирующими.

Для обеспечения наиболее точного и экономически выгодного управления система автоматического управления температурным режимом в теплице должна быть следящей по алгоритму функционирования и комбинированной по принципу управления.

Сопоставление различных вариантов схем автоматического управления температурным режимом в теплице с датчиком тепловых потерь

Одним из вариантов разрабатываемой системы автоматического управления температурным режимом в теплице с датчиком тепловых потерь является САУ с использованием для управления шаговым двигателем преобразователя цифрового кода в угол поворота ротора двигателя (рисунок 6.2).

Преобразователь код - угол поворота.

Преобразователи цифрового кода в перемещение без обратной связи делятся на устройства с предварительным преобразованием входного кода в числоимпульсный код или в аналоговую величину. Структурная схема преобразователя цифрового кода в перемещение с предварительным преобразованием входного двоичного кода в числоимпульсный код показана на рисунке 6.1.

Рисунок 6.1 - Структурная схема преобразователя кода в перемещение с предварительным преобразованием в числоимпульсный код.

Преобразуемый двоичный код аn``, аn``-1, …, а2``, а1`` поступает на сравнивающее устройство СУ (рисунок 6.1), в котором происходит сравнение преобразуемого кода с выходным кодом реверсивного двоичного счётчика РДС. Сравнивающее устройство вырабатывает сигнал либо на выходе В, либо на выходе А в зависимости от того, какой код оказывается большим - преобразуемый или с выхода РДС. Соответственно этому РДС переключается на счёт импульсов с вычитанием или сложением. Генератор тактовых импульсов ГИ подаёт через элемент И сигналы на вход счётчика и одновременно через ключи К1 и К2 на реверсивный шаговый двигатель РШД. И на счётчик и на шаговый двигатель поступает число импульсов, равное разности кодов. Как только коды сравняются, на обоих выходах СУ установятся нулевые сигналы, элемент И запрётся. Поступление импульсов на РДС и РШД прекратится. Таким образом, при начальной установке РДС и РШД в заданное исходное состояние угол поворота выходного вала двигателя в дальнейшем будет соответствовать числу, записанному на счётчике, так как и на счётчик, и на двигатель каждый раз поступает одно и тоже число импульсов. При этом, если число на РДС возрастает, то РШД работает таким образом, что выходной угол φ возрастает, так как сигналом СУ открыт соответствующий из ключей (К1 или К2). Если же число на РДС убывает, то и вал двигателя начинает перемещаться в обратном направлении, так как теперь подключена к генератору импульсов вторая обмотка РШД.

ДТП - датчик тепловых потерь;

Пр.к. - преобразователь кода (десятичный - двоичный);

Пк-уп - преобразователь код - угол поворота;

И.М. - исполнительный механизм;

О.У. - объект управления (теплица).

Рисунок 6.2 - Структурная схема САУ температурным режимом в теплице с датчиком тепловых потерь.

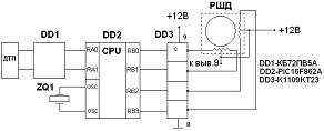
Другим вариантом САУ температурным режимом в теплице с датчиком тепловых потерь является система на основе микропроцессора PIC16F862A (рисунок 6.3).

ДТП - датчик тепловых потерь;

МП - микропроцессор;

И.М. - исполнительный механизм;

О.У. - объект управления (теплица).

Рисунок 6.3 - Структурная схема САУ температурным режимом в теплице с датчиком тепловых потерь (с применением микропроцессора).

ДТП - датчик тепловых потерь;

DD1 - аналого - цифровой преобразователь(КБ72ПВ5А);

DD2 - микропроцессор (PIC16F862A);

DD3 - транзисторные ключи (К1109КТ23);

РШД - реверсивный шаговый двигатель.

Рисунок 6.4 - Структурная схема САУ температурным режимом в теплице с датчиком тепловых потерь (с применением микропроцессора).

При сравнении и выборе САУ температурным режимом в теплице необходимо обратить внимание на то, что проектируемая система должна обеспечивать более точный контроль над регулируемыми факторами, быть экономически выгодной, а также содержать наименьшее число элементов, что в свою очередь повышает её надёжность.

Система автоматического управления с применением микропроцессора обладает лучшими характеристиками, чем САУ с преобразователем код - угол поворота, так как содержит меньшее число элементов, следовательно, более надежна, компактна; точнее обрабатывает сигнал с датчика, а значит, качественней осуществляет управление температурным режимом в теплице.

В дальнейшем, говоря о системе автоматического управления температурным режимом в теплице с датчиком тепловых потерь, будем подразумевать САУ на основе микропроцессора (PIC16F862A).

Монтаж печатных плат датчика тепловых потерь

Печатные платы показаны на чертежах АСХП.ДТПТ.00.000 Э4. С наружной стороны плат выполнен монтаж в виде системы печатных проводников, обеспечивающих соединение элементов системы. Печатные плоские проводники- это линейные участки токопроводящего покрытия в виде слоя меди, нанесённого на изоляционное основание из гетинакса гальваническим способом. Проводники печатного монтажа припаяны к пустотелым заклёпкам - пистонам. С внутренней стороны платы к этим заклёпкам припаиваются выводы нанесённых элементов. На выводы эмиттеров транзисторов надеты полихлорвиниловые трубки диаметром 1 мм красного цвета, на выводы коллекторов - зелёного цвета, на выводы баз - белого цвета, трубки на чертеже не показаны. Транзисторы приклеивают к плате лаком ВК- 9. Поверхность платы после пайки и настройки покрывается лаком БТ-569 (ГОСТ 14690-80). Припаивают по периметру ПОС-61.

Конструкции элементов вычерчиваются в виде упрощенных изображений, например: С1- конденсатор, VD1- диод, R1- резистор, VT1- транзистор и так далее.

9. Надёжность САУ и её элементов. Определение количества запасных частей

.1 Расчет надёжности

Использование понятия надёжность в инженерной практике имеет смысл тогда, когда надёжность можно измерить и дать её количественную оценку. Показатели надёжности определяются ГОСТом 13377-75 и отраслевыми стандартами.

Все методы надёжности предполагают постоянство интенсивности отказа элементов, т.е. имеет место экспонициальный закон надёжности. Статистические материалы об отказах аппаратуры свидетельствуют о том, что в основном время работы этих элементов подчиняется экспонициальному закону распределения. Условием возникновения распределения времени до отказа служит постоянство интенсивности отказов, что характерно для внезапных отказов на интервале времени, когда период приработки изделия закончился, а период износа и старения не начался, следовательно, это тот период нормальной эксплуатации. Предположение об экспонициальном законе распределения существенно упрощают расчёты надёжности.

Принимаем вероятность безотказности Рз=0,8, наработку на отказ Тз=64000 ч.[17] . Из всей совокупности элементов входящих в принципиальные схемы (рисунки 5.2, 5.4, 5.5) выделяем подгруппы с однотипными элементами. Определяем интенсивность отказов элементов, входящих в подгруппы и рассчитываем интенсивность отказов отдельных подгрупп (таблица 9.1.1).

Таблица 9.1.1 - Интенсивность отказов

№п⁄п

Элементы

Обозначение

Количество

К

λ

λi

1

Диод кремневый

VD

7

1

0,2

1,4

2

Транзистор кремневый

VT

3

1

0,5

1,5

3

Конденсатор кремневый

C

6

1

0,1

0,6

4

Сопротивление

R

56

1

0,045

2,52

5

Усилители

DA

10

1

0,085

0,85

6

Датчик температуры

BK

1

1

3,3

3,3


λ - интенсивность отказов отдельного элемента, [1/ч];

λi - интенсивность отказов группы, [1/ч];

N - количество однотипных элементов, шт.;

К - коэффициент учитывающий влияние на надёжность САУ вибрации, температуры, влаги, агрессивности среды (К=1 - для лабораторных и производственных помещений);

λ i= λN ( 9.1.1)

Находим суммарную интенсивность отказов системы в целом:

λ∑=К∑ λi ( 9.1.2)

λ∑=1,4+1,5+3,3+0,6+2,52+0,85=10,17[1/ч]

Рассчитываем среднюю наработку на отказ:

Тср=1/λ∑ (9.1.3)

Тср=1/(10,17*10)=0,098*10=98000[ч]

Вероятность наработки на отказ больше заданного времени Тз рассчитывается по формуле:

Рр=ехр(-λ∑Тз) (9.1.4)

Рр=ехр(-10,17*10*64000)=0,524

Расчётная вероятность наработки на отказ меньше заданной, следовательно, применяем резервирование, путём параллельного включения однотипного элемента наименее надёжному элементу, при выходе из строя последнего. Наименее надёжным элементом является датчик температуры.

Вероятность безотказной работы резервной группы:

Ррг=1-(1-Ррэ), (9.1.5)

где Ррэ - вероятность безотказной работы резервного элемента;

n - количество равно надёжных элементов, включенных параллельно;

Ррэ=ехр(-λТ) (9.1.6)

Ррэ=ехр(-3,3*64000*10)=0,82

Ррг=1-(1-0,82)=0,82

Если требуемая надёжность резервируемого элемента:

Р'рэ=Рз/Рос, (9.1.7)

где Рос - надёжность остальной группы, т.е. надёжность не резервируемой части системы, то количество равно надёжных элементов, включенных параллельно, равно:

n=ln(1- Р'рэ)/ln(1-Ррэ) (9.1.8)

n= ln(1-1,23)/ ln(1-0,82)=3 [шт];

Рос=ехр(-λТ) (9.1.9)

Рос=ехр(-6,87*64000*10)=0,65

Р'рэ=0,8/0,65=1,23(9.1.7)

9.2 Расчет сроков профилактического обслуживания

Профилактическое обслуживание изделий - это система предусмотренных мероприятий, направленных на снижение вероятности отказов (технические осмотры, регулировки, замена комплектующих элементов, восстановление защитных покрытий и токопроводящих контактов).

Профилактическое обслуживание является основным видом обслуживания на этапе нормальной эксплуатации системы, характеризуемом постоянством интенсивности отказов не резервируемых изделий.

Сроки профилактического обслуживания назначаются исходя из того, чтобы вероятность появления отказа (для экспонициального закона распределения времени до отказа) не превышала [14]:

Qз=1-Рз=1-ехр(-λТ) (9.2.1)

Qз=1-0,8=0,2

Отсюда периодичность календарного обслуживания:

t<ln(1-Qз)/λ (9.2.2)

t<ln(1-0,2)/10,17=0,022

На этапе износовых отказов в момент времени t должна быть осуществлена замена выработавшего ресурс изделия.

t<T-n*σ, (9.2.3)

где Т - среднее время до износового отказа;

n - коэффициент, определяемый по таблице 2.1[17];

t<64000-1,2*1,554=64000

9.3 Расчет числа запасных частей изделий САУ температурным режимом в теплице с датчиком тепловых потерь

Количество запасных частей зависит от интенсивности отказов, от времени пополнения ЗИП, степени его восстанавливаемости. Для пуассоновского потока отказов вероятность числа отказов равна [14]:

Рн=(( λТ)/n)ехр(-λТ) (9.3.1)

Вероятность того, что число отказов за время t будет меньше m (вероятность достаточности):

Рn<m=∑((λ*tn)/n)ехр(-λТ) (9.3.2)

Рn>m=1- Рn<m (9.3.3)

Заполним таблицу 9.3.1 значений вероятности. Первая строка - значение вероятности достаточности, вторая строка - значение вероятности недостаточности из условия, что m - число запасных изделий [14].

Таблица 9.3.1 - Значение вероятности

Наименование

m

0

1

2

1

Диод

Рn<m

0.74

0.83




Рn>m

0.26

0.14


2

Транзистор

Рn<m

0.71

0.81




Рn>m

0.29

0.19


3

Конденсатор

Рn<m

0.81





Рn>m

0.19



4

Сопротивление

Рn<m

0.68

0.79

0.86



Рn>m

0.22

0.21

0.14

5

Усилитель

Рn<m

0.8





Рn>m

0.2



6

Датчик температуры

Рn<m

0.64

0.76

0.83



Рn>m

0.36

0.24

0.7


Принимаем запасных частей: для диода - 1 шт., для транзистора - 1 шт., для конденсатора - 0 шт., для сопротивления - 2 шт., для усилителя - 0 шт., для датчика температуры - 2 шт.

Исполнительный механизм и шаговый двигатель

Электрические исполнительные механизмы представляют собой электроприводы, предназначенные для перемещения регулирующих органов в системах дистанционного и автоматического управления.

К основным элементам электрических исполнительных механизмов относятся: электродвигатель, редуктор понижающий число оборотов, выходное устройство для механического сочетания с регулирующим органом, дополнительные устройства, обеспечивающие остановку механизма в крайних положениях самоторможения при отключении электродвигателя, возможность ручного привода на случай выхода из строя системы автоматики или для наладки, обратную связь в системах автоматического регулирования, дистанционное указание и сигнализацию положения механизма.

Исполнительные механизмы рассчитаны для работы при температуре окружающей среды от -30 до +60 ºС.

Для системы калориферного обогрева выбираем электрический исполнительный механизм многообратный типа МЭМ [9]. Исполнительный электрический механизм вращательного действия МЭМ оснащён муфтой предельного момента (при перегрузках электродвигатель отключается) и концевыми выключателями, ограничивающими и сигнализирующими положение рабочего органа. В механизмах МЭМ используются реостатные датчики положения и обратной связи с полным сопротивлением 120 Ом (тип БДР-П). Возможно применение индуктивных датчиков БДН-6. Напряжение питания 12 В переменного или постоянного тока.

Многообратные механизмы питаются от трёхфазной сети переменного тока, напряжением 220/380 В, частотой 50 Гц. Управление осуществляется магнитным пускателем МКР-0-58. Изготовитель: завод электрических исполнительных механизмов «Севан».

Технические характеристики механизма:

Тип - МЭМТ - 10 (тепличный);

Номинальный момент - 10кгс*м;

Время одного оборота выходного вала - 1 с;

Количество оборотов выходного вала - 256;

Потребляемая мощность - 1700 ВА;

Габариты - 270*245*675 мм;

Масса - 38 кг.

Для системы трубного обогрева в качестве исполнительного механизма выбираем шаговый двигатель [10]. Шаговые двигатели являются механическими устройствами, которые преобразуют электрические импульсы в фиксированные угловые или линейные перемещения. Современные быстродействующие шаговые двигатели являются синхронными электрическими машинами, обмотки которых возбуждаются резко несинусоидальным сигналом, обычно прямоугольными импульсами напряжения, частота которых может изменяться в широких пределах.

Технические характеристики шагового двигателя:

Тип - ШД-2-4;

Номинальное напряжение - 27 В;

Момент инерции ротора - 0,47 кг*см;

Сопротивление фазы - 17 Ом;

Максимальный синхронизирующий момент - 25 Н*см;

Максимальная потребляемая мощность - 90 Вт;

Номинальный момент инерции - 0,25 г/дм;

Номинальная частота приемистости - 250 шаг/с.

10. Выбор пульта управления

Пульты предназначены для установки в закрытых помещениях с температурой окружающего воздуха от -30 до +50°С, относительной влажностью воздуха не более 80%, при отсутствии вибрации, агрессивных газов, паров, токопроводящей пыли.[17]

Пульты изготавливаются из унифицированных деталей. Все пульты имеют откидную наклонную рабочую панель, которая фиксируется в открытом положении.

При проектировании пультов должны учитываться следующие рекомендации:

1.                Пульт управления является основным рабочим элементом оператора. Он должен обеспечивать рациональное расположение органов управления, отдельных приборов, сигнальных устройств, средств связи, возможность ведения записей, просмотра и хранения текущей документации.

2.      На габариты и геометрическую форму решающее влияние оказывают не только аппаратура, устанавливаемая на пульте, но и выбираемая основная рабочая поза оператора, определяемая характером его деятельности. Как правило, в автоматизированных системах управления технологическим процессом работа оператора за пультом планируется в положении сидя.

.        Количество органов на пульте должно быть минимальным, но достаточным для выполнения поставленных перед оператором задач по управлению автоматизированным объектом.

11. Безопасность труда

.1 Общая характеристика и состояние безопасности труда

Согласно правилам устройства электроустановок (классификация помещений по опасности поражения электричеством) теплицы относятся к помещениям особо опасным, так как они сочетают несколько признаков с повышенной опасностью. А именно:

–        сырые помещения (влажность воздуха 80%);

–       токопроводящие полы (земля);

–       жаркие помещения (температура до 35°С);

–        возможность одновременного прикосновения человека к металлическим корпусам электрооборудования и к соединенным с землей металлоконструкциям (трубы отопления, каркас теплицы).

В соответствии с этим соблюдают следующие правила размещения электрооборудования:

–        выключатели и предохранители, располагать в сухих помещениях;

–       кнопки управления устанавливают у рабочих мест;

–       проводка открытая, кабели, высота подвеса 2,5 м.

Как правило, температура воздуха в теплице составляет плюс 15…35°С, влажность воздуха 60…80%. Длительное воздействие горячего воздуха с повышенной влажностью отрицательно сказывается на здоровье людей.

Рекомендуется выполнять следующие требования:

1. Обслуживающий персонал снабжается средствами индивидуальной защиты.

2.      Работы, проводимые внутри помещения теплицы, должны регулярно сочетаться с отдыхом.

.        Проводить регулярные медицинские осмотры.

Применяемые в теплицах электросиловые установки требуют напряжения питания 380/220В, система управления микроклиматом выполнена на микросхемах с напряжением не более 15В постоянного тока. Кроме того, применяемый в качестве исполнительного механизма шаговый двигатель имеет напряжение питания 27В.

Аппаратура управления размещается в шкафах в специальном помещении - электрощитовой. Доступ к ней имеет только специальный персонал (электрики).

Пускозащитная аппаратура располагается в технологическом коридоре в шкафах управления ШУМ. Корпус ШУМ заземляется. Также заземлению подлежат корпуса электродвигателей.

Травматизм в хозяйстве составил в среднем за три года три травмы.

Основным показателем производственного травматизма являются коэффициенты частоты травматизма (Кч) и коэффициент тяжести травматизма (Кт).

Коэффициент частоты отражает количество несчастных случаев на тысячу работающих. Он определяется по формуле:

Кч = 1000×N/Р, (9.1.1)

где N - число несчастных случаев, ед.;

Р - среднегодовая численность работников.

Коэффициент тяжести травматизма показывает количество дней нетрудоспособности, приходящихся на один несчастный случай. Он определяется по формуле:

Кт = Т/М, (9.1.2)

где Т - потеряно дней, дн.;

М - количество пострадавших.

Показатель потерь - среднее число человеко - дней нетрудоспособности на 1000 работающих.

Кп = 1000×Т/Р (9.1.3)

Результаты расчетов приведены в таблице 9.1.1.

Таблица 9.1.1 - Распределение травматизма за 2001 - 2003 годы.

Годы

Среднегодовая численность работников

Количество травм

Потеряно дней

Кч по хозяйству

Кт по хозяйству

Кп по хозяйству

2001

755

4

28

5,2

7

37

2002

742

2

18

2,7

8

24,25

2003

752

4

32

5,3

9

43,1


Из анализа состояния производственного травматизма видно, что количество несчастных случаев из года в год изменяется незначительно. В тепличном производстве только в вспомогательных цехах наблюдается спад травматизма, по остальным же показателям этого не наблюдается. Причины несчастных случаев приведены в таблице 9.1.2.

Наиболее часто несчастные случаи происходят из-за несоблюдения правил техники безопасности и неисправности машин и оборудования.

Таблица 9.1.2 - Причины несчастных случаев.

Причины несчастных случаев

2001

2002

2003

Неисправности машин и оборудования

2

1

1

Нарушение технологического процесса

0

0

0

Отсутствие индивидуальных средств защиты

0

1

1

Отсутствие технического надзора и нарушение техники безопасности при производстве отдельных видов работ

2

0

2

Не использование индивидуальных средств защиты

0

0

0

Итого

4

2

4

11.2 Производственная санитария

Производственная санитария - это система организационных, инженерных и санитарно - технических мероприятий и средств, предотвращающих воздействие на человека вредных производственных факторов.

На человеческий организм большое влияние оказывают метеорологические условия: высокая или низкая температура воздуха, ветер, дождь, снег, солнечная радиация, влажность и т. д. Наиболее благоприятные условия, обеспечивающие наибольшую работоспособность человека, следующие: температура окружающей среды 12 - 22°С, относительная влажность воздуха 40 - 60%, скорость движения воздуха на рабочем месте 0,1 - 0,2 м/с.

Проведение мероприятий по санитарно - технической защите и личной гигиене работающих.

Предусматривается необходимый воздухообмен по нормативной концентрации углекислого газа и влаги внутри помещения.

Таблица 9.2.1 - Годовая потребность в специальной одежды, обуви и других средств индивидуальной защиты (СИЗ) для электромонтера.

Профессия, должность

Наименование спецодежды, обуви и других СИЗ

Срок носки, мес.

Годовая потребность, шт.

Электрик по обслуживанию и ремонту электрооборудования

Полукомбинезон хлопчатобумажный

12

1


Перчатки диэлектрические

Дежурные

1


Галоши диэлектрические

Дежурные

1


Сапоги резиновые

24

1


Фартук прорезиненный

2

2


Респираторы

12

1

11.3 Защитные меры в электроустановках

Комплекс защитных мер в электроустановках предусматривает следующие мероприятия:

–        зануление электроустановок с повторным заземлением нулевого провода на вводе потребителя;

–       силовая и осветительная нагрузка защищается от токов короткого замыкания автоматами АЕ 2046. Осветительная часть выполнена кабелем АВВГ - 4´10 мм2.прокладка кабеля открытая и крепится к тросу. Светильники ОТ - 400 тоже закрепляются на тросе. Вся силовая часть находится в щите, который присоединен к заземляющему контуру.

Особое место в системе защитных мероприятий имеет контроль за состоянием изоляции. Для предотвращения утечек электрического тока через места повреждений изоляции, при которой возникает опасность поражения электрическим током, а также выход из строя электрооборудования, проводятся периодические замеры изоляции электроустановок, проводов и кабелей во время капитального ремонта. Определяют сопротивление изоляции каждой фазы относительно земли и между каждой парой фазных проводов на каждом участке.

Основной мерой обеспечения электробезопасности людей в электроустановках, является зануление корпусов.

11.4 Мероприятия по молнии защите

Регион Южного Урала характеризуется интенсивной грозовой деятельностью (40-60 часов грозы).

Теплица относится к помещениям с третьей категорией молнии защиты.[14]

Рассчитаем количество поражений молнией в год для теплицы:

N = ((S + 6×h)×(L + 6×h) - 7,7×h2)×n×10-6, (9.4.1)

где h - наибольшая высота здания, м;

S, L - соответственно ширина и длина здания, м;

n - среднегодовое число ударов молнии в 1 км2 земной поверхности в месте нахождения здания.

N = ((14 + 6×5)×(70 + 6×5) - 7,7×52)×4×10-6 = 0,004 (9.4.2)

Теплицы относятся к зданиям со степенью огнестойкости II (все основные элементы не горючие).

В данном случае молниезащита не требуется, так как она необходима при N>0,1.[14]

11.5 Мероприятия по пожарной безопасности

По степени пожарной опасности теплицы относятся к категории Д (производство, связанное с обработкой горючих веществ в холодном состоянии).[14]

Одной из пожарных точек теплицы является растворный узел, там категорически запрещается пользоваться огнем.

Руководители обязаны:

1. Организовать изучение и выполнение типовых правил пожарной безопасности всеми работниками теплицы.

2.      Организовать на объекте добровольную пожарную дружину.

.        Установить в пожароопасных помещениях строгий противопожарный контроль.

Теплица обеспечивается средствами пожаротушения:

–        огнетушители ОХП - 10 - 2 шт.;

–       ящик с песком;

–       топор;

–       лом;

–       пожарные ведра;

–       передвижными насосными станциями.

12. Экономическая часть

Таблица 10.1 - Смета на оборудование.

Наименование

Количество изделий, шт.

Цена за еденицу изделия, руб.

Общая цена изделий, руб.

Операционный усилитель

9

70

630

Транзистор

3

20

60

Диод

7

5

35

Конденсатор

9

10

90

Резистор

56

8

448

Итого:



1263


Сметная стоимость:

Бс = прямые затраты + накладные расходы (40% от прямых затрат) + плановые накопления (6…10% от суммы прямых и накладных затрат)

Бс = 1263 + 505,2 + 141,6 = 1909,8

При определении экономической эффективности в качестве основного показателя используют показатель минимальных приведенных затрат и прибыли по предприятию.

Приведенные затраты:

ПЗ = С + Ен×Бс,

где С - производственные годовые издержки;

Ен - нормативный коэффициент капитальных вложений, Ен=0,14.

Производственные издержки определяются:

С = А + Тр + Эн + Зпр,

 

где А - норма амортизации, равна 16,3% от капитальных вложений;

Тр - расход на текущий ремонт, 80% от А;

Эн - расход на электроэнергию;

Зпр - прочие затраты.

При расчете общих капитальных вложений необходимо знать затраты на монтажные работы:

Змр = 0,07×Бс

Змр = 0,07×1909,8 = 133,7

Затраты на складские работы:

Зср = 0,06×Бс

Зср = 0,06×1909,8 = 114,6

Норма амортизации:

А = 0,163×Бс

А = 0,163×1909,8 = 311,3

Расход на текущий ремонт:

Тр = 0,8×А

Тр = 0,8×311,3 = 249

Расход на оплату труда персонала, который обслуживает систему в теплице:

Зпл = Зч×Т,

где Зч - часовая зарплата рабочего, руб/ч;

Т - число часов работы рабочего, ч.

Для обслуживания САР принимаем электромонтера 4 - го разряда, зароботная плата которого состовляет 25,53 руб/ч.

Норма времени на техническое обслуживание и технический ремонт составляет 235 часов.

Зпл = 25,53×235 = 6000 руб.

Прочие затраты составляют 15…17% от суммы всех затрат:

Зпр = 0,16×(А + Тр + Эн + Зпл)

Зпр = 0,16×(311,3 + 249 + 2,3 + 6000) = 1050,02 руб.

Производственные издержки:

С = 311,3 + 249 + 2,3 + 1050,02 = 1612,62 руб.

Приведенные затраты:

ПЗ = 1612,62 + 0,14×1909,8 = 1880 руб.

Определим годовой экономический эффект:

Эг = Д - ПЗ,

где Д - доход предприятия.

Доход предприятия составил 70772,3 руб.

Эг = 70772,3 - 1880 = 68892,3 руб.

Срок окупаемости:

Т = Бс / Эг

Т = 1909,8 / 68892,3 = 0,028 г.

Система автоматического управления температурным режимом в теплице с датчиком естественной температуры окупается за 0,028 года.

Список литературы

1.Гурвич Л.Ч. Статистические и динамические характеристики многопролётной блочной системы: // РИСХ. - М.: 1984.

.Попова С.А. Энергосберегающая система автоматического управления температурным режимом в теплице: Диссертация к.т.н. - ЧГАУ 1995.

.Ждан А.Б. Автореферат на соискание ученой степени к.т.н. - Ч.:1996.

.Изаков Ф.Я., Попова С.А. Энергосберегающие системы автоматического управления микроклиматом. - ЧГАУ 1998.

.Бабиков М.А., Коссинский А.В. Элементы и устройства автоматики. - М.:1975.

.Рысс А.А., Гурвич Л.И. Автоматическое управление температурным режимом в теплицах. - М.: Агропромиздат, 1986.

.Автоматические приборы, регуляторы и вычислительные устройства. Справочное пособие/ Б.Д. Кошарский. - Л.: Машиностроение, 1976.

.Беликов Ю.М. Автоматизация управления микроклиматом в тепличных комбинатах. Техника в с/х №1, 1984.

.Рысс А.А. Автоматизация технологических процессов в защищенном грунте. - М.: Россельиздат, 1983.

.Гончарук Н.С., Лебл Д.О. Новые направления в автоматизации микроклимата теплиц.//Механизация и электрификация с/х. - №2, 1983.

.Голинкевич Т.А. Прикладная теория надёжности. Учебник для ВУЗов.- М.: Энергоиздат, 1989.

.Сапожников Р.А., Бессонов А.А., Шолошицкий А.Г. Надёжность автоматических управляющих систем. - М.: Высшая школа, 1964.

.Юсупов Р.Х. Методические указания к курсовой работе по курсу эксплуатация средств автоматики в с/х. - Ч.: ЧГАУ, 1996.

.Межотраслевые правила по охране труда (правила безопасности) при эксплуатации электроустановок. - М.: Энергоиздат, 1999.

Похожие работы на - Автоматическое управление температурным режимом в теплицах

 

Не нашли материал для своей работы?
Поможем написать уникальную работу
Без плагиата!
Без нейросетей!