Сущность и пути изучения радиоактивности
Сущность
и пути изучения радиоактивности
ВВЕДЕНИЕ
радиактивность ядерное излучение
Радиоактивность - это испускание ядрами
некоторых элементов различных частиц, сопровождающееся переходом ядра в другое
состояние и изменением его параметров. Явление радиоактивности было открыто
опытным путем французским ученым Анри Беккерелем в 1896 г. для солей урана.
Беккерель заметил, что соли урана засвечивают завернутую во много слоев
фотобумагу невидимым проникающим излучением.
Английский физик Э. Резерфорд
исследовал радиоактивное излучение в электрических и магнитных полях и открыл
три составляющие этого излучения, которые были названы α,
-,
-излучением.
α-Распад представляет собой
излучение α-частиц
(ядер гелия) высоких энергий. При этом масса ядра уменьшается на 4 единицы, а
заряд - на 2 единицы.
-Распад - излучение электронов,
заряд которых возрастает на единицу, массовое число не изменяется.
-Излучение представляет собой
испускание возбужденным ядром квантов света высокой частоты. Параметры ядра при
у-излучении не меняются, ядро лишь переходит в состояние с меньшей энергией.
Распавшееся ядро тоже радиоактивно, т. е. происходит цепочка последовательных
радиоактивных превращений. Процесс распада всех радиоактивных элементов идет до
свинца. Свинец - конечный продукт распада.
Приборы, применяемые для регистрации
ядерных излучений, называются детекторами ядерных излучений. Наиболее широкое
применение получили детекторы, обнаруживающие ядерные излучения по производимой
ими ионизации и возбуждению атомов вещества: газоразрядный счетчик Гейгера,
камера Вильсона, пузырьковая камера. Существует также метод фотоэмульсий,
основанный на способности пролетающей частицы создавать в фотоэмульсии скрытое
изображение. След пролетевшей частицы виден на фотографии после проявления.
Радиоактивные излучения оказывают
сильное биологическое действие на ткани живого организма, заключающееся в
ионизации атомов и молекул среды. Возбужденные атомы и ионы обладают сильной
химической активностью, поэтому в клетках организма появляются новые химические
соединения, чуждые здоровому организму. Под действием ионизирующей радиации
разрушаются сложные молекулы и элементы клеточных структур. В человеческом
организме нарушается процесс кроветворения, приводящий к дисбалансу белых и
красных кровяных телец. Человек заболевает белокровием, или так называемой
лучевой болезнью. Большие дозы облучения приводят к смерти.
1. ТЕРМИНОЛОГИЯ: РАДИОАКТИВНЫЕ
ИСТОЧНИКИ ИЗЛУЧЕНИЙ
Источник ионизирующего излучения -
объект, содержащий радиоактивный материал илитехническое устройство,
испускающее или способное в определенных условиях испускатьионизирующее
излучение.
Радионуклидный источник
ионизирующего излучения - источник ионизирующего излучения,содержащий
радиоактивный материал.
Источник - все, что может вызывать
облучение при испускании ионизирующего излучения иливыбросе радиоактивных
веществ или материалов, и могут рассматриваться как единый источник вцелях
радиационной защиты и безопасности. Например, вещества, выделяющие радон,
являютсяисточниками, существующими в окружающей среде, гамма-облучающая
установка для лучевойстерилизации является источником, используемым в
практической деятельности для сохраненияпищевых продуктов, рентгеновская
установка может быть источником, используемым в практическойдеятельности в
целях радиодиагностики, а атомная электростанция является источником
впрактической деятельности при производстве электроэнергии с использованием
ядерного деления; - всеони могут рассматриваться в качестве источников (т.е., в
плане сбросов в окружающую среду) или вкачестве группы источников (в целях
профессиональной радиационной защиты). В общем смыслетермин источник (и
особенно, закрытый источник) подразумевает радиоактивный источник
небольшойинтенсивности, который может использоваться в медицинских целях или в
промышленных приборах.
Естественный источник: Возникший
естественным путем источник ионизирующего излучения, такойкак солнце и звезды
(источники космического излучения), скалы и почва (наземные
источникиионизирующего излучения).
Закрытый источник: Радиоактивное
вещество, которое (a) постоянно находится в герметичнойкапсуле, или (б) жестко
связано и находится в твердом состоянии.
Открытый источник - любой источник,
который не подходит под определение закрытого источника.
Источник выброса - выражение для
обозначения информации о реальном или потенциальном выбросерадиоактивного
материала из данного источника, обычно в случае аварии. Это может
включатьинформацию о присутствующих радионуклидах, составе, количестве,
мощности и способе выбросаматериала.
Внешнее излучение источника - поток
ионизирующих частиц, выходящих из радионуклидногоисточника излучения через его
рабочую поверхность.
Открытый источник - радиоактивный
источник излучения, при использовании котороговозможно поступление содержащихся
в нем радиоактивных веществ в окружающую среду.
Техногенный источник - источник
ионизирующего излучения, специально созданный для егополезного применения или
являющийся побочным продуктом этой деятельности.
Природный источник - источник
природного происхождения, на который распространяетсядействие НРБ и ОСПОРБ.
Образцовый источник - радиоактивный
источник излучения, служащий для проверки по немудругих источников и (или)
приборов для измерения ионизирующих излучений и утвержденный(аттестованный) в
качестве образцового в установленном порядке.
Контрольный источник - радиоактивный
источник излучения, служащий для проверкиработоспособности и стабильности
приборов для измерения ионизирующих излучений.
Промышленный источник - для
облучательных установок, лучевой терапии, промышленнойдефектоскопии,
стерилизации, дезинфицирования продуктов, обеззараживания отходов.
Точечный источник - радиоактивный
источник излучения с линейными размерами,пренебрежимо малыми по сравнению с
расстоянием между источником и детектором и длинойсвободного пробега частиц в
материале источника (пренебрежимо малыми самопоглощением исаморассеянием
излучения).
α - Распад в радиоактивном
источнике - вылет α
- частицы
из ядра, при котором атомныйномер Z уменьшается на две единицы, массовое число
А - на четыре единицы.
β - (минус) - Распад в
радиоактивном источнике - вылет из ядра электрона и антинейтрино,при котором
атомный номер увеличивается на одну единицу, а массовое число не изменяется
(нейтронвнутри ядра переходит в протон).
β-(плюс) - Распад в
радиоактивном источнике - вылет из ядра позитрона и нейтрино, прикотором
атомный номер уменьшается на одну единицу, а массовое число не изменяется
(протон внутриядра переходит в нейтрон).
Электронный захват в радиоактивном
источнике - захват ядром орбитального электронаатома (обычно с К оболочки) с
испусканием нейтрино, при котором атомный номер уменьшается наодну единицу, а
массовое число не изменяется (протон внутри ядра превращается в нейтрон).
Изомерный переход в радиоактивном
источнике - переход ядра из возбужденного состоянияв основное путем испускания
фотона γ-
излучения,
при котором не изменяются ни атомный номер, нимассовое число. Изомерный переход
является одним из видов радиоактивного распада.Примечание. Ядра с одинаковыми
атомными номерами и массовыми числами, но находящиесяв разных энергетических
состояниях, называются ядерными изомерами.
. ХАРАКТЕРИСТИКИ ИСТОЧНИКА
Любой источник излучения
характеризуется:
. Видом излучения - основное
внимание уделяется наиболее часто встречающимся на практикеисточникам γ-излучения,
нейтронов, β-,
β+-, α-частиц.
. Геометрией источника (формой и
размерами) - геометрически источники могут быть точечными ипротяженными.
Протяженные источники представляют суперпозицию точечных источников и могутбыть
линейными, поверхностными или объемными с ограниченными, полубесконечными
илибесконечными размерами. Физически точечным можно считать такой источник, максимальные
размерыкоторого много меньше расстояния до точки детектирования и длины
свободного пробега в материалеисточника (ослаблением излучения в источнике
можно пренебречь). Поверхностные источники имеюттолщину много меньшую, чем
расстояние до точки детектирования и длина свободного пробега вматериале
источника. В объемном источнике излучатели распределены в трехмерной
областипространства.
. Мощностью и ее распределением по
источнику - источники излучения наиболее частораспределяются по протяженному
излучателю равномерно, экспоненциально, линейно или покосинусоидальному закону.
. Энергетическим составом -
энергетический спектр источников может быть моноэнергетическим(испускаются
частицы одной фиксированной энергии), дискретным (испускаются
моноэнергетическиечастицы нескольких энергий) или непрерывным (испускаются
частицы разных энергий в пределахнекоторого энергетического диапазона).
. Угловым распределением излучения -
среди многообразия угловых распределений излученийисточников для решения
большинства практических задач достаточно рассматривать следующие:изотропное,
косинусоидальное, мононаправленное. Иногда встречаются угловые
распределения,которые можно записать в виде комбинаций изотропных и
косинусоидальных угловых распределенийизлучений. (На практике источники
встречаются в неограниченном многообразии указанныххарактеристик.)
. ЕСТЕСТВЕННЫЕ ИСТОЧНИКИ РАДИАЦИИ
Космические лучи в основном приходят
к нам из глубин Вселенной. Некоторая их часть рождается наСолнце во время
солнечных вспышек. Космические лучи могут достигать поверхности Земли
иливзаимодействовать с ее атмосферой, порождая вторичное излучение и приводя к
образованиюрадиоактивных ядер. Уровень облучения растет с высотой, поскольку
уменьшается экранирующий слойвоздуха. Наиболее интенсивному облучению
подвергаются экипажи и пассажиры самолетов (до40 мкЗв в час), хотя само
облучение относительно кратковременно.
На протяжении более чем 4,5 млрд.
лет, что соответствует современным оценкам возрастасолнечной системы, ее
эволюция от пылегазовой туманности до белковых структур прочно связана
скосмосом как источником излучения. Поэтому крайне важным является осознание
того, что радиация- один из многих естественных факторов окружающей среды.
Земная радиация. Основные
радиоактивные изотопы, встречающиеся в горных породах Земли, - этокалий-40,
рубидий-87 и члены двух радиоактивных семейств, берущих начало соответственно
отурана-238 и тория-232 - долгоживущих изотопов, входивших в состав Земли с
самого ее рождения.Значение радиоактивного изотопа калий-40 особенно велико для
обитателей почвы - микрофлоры,корней растений, почвенной фауны. Соответственно
заметно его участие во внутреннем облученииорганизма, его органов и тканей,
поскольку калий является незаменимым элементом, участвующим вряде
метаболических процессов.
Уровни земной радиации неодинаковы,
поскольку зависят от концентрации радиоактивных изотопов наконкретном участке
земной коры. В среднем дозы от земной радиации составляют от 0,3 до 0,6 мЗв
вгод. Однако, на Земле имеются области, где уровень радиации в сотни раз
превосходит средний (до 250мЗв в год в некоторых районах Бразилии,
расположенных на почвах богатых торием). Заметная частьэффективной дозы
облучения, которую человек получает от естественных источников
радиации,формируется от радиоактивных веществ, проходящих через сложную систему
так называемыхбиологических цепочек. Радионуклиды, образующиеся под действием
космического излучения,составляют незначительную (менее 20%) часть общего
поступления. Большая часть поступлениясвязана с радионуклидами ряда урана и
тория, которые содержатся в почве. Следует учитывать, что допопадания в
организм человека радиоактивные вещества проходят по сложным маршрутам
вокружающей среде.
Радон - инертный газ, попадающий в
атмосферу из почв, скальных пород и строительных материалов.
Средняя концентрация радона на
уровне земли вне помещений составляет 8 Бк/м3. Средневзвешенноесодержание
радона в помещениях в несколько раз выше, чем на открытой местности. Согласно
оценкеНКДАР, радон вместе со своими дочерними продуктами радиоактивного распада
ответствененпримерно за 75% годовой индивидуальной эффективной дозы облучения,
получаемой от земныхисточников радиации. Оценка полной среднегодовой
эффективной дозы составляет 1,2 мЗв. Накоплениерадона, поступающего в
помещения, зависит от скорости воздухообмена. Основной механизмоблучения -
поступление с вдыхаемым воздухом внутри помещений. Из-за относительно низкогоуровня
воздухообмена внутри зданий концентрация радона там выше, чем на открытом
воздухе.Терапевтический эффект лечения радоном на бальнеологических курортах
доказан на обширномконтингенте больных различного профиля. Это является
дополнительным аргументом в пользу того,что нельзя относить малые радиационные
воздействия к опасным или даже безусловно вредным.
Дополнительное воздействие природной
радиации связано с некоторыми видами деятельностичеловека:
v использование ископаемых видов топлива. Уголь
содержит незначительное количество природныхрадионуклидов, которые после его
сжигания концентрируется в зольной пыли и поступают вокружающую среду с
выбросами, несмотря на совершенствование систем очистки.
v Использование фосфатов. Добыча фосфатов, которые
используются главным образом дляпроизводства удобрений, ведется во многих
местах. Большинство разрабатываемых в настоящее времяместорождений содержит
уран. В процессе добычи и переработки выделяется радон, да и самиудобрения
содержат радионуклиды, проникающие в почву и далее в биологические цепочки.
v Использование термальных водоемов. Некоторые
страны эксплуатируют подземные ресурсы пара игорячей воды для производства
электроэнергии и теплоснабжения. При этом происходит значительноепоступление
радона в окружающую среду. Вклад этого источника радиации может возрасти,
посколькуэнергетические ресурсы этого вида весьма велики.
Полная эффективная доза, обусловленная
естественными источниками радиации составляет, в среднемпо Земле, около 2,4 мЗв
в год.
.ИСКУССТВЕННЫЕ (ТЕХНОГЕННЫЕ) ИСТОЧНИКИ РАДИАЦИИ
За последние несколько десятилетий в жизнь
человека в дополнение к природным вошли искусственные (или техногенные)
источники радиации, связанные с возрастающимиспользованием ядерных технологии в
медицине, промышленности, энергетике.
Индивидуальные дозы, получаемые разными людьми
от техногенных источников, сильноразличаются, хотя, в большинстве случаев,
невелики. Основной вклад в дозу излучения оттехногенных источников вносят
медицинские процедуры и методы лечения, связанные сприменением радиации.
Медицина. Самое первое применение источники
излучения нашли в медицинскойпрактике. И сейчас это направление успешно
развивается, принося огромную пользулюдям в диагностике и лечении многих
заболеваний. В настоящее время основной вклад вдозу, получаемую человеком от
техногенных источников радиации, вносят медицинскиепроцедуры и методы лечения,
связанные с применением облучения. Действительно, согласно последним оценкам
НКДАР ООН, медицинское облучение вносит самый большой и возрастающий вклад в
антропогенное облучение. Средние уровни облучения, обусловленные медицинским
диагностическим использованием источников излучения, вразвитых странах
приблизительно эквивалентны 50% глобального среднего уровня естественного
облучения.
Индивидуальные дозы, получаемые разными
пациентами при радиационнойтерапии, сильно варьируют, превышая во много раз
среднегодовые дозы от естественныхисточников. Однако, эти уровни следует
считать приемлемыми, поскольку воздействиенаправлено на исцеление больного от заболеваний,
угрожающих его жизни. Та известно,что только в нашей стране живут около двух
миллионов человек, излеченных от ракаблагодаря радиационной терапии. Успешное
лечение многих болезней обязано своимрезультатом своевременной радиационной
диагностике. Совершенствование методологиии технических средств уже привело к
снижению радиационного воздействия придиагностике в десятки раз (при некоторых
обследованиях дозы менее 0,1 мЗв), сохраняяпри этом высокую эффективность.
Глобальные эффекты ядерных испытаний. В течении
последних 50 лет каждый из насподвергался облучению от радиоактивных осадков,
образовавшихся в ходемногочисленных (543) испытаний ядерного оружия в
атмосфере, которые былипрекращены в 1980 году. В последние годы событием,
повлекшим за собой выпадениемрадиоактивных осадков, явилась авария на
Чернобыльской атомной станции в 1986 году,хотя ее вклад в общую картину
глобальных выпадений невелик.
Ядерная энергетика и промышленность.
Преимущества, представляемые ядернымитехнологиями, предопределили их широкое
внедрение в медицину, а также вхозяйственную и техническую деятельность.
Предприятия ядерной промышленности иэнергетики размещены на территории многих
высокоразвитых стран и создают еще одинисточник техногенного облучения.
Радиоактивные выбросы атомных станций ипредприятий ядерной промышленности
регулируются крайне жесткими нормативами, ипоэтому практически не изменяют
природный фон и содержание радионуклидов вокружающей среды. Такие оценки
справедливы для нормально работающих ядерныхустановок. Конечно, радиационное
воздействие значительно повышается в аварийныхситуациях. Аварии существенно
различаются по объему радиоактивных выбросов,тяжести последствий их воздействия
и размерам территорий, подвергшихся загрязнению.
Однако, даже при всей тяжести наиболее крупной
аварии на Чернобыльской АЭС, онанесопоставима с последствиями атомной
бомбардировки городов Японии, где в течениигода после разрывов погибло 180
тысяч человек. К сожалению, именно масштабывозможных аварий, а не уровень
воздействия в условиях нормальной эксплуатации, взначительной степени
определяют негативное отношение общественности к ядернойпромышленности и
энергетике.
5. природа
радиоактивных излучений
По проникающей способности γ
-излучение
некоторых радиоактивных веществ значительно превосходит рентгеновское
излучение, используемое в медицине и технике. Но проникающая способность (или,
как говорят, жесткость) рентгеновского излучения возрастает с увеличением
напряжения, ускоряющего электроны. При торможении электронов, ускоренных
напряжением в несколько миллионов вольт, образуется рентгеновское излучение,
уже не уступающее по проникающей способности наиболее жесткому излучению.
Совпадение всех свойств γ
-излучения
и жесткого рентгеновского излучения доказывает их одинаковую природу.
Рентгеновское излучение является коротковолновым электромагнитным излучением.
Следовательно, γ -излучение
также представляет собой электромагнитные волны, отличающиеся очень малой
длиной волны и, следовательно, очень большой энергией квантов. Как и другие
электромагнитные излучения, γ -излучение
распространяется со скоростью света, равной 300 000 км/с, γ
-излучение
и рентгеновское излучение равной длины волны, кроме способа получения, ничем
друг от друга не отличаются.
Как показывают измерения, энергия квантов γ
-излучения
различна у различных радиоактивных веществ: наблюдаются γ
-кванты
с энергией от десятка килоэлектронвольт (кэВ) до нескольких мегаэлектронвольт
(МэВ); этому соответствует длина волны от 10-10 до 10-13 м.
. a- и b-частицы. Для установления природы a- и
b-частиц существенно измерить заряд и массу отдельной частицы.
Измерение заряда в принципе весьма просто. Нужно
независимо измерить заряд Q, переносимый пучком частиц за определенное время, и
сосчитать число частиц N, пролетающих за то же время.
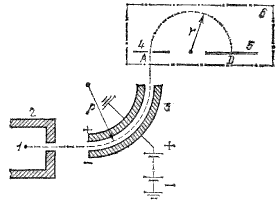
Рис. 1. Схема опыта по измерению заряда a- и
b-частиц: а) Измерение заряда, переносимого пучком частиц; б) счет числа
проходящих частиц. 1 - радиоактивный источник, 2 - диафрагма, 3 - собирающий
цилиндр, 4 - электрометр, 5 - счетчик частиц
Опыт по измерению заряда a- или b-частиц может
быть поставлен следующим образом (рис. 1, а). Радиоактивный препарат 1,
испускающий с постоянной интенсивностью a- или b-частицы, устанавливается перед
диафрагмой 2, отверстие которой вырезает узкий пучок частиц. Все частицы,
прошедшие через отверстие, улавливаются полым металлическим цилиндром 3,
присоединенным к чувствительному электрометру. По отклонению электрометра
определяют заряд, внесенный пучком внутрь цилиндра.
Далее, не изменяя положения препарата и
диафрагмы, заменяют электрометр и цилиндр счетчиком частиц 5 (рис. 1, б) и
сосчитывают число частиц, проходящих через отверстие диафрагмы за время, равное
времени измерения заряда. Для счета частиц в этом опыте могут быть применены
счетчик сцинтилляций или газоразрядный счетчик.
Опытами подобного рода было установлено, что
a-частицы несут положительный заряд, равный двум элементарным зарядам. Заряд
b-частиц оказался равным одному элементарному отрицательному заряду.
Измерение массы a- и b-частиц оказывается
задачей несколько более сложной, чем измерение массы ионов, так как скорость
этих частиц неизвестна. Для частиц с неизвестной скоростью опыт по отклонению в
магнитном поле не позволяет определить и массу и скорость, но дает лишь
некоторое соотношение между ними. Другое такое соотношение может быть получено,
если произвести дополнительный опыт по отклонению частицы в электрическом поле.
Располагая двумя соотношениями, связывающими массу и скорость частицы, нетрудно
определить каждую из этих величин в отдельности.
Опыт по одновременному определению массы и
скорости заряженных частиц может быть поставлен следующим образом (рис.2).
Пучок частиц от радиоактивного источника 1 попадает в узкий зазор между
пластинами конденсатора 3, изогнутыми по дуге окружности радиуса r. Сквозь
зазор, в котором действует электрическое поле Е, пройдут только те частицы,
масса и скорость которых таковы, что под действием этого поля их траектория
будет окружностью
Рис. 2. Схема одновременного измерения скорости
и массы заряженных частиц: 1 - радиоактивный препарат; 2 - экран со щелью; 3 -
конденсатор; 4- диафрагма со, щелью; 5 - фотопластинка; 6 - полюс магнита.
Весь прибор помещен в эвакуированный сосуд, не
указанный на рисункерадиуса r. Для этих частиц необходимое центростремительное
ускорение v2/r создает электрическая сила qE. Таким образом
Из конденсатора частицы через щель 4 попадают в
однородное магнитное поле В, линии которого перпендикулярны к плоскости
чертежа. Описав в магнитном поле полуокружность, частицы попадают на
фотопластинку 5 в точке D. После проявления место попадания частиц
обнаруживается в виде темной полоски. Измеряя расстояние AD, находят радиус
траектории частицы в магнитном поле. Этот радиус r связан со скоростью и массой
частицы соотношением.
Решая это уравнение и относительно v и m,
нетрудно получить

Масса α-частиц
оказывается равной 4 а. е. м. Массой 4 а. е. м. и зарядом +2е обладает ядро
атомагелия.
Если a-частицы представляют собой ядра гелия, то
замедлившиеся a-частицы должны присоединять к себе электроны и образовывать
атомы гелия. Такое явление наблюдал Резерфорд. Он заключил радиоактивное вещество
в стеклянную ампулу со стенками настолько тонкими, что все испускавшиеся
препаратом α-частицы выходили
наружу. Ампула была помещена в толстый сосуд большего объема. Через несколько
дней при помощи спектрального анализа было обнаружено во внешнем сосуде
присутствие гелия.
Опыт Резерфорда неопровержимо доказал, что α-частицы
являются быстродвижущимися ядрами гелия. Скорости a-частиц значительно меньше
скоростей b-частиц и лежат в пределах 10 000 -20000км/с. Кинетическая энергия
a-частиц велика: 4-10 МэВ.
В результате столкновений с атомами среды
энергия радиоактивного излучения превращается в конечном счете в тепло.
Тепловое действие радиоактивного излучения легко обнаруживается
калориметрическими опытами.
Список литературы
1. <http://profbeckman.narod.ru/rr0.htm>
2. <http://www.naexamen.ru/otvet/11/fizika/898.shtml>
3. <http://www.slavutich.kiev.ua/?module=articles&c=info&b=1&a=4>
4. <http://home.skif.net/~neldon/rabfile/likbez.htm>
5. <http://npp.kiev.ua/stati/javlenie-radioaktivnosti.html>