Автоматика, телемеханика и связь

  • Вид работы:
    Контрольная работа
  • Предмет:
    Информатика, ВТ, телекоммуникации
  • Язык:
    Русский
    ,
    Формат файла:
    MS Word
    2,48 Mb
  • Опубликовано:
    2011-05-07
Вы можете узнать стоимость помощи в написании студенческой работы.
Помощь в написании работы, которую точно примут!

Автоматика, телемеханика и связь

СОДЕРЖАНИЕ

Задача №1

Вопрос №1

Задача №2

Вопрос №2

Задача №3

Вопрос №3

Задача №4

Вопрос №4

Литература

ЗАДАЧА № 1

Исходные данные:

Участки цепи                                  Материал провода и диаметр, мм

АЛ1 - ЦТС1                                           медь 0,5

ЦТС1 - МТС1                                        медь 0,9

МТС1 - МТС2                                       сталь 5

МТС2 - ЦТС1                                        медь 1,2

ЦТС2 - АЛ2                                           медь 0,6

Для воздушной линии с расстоянием между проводами 20 см сталь с d=5 мм, километрическое затухание, Дб/км = 0,128

Для кабельной линии из меди, при диаметре провод 0,5 мм километрическое затухание, Дб/км = 1,39

При d = 0,9 - 0,6 Дб/км; при d = 0,6 - 1,09 Дб/км; при d = 1,2 - 0,4 Дб/км

Задание: Двухпроводная цепь при международном разговоре абонентов состоит из участков:

а) линий абонентов АЛ1 и АЛ2;

б) соединительных линий между центральными телефонными станциями (ЦТС1 и ЦТС2) и междугородными телефонными станциями (МТС1 и МТС2);

в) междугородной линий;

Необходимо:

1)      Определить из допустимых норм затухания, максимальную длину каждого участка при непосредственном телефонировании.

2)      На основании расчетов пояснить, от каких факторов зависит затухание цепи.

1)      Расстояние кабельной линии рассчитываем по формуле:

 , (1)

где, d - норма затухания допустимая для участка;

λ - киллометрическое затухание.

Тогда максимальная длина каждого угла

ℓ АЛ1 - ЦТС1  км

ℓ ЦТС1 - МТС1  км

ℓ МТС1 - МТС1  км

ℓ МТС2 - ЦТС1  км

ℓ ЦТС2 - АЛ2  км

2)      затухание цепи зависит:

- от материала, из которого изготовлен провод;

от длины провода;

от сечения провода (диаметра).

ВОПРОС № 1.

Кабельные линии связи. Устройство кабеля различных типов (марок). Способы прокладки кабеля.

Кабельные линии более надежно защищены от влияния атмосферных и других помех, реже подвергаются повреждениям и требуют минимальных затрат на эксплуатационное содержание и ремонт. Кабельные линии связи, применяемые на железнодорожном транспорте, (подразделяют на магистральные, предназначенные для телефонной и телеграфной связи между различными пунктами одной или разных дорог, и местные, служащие для телефонной или телеграфной связи в пределах одной железнодорожной станции или узла. В зависимости от способа прокладки кабельные линии могут быть подземными, воздушными и подводными.;

При устройстве подземных кабельных линий кабель укладывается в траншеи глубиной 0,9-1,2 м или же прокладывается кабельной канализацией, блоки которой изготавливаются из бетона или асбоцемента и имеют внутри несколько каналов.

Магистральные кабельные линии вместе с воздушными линиями образуют единую систему проводной телефонно-телеграфной связи МПС.

Кабель состоит из нескольких проводников (жил), изготовленных из меди или алюминия, изолированных друг от друга и от земли и покрытых общей защитной оболочкой - свинцовой, пластиковой или алюминиевой. Медные жилы могут иметь диаметры 0,4-0,7 мм в кабелях местных сетей и 0,8; 1,0; 1,05; 1,1; 1,2; 1,3; 1,4 мм в кабелях магистральных. Для алюминиевых жил приняты диаметры 1,15; 1,55; 1,8 мм. По расположению жил, кабели связи разделяются на симметричные и несимметричные (коаксиальные).

Коаксиальный кабель состоит из медной трубки являющейся внешним проводом, и внутреннего медного провода изолированного от трубки при помощи дисков. В коаксиальных кабелях вместо дисков часто применяют сплошное заполнение. У коаксиального кабеля отсутствует внешнее магнитное поле. Внешние поля не создают внутри кабеля токов. Поэтому линии коаксиального кабеля обладают высокой помехозащищенностью и позволяют передавать токи с частотами в несколько миллионов герц.

Симметричный кабель. Конструкция симметричного кабеля приведена на рис. Каждый кабельный проводник должен быть надежно изолирован от соседних жил и металлической оболочки кабеля. Для изолирования жил различных типов кабелей применяют кабельную бумагу (непропитанную и пропитанную), полихлорвинил, стирофлекс, полиэтилен, резину, пористую бумажную массу и т. п. Наибольшее распространение получили: для симметричных кабелей дальней связи - кордельно-бумажная, кордельно-стирофлексная, баллонная, кордельно-трубчатая и сплошная полиэтиленовая.

В симметричных кабелях применяют несколько способов скрутки изолированных проводов: парная скрутка, звездная скрутка или четверками.

Кабели имеют три различные марки, определяемые родом защитных покровов: ТЗГ -в свинцовой оболочке, предназначенный для прокладки в телефонной канализации; ТЗБ - в свинцовой оболочке, бронированный стальными лентами с защитным наружным слоем. Этот кабель предназначен для прокладки в грунте на уклонах не более 45º и при отсутствии растягивающих усилий; ТЗК - в свинцовой оболочке, бронированный круглыми стальными оцинкованными проволоками с защитным наружным слоем. Он предназначен для прокладки через судоходные реки и водоемы, а также в грунт при уклонах более 40º и растягивающих усилиях.

Для монтажа телефонных станций применяют кабели марки ТСВ (телефонной, станционный с виниловой оболочкой). При строительстве обособленных внутристанционных кабелей сетей стрелочной связи, маневрового диспетчера и т.п. применяют однопарные кабели марки ПРППМ или ПРВПМ, жилы в этих кабелях медные диаметром 0,8 и 1,2 мм. Изоляция жил выполнена из полиэтилена. Обе изолированные жилы уложены параллельно и заключены в общий шланг- полиэтиленовый у кабеля ПРППМ и полихлорвиниловый у кабеля ПРВПМ.

Магистральный кабель. На железных дорогах с электротягой на переменном токе применяют специальные магистральные кабели связи. К этим кабелям предъявляются главные требования: во-первых, они должны обеспечивать необходимое количество всех видов каналов автоматики, телемеханики и связи с учетом перспективных потребностей управления сложным железнодорожным хозяйством; во-вторых, должны создать надежную защиту кабельных цепей от электромагнитных влияний тяговой сети. Сердечник этого кабеля содержит 14 четверок с диаметром медных жил 1,2 мм с кордельно-бумажной изоляцией и пять сигнальных жил диаметром 0,9 мм с бумажной изоляцией. В поясную изоляцию кабеля введен слой металлизированной бумаги, Поверх алюминиевой оболочки, имеющей толщину стенки 1,8 мм, наложен слой битума, лента пропитанной кабельной бумаги и две полихлорвиниловые ленты, предназначенные для защиты алюминиевой оболочки от почвенной и электрической коррозии. Поверх полихлорвиниловых лент последовательно наложены: лента кабельной бумаги, слой битума, слой кабельной пряжи, еще слой битума, две броневые ленты из низкоуглеродистой стали и три слоя кабельной бумаги. Затем на кабель наложен сплошной полихлорвиниловый шланг, две ленты кабельной бумаги, слой битума и наружный покров из кабельной пряжи.

ЗАДАЧА № 2

Исходные данные:

Номер вызываемого абонента - 582.

Задание: Автоматическая телефонная станция декадно-шаговой системы построена по схеме ПИ - I ГИ - ЛИ.

Необходимо:

. Пояснить назначение и работу каждого искателя во время установления соединения.

. Начертить структурную схему, показав в развернутом виде поле каждого искателя.


ПИ - предварительный искатель имеет 10 выходов (контактов) во всех ПИ1 -

ПИ - 100 и образуют выходы к десяти общих ЛИ.

ГИ - групповой искатель - получая импульсы первой цифры номера, выбирает свободный выход к требуемой сотне линий. Эти искатели так же являются приборами коллективного пользования.

ЛИ - линейный искатель - в контактное поле этих искателей включены линии вызываемых абонентов.

При вызове абонентом станции его ПИ свободным движением находит свободный ГИ, из схемы которого абонент получает сигнал - ответ станции. Импульс первого знака номера транслируется абонентским реле А в электромагнит подъема ГИ. Щетки ГИ вынужденным движением останавливаются у требуемой декады. В промежуток времени между набором первой и второй цифр номера (в межсерийное время) происходит свободное вращательное движение щеток для выбора ЛИ. Импульсы второго и третьего знаков номера поступают в прибор ЛИ. ЛИ вынужденным подъемным вращательным движениями останавливает щетки у линии вызываемого абонента. Для увеличения емкости станции до 10000 номеров на станции монтируют еще одну ступень группового искания, которая выбирает тысячную группу абонентских линий.

телефонный линия кабельный аппарат


ВОПРОС № 2

В соответствии с системой электропитания существуют телефонные аппараты (и станции) систем местной МБ и центральной ЦБ батарей. В аппаратах системы МБ микрофоны питаются от местной батареи. При этом у каждого абонента устанавливается источник питания - местная батарея напряжением 4-6 в. Микрофоны аппаратов ЦБ получают питание от центральной батареи, находящейся на телефонной станции. Каждый телефонный аппарат имеет: разговорные приборы - микрофон, телефон, трансформатор; вызывные устройства - звонок, индуктор (только в аппаратах системы МБ), номеронабиратель (в аппаратах, предназначенных для включения в АТС), рычажный переключатель, служащий для включения и выключения разговорных приборов. В телефонных аппаратах системы МБ для посылки вызова служит индуктор, представляющий собой генератор переменного тока небольшой мощности (около 1,8 вт). Для приема вызывного тока частотой 15-20 гц служит поляризованный звонок, работающий от тока 1,8-2,6 ма.

В современных телефонных аппаратах применяются противоместные схемы мостового и компенсационного типов. В компенсационной схеме аппарата системы ЦБ (рис. 1) исходящий разговорный ток, генерируемый микрофоном М, разветвляется в точке а и проходит по двум параллельным цепям: линейной - I АТР, Л1, аппарат другого абонента, Л2, точка b; местной - Rк, П АТр, С, точка в, М. Исходящий разговорный ток, проходя по обмоткам / и // автотрансформатора, создает переменный магнитный поток, пронизывающий витки компенсационной обмотки /// АТр. Обмотка /// АТр имеет направление витков, противоположное обмоткам / АТр и // АТр.

Э. д. с. в, возникающая в обмотке III АТр, равна по величине, но обратна по фазе падению напряжения U=iRк в компенсационном сопротивлении Rк. При этом условии в точках а и б разность потенциалов будет равна нулю, в телефоне тока не будет и исходящий разговор в нем не воспроизведется. При приеме речи входящий с линии разговорный ток будет проходить через / АТр, а затем разветвляется по трем направлениям: через микрофон М, телефон Т и обмотку /// АТр, через сопротивление Rк; далее два последних тока проходят через // АТр и С.

Разработан телефонный аппарат, так называемый «Автонабор-24» (рис. 2). На аппарате установлены 24 кнопки, каждая из которых управляет устройствами, в которых закодирован номер, имеющий до семи знаков. Коди-. руют номера тех абонентов, которых вызывают наиболее часто. Для вызова, не снимая трубку, нажимают кнопку нужного абонента. «Автонабор» ждет ответа станции, получив который автоматически набирает закодированный нажатой кнопкой многоцифровой номер. После набора номера слышен звуковой контроль посылки вызова, а затем голос отвечающего абонента или сигнал занятости. Вызов остальных абонентов осуществляется обычным номеронабирателем без предварительного снятия трубки, используемой только при переговорах. Набор междугородного номера производится последовательным нажатием нескольких кнопок.

Рисунок № 2.


ЗАДАЧА № 3

Исходные данные:

Промежуточные пункты Ж, З, И (табл.4)

Промежуточный пункт В (табл.6)

Задание:

В цель поездной диспетчерской связи с тональным избирательным вызовом включено 10 аппаратов промежуточных пунктов от А до К. Распорядительная станция находится в пункте А.

Необходимо:

1)      Нарисовать структурную схему связи

2)      Изложить правила настройки приемника тонального вызова (ПТИВа) для приема индивидуального и группового вызовов.

)        Произвести настройку приемников вызова всех промежуточных пунктов, предусмотрев групповой вызов трех пунктов.

)        Пояснить работу датчика и приемника тонального избирательного вызова.

Рис.3.1


НП - ножная педаль

ДИВ - датчик избирательного вызова

КП - кнопочный пульт

РП - рычажный переключатель

ПИВ - приемник избирательного вызова

ДКВ - датчик контроля вызова

ГК - групповой канал

) Импульсы тонального избирательного вызова на промежуточном пункте принимаются приемником тонального избирательного вызова, который рассчитан на прием индивидуальной и групповой вызывных комбинаций. Колебательные контуры КК1, КК2 и КК3 настроены на одну из семи вызываемых частот. Так в ПТИВ который включен в группу 3, колебательные контуры настроены на комбинации 6 ,3 ( КК1 настроен на вызывную частоту 3 , а КК2 - на частоту 2). Если же в линию посылается групповая вызывная комбинация 2-1, то одновременно срабатывают все приемники группы (КК2 - на вторую частоту индивидуального и группового вызовов, а КК3 - на, третью частоту группового вызова.

)Произвести настройку приемника вызова всех промежуточных пунктов, предусмотрев групповой вызов Ж, З, И.

Таблица 3.1

Наименование промежуточн. пунктов

Номера вызывных частот

Вызывная частота, на которую настроен колебательный контур

 


Настройка ПТВа промеж. пункта

Индивд. вызывная комбинация

Групповая вызывная комбинация


 





КК1

КК2

КК3

 

Б В Г Д

1-34 1-23 234 534

1-4 1-3 2-4 5-4

34 2-3 34 34

316 316 430 1080

795 585 795 795

585 430 585 585

 

Е Ж З И К

634 321 521 423 623

6-4 3-1 5-1 4-3 6-3

34 21 21 2-3 2-3

1470 585 1080 795 1470

795 316 316 585 585

585 430 430 430 430


ВОПРОС № 3

Постанционная связь с тональным избирательным вызовом. Аппаратура для ее организации. Порядок установления соединения между двумя промежуточными пунктами, включенными в цепь.

 Цепи постанционной связи представляют собой составную часть сети дорожной телефонной связи и обеспечивают выход каналов к каждому раздельному пункту. По концам участка цепь постанционной связи включается в коммутаторы междугородной или местной связи. Кроме того, цепи постанционной связи могут быть включены через релейные комплекты КР в телефонные коммутаторы или АТС промежуточных станций. В одну цепь постанционной связи включается не более 15 аппаратов, которые устанавливаются у дежурных по станциям и в помещениях технических и товарных контор, билетных касс, пассажирских остановочных пунктов, телеграфа и дорожных мастеров, если у них нет аппаратов линейно-путевой связи.


На рис. - 3,2 показана блок-схема постанционной связи с селекторным вызовом. Рассмотрим кратко работу схемы. Абонент промежуточного пункта, например линии 1, для вызова распорядительной станции должен нажать вызывную кнопку, имеющуюся на телефонном аппарате ТА типа ТПС-52.

При этом замкнется цепь питания реле приемника ПВ1 распорядительной станции от батареи БЦВ1. При срабатывании реле ПВ1 включит лампу ВЛ1 на коммутаторе и подключит питание к генератору контроля вызова ГК.В1, который подает в линию ток тональной частоты, воздействующий на телефон вызывающего абонента. Телефонистка должна опросить линейного абонента и по его просьбе или соединить с абонентом узла или же послать избирательный вызов на требуемый промежуточный пункт. Вызываемый абонент должен снять микротелефон и ответить. Телефонистка вынимает штепсель из гнезда коммутатора.

В качестве распорядительной станции применяется аппаратура типов ПС-1,ПС-1М, ПС-2М, ПС-257, ПС-457, ПС-59. В комплекте аппаратуры станции типа ПС-59 входят распорядительное устройство РТПС-59, кнопочное вызывное устройство. РУ-ПС-59 имеет приборы посылки в линии селекторного вызова, приборы приема вызова с линии и др. На промежуточных пунктах установлены вводные щитки, селекторные ящики и телефонные аппараты типа ТПС-52, имеющие вызывные кнопки.

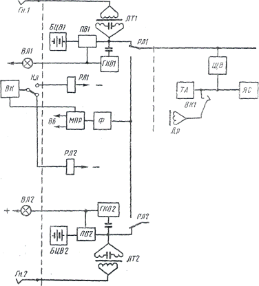
Блок-схема постанционной связи с тональным вызовом представлена на рис.3.3.

В- состав распорядительной станции типа ПСТ-2-60 входит стойка ПСТ-2-60 и вызывной кнопочный пульт телефонистки типа ПК-61. Один комплект рассчитан на включение двух цепей постанционной связи. Аппаратура промежуточного пункта типа ППТ-66 отличается от аналогичной аппаратуры диспетчерской связи наличием, блока генератора и вызывной кнопки в телефонном аппарате типа ТА-П-66.

На распорядительной станции имеются приборы, датчик тонального избирательного вызова ДТИВ, генератор контроля вызова, два приемника тонального вызова ПТВ1 и ПТВ2 и два линейных трансформатора ЛТ1 и ЛТ2. Для посылки вызова рядом с коммутатором устанавливается кнопочный пульт К. Линейный абонент вызывает телефонную станцию нажатием вызывной кнопки ВК, в линию будет послан тональный сигнал частотой 1600 гц через усилитель передачи. Этот сигнал будет принят приемником ПТВ1, который через релейную схему (на рисунке не показана) зажжет вызывную лампу ВЛ1 коммутатора. На промежуточном пункте будет слышен сигнал контроля вызова.

Посылка в линию тонального избирательного вызова осуществляется посредством ДТИВ при нажатии одной из кнопок пульта К. Датчик ДТИВ подключается к линии 1 или 2 автоматически при вставлении штепселя шнуровой пары в гнезда ГН1 или ГН2 коммутатора. При посылке вызова вызывные сигналы поступают в линию 1 или 2 через замкнутые контакты 1-3 реле ИВ1 (ИВ2). В телефон телефонистки через резисторы R1 (R2) ответвляется часть вызывного тока для контроля.

Линейно-путевая связь (ЛПС) организуется в пределах дистанций пути по принципу постанционной связи. Распорядительную установку монтируют на станциях, где находится контора дистанции пути, и включают ее в коммутатор местной или междугородной связи. В цепь линейно-путевой связи может быть включено не более 20 промежуточных пунктов. Аппараты ЛПС устанавливаются у начальника дистанции пути, дорожных и мостовых мастеров, бригадиров пути, в путевых казармах, у путевых обходчиков, участки которых требуют особого наблюдения, у дежурных по переездам. Кроме того, аппараты ЛПС могут быть установлены у дежурных по раздельным пунктам в тех случаях, когда по местным условиям требуется их постоянная связь с работниками дистанции пути.

Задача № 4.

Исходные данные:

Количество каналов на участке ДУ - 1 - ОУ 2 - 10

Количество каналов на участке ОУ - 2 - ОУ 3 - 12

Задание:

Проектируемый участок расположен между дорожным узлом ДУ - 1 и отделенческим узлом ОУ - 3, между ними расположен пункт ОУ - 2, от которого имеется ответвление участка магистрали к ОУ - 4.

Необходимо:

. Составить структурную схему организации телеграммной связи на ДУ - 1- ОУ 3 и ОУ - 2 - ОУ 4.

. Для каждого участка выбрать, исходя из заданного числа телеграфных каналов, тип аппаратуры тонального телеграфирования и дать ему краткую характеристику.

. Для выбранного типа аппаратуры определить основные параметры телеграфного канала: полосу пропускаемых частот ∆ F1, Гц; максимально допустимую скорость модуляции В тах, Бод; девиацию частоты ∆ f, Гц; индекс частотной модуляции т1.

. Структурная схема участка.

ДУ 10 ОУ-2 12 ОУ-3                  

 21

                                                                                             ОУ-4

Рис. 4.1 Структурная схема участка

. Для участка ДУ -1- ОУ 2 выбрали аппаратуру тонального телеграфирования с частотной модуляцией ТТ - 48 П3 предназначена для организации в спектре 3 - 3,4 к Гц 17 низкоростных каналов, работающих со скоростью модуляции Втах = ∆ F= 50 Бод, девиация частоты ∆ f = 60 Гц.

. Для участка ОУ - 2 - ОУ 4 выбрали многоканальную аппаратуру тонального телеграфирования ТТ - 48 позволяет организовать в одном канале 24 телеграфных канала с допустимой скоростью модуляции 25 Бод и девиации частоты ∆ f = 30 Гц, либо 12 каналов с допустимой скоростью 100 Бод и девиацией частоты ∆ f = 60 Гц, либо шесть каналов с допустимой скоростью модуляции 200 Бод и и девиацией частоты ∆ f = 120 Гц.

Для аппаратуры ТТ - 48 ПЗ

- полоса пропускаемых частот Втах = ∆ F= 100 Бод,

девиация частоты ∆ f = 60 Гц, тогда

индекс частотной модуляции

,

Для аппаратуры ТТ - 48 ПЗ

полоса пропускаемых частот Втах = ∆ F= 50 Бод,

- девиация частоты ∆ f = 30 Гц, тогда

- индекс частотной модуляции

,

Вопрос № 4

Организация оргсвязи для передачи данных в вычислительные центры.

Система передачи данных предназначена для автоматизированной передачи исходной информации с низовых подразделений в ВЦ и результатов расчетов обратно. Система передачи данных (рис.4.1) построена по радиальному принципу, при котором соединение ВЦ с низовыми подразделениями осуществляется через коммутационные устройства, устанавливаемые в НОДе. Низовые подразделения по объему зарождаемой информации делятся на линейные подразделения ЛП и хозяйственные единицы ХЕ.


Аппаратура ХЕ обеспечивает передачу цифровой и прием алфавитно-цифровой информации. Аппаратура ЛП обеспечивает только передачу цифровой информации в ВЦ. Большое число разнотипных задач, решаемых ВЦ, требует передачу информации по отдельным видам работ - макетам (блокам). В ВЦ информация принимается на 80-колонные перфокарты или непосредственно из канала вводится в ЭЦВМ, а в ХЕ на рулонный телеграфный аппарат Т-63 с числом знаков в строке 69, поэтому длина макетов не превышает 80 знаков при передаче в ВЦ и 69 в обратном направлении.

Заготовка информации в ЛП, ХЕ и НОДе производится на ленточном перфораторе с контрольником. Перфоратор-контрольник работает в двух режимах. При положении тумблера в режиме перфоратора он перфорирует ленту. Затем эта лента вставляется в трансмиттерную приставку, а тумблер переводится в положение контрольника и вновь набивается перфолента. При вторичной заготовке перфоленты на ней пробиваются отверстия только в том случае, если при нажатии клавиши будет совпадение набранной комбинации с набитой на первой ленте. При несовпадении клавиша блокируется, оператор визуально обнаруживает, где была ошибка при заготовке первой перфоленты или второй, и нажимает кнопку сброса блокировки, а затем набивает на второй ленте правильный знак.

Система передачи данных работает со скоростью 50 бод и обеспечивает достоверность передачи информации.

Программное устройство, входящее в состав КУ, обеспечивает заданную очередность соединения каналов низовой связи (НОД - ХЕ или ЛП) с соединительными каналами НОД-ВЦ, а программное устройство ТУ-ТС-НОДа - заданную очередность вызова промежуточных пунктов группового канала.

Вызов станций на съем информации или передачу обработанной из ВЦ информации осуществляется числовым 14-импульсным кодом, разделенным интервалами на три группы, в каждой группе четное число импульсов. Интервал по длительности равен трем паузам и двум импульсам. Длительность импульса равна длительности паузы и составляет 60 мсек.

При вызове промежуточных станций групповых каналов происходит запуск мотора трансмиттера. Приемник вызова оконечной станции настроен на 1все 10 станций (кодов), и при вызове одной из станций передатчик на оконечной станции выключается, а на вызванной включается.

Обработанная информация, предназначенная для ХЕ, выдается из ЭЦВМ на перфоленту, на которой указывается адрес ХЕ. Перед передачей информации из ВЦ посылается сигнал (адрес) кодовой коммутации, по которому осуществляется соединение канала ВЦ - НОД с соответствующим каналом НОД - ХЕ. Одновременно в ХЕ передается сигнал на включение рулонного телеграфного аппарата Т-63. После включения мотора и набора скорости из ХЕ передается в БД сигнал включения трансмиттера'. При обнаружении ошибки производится пометка против строки, а в ВЦ передается сигнал остановки трансмиттера и реверса ленты до начала макета, переданного с ошибкой.

Для передачи буквенной информации, знаков препинания используется первый и второй регистры. Цифры, находящиеся во втором регистре, не используются при передаче данных. Чтобы передать цифровую информацию, используют третий регистр, в котором из первых 26 комбинаций для передачи выбраны те, которые имеют нечетное число единиц (токовых посылок). Из 12 выбранных комбинаций 10 используются для цифр, а оставшиеся две (10000 и 00001) для формирования дополнительных служебных знаков.

Литература

1. Волков В. М. ; Кудряшов В. А. Проводная связь на железнодорожном транспорте. М.: Транспорт, 1986

. Устинский А. А. и др. Автоматика, телемеханика и связь на железнодорожном транспорте. М.: Транспорт, 1985

Похожие работы на - Автоматика, телемеханика и связь

 

Не нашли материал для своей работы?
Поможем написать уникальную работу
Без плагиата!
Без нейросетей!