|
Входное
напряжение, В
|
Выходной ток
НЭ, А
|
|
|
|
Запишем полином четвертой степени:
Для определения коэффициентов а0, а1,
а2, а3, а4 необходимо
разрешить систему из пяти уравнений вида:
Решим эту систему:

Система уравнений решена.
Рассчитаем ВАХ в соответствии с техническим заданием.
Построим ВАХ.
Вольт-амперная характеристика амплитудного базового
модулятора на НЭ.
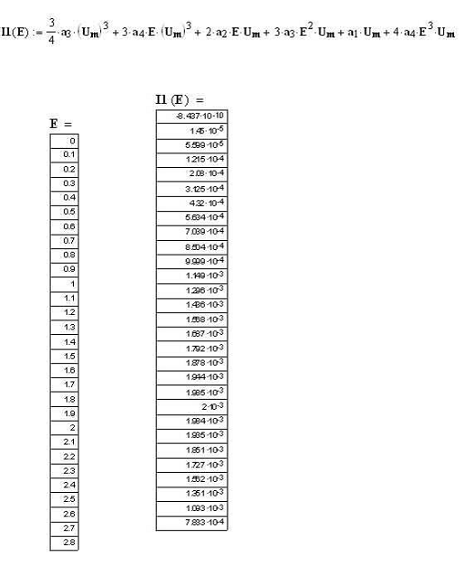
1.1 Для заданного в таблице 1 значения амплитуды Um несущего высокочастотного
напряжения на базе транзистора рассчитать и построить статическую модуляционную
характеристику (СМХ) - зависимость амплитуды первой гармоники выходного тока от
напряжения смещения на базе транзистора с шагом напряжения 0.1 В.
Выполнение.
Для построения СМХ следует в выражение:
необходимо подставить напряжение:
и привести это выражение к виду:
,
где I0 - постоянная составляющая тока, I1, I2, I3,
I4 - амплитуды 1,2,3,4 гармоник несущей частоты fн. Функция I1 (E) и есть искомая СМХ.
Построим СМХ.
Статическая модуляционная характеристика
Выбрать рабочую точку в середине прямолинейного участка СМХ.
Рассчитать и построить зависимости коэффициента нелинейных искажений Кни
огибающей тока первой гармоники и глубины модуляции М1 первой
гармоники выходного тока от амплитуды гармонического модулирующего сообщения Uнч для 5-8 значений Uнч, входящих за пределы
линейного участка СМХ; при расчетах использовать полученное выше (п.1.2)
аналитическое выражение для СМХ. Объединить построенные графики в зависимость Кни
(М1); максимальное значение М1 должно быть
не менее 99%.
Выполнение.
Определим на графике СМХ участок, наиболее близкий к
прямолинейному:
,
где Е0 - рабочая точка.
Произведем замену в выражении для I1 (E) (из
п.1.2):
,
где F - частота модулирующего гармонического сообщения, Uнч - его амплитуда.
Аналитически преобразуем это выражение к виду:
,
где:
· I1 (t) - огибающая тока первой
гармоники
· I1H - амплитуда тока несущей
частоты в отсутствии модуляции
· I1F - амплитуда полезной
составляющей спектра огибающей
· I2F и I3F - высшие гармоники
модулирующей частоты в спектре огибающей, характеризующие нелинейные искажения
огибающей, возникающие в процессе модуляции.
Рассчитаем зависимость коэффициента нелинейных искажений Кни
огибающей:
Рассчитаем зависимость глубины модуляции М1 тока
первой гармоники от Uнч:
Рассчитаем зависимость Кни
(М1):
Построим рассчитанные зависимости.
Коэффициент нелинейных искажений огибающей тока первой
гармоники
Глубина модуляции первой гармоники выходного тока
Зависимость Кни (М1)
Рассчитать и построить спектр модулирующего периодического
сообщения x (t). Форма которого и параметры Т и τ заданы в таблице 2. при построении спектра нормировать его
относительно параметра А (т. е полагать параметр А=1). Сообщение на
интервале (-τ/2,τ/2) задается уравнением:
Определить эффективную ширину спектра по энергетическому
критерию:
,
где Ех - энергия сообщения x (t) на интервале (-τ/2,τ/2), Егэфф
- энергия сосредоточенная в эффективной полосе частот (без учета энергии
постоянной составляющей). Рассчитать добротность колебательного контура
модулятора, исходя из условия, что глубина модуляции выходного напряжения Мu составляет на крайних
боковых частота спектра АМ-сигнала 0.707М1.
Выполнение:
Запишем функцию модулирующего сообщения из таблицы 2:
Спектром периодической функции называется совокупность
коэффициентов разложения ее в ряд Фурье. Запишем тригонометрический ряд Фурье в
виде:
,
где:
коэффициенты aк и bк найдем по формулам:
Входящие в вышенаписанные формулы неизвестные найдем по следующим
формулам:
Косинус - четная функция, следовательно, все коэффициенты bк=0.
Теперь рассчитаем искомый спектр для 26 гармоник.
Амплитудный спектр модулирующего периодического сообщения x (t)
Определим эффективную ширину спектра Fэфф по энергетическому
критерию:
,
где Ех - энергия x (t) на интервале (-τ/2,τ/2),
без учета энергии постоянной составляющей.
Определим функцию EF (N) - зависимость энергии,
сосредоточенной на некоторой полосе частот F=N/T (без учета энергии
постоянной составляющей) от числа гармоник N, учитываемых в спектре:
Эффективная ширина спектра Fэфф равная значению аргумента N, деленному на Т, при котором:
Найдем N:
то есть:

Добротность Q колебательного контура модулятора определяется
из условия, что глубина модуляции выходного напряжения Mu составляет на крайних
боковых частотах спектра АМ сигнала 0.707М1. Параметры Mu и М1
связаны соотношением:
откуда следует:
,
что равно:
Рассчитать и построить амплитудный спектр и временную
диаграмму напряжения на выходе модулятора, если модуляции производится
периодическим сообщением x (t) из п.1.4 При расчетах амплитуду сообщения А
выбрать по первому графику п.1.3 из условия, что Кни = 5%; в
дальнейшем СМХ в полученном интервале считать линейной; эквивалентное
сопротивление колебательного контура при резонансе Rэ = 1000 Ом.
Рассчитать значение индуктивности Lк и емкости Cк колебательного контура,
используя заданное в таблице 2 значение частоты несущего сигнала fн.
Выполнение.
Определим амплитуду сообщения А:
, откуда А=0.7
Построим временную диаграмму напряжения на выходе модулятора:
,
где kСМХ - крутизна (значение первой производной)
СМХ в рабочей точке, а сообщение x (t) представлено в виде тригонометрического ряда Фурье.
СМХ:
Сообщение x (t), записанное в виде ряда Фурье:
Построим спектр:
Временная диаграмма напряжения на выходе модулятора
Амплитудный спектр напряжения на выходе модулятора
Рассчитаем значение индуктивности Lк и емкости Ск:
,
откуда:
,
,
,
,
,
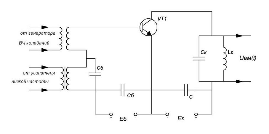
Начертить принципиальную электрическую схему модулятора.
Ниже приведена схема амплитудного базового модулятора на
биполярном транзисторе.
Принципиальная электрическая схема амплитудного базового
модулятора
3.
Задача № 2
Рассчитать частотный модулятор на основе транзисторного LC автогенератора с
колебательным контуром, содержащим варикап Д-902. Статическая
вольт-фарадная характеристика (ВФХ) варикапа Сд (u) задана полиномом
третьей степени в области отрицательных значений напряжения (размерность
емкости Сд - пФ, напряжения u - В):
Коэффициенты полинома численно равны:
Несущая частота ЧМ сигнала:

Емкость контура:
Частота гармонического модулирующего сообщения:

Рассчитать и построить ВФХ (в диапозоне напряжений от - 1 до
- 20 В) и статическую модуляционную характеристику (СМХ) частотного модулятора
- зависимость резонансной частоты контура от напряжения на варикапе (с шагом
напряжения 1 В) при начальной индуктивности контура Lкнач = 1 мГн.
Выполнение.
Рассчитаем ВФХ и СМХ:
Построим ВМХ и СМХ.
Вольт-фарадная характеристика варикапа
Статическая модуляционная характеристика
частотного модулятора
2.1 Выбрать рабочую точку в середине прямолинейного
участка СМХ, определить статическую емкость варикапа в рабочей точке,
рассчитать значение индуктивности, обеспечивающей равенство резонансной и
несущей частот; скорректировать и построить заново график СМХ. Рассчитать
амплитуду гармонического модулирующего сообщения, соответствующую девиации
частоты ЧМ сигнала fд = 144 кГц.
Выполнение.
Выберем рабочую точку и отметим ее на графике СМХ:
Определим емкость варикапа в рабочей точке:
Определим значение индуктивности, обеспечивающей равенство
резонансной и несущей частот:
, 
Рассчитаем скорректированную СМХ:
Построим скорректированную СМХ.
Скорректированный график СМХ
Рассчитаем амплитуду гармонического модулирующего сообщения,
соответствующую девиации частоты ЧМ сигнала fд = 144 кГц:
Построить временные диаграммы мгновенной частоты и изменения
мгновенной фазы ЧМ сигнала при модуляции периодическим сообщением x (t) из п.1.4 с девиацией
144 кГц.
Выполнение.
временная диаграмма мгновенной частоты строится в
предположении линейности СМХ в рабочем диапазоне. При этом:
,
где f0 - несущая частота, kСМХ - крутизна скорректированной СМХ в
рабочей точке.
Закон изменения мгновенной фазы ЧМ сигнала находится как интеграл
от мгновенной частоты:
Построим эти зависимости.
Временная диаграмма мгновенной частоты
Мгновенная фаза ЧМ сигнала
2.1 Рассчитать и построить спектр ЧМ сигнала с
амплитудой U0=1 В при модуляции гармоническим сообщением с
амплитудой, рассчитанной в п.2.2 Определить практическую ширину спектра ЧМ
сигнала и процентную долю его энергии в боковых полосах.
Выполнение.
Спектр ЧМ сигнала при модуляции гармоническим сообщением
находится из выражения:
,
где Jn - функция k-ого порядка от аргумента β:
,
Построим спектр сигнала, использую правило:
Спектр ЧМ сигнала, модулированного гармоническим сообщением
Полная мощность ЧМ сигнала равна:
,
Процентная доля мощности и энергии в боковых полосах составляет:
,

Начертить принципиальную электрическую схему частотного
модулятора.
Ниже приведена схема частотного модулятора с использованием LC генератора на биполярном
транзисторе и варикапа Д-902.
Принципиальная электрическая схема частотного модулятора
4.
Задача 3
Непрерывное сообщение a (t) представляет собой
реализацию стационарного гауссовского случайного процесса с нулевым средним и
известной функцией корреляции Ba (τ), заданной в таблице 3.
Рассчитать интервал корреляции, спектральную плотность
мощности и энергетическую ширину спектра сообщения.
Выполнение.
запишем исходные данные:


Стационарный случайный процесс a (t) во временной области
характеризуется своей корреляционной функцией Ba (τ), вид которой задан выше. Спектральная плотность мощности Ga (ω) такого процесса в соответствии с теоремой Винера-Хинчина связана
с функцией корреляции преобразованием Фурье:
что равно:
Найдем интервал корреляции:
разрешая интеграл аналогично предыдущему получим:

Найдем энергетическую ширину спектра:
,
где Gamax - максимальное значение функции Ga (ω). Найдем его:
положим ω=0 в уравнение первой производной функции Ga (ω):
Теперь можем определить энергетическую ширину спектра:
Построить в масштабе графики корреляционной функции и
спектральной плотности мощности сообщения.
Выполнение:
Корреляционная функция:
Функция спектральной плотности мощности:
Построим эти зависимости.
Корреляционная функция
Функция спектральной плотности мощности
3.1 Полагая, что сообщение подвергается фильтрации в
идеальном фильтре нижних частот с полосой пропускания, равной энергетической
ширине спектра сообщения, и дискретизации в соответствии с теоремой
Котельникова, рассчитать мощность ошибки, обусловленной усечением спектра,
интервал и частоту дискретизации.
Выполнение.
Определим частоту дискретизации в соответствии с теоремой
Котельникова:
Период дискретизации:
Мощность ошибки:

Рассчитать и построить график спектральной плотности мощности
дискретизированного сообщения.
Выполнение.
Спектры дискретных сигналов периодичны в частотной области с
периодом, равным частоте дискретизации:
где Sa (ω) равно:
Построим соответствующую зависимость.
Спектральная плотность мощности сообщения
5.
Задача 4
Прием импульсных сигналов, имеющих величину Uc, ведется методом
однократного отсчета на фоне стационарной аддитивной помехи n (t) с одномерной функцией
плотности вероятности (ФПВ) Wn (X).
Априорные вероятности передачи сигнала p (1), Uc и ФПВ помехи указаны в
таблице 3.
Рассчитать условные вероятности пропуска и ложного
обнаружения сигнала и полную вероятность ошибки в принятии решения как функция
порога решающего устройства. Рассчитанные зависимости построить в масштабе на
общем графике.
Выполнение.
Запишем исходные данные:




Рассчитаем заданные зависимости:
амплитудный модулятор нелинейный элемент
Построим их на общем графике
Графики р10 (α), р01 (α), рош (α)
4.1 Рассчитать значение оптимального порога решающего
устройства, при котором вероятность ошибочного решения минимальна и минимальное
значение вероятности ошибки.
Выполнение.
Корнем (или одним из корней) этого уравнения, приравненного к
нулю, будет искомое оптимальное значение порога αопт решающего устройства. Найдем этот корень:
Откуда следует, что минимальное значение полной вероятности
ошибки равно:
при
Список литературы
1. Молчанов
В.Н., Наумов Н.М. Методические указания по выполнению курсовой работы по
дисциплине Радиотехнические цепи и сигналы.
2. Баскаков
С.И. Радиотехнические цепи и сигналы. М.: Высшая школа, 1988г.
. Гоноровский
И.С. Радиотехнические цепи и сигналы. м.: Радио и связь, 1986г.