Системы документальной электросвязи

  • Вид работы:
    Дипломная (ВКР)
  • Предмет:
    Информатика, ВТ, телекоммуникации
  • Язык:
    Русский
    ,
    Формат файла:
    MS Word
    508,63 kb
  • Опубликовано:
    2011-06-12
Вы можете узнать стоимость помощи в написании студенческой работы.
Помощь в написании работы, которую точно примут!

Системы документальной электросвязи

Санкт-Петербургский

Государственный Университет Телекоммуникаций

имени проф. М.А. Бонч-Бруевича










Пояснительная записка к

курсовой работе

Системы документальной электросвязи


Студент: Козлов Дмитрий

Группа: СК-71

Задание № 20



Санкт-Петербург

2011 г.

Содержание

система обратная связь сигнал

Корректирующие коды

Модуляция

Классификация систем с обратной связью

1. Анализ возможности заданного циклического кода

.1 Составление поражающей матрицы и матрицы проверок

.2 Составление таблицы всех разрешенных комбинаций

.3 Определение доли необнаруженных ошибок

.  Определение эффективности для кода (10,5)

3. Определение оптимальной длинны блока циклического кода для системы РОС-НП

4. Определение максимальной скорости передачи данных по каналу связи

5. Определение эффективной скорости приема сигналов данных и оптимальной длины принимаемых блоков

.  Выбор помехоустойчивого кода

7. Программная реализация кодирования и декодирования

7.1 Кодирование

.2 Декодирование

.3 Текст программы

Литература

Корректирующие коды

Корректирующие коды, помехоустойчивые коды, коды обнаружения и исправления ошибки, коды <#"518078.files/image001.gif">


·    Канал с группирующимися ошибками:

По результатам расчета можно сделать вывод, что эффективность больше на несколько порядков в канале с независимыми ошибками.

Система с РОС и непрерывной передачей информации

В этих системах передатчик передает непрерывную последовательность кодовых комбинаций, не ожидая получения сигналов подтверждения. Приемник стирает те кодовые комбинации, в которых РУ обнаруживает ошибки, а затем посылает сигнал переспроса. Кодовые комбинации выдаются получателю по мере их поступления. При реализации такой системы возникают трудности, вызванные конечным временем передачи и распространения сигналов.

Если передатчик будет повторять кодовые комбинации с запаздыванием на h комбинаций, то порядок комбинаций, получаемых ПИ(получатель информации), будет нарушен. Этого не должно быть, поэтому в приемнике есть специальное устройство и буферный накопитель (БН) значительной емкости, не менее ih, где i - число повторений. После обнаружения ошибки приемник стирает комбинацию с ошибкой и блокируется на h комбинаций, а передатчик по сигналу переспроса повторяет h последних кодовых комбинаций. Эти системы называются системами с непрерывной передачей и блокировкой или системами С РОС-нпбл. Данные системы еще называются системами с автоматическим запросом ошибок.

3. Определение оптимальной длинны блока циклического кода для системы РОС-НП

Исходные данные:

·    Вероятность необнаруженных ошибок Рно доп = 10-6;

·    количество накопителей h = 5.

Необходимо найти такой код, который при обеспечении требуемой вероятности необнаруженных ошибок Рно доп обеспечивал бы максимальную скорость передачи R.

,

где

 - скорость кода,  - скорость алгоритма.

Расчет скоростных параметров ведется по формулам:


Вероятность необнаруженных ошибок рассчитывается для канала с группирующимися ошибками по следующей формуле:


Все расчеты сведены в таблицу 3.

Табл. 3.

n

k

dmin

Rk

Pно

Ra

R

15

11

3

0,733

8,33*10-5

0,996

0,73


7

0,433

4,24*10-6

0,996

0,465


5

7

0,333

9,27*10-7

0,996

0,333

31

26

3

0,838

5,57*10-5

0,995

0,834


21

5

0,677

1,42*10-6

0,995

0,674


16

7

0,580

3,87*10-8

0,995

0,513

63

57

3

0,904

3,7*10-5

0,993

0,898


51

5

0,810

4,71*10-7

0,993

0,804


47

7

0,746

2,57*10-8

0,993

0,741

127

120

3

0,945

2,45*10-5

0,991

0,936


113

5

0,890

1,56*10-7

0,991

0,882


108

7

0,850

4,26*10-9

0,991

0,843

255

247

3

1,62*10-5

0,988

0,957


239

5

0,937

5,15*10-8

0,988

0,926


233

7

0,913

7,03*10-10

0,988

0,903

511

502

3

0,982

1,07*10-5

0,984

0,967


493

5

0,965

1,7*10-8

0,984

0,949


486

7

0,951

1,16*10-10

0,984

0,936



По данным расчета определяется и строится график 1 для определения оптимальной длины блока. На графике 1 указаны скорости для кодов: (15,5), (31,16), (63,47), (127,108), (255,233), (511,486).

График 1

По результатам, полученным с помощью графика, можно сделать вывод, что оптимальная длина блока равна nоп =511 , а максимальная скорость.

4. Определение максимальной скорости передачи данных по каналу связи с заданными параметрами, при определенном способе модуляции и оптимальном приемнике

Исходные данные:

·    задан циклический код (10, 5);

·    Вероятность ошибки po = 10-6 (для канала с независимыми ошибками);

·    Вероятность необнаруженных ошибок p0 доп = 10-6

·    Вероятность необнаруженных ошибок p0 доп = 8,5*10-4 (для ЧМ)

·    Вероятность необнаруженных ошибок p0 доп = 7,5*10-4 (для ФМ)

·    Вероятность необнаруженных ошибок p0 доп = 10-4 (для АФМ)

·    Скорость передачи Bзад = 24000 Бод

Здесь, в качестве основного параметра характеризующего канал связи, используется вероятность ошибки p в зависимости от отношения средних мощностей сигнала и помех h, где последняя представляет собой аддитивный белый шум.

Зависимость p и h представляется в виде графика: по оси ординат в логарифмическом масштабе откладываются значения вероятности ошибки при приеме единичного элемента, а по оси абсцисс значения отношения сигнал/помеха h2 в децибелах (дБ).

 дБ

При построении такого графика для определенного вида модуляции используются формулы:


Здесь - функция Крампа, значения которой приведены в прил.2. [3].

Определим значения p при различных значениях h. Полученные расчеты сведены в таблицу 4.

Табл. 4.

h, дБ

ЧМ

ФМ

АФМ

1

0,159

0,081

0,088

2

0,023

0,0025

0,073

1,35*10-3

1,1*10-5

0,064

4

3,15*10-5

5*10-8

0,055


Из полученных расчетов построим график 2.

2

График 2

Максимальная скорость Bmax определим с помощью графика 2 из следующего выражения:


где

Bmax - скорость при po = 10-6,

h1 - значение при po = 10-6,

h2 - значение при p0 доп (для различных видов модуляции)

Значения h1 и h2 для расчета сведем в таблицу 5.

Табл. 5.

Тип модуляции

h1

h2

ЧМ

22.6

9.6

ФМ

11.3

5.4

АФМ

17744

5598


Определим максимальную скорость:

Для ЧМ:

Для ФМ:

Для АФМ:

Вывод: максимальная скорость передачи будет при передаче с помощью амплитудной фазовой модуляции.

5. Определение эффективной скорости приема сигналов данных и оптимальной длины принимаемых блоков

С целью обеспечения заданной достоверности при передаче данных применяют обратные связи и помехоустойчивое кодирование, использование которых приводит к появлению избыточности и, следовательно, к уменьшению скорости передачи данных.

Эффективная скорость передачи Вэф будет зависеть от состояния канала связи, оптимальной длины передаваемых блоков и числа служебных разрядов. Блоки данных передаются кадрами, которые состоят из nсл1 байт служебных разрядов, r байт проверочных разрядов и k байт информационных разрядов. Обратная связь осуществляется с помощью управляющих кадров, которые состоят из nсл2 байт служебных разрядов.

Эффективная скорость определяется по формуле:

,

где

 - число байт в принимаемом блоке;

k - число информационных байт;

r - число проверочных байт; r = 16 бит;

p - вероятность ошибки единичного элемента.

Первая часть формулы указывает на уменьшение скорости за счет внесения служебных блоков, а вторая - уменьшение за счет переспросов.

Изменяя k от 15 до 500, и подставив эти значения в формулу для расчета эффективной скорости, получим график 3.

График 3

Из данного графика 3 видно, что оптимальная длина блока для АФМ равна:

nопт = k + r + nсл = 168 + 16 + 8 = 192 Бит = 24 Байт , при этом Bmax = 58500 Бод

6. Выбор помехоустойчивого кода

При приеме сообщений необходимо обеспечить вероятность ошибки не более 10-6, используют помехоустойчивые коды, исправляющая и обнаруживающая способность которых определяются их кодовым расстоянием d.

Определим вероятность необнаруженной ошибки Pно в принятом блоке по следующей формуле:

,

где  - число сочетаний из n по i;

t00 - число ошибок обнаруживаемых кодом;


Рассчитанное значение вероятности необнаруженных ошибок удовлетворяет неравенству.

7. Программная реализация кодирования и декодирования

Задан имитационный метод программной реализации.

Метод заключается в моделировании кодера и декодера циклического кода (10,5).

.1 Кодирование

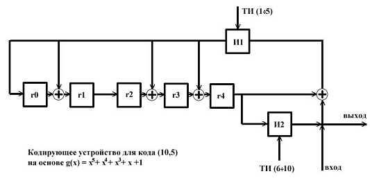
В основе кодирующего устройства лежит схема деления на порождающий многочлен g(x) = x5 + x4 + x3 + x + 1 с предварительным умножением на x5 . Число ячеек памяти в регистре равно числу избыточных элементов в кодовой комбинации (5) . Обратные связи подключены в соответствии с ненулевыми коэффициентами g(x) , следовательно, общее число обратных связей равно числу компонентов g(x) (или весу в двоичном представлении). Число сумматоров по модулю 2 равно числу знаков «+» в записи g(x) в виде многочлена. Вход схемы подключен после ячейки r4 для осуществления предварительного умножения кодируемого сообщения на x5 . Схема работает следующим образом. Информационные символы поступают на вход кодирующего устройства, начиная со старшей степени, и одновременно на выход схемы - в канал связи. В это время на схему И1 в цепи обратной связи поступают 5 тактовых импульсов и со входа информационные импульсы поступают через цепь обратной связи в разряды регистра r0, r1, r2, r3, r4. Как только все 5 информационных символов поступят в устройство, совокупность n-k - символов в разрядах регистра совпадет с остатком от деления  на g(x), т.е. разряды регистра содержат проверочные символы r(x) кодовой комбинации. По прошествии 5 тактов подача тактовых импульсов в схему И1 прекращается, т.е. линия обратной связи разрывается и 5 проверочных символов, сформированных в регистре, через схему И2, на которую начинают поступать тактовые импульсы от 6-го до 10-го такта, выводятся в канал связи сразу же за информационными элементами.

Таким образом, за 10 тактов с выхода схемы в канал поступает вся кодовая комбинация циклического (10,5) - кода.


7.2 Декодирование

Кодовая комбинация вводится в схему деления на g(x), и одновременно информационные элементы этой принятой комбинации записываются в накопитель информационных разрядов. После ввода последнего элемента кодовой комбинации в схему деления разряды регистра сдвига этой схемы будут содержать остаток от деления принятой комбинации на g(x).

В случае, когда остаток чисто нулевой, комбинация считается принятой верно, если же остаток не равен нулю, то фиксируется ошибка. С целью принятия решения о наличии или отсутствии ошибок в комбинации содержимое разрядов регистра после завершения деления вводится в схему ИЛИ.

Если ошибки отсутствуют (или не обнаружены), то на выходе схемы получаем сигнал “0”, по которому информация из накопителя информационных разрядов выдается потребителю информации. В том случае, когда на выходе схемы ИЛИ появляется сигнал “1”, а это произойдет, когда хотя бы в одном из разрядов регистра после деления появится “1”, т.е. полученный остаток не равен нулю, информационные разряды из накопителя потребителю не выдаются и фиксируется ошибка.


7.3 Текст программы

Программа написана на языке C++.

#include <iostream>namespace std;

main()

{cod[10][7];i, j, k, x;<< endl << endl << " KYPCOBA9I PA6OTA no CD3C " << endl <<" CTYDEHTA rpynnbl CK-71 " << endl <<" KO3JIOBA DMUTPU9I" << endl << endl << endl;(i=0;i<10;i++)(j=0;j<7;j++)

{[i][j]=0;

}<<"Enter data (5 symbols, use 'space' between them)" << endl;(i=0; i<5; i++)

{>> cod[i][0];[i][6]=cod[i][0];

}(i=1;i<5;i++)

{[0][5]=cod[0][0];[0][1]=cod[0][0];[0][2]=cod[0][0];[0][4]=cod[0][0];=cod[i-1][5];=cod[i][0]^k;[i][1]=x;[i][2]=x^cod[i-1][1];[i][3]=cod[i-1][2];[i][4]=x^cod[i-1][3];[i][5]=x^cod[i-1][4];

}(i=5;i<10;i++)

{=cod[i][5];[i][1]=k;[i][2]=k^cod[i-1][1];[i][3]=cod[i-1][2];[i][4]=k^cod[i-1][3];[i][5]=k^cod[i-1][4];[i][6]=cod[i-1][5];

}<<"Encoded combination:";(i=0;i<10;i++)

{<<" "<<cod[i][6];

}<< endl << endl << endl;dec[16][6], err[11];(i=0;i<16;i++)(j=0;j<6;j++)

{[i][j]=0;

}<<"Enter the polynom of errors (10 symbols, use 'space' between them)" << endl;(i=1; i<11; i++)

{>>err[i];

}(i=1; i<11; i++)

{[i][0] = cod[i-1][6] ^ err[i];

}(i=1;i<11;i++)

{[i][1]=dec[i-1][5]^dec[i][0];[i][2]=dec[i-1][5]^dec[i-1][1];[i][3]=dec[i-1][2];[i][4]=dec[i-1][5]^dec[i-1][3];[i][5]=dec[i-1][5]^dec[i-1][4];

}(i=11;i<16;i++)

{[i][1]=dec[i-1][5];[i][2]=dec[i-1][5]^dec[i-1][1];[i][3]=dec[i-1][2];[i][4]=dec[i-1][5]^dec[i-1][3];[i][5]=dec[i-1][5]^dec[i-1][4];

}<< endl << "Register contents :";(j=1; j<6; j++)

{<<" "<<dec[10][j];

}<< endl << endl << endl;check = 0;(i=1; i<6; i++)

{+= dec[10][i];(dec[10][i]!=0)

{<< "!Error detected!" << endl << endl;;

}

}(check == 0)

{<< "No errors detected" << endl << endl <<"Decoded combination:"<< endl <<endl;(i=0;i<5;i++)

{<<" "<<cod[i][6];

}<< endl << endl << endl;

}0;

}

Литература

1.       Передача дискретных сообщений, В.П. Шувалов, Н.В. Захарченко, Москва, 1990 г.

2.     Методические указания к лабораторному практикуму по курсу «Микропроцессорная техника в системах передачи данных», А.В. Буданов, Р.И. Виноградов, О. . Когновицкий, ЛЭИС, Ленинград, 1988 г.


Не нашли материал для своей работы?
Поможем написать уникальную работу
Без плагиата!
Без нейросетей!