Строительство административного двухэтажного здания со встроенным магазином
СОДЕРЖАНИЕ
Введение
1. Исходные данные для
проектирования
2. Генплан
. Технико-экономическое
сравнение вариантов конструкций и выбор основного варианта
. Архитектурно-строительная
часть
.1 Описание объемно-планировочного
решения
4.2 Конструктивные решения
4.3 Решение фасада, внутренняя
отделка помещений
.4 Инженерное оборудование
.5 Акустический расчет ограждающих
конструкций
.5.1 Акустический расчет перегородки
между рабочими помещениями
.5.2 Акустический расчет
междуэтажного перекрытия
.6 Теплотехнический расчет
ограждающих конструкций
.6.1 Теплотехнический расчет
наружной стены
4.6.2 Теплотехнический расчет
чердачного перекрытия
. Расчетно-конструктивная часть
.1 Расчет фундаментов
5.1.1 Инженерно-геологические
условия площадки
5.1.2 Сбор нагрузок на фундаменты
5.1.3 Подбор размеров подошвы
фундамента
5.1.4 Определение конечных осадок
основания методом послойного суммирования
.2 Расчет монолитной плиты
перекрытия
.2.1 Геометрические размеры,
определение нагрузок, характеристики бетона и арматуры
.2.2 Расчет плиты по прочности
5.2.3 Расчет плиты по раскрытию
трещин
5.2.4
Расчет прогиба плиты
.3 Расчет стропил
6. Технология строительного
производства
6.1 Технология
строительных и монтажных работ
6.1.1 Определение
номенклатуры и объемов внутриплощадочных подготовительных и основных
строительно-монтажных работ
6.1.2 Калькуляция
трудовых затрат и машиносмен на подготовительные и основные
строительно-монтажные работы в целом по объекту
6.1.3 Выбор
основных строительно-монтажных машин, оснастки и приспособлений по техническим
параметрам
6.1.4 Краткое
описание методов выполнения работ
6.1.5 Описание
разработанной технологической карты на один из видов строительно-монтажных
работ с анализом ее технико-экономических показателей
7. Организация, планирование и
управление в строительстве
7.1 Расчет
и построение сетевого графика
7.1.1 Карточка-определитель,
разработанная с использованием калькуляции трудовых затрат
7.1.2 Расчет
сетевого графика
7.2 Строительный
генеральный план
7.2.1 Расчет
потребности во временных зданиях и сооружениях
7.2.2 Расчет
потребности в складских помещениях и площадях
7.2.3 Расчет
потребности в воде для нужд хозяйственно-бытовых, технологических и
пожаротушения
7.2.4 Расчет
потребности в электроэнергии и выбор трансформаторов
7.2.5 Расчет
потребности в сжатом воздухе
7.2.6 Краткое
описание разработанного стройгенплана с анализом его технико-экономических
показателей
8. Экономическая часть
8.1 Составление
сметной документации
8.1.1 Сводный
сметный расчет
8.1.2 Объектная
смета
8.1.3 Локальные
сметные расчеты
8.2 Технико-экономические
показатели по проекту
9. Безопасность
жизнедеятельности на производстве
9.1 Обеспечение
безопасных условий труда при производстве земляных
работ
10. Охрана окружающей среды
Список использованной литературы
ВВЕДЕНИЕ
В строительстве, как в одной из базовых
отраслей, происходят серьезные структурные изменения. Увеличился удельный вес
строительства объектов непроизводственного назначения, значительно возросли
объемы реконструкции зданий, сооружений, городских микрорайонов, а также
требования, предъявляемые к качеству работ, защите окружающей среды,
продолжительности инвестиционного цикла строительства объекта. Возникают новые
взаимоотношения между участниками строительства, появляются элементы
состязательности и конкурентности. Резко изменился масштаб цен, стоимостных
показателей, заработной платы, ресурсопотребления. В условиях рыночной
экономики несоизмеримо более ощутимыми становятся последствия принимаемых
строителями решений. К повышенным требованиям, предъявляемым к инженеру-строителю,
относится и умение работать с компьютером.
Графическая часть проекта выполнена в системе
автоматического проектирования AutoCAD,
которая широко используется во всем мире инженерами-проектировщиками.
Пояснительная записка выполнена на компьютере с
использованием программных пакетов Microsoft
Word, Microsoft
Excel, Mathcad.
Дипломный проект административного двухэтажного
здания со встроенным магазином отражает тенденцию увеличения удельного веса
строительства небольших непроизводственных зданий по индивидуальным проектам.
В разделе 3 дипломного проекта показано, что в
условиях оригинального проекта и повышенной до 7 баллов сейсмичности монолитные
перекрытия оказываются экономически выгоднее перекрытий из сборных элементов с
минимальными монолитными включениями. В данном проекте уделяется особое
внимание перекрытиям из монолитного железобетона. Так, в разделе 5 представлен
расчет и конструирование монолитного перекрытия, а в разделе 6 разработана
технологическая карта на устройство перекрытия из монолитного железобетона.
Дипломный проект содержит 10 разделов и
охватывает основные вопросы реального проектирования в строительстве.
1. ИСХОДНЫЕ ДАННЫЕ ДЛЯ ПРОЕКТИРОВАНИЯ
Площадка для строительства административного
двухэтажного здания со встроенным магазином размещается в поселке Южном
Динского района Краснодарского края на углу улиц Мира и Восточной.
Рельеф площадки равнинный, наибольшая отметка -
31,40 м, наименьшая - 30,80 м.
Проект административного здания разработан для
строительства в регионе со следующими климатическими и инженерными
характеристиками:
расчетная зимняя температура наружного воздуха -
-19 ºС;
нормативный вес снегового покрова для I-го
района - 0,50 кПа;
нормативное значение ветрового напора для IV-го
района - 0,48 кПа;
сейсмичность площадки строительства - 7 баллов;
категория грунтов по сейсмическим свойствам - II.
Грунты основания - суглинки полутвердые,
влажные, низкопористые, непросадочные.
Подземные воды вскрыты на глубине 2,3м-2,5м от
поверхности земли, возможен подъем уровня грунтовых вод до поверхности земли.
2. ГЕНПЛАН
Участок под строительство расположен на углу
улиц Мира и Восточной в поселке Южном Динского района Краснодарского края
Основные показатели по генеральному плану:
площадь участка - 850 м²;
площадь застройки - 296 м²;
площадь покрытия - 339 м²;
площадь озеленения - 215 м²;
коэффициент застройки -0,348 ;
коэффициент озеленения -0,253 ;
коэффициент использования территории -0,348 .
Участок под строительство расположен в
северо-восточной части поселка. Рельеф площадки равнинный. Организация рельефа
решена методом проектных горизонталей. Отвод поверхностных вод решен открытой
системой с дальнейшим выпуском улицы Мира и Восточную. Площадка решена в
подсыпке.
Свободные от застройки и покрытий участки
озеленяются засевом многолетних трав, по периметру площадки и на газонах
предусмотрена посадка кустарников.
Покрытие площадки для служебного транспорта
выполнено из монолитного бетона; гостевые площадки и подъезды покрываются
асфальтобетоном. Подход к зданию выполняется из тротуарной плитки.
На территории запроектирована площадка для
отдыха под навесом.
Наружное пожаротушение предусматривается из
пожарного гидранта, установленного в существующем водопроводном колодце по ул.
Восточной. С улиц Мира и Восточной к зданию обеспечивается подъезд пожарных
автомобилей.
3. ТЕХНИКО-ЭКОНОМИЧЕСКОЕ СРАВНЕНИЕ ВАРИАНТОВ
КОНСТРУКЦИЙ И ВЫБОР ОСНОВНОГО ВАРИАНТА
Проектируемое здание - двухэтажное
административное, расположенное в пос. Южном Динского района. Учитывая
выбранное архитектурное решение, сравним три варианта конструктивного решения
междуэтажного перекрытия:
Вариант - перекрытия из сборных ж/б плит с
минимальными монолитными включениями;
Вариант - перекрытия из керамзитобетона
плотностью 1400 кг/м³ по стальным
балкам из спаренного швеллера N
14;
Вариант - Монолитные перекрытия толщиной 160 мм
из бетона М250.
Объемы работ, сметную стоимость и трудоемкость
по вариантам конструктивных решений определим в табличной форме.
|
Вариант
2 Перекрытия из керамзитобетона плотностью 1400 кг/м3 по стальным
балкам из спаренного швеллера N 14
|
|
1
|
Монтаж
м/к балок
|
т
|
9,75
|
|
|
|
9,75
|
|
|
13,5
|
131,6
|
9-94
|
29,2
|
284,7
|
|
2
|
Стоимость
м/к балок
|
т
|
9,75
|
|
|
|
|
|
|
|
|
ц.I
ч.II п 17
|
397
|
3870,75
|
|
3
|
Устройство
перекрытий по
|
|
|
|
|
|
|
|
|
|
|
|
|
|
|
|
стальным
балкам
|
м3
|
59,43
|
1,01
|
60,02
|
0,025
|
1,49
|
40,3
|
798,00
|
8,76
|
520,6
|
6-183
|
41
|
2436,63
|
|
4
|
Стоимость
керамзитобетона
|
м3
|
59,43
|
|
|
|
|
|
|
|
|
|
25,5
|
1515,47
|
|
5
|
Арматура
А II
|
т
|
1,5
|
|
|
|
|
|
|
|
|
ц.I
ч.II п11
|
277
|
415,5
|
|
6
|
Устройство
поясов в опалубке
|
м3
|
4,83
|
1,015
|
4,90
|
0,125
|
0,60
|
32,93
|
159,05
|
8,54
|
41,25
|
6-168
|
38,9
|
187,89
|
|
7
|
Стоимость
бетона
|
м3
|
4,83
|
|
|
|
|
|
|
|
|
ССЦ
п.90
|
26,6
|
120,75
|
|
8
|
Арматура
А III
|
т
|
0,6
|
|
|
|
|
|
|
|
|
ц.I
ч.II
|
286
|
171,6
|
|
|
|
|
|
|
|
|
|
|
|
|
|
|
|
|
|
|
ИТОГО
|
|
|
|
64,93
|
|
11,8
|
|
957,05
|
|
693,5
|
|
|
7367,07
|
|
|
|
|
|
|
|
|
|
|
|
|
87
|
|
|
|
|
|
в
том числе материалы
|
|
|
|
|
|
|
|
|
|
|
|
|
6094,07
|
|
|
Накладные
расходы 14,2%
|
|
|
|
|
|
|
|
|
|
|
|
|
1046,12
|
|
|
ИТОГО
СЕБЕСТОИМОСТЬ
|
|
|
|
|
|
|
|
|
|
|
|
|
8413,19
|
|
|
Вариант
3 Монолитные перекрытия толщиной 160 мм из бетона М250
|
|
|
|
|
|
|
|
|
|
|
|
|
|
|
1
|
Устройство
безбалочных пере
|
|
|
|
|
|
|
|
|
|
|
|
|
|
|
крытий
толщиной до 200 мм
|
|
|
|
|
|
|
|
|
|
|
|
|
|
|
|
на
высоте до 6 м
|
м3
|
79,26
|
1,01
|
80,05
|
0,0776
|
6,15
|
33,78
|
2677,40
|
8,4
|
665,8
|
6-173
|
41,13
|
3259,96
|
|
3
|
Стоимость
бетона
|
м3
|
79,26
|
|
|
|
|
|
|
|
|
ССЦ
п18
|
25,8
|
1981,5
|
|
4
|
Арматура
А III
|
т
|
6,15
|
|
|
|
|
|
|
|
|
ц.I
ч.II
|
325
|
1998,75
|
|
ИТОГО
|
|
|
|
80,05
|
|
6,15
|
|
2677,40
|
|
665,8
|
|
|
5258,71
|
|
|
|
|
|
|
|
|
|
|
|
83
|
чел.-дн.
|
|
|
|
в
том числе материалы
|
|
|
|
|
|
|
|
|
|
|
|
|
3980,25
|
|
Накладные
расходы 14,2%
|
|
|
|
|
|
|
|
|
|
|
|
|
746,74
|
|
ИТОГО
СЕБЕСТОИМОСТЬ
|
|
|
|
|
|
|
|
|
|
|
|
|
6005,45
|
Из таблицы 3.1 видно, что наибольшую
трудоемкость осуществления конструктивного решения имеет 2 вариант. Его
принимаем за базовый при проведении сравнения.
Определим продолжительность возведения
конструкций
дн
= m i
/ (n R
S) (3.1)
где
-
продолжительность возведения конструкций;
- трудоемкость
возведения конструкций i-го варианта, чел.-дн.;- количество бригад, принимающих
участие в возведении конструкций;- количество рабочих в бригаде, чел;- принятая
сменность работы в сутки.
Подсчет величины продолжительности строительства
исчисленной в днях на величину в годах осуществляется по формуле:
i =
(3.2)
где 260 - среднее число рабочих дней в году при
5-ти дневной рабочей неделе.
Принимаем сопоставимые условия проведения работ:
одинаковое количество рабочих бригад - 1 ;
число рабочих в бригаде -
;
работы проводятся в одну смену -
.
Продолжительность осуществления конструктивных
решений по вариантам составит:
tдн1 =
дней
=
годадн2 =
дней
или
=
годадн3 =
дней
=
года
Определим величину оборотных средств по
приближенному расчету. Она принимается в размере норматива оборотных средств в
производственные запасы для осуществления конструктивного решения и величины
оборотных средств в незавершенное строительство по конструктивному решению
Фобi =
,
(3.3)
где 1.08 - коэффициент перехода от сметной
себестоимости к сметной стоимости;
-
сметная себестоимость конструктивного решения, руб;
-
норматив производственных запасов на складах стройплощадки, руб, определяется
по формуле:
Зм =
(3.4)
где М - однодневный расход основных материалов,
деталей и конструкций, шт, м2,
м3 и т.д.;
Ц - сметная цена материалов, деталей и
конструкций, руб;
- норма запаса
основных материалов, деталей и конструкций в днях (принимается в размере 5
дней)
Получаем следующие величины оборотных средств по
вариантам :
Фоб1 =
руб
Фоб2 =
руб
Фоб3 =
руб
Определим приведенные затраты по принятым
вариантам конструктивных
решений здания с учетом затрат на текущий
ремонт, амортизацию и содержание конструкций. Эксплуатационные затраты на
отопление, освещение, вентиляцию и прочее условно принимаются одинаковыми и в
расчетах не учитываются.
Величина годовых эксплуатационных затрат
определяется по формуле:
Иi =
(3.5)
где
-
норматив амортизационных отчислений на реновацию, %;
-норматив
амортизационных отчислений на капитальный ремонт, %;
- норматив
отчислений на текущий ремонт и содержание конструкций, %;
- сметная
себестоимость конструктивного решения, руб.
Согласно приложения 4 [2] суммарная величина
амортизационных отчислений для вариантов составит:
и 3 варианты -
%
вариант -
%
Величины годовых эксплуатационных затрат по
вариантам:
И1 =
руб
И2 =
руб
И3 =
руб
Поскольку сопутствующие капитальные вложения по
вариантам отсутствуют, то они принимаются равными нулю.
Величину капитальных вложений определим исходя
из удельного усредненного показателя сметной стоимости 1 м3 здания и приближенного
переходного коэффициента от сметной стоимости к капитальным вложениям по
формуле:
Кб =
(3.6)
где
=20
- удельный усредненный показатель сметной стоимости строительно-монтажных работ
1 м3 здания, принимается по
приложению 5 [2], руб/м3;
- 2280,5 м3 - объем здания;
- приближенный
переводной коэффициент от сметной стоимости СМР к капитальным вложениям,
принимаемый для жилищного строительства - 1,1;
,
- коэффициенты учета территориального пояса и вида строительства, принимаемые
по приложениям 2,3 [2].
Величина капитальных вложений по базовому
варианту:
Кб =
руб
Величина капитальных вложений для сравниваемых
вариантов определяется по формуле:
Кс =
(3.7)
где
-
сметная себестоимость базового варианта конструктивного решения, руб;
- сметная
себестоимость конструктивного решения сравниваемого варианта, руб.
Капитальные вложения по сравниваемым вариантам:
К1 =
руб
К3 =
руб
Для сравниваемых вариантов конструктивных
решений продолжительность строительства определяется по формуле:
Тс =
(3.8)
где
-
продолжительность строительства базового варианта принята равной 6,5 мес =0,54
года (СНиП 1.04.03-85)
Продолжительность строительства для сравниваемых
вариантов:
Тс1 =
года
Тс3 =
года
Экономический эффект от сокращения
продолжительности строительства рассчитывается по формуле:
Эф =
(3.9)
где Ен -
нормативный коэффициент экономической эффективности капитальных вложений.
Для 1-го варианта по отношению к базовому:
Эф1 =
руб
Для 2-го варианта по отношению к базовому:
Эф3 =
руб
Приведенные затраты определяются по формуле:
Зi =
(3.10)
где Фоснi -
стоимость основных производственных фондов, участвующих в процессе возведения
i-го конструктивного решения, руб.
Величина приведенных затрат по вариантам:
З1 =
руб
З2 =
руб
З3 =
руб
Экономический эффект за счет разности
приведенных затрат и экономии в сфере эксплуатации зданий определим по формуле:
Эпз =
(3.11)
где Рб,
Рi - доли сметной стоимости
строительных конструкций в расчете на 1 год их службы по сравниваемым
вариантам;
Ен -
нормативный коэффициент экономической эффективности новой техники в
строительстве, принимаемый равным 0,15 1/год.
Кiс,
Кбс - сопутствующие
капитальные вложения, связанные с эксплуатацией конструкций по вариантам, руб.
Эффект для 1-го варианта по отношению к
базовому:
Эпз1 =
руб
Эпз3 =
руб
Величина суммарного годового экономического
эффекта:
Эобщ =
(3.12)
Расчет величины суммарного годового эффекта для
всех вариантов конструктивных решений:
Э1 =
руб
Э3 =
руб
Э2 =
руб
Экономические показатели по вариантам рассчитаны
в ценах 1984 г. Для перевода в текущие цены используем индекс роста цен 27,89.
Окончательные результаты сводим в таблицу.
Таблица 3.2
|
N п/п
|
Наименование
показателей
|
Ед.
Изм.
|
Вариант
|
|
|
|
1
|
2
|
3
|
|
1
|
Сметная
себестоимость конструктивного решения
|
тыс.руб.
|
201,9
|
234,64
|
167,48
|
|
2
|
Трудоемкость
осуществления конструктивного решения
|
чел.-дн.
|
47
|
87
|
83
|
|
3
|
Продолжительность
осуществления конструктивного решения
|
годы
|
0,04
|
0,07
|
0,064
|
|
4
|
Расход
материалов на 1 м2 конструктивного решения а) Бетон
|
м3/м2
|
0,21
|
0,12
|
0,14
|
|
б)Сталь
|
кг/м2
|
9,8
|
21,02
|
10,9
|
|
5
|
Приведенные
затраты
|
тыс.руб.
|
235,39
|
267,47
|
191,32
|
|
6
|
Суммарный
годовой экономический эффект
|
тыс.руб.
|
42,34
|
0
|
87,8
|
На основе расчетов суммарного годового
экономического эффекта по вариантам видно, что по третьему варианту
конструктивного решения получена наибольшая величина экономического эффекта.
Следовательно, этот вариант должен быть принят для дальнейшей детальной
проработки.
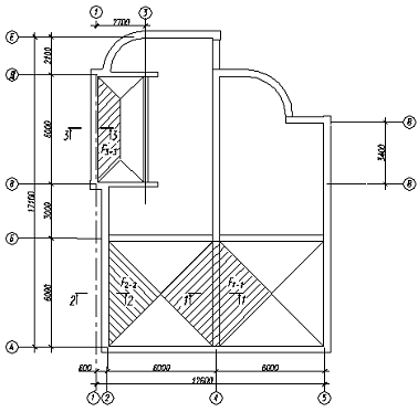
4. АРХИТЕКТУРНО-СТРОИТЕЛЬНАЯ ЧАСТЬ
.1 Описание
объемно-планировочного решения
Административное здание - двухэтажное с
цокольным - техническим этажом. В цокольном
(техническом) этаже размещены электрощитовая, помещения для прокладки
инженерных сетей. Первый этаж
функционально разделен на две отдельные зоны с общим рекреационным вестибюлем.
В одной зоне в осях Б - Е размещен магазин с торговым залом, кладовыми,
помещением для персонала, санузлом, с отдельными торговыми секциями для
продовольственных и промышленных товаров. Во
второй (административной) зоне первого этажа в осях А - Б размещены
вспомогательные помещения, гардероб-бытовка с душем для вахтовой смены, комната
приема пищи, дежурного-сторожа, котельная, санузел.
Из
магазина предусмотрен второй выход (рабочий - эвакуационный), позволяющий при
необходимости выделить обособленно торговлю с отдельным наружным входом.
На
втором этаже расположены рабочие помещения, актовый зал, санузел. Со второго
этажа предусмотрен наружный эвакуационный выход.
.2 Конструктивные решения
Фундаменты - ленточные из сборных фундаментных
плит и блоков стен подвала.
Перекрытия - монолитные железобетонные.
Кровля - из металлочерепицы по деревянной
обрешетке.
Отмостка вокруг здания - бетонная шириной 1000
мм.
Стены - из кирпича М75 на растворе М25.
Перегородки - тоже кирпичные толщиной 120 мм.
По периметру внутренних стен 1-го и 2-го этажей
выполняют внутреннюю теплоизоляцию. Антисейсмические
мероприятия включают:
- по фундаментным плитам предусмотрен
армированный шов δ =40 мм;
- армирование стен.
.3 Решение фасада, внутренняя отделка помещений
Наружные стены и пилоны облицовываются лицевым
красным керамическим кирпичом. Частично фасад отделывается декоративной
штукатуркой. Цоколь здания
облицовывается плитами пиленого песчаника серого цвета.
Деревянные
элементы окон и дверей, а также металлические элементы крыши, ворот и
ограждений окрашиваются пентафталевой эмалью серого цвета.
Внутренние
стены и потолки после затирки (при необходимости - штукатурки) окрашиваются
водоэмульсионной краской СТЭМ-45. В помещениях, где установлено сантехническое
оборудование стены отделываются глазурированной плиткой или окрашиваются
поливинилацетатной краской ВА-27. В помещениях технического этажа потолок и
стены окрашиваются известковой краской.
.4 Инженерное оборудование
Водоснабжение административного здания
предусмотрено от существующей кольцевой водопроводной сети. Точка подключения
принята в существующем колодце по улице Восточной к трубопроводу диаметром 100
мм.
На
вводе запроектирована установка водосчетчика.
Наружные сети выполняются из стальных
обыкновенных водогазопроводных труб диаметром 2,5х3,2 мм по ГОСТ 3262-75*.
Внутренние сети водопровода запроектированы из
стальных легких оцинкованных, гладкообрезных под накатку резьбы водогазопроводных
труб диаметром 15…25 мм. Наружное
пожаротушение предусматривается из пожарного гидранта, установленного в
существующем водопроводном колодце. Хозяйственно-бытовые
стоки отводятся в существующий колодец на канализационной сети диаметром 100
мм. Трубы канализационные монтируются из чугунных канализационных труб
диаметром 50…100 мм по ГОСТ 6942.3-80. Вентиляция
канализационной сети осуществляется через канализационный стояк внутри здания и
выведенный выше кровли на 0,5 м.
Источник тепла - котел КУМ-5, работающий на
газе. Нагревательные приборы -радиаторы МС-140. В качестве теплоносителя
принята горячая вода с параметрами 95-70º
С.
Электроснабжение
выполняется от существующей ВЛ - 0,38 кВ. Подключение проектируемой нагрузки
осуществляется самонесущим изолированным проводом "Торсада" сечением
4х2,5 мм²
от существующей опоры до вводно-учетного щита в электрощитовой здания.
Силовыми
потребителями электроэнергии являются: технологическое и сантехническое
оборудование, кондиционеры и ПЭВМ.
Групповые сети выполняются медным проводом ПВ и
медным кабелем ВВГ, прокладываемыми:
проводом в ПВХ трубах в подготовке пола и в
штрабах стен;
кабелем скрыто под штукатуркой, по стенам и
перегородкам;
кабелем в ПВХ трубах в штрабах стен и в
подготовке пола.
Проектом предусмотрено рабочее и аварийное
электроосвещение.
.5 Акустический расчет ограждающих конструкций
.5.1 Акустический расчет перегородки между
рабочими помещениями
В проектируемом здании перегородки между
рабочими помещениями толщиной 120 мм выполнены из обыкновенного кирпича марки
М75 плотностью 1800 кг/м3.
Индекс изоляции воздушного шума определяется по
формуле:
Iв=
(4.1)
где
-
поправка, определяемая путем сравнения частотной характеристики изоляции
воздушного шума ограждающей конструкции с нормативной частотной характеристикой
изоляции воздушного шума.
Определение величин fв и Rв ,
необходимых для построения частотной характеристики изоляции воздушного шума
однослойным плоским ограждением. Поверхностная плотность перегородки
m=
кг/м2 (4.2)
где
-
плотность материала перегородки, h - толщина перегородки.=
кг/м2
Rв=
35 дБ - определяется из
графика ( рис 9 б [3] )в= 260
Гц- определяется из графика (
рис 9 а [3] )
Рис. 4.1 К определению среднего неблагоприятного
отклонения
1 - Нормативная частотная характеристика
’ - Нормативная частотная характеристика после
сдвига вниз на 5 дБ
- Частотная характеристика изоляции воздушного
шума перегородки
На график частотной характеристики изоляции
воздушного шума перегородки накладываем нормативную частотную характеристику
изоляции воздушного шума.
Неблагоприятное отклонение - отклонение вниз от
нормативной частотной характеристики изоляции воздушного шума.
Среднее неблагоприятное отклонение
=
(4.3)
=
дБ
т.к
превышает
2 дБ, и
max превышает 8 дБ то
смещаем нормативную частотную характеристику вниз на 5 дБ. Получим:
=
дБ
Т.к.
приблизительно
равно 2 дБ и
max не превышает 8 дБ , то
=
-5 дБ
и
Iв= 50-5 = 45 дБ, что
превышает нормативный индекс изоляции воздушного шума для перегородок между
рабочими комнатами административных зданий 40 дБ и удовлетворяет требованиям
СНиП II-12-77.
4.5.2 Акустический расчет междуэтажного
перекрытия
Рис. 4.2 Конструкция перекрытия
Конструкция пола рассматриваемого перекрытия -
покрытие пола на монолитной стяжке по звукоизоляционному слою из прокаленного
песка. Поверхностные плотности элементов перекрытия вычисляются по формуле:
=
, кг/м2
где
-
плотность элемента перекрытия,- толщина элемента перекрытия.
m1=
кг/м22=
кг/м2 -
поверхностная плотность элементов пола без
звукоизоляционного слоя.
Индекс приведенного уровня ударного шума Iу под перекрытием с полом на
звукоизоляционном слое определяют по табл 12 [3] в зависимости от величины
индекса приведенного уровня ударного шума плиты перекрытия Iу0, определенной по табл. 13 [3], и
частоты колебаний пола, лежащего на звукоизоляционном слое f0, в
Гц, определяемой по формуле:
0=
(4.4)
где Ед =
кг/м2 - динамический модуль
упругости песка прокаленного плотростью 1300 кг/м3 (табл 11 [3] ), hз=
-толщина звукоизоляционного слоя в обжатом состоянии,
=0.04
- относительное сжатие материала звукоизоляционного слоя под нагрузкой (табл 11
[3] ). h0 -толщина звукоизоляционного слоя.
hз=
м0=
Гц
по табл 13 [3] Iу0 = 81 дБ
по табл 12 [3] Iу = 70.5 дБ и не превышает нормативный индекс приведенного
уровня ударного шума для перекрытий, отделяющих рабочие помещения от помещений
общего пользования 75 дБ и удовлетворяет требованиям СНиП II-12-77
[ 3 ].
.6 Теплотехнический расчет ограждающих
конструкций
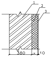
4.6.1 Теплотехнический расчет наружной стены
В здании предусмотрена теплоизоляция по
внутренней поверхности наружных стен.
Рис. 4.3 Конструкция наружной стены
1 - Кирпичная кладка из кирпича обыкновенного
марки М75 плотностью 1800 кг/м3 с коэффициентом теплопроводности
=0,7
Вт/(моС)
- Утеплитель -маты минераловатные прошивные
плотностью 75 кг/м3 с коэффициентом теплопроводности
=
0,06 Вт/(моС)
- Гипсокартон плотностью 800 кг/м3 с
коэффициентом теплопроводности
=0,19 Вт/(моС)
Район строительства - п. Южный Динского района.
Требуемое сопротивление теплопередачи
ограждающей конструкции определяется по формуле:
R0тр =
(4.6)
где n = 1 - коэффициент, принимаемый в
зависимости от положения наружной поверхности ограждающей конструкции по
отношению к наружному воздуху (табл 3 [4] );в =18 оС -
расчетная температура внутреннего воздуха, принимаемая по
ГОСТ
121005-88 и нормам проектирования соответствующих зданий и сооружений;н = -19 оС - расчетная зимняя температура наружного воздуха, равная
температуре наиболее холодной пятидневке обеспеченностью 0,92 принимаемая по
СНиП 2.01.01-82;
= 4,5 оС - нормативный температурный
перепад между температурой внутреннего воздуха и температурой внутренней
поверхности ограждающей конструкции, принимаемый по табл 2* [4];
= 8,7 Вт/(м2 оС) - коэффициент теплоотдачи
внутренней поверхности ограждающих конструкций, принимаемый по табл 4* [4] .
0тр =
(м2 оС)/Вт
Градусо- сутки отопительного периода
ГСОП =
(4.7)
где tотпер=1,2
оС и zотпер =
156 сут. - соответственно средняя температура и продолжительность периода со
средней суточной температурой воздуха ниже или равной 8 оС.
ГСОП =
оС сут
Из условий энергосбережения по табл 1б* [4]0тр = 1,91 (м2 оС)/Вт,
это значение и принимаем для расчета, так как оно больше вычисленного ранее.
Сопротивление теплопередаче ограждающей
конструкции вычисляется по формуле:
R0 =
(4.8)
где Rк =
Ri - термическое сопротивление
ограждающей конструкции с последовательно расположенными однородными слоями
толщиной
и
коэффициентом теплопроводности
.
=23
Вт/(м2 оС) - коэффициент
теплоотдачи (для зимних условий) наружной поверхности ограждающих конструкций
(табл 6* [4] ). Ri =
-
термическое сопротивление i-го слоя ограждающей конструкции.
Используя приведенные выше формулы получим
выражение для искомой толщины звукоизоляционного слоя:
=0.2(R0тр
)
=
м
принимаем толщину теплоизоляционного слоя 0,1 м.
4.6.2 Теплотехнический расчет чердачного перекрытия
Рис. 4.4 Конструкция чердачного перекрытия
Рассчитывая толщину теплоизоляционного слоя
чердачного перекрытия используем тот же метод, что и при теплотехническом
расчете наружной стены.
Для чердачного перекрытия
=
4 оС , и
=12
Вт/(м2 оС)
Коэффициенты теплопроводности элементов
перекрытия:
цементно-песчаный раствор - 0,76 Вт/(моС)
пенопласт плотности 100 кг/м3 - 0,05
Вт/(моС)
рубероид - 0,17 Вт/(моС)
монолитная ж/б плита перекрытия толщиной 160 мм
- 1,92 Вт/(моС)
R0тр =
(м2 оС)/Вт
ГСОП =2777 оС сут
Из условий энергосбережения R0тр = 2,27 (м2 оС)/Вт
=
м
Принимаем толщину теплоизоляционного слоя 0,1 м.
5. РАСЧЕТНО - КОНСТРУКТИВНАЯ ЧАСТЬ
5.1 Расчет фундаментов
5.1.1 Инженерно-геологические условия площадки
Рис. 5.1 Геологический разрез площадки
1 - Суглинок темно-бурый полутвердый
= 0,75, φII
= 23º,
cII = 0,025
МПа, E = 17 МПа, R0
= 0,22 МПа, γ = 0,0193 МН/ м³,
IL = 0.2;
2 - Суглинок буровато-серый, мягкопластичный
= 0,75, φII
= 18º,
cII = 0,02 МПа,
E = 12 МПа, R0
= 0,20 МПа, γ = 0,019 МН/ м³,
IL = 0,67;
3 - Глина серая тугопластичная
= 0,85, φII
= 16º,
cII = 0,043
МПа, E = 15 МПа, R0
= 0,25 МПа, γ = 0,0186 МН/ м³,
IL = 0,46;
4 - Суглинок темно-серый, полутвердый
= 0,63, φII
= 24º,
cII = 0,031
МПа, E = 17 МПа, R0
= 0,24 МПа, γ = 0,022 МН/ м³,
IL = 0,63;
Глубину заложения фундамента определим, учитывая
климатические условия строительной площадки. Расчетная глубина сезонного
промерзания определяется по формуле:
df =
kn dfn (5.1)
где dfn
= 0.8 м - нормативная
глубина промерзания, определяемая по карте глубин промерзания глинистых и
суглинистых грунтов,n = 0.5 -
коэффициент, учитывающий влияние теплового режима помещения.
Тогда df =
м
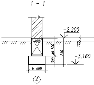
Конструктивно, при глубине пола в подвале на
отметке -2,200 назначаем глубину заложения фундамента на отметке -3,160 от
уровня чистого пола или на глубине 1,560 м от уровня спланированной
поверхности.
.1.2 Сбор нагрузок на фундаменты
Сбор нагрузок производим в табличной форме
Сечение 1-1 Таблица 5.1
|
Вид
нагрузки
|
Нормативеая
, кПа
|
|
коэф.
надежности
|
коэффициент
|
Расчетная,
кПа
|
|
|
на
1 м2
|
на
груз. площадь
|
|
по
нагрузке
|
|
сочетаний
|
|
|
|
|
|
2
ГПС
|
1
ГПС
|
2
ГПС
|
1
ГПС
|
2
ГПС
|
1
ГПС
|
2
ГПС
|
1
ГПС
|
2
ГПС
|
|
ПОСТОЯННАЯ
НАГРУЗКА
|
|
|
|
|
|
|
|
|
|
|
|
КРОВЛЯ
гр.пл. =36 м2
|
|
|
|
|
|
|
|
|
|
|
|
Металлочерепица
|
0,10
|
0,10
|
3,60
|
3,60
|
1,1
|
1,0
|
1,0
|
1,0
|
3,96
|
3,60
|
|
Обрешетка
(100х32 шаг 350 мм)
|
0,045
|
0,045
|
1,62
|
1,62
|
1,1
|
1,0
|
1,0
|
1,0
|
1,78
|
1,62
|
|
Стропила
(50х160 шаг 1100 мм)
|
0,036
|
0,036
|
1,30
|
1,30
|
1,1
|
1,0
|
1,0
|
1,0
|
1,43
|
1,30
|
|
ИТОГО
|
|
|
|
|
|
|
|
|
7,17
|
6,52
|
|
ЧЕРДАЧНОЕ
ПЕРЕКРЫТИЕ
|
|
|
|
|
|
|
|
|
|
|
|
гр.
площадь = 18 м2
|
|
|
|
|
|
|
|
|
|
|
|
Стяжка
из ц.-п. р-ра М100 δ=40мм
|
0,72
|
0,72
|
12,96
|
12,96
|
1,3
|
1,0
|
1,0
|
1,0
|
16,85
|
12,96
|
|
Пенопласт
δ=100
мм
γ=100
кг/м3
|
0,098
|
0,098
|
1,76
|
1,76
|
1,1
|
1,0
|
1,0
|
1,0
|
1,94
|
1,76
|
|
1
слой рубероида на бит. мастике
|
0,05
|
0,05
|
0,90
|
0,90
|
1,2
|
1,0
|
1,0
|
1,0
|
1,08
|
0,90
|
|
Монолитное
перекрытие
|
|
|
|
|
|
|
|
|
|
|
|
γ=2500
кг/м3 δ=160 мм
|
3,92
|
3,92
|
70,56
|
70,56
|
1,3
|
1,0
|
1,0
|
1,0
|
91,73
|
70,56
|
|
ИТОГО
|
|
|
|
|
|
|
|
|
111,60
|
86,18
|
|
ПЕРЕКРЫТИЕ
НА ОТМЕТКЕ 3,300
|
|
|
|
|
|
|
|
|
|
|
|
гр.
площадь = 18 м2
|
|
|
|
|
|
|
|
|
|
|
|
Штучный
паркет δ=19
мм
|
0,15
|
0,15
|
2,70
|
2,70
|
1,1
|
1,0
|
1,0
|
1,0
|
2,97
|
2,70
|
|
Прослойка
из водостойкой мастики
|
0,015
|
0,015
|
0,27
|
0,27
|
1,3
|
1,0
|
1,0
|
1,0
|
0,35
|
0,27
|
|
Стяжка
из ц.-п. р-ра М100 δ=20мм
|
0,36
|
0,36
|
6,48
|
6,48
|
1,3
|
1,0
|
1,0
|
1,0
|
8,42
|
6,48
|
|
Песок
прокаленный γ=1300
кг/м3
|
|
|
|
|
|
|
|
|
|
|
|
δ=40 мм
|
0,51
|
0,51
|
9,18
|
9,18
|
1,3
|
1,0
|
1,0
|
1,0
|
11,93
|
9,18
|
|
Монолитное
перекрытие
|
|
|
|
|
|
|
|
|
|
|
|
γ=2500
кг/м3 δ=160 мм
|
3,92
|
3,92
|
70,56
|
70,56
|
1,3
|
1,0
|
1,0
|
1,0
|
91,73
|
70,56
|
|
Перегородки
|
0,50
|
0,50
|
9,00
|
9,00
|
1,1
|
1,0
|
1,0
|
1,0
|
9,90
|
9,00
|
|
ИТОГО
|
|
|
|
|
|
|
|
|
125,31
|
98,19
|
|
ПЕРЕКРЫТИЕ
НА ОТМЕТКЕ 0,000
|
|
|
|
|
|
|
|
|
|
|
|
гр.
площадь = 18 м2
|
|
|
|
|
|
|
|
|
|
|
|
Плитка
керам. δ=19
мм
|
0,43
|
0,43
|
7,74
|
7,74
|
1,1
|
1,0
|
1,0
|
1,0
|
8,51
|
7,74
|
|
Прослойка
и заполнение швов ц.-п.
|
|
|
|
|
|
|
|
|
|
|
|
р-ром
М100 δ=15
мм
|
0,27
|
0,27
|
4,86
|
4,86
|
1,3
|
1,0
|
1,0
|
1,0
|
6,32
|
4,86
|
|
Стяжка
из ц.-п. р-ра М100 δ=30мм
|
0,54
|
0,54
|
9,72
|
9,72
|
1,3
|
1,0
|
1,0
|
1,0
|
12,64
|
9,72
|
|
Песок
прокаленный γ=1300
кг/м3
|
|
|
|
|
|
|
|
|
|
|
|
δ=25 мм
|
0,32
|
0,32
|
5,76
|
5,76
|
1,3
|
1,0
|
1,0
|
1,0
|
7,49
|
5,76
|
|
Монолитное
перекрытие
|
|
|
|
|
|
|
|
|
|
|
|
γ=2500
кг/м3 δ=160 мм
|
3,92
|
3,92
|
70,56
|
70,56
|
1,3
|
1,0
|
1,0
|
1,0
|
91,73
|
70,56
|
|
Перегородки
|
0,50
|
0,50
|
9,00
|
9,00
|
1,1
|
1,0
|
1,0
|
1,0
|
9,90
|
9,00
|
|
ИТОГО
|
|
|
|
|
|
|
|
|
136,58
|
107,64
|
|
ВРЕМЕННАЯ
НАГРУЗКА
|
|
|
|
|
|
|
|
|
|
Снег
|
0,50
|
0,15
|
18,00
|
5,40
|
1,40
|
1,00
|
0,90
|
0,95
|
22,68
|
5,12
|
|
Полезная
на чердак
|
0,70
|
|
12,60
|
|
1,30
|
1,00
|
0,90
|
|
14,74
|
|
|
Полезная
на перекрытие 1-го этажа
|
2,00
|
0,70
|
36,00
|
12,60
|
1,30
|
1,00
|
0,90
|
0,95
|
42,12
|
11,97
|
|
2-го
этажа
|
2,00
|
0,70
|
36,00
|
12,60
|
1,30
|
1,00
|
0,90
|
0,95
|
42,12
|
11,97
|
|
ИТОГО
ВРЕМЕННАЯ
|
|
|
|
|
|
|
|
|
121,66
|
29,06
|
|
ИТОГО
ПОЛНАЯ
|
|
|
|
|
|
|
|
|
502,32
|
327,59
|
|
ИТОГО
ПОЛНАЯ НА 1 П.М.
|
|
|
|
|
|
|
|
|
83,72
|
54,60
|
|
Масса
стены п. м.
|
|
|
|
|
|
|
|
|
|
|
|
0,38х8,5х1800х9,8=56980
кН/м
|
|
|
|
|
1,1
|
1,0
|
1,0
|
1,0
|
62,7
|
56,98
|
|
ИТОГО
ПОЛНАЯ НА 1 П.М.
|
|
|
|
|
|
|
|
|
146,40
|
111,58
|
Сечение 2-2 продолжение таблицы 5.1
|
Вид
нагрузки
|
Нормативеая
, кПа
|
|
коэф.
надежности
|
коэффициент
|
Расчетная,
кПа
|
|
|
на
1 м2
|
на
груз. площадь
|
|
по
нагрузке
|
|
сочетаний
|
|
|
|
|
|
1
ГПС
|
2
ГПС
|
1
ГПС
|
2
ГПС
|
1
ГПС
|
2
ГПС
|
1
ГПС
|
2
ГПС
|
1
ГПС
|
2
ГПС
|
|
ПОСТОЯННАЯ
НАГРУЗКА
|
|
|
|
|
|
|
|
|
|
|
|
КРОВЛЯ
гр.пл. =18 м2
|
|
|
|
|
|
|
|
|
|
|
|
Металлочерепица
|
0,10
|
0,10
|
1,80
|
1,80
|
1,1
|
1,0
|
1,0
|
1,0
|
1,98
|
1,80
|
|
Обрешетка
(100х32 шаг 350 мм)
|
0,045
|
0,045
|
0,81
|
0,81
|
1,1
|
1,0
|
1,0
|
1,0
|
0,89
|
0,81
|
|
Стропила
(50х160 шаг 1100 мм)
|
0,036
|
0,036
|
0,65
|
0,65
|
1,1
|
1,0
|
1,0
|
1,0
|
0,71
|
0,65
|
|
ИТОГО
|
|
|
|
|
|
|
|
|
3,58
|
3,26
|
|
ЧЕРДАЧНОЕ
ПЕРЕКРЫТИЕ
|
|
|
|
|
|
|
|
|
|
|
|
гр.
площадь = 9 м2
|
|
|
|
|
|
|
|
|
|
|
|
Стяжка
из ц.-п. р-ра М100 δ=40мм
|
0,72
|
0,72
|
6,48
|
6,48
|
1,3
|
1,0
|
1,0
|
1,0
|
8,42
|
6,48
|
|
Пенопласт
δ=100
мм
γ=100
кг/м3
|
0,098
|
0,098
|
0,88
|
0,88
|
1,1
|
1,0
|
1,0
|
1,0
|
0,97
|
0,88
|
|
1
слой рубероида на бит. мастике
|
0,05
|
0,05
|
0,45
|
0,45
|
1,2
|
1,0
|
1,0
|
1,0
|
0,54
|
0,45
|
|
Монолитное
перекрытие
|
|
|
|
|
|
|
|
|
|
|
|
γ=2500
кг/м3 δ=160 мм
|
3,92
|
3,92
|
35,28
|
35,28
|
1,3
|
1,0
|
1,0
|
1,0
|
45,86
|
35,28
|
|
ИТОГО
|
|
|
|
|
|
|
|
|
55,80
|
43,09
|
|
ПЕРЕКРЫТИЕ
НА ОТМЕТКЕ 3,300
|
|
|
|
|
|
|
|
|
|
|
|
гр.
площадь = 9 м2
|
|
|
|
|
|
|
|
|
|
|
|
Штучный
паркет δ=19
мм
|
0,15
|
0,15
|
1,35
|
1,35
|
1,1
|
1,0
|
1,0
|
1,0
|
1,49
|
1,35
|
|
Прослойка
из водостойкой мастики
|
0,015
|
0,015
|
0,14
|
0,14
|
1,3
|
1,0
|
1,0
|
1,0
|
0,18
|
0,14
|
|
Стяжка
из ц.-п. р-ра М100 δ=20мм
|
0,36
|
0,36
|
3,24
|
3,24
|
1,3
|
1,0
|
1,0
|
1,0
|
4,21
|
3,24
|
|
Песок
прокаленный γ=1300
кг/м3
|
|
|
|
|
|
|
|
|
|
|
|
δ=40 мм
|
0,51
|
0,51
|
4,59
|
4,59
|
1,3
|
1,0
|
1,0
|
1,0
|
5,97
|
4,59
|
|
Монолитное
перекрытие
|
|
|
|
|
|
|
|
|
|
|
|
γ=2500
кг/м3 δ=160 мм
|
3,92
|
3,92
|
35,28
|
35,28
|
1,3
|
1,0
|
1,0
|
1,0
|
45,86
|
35,28
|
|
Перегородки
|
0,50
|
0,50
|
4,50
|
4,50
|
1,1
|
1,0
|
1,0
|
1,0
|
4,95
|
4,50
|
|
ИТОГО
|
|
|
|
|
|
|
|
62,65
|
49,10
|
|
ПЕРЕКРЫТИЕ
НА ОТМЕТКЕ 0,000
|
|
|
|
|
|
|
|
|
|
|
|
гр.
площадь = 9 м2
|
|
|
|
|
|
|
|
|
|
|
|
Плитка
керам. δ=19
мм
|
0,43
|
0,43
|
3,87
|
3,87
|
1,1
|
1,0
|
1,0
|
1,0
|
4,26
|
3,87
|
|
Прослойка
и заполнение швов ц.-п.
|
|
|
|
|
|
|
|
|
|
|
|
р-ром
М100 δ=15
мм
|
0,27
|
0,27
|
2,43
|
2,43
|
1,3
|
1,0
|
1,0
|
1,0
|
3,16
|
2,43
|
|
Стяжка
из ц.-п. р-ра М100 δ=30мм
|
0,54
|
0,54
|
4,86
|
4,86
|
1,3
|
1,0
|
1,0
|
1,0
|
6,32
|
4,86
|
|
Песок
прокаленный γ=1300
кг/м3
|
|
|
|
|
|
|
|
|
|
|
|
δ=25 мм
|
0,32
|
0,32
|
2,88
|
2,88
|
1,3
|
1,0
|
1,0
|
1,0
|
3,74
|
2,88
|
|
Монолитное
перекрытие
|
|
|
|
|
|
|
|
|
|
|
|
γ=2500
кг/м3 δ=160 мм
|
3,92
|
3,92
|
35,28
|
35,28
|
1,3
|
1,0
|
1,0
|
1,0
|
45,86
|
35,28
|
|
Перегородки
|
0,50
|
0,50
|
4,50
|
4,50
|
1,1
|
1,0
|
1,0
|
1,0
|
4,95
|
4,50
|
|
ИТОГО
|
|
|
|
|
|
|
|
|
68,29
|
53,82
|
|
ВРЕМЕННАЯ
НАГРУЗКА
|
|
|
|
|
|
|
|
|
|
|
|
Снег
|
0,50
|
0,15
|
9,00
|
2,80
|
1,40
|
1,00
|
0,90
|
0,95
|
11,34
|
2,56
|
|
Полезная
на чердак
|
0,70
|
|
6,30
|
|
1,30
|
|
0,90
|
|
7,37
|
|
|
Полезная
на перекрытие 1-го этажа
|
2,00
|
0,70
|
18,00
|
6,30
|
1,30
|
1,00
|
0,90
|
0,95
|
21,06
|
5,99
|
|
2-го
этажа
|
2,00
|
0,70
|
18,00
|
6,30
|
1,30
|
1,00
|
0,90
|
0,95
|
21,06
|
5,99
|
|
ИТОГО
ВРЕМЕННАЯ
|
|
|
|
|
|
|
|
|
60,83
|
14,54
|
|
ИТОГО
ПОЛНАЯ
|
|
|
|
|
|
|
|
|
251,16
|
163,81
|
|
ИТОГО
ПОЛНАЯ НА 1 П.М.
|
|
|
|
|
|
|
|
|
41,86
|
27,30
|
|
Масса
стены п. м.
|
|
|
|
|
|
|
|
|
|
|
|
0,38х8,5х1800х9,8=56980
кН/м
|
|
|
|
|
1,1
|
1,0
|
1,0
|
1,0
|
62,7
|
56,98
|
|
ИТОГО
ПОЛНАЯ НА 1 П.М.
|
|
|
|
|
|
|
|
|
104,54
|
84,28
|
Сечение 3-3 продолжение таблицы 5.1
|
Вид
нагрузки
|
Нормативеая
, кПа
|
|
коэф.
надежности
|
коэффициент
|
Расчетная,
кПа
|
|
|
на
1 м2
|
на
груз. площадь
|
|
по
нагрузке
|
|
сочетаний
|
|
|
|
|
|
1
ГПС
|
2
ГПС
|
1
ГПС
|
2
ГПС
|
1
ГПС
|
2
ГПС
|
1
ГПС
|
2
ГПС
|
1
ГПС
|
2
ГПС
|
|
ПОСТОЯННАЯ
НАГРУЗКА
|
|
|
|
|
|
|
|
|
|
|
|
КРОВЛЯ
гр.пл. =18 м2
|
|
|
|
|
|
|
|
|
|
|
|
Металлочерепица
|
0,10
|
0,10
|
1,80
|
1,80
|
1,1
|
1,0
|
1,0
|
1,0
|
1,98
|
1,80
|
|
Обрешетка
(100х32 шаг 350 мм)
|
0,045
|
0,045
|
0,81
|
0,81
|
1,1
|
1,0
|
1,0
|
1,0
|
0,89
|
0,81
|
|
Стропила
(50х160 шаг 1100 мм)
|
0,036
|
0,036
|
0,65
|
0,65
|
1,1
|
1,0
|
1,0
|
1,0
|
0,71
|
0,65
|
|
ИТОГО
|
|
|
|
|
|
|
|
|
3,58
|
3,26
|
|
ЧЕРДАЧНОЕ
ПЕРЕКРЫТИЕ
|
|
|
|
|
|
|
|
|
|
|
|
гр.
площадь = 6,3 м2
|
|
|
|
|
|
|
|
|
|
|
|
Стяжка
из ц.-п. р-ра М100 δ=40мм
|
0,72
|
0,72
|
4,54
|
4,54
|
1,3
|
1,0
|
1,0
|
1,0
|
5,90
|
4,54
|
|
Пенопласт
δ=100
мм
γ=100
кг/м3
|
0,098
|
0,098
|
0,62
|
0,62
|
1,1
|
1,0
|
1,0
|
1,0
|
0,68
|
0,62
|
|
1
слой рубероида на бит. мастике
|
0,05
|
0,05
|
0,32
|
0,32
|
1,2
|
1,0
|
1,0
|
1,0
|
0,38
|
0,32
|
|
Монолитное
перекрытие
|
|
|
|
|
|
|
|
|
|
|
|
γ=2500
кг/м3
δ=160
мм
|
3,92
|
3,92
|
24,70
|
1,3
|
1,0
|
1,0
|
1,0
|
32,10
|
24,70
|
|
ИТОГО
|
|
|
|
|
|
|
|
|
39,06
|
30,16
|
|
Лестничные
марши и площадки
|
2,86
|
2,86
|
18,02
|
18,02
|
1,10
|
1,00
|
1,00
|
1,00
|
19,80
|
18,02
|
|
ПЕРЕКРЫТИЕ
НА ОТМЕТКЕ 0,000
|
|
|
|
|
|
|
|
|
|
|
|
гр.
площадь = 6,3 м2
|
|
|
|
|
|
|
|
|
|
|
|
Плитка
керам. δ=19
мм
|
0,43
|
0,43
|
2,71
|
2,71
|
1,1
|
1,0
|
1,0
|
1,0
|
2,98
|
2,71
|
|
Прослойка
и заполнение швов ц.-п.
|
|
|
|
|
|
|
|
|
|
|
|
р-ром
М100 δ=15
мм
|
0,27
|
0,27
|
1,70
|
1,70
|
1,3
|
1,0
|
1,0
|
1,0
|
2,21
|
1,70
|
|
Стяжка
из ц.-п. р-ра М100 δ=30мм
|
0,54
|
0,54
|
3,40
|
3,40
|
1,3
|
1,0
|
1,0
|
1,0
|
4,42
|
3,40
|
|
Песок
прокаленный γ=1300
кг/м3
|
|
|
|
|
|
|
|
|
|
|
|
δ=25 мм
|
0,32
|
0,32
|
2,02
|
2,02
|
1,3
|
1,0
|
1,0
|
1,0
|
2,62
|
2,02
|
|
Монолитное
перекрытие
|
|
|
|
|
|
|
|
|
|
|
|
γ=2500
кг/м3 δ=160 мм
|
3,92
|
3,92
|
24,70
|
24,70
|
1,3
|
1,0
|
1,0
|
1,0
|
32,10
|
24,70
|
|
Перегородки
|
0,50
|
0,50
|
3,15
|
3,15
|
1,1
|
1,0
|
1,0
|
1,0
|
3,47
|
3,15
|
|
ИТОГО
|
|
|
|
|
|
|
|
|
47,80
|
37,67
|
|
ВРЕМЕННАЯ
НАГРУЗКА
|
|
|
|
|
|
|
|
|
|
|
|
Снег
|
0,50
|
0,15
|
9,00
|
2,80
|
1,40
|
1,00
|
0,90
|
0,95
|
11,34
|
2,56
|
|
Полезная
на чердак
|
0,70
|
|
4,41
|
|
1,30
|
|
0,90
|
|
5,16
|
|
|
Полезная
на перекрытие 1-го этажа
|
2,00
|
0,70
|
12,60
|
4,41
|
1,30
|
1,00
|
0,90
|
0,95
|
14,74
|
4,19
|
|
2-го
этажа
|
2,00
|
0,70
|
12,60
|
4,41
|
1,30
|
1,00
|
0,90
|
0,95
|
14,74
|
4,19
|
|
ИТОГО
ВРЕМЕННАЯ
|
|
|
|
|
|
|
|
|
45,98
|
10,94
|
|
ИТОГО
ПОЛНАЯ
|
|
|
|
|
|
|
|
|
156,23
|
100,06
|
|
ИТОГО
ПОЛНАЯ НА 1 П.М.
|
|
|
|
|
|
|
|
|
26,04
|
16,68
|
|
Масса
стены п. м.
|
|
|
|
|
|
|
|
|
|
|
|
0,38х10х1800х9,8=67030
кН/м
|
|
|
|
|
1,1
|
1,0
|
1,0
|
1,0
|
73,7
|
67,03
|
|
ИТОГО
ПОЛНАЯ НА 1 П.М.
|
|
|
|
|
|
|
|
|
99,74
|
83,71
|
Рис. 5.2 К определению грузовой площади нагрузки
от кровли и снега
Рис. 5.3 К определению грузовой площади нагрузки
от перекрытий
5.1.3 Подбор размеров подошвы фундамента
Горизонтальную силу давления не учитываем, так
как она будет восприниматься конструкциями перекрытий и полом подвала.
Ориентировочная площадь подошвы фундамента
определяется по формуле:
A = N0II /
( R0 -
d
) (5.2)
А =
м2
где
-
коэффициент, учитывающий меньший удельный вес грунта по сравнению с удельным
весом материала фундамента,
- удельный вес
материала фундамента.
В практических расчетах принимают
=
20 кН / м3.
Таким образом требуемая ширина подошвы
ленточного фундамента 0,6 м.
Рис. 5.4 Схема к определению размеров подошвы
фундамента
Выбираем сборный блок-подушку ФЛ 6.24-4 длиной
2,38 м, весом 0,0093 МН.
Конструкцию стены принимаем из одного
фундаментного стенового блока
ФБС 24.4.6-т шириной 0,4 м, длиной 2,38 м и
весом 0,013 МН.
Вес 1 м длины фундамента:
NfII =
МН
Вес 1 м обратной засыпки на обрезе фундамента:
NgII =
МН
Среднее давление по подошве фундамента:
= ( N0II + NfII +
NgII ) / A (5.3)=
МПа
Расчетное сопротивление грунта несущего слоя
определим по формуле:
R =
(5.4)
При отношении длины здания к его высоте < 1.5
по табл 4.4 [ 2 ]
= 1.25,
=
1.1 ,
по
табл 4.5 [ 2 ] при
= 23 o
= 0.66,
= 3.65,
= 6.24,1 =
=
м - приведенная глубина заложения
фундаментов от пола подвала,
где
hs = 0.84 - высота слоя грунта
от подошвы фундамента до низа конструкции подвала,
= 0.12 м -
толщина пола в подвале,
= 0.022
МН/м3 - удельный вес пола
подвала,
= 0.018
МН/м3 - удельный вес грунта, залегающего
выше подошвы фундамента. Глубина подвала db = 0.6 м; k =1, так как характеристики грунтов получены на
основании лабораторных испытаний; kz =
1, так как b = 0.6 < 10 м.
Получим:
R=
=0.354 МПа
Основное
условие p = 0.207 МПа < R = 0.354 МПа - выполняется.
.1.4
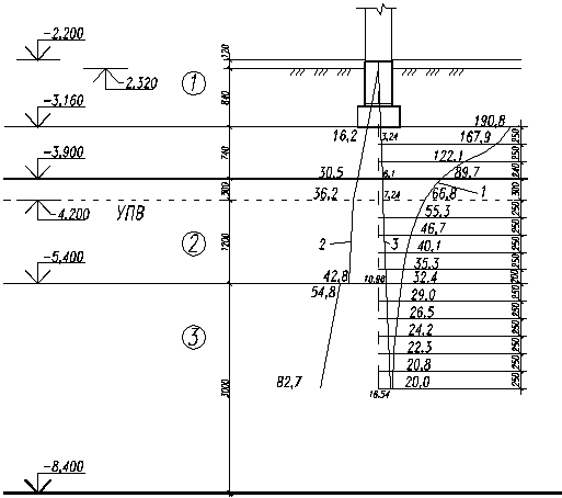
Определение конечных осадок основания методом послойного суммирования
Ширина
подошвы фундамента 0.6 м . Среднее давление под подошвой фундамента p = 207 КПа.
Разбиваем
толщу грунта ниже подошвы фундамента на элементарные слои толщиной
hi = 0.4 b = 0.24 м
Рис.
5.5 Схема к определению осадок фундамента
-
Эпюра σzp ;
2
- Эпюра σzq ;
-
Эпюра 0,2 σzq.
Для
вертикали, проходящей через середину подошвы фундамента, находим напряжения от
собственного веса грунта
и
дополнительные давления
=
(5.5)
В
уровне подошвы фундамента
в
точке 0
=
КПа;
в
точке 1
=
КПа;
в
точке 2
=
КПа;
в
точке 3
=
КПа;
в
точке 4
=
КПа;
Ниже
УПВ в суглинках с Jl >0.5
учитываем взвешивающее действие воды
=
=
кН/м3
где
- удельный
вес грунта,
- удельный
вес воды, e - коэффициент пористости грунта.
в
точке 5
=
КПа;
в
точке 6
=
КПа;
в
точке 7
=
КПа;
в
точке 8
=
КПа;
в
точке 9
=
КПа;
Глинистые
грунты с Jl < 0.5 считаются
водоупорами. Поэтому на кровле глины эпюра
имеет скачок
=
=
КПа;
в
точке 10
=
КПа;
в
точке 11
=
КПа;
в
точке 12
=
КПа;
в
точке 13
=
КПа;
в
точке 14
=
КПа;
в
точке 15
=
КПа;
Дополнительные
( уплотняющие ) давления вычисляем по формуле:
=
=
0 =
КПа
Расчет
проведем в
табличной форме
Таблица
5.2
Использовав полностью значения ξ из табл.1
прил. 2 СНиП 2.02.01-83* не удалось получить значение σzp =0.2 σzq , определим
осадку и сравним ее с предельно допустимой:
Осадка фундамента вычисляется по
формуле:
=
(5.6)
S =
+
+
+
+
+
+
=
0.019 м=
0.019 м
< Su = 0.15 м
( СНиП
2.02.01-83, прил.4 )
Так как ожидаемая осадка значительно меньше
допустимой и нижележащие грунты обладают достаточной несущей способностью,
можно утверждать, что и на границе сжимаемой толщи осадка фундамента будет в
пределах допустимой. В сечениях 2-2 и
3-3 размеры подошвы фундамента назначаем пропорционально расчетным нагрузкам по
сечениям, q2-2
= 104,5 кН/м², q3-3
= 99,7 кН/м². Значения нагрузок
примерно одинаковы. Поэтому по обоим сечениям в качестве фундаментной плиты
принимаем фундаментный блок ФБС 12.5.3-Т с шириной подошвы 500 мм.
.2 Расчет монолитной плиты перекрытия
5.2.1 Геометрические размеры, определение
нагрузок, характеристики бетона и арматуры
Монолитная плита сплошного сечения, защемленная
по контуру, толщиной 160 мм в
конструктивной ячейке 6 х 6,4 м ( в осях Б-Г и 4-5 )
Рис. 5.6 Схема к расчету монолитной плиты
перекрытия.
Расчетные пролеты плиты : l1 = 6000-260 = 5740 мм, l2 = 6400-260 = 6140 мм.
Соотношение сторон плиты
=
=
<
1,5 - плита работает на изгиб из плоскости в двух направлениях.
Рабочие высоты сечения плиты: h01 = 160-20 = 140 мм, h02 = 160-25 = 135 мм.
Унифицированные нагрузки на плиту:
без учета собственного веса: p = 2.4.10-3 Н/мм2 ;
pn = 2.10-3 Н/мм2 ; pl = 0.7.10-3 Н/мм2;
с учетом собственного веса:
g =
=
5350 Па =
= 5.35.10-3 Н/мм2, где 500 Па - нагрузка от перегородок.
Расчетные нагрузки с учетом коэффициента
надежности по назначению
= 0.95:
q = 0.95(p+1.1g) =
=
Н/мм2;
qn =
0.95(pn+g) =
=
Н/мм2;l = 0.95(pl+g)
=
=
Н/мм2.
Расчетные характеристики бетона и арматуры:
Для тяжелого бетона класса В15 естественного
твердения:
Rb =
=
7.65 МПа; Rbt =
=
0.675 МПа;
при расчете прогибов плиты: Rbn = Rb,ser = 11 МПа; Rbt,n =
Rbt,ser = 1.15 МПа;
Eb =
МПа.
Характеристика арматуры:
Стержни периодического профиля класса А - III
диаметром 6 - 8 мм:
Rs =
355 МПа; Rsn = Rs,ser = 390 МПа; Es =
МПа.
Проволочная арматура периодического профиля
класса Вр-I , диаметром 5 мм:
Rs =
360 МПа; Rsn = Rs,ser = 395 МПа; Es =
МПа.
.2.2 Расчет плиты по прочности
Нагрузка образования трещин в опорных и
пролетном сечениях плиты вычисляется по формуле:
crc,i =
i0 h2 Rbt/ h2 (5.7)
crc,1 =
=
Н/мм2 < 6.98 Н/мм2
= qn ;crc,2 =
=
Н/мм2 < 6.98 Н/мм2
= qn ;crc,3 =
=
Н/мм2 < 6.98 Н/мм2
= qn ;
В плите в опорных и пролетном сечениях
образуются трещины, тогда при назначении арматуры должны удовлетворятся
условия:
в опорных сечениях asi ≥ as,crc ,
в пролетном сечении 0.5( as1+as1) ≥ as,crc
Момент, воспринимаемый сечением плиты при
образовании трещин на длину b=1 м,
mcrc= ( b h2 Rbt,ser ) / 3.5 (5.8)crc =
=
Н
мм
Рис. 5.7 Расчетная схема излома плиты
-1, 2-2, 3-3 - расчетные сечения при определении
нагрузки образования трещин
Требуемое сечение арматуры для восприятия mcrc :
A0 = mcrc / (
Rb b h02 )
(5.9)0 =
=
0.056
= 0.97 , as,crc = mcrc / (Rs
h0 ) (5.10)s,crc =
=
173
Расчет несущей способности плиты. При
одностороннем сопряжении перекрытия с несущей стеной опорная сетка анкеруется
поперечным стержнем, заведенным в толщу стенки на глубину lan = 120 мм, тогда:
поверхность выкалывания на длине b = 1000 мм
s = 2 lan b =
=
Растягивающее усилие воспринимаемое анкером:
nan =
0.5 s Rbt =
=
Н
Максимальное усилие, воспринимаемое анкером
man =
0.9 nan h0 =
=
Н
мм
Требуемое армирование для восприятия момента man :
0 =
=
0.068 ,
=
0.965s,an =
=
213
Плита работает с трещинами по опорному сечению.
Площадь арматуры подбираем из условий
mI' ≤ man ( a's,I ≤
as,an )
mI' ≥ mcrc (
a's,I ≥ as,crc )
Принимаем проволоку диаметром 5 мм с шагом 100
мм из стали класса Вр-I (a's,I = 196 мм2).
Момент, воспринимаемый сечением плиты на данной
опоре,
'I =Rs a's,I ( h0 - 0.5 Rs a's,I / ( Rb b ) ) (5.11) 'I =
=
Нмм
Поперечный анкерующий стержень принимаем в
зависимости от усилия, приходящегося на один продольный стержень опорной сетки,
'an = m'I / n ( h0 - 0.5 Rs a's,I /
( Rb b ) ) =
= 7050 Н
По табл.12 [ 9 ] принимаем анкерующий стержень
диаметром 8 мм из стали класса А-III.
Несущую способность плиты определяем по формуле:
q = 12 ( 2M1 + 2M2 +MI + M'I + MII + M'II ) / ( l12 (3
l2 - l1 )) (5.12)
По табл. 11 [ 6 ] задаем коэффициенты распределения
изгибающих моментов :
= m2 / m1 = 0.8 ,
= mI / m1 = 1 ,
= mII / m2 = 1.2 =
0.8 m1, mI = m1 , mI = 0.8 m1
Из условия a's,II > as,crc назначаем m'II = m'I =
Нмм
Тогда:
=
откуда m1 =
Нмм
Рис. 5.8 Схемы действия изгибающих моментов
Требуемое армирование плиты:
А0 =
=
0,033 ,
=
0.983s,1 =
=
102
Принятым соотношениям
соответствующих
коэффициентам распределения арматуры:
s,2 =
=
81.6
,
as,I = 102
,
as,II = 86
Армирование плиты в пролете принимаем вдоль l1 из стали диаметром 6 мм класса
А-III
с шагом 200 мм ( as,1 = 142
), вдоль l2 из стали диаметром 6 мм класса
А-III
с шагом
250 мм
( as,1 = 113
),
на
опорах
as,I = as,II = a's,I = 196
Проверка несущей способности плиты при принятом
армировании:
=
=
Нмм=
=
Нмм=
mII = m'I =
Нмм=
=
Н/мм2 >
Н/мм2 - прочность плиты обеспечена.
.2.3 Расчет по раскрытию трещин
Расчет по раскрытию трещин нормальных к
продольной оси производим по формуле:
acrc =
>
acrc,2 = 0.3 мм (5.13)
В опорном сечении 1-1
crc,1 =
Н/мм2 <
Н/мм2 = ql
as,I =
196 мм2 ( Вр-I )
=
=0.0014
>
=
0.0005
Относительная высота сжатой зоны при образовании
трещин:
= 0.1 + 0.5
Rs,ser / Rb,ser (5.14)
=
=
0.125
Напряжения в арматуре при действии нагрузки,
соответствующей моменту образования трещин:
= mcrc / [ (1-0.5
)
h0 as,I ] (5.15)
=
=
327 МПа
Предельная несущая способность плиты:
ser =
q Rs,ser / Rs (5.16)ser =
=
Н/мм2
Напряжение в стержнях арматуры
=
+
( Rs,ser -
)
( ql -qcrc ) / ( qser -qcrc )
(5.17)
=
=
342 МПаcrc =
=
0.43 мм > acrc,2= 0.3 мм
архитектурный акустический фундамент
теплотехнический
где
=
1 - для изгибаемых элементов,
= 1.6-15
=
=
1.58 -
коэффициент,
учитывающий длительное действие нагрузки,
=
1.2 - при проволочной арматуре периодического
профиля.
Корректируем величину раскрытия трещин с учетом
работы растянутого бетона над трещинами.
Момент, при котором растянутый бетон над
трещинами практический выключается из работы:
0 =
mcrc +
b
h2 Rbt,ser (5.18)
m0 =
=
Нмм
где
=
( 15
) /
=
= 0.13
где = Es / Eb =
=
7.39
Момент, действующий в сечении плиты под от
нагрузки ql :
l =
mcrc + ( mser - mcrc ) ( ql -
qcrc ) / ( qser - qcrc ) (5.19)l =
=
Нмм
где mser = m'I Rs,ser / Rs =
=
Нмм
Коэффициент, учитывающий уровень нагружения
плиты:
=
=
=
0.175
Коэффициент, учитывающий длительность действия
нагрузки:
= 1.8 mcrc / ml =
= 1.71
Коэффициент, учитывающий работу растянутого
бетона над трещинами:
= 
=
=
0.3
Тогда величина раскрытия трещин:
crc =
=
0.129 мм < acrc,2 = 0.3 мм
В опорном сечении 2-2
Методика расчета аналогичная расчету в сечении
1-1
crc,1 =
Н/мм2 <
Н/мм2 = ql
as,I =
196 мм2 ( Вр-I )
=
=0.0014
>
=
0.0005
Относительная высота сжатой зоны при образовании
трещин:
=
=
0.125
Напряжения в арматуре при действии нагрузки,
соответствующей моменту образования трещин:
=
=
327 МПа
Предельная несущая способность плиты:
qser =
=
Н/мм2
Напряжение в стержнях арматуры
=
=
341 МПаcrc =
=
0.44 мм > acrc,2= 0.3 мм
Корректируем величину раскрытия трещин с учетом
работы растянутого бетона над трещинами.
Момент, при котором растянутый бетон над
трещинами практический выключается из работы:
m0 =
=
Нмм
Момент, действующий в сечении плиты под от
нагрузки ql :
ml =
=
Нмм
Коэффициент, учитывающий уровень нагружения
плиты:
=
=
0.159
Коэффициент, учитывающий длительность действия
нагрузки:
=
=
1.71
Коэффициент, учитывающий работу растянутого
бетона над трещинами:
=
=
0.27
Тогда величина раскрытия трещин:
crc =
=
0.116 мм < acrc,2 = 0.3 мм
В пролетном сечении 3-3
crc =
Н
/ мм2 < qn =
Н
/ мм2
Арматура диаметром 6 мм класса А-III as1 = 142 мм2 , as2 =
113 мм2
=
=
=
0.5 ( 0.00101+0.00084) =
= 0.00093 > 0.0005 =
min
Определяем величины:
h0 =
0.5 ( h01 + h02 ) =
=
137.5 ммs =
b
h0 =
=
127.9 мм2
=
=
0.116
=
=
507 МПа
Так как
=
507 МПа > Rs,ser = 390 МПа
, то необходимо усилить армирование.
Назначим as1 = as2 =
251 мм2 ( арматура диаметром
8 мм шаг 200 мм).
Тогда
=
=
0.00183 > 0.0005 =
min
s =
=
251.1 мм2
=
=
0.132
=
=
261 МПа
=
=
=
=266.5
МПа
=
=
1.57 ,
=
1 - для стержней периодического профиля.
=
=
0.28 мм < 0.3 мм = acrc,2
.2.4 Расчет прогиба
плиты
Для монолитной плиты, защемленной по контуру,
максимальный прогиб при ql < qcrc < qn определяется
по формуле:
f = [ f0crc + ( f0ser - f0crc ) ( qn - qcrc ) /
( qser - qcrc ) ] ql / qn (5.20)
где f0crc =
qcrc l14 / (
Eb h3 ) - прогиб защемленной плиты в момент образования
трещин
в пролете,
= 0.017 -
коэффициент, определяемый по графику ( рис.50 [ 9 ] ),
= 0.85 -
коэффициент, учитывающий влияние кратковременной ползучести бетона.
0crc =
=
2.028 мм
f0ser = fser
,ser =
=
=
мм
где
=
0.15 - коэффициент, характеризующий упругопластическое состояние бетона
сжатой
зоны,
=
1 + 0.2 (
- 1 ) =
=
1.14 - коэффициент, учитывающий
возможные отклонения толщины защитного слоя арматуры,
= h01 / ( h01 - 0.7 ) =
= 1.05 -
коэффициент, учитывающий несовпадение возможного прогиба плиты с прогибом в
точке пересечений линий излома.
= 1 / ( 1 +
/
n ) =
=
0.56 - коэффициент, учитывающий влияние
защемления плиты на ее прогибы в предельном
состоянии,
где
=
+
+
+
=
3.12 - сумма коэффициентов ортотропии армирования плиты,
т.к. as,1 = as,2 = 251 мм2 , as,I =
as,II = a's,I = a's,II = 196 мм2 ,
то
=
=
=
=
196 / 251 = 0,78 и
=
=
3.12=
=
8.27 мм< flim = 30 мм
5.3 Расчет стропил
Стропильная балка из древесины хвойных пород
2-го сорта (сосна, ель) с влажностью до
20 %.
Балка одним концом опирается на конструкции
стены, другим - на коньковую стропильную ферму. Для уменьшения сечения балки
она опирается на стропильную ферму в середине пролета.
Для предварительного расчета конструктивно
назначим состав кровли:
стропила -50х160 мм, шаг 1100 мм;
обрешетка 100х32 мм шаг 350 мм;
металлочерепица.
Подсчет нагрузок на балку проводим в табличной
форме, учитывая, что нагрузка с обрешетки и металлочерепицы собирается с
площади 1х1,1 м².
Таблица 5.3
|
|
Нормативная,
|
Коэфф.надежности
|
Расчетная,
|
|
Нагрузка
|
кН/м
|
по
нагрузке
|
кН/м
|
|
Постоянная
|
|
|
|
|
Металлочерепица
|
0,11
|
1,1
|
0,121
|
|
Обрешетка(
100х32 шаг 350)
|
0,049
|
1,1
|
0,054
|
|
Стропила
( 50х160 )
|
0,039
|
1,1
|
0,043
|
|
Итого
|
0,198
|
|
0,218
|
|
Временная
|
|
|
|
|
Снег
|
0,55
|
1,6
|
0,880
|
|
Итого
|
0,748
|
|
1,098
|
н =
0.748 кН/м, q = 1.098
кН/м
Рис. 5.9 К расчету
стропил
Расчетный пролет стропильной ноги:
l =
мм
Максимальный изгибающий момент:
М =
(5.21)
М =
кНм
Проверка прочности стропильной ноги:
=
(5.22)
=
КПа
= 6.71 МПа < 13 МПа = Rи
где W =
=
м3 - момент сопротивления сечения.b = 1 - коэффициент, учитывающий
размеры сечения.
Проверка прогиба стропильной ноги вычисляется по
формуле:
f0 =
=
=
<
где J =
=
=
м4 - момент инерции сечения,
E =
КПа
- модуль упругости древесины.
Все проверки выполняются, поэтому принимаем
сечение стропильной ноги 50х160 мм.
6. ТЕХНОЛОГИЯ СТРОИТЕЛЬНОГО ПРОИЗВОДСТВА
.1 Технология строительных и монтажных работ
.1.1 Определение номенклатуры и объемов
внутриплощадочных подготовительных и основных строительно-монтажных работ
Подсчет объемов строительно-монтажных работ
осуществляется в соответствии с правилами исчисления объемов работ технической
части каждой главы СНиП IV-2-82.
Исходными данными служат
архитектурно-строительная и расчетно-конструктивная части проекта.
Подсчет объемов работ ведем в табличной форме.
|
Ведомость
подсчета объемов работ по административному
|
|
зданию
со встроенным магазином
|
|
|
|
№
|
Наименование
|
ед.
|
количество
|
|
п.п.
|
работ
|
изм.
|
|
|
|
Подземная
часть
|
|
|
|
|
1.
Земляные работы
|
|
|
|
1
|
Разработка
грунта экскаватором в отвал
|
м3
|
440
|
|
2
|
Доработка
грунта вручную
|
м3
|
44
|
|
3
|
Перемещение
грунта в резерв на 100 м
|
м3
|
440
|
|
4
|
Перемещение
грунта из резерва на 100 м
|
м3
|
290
|
|
5
|
Засыпка
траншей и котлованов бульдозером
|
м3
|
120
|
|
6
|
Подсыпка
грунта под полы
|
м3
|
135
|
|
7
|
Уплотнение
грунта
|
м3
|
135
|
|
8
|
Планировка
подсыпаемого грунта
|
м2
|
166
|
|
|
2.
Фундаменты
|
|
|
|
9
|
Устройство
бетонной подготовки из бетона М100
|
м3
|
5,4
|
|
10
|
Укладка
блоков и плит ленточных фундаментов массой до 0,5т
|
шт/м3
|
44/7,08
|
|
11
|
Укладка
блоков и плит ленточных фундаментов массой до1,5т
|
шт/м3
|
18/6,66
|
|
12
|
Установка
блоков стен подвалов массой до 0,5 т
|
шт/м3
|
26/5,07
|
|
13
|
Установка
блоков стен подвалов массой до 1 т
|
шт/м3
|
26/6,89
|
|
14
|
Установка
блоков стен подвалов массой до1,5 т
|
шт/м3
|
45/24,44
|
|
15
|
Боковая
обмазочная гидроизоляция стен
|
м2
|
285
|
|
16
|
Горизонтальная
гидроизоляция стен
|
м2
|
64
|
|
17
|
Кладка
стен из керамического кирпича, наружных
|
м3
|
28,5
|
|
18
|
Кладка
стен из керамического кирпича, внутренних
|
м3
|
25,5
|
|
|
Надземная
часть
|
|
|
|
|
3.
Стены
|
|
|
|
19
|
Кладка
стен из керамического кирпича, наружных
|
м3
|
144,5
|
|
20
|
Кладка
закругленных стен
|
м3
|
25,5
|
|
21
|
Кладка
стен из керамического кирпича, внутренних
|
м3
|
85,3
|
|
22
|
Трубы
дымовые кирпичные
|
м3
|
8,6
|
|
24
|
Укладка
перемычек массой до 0,3 т
|
шт/м3
|
83/2,2
|
|
25
|
Ж/б
включения из бетона М200
|
м3
|
5,24
|
|
|
3.
Перекрытия
|
|
|
|
|
Перекрытие
на отм. -0,240
|
|
|
|
26
|
Устройство
ж/б перекрытий из бетона М200
|
м3
|
30,1
|
Перекрытие
на отм. 3,000
|
|
|
|
27
|
Устройство
ж/б перекрытий из бетона М200
|
м3
|
29,4
|
|
|
Перекрытие
на отм. 6,240
|
|
|
|
28
|
Устройство
ж/б перекрытий из бетона М200
|
м3
|
31
|
|
|
4.
Лестницы
|
|
|
|
29
|
Укладка
лестничных маршей
|
шт/м2
|
2/8,26
|
|
30
|
Укладка
лестничных площадок
|
шт/м2
|
3/8,25
|
|
31
|
Укладка
проступей
|
шт/мп
|
22/24,2
|
|
|
5.
Кровля
|
|
|
|
32
|
Устройство
оклеечной пароизоляции
|
м2
|
190
|
|
33
|
Утепление
покрытий пенопластом
|
м3
|
19
|
|
34
|
Устройство
выравнивающих цементных стяжек
|
м2
|
190
|
|
35
|
Установка
стропил
|
м3
|
3,95
|
|
36
|
Устройство
кровли из металлочерепицы
|
м2
|
237
|
|
|
5.
Перегородки
|
|
|
|
37
|
Перегородки
из керамического кирпича
|
м2
|
227
|
|
|
6.
Окна
|
|
|
|
38
|
Установка
оконных блоков
|
м2
|
58,8
|
|
39
|
Остекление
оконных блоков
|
м2
|
59
|
|
40
|
Установка
подоконных досок
|
м2
|
53,7
|
|
41
|
Установка
витражей
|
м2
|
4,84
|
|
42
|
Остекление
витражей
|
м2
|
5
|
|
|
7.
Двери
|
|
|
|
43
|
Установка
дверных блоков
|
м2
|
62,3
|
|
|
8.
Ворота
|
|
|
|
44
|
Установка
ворот
|
м2
|
36
|
|
|
9.
Полы
|
|
|
|
45
|
Устройство
стяжек цементных δ
= 20 мм
|
м2
|
476
|
|
46
|
Устройство
звукоизоляционного слоя из песка
|
м3
|
11,36
|
|
47
|
Устройство
покрытий из линолеума
|
м2
|
35
|
|
48
|
Устройство
обмазочной гидроизоляции
|
м2
|
167
|
|
49
|
Устройство
покрытий из паркета штучного
|
м2
|
167
|
|
50
|
Устройство
покрытий из керамической плитки
|
м2
|
108
|
|
51
|
Уплотнение
грунта щебнем
|
м2
|
173
|
|
52
|
Устройство
подстилающих слоев бетонных
|
м3
|
13,82
|
|
53
|
Оклейка
рубероидом и гидроизолом
|
м2
|
177,32
|
|
54
|
Устройство
покрытий бетонных δ
= 30 мм
|
м2
|
173
|
|
|
10.
Внутренняя отделка
|
|
|
|
23
|
Утепление
наружных стен
|
м2
|
245
|
|
55
|
Улучшенная
штукатурка стен
|
м2
|
1362
|
|
56
|
Облицовка
внутренних стен
|
м2
|
100
|
|
57
|
Улучшенная
окраска стен
|
м2
|
857
|
|
58
|
Улучшенная
окраска потолков
|
м2
|
433
|
|
59
|
Известковая
окраска внутри помещений
|
м2
|
200
|
|
|
11.
Наружная отделка
|
|
|
|
60
|
Штукатурка
фасадов высококачественная
|
м2
|
230
|
|
61
|
Облицовка
цоколя и парапета плитами из песчаника
|
м2
|
115,4
|
|
62
|
Штукатурка
фасадов декоративным раствором
|
м2
|
65
|
|
63
|
Устройство
обрамлений на фасадах
|
м2
|
561
|
6.1.2 Калькуляция трудовых затрат и машиносмен
на подготовительные и основные строительно-монтажные работы в целом по объекту
Калькуляцию трудовых затрат и машиносмен
проводим в табличной форме:
Таблица 6.2 Калькуляция затрат труда и
машиносмен
|
№
|
Наименование
|
ед.
|
Объем
|
Обоснование
|
Норма
времени
|
Затраты
труда
|
|
п.п
|
работ
|
изм.
|
работ
|
|
рабочих
|
машинистов
|
рабочих
|
машинистов
|
|
|
|
|
|
|
чел.-ч
|
чел.-ч
|
чел.-ч
|
чел.-ч
|
|
|
I
Подземная часть
|
|
|
|
|
|
|
|
|
|
1.
Земляные работы
|
|
|
СНиП
IV-2-82
|
|
|
|
|
|
1
|
Разработка
грунта экскаватором в отвал
|
100м3
|
4,4
|
1-12-2
|
0,83
|
3,7
|
3,65
|
16,28
|
|
2
|
Доработка
грунта вручную
|
м3
|
39,2
|
1-78-2
|
1,84
|
|
72,13
|
|
|
3
|
Перемещение
грунта в резерв на 100 м
|
100м3
|
4,4
|
1-29-2
|
|
1,62
|
|
7,13
|
|
4
|
Перемещение
грунта из резерва на 100 м
|
100м3
|
2,9
|
1-29-2
|
|
1,62
|
|
4,70
|
|
5
|
Засыпка
траншей и котлованов бульдозером
|
100м3
|
1,2
|
1-31-2
|
|
0,75
|
|
0,90
|
|
6
|
Подсыпка
грунта под полы
|
100м3
|
1,35
|
1-12-5
|
1,1
|
5,19
|
1,49
|
7,01
|
|
7
|
Уплотнение
грунта
|
100м3
|
1,35
|
1-118-10
|
|
11,2
|
|
15,12
|
|
8
|
Планировка
подсыпаемого грунта
|
100м2
|
1,66
|
1-116-5
|
|
7,15
|
|
11,87
|
|
|
2.
Фундаменты
|
|
|
|
|
|
|
|
|
9
|
Устройство
бетонной подготовки из бетона М100
|
м3
|
5,4
|
6-1-1
|
1,37
|
|
7,40
|
|
|
10
|
Укладка
блоков и плит ленточных фундаментов массой до 0,5т
|
шт
|
44
|
7-1-1
|
0,65
|
0,18
|
28,60
|
7,92
|
|
11
|
Укладка
блоков и плит ленточных фундаментов массой до1,5т
|
шт
|
18
|
7-1-2
|
0,865
|
0,24
|
15,57
|
4,32
|
|
12
|
шт
|
26
|
7-36-1
|
0,386
|
0,13
|
10,04
|
3,38
|
|
13
|
Установка
блоков стен подвалов массой до 1 т
|
шт
|
26
|
7-36-2
|
0,53
|
0,18
|
13,78
|
4,68
|
|
14
|
Установка
блоков стен подвалов массой до1,5 т
|
шт
|
45
|
7-36-3
|
0,82
|
0,27
|
36,90
|
12,15
|
|
15
|
Боковая
обмазочная гидроизоляция стен
|
100м2
|
2,85
|
8-4-6
|
33,6
|
|
95,76
|
|
|
16
|
Горизонтальная
гидроизоляция стен
|
100м2
|
0,64
|
8-4-1
|
38,1
|
|
24,38
|
|
|
17
|
Кладка
стен из керамического кирпича, наружных
|
м3
|
28,5
|
8-5-2
|
4,23
|
|
120,56
|
|
|
18
|
Кладка
стен из керамического кирпича, внутренних
|
м3
|
25,5
|
8-5-4
|
3,9
|
|
99,45
|
|
|
|
3.
Перекрытие на отм. -0,240
|
|
|
|
|
|
|
|
|
19
|
Устройство
ж/б перекрытий из бетона М200
|
м3
|
30,1
|
технол.
карта
|
|
|
190,25
|
2,05
|
|
|
II
1-й ярус
|
|
|
|
|
|
|
|
|
20
|
Устройство
несущих конструкций 1-го этажа
|
|
|
технол.
карта
|
|
|
737,33
|
40,73
|
|
21
|
Перегородки
из керамического кирпича
|
100м2
|
1,2
|
8-5-8
|
137
|
|
164,40
|
|
|
22
|
Укладка
лестничных маршей
|
шт
|
2
|
7-41-4
|
2,13
|
0,48
|
4,26
|
0,96
|
|
23
|
Укладка
лестничных площадок
|
шт
|
3
|
7-41-1
|
1,53
|
0,32
|
4,59
|
0,96
|
|
24
|
Укладка
проступей
|
шт
|
22
|
7-47-11
|
0,56
|
0,03
|
12,32
|
0,66
|
|
|
III
2-й ярус
|
|
|
|
|
|
|
|
|
25
|
Устройство
несущих конструкций 1-го этажа
|
|
|
технол.
карта
|
|
|
737,33
|
40,73
|
|
26
|
Перегородки
из керамического кирпича
|
100м2
|
1,07
|
8-5-8
|
137
|
|
146,59
|
|
|
|
IV
Кровля
|
|
|
|
|
|
|
|
|
27
|
Устройство
оклеечной пароизоляции
|
100м2
|
1,9
|
12-9-6
|
16
|
|
30,40
|
|
|
28
|
Утепление
покрытий пенопластом
|
м3
|
19
|
26-8-16
|
10,7
|
|
203,30
|
|
|
29
|
Устройство
выравнивающих цементных стяжек
|
100м2
|
1,9
|
12-10-2
|
15
|
|
28,50
|
|
|
30
|
Установка
стропил
|
м3
|
3,95
|
10-11
|
23,8
|
|
94,01
|
|
|
31
|
Устройство
кровли из металлочерепицы
|
100м2
|
2,37
|
12-7-1
|
81
|
|
191,97
|
|
|
|
V
Окна, двери и ворота
|
|
|
|
|
|
|
|
|
32
|
Установка
оконных блоков
|
м2
|
58,8
|
10-13-1
|
1,6
|
|
94,08
|
|
|
33
|
Остекление
оконных блоков
|
м2
|
59
|
15-201-1
|
0,43
|
|
25,37
|
|
|
34
|
Установка
подоконных досок
|
м2
|
53,7
|
10-19-2
|
0,59
|
|
31,68
|
|
|
35
|
Установка
витражей
|
м2
|
4,84
|
10-13-4
|
1,93
|
|
9,34
|
|
|
36
|
Остекление
витражей
|
м2
|
5
|
15-201-8
|
1,08
|
|
5,40
|
|
|
37
|
Установка
дверных блоков
|
м2
|
62,3
|
10-20-1
|
0,91
|
|
56,69
|
|
|
38
|
Установка
ворот
|
м2
|
36
|
10-27-1
|
2,56
|
|
92,16
|
|
|
|
VI
Внутренняя отделка
|
|
|
|
|
|
|
|
|
39
|
Утепление
наружных стен
|
100м2
|
2,45
|
10-56-1
|
124
|
|
303,80
|
|
|
40
|
Улучшенная
штукатурка стен
|
100м2
|
13,62
|
15-55-5
|
64
|
4,1
|
871,68
|
55,84
|
|
41
|
Облицовка
внутренних стен
|
100м2
|
1
|
15-6-3
|
430
|
|
430,00
|
|
|
42
|
Улучшенная
окраска стен
|
100м2
|
8,57
|
15-168-3
|
41
|
|
351,37
|
|
|
43
|
Улучшенная
окраска потолков
|
100м2
|
4,33
|
15-168-4
|
51,6
|
|
223,43
|
|
|
44
|
Известковая
окраска внутри помещений
|
100м2
|
2
|
15-153-1
|
9,7
|
|
19,40
|
|
|
|
|
|
|
|
|
|
|
|
45
|
Устройство
стяжек цементных δ
= 20 мм
|
100м2
|
4,76
|
11-8-1
|
18,8
|
|
89,49
|
|
|
46
|
Устройство
звукоизол.слоя из песка
|
м3
|
11,36
|
11-7-2
|
4,1
|
|
46,58
|
|
|
47
|
Устройство
покрытий из линолеума
|
100м2
|
0,35
|
11-28
|
75,5
|
|
26,43
|
|
|
48
|
Устройство
обмазочной гидроизоляции
|
100м2
|
1,67
|
11-3-1
|
31,2
|
|
52,10
|
|
|
49
|
Устройство
покрытий из паркета штучного
|
100м2
|
1,67
|
11-27-7
|
129
|
|
215,43
|
|
|
50
|
Устройство
покрытий из керамической плитки
|
100м2
|
1,08
|
11-20-3
|
108
|
|
116,64
|
|
|
51
|
Уплотнение
грунта щебнем
|
100м2
|
1,73
|
11-1-2
|
7,19
|
|
12,44
|
|
|
52
|
Устройство
подстилающих слоев бетонных
|
м3
|
13,82
|
11-1-11
|
2,9
|
|
40,08
|
|
|
53
|
Оклейка
рубероидом и гидроизолом
|
100м2
|
1,77
|
13-25-1
|
1,4
|
|
2,48
|
|
|
54
|
Устройство
покрытий бетонных δ
= 30 мм
|
100м2
|
1,73
|
11-8-3
|
30,32
|
|
52,45
|
|
|
|
VIII
Наружная отделка
|
|
|
|
|
|
|
|
|
55
|
Устройство
обрамлений на фасадах
|
100м2
|
5,61
|
12-8-1
|
7,9
|
|
44,32
|
|
|
56
|
Штукатурка
фасадов высококачественная
|
100м2
|
2,3
|
15-52-1
|
93
|
4,1
|
213,90
|
9,43
|
|
57
|
Облицовка
цоколя и парапета плитами из песчаника
|
100м2
|
1,15
|
15-6-5
|
240
|
|
276,00
|
|
|
58
|
Штукатурка
фасадов декоративным раствором
|
100м2
|
0,65
|
15-53-1
|
132
|
2,4
|
85,80
|
1,56
|
|
ИТОГО
|
|
|
|
|
|
6863,48
|
248,37
|
.1.3 Выбор основных строительно-монтажных машин,
оснастки и приспособлений по техническим параметрам
Подбирая монтажный кран, учитываем:
из поднимаемых грузов наибольший вес имеет
бункер с раствором (вместимость 1м³
) -2т;
стесненные условия стройплощадки (необходимость
работы крана с одной стоянки, при максимальном требуемом вылете стрелы 24м).
Принимаем пневмоколесный кран КС-5363 со стрелой
длиной 30м и грузоподъемностью 8т (при
стреле длиной 30м).
Рис. 6.1. Грузовая характеристика крана КС-5363
- кривая высоты подъема стрелы
2- кривая грузоподъемности
Выбор остальных строительных машин сводим в
таблицу 6.3
Таблица 6.3
|
Наименование
машин и механизмов
|
Марка
|
Ед.
изм.
|
Кол-во
|
Вид
выполняемых работ
|
|
Экскаватор
с ковшом емк.
0,25
м³
|
ЭО-262Т
|
шт
|
1
|
Земляные
работы
|
|
Бульдозер
75 л.с.
|
Д-606
|
шт
|
1
|
Земляные
работы
|
|
Автосамосвал
|
ГАЗ-93А
|
шт
|
1
|
Перевозка
грузов
|
|
Автомобиль
бортовой
|
ГАЗ-5203
|
шт
|
1
|
Перевозка
грузов
|
|
Полуприцеп
|
|
шт
|
1
|
Перевозка
грузов
|
|
Компрессор
передвижной
|
С-39А
|
шт
|
1
|
Выработка
сжатого воздуха
|
|
Пневмотрамбовка
|
ТР-1
|
шт
|
1
|
Уплотнение
грунта
|
|
Паркетно-шлифовальная
машина
|
|
шт
|
1
|
Отделка
паркетных полов
|
|
Штукатурная
станция
|
Салют-2
|
шт
|
1
|
Штукатурные
работы
|
|
Малярная
станция
|
СО-115
|
шт
|
1
|
Малярные
работы
|
|
Трансформаторная
подстанция
|
СКТП-100-6/10/0.4
|
шт
|
1
|
Выработка
электроэнергии
|
Строительные машины, оснастка и приспособления
для производства работ по кирпичной кладке и устройству монолитного перекрытия
подробно описаны в подразделе 6.1.5 .
.1.4 Краткое описание методов выполнения работ
Земляные работы предусматривается проводить
экскаватором ЭО-262Т, оборудованным обратной лопатой с ковшом вместимостью 0,25
м³,
а также бульдозером Д-606 на базе трактора 75 л.с. Монтажные работы при
строительстве проектируемого здания проводятся с использованием крана КС-5363.
Так как размеры здания в плане небольшие, то
размер захватки принимаем равным размеру этажа и поточно производятся только
отделочные работы .
Методы производства кирпичной кладки и работ по
устройству монолитного перекрытия подробно описаны в технологической карте (п.
6.1.5 ).
Работы по устройству кровли выполнять в
соответсвии со СНиП 3.04.02-87.
Отделочные работы производить после окончания
монтажных работ и устройства кровли.
Штукатурные работы производятся с применением
штукатурной станции "Салют-2", малярные работы - с применением
малярной станции СО-115.
Прочие работы производить с помощью средств
малой механизации или нормокомплекта механизмов, приспособлений и инструментов.
При выполнении строительно-монтажных работ
необходимо выполнять требования соответствующих СНиП, правил производства
работ, а также СНиП III-4-80*
"Техника безопасности в строительстве", и ППЗ-05-85 "Правила
пожарной безопасности при производстве строительно-монтажных работ".
6.1.5 Описание разработанной технологической
карты на один из видов строительно-монтажных работ с анализом ее
технико-экономических показателей
ТЕХНОЛОГИЧЕСКАЯ КАРТА
На комплексный процесс строительно-монтажных
работ на 1-ом ярусе проектируемого здания.
В состав комплексного процесса входят работы:
кирпичная кладка несущих стен первого этажа;
устройство монолитного перекрытия на отм. 3,000.
Область применения технологической карты
Данная технологическая карта разработана на кладку
кирпичных стен и устройство монолитного перекрытия. В состав работ,
рассматриваемых в карте, входят:
кирпичная кладка стен;
перестановка подмостей;
опалубочные работы;
арматурные работы;
бетонирование перекрытий;
такелажные работы.
Организация и технология выполнения работ
Кирпичная кладка
До начала кирпичной кладки должны быть
выполнены:
работы по организации строительной площадки;
работы по возведению подземной части здания;
геодезическая разбивка осей здания;
доставлены на площадку и подготовлены к работе
пневмоколесный кран, подмости, необходимые приспособления, инвентарь и
материалы.
Доставку кирпича на объект осуществляют пакетами
в специально оборудованных бортовых машинах. Раствор на объект доставляют
автомобилями- самосвалами. В процессе кладки запас материалов пополняется.
Складирование кирпича предусмотрено на
спланированной площадке на поддонах.
Разгрузку кирпича с автомашин и подачу на склад
и рабочее место осуществляют пакетами с помощью захвата Б-8. Раствор подают на
рабочее место инвентарным раздаточным бункером вместимостью 1 м3 в
металлические ящики вместимостью 0,25 м3.
Работы по возведению этажа выполняет бригада из
7 человек:
каменщик 3 разряда -6;
монтажник-такелажник 2 разряда -1;
При производстве кирпичной кладки стен
используют инвентарные шарнирно-пакетные подмости; для кладки стен в зоне
лестничной клетки - переходные площадки и подмости для кладки пилонов.
Работы по производству кирпичной кладки стен
выполняют в следующей технологической последовательности:
подготовка рабочих мест каменщиков;
кирпичная кладка стен с расшивкой (без расшивки)
швов.
Подготовку рабочих мест каменщиков осуществляют
в следующем порядке:
устанавливают подмости;
расставляют на подмостях кирпич в количестве,
необходимом для двухчасовой работы;
устанавливают порядовки с указанием на них
отметок оконных и дверных проемов и т.д.
Процесс кирпичной кладки состоит из следующих
операций:
установка и перестановка причалки;
рубка и теска кирпичей (по мере надобности);
подача кирпичей и раскладка их на стене;
перелопачивание, подача, расстилание и
разравнивание раствора на стене;
укладка кирпичей в конструкцию;
расшивка швов (для наружных стен);
проверка правильности выложенной кладки.
Кирпичную кладку стен предусмотрено вести 3
звеньями "двойка" в две смены.
До начала работ по устройству монолитного
перекрытия должны выполнены:
работы по производству кирпичной кладки;
геодезическая разбивка осей и отметок;
доставлены на площадку и подготовлены к работе
необходимые приспособления, инвентарь и материалы.
Работы по устройству монолитного перекрытия
включают в себя:
опалубочные работы;
арматурные работы;
бетонирование перекрытий.
Опалубочные работы
Опалубка перекрытий состоит из рам с домкратами,
продольных (высотой 160 мм) и поперечных (высотой 140 мм) балок и вилок для их
установки. Устройство и спецификация элементов опалубки перекрытия представлены
в графической части проекта.
За состоянием установленной опалубки должно
вестись непрерывное наблюдение в процессе бетонирования. В случае
непредвиденных деформаций отдельных элементов опалубки или недопустимого
раскрытия щелей следует устанавливать дополнительные крепления и исправлять
деформированные места.
Демонтаж опалубки разрешается проводить только
после достижения бетоном требуемой прочности и с разрешения производителя
работ.
Отрыв опалубки от бетона должен производиться с
помощью домкратов.
После снятия опалубки необходимо:
произвести визуальный осмотр элементов опалубки;
очистить от налипшего бетона все элементы
опалубки;
произвести смазку поверхности палуб, проверить и
нанести смазку на винтовые соединения;
произвести сортировку элементов опалубки по
маркам.
Арматурные работы
До монтажа арматуры необходимо:
тщательно проверить соответствие опалубки
проектным размерам и качество ее выполнения;
составить акт приемки опалубки;
подготовить к работе такелажную оснастку и
инструменты;
очистить арматуру от ржавчины;
проемы в перекрытиях закрыть деревянными щитами
или поставить временное ограждение.
Арматурные стержни транспортируют в пачках, а
закладные детали в ящиках.
Поступившие на строительную площадку арматурные
стержни укладывают на стеллажах в закрытых складах, рассортированными по
маркам, диаметрам и длинам.
Стержни подаются к месту монтажа пучками. Сетки
нижнего и верхнего армирования вяжутся из стержней на монтажном горизонте.
Для образования защитного слоя между арматурой и
опалубкой устанавливают фиксаторы с шагом 0,8-1 м.
Приемка смонтированной арматуры осуществляется
до укладки бетонной смеси и оформляется актом на скрытые работы.
Бетонирование перекрытий
До начала укладки бетонной смеси должны быть
выполнены следующие работы:
проверена правильность установки арматуры и
опалубки;
приняты по акту все конструкции и их элементы,
доступ к которым после бетонирования
невозможен;
очищены от мусора, грязи и ржавчины опалубка и
арматура;
проверена работа всех механизмов, исправность
приспособлений, оснастки и инструментов.
Доставка на объект бетонной смеси
предусматривается автобетоносместителями
СБ-92В-2.
Подача бетонной смеси к месту укладки бетона
предусмотрена при помощи автобетононасоса СБ-170-1 с дальностью подачи бетонной
смеси по горизонтали 19 м, по вертикали 22 м.
В состав работ по бетонированию входят:
прием и подача бетонной смеси;
укладка и уплотнение бетонной смеси;
уход за бетоном.
Нормальная эксплуатация автобетононасоса
обеспечивается в том случае, если бетонная смесь имеет подвижность 4-22 см, что
способствует транспортированию бетонной смеси на предельное расстояние без
расслоений и пробок.
Бетонная смесь в перекрытии уплотняется
виброрейкой СО-47.
При выдерживании бетона в начальный период
твердения необходимо поддерживать благоприятный температурно-влажностный режим
и предохранять его от механических повреждений.
Хождение людей по забетонированным поверхностям,
а также установка на них опалубки разрешается не раньше того времени, когда
бетон наберет прочность не менее 15 кгс/см2 . Контроль за качеством
бетонной смеси производит строительная лаборатория.
Контроль за качеством вибрирования ведется
визуально, по степени осадки смеси, прекращению выхода из нее пузырьков воздуха
и появлению цементного молока на поверхности уложенного бетона.
Работы по монтажу и демонтажу опалубки
выполняются звеном из четырех человек:
Плотники 4 разр. -1;
разр. -2;
такелажники 2 разр. -2.
Работы по установке арматуры выполняются звеном
из пяти человек:
Арматурщики 4 разр. -1;
разр. -2.
Работы по укладке бетонной смеси выполняются
звеном из пяти человек:
Машинист бетононасоса 4 разр. -1;
бетонщики 4 разр. -1;.
разр. -2.
Таблица 6.4 Перечень машин, оборудования,
технологической оснастки, инструмента и инвентаря
|
Наименование
|
Марка,
техническая характеристика
|
Кол-во
|
Назначение
|
|
Кран
пневмоколесный
|
КС
5363
|
1
|
Подъем
элементов
|
|
Строп
4-х ветвевой
|
4СК-5
ГОСТ25573-82
|
1
|
Подъем
элементов
|
|
Установка
для перемешивания и выдачи раствора
|
УБ-342.00.00
|
1
|
Перемешивание
раствора
|
|
Бункер
для раствора
|
БПВ-1,0
ГОСТ 21807-76*, вместимость 1м³
|
1
|
Подача
раствора на рабочее место
|
|
Ящик
для раствора
|
Р.ч.
4241.42.00 вместимость 0,25 м³ ЦНИИОМТП
|
Прием
раствора из бункера
|
|
Шарнирно-пакетные
подмости
|
Р.ч.
507.00 Ленинградоргстрой размеры 5500х2500х1100
|
3
|
Кирпичная
кладка стен
|
|
Кельма
для каменных работ
|
ГОСТ
9533-81
|
6
|
Разравнивание
раствора
|
|
Молоток-кирочка
|
ГОСТ
11042-83
|
6
|
Сколка
и теска кирпича
|
|
Отвес
строительный
|
ОТ-400
ГОСТ 7948-80
|
3
|
Проверка
вертикальности кладки
|
|
Уровень
строительный
|
УС
1-300 ГОСТ 9416-83
|
3
|
Проверка
горизонтальности кладки
|
|
Рейка-порядовка
|
Р.ч.
3293.09.000 ЦНИИОМТП
|
3
|
Проверка
прямолинейности рядов кладки
|
|
Правило
|
ГОСТ
25782-83*
|
3
|
Проверка
правильности кладки
|
|
Рулетка
|
ЗПК
2-30-АНТ/1 ГОСТ 7502-80
|
3
|
Разметка
осей здания
|
|
Лопата
растворная
|
ЛР
ГОСТ 3620-76
|
3
|
Расстилка
раствора
|
|
Линейка
измерительная
|
ГОСТ
1427-75
|
3
|
Разметка
проемов
|
|
Лом
монтажный
|
ЛМ-24
ГОСТ 1405-83
|
2
|
Рихтовка
элементов
|
|
Шнур
причальный
|
ГОСТ
18408-73*
|
2
|
Обеспечение
горизонтальности рядов кладки
|
|
Угольник
для каменных работ
|
Р.ч.
362.00.000 ПТИОМЭС
|
2
|
Проверка
углов
|
|
Захват
|
Б-8
|
1
|
Подача
кирпича на рабочее место
|
|
Автобетононасос
|
СБ-170-1,
дальность подачи распред. стрелы 19 м, производительность 6,5 м³/ч
|
1
|
Подача
бетонной смеси
|
|
Автобетоносместит
|
СБ-92В-2,
объем барабана 6,5 м³, выход
раб. смеси не менее 4,5 м³
|
1
|
Транспортирование
бетонной смеси
|
|
Компрессор
|
С-39А
|
1
|
Подача
сжатого воздуха
|
|
Бак
красконагнетательный
|
СО-12
А, емкость-20 л, масса-20кг
|
1
|
Смазка
щитов опалубки
|
|
Краскораспылитель
ручной пневматический
|
СО-71,
масса 0,66 кг
|
1
|
Смазка
щитов опалубки
|
|
Виброрейка
|
СО-47
|
1
|
Уплотнение
бетонной смеси
|
|
Молоток
стальной строительный
|
МКУ-2
|
1
|
Простукивание
бетона
|
|
Кувалда
кузнечная тупоносая
|
ГОСТ
11406-90
|
1
|
Подгибание
арматурных стержней
|
|
Щетка
металлическая
|
ТУ
494-01-04-76
|
2
|
Очистка
арматуры от ржавчины
|
|
Скребок
металлический
|
|
2
|
Очистка
опалубки от бетона
|
|
Ключи
гаечные
|
ГОСТ
2838-80Е
|
1
компл
|
Опалубочные
работы
|
|
Ножницы
для резки арматуры
|
ГОСТ
7210-75Е
|
1
|
Арматурные
работы
|
|
Плоскогубцы
комбинированные
|
ГОСТ
5547-93
|
3
|
Арматурные
работы
|
|
Кусачки
торцовые
|
ГОСТ
28037-89Е
|
3
|
Арматурные
работы
|
|
Очки
защитные
|
ГОСТ
12.4.013-85Е
|
3
|
Техника
безопасности
|
|
Каска
строительная
|
ГОСТ
12.4.087-84
|
7
|
Техника
безопасности
|
|
Пояс
предохранительный
|
ГОСТ
12.4.089-80
|
7
|
Техника
безопасности
|
|
Перчатки
резиновые
|
ГОСТ
20010-93
|
3
|
Бетонные
работы
|
|
Сапоги
резиновые
|
ГОСТ
5375-79*
|
3
|
Бетонные
работы
|
Требования к качеству и приемке работ
Требования к качеству поставляемых материалов и
изделий, пооперационный контроль качества и технологические процессы,
подлежащие контролю, приведены в табл.
Таблица 6.5
|
Наименование
процессов, подлежащих контролю
|
Предмет
контроля
|
Способ
контроля, инструмент
|
Время
проведения контроля
|
Ответст-венный
за контроль
|
Технические
характеристики оценки качества
|
|
Кирпичная
кладка
|
Качество
кирпича, раствора, арматуры, закладных деталей
|
Внешний
осмотр, проверка паспортов и сертификатов
|
До
начала кладки
|
Прораб
(лаборато-рия)
|
Должны
соответствовать требованиям стандартов и технических условий
|
|
Правильность
разбивки осей
|
Стальная
рулетка
|
До
начала кладки
|
Геодезист
|
Смещение
осей не более 10 мм
|
|
Горизонтальность
отметки обрезов кладки под перекрытие
|
Нивелир,
рейка, уровень
|
До
установки опалубки перекрытия
|
Геодезист
|
Отклонение
отметок обрезов -15 мм
|
|
Геометрические
размеры кладки (толщина, проемы)
|
Стальная
рулетка
|
После
выполнения каждых 10 м³ кладки
|
Мастер
|
Отклонения
- 15 мм
|
|
Вертикальность,
горизонтальность и поверхность кладки
|
Уровень,
рейка, отвес
|
В
процессе и после окончания кладки
|
Мастер,
прораб
|
Отклонения
поверхностей и углов кладки от вертикали-10мм на этаж, от горизонтали - 15мм
на 10м длины, неровности на вертикаль- ной поверхности -10мм при накладывании
рейки длиной2м
|
|
Качество
швов кладки (размеры и заполнение)
|
Стальная
линейка, 2-х метровая рейка
|
После
выполнения каждых 10 м³ кладки
|
Мастер
|
Средняя
толщина горизонтальных швов - 12 мм (10...15), вертикальных -10 мм (8...15)
|
|
Установка
перемычек
|
Положение
перемычек, опирание, размещение, заделка
|
Стальная
линейка, визуально
|
После
установки
|
|
Соответствие
документации
|
|
Приемка
опалубки и сортировка
|
Наличие
комплектов элементов опалубки. Маркировка элементов
|
Визуально
|
В
процессе работы
|
Прораб
|
|
|
Монтаж
опалубки
|
Смещение
осей опалубки от проектного
|
Линейка
измерительная
|
В
процессе монтажа
|
Мастер
|
Допускаемое
отклонение 8мм
|
|
Приемка
арматуры
|
Соответствие
арматурных стержней проекту
|
Визуально
|
До
начала установки
|
Прораб
|
|
|
Монтаж
арматуры
|
Отклонение
от проектных размеров толщины защитного слоя
|
Линейка
измерительная
|
В
процессе монтажа
|
Мастер
|
Допускаемое
отклонение -15 мм
|
|
Расстояние
между рабочими стержнями
|
Линейка
измерительная
|
В
процессе монтажа
|
Мастер
|
Допускаемое
отклонение -10 мм
|
|
Укладка
бетонной смеси
|
Уплотнение
бетонной смеси, уход за бетоном
|
Визуально
|
В
процессе работы
|
Мастер
|
|
|
Подвижность
бетонной смеси
|
Конус
СтройЦНИЛ
|
До
бетонирования
|
Строит.
лаборатория
|
Подвижность
бетонной смеси- 1-3 см осадки конуса
|
|
Состав
бетонной смеси при укладке автобетононасосом
|
Путем
опытного перекачивания
|
До
бетонирования
|
Строит.
лаборатория
|
Испытание
проб бетонной смеси
|
|
Распалубка
конструкций
|
Проверка
соблюдения сроков распалубливания, отсутствие повреждений бетона при
распалубке
|
Визуально
|
После
набора прочности бетоном
|
Прораб,
строит. лаборатория
|
|
|
Калькуляция
затрат труда и машинного времени
|
|
|
|
|
|
№
|
Наименование
|
ед.
|
Объем
|
Обоснование
|
Норма
времени
|
Затраты
труда
|
|
п.п.
|
работ
|
изм.
|
работ
|
|
рабочих
|
машинистов
|
рабочих
|
машинистов
|
|
|
|
|
|
|
чел.-ч
|
чел.-ч(маш.-ч)
|
чел.-ч
|
чел.-ч(маш.-ч)
|
|
1
|
Кладка
наружных стен толщиной в 1,5 кирпича
|
м3
|
69
|
Е3-3А
|
4,1
|
|
282,90
|
|
|
2
|
Кладка
внутренних стен толщиной в 1,5 кирпича
|
м3
|
42,3
|
Е3-3А
|
3,7
|
|
156,51
|
|
|
3
|
Установка,
перестановка пакетных подмостей
|
10м3
|
11,1
|
Е3-20А
|
1,44
|
0,48
|
15,98
|
5,33
|
|
4
|
Монтаж
перемычек
|
шт
|
40
|
Е4-1-13
|
0,47
|
0,155
|
18,80
|
6,20
|
|
5
|
Выгрузка
кирпича из машины пневмоколесным краном
|
100т
|
0,067
|
Е1-5-2
п.2
|
12
|
6,1
|
0,80
|
0,41
|
|
6
|
Подача
кирпича пневмоколесным краном
|
1000шт
|
43,96
|
Е1-6-2
п.2
|
0,66
|
0,33
|
29,01
|
14,51
|
|
7
|
Прием
и выдача р-ра при помощи шнекового перегружателя
|
м3
|
26,04
|
Е1-12
|
0,28
|
|
7,29
|
|
|
8
|
Подъем
р-ра в бункерах вместимостью 1м3 пневмоколесным
|
|
|
|
|
|
|
|
|
|
краном
с разгрузкой в 4 точках
|
м3
|
26,04
|
Е1-6-2
п.7
|
1,4
|
0,4
|
36,46
|
10,42
|
|
9
|
Выгрузка
подмостей из машины пневмоколесным краном
|
100т
|
0,17
|
Е1-5-2
п.1
|
22
|
11
|
3,74
|
1,87
|
|
10
|
Установка
рам и стоек
|
100м
|
4,7
|
Е4-1-33
п.3
|
7,8
|
|
36,66
|
|
|
11
|
м2
|
200
|
Е4-1-34
п.3
|
0,22
|
|
44,00
|
|
|
12
|
Установка
и вязка арматурных стержней
|
т
|
1,06
|
Е4-1-46
п.7Б
|
32
|
|
33,92
|
|
|
13
|
Подача
арматурных элементов к месту укладки
|
100т
|
0,011
|
Е1-6-2
п.18
|
17
|
8,5
|
0,19
|
0,09
|
|
14
|
Прием
бетонной смеси из автобетоносместителя
|
м3
|
29,84
|
Е4-1-48
-3
|
0,11
|
|
3,28
|
|
|
15
|
|
|
|
типовая
техно-
|
|
|
|
|
|
|
Подача
бетонной смеси автобетононасосом
|
100м3
|
0,298
|
логическая
карта
|
6,4
|
6,4
|
1,91
|
1,91
|
|
16
|
Укладка
бетонной смеси в перекрытие
|
м3
|
29,84
|
Е4-1-49
-1
|
0,99
|
|
29,54
|
|
|
17
|
Демонтаж
опалубки перекрытия
|
м2
|
200
|
Е4-1-34-5
|
0,09
|
|
18,00
|
|
|
18
|
Демонтаж
рам и стоек
|
100м
|
4,7
|
Е4-1-33-3
|
3,9
|
|
18,33
|
|
|
19
|
Устройство
и разборка защитных козырьков
|
100м
|
0,61
|
Е6-52
п.20
|
22,2
|
|
13,54
|
|
|
Итого
|
|
|
|
|
|
750,87
|
40,73
|
Таблица 6.7 Потребность в материалах, изделиях и
конструкциях
|
Наименование
материалов,
|
ед.
|
|
Исходные
данные
|
|
Потребность
|
|
изделий
и конструкций
|
изм.
|
Обоснование
|
ед.изм.
|
объем
работ
|
норма
|
на
измеритель
|
|
|
|
нормы
|
по
норме
|
в
нормативных
|
расхода
|
конечной
|
|
|
|
расхода
|
|
единицах
|
|
продукции
|
|
Кирпич
по ГОСТ 379-79
|
м3
|
ЭСН
8-5-7
|
м3
|
111,3
|
0,384
тыс.шт
|
42,74
|
|
Раствор
цементный
|
м3
|
ЭСН
8-5-5
|
м3
|
111,3
|
0,23
м3
|
25,60
|
|
Перемычки
2ПБ17-2-П
|
шт
|
|
|
|
|
15
|
|
2ПБ16-2-П
|
шт
|
|
|
|
|
10
|
|
2ПБ22-3-П
|
шт
|
|
|
|
|
9
|
|
3ПБ18-37-П
|
шт
|
|
|
|
|
6
|
|
Опалубка
перекрытий
|
м2
|
|
|
|
|
200,00
|
|
Арматура
перекрытий
|
т
|
|
|
|
|
1,06
|
|
Бетонная
смесь перекрытий
|
м2
|
ЭСН
6-16-5
|
100м3
|
0,294
|
101,5
|
29,84
|
|
Эмульсия
для смазки щитов
|
|
|
кг/м2
|
|
|
|
|
опалубки
распылителем
|
кг
|
|
опалубки
|
|
0,33-0,5
|
66--100
|
|
Защитные
козырьки
|
м
|
|
|
|
|
61,00
|
|
Штыри
для козырьков
|
шт
|
|
|
|
|
29
|
Техника безопасности и охрана труда,
экологическая и пожарная безопасность
При производстве строительно-монтажных работ
должны соблюдаться требования СНиП III-4-80*
"Техника безопасности в строительстве", " Правила пожарной
безопасности при производстве строительно-монтажных работ", " Правила
устройства и безопасной эксплуатации грузоподъемных кранов". Необходимо
пользоваться инструкциями по эксплуатации применяемых машин и оборудования.
Уровень кладки после каждого перемещения
подмостей должен быть не менее, чем на 0,7 м выше уровня рабочего настила. Не
допускается кладка стен в положении стоя на стене. При перемещении и подаче на
рабочее место грузоподъемным краном кирпича следует применять поддоны, контейнеры
и грузозахватные устройства, исключающие падение груза при подъеме.
Безопасность производства работ должна быть
обеспечена:
выбором соответствующей рациональной
технологической оснастки;
подготовкой и организацией рабочих мест
производства работ;
применением средств защиты работающих;
проведением медицинского осмотра лиц, допущенных
к работе;
своевременным обучением и проверкой знаний
рабочего персонала и ИТР по технике безопасности при производстве
строительно-монтажных работ;
Особое внимание необходимо обращать на
следующее:
способы строповки элементов конструкций должны
обеспечивать их подачу к месту установки в положении, близком проектному;
элементы монтируемых конструкций во время
перемещения должны удерживаться от раскачивания и вращения гибкими оттяжками;
не допускать нахождения людей под монтируемыми
элементами до установки их в проектное положение и закрепления;
при перемещении краном грузов расстояние между
наружными габаритами проносимых грузов и выступающими частями конструкций и
препятствий по ходу перемещения должно быть по горизонтали не менее 1м, по
вертикали не менее 0,5м;
монтаж и демонтаж опалубки может быть начат с
разрешения технического руководителя строительства и должен производится под
непосредственным наблюдением специально назначенного лица технического
персонала;
перемещение загруженного или порожнего бункера
допускается только при закрытом затворе;
не допускается нахождение рабочего в зоне
возможного падения бункера;
к управлению автобетононасосами допускаются
только лица, имеющие удостоверение на право работы на данном типе машин.
При работе на высоте более 1,5 м все рабочие
обязаны пользоваться предохранительными поясами и карабинами.
Разборка опалубки допускается после набора
бетоном распалубочной прочности и с разрешения производителя работ.
Отрыв опалубки от бетона производится с помощью
домкратов.
Погрузочно-разгрузочные работы, складирование и
монтаж арматуры должны выполняться инвентарными грузозахватными устройствами и
с соблюдением мер, исключающих возможность выпадения грузов.
Очистку лотка автобетоносместителя и
загрузочного отверстия от остатков бетонной смеси производят только при
неподвижном барабане.
Запрещается:
работа автобетононасоса без выносных опор;
начинать работу автобетононасоса без
предварительной заливки в промывочный резервуар бетонотранспортных цилиндров
воды, а в бетоновод - " пусковой смазки".
Технико-экономические показатели на комплексный
процесс строительно-монтажных работ на первом ярусе.
Нормативные затраты труда рабочих, чел.-ч 750,87
Нормативные затраты машинного времени, маш.-ч
40,73
Продолжительность выполнения работ, смен 15
Выработка на одного рабочего в смену:
Кирпичная кладка , м3 2,05
Монолитные перекрытия, м3 5,42
7.
ОРГАНИЗАЦИЯ, ПЛАНИРОВАНИЕ И УПРАВЛЕНИЕ В СТРОИТЕЛЬСТВЕ
7.1 Расчет и построение сетевого графика
7.1.1 Карточка-определитель, разработанная с
использованием калькуляции трудовых затрат
Таблица 7.1
|
N
п/п
|
Наименование
работ
|
Трудоемкость
|
|
Исполнитель
|
|
|
|
продолжительность
|
|
|
чел.-ч
|
маш.-ч
|
чел.-день
|
маш.-см
|
профессия
|
разр.
|
кол-во
|
сменность
|
|
|
1
|
Расчистка
участка, планировка
|
|
|
|
|
Машинист
бульдозера
|
5
|
1
|
|
|
|
|
территории
|
72
|
24
|
9
|
3
|
Землекоп
|
2
|
2
|
1
|
3
|
|
2
|
|
|
|
|
|
Машинист
крана
|
5
|
1
|
|
|
|
|
|
|
|
|
|
Монтажник
|
3
|
1
|
|
|
|
|
Временные
дороги и площадки
|
64
|
16
|
8
|
2
|
|
2
|
2
|
1
|
2
|
|
3
|
|
|
|
|
|
Плотник
|
4
|
1
|
|
|
|
|
|
|
|
|
|
|
3
|
1
|
|
|
|
|
Устройство
забора
|
48
|
|
6
|
|
|
2
|
1
|
1
|
2
|
|
4
|
|
|
|
Машинист
крана
|
5
|
1
|
|
|
|
|
Временные
|
|
|
|
|
Монтажник
|
3
|
1
|
|
|
|
|
здания
и сооружения
|
64
|
16
|
8
|
2
|
|
2
|
1
|
1
|
3
|
|
5
|
|
|
|
|
|
Электрик
|
4
|
1
|
|
|
|
|
Временные
|
|
|
|
|
Землекоп
|
3
|
1
|
|
|
|
|
электро-монтажные
работы
|
96
|
|
12
|
|
|
2
|
2
|
1
|
3
|
|
6
|
|
|
|
|
|
Сантехник
|
4
|
1
|
|
|
|
|
Временные
|
|
|
|
|
Землекоп
|
3
|
1
|
|
|
|
|
сантехнические
работы
|
128
|
|
16
|
|
|
2
|
2
|
1
|
4
|
|
7
|
|
|
|
|
|
Машинист
бульдозера
|
5
|
1
|
|
|
|
|
|
|
|
|
|
Машинист
экскаватора
|
5
|
1
|
|
|
|
|
Земляные
работы
|
3,65
|
29,01
|
1
|
4
|
Землекоп
|
2
|
2
|
1
|
4
|
|
8
|
|
|
|
|
|
Землекоп
|
4
|
1
|
|
|
|
|
Доработка
грунта вручную
|
72,13
|
|
9
|
|
|
2
|
2
|
1
|
3
|
|
9
|
|
|
|
|
|
Машинист
крана
|
5
|
1
|
|
|
|
|
|
|
|
|
|
Монтажник
|
4
|
1
|
|
|
|
|
Монтаж
фундаментов и
|
|
|
|
|
|
3
|
1
|
|
|
|
|
стен
подвала
|
332,3
|
32,45
|
42
|
4
|
|
2
|
2
|
1
|
8
|
|
10
|
|
|
|
|
|
Изолировщик
|
3
|
1
|
|
|
|
|
Гидроизоляция
фундаментов
|
120,14
|
|
15
|
|
|
2
|
2
|
1
|
5
|
|
11
|
|
|
|
|
|
Машинист
экскаватора
|
5
|
1
|
|
|
|
|
Подсыпка
грунта
|
|
|
|
|
Землекоп
|
3
|
1
|
|
|
|
|
и
его уплотнение
|
12,1
|
16,2
|
1
|
2
|
|
2
|
2
|
1
|
1
|
|
12
|
Устройство
перекрытия на
|
|
|
|
|
|
|
|
|
|
|
|
отметке
-0,240
|
смотри
|
технологическую
|
|
карту
|
|
|
5
|
1
|
7
|
|
13
|
Возведение
несущих
|
|
|
|
|
|
|
|
|
|
|
|
конструкций
1-го этажа
|
смотри
|
технологическую
|
|
карту
|
|
|
5
|
2
|
12
|
|
14
|
Возведение
несущих
|
|
|
|
|
|
|
|
|
|
|
|
конструкций
2-го этажа
|
смотри
|
технологическую
|
|
карту
|
|
|
5
|
2
|
12
|
|
15
|
|
|
|
|
|
Плотник
|
4
|
1
|
|
|
|
|
|
|
|
|
|
|
2
|
2
|
|
|
|
|
|
|
|
|
|
Изолировщик
|
4
|
1
|
|
|
|
|
Крыша
и кровля
|
|
|
|
|
2
|
1
|
|
|
|
|
|
|
|
|
|
Кровельщик
|
5
|
1
|
|
|
|
|
|
548,18
|
|
69
|
|
|
2
|
2
|
1
|
8
|
|
16
|
|
|
|
|
|
Плотник
|
4
|
1
|
|
|
|
|
Заполнение
проемов
|
314,72
|
|
39
|
|
|
2
|
4
|
1
|
8
|
|
17
|
|
|
|
|
|
Бетонщик
|
4
|
1
|
|
|
|
|
Подготовка
под полы
|
|
|
|
|
Изолировщик
|
4
|
1
|
|
|
|
|
технического
этажа
|
55
|
|
7
|
|
|
2
|
1
|
1
|
2
|
|
18
|
|
|
|
|
|
Бетонщик
|
4
|
1
|
|
|
|
|
Подготовка
под полы
|
|
|
|
|
Изолировщик
|
4
|
1
|
|
|
|
|
1-го
этажа
|
93
|
|
12
|
|
|
2
|
1
|
1
|
4
|
|
19
|
|
|
|
|
|
Бетонщик
|
4
|
1
|
|
|
|
|
Подготовка
под полы
|
|
|
|
|
Изолировщик
|
4
|
1
|
|
|
|
|
2-го
этажа
|
93
|
|
12
|
|
|
2
|
1
|
1
|
4
|
|
20
|
|
|
|
|
|
Облицовщик
|
5
|
1
|
|
|
|
|
|
|
|
|
|
|
3
|
1
|
|
|
|
|
Утепление
наружных стен,
|
|
|
|
|
|
2
|
2
|
|
|
|
|
штукатурные
и облицовочные
|
|
|
|
|
Штукатур
|
4
|
1
|
|
|
|
|
работы
1-го этажа
|
|
|
|
|
|
3
|
1
|
|
|
|
|
|
680
|
|
85
|
|
|
2
|
2
|
1
|
10
|
|
21
|
|
|
|
|
|
Облицовщик
|
5
|
1
|
|
|
|
|
|
|
|
|
|
|
3
|
1
|
|
|
|
|
Утепление
наружных стен,
|
|
|
|
|
|
2
|
2
|
|
|
|
|
штукатурные
и облицовочные
|
|
|
|
|
Штукатур
|
4
|
1
|
|
|
|
|
работы
2-го этажа
|
|
|
|
|
|
3
|
1
|
|
|
|
|
|
695
|
|
87
|
|
|
2
|
2
|
1
|
10
|
|
22
|
Окраска
водными составами
|
|
|
|
|
Маляр
|
3
|
1
|
|
|
|
|
технического
этажа
|
19,4
|
|
2
|
|
|
2
|
1
|
1
|
1
|
|
23
|
|
|
|
|
|
Маляр
|
4
|
1
|
|
|
|
|
Окраска
водными составами
|
|
|
|
|
|
3
|
1
|
|
|
|
|
1-го
этажа
|
189,6
|
|
24
|
|
|
2
|
2
|
|
6
|
|
24
|
|
|
|
|
|
Маляр
|
4
|
1
|
|
|
|
|
Окраска
водными составами
|
|
|
|
|
|
1
|
|
|
|
|
2-го
этажа
|
203,3
|
|
25
|
|
|
2
|
2
|
|
6
|
|
25
|
|
|
|
|
|
Бетонщик
|
4
|
1
|
|
|
|
|
Устройство
полов
|
|
|
|
|
|
3
|
1
|
|
|
|
|
технического
этажа
|
52,45
|
|
7
|
|
|
2
|
1
|
1
|
2
|
|
26
|
|
|
|
|
|
Облицовщик
|
4
|
1
|
|
|
|
|
Устройство
полов
|
|
|
|
|
|
3
|
1
|
|
|
|
|
1-го
этажа
|
126,43
|
|
16
|
|
|
2
|
1
|
1
|
6
|
|
27
|
|
|
|
|
|
Паркетчик
|
5
|
1
|
|
|
|
|
Устройство
полов
|
|
|
|
|
|
3
|
1
|
|
|
|
|
2-го
этажа
|
210,8
|
|
26
|
|
|
2
|
2
|
1
|
6
|
|
28
|
|
|
|
|
|
Маляр
|
4
|
1
|
|
|
|
|
Масляная
окраска 1-го этажа
|
|
|
|
|
|
3
|
1
|
|
|
|
|
|
45
|
|
6
|
|
|
2
|
1
|
1
|
2
|
|
29
|
|
|
|
|
|
Паркетчик
|
5
|
1
|
|
|
|
|
|
|
|
|
|
|
3
|
1
|
|
|
|
|
Отделка
полов и
|
|
|
|
|
|
2
|
1
|
|
|
|
|
Масляная
окраска 2-го этажа
|
|
|
|
|
Маляр
|
4
|
1
|
|
|
|
|
|
|
|
|
|
|
3
|
1
|
|
|
|
|
|
140,6
|
|
18
|
|
|
2
|
1
|
1
|
3
|
|
30
|
|
|
|
|
|
Облицовщик
|
5
|
1
|
|
|
|
|
|
|
|
|
|
|
3
|
1
|
|
|
|
|
|
|
|
|
|
|
2
|
1
|
|
|
|
|
Наружная
отделка фасадов
|
|
|
|
|
Штукатур
|
4
|
1
|
|
|
|
|
|
|
|
|
|
|
3
|
1
|
|
|
|
|
|
621
|
|
78
|
|
|
2
|
2
|
1
|
11
|
|
Примечание:
трудоемкость работ по специальным работам определяем в процентах от общей
трудоемкости:
|
|
|
|
|
Внутренние
санитарно-технические работы - 10%;
|
|
|
|
|
|
|
|
|
|
Внутренние
электромонтажные работы - 5%;
|
|
|
|
|
|
|
|
|
|
Благоустройство
и озеленение территории - 5%;
|
|
|
|
|
|
|
|
|
|
Подготовка
объекта к сдаче - 1%.
|
|
|
|
|
|
|
|
|
|
7.1.2 Расчет сетевого графика
Сетевая модель строительства представлена на
листе 9 графической части проекта. Расчет
сетевого графика проведен графическим методом, выявлен критический путь. Ткр
= 126 дней. Так как продолжительность строительства по критическому пути не
превышает нормативный срок строительства ( Тн = 143 дня ), то
оптимизация сетевого графика по времени не требуется.
Под
сетевым графиком построены линейная диаграмма и график движения рабочей силы.
Критерием удовлетворительности организации работ является условие Кр
>0,6 ( Кр - коэффициент неравномерности движения рабочей силы).
Кр = Nср(сут)
/ Nмакс(сут)
(7.1),где Nср(сут)
= ΣQчел.-см
/ Ткр(сут),
где Nср(сут)
- среднесуточный состав рабочих, Nмакс(сут)
- максимальное число рабочих, взятое из графика движения рабочей силы, ΣQ
- общая трудоемкость в человеко-сменах.
До оптимизации Кр = 9,04 / 23 = 0,39
- необходимо оптимизировать график. Оптимизацию сетевого графика производим
путем перемещения во времени работ, не лежащих на критическом пути (за счет
частных резервов времени). Оптимизация графика показана в графической части
проекта (лист 9). После оптимизации Кр
= 9,04 / 14 = 0,646 , что в пределах нормы.
.2 Строительный генеральный план
.2.1 Расчет потребности во временных зданиях и
сооружениях
|
По
графику движения рабочих максимальное количество рабочих - 14 чел, из них:
|
|
|
число
ИТР ( 8% ) -1 чел;
|
|
|
|
|
|
|
|
число
служащих ( 5% ) -1 чел;
|
|
|
|
|
|
|
МОП
и охрана ( 4% ) - 1 чел.
|
|
|
|
|
|
|
Расчет
потребности во временных зданиях и сооружениях сводим в таблицу
|
|
|
|
|
|
|
Таблица
7.2
|
|
|
|
N
|
Наименование
зданий
|
Наименование
|
Ед.
|
значение
|
Рассчитанная
|
Принято
|
|
|
п/п
|
и
сооружений
|
показателей
|
изм.
|
показателя
|
площадь
здания
|
Тип
|
Площ.
|
|
|
|
Площадь
на 1
|
|
|
|
|
|
|
1
|
Контора
прораба
|
сотрудника
|
м2
|
6
|
6
|
Комфорт
|
13,5
|
|
2
|
Материальный
склад
|
|
м2
|
|
|
Комфорт
|
13,5
|
|
|
Раздевальные
с
|
Площадь
на 1
|
|
|
|
|
|
|
3
|
умывальными
|
рабочего
|
м2
|
0,3
|
4
|
Индивид.
|
8
|
Помещения
для
|
Площадь
на 1
|
|
|
|
|
|
|
4
|
приема
пищи
|
рабочего
|
м2
|
1
|
11
|
Комфорт
|
13,5
|
|
|
Помещения
для
|
Площадь
на 1
|
|
|
|
|
|
|
5
|
обогрева
рабочих
|
рабочего
|
м2
|
1
|
11
|
Комфорт
|
13,5
|
|
|
Душевые
летние
|
Площадь
на 1
|
|
|
|
|
|
|
6
|
с
холодной водой
|
рожок
|
м2
|
3
|
3
|
Индивид.
|
6
|
|
|
|
Площадь
на 1
|
|
|
|
|
|
|
7
|
Уборная
|
рабочего
|
м2
|
0,3
|
4
|
Индивид.
|
6
|
|
|
Контрольно-
|
|
|
|
|
|
|
|
8
|
пропускной
пункт
|
|
|
|
|
Индивид.
|
4
|
.2.2 Расчет потребности в складских помещениях и
площадях
Расчет складских помещений и складских площадей
для внесения в стройгенплан производится на основании выборки материалов,
полуфабрикатов, изделий и конструкций и сетевого графика. Результаты расчетов
заносятся в таблицу 7.3. В
таблице используются следующие обозначения:
Q
- количество материала;
α = 1,1 -
коэффициент неравномерности поступления материалов;
t - норма запаса
материала в днях;
T -
продолжительность потребления материала (из сетевого графика);
k = 1,3 -
коэффициент неравномерности потребления материалов;
β - коэффициент
использования складских помещений;
H - норма материала,
укладываемого на 1 м².
Общая площадь складских помещений вычисляется по
формуле:
S = ( Qαtk)/TβH
(7.2)
|
|
|
|
|
|
|
|
|
|
Таблица
7.3
|
|
|
N
|
|
Ед.
|
кол-
|
Продолж.
|
Суточн.
|
Запасы,
|
Кол.
мат-
|
Коэф.
исп.
|
Общая
|
Высота
|
Способ
|
Способ
|
|
п/п
|
Наименование
|
изм.
|
во
|
работ,
T
|
расход
|
дни,
t
|
лов
на 1 м2
|
складских
|
площ.
|
укладки
|
укладки
|
хранения
|
|
|
|
|
|
|
Qα/T
|
|
H
|
помещ.β
|
склада,
Р
|
|
|
|
|
|
Конструкции,
детали,
|
|
|
|
|
|
|
|
|
|
|
|
|
|
полуфабрикаты
|
|
|
|
|
|
|
|
|
|
|
|
|
1
|
Фундаментные
плиты
|
|
|
|
|
|
|
|
|
|
|
|
|
|
и
блоки
|
м3
|
53,14
|
8
|
7,31
|
5
|
1,7
|
0,5
|
55,88
|
2,4
|
штабель
|
открыто
|
|
2
|
Перемычки
|
м3
|
2,2
|
1
|
2,42
|
1
|
0,5
|
0,5
|
12,58
|
2
|
штабель
|
открыто
|
|
3
|
Лестничные
марши и
|
|
|
|
|
|
|
|
|
|
|
|
|
|
площадки
|
м3
|
1,8
|
1
|
1,98
|
1
|
1,7
|
0,5
|
3,03
|
1,5
|
штабель
|
открыто
|
|
4
|
Проступи
|
м3
|
0,73
|
1
|
0,80
|
1
|
0,5
|
0,6
|
3,48
|
1,5
|
штабель
|
открыто
|
|
5
|
Щиты
опалубки
|
м2
|
200
|
2
|
110,00
|
2
|
20
|
0,8
|
17,88
|
2
|
штабель
|
навес
|
|
6
|
Рамы
и стойки опалубки
|
п.м.
|
470
|
2
|
258,50
|
2
|
40
|
0,6
|
28,00
|
2
|
штабель
|
открыто
|
|
7
|
Витражи
|
т
|
2,5
|
1
|
2,75
|
1
|
0,5
|
0,5
|
14,30
|
2
|
штабель
|
открыто
|
|
9
|
Стропила
|
м3
|
3,95
|
6
|
0,72
|
6
|
0,7
|
0,5
|
16,14
|
1,5
|
штабель
|
навес
|
|
10
|
Оконные
блоки
|
м2
|
59
|
5
|
12,98
|
5
|
10
|
0,6
|
14,06
|
2
|
штабель
|
навес
|
|
11
|
Дверные
блоки
|
м2
|
62,3
|
4
|
17,13
|
4
|
12
|
0,6
|
12,37
|
2
|
штабель
|
навес
|
|
12
|
Ворота
|
м2
|
36
|
2
|
19,80
|
2
|
1
|
1
|
51,48
|
2
|
на
подкл.
|
открыто
|
|
13
|
Подоконные
доски
|
м3
|
1
|
3
|
0,37
|
3
|
1,5
|
0,6
|
1,59
|
1,4
|
штабель
|
навес
|
|
14
|
М/констр.
лестниц
|
т
|
0,2
|
1
|
0,22
|
1
|
0,25
|
0,5
|
2,29
|
2
|
штабель
|
открыто
|
Бетон
товарный
|
м3
|
111
|
по
|
графику
|
|
|
|
12,00
|
бет.-насос
|
(бадьи)
|
открыто
|
|
16
|
Раствор
товарный
|
м3
|
129
|
по
|
графику
|
|
|
|
12,00
|
|
бадьи
|
открыто
|
|
|
Материалы
|
|
|
|
|
|
|
|
|
|
|
|
|
17
|
Кирпич
|
т.шт
|
109,2
|
26,4
|
4,55
|
5
|
0,5
|
0,65
|
91,00
|
2,1
|
штабель
|
открыто
|
|
18
|
Арматурные
стержни
|
т
|
3,18
|
3
|
1,17
|
3
|
0,5
|
0,6
|
15,16
|
1,2
|
штабель
|
навес
|
|
19
|
Пенопласт
|
м3
|
19
|
2
|
10,45
|
2
|
2
|
0,6
|
22,64
|
2
|
штабель
|
открыто
|
|
20
|
Рубероид
|
м2
|
360
|
6
|
66,00
|
6
|
400
|
0,6
|
2,15
|
2
|
рулоны
|
открыто
|
|
21
|
Песок
прокаленный
|
м3
|
11,4
|
3
|
4,18
|
3
|
1,5
|
0,6
|
18,11
|
1,4
|
пачки
|
закрыто
|
|
22
|
Битумная
мастика
|
т
|
0,6
|
5
|
0,13
|
5
|
1,6
|
0,5
|
1,07
|
2
|
штабель
|
открыто
|
|
23
|
Известь
негашенная
|
т
|
0,3
|
8
|
0,04
|
8
|
2
|
0,6
|
0,36
|
1,5
|
штабель
|
закрыто
|
|
24
|
Минераловатные
плиты
|
м2
|
256
|
6
|
46,93
|
6
|
15
|
0,6
|
40,68
|
2,2
|
штабель
|
закрыто
|
|
25
|
Сухая
штукатурка
|
м2
|
256
|
7
|
40,23
|
7
|
15
|
0,6
|
40,68
|
1,8
|
стеллаж
|
закрыто
|
|
26
|
Краски
сухие
|
кг
|
32
|
10
|
3,52
|
10
|
600
|
0,6
|
0,13
|
1,5
|
мешки
|
закрыто
|
|
27
|
Сталь
кровельная
|
т
|
0,6
|
3
|
0,22
|
3
|
4
|
0,5
|
0,43
|
1
|
пачки
|
закрыто
|
|
28
|
Стекло
оконное
|
м2
|
118
|
2
|
64,90
|
2
|
100
|
0,5
|
3,37
|
1
|
ящик
верт.
|
закрыто
|
|
29
|
Стекло
витринное
|
м2
|
5
|
1
|
5,50
|
1
|
50
|
0,5
|
0,29
|
1
|
ящик
верт.
|
закрыто
|
|
30
|
Замазка
оконная
|
кг
|
56
|
2
|
30,80
|
2
|
700
|
0,5
|
0,23
|
2
|
бочки
|
закрыто
|
|
31
|
Линолеум
|
м2
|
35
|
2
|
19,25
|
2
|
300
|
0,6
|
0,28
|
3
|
рулоны
|
закрыто
|
|
32
|
Клей
|
кг
|
35
|
2
|
19,25
|
2
|
700
|
0,6
|
0,12
|
2
|
бочки
|
закрыто
|
|
33
|
Плитка
керамическая
|
м2
|
108
|
5
|
23,76
|
5
|
100
|
0,6
|
2,57
|
1,4
|
пачки
|
закрыто
|
|
34
|
Паркет
штучный
|
м2
|
167
|
8
|
22,96
|
8
|
35
|
0,6
|
11,37
|
2
|
штабель
|
закрыто
|
|
35
|
Пиломатериалы
|
м3
|
4,2
|
7
|
0,66
|
7
|
0,7
|
0,6
|
14,30
|
1,5
|
штабель
|
закрыто
|
|
36
|
Металлочерепица
|
т.шт
|
5900
|
5
|
1298,00
|
5
|
750
|
0,6
|
18,75
|
1,4
|
штабель
|
открыто
|
|
37
|
Щебень
|
м3
|
5
|
2
|
2,75
|
2
|
1
|
0,6
|
11,92
|
1,5
|
навалом
|
открыто
|
|
38
|
Песок
|
м3
|
17
|
10
|
1,87
|
10
|
1
|
0,6
|
40,52
|
1,5
|
навалом
|
открыто
|
|
39
|
Цемент
|
т
|
0,8
|
10
|
0,09
|
10
|
2,5
|
0,6
|
0,76
|
1,5
|
штабель
|
закрыто
|
|
40
|
Плиты
из песчаника
|
м2
|
115
|
6
|
21,08
|
6
|
30
|
0,6
|
9,14
|
1,2
|
штабель
|
открыто
Итого принимаем: Закрытых
складов 40 м²;
Открытых
складов 100 м²;
Навесов
40 м².
.2.3 Расчет потребности в воде для нужд
хозяйственно-бытовых, технологических и пожаротушения
Потребный расход воды, л/с, определяется как
сумма потребных расходов на технологические, хозяйственно-бытовые нужды :
Q = Qпр +
Qхоз (7.3)
Расход воды на производственные нужды
определяется по формуле:
пр =
,
л/с (7.4)
где Кну =
1,2 - коэффициент неучтенного расхода воды;
- суммарный
удельный расход воды на технологические нужды, л;
Кч =
1,5 - коэффициент часовой неравномерности потребления воды;= 8 - число
учитываемых расчетом часов в смену.
пр =
л/с
Расход воды для обеспечения хозяйственно-бытовых
нужд, л/с, определяется по формуле:
Qхоз =
,
л/с , (7.5)
где -
суммарный расход воды на хозяйственно-бытовые нужды;х = 25 л/с
-удельный расход воды на человека в смену;
Кч =
2,5 - коэффициент часовой неравномерности потребления воды;р = 14 - число работающих в наиболее
загруженную смену;д = 11 -
число пользующихся душем;= 8 - число учитываемых расчетом часов в смену;1 = 45 - продолжительность
использования душевой установки.д =
30 л/с - расход воды на прием душа одного работающего.
Потребность в воде на технологические нужды
|
|
|
Таблица
7.4
|
|
|
Потребители
воды
|
Ед.
изм.
|
Кол-во
|
Норма
расхода
|
Расход,
|
|
|
|
в
смену
|
на
ед. изм, л/с
|
л/с
|
|
Поливка
железобетона
|
100м2
|
10
раз по 2
|
20
|
200
|
|
Поливка
кирпича
|
м3
|
10
|
75
|
750
|
|
Малярные
работы
|
м2
|
200
|
0,5
|
100
|
|
Штукатурные
работы
|
м2
|
130
|
5
|
650
|
|
Итого
|
|
|
|
1700
|
Тогда Qхоз = л/с
Итого Q = 0.106 + 0.153 = 0.259 л/с.
Диаметр водопроводных труб определяется по
формуле:
= (7.6)
где v = 0.8 - скорость движения воды в трубах.
D = мм
Принимаем водогазопроводные трубы по ГОСТ
3262-75 наружным диаметром 33,5 мм, при
условном проходе 25 мм.
С учетом расхода воды на пожаротушение:
Qоб =
Qпр + Qхоз + Qпож
Qоб =
0.259+10 = 10.259 л/с,
где Qпож
= 10 л/с -расход воды на пожаротушение
тогда D = мм
Принимаем водогазопроводные трубы по ГОСТ
3262-75 наружным диаметром 140 мм, при
условном проходе 120 мм.
.2.4 Расчет потребности в электроэнергии и выбор
трансформаторов
Расчетный показатель требуемой мощности, кВт,
определяется по формуле:
тр =
(7.7)
где =
1,05 - коэффициент потери мощности в сети;
К1...К4 - коэффициенты одновременности
работы, соответственно, К1 =
0,5 -для электромоторов, К2 =
0,4 - для технологических потребителей, К3 = 0,8 - для наружного освещения, К4 = 1,0 - для внутреннего освещения;
- сумма номинальных
мощностей всех установленных в сети электромотров;
- сумма
потребляемой мощности для технологических потребителей;
- суммарная
мощность осветительных приборов и устройств для наружного освещения;
- то же для
внутреннего освещения;
= 0.7, =
0.8 - коэффициенты мощностей для групп силовых и технологических потребителей.
|
Таблица
мощностей потребителей электроэнергии
|
Таблица
7.5
|
|
|
N
|
|
Ед.
|
кол-
|
Установленная
|
Общая
|
|
п/п
|
Потребители
|
изм.
|
во
|
мощность
эл.
|
мощность
|
|
|
|
|
|
двигателей,
кВт
|
кВт
|
|
1
|
Растворосместитель
|
шт
|
1
|
28
|
28
|
|
2
|
Растворонасос
СО-48Б
|
шт
|
1
|
2,2
|
2,2
|
|
3
|
Штукатурная
станция Салют-2
|
шт
|
1
|
10
|
2,2
|
|
4
|
Малярная
станция СО-115
|
шт
|
1
|
4
|
4
|
|
5
|
Компрессорная
установка
|
шт
|
1
|
4
|
4
|
|
6
|
Паркетно-шлифовальная
машина
|
шт
|
1
|
2,2
|
2,2
|
|
7
|
Виброрейка
СО-47
|
шт
|
1
|
0,6
|
0,6
|
|
|
Итого
|
|
|
|
43,2
|
|
|
Внутреннее
освещение
|
100
м2
|
5,7
|
0,2
|
1,1
|
|
|
Наружное
освещение
|
1000
м
|
0,2
|
3
|
0,6
|
|
Итого
|
|
|
|
44,9
|
Тогда требуемая мощность:
тр =
кВт
Для этой мощности подбираем трансформаторную
подстанцию закрытой конструкции СКТП - 100-6/10/0,4 мощностью 50 кВА.
7.2.5 Расчет потребности в сжатом воздухе
Мощность потребной компрессорной установки, м3/мин, определяется по формуле:
= (7.8)
где K = 0.8 - коэффициент одновременности работы
установок;
-
суммарный расход воздуха установками.
|
Расход
воздуха установками
|
|
Таблица
7.6
|
|
|
N
|
|
кол-
|
Расход
|
Общий
|
|
п/п
|
Потребители
|
во
|
воздуха
на ед.
|
расход
|
|
|
|
|
м3/мин
|
кВт
|
|
1
|
Растворонагнетатель
СО-51
|
1
|
1,3
|
1,3
|
|
2
|
Штукатурно-затирочная
машина С-943А
|
1
|
0,4
|
0,4
|
|
3
|
Ручной
пневматический
|
|
|
|
|
|
красконагнетатель
СО-6А
|
1
|
0,04
|
0,04
|
|
|
Итого
|
|
|
1,74
|
Тогда мощность потребной компрессорной
установки:
Q = м3/мин
Принимаем для полученной мощности компрессор
передвижной С-39А с производительностью 15 м3/мин.
.2.6 Краткое описание разработанного
стройгенплана с анализом его технико-экономических показателей
На стройгенплане показаны:
границы стройплощадки;
расположение строящегося здания и временных
зданий и сооружений;
временных инженерных коммуникаций;
постоянных и временных дорог;
места стоянки и движения строительных и
грузоподъемных машин;
места складирования материалов и конструкций.
Ограждение, вынесенное на период строительства
до границ проезжей части улиц Мира и Восточной - деревянный забор высотой 2м.
Со стороны ул. Восточной над тротуаром предусмотрен защитный козырек.
Покрытие временной дороги и стоянки крана выполняется
из сборных ж/б плит по песчаной подушке.
Технико-экономические показатели по
стройгенплану сведены в таблицу 7.7
Таблица 7.7
|
Показатели
|
Ед.
изм.
|
Значение
|
|
Площадь
строительной площадки
|
м²
|
1450
|
|
Площадь
застройки проектируемого здания
|
м²
|
296
|
|
Площадь
застройки временными зданиями и сооружениями
|
м²
|
78
|
|
Стоимость
временных зданий и сооружений
|
тыс.
руб
|
26,5
|
|
Стоимость
объекта
|
тыс.
руб
|
3570
|
8. ЭКОНОМИЧЕСКАЯ ЧАСТЬ
8.1 Составление сметной документации
8.1.1 Сводный сметный расчет
Сводный сметный расчет, объектная и локальные
сметы находятся в файлах: сводсметрас.xls,
обсм.xls, local1.xls,
сантех.xls, электро.xls
8.2 Технико-экономические показатели по проекту
Таблица 8.6
|
Наименование
показателей
|
Ед.
изм.
|
Значение
|
|
Сметная
стоимость строительства
|
тыс.руб
|
3570
|
|
Сметная
стоимость СМР
|
тыс.руб
|
2610
|
|
Строительный
объем здания
|
м³
|
2280,5
|
|
Стоимость
1 м³ здания
|
тыс.руб
|
1,56
|
|
Трудоемкость
возведения конструкций
|
чел.-день
|
1624
|
|
Нормативная
продолжительность строительства
|
дни
|
143
|
|
Продолжительность
строительства по критическому пути
|
дни
|
126
|
|
Выработка
на 1 человека
|
тыс.руб/чел.-день.
|
2,2
|
9. БЕЗОПАСНОСТЬ ЖИЗНЕДЕЯТЕЛЬНОСТИ НА ПРИЗВОДСТВЕ
.1 Обеспечение безопасных условий труда при
производстве земляных работ
До начала производства земляных работ в местах
расположения действующих подземных коммуникаций должны быть разработаны и
согласованы с организациями, эксплуатирующими эти коммуникации, мероприятия по
безопасным условиям труда, а расположение подземных коммуникаций на местности
обозначено соответствующими знаками или надписями.
Производство земляных работ в зоне действующих
подземных коммуникаций следует осуществлять под непосредственным руководством
прораба или мастера, а в охранной зоне кабелей, находящихся под напряжением,
или действующего газопровода, кроме того, под наблюдением работников электро-
или газового хозяйства.
Котлованы и траншеи, разрабатываемые на улицах,
проездах, во дворах населенных пунктов, а также местах, где происходит движение
людей или транспорта, должны быть ограждены защитным ограждением с учетом
требований ГОСТ 23407-78. На ограждении необходимо устанавливать
предупредительные надписи и знаки, а в ночное время - сигнальное освещение.
Места прохода людей через траншеи должны быть
оборудованы переходными мостиками, освещаемыми в ночное время.
Грунт, извлеченный из котлована или траншеи,
следует размещать на расстоянии не менее 0,5 м от бровки выемки.
Разрабатывать грунт в котлованах и траншеях
"подкопом" не допускается.
Валуны и камни, а также отслоения грунта,
обнаруженные на откосах, должны быть удалены.
Рытье котлованов и траншей с вертикальными
стенками без креплений в нескальных и незамерзших грунтах выше уровня грунтовых
вод и при отсутствии вблизи подземных сооружений допускается на глубину не
более, 1,5 м в суглинках.
Рытье котлованов и траншей с откосами без
креплений в нескальных грунтах выше уровня грунтовых вод (с учетом капиллярного
поднятия) или в грунтах, осушенных с помощью искусственного водопонижения,
допускается при крутизне откосов 1:0,25 (в суглинках при глубине котлована до
3м).
При
невозможности применения инвентарных креплений стенок котлованов или траншей
следует применять крепления, изготовленные по индивидуальным проектам,
утвержденным в установленном порядке.
При установке креплений верхняя часть их должна
выступать над бровкой выемки не менее чем на 15 см.
Устанавливать
крепления необходимо в направлении сверху вниз по мере разработки выемки на
глубину не более 0,5 м. Разборку креплений
следует производить в направлении снизу вверх по мере обратной засыпки выемки.
Производство работ в котлованах и траншеях с
откосами, подвергшимися увлажнению, разрешается только после тщательного
осмотра производителем работ (мастером) состояния грунта откосов и обрушения
неустойчивого грунта в местах, где обнаружены "козырьки" или трещины
(отслоения). Перед допуском
рабочих в котлованы или траншеи глубиной более 1,3 м должна быть проверена
устойчивость откосов или крепления стен. В
случаях необходимости выполнения работ, связанных с электропрогревом грунта,
должны соблюдаться требования
Погрузка грунта на автосамосвалы должна
производиться со стороны заднего или бокового борта.
Односторонняя
засыпка пазух у свежевыложенных подпорных стен и фундаментов допускается после
осуществления мероприятий, обеспечивающих устойчивость конструкции, при
принятых условиях, способах и порядке засыпки.
10. ОХРАНА ОКРУЖАЮЩЕЙ СРЕДЫ
Строительно-монтажные организации должны
осуществлять специальные мероприятия, направленные на охрану окружающей среды.
Образующиеся на площадке сточные воды отводятся
согласно проектным решениям или очищаются от вредных примесей до пределов,
установленных нормами.
Выбор типов строительных машин, оборудования и
транспортных средств определяется минимальными выделениями токсичных газов при
работе.
Решения по определению местоположения отвалов
грунта должны исключить использование и засорение плодородных земельных
участков, учитывать сохранение растительного слоя и минимальные нарушения
гидрологического режима.
Неиспользуемые отходы строительного производства
и строительный мусор складируются и вывозятся в места, отводимые на непригодных
для землепользования территориях.
СПИСОК ИСПОЛЬЗОВАННОЙ ЛИТЕРАТУРЫ
Книги 1 - 3 авторов
1. Байков В.Н., Сигалов Э.Е.
Железобетонные конструкции. Общий курс. - М. : Стройиздат, 1985. -783 с.:ил.
2. Берлинов М.В. Основания и
фундаменты: Учеб. для строит. спец. вузов. - 3-е изд., стер.- М.: Высш. шк.,
1999.-319с. ил.
Книги более чем трех авторов
3. Конструкции из дерева и
пластмасс: Учеб. для вузов / Ю.В. Слицкоухов, В.Д. Буданов, М.М. Гаппоев и др.;
Под ред. Г.Г. Карлсена и Ю.В. Слицкоухова. - 5-е изд., перераб. и до. - М.:
Стройиздат, 1986. - 543с., ил.
4. Технология строительных
процессов: Учеб./ А.А. Афанасьев, Н.Н. Данилов, В.Д. Копылов и др. ; под ред.
Н.Н. Данилова, О.М. Терентьева. - 2-е изд., перераб. - М.: Высш. шк., 2000. -
464 с.: ил.
. Технология возведения
зданий и сооружений: Учеб. для вузов / Теличенко В.И., Лапидус А.А. Терентьев
О.М. и др.: - М.: Высш. шк.; 2001
. Организация строительного
производства: Учебник для вузов / Т.Н. Цай,П.Г. Грабовый, В.А. Большаков и др.
- М.: Изд-во АСВ, 1999. - 432с
Справочная литература
7. Справочник строителя.
Справочник / Г.М. Бадьин, В.В. Стебаков. - М.: Изд-во АСВ, 2001. - 340 с.: ил.
8. Справочник по
инженерно-строительному черчению / Русскевич Н.Л., Ткач Д.И., Ткач М.Н. - 2-е
изд., перераб. и доп. - Киев: Будiвельник,
1987
Пособие, подготовленное коллективом
института
9. Пособие по проектированию жилых
зданий / ЦНИИЭП жилища Госкомархитектуры. Вып.3.
Конструкции жилых зданий (к СНиП 2.08.01.85). - М.: Стройиздат, 1989, - 304 с.
Методические указания, разработанные
в КубГТУ
10. Проектирование оснований и
фундаментов промышленных и гражданских зданий. Методические указания по
курсовому и дипломному проектированию по курсу "Механика грунтов, основания
и фундаменты" для студентов всех форм обучения
спец.
29.03 . - Краснодар: изд. КПИ, 1988, 60
11. Расчет осадки фундамента с
использованием ЭВМ. Методические указания по курсовому и дипломному
проектированию по курсу "Механика грунтов, основания и фундаменты"
для студентов всех форм обучения спец. 29.03 . - Краснодар: изд. КПИ, 1988, 36
с.
. Методические указания по
разработке курсового проекта по дисциплине "Организация, планирование и
управление строительством для студентов всех форм обучения спец. 29.03 . -
Краснодар: изд. КПИ, 1980, 70 с.
. Методические указания по
выполнению контрольной работы по дисциплине "Техническое нормирование и
сметное дело в строительстве" для студентов заочной формы обучения
специальности 29.03 - Промышленное и гражданское строительство.
Нормативные документы
13. СНиП 3.03.01-87. Несущие и
ограждающие конструкции. - М
14. СНиП 3.01.01-85*.
Организация строительного производства. - М
. СНиП III-4-80*.
Техника безопасности в строительстве. - М.: Стройиздат
. СНиП 2.01.01-82.
Строительная климатология и геофизика. - М
. СНиП II-3-79*.
Строительная теплотехника. - М.: Стройиздат, 1998.
. СНиП II-12-77.
Нормы проектирования. Защита от шума - М
. СНиП IV-2-82.
Сметные нормы и правила. - М.: Стройиздат, 1986.
. СНиП 1,04,03-85. Нормы
продолжительности строительства и задела в строительстве предприятий зданий и
сооружений. - М.: Стройиздат, 1987.
. ЕНиР. Сб. Е2. Выпуск 1.
Механизированные и ручные земляные работы
. ЕНиР. Сб. Е4. Монтаж
сборных и устройство монолитных железобетонных конструкций.Выпуск 1.Здания и
промышленные сооружения. - М.: Стройиздат, 1987.
. СНиП 2.02.01-83*. Основания
зданий и сооружений. - М.: Стройиздат
Похожие работы на - Строительство административного двухэтажного здания со встроенным магазином
|