Конструкторское решение холодильника-конденсатора для конденсации водяного пара

  • Вид работы:
    Дипломная (ВКР)
  • Предмет:
    Другое
  • Язык:
    Русский
    ,
    Формат файла:
    MS Word
    172,49 kb
  • Опубликовано:
    2011-07-14
Вы можете узнать стоимость помощи в написании студенческой работы.
Помощь в написании работы, которую точно примут!

Конструкторское решение холодильника-конденсатора для конденсации водяного пара

Задание по курсовому проекту.

Рассчитать и запроектировать холодильник-конденсатор для конденсации водяного пара по следующим данным:

·   производительность Gп = 10 т/ч;

·   давление пара Pп = 4 ат;

·   пар насыщенный;

·   начальная температура охлаждающей воды t = 25 ºС;

·   конечная температура охлаждающей воды t = 40 ºС;

·   температура конденсата t = 90 ºС.

Расчетная часть

I. Тепловой расчет

. Схема процесса:

Зоны:- конденсация насыщеного пара при tконд;- охлаждение конденсата до t.

расчет тепловой нагрузки аппарата

. Температуру парового потока на входе определяем по таблице LVII [1, с.550]:

При Pп = 4 ат = 4 кгс/см2 tнас = 142,9 ºС.

. Количество тепла при конденсации насыщеных паров:

конд = Gп×r = (10*1000/3600)(2141*1000) = 5947222 Вт,

где r = 2141кДж/кг - теплота конденсации насыщеного пара (определяется по таблице LVII [1, с.550]).

. Количество тепла при охлаждении конденсата:

Qохл = Gп×ск×(tнас - t) = (10*1000/3600)(1,005*4,19*103)(142,9-90) = 618783 Вт,

где cк = 1,005 ккал/кгК - удельная теплоемкость конденсата при Dtср.к = (t+ tнас)/2 = 116ºС (определяется по номограмме XI [1, с.562]).

. Общая тепловая нагрузка конденсатора:

= Qконд + Qохл = 5947222 + 618783 = 6566005 Вт.

расчет движущей силы теплопередачи

. Расход охлаждающей воды:

в = Q/(cв×(t - t)) = 6566005/(1,001*4,19*103*(40-25)) = 104,371 кг/с,

где св = 1,001 ккал/кгК - удельная теплоемкость охлаждающей воды при Dtср.в = (t+ t)/2 = 33ºС (определяется по номограмме XI [1, с.562]).

. Граничная температура:

x = Qохл/(Gв×св) + t = 618783/((10*1000/3600)(1,005*4,19*103)) + 25 = 26,4 ºС.

. Средняя разность температур для зоны конденсации насыщеного пара:

ºС.

. Средняя разность температур для зоны охлаждения конденсата:

ºС.

ориентировочный расчет поверхности теплопередачи

. Максимальная поверхность конденсации:

конд = Qконд/(Kконд×Dtср.конд) = 5947222/(800*109,7) = 67,8 м2,

где Кконд = 800 Вт/м2К - минимальный коэффициент теплопередачи (взяли по таблце II.1 [2, с.21]).

. Максимальная поверхность охлаждения конденсата:

охл = Qохл/(Kохл×Dtср.охл) = 618783/(800*88,4) = 8,7 м2,

где Кохл = 800 Вт/м2К - минимальный коэффициент теплопередачи (взяли по таблце II.1 [2, с.21]).

. Полная максимальная поверхность теплопередачи:

ор = Fконд + Fохл = 67,8 + 8,7 = 76,5 м2.

уточненный расчет поверхности теплопередачи и выбор аппарата

. Для обеспечения турбулентного течения воды при Re’в > 10000 скорость в трубах с dн = 25x2 мм должна быть больше w’в:

м/с,

где dв = 25 - 2*2 = 21 мм, μв = 0,7523 мПа×с - динамическая вязкость воды при Dtср в = (t + t)/2 = 33ºС (определяется по таблице VI [1, с.514]), ρв = 995 кг/м3 - плотность воды при Dtср = (t + t)/2 = 33ºС (определяется по таблице XXXIX [1, с.537]).

. Объемный расход воды:

в = Gв/ ρв = (10*1000/3600)/995 = 0,105 м3/с.

. Число труб 25x2 мм, обеспечивающих объемный расход воды при Re’в = 10000:


. Условию n < 842 и F < 76,5 м2 удовлетворяет (по таблице 4.12 [1, c.215]) теплообменник с параметрами:

Диаметр кожуха внутренний D = 0,8 м;

Число ходов z = 1;

Число труб n = 465;

Поверхность теплообмена F = 73 м2;

Длина труб l = 2 м;

Трубное проходное сечение Sт = 16,1×10-2 м2;

Межтрубное проходное сечение Sм = 7,9×10-2 м2;

Число рядов труб np = 23;

Общая длина аппарата L = 3,07 м.

17. Уточняем значение критерия Reв:

Reв = Re’×n’/n = 10000*842/465 = 18099.

. Уточненное значение скорости в трубах:

м/с.

холодильник конденсатор пар

19. Критерий Прандтля для воды при Dtср в = (t + t)/2 = 33ºС:

в = св×μв/lв = 4194*(0,7523*10-3)/(62,3*10-2) = 5,06,

где lв = 62,3×10-2 Вт/мK - коэффициент теплопроводности воды при Dtср в = (t + t)/2 = 33ºС (определяется по таблице XXXIX [1, с.537]).

. Определяем критерий Нуссельта для воды:


где el = 1 - коэффициент, зависящий от отношения l/dв и критерия Reв (по таблице 4.3 [1, c.153]), ( Prв/ Prст.в)0,25 = 1,05 для воды.

. Коэффициент теплоотдачи для воды:

αв = Nuв×lв/dв = 112,8*(62,3*10-2)/0,021 = 3348 Вт/м2К.

. Коэффициент теплоотдачи при пленочной конденсации на наружной поверхности пучка горизонтальных труб:

αконд = 2,02×e×lп2п×l×n/(μп×Gп))1/3 = 2,02*0,6*(68,5*10-2)/(9232*2*465/(192,7*10-6* (10*100/3600)))1/3 = 9462 Вт/м2К,

где e = 0,6 - коэффициент при n > 100 [2, c.23], lп = 68,5×10-2 Вт/мК - коэффициент теплопроводности конденсата при tнас = 142,9ºС, ρп = 923 кг/м3 - плотность конденсата при tнас = 142,9ºС, μп = 192,7×10-6 Па×с - динамическая вязкость конденсата при tнас = 142,9ºС (значения lп, ρп, μп определяется по таблице XXXIX [1, с.537]).

. Критерий Прандтля для конденсата при Dtср = (tнас + t)/2 = 116ºС:

Prк = ск×μк/lк = 4194*(239,7*10-6)/(68,4*10-2) = 1,48,

где lк = 68,4×10-2 Вт/мK - коэффициент теплопроводности и μк = 239,7×10-6 Па×с - динамическая вязкость конденсата при Dtср = (tнас + t)/2 = 116ºС (определяется по таблице XXXIX [1, с.537]).

. Критерий Нуссельта для пленочного течения конденсата по ур. VII,54 [3, с.286] при Reпл = ~12 (ламинарное движение пленки):

пл = 0,005×Reпл0,33×Prк0,33 = 0,0129.

. Коэффициент теплоотдачи при охлаждении конденсата по ур.VII, 59 [3, с.289]:

Вт/м2К.

. Сумма термических сопротивлений стенки труб из нержавеющей стали и загрязнений:

åδ/l = δст/lст + 2/rз = 2*10-3/17,5 + 2*11600 = 0,287×10-3 м2К/Вт,

где δст = (dн - dв)/2 = 2×10-3м - толщина стенки, lст = 17,5 Вт/мК - коэффициент теплопроводности нержавеющей стали (таблица XXVIII [1, c.529]), 1/rз = 11600 м2К/Вт - тепловая проводимость загрязнений стенки (таблица II.2 [2, c.21]).

. Уточненный коэффициент теплопередачи для зоны конденсации:

К’конд = 1/(1/ αв + 1/ αконд + åδ/l) = 1(1/3348 + 1/9462 + 0,287*10-3) = 1447 Вт/м2К.

28. Уточненная поверхность конденсации:

конд = Qконд/(K’конд×Dtср.конд) = 5947222/(1447*109,7) = 37,5 м2.

. Уточненный коэффициент теплопередачи для зоны охлаждения конденсата:

К’охл = 1/(1/ αв + 1/ αохл + åδ/l) = 1(1/3348 + 1/472 + 0,287*10-3) = 370 Вт/м2К.

. Уточненная поверхность охлаждения конденсата:

охл = Qохл/(K’охл×Dtср.охл) = 618783/(370*88,4) = 18,9 м2,

. Полная уточненная поверхность теплопередачи:

’ = F’конд + F’охл = 37,5 + 18,9 = 56,4 м2.

. Как видно выбраный нами теплообменник подходит с запасом:

D = (F - F’)/F’ = (73 - 56,4)/56,4 = 29%

расчет гидравлического сопротивления трубного пространства

. Коэффициент трения в трубах:

,

где e = D/dв = 0,2×10-3/(21×10-3) = 0,0095 - относительная шероховатость труб, D = 0,2×10-3 м - высота выступов шероховатостей.

. Скорость воды в штуцерах:

= 4×Gв/(p×d2ш×ρв) = 4*104,4/(3,14*0,252*995) = 2,14 м/с,

где dш = 0,25м - диаметр условного прохода штуцеров для трубного пространства (берется из таблицы II.8 [2, с.27]).

. Гидравлическое сопротивление трубного пространства:


II. Механический расчет

расчет толщины обечайки

Из условия коррозионной стойкости по табл.1 приложения [4] выбираем сталь 08Х18Н10Т co скоростью проникновения коррозии П<-3 м/год.

Прибавка на коррозию к расчетной толщине стенки аппарата определяется по формуле (3.I) [4]:

=м,

где ТА = 20 лет - амортизационный срок службы теплообменника.

Поправка С находится в пределах допустимых величин ( м).

Допускаемое напряжение для материала определяется по формуле (3.5) [4]:

,

где  - поправочный коэффициент, для не пожароопасных смесей ;  - допускаемое нормативное напряжение материала, МПа.

Для стали 08Х18Н10Т по табл.2 приложения [4] при t=142,9ºC принимаем =148 ·0,95 = 140,6 МПа:

МПа.

Толщина стенки обечайки определяется по формуле (3.8) [4]:

м,

где Р - рабочее внутреннее давление в аппарате, МПа; Р =Рпгидр,Рп = 4×9,81×104×10-6 = 0,39 МПа - давление в аппарате над свободной поверхностью жидкости; Ргидр- гидростатическое давление конденсата;jоб = 0,95 - коэффициент, учитывающий ослабление обечайки из-за сварного шва (сварной шов стыковой двисторонний).

Так как гидростатическое давление невелико принимаем .

Принимаем по нормальному ряду Sоб = 4 мм.

Проверяем применимость формулы для нахождения Sоб:

(Sоб - С)/D £ 0,1(4*10-3 - 2*10-3)/0,8 = 0,0025 < 0,1 - условие выполняется.

расчет толщины крышек

Толщина стенки эллиптической крышки по формуле (3.11) [4]:

м,

где jкр = 1 - для крышек, изготовленных из цельной заготовки.

Во всех случаях толщина крышки должна быть не меньше толщины обечайки, рассчитанной по формуле (3.8) [4]. Принимаем по толщине обечайки Sкр = 4 мм.

Проверяем применимость формулы для нахождения Sкр:

(Sкр - С)/D £ 0,125(4*10-3 - 2*10-3)/0,8 = 0,0025 < 0,125 - условие выполняется.

расчет фланцевых соединений

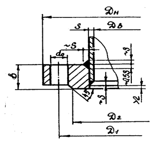
Подбираем приварные фланцы для крепления крышек к обечайке аппарата по следующим данным: давление в аппарате 0,39 МПа; температура стенок аппарата t = 142,9°С; внутренний диаметр аппарата D=800мм; толщина стенок обечайки Sоб = 4 мм и крышек Sкр = 4 мм.

Выбираем приварные плоские гладкие фланцы (ОСТ 26-426-79) по табл. 7 приложения [4].

Для фланцев, болтов и гаек выбираем материал сталь 08Х18Н10Т по табл. 7 приложения [4].

Наибольшее рабочее давление Pраб в аппарате при выбранных материалах и температуре до 200 0C равно 0,47 МПа при условном давлении Pу = 0,6 МПа (см. табл. 9 приложения [4]).

Размеры фланцев, прокладок выбираем с учетом, что условное давление в аппарате 0,6 МПа.

Размеры фланца при Ру = 0,6 МПа и D = 800 мм (см. табл. 7 приложения [4]) следующие:

Д1 = 880 мм;

Д2 = 842 мм;

b = 35 мм;

S = 4 мм;

d0 = 23 мм;

ZМ20 = 32 шт.


Материал прокладки выбираем по табл.3.2 [4]. При наибольшей температуре в аппарате (142,9°С) и наибольшем давлении в аппарате (0,47 МПа) выбираем прокладку из асбестового картона, которая допускает 500°С и давление до 0,6 МПа. По ОСТ 26-430-79 (см. табл.10 приложения [4])

выбираем размеры прокладки:

Д1. = 865 мм;

Д2 = 835 мм (исполнение 2);

а = 2,0 мм;= 0,158 кг.


расчет трубной решетки

Возьмем II тип конструкции трубных решеток.

Проверяем условие устойчивости труб при осевом сжатии:

,785×Pтр(D2сп - d2в×n) £ 10×Em150×J×n/l2;

,785*0,11*(0,852-0,0212*465) £ 10*199*103*9,6*10-9*465/22;

,044 < 2,223 - условие выполняется.

где Pтр = Dpтр+ p0 = 0,008+0,1=0,11МПа - давление в трубном пространстве, Em150 = 199×103МПа - модуль упругости стали при 150ºС (таблица 3.1 [4]), J = 0,049(d2н - d2в) = 9,6×10-9м4 - момент инерции поперечного сечения трубы.

Минимальный шаг между трубами [2, с.80]:

t = 1,3dн = 1,3*0,025 = 0,033 м

Максимальное среднее арифметическое сторон прямоугольника в решетке, образованного центрами двух смежных труб в крайнем ряду и контуром решетки по ее расчетному диаметру:

lt » 1,3t = 0,042 м

Толщина трубной решетки:

м,

Принимаем h = h1 = 12 мм.

Для крепления труб в трубных решетках мы применяем сварку, поэтому толщина трубных решеток определяется только условиями прочности.

- расчет фланцевых болтов

Проверяем прочность болтов М20 (32 штуки) из стали 08Х18Н10Т.

Податливость болта:

,

где lБ,= 2b+2а+h1 =0,092 м - расчетная длина болта (см. табл.8 приложения [4]); - площадь поперечного сечения болта; ЕБ = 250·103 МПа - модуль упругости болта табл. [4].

Податливость части прокладки, приходящейся на один болт:

,

где ЕП = МПа - модуль упругости прокладки табл. [4];

 

площадь прокладки, приходящейся на один болт; Z - количество болтов.

Коэффициент основной нагрузки

Усилие от давления в аппарате, приходящееся на один болт,

,

где  - средний диаметр прокладки.

Суммарное усилие на болт


где КСТ- коэффициент затяжки запаса против раскрытия стыка, принят равным 1,3.

Допускаемая сила [F] для болта М20 из стали 08Х18Н10Т при 2000С - 10 кН (см.табл. 12 приложения [1]):

Условие прочности для выбранных болтов выполняется: 9629H < 10000H.

- расчет компенсатора

Сила взаимодействия между корпусом и трубами за счет температурных напряжений:

,

где aст = 16,6×10-6 1/ºС - коэффициент линейного расширения стали Х18Н10Т ([2, с. 81]), tк = 0,5*(t+tнас)=116ºС - средняя температура кожуха, tтр = 0,5*(t+t)=33ºС - средняя температура труб, Eк150 = Eтр20 = 200×103МПа - модули упругости стали при 150 и 20ºС (таблица 3.1 [4]), Fк = ((D+2×Sоб)2 - D2)×p/4 = 0,01 м2 - площадь сечения кожуха, Fтр = (d2н - d2в)×n×p/4 = 0,067 м2 - площадь сечения труб.

Сила от давления среды:

P = 0,785((D2 - d2н×n)PП + d2в×n×PТР) = 0,785*((0,82 - 0,0252*465)*0,39 + 0,0212*465*0,11) = 0,13МН.

Проверяем условие обязательного применения компенсатора:

; ;

 - условие не выполняется;

; ;

 - условие выполняется.

Так как одно из условий не выполняется, мы вынуждены применить компенсатор.

Расчетный диаметр линзового компенсатора:

м,

где s = sT/nT×hT = 220/1,5*0,9 = 132МПа - допускаемое напряжение при растяжении стали Х18Н10Т, nT = 1,5 - запас прочности по пределу текучести (по таблице 14.4 [5, с. 180]), hT = 0,9 - поправочный коэффициент (по таблице 14.2 [5, с. 179]).

По таблице 24.2 [5, с. 320] округляем D’ до ближайшего большего размера Dком:ком = 1,1 м.

Расчетная толщина линз:

’= Dком×PП/(2s) + С = 1,1*0,39/(2*132) = 0,0036 м

По таблице 24.2 [5, с. 320] округляем s’ до ближайшего большего размера s:= 0,004 м.

Реакция компенсатора по его оси:

,

где b = D/Dком = 0,73 - коэффициент, k = 0,66 - коэффициент, определяемый по графику фиг. 24.2 [5, c. 320].


.

Расчетное число линз:


Список литературы

1. Павлов К.Ф. и др. Примеры и задачи по курсу процессов и аппаратов химической технологии. Учебное пособие для вузов. Л.: Химия, 1987 - 576 с.;

. Дытнерский Ю.И. Основные процессы и аппараты химической технологии: Пособие по проектированию. М.: Химия, 1991 - 496 с.;

. Касаткин А.Г. Основные процессы и аппараты химической технологии. М.: Химия, 1971 - 783 с.;

. Расчет аппарата, нагруженного внутренним и наружным давлением: Методические указания к выполнению курсового проекта по прикладной механике для студ. спец. 25.16 и 26.03.04 / Сост. Б.B. Фофанов, В.В. Воробьева; Перм. гос. тех. ун-т. Пермь, 1993. 80 с.;

. Лащинский А.А. Основы конструирования и расчета химической аппаратуры. Справочник. М.-Л.: Машгиз, 1963 - 470 с.

. Тимонин А.С. Основы конструирования и расчета химико-технологического и природоохранного оборудования. Справочник, том 2.

Похожие работы на - Конструкторское решение холодильника-конденсатора для конденсации водяного пара

 

Не нашли материал для своей работы?
Поможем написать уникальную работу
Без плагиата!
Без нейросетей!