Технологическая линия по производству ангидритового вяжущего
КУРСОВОЙ
ПРОЕКТ
по
дисциплине «Вяжущие вещества»
Технологическая
линия по производству ангидритового вяжущего
Оглавление
1. Теоретический реферативный раздел
.1 Введение. Постановка задачи
курсового проекта (Альтернатива гипсу - ангидритовый цемент)
.2 Характеристики ангидритового
вяжущего
.2.1 Твердение ангидритового
вяжущего. Его разновидности.
.2.2 Состав ангидритового вяжущего
.2.3 Коррозия ангидритового камня
.2.4 Применение ангидритового
вяжущего
.2.5 Сырье для производства
.2.6 Показатели качества
.2.7 Анализ существующих
технологических схем производства
.2.8 Заключение
. Расчетно-графический раздел
.1 Расчетная функциональная
технологическая схема производства продукта
.2 Расчет производственных шихт
.3 Расчет производственной программы
технологической линии
.4 Подбор основного механического
оборудования
.5 Расчет удельных энергетических
нагрузок и оценка эффективности подобранного механического и теплотехнического
оборудования по энергозатратам
. Список литературы
1. Теоретический
реферативный раздел
.1 Введение
Целью данного курсового проекта является
построение технологической линии по производству ангидритового вяжущего -
преимущественно нового вяжущего, отвечающего необходимым требованиям, более
дешевого, прочного, менее энергоемкого. Задачи: расчет функциональной
технологической схемы производства ангидритового вяжущего, расчет
производственных шихт и составление материального баланса основной
технологической установки.
Альтернатива гипсу - ангидритовый цемент. Трудно
переоценить использование в жилищном строительстве гипса и изделий на его
основе. Долговечность, огне- и пожаростойкость, возможность изготовления
изделий, отвечающих высоким требованиям архитектуры, экологическая безопасность
эксплуатации материалов обеспечивают гипсовым материалам такие преимущества,
благодаря которым их применение должно стать приоритетным в строительстве и
реконструкции зданий.
Гипсовые материалы и технологии строительства
прочно вошли в нашу жизнь. Современная номенклатура изделий на основе гипса
разнообразна. Это в первую очередь гипсовые вяжущие и сухие смеси,
гипсокартонные листы, плиты и панели перегородок, акустические и отделочные
плиты и т. д.
В зависимости от исходного сырья и технологии
его переработки получают следующие вяжущие материалы: гипс строительный, гипс
формовочный, гипс высокопрочный, ангидритовое вяжущее вещество, высокообжиговый
гипс, гипсовые вяжущие вещества из гипсосодержащих пород.
Строительный гипс. Строительный гипс (ГОСТ
125-70) - низкообжиговое вяжущее вещество, получаемое путем термической
обработки природного гипсового камня, измельченного до или после этой
обработки.
Формовочный гипс. Формовочный гипс (МРТУ
2131-67) предназначается для производства архитектурных изделий. Для
изготовления формовочного гипса сырье должно содержать не менее 96% CaS04*2H20.
Его измельчают значительно тоньше, чем при получении строительного гипса,
поэтому формовочный гипс схватывается быстрее, обладает большей прочностью -
300-500 кгс/см2.
Высокопрочный гипс. Высокопрочный (технический)
гипс получают обработкой дробленого гипсового камня паром при давлении до 1,3
кгс/см2 и температуре 124° С с последующей сушкой при температуре 140-160° С и
размолом в порошок. При этом получаются более крупные кристаллы CaSО4*0,5H2O,
чем у строительного гипса. Такая структура полуводного гипса обладает меньшей
водопотребностью (40-45%), что позволяет получать более плотные и прочные
растворы. Так, их прочность через 7 суток достигает 150-400 кгс/см2.
Используется он в основном для нужд металлургической промышленности; в
отделочных работах его целесообразнее применять при изготовлении гипсовых
изделий.
Применение гипса. При штукатурных работах гипс
добавляют в известковопесчаные растворы, чтобы увеличить их прочность и
ускорить срок схватывания. Добавка гипса придает поверхности штукатурного слоя
большую гладкость и белизну; его применяют и как основное вяжущее вещество в
мастиках, которыми приклеивают листы сухой штукатурки. Употребляют гипс также
для изготовления архитектурнохудожественных деталей. В гипсовом растворе
смачивают паклю при конопатке оконных и дверных проемов и перегородок.
Однако в настоящее время проблема применения
гипсовых материалов, изготовляемых на российских предприятиях, стоит достаточно
остро.
Во-первых, ощущается острый дефицит
качественного сырья, запасы гипсового камня первого сорта на многих
месторождениях практически исчерпаны, так как перед заводами всегда стояла
задача получения гипсовых вяжущих с высокими требованиями к качеству.
Во-вторых, себестоимость гипсового вяжущего
очень высока, одной из причин этого обстоятельства является низкая
производительность существующего оборудования, к тому же, на большинстве
действующих предприятий продукция изготовляется на старом энергоемком
оборудовании. Поэтому получаемые на российских предприятиях гипсовые вяжущие
часто имеют высокую цену при низком уровне качества.
Альтернативным выходом из сложившейся ситуации
может быть применение неоправданно забытого ангидритового цемента. Этот
материал, представляющий собой вяжущее, по области применения очень сходный со
строительным гипсом. В настоящее время ангидритовый цемент на предприятиях
стройиндустрии не производится. Однако химическим производством нашей страны
были накоплены большие запасы техногенных гипсов, например, отходов производства
некоторых кислот. Эти продукты экологически безопасны и безвредны для здоровья
человека. В их составе присутствует растворимый и нерастворимый ангидрит, а
также полуводный и двуводный гипс.
Ангидритовым вяжущим называется воздушное
вяжущее вещество, состоящее преимущественно из безводного сернокислого кальция,
получаемого обжигом природного двуводного гипса при 600-700 °С с последующим
тонким помолом продукта обжига или из природного камня - ангидрита совместно с
различными добавками-катализаторами. В качестве добавок применяют известь,
различные сульфаты, обожженный доломит, основной гранулированный доменный шлак,
золу и ряд других материалов.
Производство строительных материалов на основе
ангидритовых вяжущих в Германии берет начало в конце 40-х годов прошлого
столетия (XX века). Основой для производства были месторождения природного
ангидрита в Нижней Саксонии. С тех пор по сегодняшний день потребление
ангидрита в строительной индустрии с каждым годом неуклонно растет. Одной из
причин этому - низкая себестоимость вяжущего из природного ангидрита.
Энергозатраты на его производство приблизительно в 12 раз ниже по сравнению с
энергозатратами на изготовление такого же количества портландцемента и в 3 раза
ниже по сравнению со строительным гипсом. При этом прочностные показатели
ангидритового вяжущего сравнимы с портландцементом. [2]
1.2 Характеристики ангидритового вяжущего
.2.1 Твердение ангидритового вяжущего [4], [10]
Процесс твердения ангидритового цемента
заключается в гидратации нерастворимого ангидрита с последующей его
перекристаллизацией. В присутствии воды и катализатора на поверхности частиц
ангидрита образуются неустойчивые сложные гидраты:
+(соль)*nH2O→(соль)*
mCaSO4*nH2O.
Первичный неустойчивый гидрат типа (соль)* mCaSO4*nH2O
распадается затем по реакции:
(соль)* mCaSO4*nH2O→
(соль)*H2O+
CaSo4*2H2O.
Образовавшийся в результате гидратации ангидрита
двугидрат кристаллизуется, в ходе чего происходит процесс схватывания и
твердения цемента.
Теория твердения ангидритового цемента различает
в этом процессе 3 основных периода:
1. Образование на поверхности частиц
ангидрита комплексной соли, её распад, растворение ангидрита и его гидратация,
причём её положительный тепловой эффект в значительной степени компенсируется
отрицательным тепловым эффектом растворения;
2. Коллоидообразование (образование геля
двуводного гипса) и выделение центров кристаллизации, ускоряющих кристаллизацию
гидратированного ангидрита. В этот период, сопровождающийся быстрым выделением
тепла, происходит схватывание ангидритового цемента;
. Постепенная кристаллизация двуводного
гипса (скорость кристаллизации зависит от природы катализатора), в ходе которой
тепло выделяется в незначительном количестве. В этот период ангидритовый цемент
твердеет.
Ход твердения цемента может изменяться в
зависимости от различных факторов, например, от химического состава ангидрита,
степени его измельчения, гранулометрического состава порошка, формы поверхности
и пористости частиц ангидрита, однородности зерен, природы катализатора.
Влиянием этих факторов и можно в значительной степени объяснить наблюдаемые
иногда колебания в количестве выделяющегося тепла (при гидратации, схватывании
и твердении) и в конечной прочности ангидритового цемента.
В отличие от полуводного гипса, который в
процессе гидратации быстро и полно реагирует до образования двугидрата,
преобразование ангидрита в двуводный гипс зачастую не доходит до конца, а сама
реакция протекает очень медленно.
Твердение этого вяжущего обусловлено
образованием двугидрата. При твердении ангидритовый цемент в объеме не
увеличивается. Ангидритовое вяжущее является воздушным вяжущим веществом.
Гидравлическими свойствами он не обладает. После предварительного твердения во
влажной среде ангидритовый цемент продолжает набирать прочность в воздушно-сухих
условиях. При длительном хранении в воде прочность затвердевшего вяжущего
снижается, а при последующем высыхании снова восстанавливается. Водостойкость
ангидритового цемента несколько повышается при введении в него доменного шлака
в качестве активнзатора.
Выделяют 2 способа ускорения реакции гидратации
и активизации твердения ангидритового вяжущего: повышение тонкости помола
ангидрита и введение ускорителя твердения (активизатора).
Принцип действия активизаторов основывается на
их способности влиять на процессы растворения ангидрита при затворении его
водой. Процесс гидратации ангидрита в значительной мере зависит от вида
активизатора. Наиболее распространенные способы активизации твердения можно
разделить по химическому составу вводимых добавок:
· сульфатная активизация (с помощью
сульфатов щелочных металлов, сульфатов тяжелых металлов, кислых сульфатов.
Например, Na2S04, NaHS04, K2SO4, Al2(S04)3, FeS04),
· щелочная активизация (Ca(OH)2, NaOH)
· преимущественно щелочная активизация
(портландцементный клинкер, доменный шлак, шлакопортландцемент и др.),
· смешанная активизация (щелочной
компонент и добавка сульфата).
Известно, что сульфатные активизаторы повышают
прочность, а щелочные придают материалу постоянство объема. Следовательно,
каждому ангидриту для создания на его основе материала с комплексом заданных
свойств требуется определенная комбинация, подходящих ему активизаторов
твердения.
В ангидритовый цемент рекомендуется вводить
известь в количестве 3-5 %, смесь бисульфата или сульфата натрия с железным
либо медным купоросом в количестве 0,5-1 % каждого. Обожженный доломит вводят в
количестве 3-8 %, а основной гранулированный доменный шлак- 10-15 %.
Активизаторы добавляют в ангидритовый цемент обычно при помоле ангидрита. Те из
них, которые хорошо растворимы в воде, можно вводить с водой затворения.
Наиболее оптимальным для ангидритового вяжущего
является следующий режим твердения: сначала влажная среда, а затем сушка.
Максимальный остаток на сите с сеткой № 008-15%.
.2.2 Разновидности ангидритового вяжущего [8]
Наряду с природным ангидритом возрастает роль и
других разновидностей ангидритовых вяжущих - синтетического и термического
ангидритов.
Синтетический ангидрит - побочный продукт
производства плавиковой кислоты, получаемый в результате реакции плавикового
шпата с концентрированной горячей серной кислотой.
Термический ангидрит - продукт термической
обработки двуводного сульфата кальция, получаемого, например, в процессе
десульфуризации дымовых газов ТЭС известковым шламом.
Установлено, что при введении в смесь исходных
активизаторов все три ангидрита, несмотря на схожесть своего химического
состава, проявляют совершенно различные свойства. Так для природного ангидрита
характерны низкая прочность на сжатие и низкое значение степени гидратации. Термический
ангидрит при сравнимых с природным ангидритом сроках схватывания обладает более
высокими значениями прочности и степени гидратации. Синтетический ангидрит
отличается очень длительными сроками схватывания и высокими усадочными
деформациями (табл. 3):
Таблица 3
Свойства ангидритовых вяжущих (активизаторы
твердения - 2 % K2SO4 и 0,3 % Ca(OH)2)
|
Вид
ангидрита
|
Сроки
схватывания, мин
|
Линейные
деформации (через 48 ч), мм/м
|
Прочность
на сжатие (через 28 суток), МПа
|
Степень
гидратации (через 28 сут)
|
|
начало
|
конец
|
|
|
|
|
Природный
|
120
|
180
|
0,14
|
17,9
|
0,48
|
|
Синтетический
|
626
|
686
|
-1,33
|
55,1
|
0,82
|
|
Термический
|
120
|
175
|
0,22
|
48,2
|
0,83
|
Отмечено, что влияния на свойства ангидритового
вяжущего отдельных добавок в составе комплексных активизаторов очень
различаются. При этом одним из решающих критериев, определяющих свойства
материала, является водородный показатель смеси.
Для природного ангидрита установлено, что
наибольшие значения прочности и степени гидратации достигаются при кислом
характере среды (рН = 4,5...7); наибольшему снижению водородного показателя
ангидритового теста способствуют добавки CuSO4, FeSO4*7H2O и KAl(SO4)2*12H2O.
Однако при кислом характере среды отмечаются также более высокие значения
линейного расширения материала в процессе твердения (0,5 ... 6 мм/м) и более
короткие сроки схватывания смеси.
В противоположность этому, для термического
ангидрита лучшими активизаторами твердения являются сульфаты K2SO4, Na2SO4,
(NH4)2SO4, NaHSO4*H2O и KHSO4, из которых большинство также ведет к
значительному повышению линейного расширения материала в процессе твердения.
Наибольшему росту гидратации синтетического
ангидрита способствуют сульфаты K2SO4, Na2SO4 и NaHSO4*H2O, а на ранних этапах
твердения - FeSO4*7H2O и MgSO4*7H2O.
В сочетании с модифицирующими добавками можно
получать материалы с заданными свойствами. К примеру, при введении активных
минеральных добавок можно повысить водостойкость, введением солей щелочных
металлов можно добиться необходимых сроков схватывания и твердения. Эфиры
целлюлозы помогают придать сухим строительным смесям удобство в работе, а
водоредуцирующие добавки повышают прочность материалов. Таким образом, вводя
необходимые компоненты, можно направленно влиять на свойства вяжущего и
получать на его основе материалы широкой номенклатуры.
.2.3 Состав ангидритового вяжущего [3]
Ангидритовый цемент представляет собой воздушное
вяжущее, состоящее преимущественно из сернокислого кальция (нерастворимого
ангидрита).
При обжиге природного гипсового камня и
гипсосодержащих отходов химической промышленности при температуре 600-800°С
получают нерастворимый ангидрит (CaSO4,t) лишенный способности схватываться.
Для придания ему вяжущих свойств его измельчают вместе с добавками -
катализаторами твердения, количество которых устанавливают предварительными
испытаниями. В качестве добавок применяют бисульфат или сульфат натрия в смеси
с железным или медным купоросом, известь, обожженный при температуре около 900°
С доломит, доменный шлак, золы горючих сланцев и др. Роль добавок-катализаторов
заключается в том, что ангидрит способен с минералами (солями), входящими в
состав добавки, образовывать неустойчивые сложные соединения, из которых при
распаде образуется CaS04*2H20.
Ангидритовое вяжущее было предложено П. П.
Будниковым следующего состава: известь - 2...5%; смесь бисульфата или сульфата
натрия с железным или медным купоросом - по 0,5... 1% каждого; доломит,
обожженный при 800...900°С, - 3...8%, основной гранулированный доменный
шлак-10...15%, растворимые сульфаты некоторых металлов: Na2SO4 (6,0%); NaHS04
(0,6%); K2S04 (2,0%); Al2(SO)3 (2,0%); FeSO4 (9%) и др. Железный и медный
купоросы уплотняют поверхность затвердевшего ангидритового цемента, вследствие
чего катализаторы не выделяются и не образуют выцветы на поверхности изделия -
высолы.
Сульфаты можно вводить в состав ангидритового
цемента не только при помоле, но и после него, затворяя цементы не водой, а
растворами этих солей. Обожженный при 800-900 °С доломит вводится в
ангидритовый цемент в количестве 3-8%. Вместо доломита можно применять доломитовую
пыль, получаемую при производстве металлургического доломита. Основной
гранулированный доменный шлак добавляется в количестве 10-15%. Вводят 2%
сульфата глинозема или алюминиевых квасцов. Золу в смеси с известью добавляют в
количестве 10-20%. Чаще всего применяют добавку извести. Действие катализаторов
объясняется тем, что CaS04, обладая вообще способностью образовывать
комплексные соединения, создает на своей поверхности в присутствии воды и соли
неустойчивый сложный гидрат (соль) mCaS04*nH20, который в дальнейшем
распадается на (соль)*H20 + m(CaS04*2H20).
Ангидритовое вяжущее можно изготовлять также из
природного ангидрита, который без предварительного обжига размалывается с
описанными выше добавками.
.2.4 Коррозия цементного камня [12]
Коррозия - процесс разрушения.
Существует 3 вида коррозии цементного камня:
) Первый вид коррозии включает процессы,
возникающие в ангидритовом камне при действии жидких сред, способных растворять
компоненты ангидритового камня. Составные части ангитритового камня растворяются
и выносятся из его структуры.
О4∙2H2O + Н2О
→ Са
2+ + SO42- + H+ + OH- + H+ + OH-
Вывод: Таким образом, ионы вымываются водой.
Вода агрессивно действует на ангидритовое вяжущее, значит, материалы на его
основе нельзя использовать в водных средах.
Бороться с I
видом коррозии можно введением в вяжущее ПАВ, понижающих пористость. В
технологии строительно-монтажных работ используют гидроизоляционные материалы.
) Второй вид коррозии включает процессы, при
которых происходят химические взаимодействия - обменные реакции между
компонентами ангидритового камня и агрессивной среды, образующиеся продукты
реакции или легко растворимы и выносятся из структуры в результате диффузии
влаги, или отлагаются в виде аморфной массы.
CaSO4·2H2O + H2O → Ca+2 +
SO4-2 + H+ + OH- + H+ + OH-
Вывод: во влажных средах происходит вымывание
ионов.
Для защиты от этого вида коррозии используют
гидроизоляционные материалы.
3) Третий вид коррозии включает процессы, при
развитии которых происходит накопление и кристаллизация малорастворимых
продуктов реакции с увеличением объема твердой фазы в порах камня.
Кристаллизация этих продуктов создает внутренние напряжения, которые приводят к
повреждению структуры камня.
·2H2O+Na2SO4·nH2O →
Na2SO4·2H2O+CaSO4·nH2O
Для защиты от этого вида коррозии используют
гидроизоляционные материалы.
.2.5 Применение ангидритового вяжущего
Ангидритовые вяжущие применяются при
производстве ангидритовых бесшовных полов и подготовок под линолеум.
Преимущество ангидритовых полов - незначительная деформация объема, что
позволяет покрывать без швов поверхности в несколько сотен квадратных метров.
Время сушки относительно короткое. Ангидритовые вяжущие материалы применяют
также для устройства подготовительных стяжек под рулонные покрытия полов, для
штукатурных растворов. Его можно использовать в виде цементного теста для
скрепления в изоляторах металлических частей с фарфоровыми, а также для
изготовления искусственного мрамора и других декоративных изделий.
Растворные смеси из ангидритового вяжущего
употребляют для каменной кладки, штукатурки и производства теплоизоляционных
материалов, а бетонные - для производства строительных изделий, используемых в
сухой среде.
.2.6 Сырье для производства ангидритового
вяжущего [по ГОСТ 4013-82], [11]
Гипсовый ангидрит - горная порода осадочного
происхождения, состоящая преимущественно из минерала - безводного сернокислого
кальция CaSO4. Залежи ангидрита обычно подстилают слой двуводного гипса. Под
действием грунтовых вод ангидрит медленно гидратируется и переходит в двуводный
гипс. Поэтому в природе ангидрит редко состоит из одного безводного
сернокислого кальция и обычно содержит до 5-10% и более двуводного гипса.
Ангидрит - порода более плотная и прочная, чем двуводный гипс. Химически чистый
ангидрит содержит, % по массе: СаО - 41,2; S03 - 58,8. Ангидрит состоит из
преимущественно мелких кристаллов. Цвет имеет белый, сероватый, реже голубой,
розоватый или тёмно-серый. Блеск стеклянный, излом неровный. Растворяется в
H2S04, частично в НCl
и очень слабо в воде. Во влажной среде медленно поглощает воду и переходит в
гипс.
ангидритоватый вяжущий твердение
Таблица 1
Химический состав ангидритового камня
|
Оксиды
|
Содержание
оксида, %
|
|
CaO
|
39,0…40,8
|
|
SO3
|
55…58
|
|
SiO2
|
0,1…0,48
|
|
Al2O3
|
0,03
|
|
Fe2O3
|
3,60
|
|
MgO
|
0,1…2,7
|
|
H2O
|
2,1…5,46
|
Таблица 2
Показатели качества сырья
|
Свойства
|
Ангидрит
|
|
Истинная
плотность, г/см3
|
2,89
|
|
Твёрдость
по шкале Мооса
|
3,0…3,5
|
|
Предел
прочности, МПа: при сжатии при растяжении
|
80
7
|
|
Коэффициент
хрупкости
|
11,0
|
|
Температура
плавления
|
1450
|
|
Удельная
магнитная восприимчивость
|
-0,37*10-3
|
|
Диэлектрическая
проницаемость
|
5,7…7,0
|
|
Истинная
прочность
|
2900-3100
кг/м3
|
В природе ангидрит встречается реже, чем
двуводный гипс. В России месторождения ангидрита встречаются в Башкирии.
Содержание гипса в гипсоангидритовом камне
определяют по серному ангидриту SO3.
Таблица 3
Сорта гипсоангидритового камня
|
Сорт
|
Содержание
в гипсоангидритовом камне, %, не менее
|
|
Гипса
и ангидрита в пересчете на Ca(SO)4*2H2O
|
Серного
ангидрита SO3
|
|
1
|
95
|
44,18
|
|
2
|
90
|
41,85
|
|
3
|
80
|
37,20
|
Правила приемки. Камень должен быть принят
техническим контролем предприятия-изготовителя. Приемку и поставку камня
осуществляют партиями. В состав партии включают камень одного вида, сорта и
фракции. При отгрузке камня железнодорожным и водным видами транспорта размер
партии устанавливают в зависимости от годовой мощности карьера:
· 1000 т при годовой мощности до
1000000 т;
· 2000 т - свыше 1000000 т.
Допускается отгружать партии камня меньшей массы.
При отгрузке камня автомобильным транспортом
партией считают количество камня одного сорта и одной фракции, отгружаемого
одному потребителю в течение суток.
Транспортирование и хранение. Гипсовый и
гипсоангидритовый камень поставляют навалом всеми видами транспортных средств.
Камень транспортируют железнодорожным транспортом в соответствии с Правилами
перевозок грузов и Техническими условиями погрузки и крепления грузов,
утвержденными Министерством путей сообщения. Предприятие-изготовитель должно
сопровождать каждую отгружаемую партию документом о качестве установленной формы,
в котором указывают: аименование и адрес предприятия-изготовителя; наименование
камня; номер партии, дату отправки и объем партии; сорт, размер фракции;
обозначение настоящего стандарта. При транспортировании и хранении камень
должен быть защищен от загрязнения посторонними примесями.
1.2.7 Показатели качества
Таблица 4
Технические требования к различным ангидритовым
вяжущим [11]
|
Показатели
|
Ангидритовое
вяжущее (цемент)
|
Отделочное
ангидритовое вяжущее
|
Безобжиговое
ангидритовое вяжущее
|
|
Тонкость
помола - остаток на сите №008 не более, %
|
15
|
15
|
15
|
|
Плотность,
г/см
|
2,8…2,9
|
2,85…2,9
|
3,0
|
|
Насыпная
плотность в рыхлом состоянии, кг/дм
|
0,8…1,0
|
0,8…1,0
|
1,0…1,2
|
|
Нормальная
густота
|
35…40
|
37…43
|
25…30
|
|
Сроки
схватывания теста нормальной густоты, ч: · начало
· конец
|
0,5…2 2…4
|
1…2 2…4
|
2…4 4…8
|
|
Предел
прочности на растяжение при изгибе образцов из теста нормальной густоты через
7 суток твердения во влажных условиях, МПа
|
2,0…3,0
|
3,0…3,5
|
1,0…1,5
|
|
То
же, через 28 суток твердения, МПа
|
2,5…4,5
|
3,5…4,5
|
1,5…2,5
|
|
Предел
прочности при сжатии через 28 суток твердения во влажных условиях, МПа
|
15,0…30,0
|
25,0…35,0
|
10,0…20,0
|
|
Коэффициент
размягчения
|
0,58…0,62
|
-
|
-
|
Согласно ранее действующему ГОСТ 2767 на
ангидритовый цемент прочность раствора состава 1:3 (ангидритовый цемент:
нормальный песок) через 7 суток должна соответствовать величинам, приведенным в
табл.5:
Таблица 5
Технические требования к прочности раствора на
ангидритовом цементе[11]
|
Марки
ангидритового цемента
|
Предел
прочности, МПа, не менее
|
|
при
сжатии
|
при
растяжении
|
|
50
|
2,5
|
0,6
|
|
100
|
7,0
|
1,2
|
|
150
|
9,0
|
1,5
|
|
200
|
11,0
|
2,0
|
) Ангидритовое вяжущее в противоположность
строительному гипсу не является быстросхватывающимся вяжущим веществом. Начало
его схватывания наступает не ранее 30 мин, а конец - не позднее 24 ч от начала
затворения. [4]
) Ангидритовое вяжущее выдерживает испытание на
равномерность изменения объема при горячей пробе (2 ч нагревания при 115-120
°С). Неравномерность изменения объема возникает при наличии в ангидритовом
вяжущем CaS, который образуется, если в печи будет восстановительная среда. [4]
) При насыщении водой прочность ангидритового
вяжущего понижается, но при последующем высыхании она снова восстанавливается.
Водостойкость ангидритового вяжущего повышается при добавке в качестве
катализатора доменного шлака или золы некоторых углей в смеси с известью.
Наиболее оптимальным для ангидритового вяжущего является следующий режим
твердения: сначала влажная среда, а затем сушка. Максимальный остаток на сите с
сеткой № 008-15%.
Марки ангидритового вяжущего: 50, 100, 150, 200.
Они указывают на максимальный предел прочности при сжатии в МПа образцов из
раствора жесткой консистенции с нормальным песком в пропорции 1:3 через 28 сут
твердения по результатам испытаний образцов-кубов. [4]
Нормальным песком, применяемым для стандартных
испытаний вяжущих веществ, считается кварцевый песок с карьеров близ ст.
Привольех Приволжской железной дороги. Крупность зерен песка должна быть такой,
чтобы остаток на сите с сеткой № 09 (64 отв/см2) составлял не больше 1 % и чтобы
через сито с сеткой № 05 (193 отв/см2) проходило не более 8% взятой навески
(ГОСТ 6139-70). Применяя при испытании в различных лабораториях один и тот же
песок, стремятся получить сравнимые данные, так как прочность раствора зависит
от свойств не только вяжущего, но и песка. [4]
) Плотность ангидритового вяжущего 2800-2900
кг/м3.
Объемная масса его в рыхлом состоянии 850-1100
кг/м3, а в уплотненном 1200-1500 кг/м3. [4]
) Для получения цементного теста нормальной
густоты к ангидритовому вяжущему добавляют 30-40% воды. [4]
) Пористость затвердевшего ангидритового
вяжущего меньше пористости строительного гипса: она составляет 30-35%.
Ангидритовое вяжущее можно применять для изготовления растворов и бетонов. [4]
) Строительные растворы из ангидритового цемента
выдерживают без видимого разрушения более 15 циклов замораживания и оттаивания.
Таблица 6
Методы определения показателей
качества [11], [13]
|
Опреде-ляемые
показатели
|
Методика
определений
|
Расчетная
формула
|
Условные
обозначения в формулах
|
|
1
|
2
|
3
|
4
|
|
Основные
показатели качества
|
|
Тонкость
помола полуводного гипса (Тп)
|
Сущность
метода заключается в определении массы ангидритового вяжущего, оставшегося
при просеивании на сите с ячейками размером в свету 0,2 мм. Пробу вяжущего
массой 50 г, взвешенную с погрешностью не более 0,1 г и предварительно
высушенную в сушильном шкафу в течение 1 ч при температуре (50 ± 5)°С,
высыпают на сито и производят просеивание вручную или на механической
установке. Просеивание считают законченным, если сквозь сито в течение 1 мин
при ручном просеивании проходит не более 0,05 г вяжущего. Тонкость помола
отдельной пробы определяют в процентах с погрешностью не более 0,1% как
отношение массы, оставшейся на сите, к массе первоначальной пробы. За
величину тонкости помола принимают среднее арифметическое результатов двух
испытаний.
|
Тn=(m*100)/М, %
|
m - масса
пробы, оставшейся на сите, г; М - масса первоначальной пробы, г.
|
|
Нормальная
густота гипсового теста, НГ(В/Г)
|
Стандартная
консистенция (нормальная густота) характеризуется диаметром ангидритового
теста, вытекающего из цилиндра при его поднятии. Диаметр расплыва должен быть
равен (180 ±5) мм. Количество воды выражается в процентах как отношение массы
воды, необходимой для получения ангидритовой смеси стандартной консистенции,
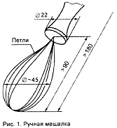
к массе ангидритового вяжущего в граммах. Для определения стандартной
консистенции применяют: 1. чашку из коррозионностойкого материала
вместимостью более 500 см3; 2. стекло диаметром более 240 мм, на которое
наносят ряд концентрических окружностей диаметром 150...220 мм через каждые
10 мм, а окружности диаметром от 170 до 190 мм - через 5 мм; окружности можно
нанести на лист белой бумаги и поместить его между двумя листами стекла; 3.
ручную мешалку, имеющую более трех петель из проволоки диаметром 1...2мм (рис.
1); 4. цилиндр из нержавеющего металла с полированной внутренней поверхностью
- вискозиметр Суттарда (рис.2).
|
В/Г (НГ)=М/В
|
М - масса гипсового вяжущего, взятого на замес, г; В - количество воды,
израсходованное на получение теста, характеризующегося диаметром расплыва 180
±5 мм.
|
|
5.
линейку длиной 250 мм с ценой деления 1 мм; 6. весы по ГОСТ 24104 с
погрешностью взвешивания не более 1 г; 7. секундомер; 8. питьевую воду по ГОСТ
2874. В чистую чашку, предварительно протертую тканью, вливают воду, масса
которой зависит от свойств ангидритового вяжущего. Затем в воду в течение
2...5 с всыпают от 300 до 350 г ангидритового вяжущего. Массу перемешивают
ручной мешалкой в течение 30 с, начиная отсчет времени от начала всыпания
ангидритового вяжущего в воду. После окончания перемешивания цилиндр,
установленный в центре стекла, заполняют ангидритовым тестом, излишки
которого срезают линейкой. Цилиндр и стекло предварительно протирают тканью.
Через 45 с, считая от начала засыпания гипсового вяжущего в воду, или через
15 с после окончания перемешивания цилиндр очень быстро поднимают вертикально
на высоту 15...20 см и отводят в сторону. Диаметр расплыва измеряют
непосредственно после поднятия цилиндра линейкой в двух перпендикулярных
направлениях с погрешностью не более 5 мм и вычисляют среднее арифметическое
значение. Если диаметр расплыва теста не соответствует (180 ±5) мм, испытание
повторяют с измененной массой воды.
|
|
|
|
Сроки
схватывания гипсового вяжущего
|
Для
определения сроков схватывания используют ангидритовое тесто стандартной
консистенции. Сущность метода состоит в определении времени от начала
контакта ангидритового вяжущего с водой до начала и конца схватывания теста.
Для определения сроков схватывания применяют: 1. секундомер; 2. коническое
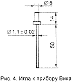
кольцо из коррозионностойкого материала (рис 3); 3. прибор Вика с массой
подвижной части (300 ±2) г. Размеры иглы приведены на рис. 4. Игла должна
быть изготовлена из твердой нержавеющей стальной проволоки с полированной
поверхностью и не должна иметь искривлений; 4. полированную пластинку из
коррозионностойкого материала размером не менее 100x100 мм.  Кольцо, предварительно
протертое и смазанное минеральным маслом и установленное на полированную
пластинку, заполняют тестом. Для удаления попавшего в тесто воздуха кольцо с
пластинкой 4-5 раз встряхивают путем поднятия и опускания одной из сторон
пластинки примерно на 10 мм. После этого излишки теста срезают линейкой и
заполненную форму на пластинке устанавливают на основании прибора Вика.
Подвижную часть прибора с иглой устанавливают в такое положение, при котором
конец иглы касается поверхности ангидритового теста, а затем иглу свободно
опускают в кольцо с тестом. Погружение производят один раз каждые 30 с,
начиная с целого числа минут. После каждого погружения иглу тщательно
вытирают, а пластинку вместе с кольцом передвигают так, чтобы игла при новом
погружении попадала в другое место поверхности теста.
|
|
|
|
Прочн
ные свойства
|
Определение
предела прочности на растяжение при изгибе Для проведения испытаний образец
устанавливают на опоры прибора для испытания на изгиб по ГОСТ 310.4 таким
образом, чтобы те грани его, которые были горизонтальными при изготовлении,
находились в вертикальном положении. Схема расположения образца на опорных
валиках приведена на рис. 5. Предел прочности при изгибе вычисляют как
среднее арифметическое результатов трех испытаний.  Определение предела
прочности на сжатии Для проведения испытания применяют: 1. чашку,
изготовленную из коррозионностойкого материала; 2. линейку длиной 250 мм; 3.
ручную мешалку (рис. 1); 4. мерный цилиндр вместимостью 1 л по ГОСТ 1770; 5.
весы по ГОСТ 24104 с погрешностью взвешивания не более 1 г; 6. форму из
коррозионностойкого материала для изготовления образцов-балочек размерами
40x40x160 мм по ГОСТ 23789 или по ГОСТ 310.4; 7. две металлические нажимные
пластины (рис. 6); 8. пресс для определения предела прочности образцов при
сжатии с предельной нагрузкой до 10...20 тс. Определение прочности образцов,
изготовленных из ангидритового теста стандартной консистенции, производят
через 28 суток после контакта ангидритового вяжущего с водой. Для
изготовления образцов берут пробу ангидритового вяжущего массой от 1,0 до 1,6
кг. Ангидритовое вяжущее в течение 5...20 с засыпают в чашку, с водой, взятой
в количестве, необходимом для получения теста стандартной консистенции. После
засыпания вяжущего смесь интенсивно перемешивают ручной мешалкой в течение 60
с до получения однородного теста, которым заливают форму. Предварительно
внутреннюю поверхность металлических форм слегка смазывают минеральным маслом
средней вязкости. Отсеки формы наполняют одновременно, для чего чашку с
ангидритовым тестом равномерно продвигают над формой. Для удаления
вовлеченного воздуха после заливки форму встряхивают 5 раз, для чего ее
поднимают за торцевую сторону на высоту от 8 до 10 мм и опускают. После
наступления начала схватывания излишки ангидритового теста снимают линейкой,
передвигая ее по верхним граням формы перпендикулярно к поверхности образцов.
Через (15+5) мин после конца схватывания образцы извлекают из формы,
маркируют и хранят в помещении для испытаний. Полученные после испытания на
изгиб шесть половинок балочек сразу же подвергают испытанию на сжатие.
Образцы помещают между двумя пластинами таким образом, чтобы боковые грани,
которые при изготовлении прилегали к продольным стенкам форм, находились на
плоскостях пластин, а упоры пластин плотно прилегали к торцевой гладкой
стенке образца. Образец вместе с пластинами подвергают сжатию на прессе.
Время от начала равномерного нагружения образца до его разрушения должно
составлять от 5 до 30 с, средняя скорость нарастания нагрузки при испытании
должна быть (10 + 5) кгс/с.Предел прочности на сжатие одного образца
определяют как частное от деления величины разрушающей нагрузки на рабочую
площадь пластины, равную 25 см2. Предел прочности на сжатие вычисляют как
среднее арифметическое результатов шести испытаний без наибольшего и
наименьшего результатов.
|
|
|
|
1
|
2
|
3
|
4
|
|
Вспомогательные
показатели качества
|
|
Средняя
насыпная плотность гипсового камня (ρн)
|
Ангидритовый
камень насыпают в мерный сосуд вместимостью 1, 3, 5 или 10 л в зависимости от
крупности гипсового щебня с высоты 5... 10 см над верхним краем. Излишки
материала срезают по кромке сосуда. Заполненный сосуд взвешивают.
|
ρн =m/V
кг/м3
|
т
- масса материала в мерном сосуде, кг; V - объем
(вместимость) мерного сосуда, м3
|
|
Плотность
(истинная) гипсового камня и гипсовых вяжущих (ρ)
|
Навеску
измельченного до порошкообразного состояния материала массой 70...80 г
осторожно всыпают в колбу Ле-Шателье (объемометр), заполненную до нижней
метки шаровидной части колбы жидкостью. Засыпку материала прекращают, когда
вытесненная им жидкость достигнет нижним своим мениском верхней метки.
Остаток материала взвешивают на аналитических весах и вычисляют массу
засыпанного материала.
|
ρ=
m/V г/см3
|
т
- масса фактически всыпанного в колбу материала, г; V - объем
части колбы между двумя метками, см3 (обычно 20 или 40 см3).
|
|
Средняя
плотность (насыпная) порошко-образных гипсовых материалов (ρнас)
|
Порошкообразный
ангидритовый материал свободно засыпают в предварительно взвешенный мерный
сосуд вместимостью 1 л. Засыпка производится либо постепенно через наклонный
лоток (угол наклона 45°), либо материал предварительно помещается в воронку с
задвижкой у спускового отверстия (воронка Гарри). Излишек материала удаляется
ножом или линейкой. Сосуд с материалом взвешивают. По разнице между массой
сосуда с материалом и пустого сосуда определяют массу материала (т). Тот же
опыт, но выполненный при встряхивании сосуда, дает показатель насыпной
плотности в уплотненном состоянии.
|
ρнас = m/1000,
г/см3
|
m - масса засыпанного в
сосуд материала, г.
|
|
Содержание
гидратной воды
|
Массу
навески ангидрита около 1г помещают в прокаленный взвешенный фарфоровый
тигель и нагревают в муфельной печи до 673 К (400°С) в течение 2 ч.
Прокаливание повторяют до получения постоянной массы. Тигель с навеской
охлаждают в герметически закрытом эксикаторе и взвешивают.
|
|
-
разность в массе тигля с навеской до и после прокаливания, в г; - масса
навески гипса, г.
|
|
Водопогло-щение
|
Для
проведения испытания применяют: 1.Сушильный шкаф. 2.Весы по ГОСТ 24104-80 с
погрешностью взвешивания не более 0, 01 г. Водопоглощение ангидрита
определяют на трех образцах (половинках-балочках), предварительно высушенных
до постоянной массы при температуре 318-328 К (45-55°С). Образцы взвешивают,
помещают в горизонтальном положении в ванну и заливают до половины водой.
Через 2 ч их заливают водой полностью и выдерживают еще 2 ч. После этого
образцы извлекают из воды, обтирают влажной тканью и взвешивают. Величину
водопоглощения определяют как среднее арифметическое результатов трех
определений.
|
|
-первоначальная
масса образца; - масса
образца после насыщения водой.
|
|
Удельная
поверхность
|
Сущность
метода основана на измерении сопротивления воздуха через слой вяжущего
установленной толщины и площади поперечного сечения в соответствии с
инструкцией, прилагаемой к прибору АДП-1 (ПСХ-2). Для проведения расчетов
берут величину плотности: Для гипсового сырья - 2,3 г/см3; для строительного,
формовочного - 2,65 г/см3; для технического гипса - 2,75 г/см3.
|
|
|
|
Объемное
расширение
|
Для
проведения испытания применяют: 1. Прибор ГОИ (Государственного оптического
института) (рис. 7) состоит из штатива, на котором, укреплен индикатор, и
разъемного металлического цилиндра, скрепляемого при сборке кольцами.
Внутренний диаметр цилиндра - 50 мм, наружный - 56 мм, высота - 100 мм. 2.
Дюралюминиевая крышка диаметром 56 мм, толщиной 1 мм. 3. Стеклянная
пластина. Прибор ГОИ 1-индикатор;
2- стойка; 3-кронштейн; 4-рейка; 5-зубчатое колесо; 6-ось; 7-винт; 8-крышка;
9- кольцо; 10-цилиндр; 11-стекло; 12-основание. Рис. 7. Прибор устанавливают
на жестком основании, исключающем возможность вибрации. Цилиндр прибора
ставят на стеклянную пластину, заполняют ангидритовым тестом нормальной
густоты, закрывают крышкой и устанавливают на опорной плите. Время затворения
ангидритового вяжущего водой и заполнения им цилиндра не должно превышать 2
мин. Стержень индикатора поворотом винта приводят в соприкосновение с
углублением в крышке цилиндра. Дополнительно производят еще один оборот винта
для установки индикатора на нулевое значение и приступают к фиксации движения
стрелки, вызываемого расширением ангидритового раствора при его твердении.
Началом отсчета расширения следует считать момент появления положительных
деформаций, концом определения - момент прекращения движения стрелки,
наступающий примерно через 1 ч после заполнения цилиндра раствором. Величина
объемного расширения в процентах численно равна величине деформации в мм.
|
|
|
|
Содержание
нераствор. остатка
|
Для
проведения испытания применяют: 1.Кислота соляная по ГОСТ 3118-77 плотностью
1, 9 г/см3 (200 мл разбавляют водой до 1 л). 2.Серебро азотнокислое по ГОСТ
1277-75 1%-ный раствор. 3.Муфельная печь. Навеску 1 г вяжущего, взвешенную с
погрешностью не более 0, 0002 г, помещают в стакан вместимостью 200 мл и
обрабатывают 100 мл соляной кислоты. Содержимое стакана доводят до кипения
при постоянном помешивании. После 5-минутного кипения жидкость фильтруют
через неплотный беззольный фильтр. Осадок промывают горячей водой до исчезновения
реакции на ион хлора (проба раствором азотнокислого серебра, подкисленного
азотной кислотой). Остаток вместе с фильтром переносят во взвешенный
фарфоровый тигель, взвешивают, затем помещают в муфельную печь, озоляют и
прокаливают до постоянной массы при температуре 1173-1273 К (900-1000°С).
|
|
-
разность в массе тигля с осадком и пустого тигля, г; -навеска
вяжущего, г.
|
|
Содержание
металлопри- месей в вяжущем
|
Для
проведения испытания применяют: 1. Подковообразный постоянный магнит из
сплава марки ЮН 13 ДК24 по ГОСТ 17809-72 с магнитной индукцией не менее 120
мТ (рис.8). 2. Насадка из плексигласа (рис.9) для одевания на концы магнита.  Рис. 8 Рис.9 3. Доска с
бортиками размером 1000х500 мм с покрытием из плексигласа или стекла. 4. Весы
по ГОСТ 23676-79 и ГОСТ 24104-80. 5. Шпатель для смешивания и разравнивания
продукта. 6. Стекло часовое. От общей пробы берут навеску массой 1 кг,
которую высыпают на доску и разравнивают шпателем слоем толщиной не более 0,5
см. Магнитом с одетой на него насадкой медленно в самой толще вяжущего
проводят вдоль и поперек доски с гипсом. Частицы металлопримесей с налипшим
вяжущим периодически отбирают от магнита снятием насадки и высыпают на лист
белой бумаги. Выделение металлопримесей повторяют шесть раз. Перед каждым
выделением испытуемое вяжущее смешивают и разравнивают тонким слоем. От
налипшего вяжущего металлопримеси отделяют движением магнита по обратной
стороне бумаги, на которой находится выделенный материал. После
сосредоточения металлопримесей в одном месте их переносят на часовое стекло.
Собранную на часовом стекле металлопримесь взвешивают на аналитических весах
с погрешностью не более 0, 0002 г. Содержание примесей выражают в
миллиграммах на 1 кг вяжущего.
|
|
|
|
|
|
|
|
|
|
.2.8 Анализ существующих технологических схем
производства [11]
В отечественной и зарубежной практике для
производства ангидритовых вяжущих используют различные гипсосодержащие отходы.
Установлено, что для этих целей возможно использование гипсосодержащих отходов,
которые практически непригодны для изготовления строительного и высокопрочного
гипсов и состоят преимущественно из нерастворимого ангидрита (фторангидрита).
При этом, как и при производстве ангидритовых
вяжущих из природного сырья, при производстве этих вяжущих из гипсосодержащих
отходов, имеют место два способа: обжиговый и безобжиговый.
Определенный опыт получения ангидритовых вяжущих
из гипсосодержащих отходов накоплен в отечественной (МХТИ им. Д.И. Менделеева,
ВНИИСТРОМ им. П.П. Будникова, НИУИФ, Минский НИИ строительных материалов и др.)
и зарубежной (фирмы «Клаудиус Петере», «Бабкок-БШХ», «Кнауф», «Ламбер индустри»
и другие) практике.
Свойства вяжущего из природного ангидрита
несколько хуже, чем у приготовленного из искусственного обожженного ангидрита.
При производстве ангидритового вяжущего гипсовый камень обжигается в шахтных
или во вращающихся печах. Помол осуществляется после обжига.
Гипсовый камень обжигают обычно в шахтных печах
с выносными топками или во вращающихся печах. При обжиге в шахтных печах его
предварительно измельчают в щековых дробилках до кусков размеров 50-100 мм, а
во вращающихся - до 30-40 мм. При производстве ангидритового цемента из
природного ангидрита последний лишь сушат при 170-180 °С для улучшения
размалываемости.
Отделочный цемент получают также обжигом
природного гипсового камня при 600...750°С с последующим затворенией
измельченного ангидрита растворами квасцов, буры и других солей при
концентрации их из расчета 2...3% массы ангидрита. Отделочный цемент,
получаемый при двустадийном обжиге, характеризуется улучшенными свойствами.
На заводах фирмы «Лафарж» для дегидратации
гипсового сырья используют установку фирмы «Келсайдин». По этой технологии
порошкообразный материал подается сверху в реактор. Дегидратация гипсового
порошка происходит во взвешенном состоянии при его передвижении вниз, благодаря
газовоздушному теплоносителю, поступающему в реактор из генератора тепла.
Готовый продукт выгружается в нижней части реактора.
Фирмы «Бабкок-БШХ» и «Кнауф» используют для
производства ангидритового или многофазового гипсового вяжущего колосниковую
печь. В этом случае куски гипсового сырья различных фракций размером 5...50 мм
укладывают на колосниковую решетку слоями. Решетка движется со скоростью
20...35 м/ч. Температура верхнего слоя материала в камере обжига не превышает
700°С, а нижнего - 300°С. Производительность колосниковых печей достигает 1200
т/сут.
На колосниковой решетке гипсовое сырье не
подвергается истиранию. Это позволяет получать материал требуемого зернового
состава. Производство практически не пылит, а поэтому не требует установки
обеспыливающих устройств.
В этой схеме предусмотрено вторичное
использование теплоносителя с температурой 230...270°С путем подачи из зоны
охлаждения и обжига в камеру сгорания. Термическая эффективность агрегата при
этом превышает 70%.
Технологическая схема производства ангидритового
цемента с применением в качестве катализатора обожженного доломита:
Производство безобжигового ангидритового
вяжущего включает следующие основные технологические операции:
• дробление природного ангидрита до кусков
размером не более 20...30 мм в щековой или другой дробилке;
• сушка его при температуре 170... 180°С до
влажности 0,5... 1%;
• помол высушенного ангидрита совместно с
активизаторами твердения в шаровых или других мельницах;
• складирование ангидритового вяжущего в силосах
(бункерах) или упакованным в мешки не более 1...2 месяцев.
Заключение
У ангидритового цемента из техногенного гипса
имеется множество преимуществ перед обычными гипсовыми вяжущими:
• этот материал белого цвета, что немаловажно
для создания отделочных стройматериалов;
• прочность материалов на ангидритовом цементе в
несколько раз превышает прочность гипсовых материалов;
• для производства вяжущего из техногенного
гипса не требуется такая энергоемкая технологическая операция как обжиг;
• на основе техногенного гипса можно получать
вяжущее стабильного качества и низкой себестоимости, пригодное для производства
широкой номенклатуры изделий.
• ангидритовому цементу для схватывания
требуется значительно больше времени, чем гипсу. Это обеспечивает высокую
прочность материала и возможность управления его деформациями.
Еще одно преимущество ангидритовых материалов в
положительном влиянии на экологию регионов их накопления. Организация
производства ангидритового цемента позволит освободить площади, занятые под
хранение материала, снизить концентрацию пыли в воздухе, которая образуется при
естественном разрушении отвалов.
Как показывает практика, все новое - это хорошо
забытое старое, и в скором времени ангидритовый цемент техногенного
происхождения займет свое законное место в списке современных строительных
материалов.
2. Расчетно-графический
раздел
.1 Расчетная функциональная технологическая
схема производства продукта
фр<20мм
фр< 80 мм
W=0%
W=20%
фр < 20мм
W=20%
фр < 10мм
фр < 10мм
W=0,94%
фр <0.2мм
W=0,94
%
.2 Расчет производственных шихт
Исходя из выбранной
технологической схемы, производим расчет производственной программы, то есть,
определяем потери материалов при производстве, рассчитываем годовой фонд
времени, находим производительность оборудования.
Таблица 7
Материальный баланс на сушку.
|
Компоненты
|
Вход
|
Выход
|
|
%
|
%
|
%
|
т/ч
|
%
|
т/ч
|
|
Фторангидрит
W=20%
|
|
|
CaSO4
|
95
|
91.88
|
90.08
|
12,26
|
90.08
|
12,14
|
|
CaF2
|
2
|
1.93
|
1.89
|
|
1.89
|
|
|
HF
|
2
|
1.93
|
1.89
|
|
1.89
|
|
|
H2SO4
|
1
|
0.97
|
0.95
|
|
0.95
|
|
|
Σ=100%
|
|
|
|
|
|
|
CaO
|
3.4
|
3.29
|
3.23
|
|
3.23
|
|
|
|
Σ=100%
|
|
|
|
|
|
Na2SO4
|
-
|
2
|
1.96
|
|
1.96
|
|
|
|
|
Σ=100%
|
|
Σ=100%
|
|
|
Физическая
влага
|
20
|
|
|
|
|
|
Нейтрализация кислот:
2% x%
1) 2HF+CaO→CaF2+H2O
2*20=40 56 78
ММ HF=1+19=20; 2-x x=2.8
MM CaO=40+16=56; 40-56
MM CaF2=40+19*2=78;
1% x%
2) H2SO4+CaO→CaSO4+H2O
98 56
MM H2SO4=2+32+16*4=98; 1-х
х<0.57≈0.6
MM CaO=40+16=56; 98-56
MM CaSO4=40+32+16*4=136;=2.8%+0.6%=3.4%
Распределим механические потери
и потери испарения, которые происходят в процессе производства из условия, что
сумма механических потерь в год не должна быть больше 3%, а суммарная влажность
смеси, поступающая в мельницу, должна быть меньше 2%.
Суммарная влажность:
ΣW=90.13*0.2+1.9*0.2+1.9*0.2+0.9*0.2=18.026+0.38+0.38+0.18=18.97>2%,
значит нужно сушить CaSO4.
Тогда влажность станет:
ΣW=90.13*0+1.9*0.2+1.9*0.2+0.9*0.2=0+0.38+0.38+0.18=0,94<2%
Расчет производственной программы
технологической линии
|
Наименование
оборудован. операций
|
G, тыс. т/год
|
Потери,
%
|
Расчет
годового фонда времени
|
Часовая
производительность
|
|
|
мех.
|
физ.-хим..
|
хим.
|
дней
в год
|
смен
|
час.
в смену
|
К
п.об.
|
фонд
раб. времени
|
т/ч
|
ρн, т/м3
|
м3/ч
|
|
Вагон
фр. < 0,2 мм
|
100
|
|
|
|
365
|
3
|
8
|
0,95
|
8322
|
12,02
|
0,8
|
15,03
|
|
Склад
готовой продукции фр. < 0,2 мм
|
101
|
+1
|
|
|
365
|
3
|
8
|
0,95
|
8322
|
12,14
|
0,8
|
15,18
|
|
Бункер
+ дозатор
|
101
|
|
|
|
365
|
3
|
8
|
0,95
|
8322
|
12,14
|
0,8
|
15,18
|
|
Помол
II фр. < 0,08 мм
|
102,01
|
+1
|
|
|
365
|
3
|
8
|
0,95
|
8322
|
12,26
|
0,8
|
15,33
|
|
Линия
фторангидрита W=20%, m=90,08%
фр. < 80мм
|
|
Бункер
+ Дозатор фр. < 80 мм
|
91,89
|
|
|
|
365
|
3
|
8
|
0,95
|
8322
|
11,04
|
1,35
|
8,18
|
|
Сушка
|
111,19
|
+1
|
+20
|
|
365
|
3
|
8
|
0,95
|
8322
|
13,36
|
1,35
|
9,90
|
|
Помол
I
|
111,19
|
|
|
|
365
|
3
|
8
|
0,95
|
8322
|
13,36
|
1,35
|
9,90
|
|
Дробление
|
111,19
|
|
|
|
365
|
3
|
8
|
0,95
|
8322
|
13,36
|
1,35
|
9,90
|
|
Бункер
+ дозатор
|
111,19
|
|
|
|
365
|
3
|
8
|
|
8322
|
13,36
|
1,35
|
9,90
|
|
Линия
извести W=0%, m=3,23 %
фр. < 20 мм
|
|
Бункер
+ Дозатор фр. < 20 мм
|
3,29
|
|
|
|
365
|
3
|
8
|
0,95
|
8322
|
0,40
|
1,5
|
0,27
|
|
Сушка
|
3,29
|
|
|
|
365
|
3
|
8
|
0,95
|
8322
|
0,40
|
1,5
|
0,27
|
|
Помол
I
|
3,29
|
|
|
|
365
|
3
|
8
|
0,95
|
8322
|
0,40
|
1,5
|
0,27
|
|
Бункер
+ Дозатор фр. < 20 мм
|
3,29
|
|
|
|
365
|
3
|
8
|
0,95
|
8322
|
0,40
|
1,5
|
0,27
|
|
Склад
сырья фр. < 20 мм
|
3,33
|
+1
|
|
|
365
|
3
|
8
|
0,95
|
8322
|
0,40
|
1,5
|
0,27
|
|
Линия
активизаторов твердения W=0%, m=1,96%
|
|
Бункер
+ Дозатор
|
2,00
|
|
|
|
365
|
3
|
8
|
0,95
|
8322
|
0,24
|
2,7
|
0,09
|
|
Склад
сырья
|
2,02
|
+1
|
|
|
365
|
3
|
8
|
0,95
|
8322
|
0,24
|
2,7
|
0,09
|
.3 Подбор основного
механического оборудования [14]
1. Дробилка для
фторангидритового камня ( фр = 80 мм, W
= 20%)
По производственным расчетам
производительность дробилки для фторангидритового камня должна составлять13,36
т/ч или 9,90 м3/ч.
Таким образом, наиболее
оптимальной дробилкой будет являться следующая дробилка:
Щековая дробилка:
Размеры загрузочного отверстия
(мм) - 250*900 (ширина * длина);
Наибольшая крупность исходного
материала - 210 мм;
Номинальная выходная щель - 40
мм;
Производительность 14 м3/ч;
Установленная мощность 40 кВт;
Габаритные размеры (длина * ширина
* высота) 1,7*1,7*2,3 м;
Масса дробилки без
электродвигателя 8 т.
. Мельница для извести
вместе с фторангидритом (фр < 20 мм)
По производственным расчетам
производительность мельницы для фторангидрита с известью должна составлять
13,36 т/ч или 9,90 м3/ч.
Таким образом, наиболее
оптимальной мельницей будет являться следующая:
Валковая мельница:
Диаметр тарелки - 1630 мм;
Частота вращения рабочего
органа - 0,7 об/с;
Размер загруженных частиц - 20
мм;
Производительность - 15,4 т/ч;
Потребляемая мощность - 240
кВт.
. Сушильная установка
для фторангидрита (фр < 10 мм)
По производственным расчетам
производительность сушильной установки для фторангидрита должна составлять
13,36 т/ч или 9,90 м3/ч.
Таким образом, наиболее
оптимальной сушильной установкой будет являться следующая:
Сушильный барабан
Наружный диаметр барабана, мм - 3500
Длина барабана, мм - 22000
Частота вращения барабана, об/мин - 2,0-6,0
Потребляемая мощность привода, кВт не более -
200
Габаритные размеры, мм не более:
длина - 22000
ширина - 6550
высота - 5900
Производительность по испаренной влаге, кг/ч не
менее - 9075
Масса, кг не более - 194120
4. Мельница для
фторангидритового вяжущего (фр < 10 мм)
По производственным расчетам
производительность мельницы для фторангидритового вяжущего должна
составлять12,26 т/ч или 15,33 м3/ч.
Таким образом, наиболее
оптимальной мельницей будет являться следующая:
Валковая мельница:
Диаметр тарелки - 1630 мм;
Частота вращения рабочего
органа - 0,7 об/с;
Размер загруженных частиц - 20
мм;
Производительность - 15,4 т/ч;
Потребляемая мощность - 240
кВт;
Длина - 1600 мм;
Масса - 30 т.
Расчет энергозатрат
|
Наименование
оборудования
|
Кол-во
оборудования (n)
|
Производительность
G, т/ч
|
Коэффициент
мощности, Км
|
Мощность
N, кВт
|
|
|
Gпасп
|
Gфак.
|
|
Nпасп
|
Nфакт
|
|
|
ед.
|
n
|
ед.
|
n
|
|
ед
|
n
|
ед.
|
n
|
|
Щековая
дробилка
|
1
|
14
|
14
|
13,36
|
13,36
|
0,95
|
40
|
40
|
38
|
38
|
|
Валковая
мельница
|
1
|
15,4
|
15,4
|
13,36
|
13,36
|
0,87
|
240
|
240
|
208,8
|
208,8
|
|
Сушильный
барабан
|
2
|
9,075
|
18.15
|
13,36
|
0.74
|
200
|
200
|
294
|
294
|
|
Валковая
мельница
|
1
|
15,4
|
15,4
|
12,26
|
12,26
|
0,80
|
240
|
240
|
192
|
192
|
Примечание:
;
где Км - коэффициент
используемой мощностти;
.
где Nпасп
- максимальная электрическая нагрузка на технологическую линию;
Nрасч
- количество потребляемой электроэнергии технологической линией;
Библиографический список
1. ГОСТ 4013-82 «Камень гипсовый и
гипсоангидритовый для производства вяжущих материалов»;
2. <http://www.expert74.com/nomer.php?art=181>
(Журнал о строительной отрасли Уральского региона «Стройэксперт»);
. <http://masterstroy.org/vyazhushchie_veshchestva/gipsovye_veshchestva/angidritovoe_vyazhushchee1/>
(«Мастерстрой»);
. <http://www.stroytechnolog.ru/lib/article/gipsraw1.html>
(«Стройтехнология»)
. Волженский
А.В. Минеральные вяжущие вещества. М., Стройиздат, 1986;
. <http://www.bibliotekar.ru/spravochnik-94-stroymaterialy/21.htm>
(Электронная библиотека - Строительные материалы);
. ТУ
5744-132-05807960-98;
. <http://wtorov.narod.ru/Publikaz/Pensa_2001/Pensa01.htm>
(Материалы Всероссийской XXXI научно-технической конференции);
<http://susu.ac.ru/file/abstract/bondarenko_sergey_alexeevich.pdf>
(Бондаренко Сергей Алексеевич - автореферат);
9. П.
П. Будников, С. П. Зорин. Ангидритовый цемент. М., Государственное издательство
литературы по строительным материалам, 1954, 92 с.
10. Гипсовые
материалы и изделия (производство и применение). Справочник. Под общей ред.
А.В. Ферронской. -М.: Издательство АСВ, 488 с.
11. http://snip8.narod.ru/article/article_technology_corrosion.html (Snip_8.
Строительство: наука и производство);
12. ГОСТ 23789 - 79 «Вяжущие гипсовые.
Методы испытания»;
13. Бауман
В.А., Клушанцев Б.В., Мартынов В.Д. Механическое оборудование предприятий
строительных материалов, изделий и конструкций М.: Машиностроение, 1981. -
324с;
14. ГОСТ
27134-86 «Аппараты сушильные с вращающимися барабанами».