Поршневые эксцентриковые насосы: конструкция и принцип действия
Содержание
Конструкция и принцип действия поршневых эксцентриковых насосов
Основные обозначения параметров и характерные режимы (точки 1-6)
движения трактора по приведенной тяговой характеристике ГМТ трактора ДТ-175С с
гидротрансформатором Г-4-400-70
Список литературы
Конструкция
и принцип действия поршневых эксцентриковых насосов
Поршневые насосы служат для преобразования
механической энергии двигателя в механическую энергию перекачиваемой жидкости.
Они сообщают жидкости, проходящей через них, энергию, необходимую для
преодоления сил сопротивлений, возникающих в самом насосе, по длине
трубопровода, в местах изменения сечения потока и направления движения
жидкости, а также для преодоления силы инерции и статической высоты, на которую
требуется поднять жидкость.
Гидравлическая часть поршневого
эксцентрикового насоса состоит из следующих основных узлов: двух литых стальных
гидравлических коробок, соединенных между собой снизу приемной коробкой, а
сверху корпусом блока пневмокомпенсаторов.
На приемной коробке установлен всасывающий
воздушный колпак. Приемная коробка насоса соединяет всасывающую трубу со
всасывающими клапанами (рис.1, 2 и 3).
Рис.1. Клапан насоса в сборе: 1 - втулка; 2 - пружина; 3 -
тарелка клапана; 4 - седло в сборе
Рис.2. Седло насоса в сборе: 1 - уплотнение клапана; 2 -
кольцо пружинное; 3 - кольцо; 4 - кольцо наружное; 5 - седло; 6 - направляющая;
7 - втулка
Рис.3. Тарелка клапана насоса УНБ-600
Внутри гидравлических коробок устанавливаются сменные
цилиндрические втулки (рис.4,5), внутренний диаметр которых выбирается в
зависимости от требуемого давления и подачи насоса. Наружные размеры всех
втулок одинаковы. С целью повышения сроков службы втулок внутренняя поверхность
их подвергается термической обработке. Уплотнение цилиндровых втулок насоса
УНБ-600 (рис.2.6) производится путем установки между буртиком цилиндровой
втулки 1 и стаканом 4 двух комбинированных уплотнений 2, разделенных стальным
кольцом 3. Кольцо имеет по наружному и внутреннему диаметрам проточки с
отверстиями. В случае износа уплотнения через специальное отверстие А в
гидравлической коробке раствор должен вытекать наружу, что и явится сигналом о
неисправности уплотнения цилиндровой втулки.
Закрепление цилиндровых втулок производится с помощью стакана
5 и крышки 7 подтягиванием гаек 8.
Рис.4. Уплотнение цилиндровых втулок насоса
Цилиндровая крышка 7 уплотняется при помощи самоуплотняющихся
манжет 6 и 9. Подтяжка уплотнения 2 цилиндровой втулки производится с помощью
болта 10.
Рис.5. Цилиндровая втулка насоса УНБ-600
В цилиндровых втулках перемещаются поршни
(рис.6). Поршень 13 (см. рис.4) состоит из сердечника с конической расточкой и
привулканизированных к нему двух резиновых манжет. Поршень насажен на
конический хвостовик штока 14 и крепится к нему с помощью гайки 12 и контргайки
11.
Рис.6. Поршень П 170-7 (ГОСТ 11267-65) насоса: 1 - сердечник;
2 - уплотнение
Шток (рис.7) соединен с надставкой штока
(рис.8), резьбовый конец которого ввернут в корпус ползуна. При вращении
эксцентрикового вала насоса УНБ-600 через шатуны, ползуны и штоки поршни
получают возвратно-поступательное движение.
Для увеличения износостойкости штоков их
рабочая поверхность закаливается на высокую твердость.
Рис.7. Шток поршня насоса
Рис.8. Шток ползуна насоса
Уплотнение (рис.9,10) состоит из корпуса 4, направляющей
втулки 6, упорного резинового кольца 5, четырех уплотнительных резиновых колец
5, упорного кольца 11 и второй направляющей втулки.
Рис.9. Уплотнение штока насоса УНБ-600
Направляющие втулки и опорное кольцо
изготавливаются из капролита. Упорное кольцо 11 поджимается при помощи втулки 7
через фланец 9.
Рис.10. Комплект уплотнителей штока насоса: 1 - втулка; 2 -
упорное кольцо; 3 - манжета уплотнения штока; 4 - опорное кольцо
Подтяжка уплотнения производится при
неработающем насосе с помощью гаек 10 и шпилек 8.
Для увеличения долговечности уплотнения штока осуществляется
смазка и охлаждение штоков жидким маслом. Масло подается на штоки насосом
Г11-22. Привод насоса осуществляется от трансмиссионного вала.
Рис.11. Уплотнение штока ползуна
Герметизация соединения гидравлической
коробки с корпусом 4 осуществляется самоуплотняющейся манжетой 1 и резиновым
кольцом 2.
Для того чтобы предотвратить попадание глинистого раствора в
приводную часть насоса, создано специальное уплотнительное устройство (рис.11).
Глинистый раствор может быть внесен в приводную часть надставкой штока, поэтому
отмеченное уплотнение сальникового типа. Манжеты 1, расположенные в корпусе
сальника 2, поджимаются фланцем 3. Манжеты обжимают надставку штока и не дают
возможность вносить глинистый раствор в приводную часть. Фланец 3 поджимается
при остановке насоса. Поджатие осуществляется с тем, чтобы устранить попадание
глинистого раствора, чрезмерная затяжка не требуется, так как при этом
преждевременно выходят из строя манжеты.
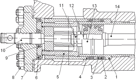
Приводная часть насоса состоит из узлов коренного вала
(рис.12), трансмиссионного вала (рис.13) и шатунного механизма (рис.14.),
установленных в литой чугунной станине.
Коренной вал (см. рис.12) выполнен в виде сварнолитной
конструкции. Он состоит из двух эксцентриков 2, зубчатого венца 1 и вала 3.
Зубчатый венец 1 напрессован на эксцентрики 2. Вал установлен на четырех
конических подшипниках 4.
Подшипники помещены в станках 6. Регулировка подшипников
производится при помощи прокладок 5. Смазка подшипников осуществляется
пружинными тавотницами.
Рис.12. Узел коренного вала
Эксцентрики коренного вала смещены
относительно друг друга на угол 90° и имеют эксцентриситет 200 мм. На
эксцентрики 2 посажены по два конических рукоподшипника 7. Эксцентриситет
обеспечивает ход поршня в 400 мм. Подшипники вала смазываются тем же маслом
масляной ванны, находящейся в картере корпуса, что и зубчатое зацепление,
разбрызгиванием от зубчатой пары. Трансмиссионный вал приводит во вращение
коренной вал при помощи косозубой шестерни 5 (см. рис.13). Шестерня выполнена
заодно с валом, который установлен на двухрядных сферических роликовых
подшипниках 4, помещенных в стакан 3. С помощью резинового кольца 2 уплотняется
крышка стакана подшипников. Специальное уплотнение 6 предотвращает вытекание
смазки из подшипников.
Рис.13. Трансмиссионный вал
Консистентная смазка подается в подшипники
пружинными тавотницами 1. Плавающий подшипник А, имеет тепловой зазор для
расширения. Оба конца трансмиссионного вала сделаны одинаковыми, что позволяет
монтировать насос с правым и левым расположением привода. Свободный конец вала
защищается кожухом. Шкив крепится на конце вала шпонками и двумя стяжными
болтами.
Места смазки обозначены на рис.12 и 13
римскими цифрами.
Рис.14. Ползун
На рис.14 показан поперечный разрез
ползуна по кольцу шатуна. Ведущие головки шатунов установлены на конических
роликоподшипниках, которые в свою очередь насажены на эксцентрики. Малые
головки шатунов 3 соединены с ползуном 1 при помощи цилиндрических пальцев 2 и
подшипников скольжения 5.
Смазка подшипников 5 производится через
отверстие в малой головке шатуна. К этим отверстиям масло подводится из масляной
камеры, которая крепится к корпусу станины над. ползуном. Корпус ползуна 1
изготовляется из стали (ст.35Л). Сменной деталью ползуна является накладка 4,
изготовляемая из чугуна.
Направляющие накладки корпуса ползуна
смазываются маслом, которое подается самотеком из камеры. Масло в эту камеру
попадает путем разбрызгивания от зубчатой передачи. Осмотр зубчатого зацепления
и заливка масла в ванну производятся через специальный лоток. Для контроля
уровня масла имеется маслоуказатель, для слива масла - специальные резьбовые
отверстия диаметром 75 мм. Для подогрева масла в зимнее время в ванну станины
может быть вмонтирован подогреватель. Станина насоса крепится к его раме
восемью болтами. Для удобства транспортировки рама насоса выполнена в виде
салазок.
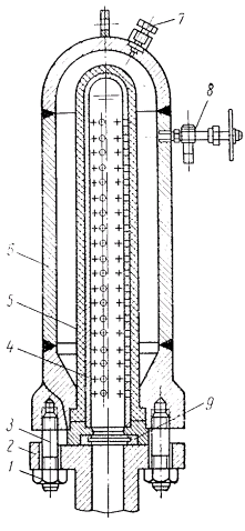
Блок пневмокомпенсатора насоса (рис.15)
тупикового типа предназначен для снижения величины колебаний давления в
напорном трубопроводе. Он состоит из корпуса 5, на котором: установлены три
воздушных колпака 3 с разделителем. Объем воздушной части каждого колпака 17 дм3.
Воздушные колпаки имеют приспособление 2 для контроля давления газа в колпаках
и предохранительный клапан 4.
Рис.15. Блок пневмокомпенсатора насоса
Воздушный колпак (рис.16) состоит из
перфорированной трубы и резинового баллона. Корпус колпака, опираясь на фланец
перфорированной трубы, крепится шпильками к фланцу корпуса блока
пневмокомпенсатора.
В результате затяжки гаек обжимается
фланец резинового баллона и тем самым герметизируется полость между баллоном и
колпаком. Для выпуска сжатого воздуха или газа в верхней части колпаков имеются
пробки 13.
Рис.16. Пневмокомпенсатор (воздушный колпак) с разделителем:
1 - гайка; 2 - фланец корпуса блока воздушных колпаков; 3 - шпилька; 4 -
перфорированная труба; 5 - резиновый баллон; 6 - корпус колпака; 7 - пробка; 8
- вентиль; 9 - уплотнение
Каждый корпус колпака имеет вентиль 1, к которому
подсоединяется приспособление для контроля давления газа в газовой полости
колпаков. При помощи этого же приспособления происходит заполнение колпаков
газом. Снимается колпачок 6, и на резьбовой конец патрубка наворачивается
накидная гайка шланга высокого давления 7, второй конец которого присоединяется
к баллону со сжатым газом. До заполнения газом пневмокомпенсатора отвинчивают
пробку 13 и заливают в газовую полость колпаков по 100 - 150 смі воды. Наличие
воды обеспечивает более надежную герметизацию в газовой полости колпаков.
К корпусу блока пневмокомпенсатора крепится предохранительный
клапан, проходное отверстие в котором закрыто мембраной изготавливается из
латуни марки-Л62М. Толщина ее равна 
мм. На мембрану 8 опирается сменное кольцо 9 и прижимается к ней
при помощи трубы 10 и гайки 12. Герметичность соединения мембраны с фланцем
осуществляется за счет резинового кольца 11.
Основные
обозначения параметров и характерные режимы (точки 1-6) движения трактора по
приведенной тяговой характеристике ГМТ трактора ДТ-175С с гидротрансформатором
Г-4-400-70
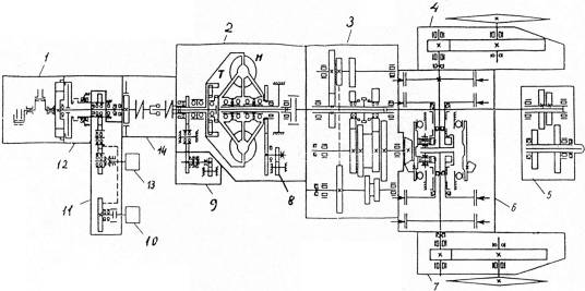
Гидромеханическая трансмиссия впервые применена на
отечественном сельскохозяйственном тракторе ДТ-175С (рис.17). Основой
трансмиссии является гидродинамический преобразователь крутящего момента -
гидротрансформатор 2. Крутящий момент от дизеля 1 через сцепление 12 и
промежуточное соединение - карданный вал 14 передается через кожух на насос Н
гидротрансформатора 2, где происходит его преобразование-трансформация. С
выходного вала турбины Т крутящий момент передается на первичный вал коробки
передач 3. При включенной одной из двух рабочих передач крутящий момент
передается на вторичный вал и коническую ведущую и далее на коническую ведомую
шестерню главной передачи. С главной передачи крутящий момент распределяется на
левую и правую стороны трактора, пройдя преобразование в планетарных
редукторах, расположенных в корпусе заднего моста 6. Затем крутящий момент
передается ведущим и ведомым шестерням левой и правой конечных передач 7 и 4 и
на ведущие звездочки.
Гидротрансформатор служит для обеспечения рациональной
загрузки двигателя путем автоматического бесступенчатого изменения
передаточного числа и, следовательно, крутящего момента и скорости движения
трактора, изолирует дизель от колебаний нагрузки, плавно разгоняет трактор, предохраняет
трансмиссию от колебаний со стороны дизеля. В результате установки
гидротрансформатора в трансмиссию трактора увеличивается долговечность трактора
и трансмиссии.

К недостаткам гидромеханической трансмиссии относятся низкий
КПД, увеличение массы трактора, ухудшение продольной устойчивости, затрудненный
пуск с буксира.
поршневой эксцентриковый насос трактор
В трансмиссии трактора ДТ-175С используются одноступенчатый
четырёхколёсный комплексный блокируемый гидротрансформатор Г4-400-700.
Гидротрансформатор Г4-400-70 имеет следующую техническую
характеристику:
- количество реакторов - 2;
- активный диаметр Dа=0.4 м;
- передаваемый крутящий момент Мн=700
Н×м;
- коэффициент трансформации kт=Мт/Мн=3.3±0.3;
- КПД максимальный h=0.89;
- коэффициент прозрачности при h=0.8 П1=1.3±0.1;
- передаточное отношение при переходе на
режим гидромуфты i=0.85.0.87.
Гидротрансформатор трактора ДТ-175С объединен в общий блок с
системой подпитки ГТ и с насосом смазочной системы трансмиссии трактора. Блок
прикреплен к передней плоскости корпуса трансмиссии.
Принцип действия гидротрансформатора заключается в следующем.
Насосное 27 (рис.18, а) и турбинное 24 колеса установлены в корпусе 44 с
зазором 1…2 м. Полость гидротрансформатора заполнена маслом, и при вращении
колес происходит изменение кинетической энергии потоков масла, движущегося по
торообразным траекториям в совмещающихся межлопастных каналах насосного Н,
турбинного Т и реакторных Р1 и Р2 колес. Насосное колесо Н через корпус, вал 5,
карданную передачу и главную муфту сцепления соединено с коленчатым валом
дизеля, турбинное колесо Т жестко связано с фланцем вала 40 и через
промежуточный вал - с первичным валом коробки передач. При помощи зубчатой муфты
16 насосное и турбинное колесо можно соединить напрямую и блокировать
гидротрансформатор.
При работе трактора на транспортном режиме, когда
сопротивления незначительны, насосное колесо Н направляет поток жидкости на
турбинное колесо Т, заставляя его вращаться. С лопаток турбинного колеса
рабочая жидкость попадает на лопатки реакторов, так же заставляя их вращаться,
и дальше опять на насосное колесо. Угловая скорость турбинного колеса всегда
меньше угловой скорости насосного колеса и зависит от момента Мт сопротивления.
При малых сопротивлениях Мн=Мт, частоты вращения колес
различаются незначительно (рис.18, б).
Рис.18. Схема устройства и принцип действия
гидротрансформатора Г4-400-70: а - устройство; б - действие при транспортном
режиме; в - действие при оптимальном режиме; г - действие при максимальном
режиме; г - действие при максимальной нагрузке.
При повышении сопротивления снижается угловая скорость
турбинного колеса, и поток масла, попадая на лопатки реакторных колес,
заставляет их вращаться в обратную сторону. Но так как реакторные колеса
установлены на обгонные муфты (рис.18, б), они останавливаются: вначале Р1,
а при большей нагрузке - Р2. Часть реактивного момента передается
через обойму 18 на неподвижную ступицу 30, разгружая насосное колесо. Попав на
лопатки неподвижных реакторов, рабочая жидкость изменяет направление движения и
дополнительно нагружает турбинное колесо. При полностью остановленном под
действием внешнего сопротивления на валу 36 турбинном колесе 24 момент на
ведомом валу 40 возрастает до Мт= (3.0…3.3) ×Мн, что
позволит трактору преодолеть повышенное сопротивление.
График тягового режима гидротрансформатора Г4-400-70 имеет
следующие характеристики (рис. 19).
Рис. 19. Приведенная характеристика гидротрансформатора
Т4-400-70 трактора ДТ-175С
На данном графике т.1 - стоповый режим - режим максимальной
нагрузки, возникающий при упоре трактора в препятствие или трогании с места: i=0; h=0; kто=kт max; вся мощность привода
преобразуется в тепло; т.2 - точка начала рабочего диапазона, характеризуемого
минимально допустимым значением h=0,75…0,80 при iэ min; kт≈1,8;
тяговое усилие трактора снижается с 80 до 40 кН; т.3 - режим максимального КПД h*=0,85 при передаточном
отношении i*=0,7; тяговое усилие трактора снижается до 12,5 кН, первый реактор
начинает вращаться при i=0,62; т.4 - завершается переход ГТ на режим работы
гидромуфты, так как начинает свободно вращаться и второй реактор; наступает
равенство моментов Мн=Мт, КПД возрастает; т.5 - режим
максимального КПД гидромуфты hмmax=0,87; i=iм; kт=1; т.6 -
переход на обгонные режимы.
Список
литературы
1. Абдурашитов,
С.А. Насосы и компрессоры [Текст] / С.А. Абдурашитов. - М.: Недра, 1974. - 176
с.
2. Алексеева,
Т.В., Шерман, Э.Б. Гидравлические машины и приводы дорожно-строительных машин
[Текст] / Т.В. Алексеева, Э.Б. Шерман. - Новосибирск, 1977. - 110 с.
. Васильев,
Б.А., Грецов, Н.А. Гидравлические машины [Текст] / Б.А. Васильев, Н.А. Грецов.
- М.: Агропромиздат, 1988. - 274 с.
. Васильченко,
В.А., Беркович, Ф.М. Гидравлический привод строительных и дорожных машин
[Текст] / В.А. Васильченко, Ф.М. Беркович. - М.: Стройиздат, 1978. - 166 с.
. Ведерников,
М.И. Компрессорные и насосные установки [Текст] / М.И. Ведерников. - М.: Высшая
школа, 1987. - 264 с.
. Гельман,
Б.М., Москвин, М.В. Сельскохозяйственные тракторы [Текст] / Б.М. Гельман, М.В.
Москвин. - М.: Агропромиздат, 1987. - 335 с.
. Караев,
М.А. Гидравлика поршневых насосов [Текст] / М.А. Караев. - М.: Недра, 1975. -
288 с.
. Николич,
А.С. Поршневые насосы [Текст] / А.С. Николич. - М.: Недра, 1973. - 322 с.
. Скворцов,
Л.С. Компрессорные и насосные установки [Текст] / Л.С. Скворцов. - М.:
Машиностроение, 1988. - 286 с.