|
1
|
Мощность на ведомом валу
|
кВт
|
6,5
|
|
2
|
Частота вращения ведомого
вала
|
Об/мин
|
65
|
|
3
|
Режим работы
|
|
легкий
|
|
4
|
Реверсивность
|
|
реверсивный
|
|
5
|
Продолжительность включения
|
%
|
15
|
|
6
|
Срок службы в годах
|
|
10
|
|
7
|
Коэффициент использования
привода в течение года
|
|
0,8
|
|
8
|
Коэффициент использования
привода в течение суток
|
|
0,5
|
Содержание
ВВЕДЕНИЕ
. РАСЧЕТ ЭНЕРГОСИЛОВЫХ И КИНЕМАТИЧЕСКИХ ПАРАМЕТРОВ ПРИВОДА
.1 Общий КПД привода
.2 Определение частоты вращения ведущего вала
.3 Общее передаточное число привода
.4 Передаточное число зубчатой передачи и частоты вращения
валов
.5 Мощность на валах
.6 Крутящие моменты, передаваемые валами
. РАСЧЕТ ЗУБЧАТОЙ ПЕРЕДАЧИ
.1 Выбор материалов зубчатых колес и способов термообработки
.2 Проектный расчет передачи
.2.1 Ширина зубчатых венцов и диаметры колес
.2.2 Окружная скорость в зацеплении и степень точности
передачи
.3 Силы в зацеплении
. РАСЧЕТ ВАЛОВ И ПОДБОР ПОДШИПНИКОВ
.1 Проектный расчет тихоходного вала
.2 Проектный расчет быстроходного вала
.3. Подбор и расчет шпонок
.4 Конструкция зубчатых колес.
.5 Подбор крышек подшипниковых узлов и уплотнительных манжет.
. СИЛЫ, ДЕЙСТВУЮЩИЕ НА ВАЛЫ. РАСЧЕТ ПОДШИПНИКОВ НА
ДОЛГОВЕЧНОСТЬ
.1 Силы, действующие на ведущий вал
.2 Расчет подшипников ведущего вала на долговечность
.4 Силы, действующие на ведомый вал
.5 Расчет подшипников ведомого вала на долговечность
.6 Определение изгибающих и крутящих моментов на ведомом валу
. ПРОВЕРОЧНЫЙ РАСЧЕТ ТИХОХОДНОГО ВАЛА
.1 Расчет вала на усталостную прочность
.2 Расчет вала на статическую прочность
. ВЫБОР СМАЗКИ ДЛЯ КОЛЕС И ПОДШИПНИКОВ, ЕЕ КОНТРОЛЬ И ЗАМЕНА
ЗАКЛЮЧЕНИЕ
БИБЛИОГРАФИЧЕСКИЙ СПИСОК
ВВЕДЕНИЕ
Редуктор - механизм, входящий в приводы машин и служащий для снижения
угловых скоростей ведомого вала с целью повышения крутящих моментов.
В корпусе редуктора размещен какой-либо вид передачи, неподвижный
закреплённый на валах. Валы опираются на подшипники, размещённые в гнёздах
корпуса; в основном используют подшипники качения. В данной работе необходимо
рассчитать все элементы привода и разработать конструкцию одноступенчатого
горизонтального редуктора. Для передачи крутящего момента между параллельными
валами в редукторе используются цилиндрические зубчатые передачи. Они чаще
всего применяются в технике из-за ряда преимуществ:
1. Компактность.
. Возможность передачи больших мощностей.
. Постоянство передаточного отношения.
. Применение недефицитных материалов.
. Простота в обслуживании.
Основные требования, предъявляемые создаваемому механизму: высокая
производительность, надежность, технологичность, ремонтопригодность,
экономичность, минимальные габариты и цена. Все выше перечисленные требования
учитывают в процессе проектирования и конструирования.
1. РАСЧЕТ
ЭНЕРГОСИЛОВЫХ И КИНЕМАТИЧЕСКИХ ПАРАМЕТРОВ ПРИВОДА
.1 Общий КПД привода
=
= 0,992·0,97·0,98·0,99 = 0,92
где
- КПД ременной передачи,
= 0,97
- КПД
зубчатой передачи,
= 0,98
- КПД
зубчатой муфты,
=0,99
- КПД
пары подшипников,
= 0,99
Тогда
Ртр =
= 7,07 кВт
По
требуемой мощности выбираем электродвигатель 132M6, с ближайшей
большей стандартной мощностью Рэ = 7,5 кВт, синхронной частотой
вращения nс = 1000
об/мин. Диаметр вала электродвигателя 38мм. S=3,2%.
1.2 Определение частоты вращения ведущего вала
= nс
·(1 -
) = 1000·(1 -
) = 968
мин-1
1.3 Общее передаточное число привода
и0
=
= 14,89
1.4 Передаточное число зубчатой передачи и частоты вращения валов
Принимаем изуб = 4 по ГОСТ 2185-66.
u'=
= 3,72
Частоты
вращения валов
= 968 мин-1
=
=260,22 мин-1
=
65,06 мин-1
1.5 Мощность на валах
= Ртр
= 7,07 кВт
=
=
7,07·0,99·0,97 = 6,79 кВт
=
= 6,79·0,98·0,99·0,99= 6,5 кВт
.6 Крутящие моменты, передаваемые валами
Тi
= 9550·
, отсюда
= 9550·
=69,75 Н·м
= 9550·
249,19 Н·м
= 9550·
954,12 Н·м
2. РАСЧЕТ
ЗУБЧАТОЙ ПЕРЕДАЧИ
.1 Выбор материалов зубчатых колес и способов термообработки
Выбираем для шестерни и для колеса - сталь 45:
Механические свойства выбранных сталей
2.2 Проектный расчет передачи
Выбираем межосевое расстояние aw=125мм. Основным параметром зубчатого зацепления является его
модуль m.
= (0,01…0,02)·aw
Для нашего редуктора:
= (0,01…0,02)·125 мм
m =
1,25…2,5 мм
Принимаем m = 2 мм
Суммарное число зубьев передачи
125
Число
зубьев шестерни
Число
зубьев колеса
2 = Z
- Z1 = 125 - 25 = 100
Фактическое
передаточное число
При
и
4,5 отличие фактического передаточного числа от
номинального должно быть не более 2,5%
< 2,5
Поскольку
Z1 > 17,
примем коэффициенты смещения х1 = 0, х2 = 0.
.2.1 Ширина зубчатых венцов и диаметры колес
Ширина зубчатого венца колеса
= 40 мм
Ширину
зубчатого венца шестерни
принимаем на 2 .. 5 мм больше чем
. Принимаем
= 42 мм.
Определим диаметры окружностей зубчатых колес:
- делительные окружности
мм
мм
Проверка:
(d1 + d2)/2 = аW
(50
+ 200)/2 = 125
/2
= 125
=
125
-
окружности вершин зубьев
=
+ 2m
= 50+2*2
= 54 мм;
=
200+2*2 = 204 мм
-
окружности впадин зубьев
=
- 2,5m
=
50-2,5*2 = 45 мм;
=
200-2,5*2 = 195 мм
2.2.2 Окружная скорость в зацеплении и степень точности передачи
м/с
Для
полученной скорости назначим степень точности передачи nст = 8
2.3 Силы в зацеплении
Окружная сила:
Распорная
сила:
3. РАСЧЕТ
ВАЛОВ И ПОДБОР ПОДШИПНИКОВ
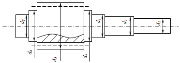
3.1 Проектный расчет тихоходного вала
1) Вычисляем диаметр хвостовика
мм
= 25 -
пониженное допускаемое напряжение на кручение.
Полученное
значение диаметра округляем до ближайшего числа из ряда нормальных линейных
размеров по ГОСТ 6636-69: d1 = 60 мм.
Длину
хвостовика выбираем в диапазоне l1=(2…2,5)·d1 и так же округляем по этому ряду. l1 = 100 мм.
)
Диаметр участка 2 примем из условия, что этот участок будет взаимодействовать с
уплотнением d2 =d1+5=60+5=65 мм. Длина участка вычисляется из условия l2=L2-B+Lk+ y =33 мм
)
Данный участок 3 предназначен для установки подшипника, поэтому диаметр должен
быть кратным 5, следовательно, d3=d2+5 = 65+5=70 мм.
Длина
участка вычисляется из условия того, что на этом участке будет установлен
подшипник 214 ГОСТ 8338-75 и закрепительная втулка, для осевой фиксации
зубчатого колеса
l3 = В + (20 .. 30) = 24 +26 = 50 мм.
)
Участок под номером 4 предназначен для установки зубчатого колеса.
мм. Длину участка получаем из условия: l4=lcm-2
ст=(0,8…1,2)·bw=47 мм.
l4=lcm-2=47-2=45 мм.
5)
Диаметр участка 5, буртика для осевой фиксации зубчатого колеса, примем d5 = 82 мм.
Длину
примем l5 = 10 мм.
)
Участок 6 является буртиком для осевой фиксации подшипника, примем его по ГОСТ
8338-75: d6 =dзп=75 мм. Длину примем l6 = 10 мм.
)
Данный участок 7 предназначен для установки подшипника. Диаметр участка 7
примем d7=d3=70 мм, т.к. на этот участок будет установлен
подшипник 214. Длина участка l7 = 22 мм.
.2 Проектный расчет быстроходного вала
При передаточном числе зубчатой передачи больше 2,5 быстроходный вал
выполняют в виде вал - шестерни.
) Определим диаметр хвостовика
= 39,49
мм
= 20 -
пониженное допускаемое напряжение на кручение.
В
соответствии с рекомендацией по ГОСТ 12080-66 принимаем диаметр d1 = 40 мм. Длина l1=(2…2,5)·d1= 110 мм.
)
Диаметр участка 2 примем из условия, что этот участок будет взаимодействовать с
уплотнением d2 =d1+5=40+5=45 мм.,
= 40 мм.
3) Диаметр участка 3 предназначен для установки подшипника, поэтому
диаметр должен быть кратным 5. d3 = d2+5 =45+5=50 мм.
В соответствии с этим диаметром выбираем подшипник 210 ГОСТ 8338-75.
Длина участка вычисляется с учетом установки подшипника l3=B= 20
мм
) Участки 4 и 5 являются буртиками, предназначенными для осевой фиксации
подшипников. Диаметр участка 4 равен диаметру участка 5 d4=d6=dзп= 52мм.
Длины участков определяем из условия примерного совпадения внутренних
границ подшипников быстроходного и тихоходного валов, расположенных по одну
сторону от зубчатой передачи: l4 = 17 мм, l6 = 17 мм.
) Участок 5- это участок , на котором будет находится шестерня. Длина
этого участка равна ширине зубчатого венца l5=52 мм.
) Диаметр участка 7 предназначен для установки подшипника: d7=d3=50 мм, l7=l3= B=20 мм.
3.3 Подбор и расчет шпонок
Для соединения вала с деталями, передающими вращение, применим
призматические шпонки. Длину шпонки назначим из стандартного ряда.
Размеры шпонки в поперечном сечении, а также размеры шпоночных пазов на
валу и в ступице определяется диаметром вала ГОСТ 23360-78.
Расчет выполняется как проверочный на смятие по формуле :
-
крутящий момент на участке вала со шпоночным пазом, Нм
H - высотка
шпонки
- глубина
паза на валу
- рабочая
длина шпонки, для шпонок со скругленными концами
- длина
шпонки
b- ширина шпонки
-
допускаемое напряжение смятия для стальных ступиц при реверсивном приводе.
Результаты
расчета шпонок представлены в виде таблицы.
Расчет
шпонок быстроходного вала при d=40 мм
|
Размеры шпонки ,мм
|
,мм ,Нм ,МПа
|
|
|
|
b
|
H
|

|
|
|
|
|
|
12
|
8
|
62
|
50
|
5
|
249,19
|
83,06
|
Расчет шпонок тихоходного вала при d=75 мм
|
Размеры шпонки ,мм
|
,мм ,Нм ,МПа
|
|
|
|
b
|
H
|

|
|
|
|
|
|
22
|
14
|
82
|
60
|
9
|
954,12
|
84,81
|
Расчет шпонок тихоходного вала при d=60 мм
|
Размеры шпонки ,мм
|
,мм ,Нм ,МПа
|
|
|
|
b
|
H
|

|
|
|
|
|
|
18
|
11
|
98
|
80
|
7
|
954,12
|
99,39
|
Во
всех трех случаях
. Шпонки проверены на смятие.
.4 Конструкция зубчатых колес
Шестерня
Шестерню выполняем в виде вала-шестерни, т.к. передаточное число зубчатой
передачи больше 2,5.
Колесо
Конструктивные размеры колеса:
диаметр ступицы
c =1,2dвал = 1,2*75 = 90 мм
- длина ступицы
СТ =вw2 = 40 мм
- толщина венца
A = (5..6)m = 6
2 = 12 мм
-
диаметр центровой окружности
0=0,5(da-2A1+Dc)=0,5(204-2*12+90)=135 мм
-
диаметр расположения отверстий
о = 0,25 ( dа - 2A1-Dc) = 0,25 (204 - 2*12 -90) = 22,5мм
- толщина ступицы
СТ = (0,25..0,3) dвал = 0,3
75 = 22,5
мм
примем gСТ
в = 23 мм.
.5 Подбор крышек подшипниковых узлов и уплотнительных манжет
Для подшипниковых узлов применим торцевые крышки глухую и сквозную.
Сквозная крышка для выходного конца вала. Под каждую крышку устанавливаем
регулировочные прокладки для выборки зазора между наружным кольцом подшипника и
упором крышки. Число отверстий для крепления и размеры выбираем по
соответствующей таблице, в зависимости от диаметра наружного кольца подшипника.
Для предотвращения утечки масла на выходных участках валов в крышки подшипников
запрессовывают манжетные уплотнения резиновые армированные без пыльника.
Крышка глухая торцевая для быстроходного вала
|
D
|
dб
|
n0
|
d0
|
d1
|
d3
|
d4
|
e
|
e1
|
C
|
R
|
d2
|
|
85
|
8
|
4
|
9
|
83,5
|
101
|
121
|
8
|
10
|
1,5
|
0,6
|
72,3
|
Крышка глухая торцевая для тихоходного вала
|
D
|
dб
|
n0
|
d0
|
d1
|
d3
|
d4
|
e
|
e1
|
C
|
R
|
d2
|
|
108
|
10
|
6
|
11
|
106,5
|
128
|
153
|
10
|
12
|
2
|
0,6
|
91,8
|
Крышка сквозная для быстроходного вала
|
d
|
d5
|
d6
|
b
|
S
|
|
45
|
46
|
58
|
10
|
3
|
Крышка сквозная для тихоходного вала
|
d
|
d5
|
d6
|
b
|
S
|
|
65
|
66
|
78
|
10
|
3,5
|
4. СИЛЫ,
ДЕЙСТВУЮЩИЕ НА ВАЛЫ. РАСЧЕТ ПОДШИПНИКОВ НА ДОЛГОВЕЧНОСТЬ
4.1 Силы, действующие на ведущий вал
Составляем расчетные схемы вала, нагруженного силами Ft , Fr и Fм в вертикальной и горизонтальной плоскостях
АВ=54мм,
ВС=54мм, СD=106 мм, Fr=3,63кН, Ft=9,98кН, Fм=1,97кН
Вычислим
реакции в опорах A и С
Горизонтальная
плоскость:

кН
кН
Проверка:
Вертикальная плоскость:
кН
кН
Проверка:
Определяем
полные поперечные реакции RA и
RС в опорах
A и С
кН
кН
4.2 Расчет подшипников ведущего вала на долговечность
Подшипник 210 ГОСТ 8338-75:
С = 35,1 кН - Динамическая грузоподъемность
С0 = 23,2 кН - Статистическая грузоподъемность
Расчет подшипника ведем для наиболее нагруженной опоры С, считая, что она
воспринимает осевую нагрузку.
Осевая
нагрузка на подшипник
Коэффициент вращения
При вращении внутреннего кольца подшипника V = 1
Коэффициенты радиальной и осевой нагрузки X = 1, Y = 0.
Температурный коэффициент
При рабочей температуре подшипника t < 1050С принимаем KT = 1
Коэффициент
безопасности для среднего равновероятного режима работы
Эквивалентная
динамическая нагрузка
P = KT Кб ( X·V·RС + Y·Fa) =
1·1,3·(1·1·9,07+0·0) = 11,79 кН
Долговечность подшипника при максимальной нагрузке
Lh =
1689 ч
=3
- показатель степени кривой усталости для шарикоподшипников
Эквивалентная долговечность подшипника
LE =
ч
где
= 0,125 - коэффициент эквивалентности для легкого
режима нагружения.
Поскольку
LE = 13516 ч > 12500 ч, то выбранный подшипник
удовлетворяет заданным условиям работы.
4.4 Силы, действующие на ведомый вал
Составляем расчетные схемы вала, нагруженного силами Ft , Fr и Fм в вертикальной и горизонтальной плоскостях.
AB=101 мм, BC=CD=54
мм, Fr=3,63кН, Ft=9,98кН, Fм=3,86кН.
Вычислим реакции в опорах B и D.
Горизонтальная плоскость:
кН
Проверка:
Вертикальная плоскость:
кН
кН
Проверка:
Определяем полные поперечные реакции RD и RВ в опорах D и В
кН
кН
4.5 Расчет подшипников ведомого вала на долговечность
Подшипник 214 ГОСТ 8338-75:
С = 60,5 кН - Динамическая грузоподъемность
С0 = 45,0 кН - Статистическая грузоподъемность
Расчет подшипника ведем для наиболее нагруженной опоры В, считая, что она
воспринимает осевую нагрузку.
Осевая
нагрузка на подшипник
Коэффициент вращения
При вращении внутреннего кольца подшипника V = 1
Коэффициенты радиальной и осевой нагрузки X = 1, Y = 0.
Температурный коэффициент
При рабочей температуре подшипника t < 1050С принимаем KT = 1
Коэффициент
безопасности для среднего равновероятного режима работы
Эквивалентная
динамическая нагрузка
= KT Кб ( X·V·RB + Y·Fa)=1·1,3·(1·1·12,59+0·0)
= 16,367 кН
Долговечность подшипника при максимальной нагрузке
Lh =
12935 ч
=3
- показатель степени кривой усталости для шарикоподшипников
Эквивалентная долговечность подшипника
LE =
ч
где
= 0,125 - коэффициент эквивалентности для легкого
режима нагружения.
Поскольку
LE = 103483 ч > 12500 ч, то выбранный подшипник
удовлетворяет заданным условиям работы ( ГОСТ Р50891 - 96).
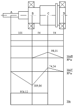
.6 Определение изгибающих и крутящих моментов на ведомом валу
Изгибающие моменты в сечении В. Вертикальная плоскость:
MYB=-AB*Fm=-101*3,86=-389,86 Н*м
Изгибающие моменты в сечении С. Горизонтальная плоскость:
MXC=RBX*BC=1,815*54=98,01 Н*м
Вертикальная плоскость:
YC=-AC*Fm+BC*RBY=-155*3,86+54*12,46=74,54
Н*м
Крутящий момент в сечении A, B и C равен T3= 954,12 Н*м
Рисунок 7 Тихоходный вал. Эпюры изгибающих и крутящих моментов
5.
ПРОВЕРОЧНЫЙ РАСЧЕТ ТИХОХОДНОГО ВАЛА
5.1 Расчет вала на усталостную прочность
В качестве опасных сечений рассмотрим те, в которых действуют наибольшие
изгибающие моменты и имеются концентраторы напряжений. К таким сечениям
относятся:
сечение B, для которого концентратором
напряжения является посадка с натягом внутреннего кольца подшипника;
сечение C, для которого концентраторами
напряжений являются посадка с натягом зубчатого колеса и шпоночный паз.
Расчет вала в сечении В.
Характеристики сечения
В сечении действую: - изгибающий момент МИ = 389,86 Н*м
крутящий момент ТІІ = 954,12 Н*м
Диаметр вала d = 70 мм
Сталь
45 :
= 890 МПа
Геометрические
характеристики сечения
осевой
момент сопротивления
X = 
= 
=33656,88
мм3
-
полярный момент сопротивления
P = 
= 
=67313,75
мм3
привод редуктор вал передача
-
площадь сечения
А
= 
=
=3846,5
мм3
Определение
напряжений
Напряжения
изгиба меняются по симметричному циклу с амплитудой
σа=
= 
=11,58
МПа
-
Среднее значение цикла нормальных напряжений
σm= 
= 
-
Касательное напряжения меняются по отнулевому циклу
τа=τm= 
= 
=2,90 МПа
Пределы
выносливости
Пределы
выносливости углеродистых сталей при симметричном цикле изгиба и кручения
определяются следующим образом:
= 0,43
= 0,43
890 =
382,7 МПа
= 0,58
= 0,58
382,7 =
222 МПа
Эффективные
коэффициенты концентрации напряжений и коэффициент влияния размера поперечного
сечения
Выбираем
тип концентратора напряжения и по соответствующей таблице для этого типа выбираем
значения коэффициентов концентраций напряжений по изгибу (
) и по кручению (
).
Для
посадки с натягом находим коэффициент
, где
- коэффициент влияния размера поперечного сечения
вала. Это отношение находим по ГОСТ 25.504-82 в соответствии с диаметром вала
=4,8. Значение
вычислим
по формуле:
=0,6
+0,4 =
0,6*4,8+0,4=3,28.
Коэффициент
влияния шероховатости поверхности
Примем,
что поверхность вала под подшипник получена чистовым шлифованием с Ra = 0,8 мкм, этой величине соответствует kF =
1,2.
Коэффициенты
чувствительности к асимметрии цикла
0,02
(1+0,01
)=0,02
(1+0,01
890)=0,198
0,5
0,5
0198 =
0,099
Коэффициент
влияния упрочнения
Примем,
что на участке вала с опасным сечением упрочнение отсутствует, поэтому kV = 1.
Коэффициенты
перехода от пределов выносливости образца к пределам выносливости детали
KσD=
= 
=5
KτD=
= 
=3,48
Коэффициенты
запаса прочности
σ= 
= 
=6,61
Sτ= 
= 
=21,39
Общий
коэффициент запаса прочности
=

= 
=6,31
[S]=2
Усталостная
прочность вала в сечении В обеспечена.
Расчет вала в сечении С.
Характеристики сечения
В сечении действуют: крутящий момент ТІІ = 954,12 Н*м
Диаметр вала d = 75 мм
Сталь
40 :
= 890 МПа
Шпоночный
паз: b = 20 мм, t1 = 7,5 мм.
Суммарный
изгибающий момент
М=

= 

=123,13
Н*м
Геометрические
характеристики сечения
осевой
момент сопротивления
WX = 
= 
=36840,23
мм3
полярный
момент сопротивления
WP = 
= 
=78236,72
мм3
площадь
сечения
А
= 
=
=4265,63мм2
Определение
напряжений
Напряжения
изгиба меняются по симметричному циклу с амплитудой
σа= 
= 
= 3,34
МПа
-
Среднее значение цикла нормальных напряжений
σm= 
= 
Касательное
напряжения меняются по отнулевому циклу
τа=τm=

=
=6,10 МПа
Пределы
выносливости
Пределы
выносливости углеродистых сталей при симметричном цикле изгиба и кручения
определяются следующим образом:
= 0,43
= 0,43
890 =
382,7 МПа
= 0,58
= 0,58
335,4 =
222 МПа
Эффективные
коэффициенты концентрации напряжений и коэффициент влияния размера поперечного
сечения
Выбираем
тип концентратора напряжения и по соответствующей таблице для этого типа
выбираем значения коэффициентов концентраций напряжений по изгибу (
) и по кручению (
). Для
посадки с натягом находим коэффициент
, где
- коэффициент влияния размера поперечного сечения
вала. Это отношение находим по ГОСТ 25.504-82 в соответствии с диаметром вала
=4,85. Значение
вычислим
по формуле
=0,6
+0,4 =
0,6*4,85+0,4=3,31
Для
шпоночного паза эффективные коэффициенты концентрации напряжений определим как
= 2,19,
= 2,04.
Коэффициенты
влияния размера поперечного сечения вычислим по формулам:
εσ= 
=
=0,74
ετ=
=
=0,63
Для
шпоночного паза

= 
= 2,96 
= 
= 3,24
Из
двух полученных значений
и
для
дальнейшего расчета выбираем наибольшие значения
=4,85 и
= 3,31
Коэффициент
влияния шероховатости поверхности
Примем,
что поверхность вала под зубчатое колесо получена чистовым обтачиванием Ra = 3,2 мкм, этой величине соответствует kF =
1,33.
Коэффициенты
чувствительности к асимметрии цикла
0,02
(1+0,01
)=0,02
(1+0,01
890)=0,198
0,5
0,5
0198 =
0,099
Коэффициент
влияния упрочнения
Примем,
что на участке вала с опасным сечением упрочнение отсутствует, поэтому kV = 1.
Коэффициенты
перехода от пределов выносливости образца к пределам выносливости детали
KσD=
= 
=5,18
KτD=
= 
=3,64
Коэффициенты
запаса прочности
σ= 
= 
=22,12
Sτ= 
= 
=9,74
Общий
коэффициент запаса прочности
S= 
= 
=18,01
[S]=2
Усталостная
прочность вала в сечении С обеспечена.
.2 Расчет вала на статическую прочность
Проверку статической прочности произведем в целях предупреждения
пластических деформаций и разрушений с учетом кратковременных перегрузок. При
этом определим эквивалентное напряжение
, где
;
;
0,6 ..
0,8
- предельное допускаемое напряжение, принимаемое
близкое к пределу текучести. Для стали 45:
= 650
МПа.
Расчет вала в сечении В.
Статическая
прочность в сечении В обеспечена.
Расчет вала в сечении С.
Статическая
прочность в сечении С обеспечена.
6. ВЫБОР
СМАЗКИ ДЛЯ КОЛЕС И ПОДШИПНИКОВ, ЕЕ КОНТРОЛЬ И ЗАМЕНА
Смазку применяют для уменьшения потерь мощности на трение, снижения интенсивности
износа трущихся поверхностей. Отвода тепла и продуктов износа от трущихся
поверхностей и защиты от коррозии.
Смазка зубчатой передачи при окружных скоростях в зацеплении до 12,5м/с
осуществляется окунанием колеса в масляную ванну. Такой способ смазки иначе
называют картерным. При более высоких скоростях центробежная сила сбрасывает
масло с зубьев и не обеспечивает достаточную смазку зацепления. Минимальная
рекомендуемая глубина погружения колеса в масляную ванну:
min=2*m=2*2=4
мм.
Максимальная глубина погружения не должна превышать половины радиуса
зубчатого колеса:
hmax=0,5*rзк=0,5*100=50 мм.
Марку масла примем в зависимости от окружной скорости вращения колеса и
контактных напряжений.
Зададим
допускаемые контактные напряжения 
= 560 МПа
При
контактных напряжениях до 600 МПа и окружной скорости 2,53 м/с рекомендуется
кинематическая вязкость 28мм2/с. Этой вязкости соответствует сорт
масла И-Г-А-32 ГОСТ 17479.4 - 87.
Масло,
залитое в корпус редуктора, при вращении колеса переносится в зону зацепления.
Объем масляной ванны примерно определяем из расчета 0,4 дм3 масла на
1 кВт передаваемой мощности: V = 0,4
P = 0,4
7,07 =
2,828 дм3.
Уровень масла контролируется с помощью маслоуказателя жезлового.
Нормальным уровнем считается такой, при котором его граница находится между
нижней и верхней меткой на указателе. При уровне ниже рекомендуемого добавить
масло, если выше, то слить.
Для слива лишнего масла и отработавшего масла применяется маслоспускное
отверстие с пробкой.
При работе редуктора из-за трения нагреваются детали, вслед за ними
нагревается воздух, повышается давление внутри корпуса. Чтобы повышенное
давление не выдавило смазку наружу через неплотности и стыки, давление
стравливается в атмосферу через отверстие в ручке-отдушине.
Ручка-отдушина устанавливается в крышку смотрового отверстия. Это
отверстие предназначено для осмотра внутренних частей редуктора без его
разборки.
ЗАКЛЮЧЕНИЕ
На основании исходных данных был выполнен расчет и спроектирован
одноступенчатый горизонтальный цилиндрический редуктор с прямозубой зубчатой
передачей.
Технические характеристики редуктора
|
Мощность на тихоходном валу
|
6,5 кВт
|
|
Крутящий момент на
тихоходном валу
|
954,12 Н·м
|
|
Частота вращения ведомого
вала
|
65 об/мин
|
|
Реверсивность
|
Не реверсивный
|
|
Двигатель асинхронный
|
132М6
|
При проектировании редуктора с выполнением требований технического
задания на проект был рассчитан и спроектирован наиболее простой вариант
конструкции редуктора. Полученная конструкция механизма обеспечивает
возможность удобного и легкого технического обслуживания, свободный доступ для
регулировки, настройки и замены отдельных узлов и деталей. При выборе варианта
конструкции были изучены в сравнении различные технологические решения
поставленной задачи.
На основании полученных расчетов выполнен анализ различных конструкций с
максимальным использованием унифицированных деталей и узлов. Для повышения
технологичности и уменьшения трудоемкости изготовления деталей редуктора
применялись современные материалы и способы изготовления деталей. Примерная
стоимость данного редуктора составляет: 19800 р. Примерный вес: 69,3 кг. При
конструировании устройства была достигнута поставленная цель, создания наиболее
простой конструкции, использованы современные материалы, что привело к
упрощению технологического процесса производства и снижению его себестоимости.
БИБЛИОГРАФИЧЕСКИЙ
СПИСОК
. Баранов Г.Л. Расчет зубчатых цилиндрических передач/
Г.Л.Баранов. Екатеринбург: УГТУ, 2005. 31 с.
. Зиомковский В. М. Детали машин, основы конструирования/ В.
М. Зиомковский. Екатеринбург: УГТУ, 2005. 154 с.
. Баранов Г.Л. Расчет валов, подшипников и муфт/ Г.Л.Баранов.
Екатеринбург: УГТУ, 2005. 46 с.
. Баранов Г.Л. Проектирование одноступенчатого
цилиндрического редуктора / Г.Л.Баранов. Екатеринбург: УГТУ, 2010. 43 с.
. Баранов Г.Л. Расчет деталей машин/ Г.Л. Баранов.
Екатеринбург: УГТУ, 2007. 220 с.
. Чернавский С.А., Боков К.Н., Чернин И.М. и др.
Курсовое проектирование деталей машин: Учебное пособие для учащихся
машиностроительных специальностей техникумов. 2-ое изд. перераб. и дополн. М.:
Машиностроение, 1988.-416с.
. Шейнблит А.Е. Курсовое проектирование деталей машин:
Учебное пособие. 2-ое изд. перераб. и дополн. - Калининград: Янтарный сказ,
2002 - 454 с.