|
ммРасчет.
размер, ммДопуск Т, ммПред. размеры, ммПред. припуски, мм
|
|
|
|
|
|
|
|
Rz
|
h
|
|
|
|
|
|
наиб
|
наим
|
наиб
|
наим
|
|
Наружная пов-ть
вала  
|
|
|
Заготовка -
штамповка
|
17
|
160
|
200
|
400
|
-
|
1,99
|
23,949
|
2
|
25,949
|
23,949
|
-
|
-
|
|
Точение
черновое
|
14
|
50
|
50
|
24
|
200
|
1,61
|
22,339
|
0,52
|
22,859
|
22,339
|
3,09
|
1,61
|
|
Точение
чистовое
|
9
|
25
|
25
|
16
|
8
|
0,25
|
22,089
|
0,052
|
22,141
|
22,089
|
0,718
|
0,25
|
|
|
|
|
|
|
|
|
|
|
|
3,808
|
1,86
|
|
|
|
|
|
|
|
|
|
|
|
|
|
|
|
Значение расчетного припуска определяется
по формуле
2Zmini=2 [
(Rz+h) i-1+√Δ i-12+ έ2i] (14)
где Zmin i - припуск для
расчетной операции или перехода, мм;
(Rz+h) i-1 - высота неровностей
для предшествующей операции или перехода, мкм; Δ i-1 - отклонение профиля для
предшествующей операции или перехода, мкм;
έi - погрешность установки
для расчетной операции или перехода, мкм.
2Zmini=
=1614мкм (1,61мм)
Zmini=
=250мкм (0,25мм)
Проверка: определяется
разность суммы максимального и минимального предельных припусков. Она должна
быть равна разности допусков заготовки и детали.
Тзаг − Т дет = ∑Zmax. −∑Zmin, (15)
где Тзаг - допуск на заготовку, мм; Т дет - допуск на деталь в мм;
−0,052=3,808−1,86
,948=1,948, верно
Разрабатываем схему расположения полей припусков и допусков
(рисунок 2)
Рисунок 2 Схема расположения полей припусков и допусков
2.5
Разработка технологического процесса изготовления детали
005Заготовительная
Заготовка - штамповка, материал заготовки - 45 ГОСТ 1050-88
Токарная
. Подрезать торец окончательно
. Точить Ø22f9 начерно и начисто;
точить фаску 1х45º
3. Центровать отверстие Ø2,5
Оборудование: станок токарно-винторезный 16К20
Приспособление: самоцентрирующийся трёхкулачковый патрон
Режущий инструмент: проходной упорный резец Т5К10 ГОСТ
18869-73; проходной упорный резец Т15К6 ГОСТ 18869-73; проходной отогнутый
резец Т15К6 ГОСТ18868-73; сверло центровочное Ø2,5 ГОСТ 14952-75
Мерительный инструмент: ШЦІ 0,1,175 ГОСТ 166-80; калибр-скоба
Ø22f9 ГОСТ 18362-72
Токарная программная
. Подрезать торец в размер 100
. Точить Ø103на l=45
. Точить Ø80f7 на l=30 c припуском под
шлифование начерно и начисто; точить фаску 1х45º
4. Точить канавку Ø79 на b=3
. Центровать отверстие Ø5
Оборудование: станок токарный программный 16К20Ф3
Приспособление: самоцентрирующийся трёхкулачковый патрон с
пневмоприводом
Режущий инструмент: проходной отогнутый резец Т15К6 ГОСТ
18868-73; проходной упорный резец Т5К10 ГОСТ 18869-73; проходной упорный резец
Т15К6 ГОСТ 18869-73; канавочный резец Т14К8 ГОСТ 18884-73; сверло центровочное Ø5 ГОСТ 14952-75.
Мерительный инструмент: ШЦІ 0,1,175 ГОСТ 166-80
Фрезерная
. Фрезеровать лыску в размер 95
Оборудование: станок вертикально-фрезерный 6Р12
Приспособление: тиски машинные с гидроприводом
Режущий инструмент: фреза дисковая двухсторонняя со вставными
ножами из твердого сплава ГОСТ 6469-69
Мерительный инструмент: ШЦІ 0,1,175 ГОСТ 166-80
Шлифовальная
. Шлифовать Ø80f7
Оборудование: станок круглошлифовальный 3Б12
Приспособление: центр ГОСТ 2575-79
Режущий инструмент: круг шлифовальный 44А ШК 200х40 ГОСТ
28654-90
Мерительный инструмент: калибр-скоба Ø80f7 ГОСТ 18362-72
Контрольная
2.6 Краткая
характеристика оборудования
Используется литература [1]
Учитывая тип производства (среднесерийный), годовую программу
выпуска - 48000 шт., а так же габариты детали выбираем следующее оборудование:
. Токарно-винторезный станок с ЧПУ модели 16К20Ф3
Выбор данного станка обусловлен характером обработки,
размерами рабочей поверхности, а так же его мощностью.
Применение станка с ЧПУ позволит уменьшить долю
вспомогательного времени, которое растрачивается в рассматриваемых операциях на
приёмы, связанные с изменением режимов резания, переходом с обработки одной
поверхности на другую, сменой режущего инструмента и т.п. Данный станок
позволяет обрабатывать нескольких аналогичных деталей, на одном станке и этим
сократит время на переналадку оборудования.
Техническая характеристика станка 16К20Ф3
Наиб. диаметр изделия, устанавливаемого над станинной: 500мм
Наиб. диаметр изделия, обрабатываемого изделия над станиной:
320мм
Наиб. ход суппорта поперечный: 210мм
Мощность привода главного движения: 11кВт
Габаритные размеры станка: 3700х2260х1650мм
Мощность привода главного движения: 11кВт
Масса станка (без стружкоудаления): 4000кг
. Токарно-винторезный станок модели 16К20
Станок предназначен для выполнения различных токарных работ,
а также для нарезания резьб.
Техническая характеристика станка 16К20
Наиб. диаметр изделия, устанавливаемого над станинной: 400мм
Наиб. Длины обрабатываемой заготовки: 710,1000,1400, 2000мм
Частота вращения шпинделя: 12,5−1600мин-1
Пределы подач продольных: 0,05−2,8 мм/об
Пределы подач поперечных: 0,025−1,4 мм/об
Габаритные размеры станка: 3795х1198х1600мм
Мощность двигателя: 10кВт
Масса станка: 4000кг
. Вертикально-фрезерный станок модели 6Р12
Предназначен для выполнения разнообразных фрезерных работ при
обработке деталей любой формы из стали, чугуна, цветных металлов и их сплавов.
Техническая характеристика станка:
Размеры стола 
мм;
Перемещение стола: продольное (х) 800 мм;
поперечное (у) 320 мм;
вертикальное (z) 420 мм;
Частота вращения основного шпинделя: 31,5−1600 об/мин;
Габаритные размеры станка: 
мм;
Мощность главного двигателя: 7,5 кВт;
Масса станка: 3250 кг.
. Станок круглошлифовальный универсальный 3Б12
Полуавтомат предназначен для наружного шлифования цилиндрических и
пологих конических поверхностей в условиях серийного производства. Шлифование
производится в неподвижных центрах и в патроне
Класс точности станка по ГОСТ 8-82: П;
Диаметр обрабатываемой детали: 200 мм;
Длина детали, мм: 500 мм;
Длина шлифования: 500 мм;
Пределы частоты вращения шпинделя: 2250-16750 об/мин
Габаритные размеры станка: 2650
1750
1750 мм;
Мощность двигателя: 3 кВт;
Масса: 3000 кг.
2.7 Расчёт
режимов резания на одну операцию расчетно-аналитическим методом
Расчёт режимов резания производится по литературе [10]
Выбор времени производится по литературе [8], [9] 010Токарная
. Подрезать торец окончательно
. Точить Ø22f9 начерно и начисто;
точить фаску 1х45º
3. Центровать отверстие Ø2,5
. Подрезать торец окончательно
Выбираем резец проходной отогнутый. Материал пластины -
твёрдый сплав Т15К6.
. Глубина резания при подрезке торца определяется по формуле:

, (16)
где Lзаг - длина детали до
обработки, мм;д - длина детали после обработки, мм.

мм
. Подача на оборот выбирается по [10]= 0.5мм/об
. Скорость резания расчетная определяется по формуле

, (17)
где Т - среднее значение стойкости, мин; (Т=60мин).

,x,y,m-коэффициент и показатели степени, в зависимости от вида
обработки (
=350; х=0,15; y=0,35; m=0,2)
− общий поправочный коэффициент на скорость резания;
определяется по формуле
, (18)
где
− коэффициент, учитывающий влияние
физико-механических свойств обрабатываемого материала;
=1,5
=0,9
.
определяется по формуле
, (19)
где
=1;
=1,75
,

м/мин
. Частота вращения шпинделя расчетная определяется по формуле

, (20)
где V−скорость резания, м/мин− диаметр детали, мм
Корректируем частоту вращения по паспорту станка nп=630
. Скорректированная скорость резания определяется по формуле

, (21)
где n−частота вращения, об/мин− диаметр детали, мм

м/мин
. Pz определяется по формуле

=
, (22)
где Ср, x, y, n − коэффициент и показатели
степени
Ср = 300, x = 1, y = 0,75, n = −0,15.

=
. Мощность резания определяется по формуле
, (23)
где Pz− тангенциальная сила резания, Н;−
скорректированная скорость резания, м/мин
Так как мощность станка Nст=10 кВт, то необходимо чтобы
соблюдалось условие
<Nст ή, (24)

7,5, выполнено.
. Основное время обработки определяется по формуле
Toi=
, (25)
где n - cкорректированное значение вращения шпинделя, мин-1;-
скорректированное значение подачи, мм/об;− число проходов;−
расчетная длина обработки, мм.
. Расчётная длина обработки определяется по формуле
1=l+11,
(26)
где 1 − длина обрабатываемой поверхности, мм;1 −
величина врезания и перебега, мм
1=11+6=17мм
Toi=
мин
. Точить Ø22f9 на l=55 начерно и
начисто; точить фаску
Выбираем резец проходной упорный. Материал пластины - твердый
сплав Т15К6 для чистовой обработки, Т5К10 для черновой обработки.
. Глубина резания определяется по формуле

, (27)
где Dзаг− диаметр заготовки, мм;дет−
диаметр детали, мм
=
мм
на черновую обработку 
на чистовую обработку 
мм
. Подача на оборот выбирается по [10]
черн
= 0.6мм/об Sчист= 0,42
Корректируем подачу по паспорту станка 
= 0.6мм/об и 
= 0,4мм/об
. Скорость резания расчетная определяется по формуле (17)

м/мин

м/мин
. Частота вращения шпинделя определяется по формуле (20)
Корректируем частоты вращения по паспорту станка 
= 630
и 
=1000
. Скорректированная скорость резания определяется по формуле (21)

м/мин

м/мин
. Pz рассчитывается по формуле (22)

=

=
. Мощность резания рассчитывается по формуле (23)
Так как мощность станка Nст=10 кВт, то необходимо чтобы
соблюдалось условие (24)

7,5, выполнено

7,5, выполнено
8. Расчётная длина обработки определяется
по формуле (26)
1=55+6=61мм
. Основное время обработки
определяется по формуле (25)

=
мин

=
мин
. Центровать отверстие Ø2,5 на l=2,5
Выбираем сверло центровочное ГОСТ 14952-75 D=2,5
. Глубина резания определяется по формуле

, (28)
где D-диаметр отверстия, мм

= 1,25мм
. Подача на оборот выбирается по
[10]=0,06мм/об
Корректируем подачу по паспорту станка Sп=0,06мм/об
. Скорость резания определяется по формуле

(29)
где Т - среднее значение стойкости, мин; (Т=15мин)

,q,y,m - коэффициент и показатели степени, в зависимости от вида
обработки (
=7; q=0,4; y=0,7; m=0,2);
- коэффициент, влияющий на скорость
резания;
определяется по формуле
, (30)
где
− коэффициент, учитывающий влияние
физико-механических свойств обрабатываемого материала;
− коэффициент на инструментальный материал (
=1);
− коэффициент, учитывающий глубину сверления (
=1)
.
рассчитывается по формуле (19)
, где
= 1;
= −0,9,
, V = 
= 52 м/мин
. Частота вращения шпинделя nф
определяется по формуле (20)
nф=
Корректируем частоту вращения по паспорту станка
=1200
. Крутящий момент определяется по формуле
Mкр=
, (31)
где 
,q,y,m - коэффициент и показатели степени, в зависимости от вида
обработки (
=0,0345; q=2; y=0,8)
.
рассчитывается по формуле
, (32) где n=0,75
, Mкр=
. Осевая сила определяется по формуле

, (33)
где 
,q,y - коэффициенты и показатели степени, в зависимости от вида
обработки (
=68; q=1; y=0,7)

=289 Н
. Мощность резания N определяется по
формуле
N=
, (34)=
,
Так как мощность станка Nст=10 кВт, то необходимо чтобы
соблюдалось условие (24)

<7.5, выполнено.
. Основное время обработки определяется по формуле (25)

=
мин
. Основное время рассчитывается по формуле

(35)
где 
время всех переходов, мин
. Вспомогательное время рассчитывается по формуле

, (36)
где 
время на установку, мин, 
время на измерения, мин

время, связанное с переходом, мин,

поправочный коэффициент на вспомогательное время.
. Оперативное время рассчитывается по формуле

, (37)
где 
основное время; 
вспомогательное время.
. Время на обслуживание рабочего места, отдых и личные надобности 
. Штучное время определяется по формуле

, (38)
где 
оперативное время; 
время на обслуживание рабочего места, отдых и личные надобности.

мин
. Подготовительно-заключительное время определяется по нормативам

мин
. Штучно-калькуляционное время определяется по формуле

, (39)
где 
штучное время;

подготовительно-заключительное время;

количество деталей в партии.

мин
2.8 Выбор
режимов резания и их корректировка для остальных операций по общемашиностроительным
нормативам
Выбор режимов резания производится по литературе [6], [7]
Выбор времени производится по литературе [8], [9]
Токарная программная
. Подрезать торец в размер 100
. Точить Ø103 на l=15
. Точить Ø80f7 на l=30 с припуском под
шлифование начерно и начисто; точить фаску 1х45º
4. Точить канавку Ø79 на b=3
. Центровать отверстие Ø5 на l=5
. Точить торец в размер 100
Выбираем резец проходной отогнутый. Материал пластины -
твёрдый сплав Т15К6.
. Глубина резания при подрезке торца определяется по формуле
(16)

=1,5 мм
. Выбираем по нормативам табличное значение подачи 
мм/об.
Фактическое значение подачи рассчитывается по формуле

(40)
где 
- поправочные коэффициенты на подачу.

Корректируем значении подачи по паспорту станка 
мм/об.
. Выбираем по нормативам табличное значение скорости резания 
м/мин. Фактическая скорость резания рассчитывается по формуле

(41)
где 
поправочные коэффициенты на скорость.

м/мин
. Фактическая частота вращения шпинделя рассчитывается по формуле
(20)

об/мин
Корректируем частоту вращения шпинделя по паспорту станка 
об/мин.
. Скорректированная скорость резания рассчитывается по формуле
(21)

м/мин
. По скорректированным значениям подачи Sп и скорости
резания Vп выбирается мощность резания Nрез. 
кВт
Так как мощность станка Nст=11 кВт, то необходимо чтобы
соблюдалось условие (24)

, выполнено.
. Точить Ø103 на
l=15
Выбираем резец проходной упорный. Материал пластины - твердый
сплав Т15К6.
. Глубина резания по формуле (26)
2. Выбираем по нормативам табличное значение подачи 
мм/об.
Фактическое значение подачи рассчитывается по формуле (40)

Корректируем значении подачи по паспорту станка 
мм/об.
. Выбираем по нормативам табличное значение скорости резания 
м/мин.
Фактическая скорость резания определяется по формуле (41)

м/мин
. Фактическая частота вращения шпинделя определяется по формуле
(20)

об/мин
Корректируем частоту вращения шпинделя по паспорту станка 
об/мин.
. Скорректированная скорость резания рассчитывается по формуле
(21)

м/мин
. По скорректированным значениям подачи Sп и скорости
резания Vп выбирается мощность резания Nрез.

кВт
Так как мощность станка Nст=11 кВт, то необходимо чтобы
соблюдалось условие (24)

, выполнено.
. Точить Ø80f7 на
l=30 начерно и начисто; точить фаску 1х45º
Выбираем резец проходной упорный.
Материал пластины - твердый сплав Т15К6 - для чистовой обработки,
Т5К10 - для черновой обработки.
. Глубина резания определяется по формуле (26)
на черновую обработку 
, на чистовую обработку 
мм
. Выбираем по нормативам табличные значения подач 
мм/об и 
мм/об. Фактическое значение подачи рассчитывается по формуле (40)

мм/об

мм/об
Корректируем фактические значения подач по паспорту станка
мм/об
мм/об.
. Выбираем по нормативам табличное значение скорости резания 
м/мин и
м/мин.
Фактическая скорость резания рассчитывается по формуле (41)

м/мин

= 474 м/мин
. Фактическая частота вращения шпинделя определяется по формуле
(20)

об/мин,

об/мин
Корректируем частоту вращения шпинделя по паспорту станка 
об/мин и 
об/мин.
. Скорректированная скорость резания рассчитывается по формуле
(21)

м/мин

м/мин
По скорректированным значениям подачи Sп и скорости
резания Vп выбираем мощность резания при черновой обработке Nрез.

кВт
Так как мощность станка 
, то необходимо чтобы соблюдались условие (34)

словие выполнено.
. Точить канавку Ø79 на b=3
Выбираем резец канавочный ГОСТ 18884-73, материал пластины -
твердый сплав Т14К8.
. Глубина резания определяется по формуле (26)
. Выбираем по нормативам табличное значение подачи 
мм/об.
Фактическое значение подачи рассчитываем по формуле (40)

Корректируем значение подачи по паспорту станка
мм/об.
. Выбираем по нормативам табличное значение скорости резания

м/мин.
Фактическая скорость резания рассчитывается по формуле (41)

м/мин
. Фактическая частота вращения шпинделя определяется по формуле
(20)

об/мин
Корректируем частоту вращения шпинделя по паспорту станка

об/мин.
. Скорректированная скорость резания рассчитывается по формуле
(21)

м/мин
. Выбираем по нормативам мощность резания

кВт
Так как мощность привода 
, то необходимо чтобы соблюдались условия 
словие выполнено.
. Центровать отверстие Ø5 на l=5
Выбираем сверло центровочное ГОСТ 14952-7 D=5 7
. Глубина резания определяется по формуле (27)

,
где D-диаметр отверстия, мм

= 2,5мм
. Выбираем по нормативам табличное
значение подачиот =0,05мм/об
Подача определяется по формуле

, (43)
где Sот - подача;

-поправочные коэффициенты

=0,04мм/об
Корректируем подачу по паспорту станка 
об/мин.
. Скорость резания определяется по формуле
от=
, (44)
где 
-скорость резания табличная;

- поправочные
коэффициенты
Выбираем по нормативам табличное значение скорости резания 
м/мин
от=
м/мин
. Частота вращения шпинделя nф определяется по формуле
(20)
ф=
Корректируем расчетное значение частоты вращения шпинделя по
паспорту станка nn=1000мин-1
5. Фактическая скорость резания определяется по формуле (17)
ф=
. Мощность резания N определяется по
формуле
N=
, (45)
где NТ=0,131кВт
=
Необходимо выполнение условие (34): 0,32<7.5, условие
выполнено.
2.9 Расчёт
норм времени
Расчеты производятся по литературе [2]
. Основное время определяется по формуле

, (46)
где 
-автоматическое время, мин;

-автоматическое время, мин.

(47)
где n - cкорректированное значение
вращения шпинделя, мин-1;- скорректированное значение подачи,
мм/об;- число проходов;
Вспомогательное автоматическое время
определяется по формуле

(48)
где 
-длина холостых ходов по оси х, мм

- длина холостых ходов по оси z, мм

-ускоренная минутная подача по оси х.

- ускоренная минутная подача оси z.
. Основное время на операцию определяется по формуле (26)
То=0,4+0,53+0,56+0,74+0,24=2,47мин
Твсп= (tуст+tизм)
kвсп, (49)
где tуст - время на установку и
снятие заготовки, минизм - вспомогательное время на контрольные
измерения, минвсп - поправочный коэффициент на вспомогательное
время, мин
уст=0,18, tизм
=0,12, kвсп=0,76
Твсп= (0,18+0,76+0,12)
0,76=0,8мин
. Оперативное время определяется по
формуле (37)
Топ=2,47+0,8=3,27 мин
. Время на обслуживание рабочего места,
отдых и личные надобности от оперативного
а=8%
. Штучное время определяется по формуле
(38)
Тшт =
мин
. Подготовительно - заключительное время Тпз
Тпз=
=21,3мин
. Штучно-калькуляционное время рассчитывается по формуле (39)
Тшк =
мин
2.10 Таблицы
режимов резания и норм времени
Таблица 8 Режимы резания
|
Содержание
переходов
|
Глубина резания
t, мм
|
Расчетные
режимы резания
|
Скорректированные
режимы резания
|
Мощность
резания N, кВт
|
|
|
 м/мин мм/об об/мин м/мин мм/об об/мин
|
|
|
|
|
|
|
|
010 Токарная
|
|
1. Подрезать
торец окончательно 2. Точить Ø22f9 начерно начисто 3. Центровать отверстие
Ø2,5
|
1,5 1 0,5 1,25
|
157 157 197 52
|
0,5 0,6 0,42
0,06
|
2048 2271 2850
6620
|
48,3 43,5 69.1
9,4
|
0,5 0,6 0,4
0,06
|
630 630 1000
1200
|
1.22 0,8 0,5
0,006
|
|
015 Токарная
программная
|
|
1. Подрезать
торец в размер 100 2. Точить Ø103на l=15 Точить Ø80f7 на l=30 c припуском под шлифование
начерно 3. Точить Ø80f7
на l=30 c припуском под шлифование начисто; точить фаску 1х45º
4. Точить канавку Ø79 на b=3 5. Центровать отверстие Ø5
|
1,5 1,5 1,5
0,5 3 2,5
|
158,4 180 158,4
4 74 109,7 8,15
|
0,33 0,28
0,33 0,067 0,05 0,05
|
498,5 556 630
1885 442 1037
|
129,4 161,8
158,3 314 99,3 7,85
|
0,3 0,25 0,3
0.05 0,05 0,04
|
400 500 630
1250 400 1000
|
3 3.7 3.7
4,1 1,3
|
|
020 Фрезерная
|
|
1. Фрезеровать
лыску в размер 95
|
8
|
224
|
0,07
|
713
|
197,9
|
0,22
|
630
|
18,2
|
|
025 Шлифование
|
|
1. Шлифовать Ø80f7
|
0.3
|
30
|
0.04
|
120
|
96
|
0.03
|
30
|
-
|
|
|
|
|
|
|
|
|
|
|
|
Таблица 9 Нормы времени
|
Содержание
переходов
|
 , мин , мин , мин , мин , мин , мина,    , мин , мин , мин
|
|
|
|
|
|
|
|
|
|
|
1
|
2
|
3
|
4
|
5
|
6
|
7
|
8
|
9
|
10
|
11
|
|
010Токарная
|
-
|
-
|
-
|
0,52
|
0.73
|
1,25
|
8
|
1,35
|
21,50
|
1,39
|
|
1. Подрезать
торец окончательно 2. Точить Ø22f9 Начерно Начисто Точить фаску 1х45º 3. Центровать отверстие Ø2,5
|
-
|
-
|
-
|
0,05 0,16
0,15 0,02 0,14
|
-
|
-
|
-
|
-
|
-
|
-
|
|
015Токарная
программная
|
-
|
-
|
-
|
2,47
|
0,8
|
3,27
|
8
|
3,53
|
21,3
|
3,57
|
|
1. Подрезать
торец в размер 100 2. Точить Ø81.6 на l=30 начерно Точить Ø103 на l=15 3. Точить Ø80,6 на l=30 начисто Точить фаску 1х45º
4. Точить канавку Ø79 на b=3 5. Центровать 1отв. Ø5 на l=5
|
0,4 0,53
0,56 0,24 0,74
|
0,35 0,47
0,51 0,18 0,7
|
0,05 0,06
0,05 0,06 0,04
|
-
|
-
|
-
|
-
|
-
|
-
|
-
|
|
020Фрезерная
|
-
|
-
|
-
|
0,16
|
0,40
|
0,56
|
8
|
0,60
|
28,2
|
0,65
|
|
1. Фрезеровать
квадрат лыску в размер 95
|
-
|
-
|
-
|
0,16
|
-
|
-
|
-
|
-
|
-
|
-
|
|
025Шлифование
|
-
|
-
|
-
|
2,44
|
1,88
|
4,32
|
8
|
4,66
|
21,05
|
4,7
|
|
1. шлифовать Ø80f7
|
-
|
-
|
-
|
2,44
|
-
|
-
|
-
|
-
|
-
|
-
|
|
|
|
|
|
|
|
|
|
|
|
|
|
2.11
Разработка управляющей программы на программную операцию
Токарная программная
. Подрезать торец в размер 100
. Точить Ø103 на l=15
Точить Ø81,6 на l=30 начерно
. Точить Ø80,6 на l=30 начисто; точить
фаску 1х45º
4. Точить канавку Ø79 на b=3
. Центровать 1отв. Ø5 на l=5
N01 T1 F0.3 S3400 M08
LFX85Z0 E LFX0 LFZ50 X200 E LFT2 F0.3 S3500 LFX81.6 Z2 E LFZ-30 LFX103 Z-15
LFX104 Z2 E LFF0.05 S3125X78.4 Z0 LFZ-30 C1.6 LFX200 E LFZ50 E LFT3 F0.05 S3400
LFX104 E LFZ-30 E LFX79 LFX200 E LFZ 50 E LFT4 F0.04 S3100 LFX0 Z2 E LFZ-7 LFZ2
E LF
N24 Z 50 X200 M09 E LFM02
3.
Конструкторская часть
.1 Расчёт
специального режущего инструмента для поверхности
Все расчеты производятся по литературе [6]
Рассчитаем и сконструируем фрезу дисковую со вставными
ножами, D=100 мм.
. Схема крепления ножей - вставные, фиксируется клином
Материал корпуса - Т15К6
Материал ножей - Т15К10
. Исходя из диаметра фрезы выбираем число зубьев по [1] z=8
. Выбираем табличную скорость резания по нормативам резанияt
= 224 м/мин
Корректируем скорость резания по формуле
= Vykv1kv2kv3kv4kv5kv6kv7,
(50)
где kv1 - kv7 - поправочные
коэффициенты на скорость
= 280·1 ·0,8·1·1·1·1·1 = 224 м/мин
. Частота вращения определяется по формуле (19)

,
Корректируем значение частоты вращения фрезы по паспорту станка
. Сила резания Pz определяется по формуле
z =

, (51)
где z - число зубьев фрезы;- частота вращения фрезы, об/мин
z =

·0,95 = 1000 Н
. Диаметр отверстия под оправку определяется по формуле

, (52)
Где Mсум - суммарный момент при изгибе и скручивании
оправки, Н·м

- предел прочности на изгиб, МПа принимаем - 
= 220 МПа.

, (53)
где P - равнодействующая сил Pz и Py, Н;
= 1,411Pz, P = 1,411·1000 =1411Н
Рассчитываем суммарный момент по формуле (53)

=17042,43087445
- длина посадочного участка оправки, мм принимаем l=400 мм;
Определяем диаметр отверстия под оправку по формуле (52)


,
Принимаю отверстие оправки d=27 мм. Конструкция фрезы приведена в
графической части проекта.
3.2 Расчёт
специального контрольного инструмента для поверхности Ш80f7
Расчеты производятся по литературе [4].
Определим исполнительные размеры калибра-скобы для контроля
вала Ø80f7.
. По таблице допусков ЕСДП находим предельные отклонения вала
Ø80f7: es= - 30 мкм, ei= - 60 мкм.
. Определим предельные размеры
max=dном+ es, (50)
где dном
- номинальный диаметр, мм, es - верхнее отклонение, мм
max= 80-0,03=79,97 мм, dmin =dном+
ei, (51)
где dном
- номинальный диаметр, мм, ei - нижнее отклонение, мм
min=80-0,06=79,94мм
. Наименьший
размер калибра ПР определяется по формуле
ПРmin=
dmax - z1 - H1/2, (52)
где z1-смещение
поля допуска калибр - скобы, z1=4мкмр1-допуск на
контрольные калибры, Hр1=2мкм1-допуск на изготовление
рабочих калибров, H1=5мкм
ПРmin=79,97-0,004-
=79,9635мм
Исполнительный размер калибра ПР=79,8635+0,005мм
. Наименьший размер калибра НЕ определяется по формуле
НЕmin= dmin - H1/2, (53), НЕmin=79,94
- 
=79,9375мм
Исполнительный размер калибра НЕ=79,9375+0,005мм
. Размер проходного изношенного калибра определяется по формуле
ПРизн= dmax+Нр, (54), ПРизн=79,97+0,002=79,979мм
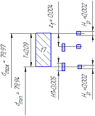
Рисунок 3 Схема поля допуска калибр - скобы:
-поле допуска вала,
-поле допуска на
изготовление контрольных калибров
- поле на изготовление
рабочих калибров
Конструкция калибр - скобы приведена в графической части
проекта.
4. Охрана
труда и противопожарная безопасность
Требования охраны труда перед началом работы:
получить инструктаж по охране труда у руководителя перед выполнением
новых видов работ и при изменении условий труда;
осмотреть рабочее место, привести его в порядок, освободить
проходы и не загромождать их;
надеть спецодежду, осмотреть, привести в порядок;
рабочий инструмент, материалы, приспособления расположить в
удобном и безопасном для использования порядке;
рабочее место содержать в чистоте, не загромождать его
деталями, заготовками, мусором.
Требования охраны труда во время работы:
содержать рабочее место в чистоте, не допускать его
загромождения;
надежно и прочно закреплять в приспособлении обрабатываемые
детали, жестко закреплять режущий инструмент;
устанавливать и снимать режущий инструмент только после
полной остановки станка;
во время работы станка не брать и не подавать через
работающий станок какие-либо предметы, не подтягивать болты и другие
соединительные детали станка;
работать на станке в рукавицах запрещается;
не удалять стружку со станка непосредственно руками,
пользоваться специальными крюками и щетками;
при остановке станка пользоваться тормозным устройством, не
тормозить деталь или патрон нажатием руки;
запрещается увеличивать установленные режимы резания без
ведома мастера;
во время вращения шпинделя запрещаются измерения любыми
мерительными инструментами;
запрещается допускать к управлению станком посторонних лиц;
запрещается использовать охлаждающими и смазывающими
жидкостями в качестве моющих средств;
Требования охраны труда в аварийных ситуациях:
при возникновении поломок оборудования необходимо прекратить
его эксплуатацию, доложить о принятых мерах непосредственному руководителю,
действовать в соответствии с полученными указаниями;
в случае аварии оповестить об опасности окружающих
работников, доложить непосредственному руководителю о случившемся и действовать
в соответствии с планом ликвидации аварий; при несчастных случаях следует
оказать пострадавшему доврачебную помощь и по возможности сохранить обстановку,
в которой произошел несчастный случай (если это не угрожает окружающим);
при поражении электрическим током необходимо принять меры к
скорейшему освобождению пострадавшего от действия тока и оказать ему
доврачебную помощь;
при захвате вращающимися частями машин, стропами, грузовыми
крюками или другим оборудованием частей тела или одежды подать сигнал о
прекращении работы и по возможности принять меры к остановке оборудования. Не
следует пытаться самостоятельно освободиться от захвата, если есть возможность
привлечь окружающих;
при возникновении пожара необходимо прекратить работу;
отключить электрооборудование; сообщить непосредственному или вышестоящему
руководителю о пожаре и вызвать пожарную охрану; по возможности принять меры по
эвакуации людей и приступить к тушению пожара имеющимися средствами
пожаротушения.
В производственных условиях самыми распространенными
источниками воспламенения являются:
а) искры, образующиеся при коротких замыканиях, и нагревания
участков электросетей и электрооборудования.
б) тепло, выделяющееся при трении во время скольжения
подшипников, дисков, ременных передач, а также при выходе газов под высоким
давлением и с большой скоростью через малые отверстия;
в) искры, образующиеся при ударах металлических деталей друг
о друга или об абразивный инструмент, как, например, удары.
г) тепло, выделяющееся при химическом взаимодействии
некоторых веществ и материалов.
д) искровые разряды статического электричества;
е) пламя, лучистая теплота, а также искры, образующиеся,
например, при плавке металла и заливке литейных форм, при работе термических
печей, закалочных ванн.
Возникновение пожара возможно предотвратить путем осуществления
соответствующих инженерно-технических мероприятий при проектировании и
эксплуатации технологического оборудования, энергетических и
санитарно-технических установок, а также соблюдением установленных правил и
требований пожарной безопасности.
Важнейшими пожарно-профилактическими мероприятиями являются:
правильный выбор электрооборудования и способов его монтажа с
учетом пожароопасности окружающей среды, систематический контроль исправности
защитных аппаратов и устройств на электрооборудовании, постоянный надзор за
эксплуатацией электроустановок и электросетей силами электротехнического
персонала;
предупреждение перегрева подшипников, трущихся деталей и
механизмов путем своевременной и качественной смазки, контроля за температурой
и т.д.;
оборудование эффективной вентиляции, исключающей возможность
образования в помещении взрывоопасной смеси, и обеспечение нормальной работы
вентиляции в окрасочных и сушильных камерах и других аппаратах;
создание условий, обеспечивающих пожарную безопасность при
работе с нагретыми до высокой температуры изделиями и расплавленным металлом,
при сварочных и других огневых работах;
запрещение хранения, транспортирования и содержания на
рабочих местах огнеопасных жидкостей и растворов в открытых емкостях (в ведрах,
открытых баках и т.п.);
проведение разъяснительной работы среди рабочих и служащих по
соблюдению правил пожарной безопасности.
Заключение
Разработанный технологический процесс, предназначен для
среднесерийного производства. При его разработке использовалось специальное и
универсальное оборудование, приспособление, инструмент. Для того чтобы повысить
производительность труда и сократить время на обработку, применялось
оборудование с ЧПУ.
Спроектированный технологический процесс изготовления детали
"Корпус" обеспечивает наибольший эффект при наименьших затратах и
снижает себестоимость продукции. Поэтому этот технологический процесс можно
использовать на предприятии.