Активный фильтр НЧ каскадного типа

  • Вид работы:
    Дипломная (ВКР)
  • Предмет:
    Информатика, ВТ, телекоммуникации
  • Язык:
    Русский
    ,
    Формат файла:
    MS Word
    260,54 kb
  • Опубликовано:
    2011-11-05
Вы можете узнать стоимость помощи в написании студенческой работы.
Помощь в написании работы, которую точно примут!

Активный фильтр НЧ каскадного типа

Московский Институт Электронной Техники

(Технический Университет)









Курсовой проект по курсу

«Радиоэлектроника»

«Активный фильтр НЧ каскадного типа»


Выполнил: Матвеев Р.

Группа: ЭКТ-36

Руководитель: Бабкин Е.Е.




 

 

Москва, 2010

Задание

. Тема проекта “Разработка активного фильтра низких частот каскадного типа”. Техническое задание

1) Коэффициент передачи на нулевой частоте равен Кu=1

2) Частота среза fср=800 Гц

3) Частота заграждения fз=1500 Гц

4) Допустимая неравномерность АЧХ в полосе пропускания 3 дБ

5) Затухание на частоте fз, дБ >40

Теоретическая часть

Фильтры Чебышева имеют передаточную характеристику вида:


          (1)

где n - порядок фильтра.

Так как корни знаменателя комплексно-сопряженные, то K(P) может быть представлена в виде:

              (2)

В выражениях (1) и (2) Ci,,- пололжительные действительные коэффициенты; N -целая часть выражения (n+1)/2.

При описании фильтра в частотной области

                            (3)

где  - частота, нормированная относительно частоты среза ;

- амплитудно-частотная характеристика (АЧХ);

 - фазово-частотная характеристика (ФЧХ).

АЧХ ФНЧ определяется как модуль передаточной характеристики (2):

            (4)

Ниже приводится рисунок АЧХ фильтра Чебышева третьего порядка. Частота среза (верхняя граничная частота ) для фильтра Чебышева определяется как частота, на которой АЧХ последний раз проходит через минимальное в полосе пропускания значение.


Расчёт коэффициентов  и добротности звеньев обобщённой АЧХ фильтра.

 - коэффициенты полинома, аппроксимирующего передаточную функцию фильтра. Численное значение этих коэффициентов зависит от типа фильтра, его порядка, допустимой неравномерности АЧХ в полосе пропускания и рассчитывается из соотношений:


Для описания свойств звеньев фильтра вводится понятие добротности полюсов его передаточной функции, определяемой соотношением: .

1)      Определение порядка фильтра и количества звеньев.

Т. к. допустимая неравномерность АЧХ в полосе пропускания не равна нулю , то тип фильтра - фильтр Чебышева.

Для удобства дальнейших расчетов проведем предварительные вычисления:

Теперь воспользуемся формулой для расчета порядка фильтра Чебышева:


Подставляя исходные данные в эту формулу, получаем:


После округления получаем n = 5.

Теперь определяем количество звеньев:


Расчёт коэффициентов  и добротности звеньев обобщённой АЧХ фильтра.

 - коэффициенты полинома, аппроксимирующего передаточную функцию фильтра. Численное значение этих коэффициентов зависит от типа фильтра, его порядка, допустимой неравномерности АЧХ в полосе пропускания и рассчитывается из соотношений:


Для фильтра Чебышева:нечётное:

= 11,27 b1= 31,73= 0,76 b2= 2,65= 0,12 b3= 1,07

Для описания свойств звеньев фильтра вводится понятие добротности полюсов его передаточной функции, определяемой соотношением: .

= 0,5= 2,14= 8,82

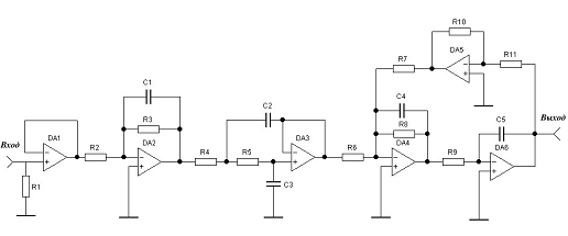
Таким образом, мы будем рассматривать каскадную реализацию фильтра 5-ого порядка в виде соединения 3-х взаимонезависимых звеньев первого и второго порядков.

Расчет звена первого порядка на ОУ с единичным усилением.

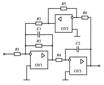
Характеристика звена второго порядка в общем виде имеет вид:


Передаточная характеристика звена приведенного на рисунке имеет вид:

       


Первое звено сделаем по этой схеме.

Подбираем номиналы элементов для этой схемы:

)Выбираем номинальное значение емкости С1 близкое к значению

=0.0125 [мкФ]

По таблице номинальных значений выбираем номинал С1 = 0.0123 мкФ



Получаем значения:

Для первого звена R1 = 182 кОм    R2 = 182 кОм      (Ряд Е192)

2)      Расчет звена второго порядка на ОУ с единичным усилением

Характеристика звена второго порядка в общем виде имеет вид:

                                                       (3)

Передаточная характеристика звена приведенного на рисунке имеет вид:

             (4)

Сравнивая (3) и (4), получаем:

                                                   

Схема такого звена:


По этой схеме сделаем второе звено.

Подбираем номиналы элементов для этой схемы:

)Выбираем номинальное значение емкости С1 близкое к значению

=0.0125 [мкФ]

По таблице номинальных значений выбираем номинал С1 = 0.0123 мкФ

) Выбираем номинальное значение емкости С1 такое, что б выполнялось условие

   (8)

После вычисления по этой формуле получили следующие ограничения для С2:

С2 = 0.000626 мкФ

) Считаем номиналы для R1 и R2

        (9)

Получаем значения:

Для второго звена R1 = 152 кОм    R2 = 88.7 кОм               (Ряд Е192)

3)      Расчет биквадратного звена ФНЧ второго порядка.

Характеристика звена второго порядка в общем виде имеет вид:


Передаточная характеристика звена приведенного на рисунке имеет вид:


Схема такого звена:


По этой схеме сделаем третье звено.

Подбираем номиналы элементов для этой схемы:

)Выбираем номинальное значение емкости С1= С2 близкое к значению

активный фильтр низкая частота каскадный

=0.0125 [мкФ]

По таблице номинальных значений выбираем номинал С1 = С2 =0.0123 мкФ

) Выбираем номинальное значение сопротивления R1, которое определяет входное сопротивление звена.= 10 кОм (ряд Е192).

)Считаем номиналы для R2,R3 и R4. Ко=1.

   

Получаем значения:

Для третьего звена R2 = 10 кОм R3 = 145 кОм  R4=28 кОм          (ряд Е192)

)Резисторы в цепи инвертирующего усилителя ОУ2 выбираем равными. R5=R6=100кОм (ряд Е192).

Выбор операционного усилителя.

Для всех звеньев выбираем ОУ К544УД1А с полной внутренней коррекцией, f1=1МГц>>1*fср. Rн= 2 кОм. Rвх=10000 Мом, Vuнараст=3В/мкс>> В/мкс при Uвх мах= 10 В.

На вход фильтра поставим согласующий каскад на повторителе. Входной резистор R1= 1МОм.



Список литературы

1. Методические указания к курсовому проектированию по радиоэлектронике. Под редакцией В.А. Кустова, - М.: Изд. МИЭТ, 2004г.

2. Полупроводниковая схемотехника: Справочное руководство. У. Титце, К. Шенк, Пер. с нем. - М.: Мир, 1983г.

Похожие работы на - Активный фильтр НЧ каскадного типа

 

Не нашли материал для своей работы?
Поможем написать уникальную работу
Без плагиата!
Без нейросетей!