Проектирование здания двухэтажного жилого дома

  • Вид работы:
    Дипломная (ВКР)
  • Предмет:
    Строительство
  • Язык:
    Русский
    ,
    Формат файла:
    MS Word
    164,48 kb
  • Опубликовано:
    2011-07-24
Вы можете узнать стоимость помощи в написании студенческой работы.
Помощь в написании работы, которую точно примут!

Проектирование здания двухэтажного жилого дома

СОДЕРЖАНИЕ

ВВЕДЕНИЕ

1. ОБЪЕМНО-ПЛАНИРОВОЧНОЕ РЕШЕНИЕ

2. КОНСТРУКТИВНЫЕ РЕШЕНИЯ

.1 Фундаменты и цоколи

2.2 Стены

2.3 Перекрытия

2.4 Полы

2.5 Крыша, кровля

.6 Лестницы

2.7 Окна и двери

.8 Спецификация сборных элементов

. НАРУЖНАЯ И ВНУТРЕННЯЯ ОТДЕЛКА

4. ИНЖЕНЕРНОЕ ОБОРУДОВАНИЕ

5. ТЕХНИКО-ЭКОНОМИЧЕСКИЕ ПОКАЗАТЕЛИ

СПИСОК ЛИТЕРАТУРЫ

ВВЕДЕНИЕ

Интенсивное развитие строительной техники сопровождается внедрением индустриальных методов строительства, новых строительных и конструктивных систем. За последнее время, в связи с переходом страны к рыночной экономике, появилось большое количество принципиально новых по конструктивным и декоративным показателям строительных материалов. Между тем, вследствие усиления конкуренции среди производителей на рынке строительных материалов происходит неизбежное их удешевление, улучшение качества и ассортимента.

Все эти изменения, если учитывать, что стоимость стройматериалов составляет более 50% стоимости строительства гражданского здания, все в большей степени позволяют людям со средним достатком строить высококачественные индивидуальные жилые здания.

Предлагаемый проект по конструктивным особенностям и типу используемых материалов удовлетворяет требования большинства семей, рассчитывающих на сравнительно недорогое и качественное индивидуальное жилье, имеющее архитектурную выразительность, отличающееся от гражданских зданий массового строительства более удобной планировкой с учетом более жестких функциональных требований.

1. ОБЪЕМНО-ПЛАНИРОВОЧНОЕ РЕШЕНИЕ

Согласно объемно-планировочному решению степень долговечности здания - II, а степень огнестойкости - II.

Здание имеет простую прямоугольную форму; состоит из 2-х жилых этажей, без подвала: высота 1-го и 2-го этажа - 3,300м; высота всего здания - 10,470м; размеры здания в осях - 11,200м (1-3) и 9,600(А-Д).

Данный двухэтажный дом рассчитан на проживание семьи, состоящей из 4 человек.

Планировка проста и логична. Из большой прихожей первого этажа можно попасть в кухню, комнату отдыха и кабинет.

Удобная лестница ведет на второй этаж, включающий в себя ванную, три спальни и холл.

№ помещения

Наименование помещения

Площадь, м2

1

Тамбур

3.92

2

Хол

20.15

3

Комната отдыха

24.00

4

Кухня

20.68

5

Сан-узел

1.69

6

Кабинет

14.18

7

Спальня

16.79

8

Спальня

21.10

9

Спальня

16.48

10

Холл

15.00

11

Ванная комната

13.68


Жилая площадь

78.86 м2


Площадь застройки

92.87 м2


Площадь дома

160.5 м2


Спальня является комнатой, служащей для пассивного отдыха (сна) членов семьи.

Кухня служит для приготовления и приема пищи.

Гостиная предназначена для приема гостей, активного отдыха членов семьи и может также служить комнатой для приема пищи.

В проекте предусмотрена кладовая для хранения вещей.

Коридор это горизонтальная коммуникация, служащая для соединения помещений между собой.

Кабинет предназначен для рабочей и творческой деятельности, не исключено также применение его для отдыха.

Тамбур служит для входа и выхода и выполняет теплоизоляционную функцию.

2. КОНСТРУКТИВНОЕ РЕШЕНИЕ

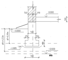
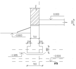
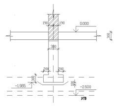
.1 Фундамент

Фундамент - подземная конструкция, передающая нагрузки от здания на грунт.

В данном здании запроектирован ленточный бетонный фундамент.

Размеры тела и подошвы фундамента приняты конструктивно (рис. 1,2,3)

Поскольку здание построено на крупнообломочных грунтах, то глубина заложения фундамента не зависит от уровня подземных вод, значит, принимаем минимальную глубину заложения.

Расчёт глубины заложения фундамента

Глубина заложения фундамента зависит от глубины промерзания

грунта, но для скальных и крупнообломочных грунтов, песков гравелистых, крупных и средней крупности, глубина заложения не зависит от указанных величин, но должна быть не менее (0,7м) 0,5м; а если в здании есть подвал, то на 0,5 - 0,7м ниже пола подвала.

1. Вначале определим нормативную глубину промерзания грунта по формуле:

dfn = do ∙ √Mt ,

где Mt - это безразмерный коэффициент, численно равный сумме абсолютных значений среднемесячных отрицательных температур, принимаемый по СниП - 2.01.01-82 (для г. Запорожье: -11.4)

 = [(-7.3)+(-6.9)+(-1.7)+(-4.8)] = 20.7

√Mt = 4.5

do - это величина, принимаемая равной, м для: суглинков и глин - 0,23; супесей, песков мелких и пылеватых - 0,28; песков гравелистых, крупных и средней крупности - 0,3; крупнообломочных - 0,34.

dfn = 0,34 ∙ √20.7 = 0.34×4.5 = 1.53

. Определяем расчетную глубину промерзання грунта:

df = dfn ∙ Kh,

где Kh - коэффициент, учитывающий влияние теплового режима здания на глубину промерзания грунта у фундаментов наружных стен (без подвала Kh = 0,65; с подвалом Kh = 0,4 ).

df = 1.53×0.65 = 0.99м

1.       Конструирование внешней несущей стены 510мм


2.      
Конструирование внутренней стены 380мм


3.       Конструирование самонесущей стены 510мм


Для защиты стен здания от капель влаги используют горизонтальную гидроизоляцию между фундаментом и стеной. В качестве гидроизоляции в проекте используется слой рубероида толщиной 20 мм.

Цоколь здания не выступает и не западает, образуя со стеной здания единую плоскость.

Цоколь облицовывается цементно-песчаным раствором на основе гидрофобного цемента и выполняется покраска, что придает зданию художественную выразительность.

По всему периметру здания выполняется отмостка шириной 900мм с уклоном i=0,01. Она предназначена для защиты фундамента от дождевых и талых вод, проникающих в грунт близ стен здания.

2.2 Стены

Стены здания предназначены для ограждения и защиты от воздействий окружающей среды и передают нагрузки от находящихся выше конструкций - перекрытий и покрытий к фундаменту.

При возведении стен здания применяется ручная кладка с горизонтальной и вертикальной перевязкой швов. Для кладки наружных и внутренних стен применяется белый силикатный кирпич.

Возведение наружных стен осуществляется на цементно-песчаном растворе по методу колодцевой кладки, а внутренних стен по методу двухрядной или цепной кладки. Толщина наружных стен 510,внутренних составляет 250мм.

Такая толщина достаточна для обеспечения устойчивости по отношению к ветровым и ударным нагрузкам.

Оконные проемы в стенах запроектированы с четвертями по бокам и сверху, предназначенными для удобства установки оконных блоков.

Для перекрытия я проемов в стенах используют два типа перемычек: брусковые перемычки (120x140мм), и брусковые усиленные перемычки (250х220мм).

Внутренние стены и перегородки - это внутренние вертикальные ограждающие конструкции в зданиях. Внутренние стены выполняют в здании ограждающие и несущие функции, перегородки - только ограждающие.

Для кладки стен используется керамический кирпич, а перегородки устраиваются из гипсокартона. Перегородки устанавливаются на плиты перекрытия по слою толи. На поверхность внутренних стен здания наносится слой штукатурки толщиной 20мм, а перегородки шпатлюются.

Конструкции данных стен и перегородок удовлетворяют нормативным требованиям прочности, устойчивости, огнестойкости, звукоизоляции.

Расчёт термически неоднородной конструкции

Кладка системы Некрасова


Используемые материалы:

1.       Кирпич керамический на цементно-песчаном растворе

 = 1200 λ = 0.47

2. Утеплитель пенополиуритан p = 40 λ = 0.04

. Известково-песчаный раствор

 = 1800 λ = 0.76

F = 1×0.065 = 0.065м²

F = 5×65 + 6×12 = 1×0.397 = 0.397м²

Данную конструкцию разбиваем на расчётные участки параллельные и перпендикулярные тепловому потоку. Разбиваем участки перпендикулярные тепловому потоку.

Определяем термическое сопротивление слоёв параллельных тепловому потоку:

RI(II) = δ раств / λ раств + δ кирп / λ кирп =

.02/0.76 + 0.51/0.47 = 1.13м² ºc/Вт

RII(II ) = 0.02/0.76 + 0.12/0.52 + 0.27/0.04 + 0.12/0.52 = 7.24м² ºc/Вт

Определим термическое сопротивление параллельное тепловому потоку:

Ra(II) = FI+FII/(FI/RI+ FII/RII) = 0.065+0.397/(0.065/1.13+0.397/7.24) = 4.09м² ºc/Вт

Определяем термическое сопротивление слоёв перпендикулярных тепловому потоку:

R1 = δ раств / λ раств = 0.02/0.76 = 0.03 м² ºc/Вт

R2 = R4 = 0.12/0.47 = 0.26 м² ºc/Вт

R3,1 = 0.27/0.47 = 0.57 м² ºc/Вт

R3,2 = 0.27/0.04 = 6.75 м² ºc/Вт

R3 = 0.065+0.397(0.065/0.57+0.397/6.75) = 0.63 м² ºc/Вт

Определим приведенное сопротивление слоёв перпендикулярных тепловому потоку:


Определяем разность % между Ra и Rδ

Ra(II) - Rδ( )/ Ra(II) × 100% = 7.1 % <25%

Определим приведенное сопротивление теплопередачи в конструкции

R = Ra(II) + Rδ( )/3 = 4.09+2×1.18/3 = 2.15 м² ºc/Вт

RΣпр = 1/d + R + 1/d = 1/8.7 + 2.15 + 1/23 = 2.3 м² ºc/Вт

2.3 Перекрытия

Перекрытия - горизонтальные несущие и ограждающие конструкции, делящие здания на этажи и воспринимающие нагрузки от собственного веса, веса вертикальных ограждающих конструкций, лестниц, а также от веса предметов интерьера, оборудования и людей, находящихся на них. Эти нагрузки передаются от перекрытий на несущие стены здания.

В данном здании запроектировано перекрытие по деревянным балка. Для обеспечения совместной работы балок и стен балки армируются между собой и со стенами. Армирование производят через каждые две балки.

Для чердачных и подвальных перекрытий, отделяющих отапливаемые помещения от не отапливаемых, предъявляются теплозащитные требования. С этой целью по деревянным балкам укладывается пароизоляция и утеплитель. Перекрытия обеспечивают звуко- и теплоизоляцию, они также отвечают высоким требованиям жесткости и прочности на изгиб.

2.4 Полы

Полы - это конструкции, постоянно подвергающиеся механическим воздействиям. Полы по междуэтажным перекрытиям должны обладать звукоизоляционными свойствами. В санитарном узле покрытие пола выполняется из керамической плитки. В остальных помещения пол выполнен из паркетной доски. В помещениях полы примыкают к стенам. Для того чтобы не было зазоров между полом и стенами, по всему периметру помещения прибиваются деревянные плинтусы. В помещениях, где поверхностью пола служит керамическая плитка, используется плинтус из фасонной керамической плитки.

2.5 Крыша, кровля

Крыша - конструкция, обеспечивающая защиту здания от атмосферных осадков и являющаяся верхним ограждением здания. Крыша запроектирована двухскатная, с наслонными стропилами.

Запроектированные наслонные стропила применяют в тех случаях, когда в здании имеются два или несколько рядов вертикальных опор, расстояние между которыми не превышают 5…8 м. (рис. 3)

Кровля запроектирована из металло-черепицы. Область применения этих кровель ограничена допустимым уклоном не менее 35…60˚ в зависимости от вида черепицы. Металлочерепица укладывается на обрешетку и крепится к ней с помощью кляммеров. Обрешетку выполняют из досок сечением 50×100 или 50×140 мм с шагом, соответствующим размеру картины металлочерепицы. Водосток - неорганизованный, поэтому скат кровли вынесен на 600 мм от края стены.

Рис. 3

2.6 Лестницы

Лестницы предназначены для сообщения между помещениями расположенными на разных этажах. Лестница расположена в коридоре и запроектирована деревянной двухмаршевой с забежными ступенями. Лестница опирается по косоурам и имеет перила высотой 900мм.

Ширина проступи, высота подступенка и другие показатели ниже.

Расчёт Лестницы

Запроектирована лестница с забежными ступенями. Высота этажа 3.3м.

1.       Если высоту жилого дома разбить на 19 подступенков, то высота каждого из них составит 174мм.

2.       При уклоне лестницы 1:1.5 ширина проступи составит a = 174×1.5 = 261мм.

.        Проверяем соответствие размеров подступенка и проступи правилу 2h + a = 2×174+261 = 609

.        Производим графическое построение лестницы. Высоту этажа делим на 19 подступенков, а горизонтальную проекцию марша (заложение марша) - на число проступей. Количество проступей m будет на единицу меньше количества подступенков, так как средняя проступь совпадает с уровнем 2-го этажа m = n - 1 = 19-1=18 проступей.

Через полученные точки персечения проводим горизонтальные и вертикальные прямые, по которым вычерчиваем профиль лестницы в соответствии с её конструктивным решением.

2.7 Окна и двери

Окна - элементы здания, предназначенные для освещения и проветривания помещений. Двери служат для связи между изолированными помещениями и для входа в здание.

Окна в здании запроектированы с двойным остеклением. Толщина оконных блоков - 80мм, что дает право судить о достаточной их тепло - и звукоизоляции. Предусмотрены окна одно и двухстворчатые. Рамы в окнах деревянные. Размеры окон: 1500×1000 мм, 1500×1500 мм, 1500×1800-двухстворчатые со спаренным переплетом. Так как в оконных проемах предусмотрены четверти, оконные блоки при установке упираются в них, делаются откосы из цементно-песчаного раствора.

Двери в здании запроектированы однодольные глухие (неостекленные). Только входная дверь имеет декоративное остекление. Все двери здания выполняются на заказ и украшены декоративной резьбой. Размеры дверей: высота - 2000мм, ширина: Д- 600, Д7-700, Д -800, Д9-900 Д10-1000, мм.

При изготовлении окон и дверей используется исключительно качественная древесина во избежание появления трещин и щелей в процессе эксплуатации

2.8 Спецификация сборных элементов

Название элемента

Обозначение

Размеры, мм

Окна

ОС-15-18

L= 1500; h=1800


ОС 15-15 ОС-15-10

L=1500; h=1500 L= 1500;h=1000

Двери

Д8 Д7 Д6

h=2000; b=800 h=2000; b=700 h=2000; b=600


Д10

h=2000; b=1000

3. НАРУЖНАЯ И ВНУТРЕННЯЯ ОТДЕЛКА

Экстерьер здания в основном определяется стилем его наружной части. Она выполнена из кирпича с окрашиванием швов для придачи архитектурной выразительности внешних стен.

Цоколь здания так же оштукатуривается и расшивается с имитацией вида кладки из кирпича. Швы при желании могут быть окрашены в белый (или любой другой) цвет. Цоколь имеет серый цвет и создает ощущение монументальности строения, придает зданию некоторую изящность, выразительность. Окна и наружные двери здания окрашиваются водоотталкивающей эмалью в темно-красный цвет, который прекрасно сочетается с цветом стен дома, не нарушает гармонии цветов фасада.

Отделка поверхности внутренних стен и перегородок состоит в их оштукатуривании цементно-песчаным раствором слоем толщиной 20мм. Поверхность штукатурки может быть оклеена бумажными обоями или же могут быть нанесены жидкие обои, также возможна декоративное оштукатуривание (с приданием различных форм) и цветная побелка поверхностей стен и перегородок. В санузле поверхность стен, как и полов, отделывается керамической плиткой. Она служит гидроизоляцией стен, необходимой из-за повышенной влажности в этом помещении, и легко моется, что позволяет соблюдать гигиену санузла.

Внутренняя отделка определяет интерьер здания и может быть выполнена в различных стилях, в зависимости от желания заказчика. Мало того, возможно ее изменение в период эксплуатации жилого дома.

4. ИНЖЕНЕРНОЕ ОБОРУДОВАНИЕ

К инженерному оборудованию здания относятся водопровод, канализация, электропроводка, газоснабжение и система отопления.

Электроснабжение здания осуществляется от общей электросети. Проведение электропроводки в запроектированном здании осуществляется перед оштукатуриванием внутренних стен и перегородок и крепится с помощью специальных крепежных элементов к конструкциям здания. При необходимости производится сверление отверстий под электропровод в стенах и перекрытиях.

Канализация здания подключена к центральной городской канализационной сети.

Водоснабжение осуществляется от общего водопровода. Вода подводится на кухне к смесителю и в санузле к смесителю и сливному бачку. Газоснабжение осуществляется от внешней газовой сети. Подводится к газовым колонкам, расположенным на кухне и в санузле. Газовые колонки предназначены для подогрева воды, поступающей в санузел, постирочную и на кухню.

строительство дом водопроводный канализационный отделка

5. ТЕХНИКО-ЭКОНОМИЧЕСКИЕ ПОКАЗАТЕЛИ

Экономичность объемно-планировочного решения здания характеризуется технико-экономическими показателями, для которых необходимо определить:

Жилая площадь - 78.86 м2

Площадь дома -160.5 м2

Общая площадь - 176.45м2

Площадь застройки -92.87м2

Строительный объем - 642.7 м

Коэффициент целесообразности планировки здания:

К1= полезная площадь/общая площадь = 78.86/176.45=0.45

Коэффициент целесообразности объемно планировочного решения здания:

К2= строительный объем / общая площадь =642.7/176.45 = 3.64

ЛИТЕРАТУРА

. Савушкина О.А. Методические указания. ЛПК , 1997.

. Технология возведения зданий и сооружений: Учеб. для вузов/ Теличенко В.И., Лапидус А.А., Терентьев О.М. и др.; - М.: Высш. шк.; 2001. - 320 с.: ил.

. М. У. к выполнению курсового проекта на тему: "Малоэтажное жилое здание из мелкоразмерных элементов" по дисциплинам "Архитектура зданий и сооружений", "Конструкции зданий и сооружений"

. ДБН В.2.2-15-2005 Жилые здания .Основные положения.


Не нашли материал для своей работы?
Поможем написать уникальную работу
Без плагиата!
Без нейросетей!