Проектирование и расчет системы электроснабжения

  • Вид работы:
    Контрольная работа
  • Предмет:
    Физика
  • Язык:
    Русский
    ,
    Формат файла:
    MS Word
    689,50 kb
  • Опубликовано:
    2011-06-06
Вы можете узнать стоимость помощи в написании студенческой работы.
Помощь в написании работы, которую точно примут!

Проектирование и расчет системы электроснабжения

Задание 1: Для своего цеха определить категорию надёжности электроснабжения, вычертить вариант цеховой схемы электроснабжения

№ п/п (№ варианта)

Наименование сооружения  (цеха, здания)

Потребители электроэнергии расположенные в здании

Мощность потребителей, кВт.(каждого)

4

Термический цех

1. Термические печи, 3 шт. 2. Вентилятор, 4 шт.

15 1,2

электроснабжение сеть кабельный нагрузка

Надежность, как одно из требований к системам ЭСПП, определяется числом независимых источников питания и схемой электроснабжения. По надежности электроснабжения в соответствии с требованиями ПУЭ электро­приемники разделяются на три категории:

К 1 категории относят электроприемники (ЭП), перерыв в электро­снабжении которых может повлечь за собой опасность для жизни людей, значительный ущерб народному хозяйству, предприятию, массовый брак продукции, расстройство сложного технологического процесса и др. Пример ЭП 1 категории: насосы водоснабжения и канализации, газоочистка, приводы вращающихся печей, газораспределительные пункты, вентиляторы промыт-ленные, аварийное освещение и др.

Из состава I категории выделяется особая группа ЭП. бесперебойная работа которых необходима для безаварийной остановки производства с це­лью предотвращения угрозы жизни людей, взрывов, пожаров и повреждения дорогостоящего оборудования..

Электроприемники I категории должны обеспечиваться электроэнерги­ей от двух независимых взаимно резервирующих источников питания (ИП). Перерыв в электроснабжении от одного из источников питания может быть допущен лишь на время автоматического восстановления питания от друго­го.

К числу независимых ИП относятся две секции или системы шин од­ной или двух электростанций и подстанций при одновременном соблюдении двух условии:

· каждая из секций или систем шин, в свою очередь, имеет питание от независимого ИП:

· секции (системы) шин не связаны между собой или имеют связь, ав­томатически отключающуюся при нарушении нормальной работы одной из секций (систем) шин.

Термическому цеху соответствует первая категория надёжности электроснабжения.

Предлагаемая цеховая схема электроснабжения представлена на рисунке 1.

Рисунок 1

Задание 2: Для своего цеха выполнить чертёж схемы питающей сети переменного тока напряжением 380 В, с выбором кабелей для запитки оборудования установленного в цеху

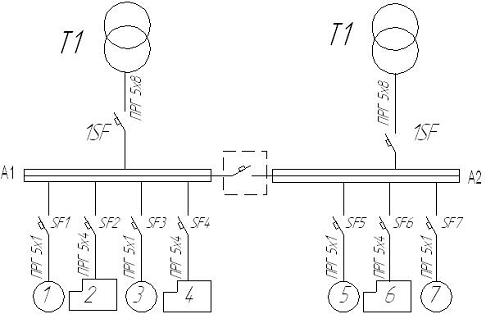
Чертёж схемы питающей сети термического цеха представлен на рисунке 2.

Рисунок 2

Для выбора кабелей необходимо для каждого электроприёмника определить величину тока.

Токи (в амперах) в линии определяются но формуле


Для потребителей 1, 3, 5, 7 (вентилляторы) Р = 1,2 кВт

Выбираем кабель ПРГ5х1

Для потребителей 2, 4. 6 (термопечи) Р = 15 кВт

Выбираем кабель ПРГ5х4

Кабеля для подключения распределительных пунктов к трансформаторам на случай автоматического включения резерва должны выдерживать нагрузку от всех потребителей


Выбираем кабель ПРГ5х8

Схема питающей сети цеха с выбранными

кабелями будет выглядеть так, как показано на рисунке 3.



Задание 3: Описать способы прокладки кабельных линий для подключения своего оборудования (см. таблицу 1).

Так как в данном случае, необходимо защищать кабели от механических повреждений, и блуждающих токов, их необходимо прокладывать в трубах. Для этой цели применяем стальные, трубы.

Внутренний диаметр труб для прокладки кабеля выбираем не менее двукратного наружного диаметра кабеля.

Трубы должны  удовлетворять следующим требованиям:

·        внутренняя поверхность их должна быть гладкой;

·        торцы труб с внутренней стороны должны быть скруглены с ради­усом не менее 5 м и не иметь выступов, изломов, заусенцев;

·        соединения труб должны быть строго соосны;

·        торцы труб в местах входа (выхода) в туннели, каналы должны быть заделаны заподлицо с внутренними поверхностями стен.

·        Трубы должны быть уложены с уклоном не менее 0,2 %. Соединение труб должно выполняться с помощью металлических муфт.

Задание 4: Для своего цеха выбрать вариант электропроводки для подключения светильников общего освещения. Начертить в масштабе разметку мест установки светильников в шахматном порядке (см. таблицу 2).

 

Таблица 2

№ п\п (№ варианта)

Ширина цеха, м.

Длина цеха, м.

Количество светильников, шт.

Количество рядов, шт.

4

45

94

41

3


Базовыми светильниками для освещения цеха принимаем светильники типа РВЛ - 40 м (Рсв= 40 Вт,hсв= 0.8, cosjсв = 0.7).

Расстояние между данными светильниками Lсв1 = 8-12 м.

Определим мощность осветительного трансформатора


где hс=0.95¸0.97 - кпд сети; hсв, и hс - кпд светильника; cosjсв, - коэффициент мощности светильника;  - суммарная мощность всех ламп, Вт.

Определяем сечение жилы осветительного кабеля по методу момента мощности М, кВт×м:

1,5 мм²

где     M - момент нагрузки, М = SРл ×L/2 ; кВт / м; L - длина осветительной линии, L = 282 м; Мветви =1640×282/2=62,5 кВт/м; С - табличный коэффициент, С = 8,5; ∆U - максимально допустимое падение напряжения на самом удалённом светильнике, DU = 4-7% .

При разметке мест установки светильников, учитываем, что расстояние от стен при заданной ширине помещения (45м) и расположении ламп в 3 ряда  должно составлять 7-8м

Располагаем светильники по 14 штук в крайних рядах и 13 в среднем.

Расстояние от стен по длине помещения 4 м.

Рисунок 4

Задание 5: Рассчитать электрическую нагрузку, которая требуется для нормальной работы вашего цеха, и выбрать защитную аппаратуру для питающей сети вашего цеха (см. таблицу 1).

Согласно распределению нагрузки по распределительным устройствам заполним сводную ведомость

Наименование

нагрузка установленная

 

 

 

нагрузка средняя за смену

 

нагрузка максимальная

А 1

кол-во

Р

ΣР

Кн

cosφ

tgφ

Рсм кВт

Qсм квар

Sсм кВА

Рм кВт

Qм квар

Sм кВА

1

2

3

4

5

6

7

8

9

10

11

12

13

Печь термическая (2,4)

2

15

30

0,75

0,95

0,33

22,50

7,40

23,68

51,75

11,83

53,09

Вентиллятор (1,3)

2

1,2

2,4

0,8

0,85

0,62

1,92

1,19

2,26

4,42

1,90

4,81

итого по А1

6

16,2

0,8

0,9

0,47

24,42

8,59

25,94

56,17

13,74

57,89

А 2

 

Печь термическая (6)

1

15

15

0,75

0,95

0,33

11,25

3,70

11,84

25,88

5,92

26,54

Вентиллятор (5,7)

2

1,2

2,4

0,8

0,85

0,62

1,92

1,19

2,26

4,42

1,90

4,81

итого по А2

3

16,2

17,4

0,8

 

 

13,17

4,89

14,05

30,29

7,82

31,28














ВСЕГО



49,8




37,59

13,47

39,99

86,46

21,56

89,18


В столбце 1 указываем наименование оборудования, для которого  рассчитываются параметры.

В столбце 2 указываем количество электроприёмников, подключенных к данному шинопроводу.

В столбце 3 по формуле  вычисляем суммарную мощность всех электроприёмников, указанных в столбце 1 на данном РП.

Столбцы 4,5 и 6 заполняем, используя табличные данные

Ки - коэффициент использования электроприёмников, определяется на основании опыта эксплуатации. Для дальнейших расчетов определяем и среднее значение данного коэффициента по распределительному устройству.

 - коэффициент реактивной мощности

В столбце 8 рассчитываем среднесменную активную мощность:


Где Рном - номинальная активная мощность электропотребителя без учёта резервных электроприёмников.

Далее для заполнения колонки 9 находим для каждого электроприёмника среднюю реактивную мощность за наиболее нагруженную смену


В столбце 10 находим среднюю полную нагрузку по формуле

В колонках 11, 12 и 13 производим расчёт максимальных нагрузок электроприёмников по формулам:

;   ;

Где  - максимальная активная нагрузка кВт

 - максимальная реактивная нагрузка квар

 - коэффициент максимума активной нагрузки

 - коэффициент максимума реактивной нагрузки

Для А1: = 2,3

Для А2: = 2,3

С учетом того, что ток потребляемый вентиляторами равен 1.9А в качестве автоматических выключателей SF1, SF3, SF5, SF7  выбираем ВА51-25

Номинальный ток,                          25 А

Ток срабатывания отсечки             

Отключающая способность,            3кА

С учетом того, что ток потребляемый термическими печами равен 23А в качестве автоматических выключателей SF2, SF4, SF6,  выбираем ВА51-31

Номинальный ток,                          100 А

Ток срабатывания отсечки               40

Отключающая способность,            5кА

В качестве автоматических выключателей 1SF  выбираем ВА51-33

Номинальный ток,                          160 А

Ток срабатывания отсечки              100

Отключающая способность,            12.5кА


Не нашли материал для своей работы?
Поможем написать уникальную работу
Без плагиата!
Без нейросетей!