Оценка опасности поражения человека в трехфазных электрических сетях

  • Вид работы:
    Реферат
  • Предмет:
    Безопасность жизнедеятельности
  • Язык:
    Русский
    ,
    Формат файла:
    MS Word
    218,33 kb
  • Опубликовано:
    2011-10-31
Вы можете узнать стоимость помощи в написании студенческой работы.
Помощь в написании работы, которую точно примут!

Оценка опасности поражения человека в трехфазных электрических сетях

Содержание

Цель работы

. Трёхфазные сети и их основные характеристики

. Методика оценки опасности поражения током

. Режимы и эквивалентные преобразования схемы трёхфазной сети

. Анализ опасности однофазного прикосновения в СИН

. Анализ опасности однофазного прикосновения в СЗН

Заключение

Библиографический список

Цель работы: изучить методику оценки и экспериментально оценить опасность поражения человека электрическим током в трехфазных сетях с рабочими напряжениями до 1000 В в различных ситуациях.

1. Трёхфазные сети и их основные характеристики


Трёхфазные электрические сети представляют собой совокупность трёх источников напряжения переменного тока (с частотой 50 Гц для промышленного или бытового применения), соединённых по схеме электрической звезды (рис. 1,а), и линий электропередач, необходимых для подключения потребителей электроэнергии.

Рис. 1. Система напряжений трёхфазной электрической сети

Общую точку, соединяющую выводы генераторов напряжения трёхфазной электрической сети (общую точку электрической звезды), называют нейтралью (N) электрической сети, а их другие выводы, к которым подключаются проводники линий электропередач, называют фазами (A, B, C). Напряжения переменного тока, генерируемые каждым источником трёхфазной электрической сети, называются фазными напряжениями (ÚA , ÚB , ÚC).

Напряжения переменного тока фазных источников сдвинуты по фазе друг относительно друга на 120 градусов (векторная диаграмма трёхфазного напряжения на рис. 1,б). Напряжения, действующие между любыми парами фаз электрической сети, называют линейными (ÚAB, ÚBC, ÚCA). При равенстве модулей фазных напряжений (|ÚA| = |ÚB| = |ÚC| = U) равными будут и модули линейных напряжений: |ÚAB|= |ÚBC| = |ÚCA| = Uл = U .

Источниками питания трехфазных сетей служат трансформаторы или генераторы.

Линии электропередач в электрических сетях, подключаемые к источнику трёхфазного напряжения, могут быть воздушного или кабельного типа. В том и другом случае проводники электрической сети линий электропередач обладают некоторым активным и ёмкостным сопротивлением изоляции относительно земли: RA, RB, RC и CA, CB, CC .

В дальнейшем с целью упрощения расчётов будем полагать, что

RA = RB = RC = R и CA = CB = CC = C.

Комплексное сопротивление изоляции каждой фазы электрической сети относительно земли определяется как результат параллельного соединения активной R и ёмкостной ZC = 1/jwC составляющих:

Z = R || ZC = R (1 + jw R C)-1 .

Модуль комплексного сопротивления изоляции фазных проводников электрической сети относительно земли определяется по формуле

 

где w = 2p f ; f = 50 Гц - частота электрической сети.

Ёмкость фаз относительно земли определяется типом линии (воздушная, проводная, кабельная), её длиной, высотой подвеса проводов, толщиной фазной изоляции жил кабеля, диаметром его оболочки, т.е. геометрическими параметрами линии, и не может быть уменьшена. Особенно большой ёмкость фаз может быть в кабельных линиях большой протяженности, при этом соответственно уменьшается величина модуля комплексного сопротивления изоляции фаз и ослабляется ее защитное действие.

В зависимости от вида нейтрали различают два типа трехфазных электрических сетей:

·   трёхпроводная сеть с изолированной нейтралью (СИН);

·   четырёхпроводная сеть с заземленной нейтралью (СЗН).

Нейтраль в СИН хорошо изолирована от земли.

Нейтраль в СЗН подключена к заземляющему устройству с малым сопротивлением. Согласно требованиям Правил устройства электроустановок (ПУЭ) [1] сопротивление заземления нейтрали R0 в любое время года не должно превышать 4 Ом для фазного напряжения 220 В.

В СЗН четвёртый (нулевой) проводник подключен к нейтрали N и наряду с фазными проводниками A, B и C является рабочим проводником электрической сети.

При анализе опасности поражения человека током в трехфазной сети различают однофазное и двухфазное прикосновение человека. При двухфазном прикосновении человек одновременно прикасается к двум фазам сети и попадает под полное линейное напряжение. При однофазном прикосновении человек, стоящий на основании, электрически связанном с землей, прикасается к одной из фаз сети. В этом случае ток через тело человека зависит от вида нейтрали и режима работы сети.

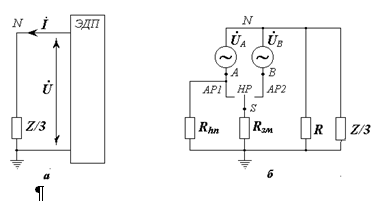
Общая схема трёхфазной электрической сети при однофазном прикосновении человека показана на рис. 2, где для случая СИН следует условно полагать R0  ¥ .

Рис. 2. Общая схема трёхфазной электрической сети

В схеме на рис. 2 с помощью трёхпозиционного переключателя S моделируются режим нормальной работа сети (НР) и аварийные режимы (АР1 и АР2), соответствующие замыканию одной из фаз электрической сети на землю через сопротивление RЗМ. Возможное прикосновение человека к фазному проводнику на рис. 2 моделируется с помощью сопротивлений тела человека Rh и дополнительного Rдоп (включает сопротивления обуви, пола и др.), в сумме составляющих сопротивление Rhп..

 

. Методика оценки опасности поражения током


Оценка опасности поражения человека током заключается в нахождении значения тока, протекающего через тело человека (основной фактор, влияющий на исход поражения), и сравнении полученного значения с допустимым по соображениям безопасности [2].

Ток, протекающий через тело человека Ih, связан с напряжением прикосновения Uh, приложенным непосредственно к телу человека, и сопротивлением тела человека Rh: Ih = Uh/Rh = Uhп/Rhп, где Uhп - падение напряжения на сопротивлении Rhп (рис. 2). В худшем случае человек дополнительно не защищен, поэтому Rдоп = 0 и Rhп = Rh.

Согласно ГОСТ 12.1.038-82* [2] при расчётах значение Rh следует выбирать в зависимости от допустимого напряжения прикосновения. Для приближённой оценки опасности обычно используют значение Rh = 1 кОм.

При этом различают ощутимый, неотпускающий и фибрилляционный токи и их пороговые, т.е. наименьшие значения. Ощутимые токи вызывают ощутимые раздражения, неотпускающие приводят к непреодолимым сокращениям мышц руки, фибрилляционные - к беспорядочному сокращению волокон сердечной мышцы (фибрилл), при котором сердце не в состоянии выполнять функции кровяного насоса.

При частоте 50 Гц пороговое значение ощутимого тока - 1 мА, неотпускающего - 10 мА, фибрилляционного - 100 мА.

3. Режимы и эквивалентные преобразования схемы трёхфазной сети

В трехфазной сети различают нормальный режим работы НР и аварийный АР, при котором одна из фаз оказывается замкнутой на землю через небольшое эквивалентное сопротивление замыкания Rзм, составляющее в большинстве случаев десятки и сотни Ом.

Для удобства анализа аварийный режим подразделяют на АР1 и АР2. При АР1 на землю оказывается замкнутой фаза, к которой прикасается человек. При АР2 человек прикасается к исправной фазе сети в момент, когда другая фаза оказывается замкнутой на землю.

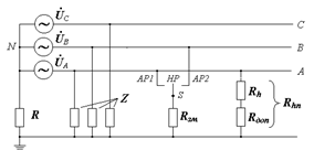
На рис. 3 представлена обобщённая эквивалентная схема трёхфазной электрической сети, где переключатель S позволяет анализировать работу сети в режимах НР, АР1 и АР2.

Рис. 3. Обобщённая эквивалентная схема трёхфазной сети

На основе операции электрического расщепления узлов фаз A и B можно перейти к эквивалентной схеме, представленной на рис. 4.

На этой схеме пунктиром выделен эквивалентный двухполюсник ЭДП, включающий элементы, характеризующие вид нейтрали, прикосновение человека и режим работы сети.

Учитывая, что в симметричной трехфазной сети ÚA + ÚB + ÚC = 0 (см. рис. 1,б), схему рис. 4 можно преобразовать в схемы рис. 5.

Рис. 5. Эквивалентное преобразование схемы трёхфазной сети

Приведённая на рис. 5,б схема является обобщенной и используется для определения токов через тело человека при однофазном прикосновении и различных сочетаниях вида нейтрали сети (СИН и СЗН) и режима ее работы (НР, АР1, АР2). При этом в СИН условно принимают R0  ¥, а в СЗН пренебрегают влиянием сопротивлений Z изоляции фаз, так как |Z/3| >> R0.

4. Анализ опасности однофазного прикосновения в СИН

В нормальном режиме работы сети переключатель S схемы рис. 5,б находится в положении НР, и схема сети принимает вид, представленный на рис. 6,а. Из схемы рис. 6,а следует, что значение тока через тело человека при фазном напряжении U определяется формулой:

 (1)

Если | Z/3 | >> Rhn, то  (2)

где w = 2p f ; f -частота сети (f = 50 Гц), C и R - емкости и сопротивления изоляции фаз относительно земли.

Рис. 6. Эквивалентные схемы СИН

Если ёмкости изоляции фаз относительно земли малы (C » 0), что имеет место в коротких воздушных линиях, то в формуле (2) следует положить C = 0.

Если активные составляющие сопротивления изоляции фаз велики, но существенны ёмкости фаз, что обычно имеет место в длинных кабельных линиях, то, положив R ® ¥ в формуле (2), получим:

h = 3Uw C .

В аварийном режиме АР1 переключатель S на эквивалентной схеме электрической сети (рис. 5,б) находится в положении АР1, и эквивалентная схема сети принимает вид, представленный на рис. 6,б. Для данного режима работы электрической сети практически всегда выполняются условия:

·   Rhп >> Rзм , поэтому Rhп||Rзм » Rзм ;

·   Rзм << |Z|.

Выполнение указанных условий позволяет определить величину I:

 (3)

В результате ток через тело человека

 (4)

h » UAB /(Rhп + Rзм ) » U/Rhп. (5)

 

5. Анализ опасности однофазного прикосновения в СЗН

Для данного типа электрической сети выполняется условие R0 << |Z|/3 и можно пренебречь влиянием сопротивлений изоляции фаз Z.

В нормальном режиме переключатель S на эквивалентной схеме сети (рис. 5,б) находится в положении НР, и эквивалентная схема сети принимает вид, представленный на рис. 7,а.

Рис. 7. Эквивалентные схемы СЗН

Из схемы рис. 7,а следует, что

 (6)

 

В аварийном режиме АР1 переключатель S на схеме рис.5,б находится в положении АР1, и эквивалентная схема сети принимает вид, представленный на рис. 7,б. Для данного режима Rhп >> Rзм , поэтому Rhп||Rзм » Rзм и I » Iзм.

В этом случае

 (7)

а ток через тело человека

 (8)

В аварийном режиме АР2 переключатель S на эквивалентной схеме сети рис. 5,б находится в положении АР2, и эквивалентная схема сети принимает вид, представленный на рис. 7,в, а векторная диаграмма напряжений - на рис. 8.


Для данной схемы Úhп = ÚA - Ú0, где Úhп и Ú0 - напряжения на Rhп и R0 соответственно. В СЗН всегда выполняется соотношение Rhп >> R0 . Поэтому

Ú0 = кÚВ, а U0 = |Ú0 | = к|ÚВ|= =кU, где к = R0/( R0 + Rзм).

Как видно из рис. 8, угол МNО = =60o, поэтому длина отрезка

МN = =U0cos60o, а длина отрезка МО = =U0sin60o.

Из прямоугольного треугольника АМО с учетом того, что |ÚA|=|ÚВ|=U, определяем модуль напряжения Úhп, соответствующий длине отрезка ОА: Uhп = . Так как длина отрезка АN = U, то после преобразований получим

Uhп = U . (9)

При этом через человека будет протекать ток Ih = Uhп / Rhп.

Таким образом, при режиме АР2 в СЗН опасность поражения током возрастает по сравнению с режимом НР, но чаще - незначительно, так как, как правило, Rзм >> R0 , поэтому к << 1.

Заключение


Исследование опасности поражения человека током в трёхфазных электрических сетях осуществляется на лабораторном стенде, позволяющем моделировать трехфазную сеть: 220/380 В, 50 Гц.

В состав стенда входят: тумблер включения/выключения "Сеть"; переключатель сопротивления заземления нейтрали R0; переключатели значений сопротивлений изоляции R и ёмкостей фаз C относительно земли; переключатель сопротивления замыкания фазы на землю Rзм; переключатель "Режим работы сети" для задания режимов НР, АР1, АР2; измеритель напряжения и тока, включающий стрелочный индикатор и переключатели "Масштаб измерения" и "Измеряемый параметр" (отсчёт ведётся в действующих значениях напряжения и тока); переключатели “Измеряемый параметр” и “Масштаб” для изменения вида измерений и диапазона работы измерителя напряжения и тока; микрокалькулятор для проведения необходимых вычислений.

Библиографический список

поражение электрический ток напряжение

1. Правила устройства электроустановок (ПУЭ) - 2003.

2. ГОСТ 12.1.038-82*. ССБТ. Электробезопасность. Предельно допустимые уровни напряжений прикосновения и токов.

3. Долин П.А. Основы техники безопасности в электроустановках.М.: Энергоатомиздат, 1984, 2003.

4. Охрана труда в электроустановках /Под ред. Б.А. Князевского. М.: Энергоатомиздат, 1983.

Похожие работы на - Оценка опасности поражения человека в трехфазных электрических сетях

 

Не нашли материал для своей работы?
Поможем написать уникальную работу
Без плагиата!
Без нейросетей!