|
Название сканера
|
Цена, руб.
|
|
SonoSite-180 PLUS
|
360 000
|
|
Aloka SSD-500
|
273 000
|
|
ЭХОСКАН-10
|
177 000
|
2. Анализ известных технических решений поставленной задачи
УЗ-прибор с временной регулировкой усиления
На рисунке 4 представлена схема прибора для ультразвуковой эхографии.
Генератор синхроимпульсов, генерирует импульсы синхронизирующие работу
всего прибора. Управляет работой дисплея, генератором импульсов возбуждения а
так же формированием сигналов ВАРУ. Генератор импульсов возбуждения формирует
скачек напряжения, подающийся на излучатель, необходимый для формирования УЗ -
волны. Принятый датчиком сигнал поступает на ВЧ - предусилитель, а затем в блок
ВАРУ, в котором происходит компенсация затухания УЗ в биотканях. Обеспечивается
компенсация за счет управляемого напряжением аттенюатора. Управляющий сигнал,
синхронизированный с основным запускающим импульсом и подаваемый через линию
задержки, может иметь различную зависимость от времени. В простейшем случае
используется логарифмическая функция. Она позволяет скомпенсировать некоторое
среднее значение затухания звука. После этого сигнал поступает на блок усиления
и сжатия сигнала, в котором с увеличением амплитуды входного сигнала усиление
падает - это позволяет получить "серую шкалу" эхосигналов на дисплее
с динамическим диапазоном 40-50 дБ. На этапе детектирования осуществляется
выделение огибающей высокочастотного эхо - сигнала. Предварительный и
последующий блоки обработки информации служат для построения эхограмм
различными методами. Примером таких операций могут служить: выделение контуров,
коррекция усиления и т.д. Дисплей является устройством отображения и
визуализации полученного диагностического сигнала.[4]
Рисунок 1 - Структурная схема УЗ-прибора с ВАРУ
УЗ - прибор с блоком формирования луча
Подробная структурная схема электронного блока УЗ-прибора с блоком
формирования луча показана на рисунке 2.
Рисунок 2 - УЗ - сканер с блоком формирования луча
Рассмотрим основные принципы обработки принимаемых эхо-сигналов и способы
улучшения качества изображения примененные в этой схеме
Эхо-сигналы, принятые датчиком и преобразованные им в электрические
сигналы, поступают в электронный блок на вход формирователя луча. Основное его
назначение - обеспечивать необходимую форму, амплитуду, время действия УЗ луча
на передачу и прием. Формирователь луча - это многоканальное устройство,
соединенное с датчиком кабелем с большим числом проводов в соответствии с общим
числом элементов пьезопреобразователя. На входе формирователя луча стоит
коммутатор, в котором из большого числа каналов выбирается, как правило,
меньшее количество, равное числу каналов приемника и передатчика. Сканирование
осуществляется по сигналам устройства управления сканированием. Передатчик,
генерирующий сигналы для излучения внутрь исследуемого тела, является
многоканальным устройством, которое по каждому из каналов должно передавать на
формирователь луча короткие электрические импульсы. Приемник, который получает
от формирователя луча эхо-сигналы по многим каналам одновременно, должен
усиливать эти сигналы, подвергать их необходимым преобразованиям, суммировать сигналы
всех каналов и подавать суммарный сигнал на сканконвертер.
Сканконвертер - это цифровое устройство, которое служит для
преобразования информации, получаемой в процессе сканирования с выхода
приемника, в форму, наиболее удобную для отображения на экране прибора. С
выхода сканконвертера информация, подготовленная для отображения, поступает в
цифровое устройство памяти, а затем передается на монитор. [1]
УЗ - прибор с возможностью подключения к ПК и устройством
электромагнитного позиционирования
Структурная схема УЗ - сканера представлена на рисунке 3.
Рисунок 3 - Структурная схема портативного уз-сканера с возможностью
подключения портативного компьютера
Работа данного устройства происходит следующим образом. В соответствии с
выбранном режимом диагностики из ПК в процессор загружаются начальные
установки. Процессор вырабатывает коды управления аппаратными средствами,
поступающими через интерфейсную плату на блоки приемно-передающего устройства.
В блоке формирования УЗ-луча формируются радиоимпульсы возбуждения
пьезоэлектрика, они усиливаются усилителями мощности и через блок
мультиплексирования поступают на пьезоэлектрик. Отраженные эхо-сигналы через
блоки мультиплексирования ПЭ, коммутации и по - парного суммирования поступают
на блок выходных усилителей приемного канала и затем на плату с процессором,
где они преобразуются в цифровой код и обрабатываются. Программное обеспечение
медицинских УЗ-сканеров такого типа - это большой комплекс программ. [5] В
основу разрабатываемого прибора положена данная схема, так как она является
наиболее современной и обладает рядом преимуществ: возможность подключения
устройства позиционирования, использованием контроллера, простотой реализации и
др.
3. Разработка структурной схемы УЗ -прибора
На рисунке 4 представлена схема ультразвукового диагностического прибора
для исследования целостности костно-мышечной ткани
Рисунок 4 - УЗ - прибор определения целостности костно-мышечной ткани.
Генератор (Г1) встроенный в микроконтроллер, генерирует импульсы с
частотой 10 МГц, которые, с одной стороны, управляют работой коммутатора, а с
другой через ЦАП, так же встроенный в контроллер, поступают сначала на
усилитель напряжения, а затем на усилитель мощности, и преобразованные подаются
на вход коммутатора. А с входа коммутатора на датчик. В соответствии с
техническим заданием используется ультразвуковой линейный датчик 10L.
Технические характеристики датчика:
· Частота: 4 - 10 МГц
· Поле обзора: 39 мм
· Сканирующая Поверхность: 39 мм
· Совместимость: LOGIQ 3, LOGIQ 5 Pro/Expert
Отраженный от тканей сигнал, теряет часть мощности. Он улавливается
датчиком и передается далее на коммутатор. С выхода коммутатора сигнал
поступает на фильтры, и затем на 2 канала, способствующие преобразованию
сигнала в форму наиболее удобную для анализа. По одному из каналов сигнал
пропускается через фазовый детектор, который выделяет время задержки сигнала,
при отражении от тканей, находящихся на разной глубине. Таким образом возможно
построить изображение контуров. По второму каналу импульсный сигнал
демодулируется и усиливается. В этом случае мы получаем информацию об амплитуде
отраженного сигнала и на основание полученных данных можем сделать вывод о
структуре ткани, от которой произошло отражение.
С выходов канала обработки информация поступает на АЦП, встроенный в
микроконтроллер, обрабатывается в соответствии с заданными алгоритмами, и
выводится на жидкокристаллический индикатор.
В устройстве предусмотрена клавиатура, необходимая для управления
устройством и обработкой изображения. С помощью последовательного интерфейса USB, который встроен в микроконтроллер,
подключается Flash-память, и имеется возможность
подключения к ЭВМ.
Кроме того предусмотрена возможность подключения электромагнитного
позиционера.
4. Разработка функциональной схемы УЗ - прибора
Рисунок 5 - Функциональная схема УЗ - прибора для определения целостности
костно-мышечной ткани.
Кнопка SW1 (И) служит для инициализации микроконтроллера.
При нажатии кнопки SW3 (Пуск)
микроконтроллер начинает вырабатывать импульсы. Г1 генерирует импульсы с
частотой 10МГц, которые по одному каналу управляют работой коммутатора, а по
другому каналу через 12-разрядный ЦАП, встроенный в микроконтроллер, поступают
на вход неинвертирующего усилителя напряжения. Сигналы на входе усилителя
напряжения имеют амплитуду 5 В необходимо создать напряжения 15 В для того что
бы в дальнейшем подать его на УЗ - датчик. Соответственно коэффициент усиления
данного блока:
Затем
усиленный по напряжению сигнал поступает на усилитель мощности, т. к. для
работы датчика необходимо создать ток 2мА. В качестве усилителя мощности
используем эмиттерный повторитель. После этого усиленный сигнал поступает на
коммутатор. Коммутатор состоит из 2 микросхем, одна из которых демультиплексор
- служит для подачи напряжения на пьезоэлектрические кристаллы датчика без
потерь мощности, другая микросхема - мультиплексор - служит для передачи
нескольких потоков данных по одному каналу. Сигнал сформированный усилителями,
поступает на демультиплексор а затем подается на датчик, который в свою очередь
формирует УЗ - волну взаимодействующую с биообъектом. Отраженный от тканей сигнал,
потерявший часть мощности через мультиплексор подается на фильтры. Частота
отраженного сигнала составляет порядка 9 МГц, поэтому фильтрами выделяем
информативную частоту. Частота среза ФНЧ составляет 8,9 МГц, Частота среза ФВЧ
составляет 9,1 МГц. В качестве фильтров используем ФНЧ и ФВЧ Баттерворта. С
выхода фильтров сигнал разделяется на 2 канала, преобразующие сигнал в
необходимую для отображения форму. Один канал строиться на основе фазового
детектора и выделяет время задержки сигнала при отражении от биоткани. Фазовый
детектор строится на основе элемента "исключающее ИЛИ". Схематично
диаграмма работы фазового детектора (ФД) построенного на элементе
"исключающее ИЛИ" представлена на рисунке 6.
Рисунок
6 - Диаграммы работы ФД на основе элемента "Исключающее ИЛИ"
По другому каналу происходит демодуляция сигнала, для того что бы учесть
амплитуду сигнала, отраженного от тела человека. Демодулятор построен на основе
схемы ЧМ-демодулятора К174УР3. Отраженный сигнал имеет амплитуду порядка 1 В.
Усиливаем этот сигнал не инвертирующим усилителем до 5 В. Коээффициент усиления
данного усилителя:
Сигнал
с обоих каналов поступает на 8 канальное 12 - разрядное АЦП, встроенный в
микроконтроллер.
В
микроконтроллере данные обрабатываются в соответствии с определенными
алгоритмами, обработанные данные предаются во FLASH -память. А
так же через микроконтроллер ЖКИ выводиться на дисплей. Информация с
микроконтроллера на ЖКИ микроконтроллер передается по 8 линиям передачи данных
и 4 управляющим линиям (сброс, синхронизация, запись, чтение). В
микроконтроллере ЖКИ происходит декодирование команд и формирование развертки
изображения и записи ее в память, а затем передача через встроенные в
микроконтроллер драйверы LSD на дисплей по 64 линиям вертикальной раскладки и 132
линиям горизонтальной раскладки.
Изображение
полученное на дисплее можно увеличивать, нажатием клавиши SW9
(Увл.), смешать: вверх нажатием на клавишу SW2, вниз
нажатием клавиши SW8, вправо нажатием клавиши SW6, влево
нажатием клавиши SW4. Кнопка SW5 (меню) служит для выбора
режимов сканирования, методов обработки данных и проведение измерений. С
помощью клавиши SW7 (Чт/Зп) можно установить режимы чтения или записи
данных. Так же в устройстве предусмотрена возможность подключения устройства
позиционирования, через порт D микроконтроллера.
.1
Расчет канала нормализации
Отношение
сигнал - шум (задано в техническом задании):
=10-3;
fcp2=9МГц,
как частота отраженного сигнала;
В схеме используется быстродействующий операционный усилитель 1407УД4 с Кocc=107 и полосой пропускания
ПП1=104 Гц;
Расчет канала нормализации производится по следующим соотношениям:
(1)
(2)
(3)
(4)
Расчет 1 канала: n=4;
В соответствии с формулой (4), суммарная полоса пропускания1-го канала:
Гц;
Отношение
сигнал-шум на выходе ПУ:
;
;
;
Расчет 2 канала: n= 3;
В соответствии с формулой (4), суммарная полоса пропускания2-го канала:
Гц;
Отношение
сигнал-шум на выходе ПУ:
;
;
.
,9
МГц< 9МГц 
;
;
Так
как
необходимо 12-разрядное АЦП. [6]
4.2 Расчет объема памяти
Разрешение заданное в техническом задании: 500000 пикселей - 1
изображение. 1 пиксель черно белого экрана, отражающий градации серого,
кодируется 1 битом.
Необходимо хранить 3 изображения. Таким образом необходимая память: 3×500000=1500000
бит = 0,2 Мбайта. В
качества носителя памяти выберем съемную Flash- память фирмы Transcend, объемом 8Mбайт.
5. Разработка и расчет принципиальной схемы
Принципиальная схема представлена в приложении 1.
5.1 Расчет ФНЧ
В качестве ФНЧ используем ФНЧ Баттерворта (Рисунок 7)
Рисунок
7 - ФНЧ Баттерворта
Для выбранного ФНЧ имеем следующие соотношения:
4 = R5 = R;
C2 = 2C1 = 2C;
Ωс = 
;
fс = 9,1 МГц; Ωс =2πf = 6.28 
9,1 ×106 = 57,1×106;
R = 10 кОм;
С
= 
=
1.24пФ;
C1=1,24 пФ;(Выбираем из ряда Е24 номиналом 1,2пФ)
C2 = 2,48 пФ; (Выбираем из ряда Е24 номиналом 2,4пФ)
R4 = R5 =
10 кОм (Выбираем из ряда Е48 номиналом 10 кОм).
5.2
Расчет ФВЧ
Схема
ФВЧ Баттерворта представлен на рисунке 8.
Рисунок
8 - ФВЧ Баттерворта
С3 = С4 = С;
R6
= 2R7 = 2R;
Ωс =
;
С
= 10 пФ;
Ωс =2πf = 6.28 
8,9 ×106 = 5,6×107;
Ωс =
;
R = 
=1,3 кОм;
R7 = 1,3 кОм; (Выбираем из ряда Е24 номиналом 1,3 кОм)
R6 = 2,6 кОм; (Выбираем из ряда Е12 номиналом 2,7кОм)
С3
= С4 = 10 пФ; (Выбираем из ряда Е24 номиналом 10пФ)
5.3
Расчет усилителей напряжении
Рассчитаем
для начала усилитель формирующий синглал подоваемый на датчик.
Рисунок
9 - Не инвертирующий усилитель, формирующий сигнал подаваемый на датчик
Напряжение
поступающие на вход данного усилителя равно выходному напряжению ЦАПа
встроенного в контроллер и равно 5В. Необходимо усилить напряжение до 15 В
(Напряжение подаваемое на пьезоэлемент, для генерации им УЗ волн).
;
R2 = R3(
;
R3
=10 кОм; (Выбираем из ряда Е48 номиналом 10кОм)

;(Выбираем
из ряда Е48 номиналом 20кОм )
Рассчитаем
усилитель усиливающий сигнал после демодулятора.
УЗ
сигнал отраженный от тканей, преобразованный датчком в напряжение имеет
амплитуду около 1 В. А на АЦП необходимо подать сигнал амплитудой 5 В.
Рисунок
10 - Не инвертирующий усилитель
;
R12 =R11(
;
R11
=10 кОм;
(Выбираем
из ряда Е48 номиналом 40кОм)
5.4
Расчет эмиттерного повторителя
Схема
эмиттерного повторителя представлена на рисунке 14.
На
датчик необходимо подать ток I=2 мА.
(Выбираем
из ряда Е48 номиналом 3,83 кОм)
Рисунок
11 - схема эмиттерного повторителя
5.5
Расчет фазового детектора
Схема
фазового детектора приведена на рисунке 15.
Рисунок
12 - схема фазового детектора
Опорный
сигнал имеет частоту равную 9 МГц и соответственно средняя частота сигнала с
выхода фазового детектора равняется 18МГц.
R9= 1 кОм;
(Выбираем из ряда Е48 номиналом 1кОм)
;
С11=55
пФ. (Выбираем из ряда Е24 номиналом 56пФ)
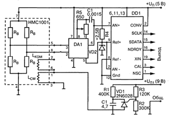
Расчет устройства позиционирования
В качестве устройства позиционирования возьмем типовую схему электронного
компаса с использованием гибридных магниторезисторных микросхем типа НМС 1001
Рисунок 12 - Принципиальная схема входного каскада электронного компаса с
цифровым интерфейсом.
Катушка смещения датчика Lсм питается от генератора импульсов,
выполненного на тиристоре VD1.
Напряжение на компенсационную катушку смещения Lком поступает по
отдельной цепи
Сигнал с датчика НМС 1001 усиливается инструментальным усилителем DA1 и
поступает на 12-битовый аналогоцифровой преобразователь, а с его выхода - на
процессор, где обрабатывается по специальному алгоритму и выводится ЖКИ.
6. Выбор элементной базы
Перечень элементов расположенных на плате представлен в приложении 2
6.1 Выбор
резисторов
Выберем резисторы с металлоэлектрическим проводящим слоем,
предназначенных для работы в цепях постоянного, переменного и импульсного тока
в качестве элементов навесного монтажа. В качестве резисторов выберем С2-33И с
допусками ±2%.
Таблица 2 - Основные характеристики резисторов серии С2-33И
|
Номинальная мощность, Вт
|
Диапазон номинальных
сопротивлений, Ом
|
Размеры, мм
|
Масса, г, не более
|
|
|
D
|
L
|
l
|
d
|
|
|
0, 25
|
1 -2·106
|
2,4
|
6,0
|
28
|
0,6
|
0,2
|
|
0,7
|
1-5,1·106
|
4,2
|
10,8
|
38
|
0,8
|
1,0
|
Таблица 3 - температурный коэффициент сопротивления
|
Номинальная мощность, Вт
|
Диапазон номинальных
сопротивлений, Ом
|
ТКС, 10-6 1/оС,
в интервале температур
|
|
|
от - 60 до + 20 оС
|
от + 20 до + 155 оС
|
|
0,25
|
1,0 -2·10-6
|
± 350
|
± 250
|
|
0,7
|
Свыше 36·10-3
|
± 500
|
± 350
|
Уровень собственных шумов 1; 5 мкВ/В.
Предельные
эксплуатационные данные
Температура окружающей среды:
при номинальной электрической нагрузке….от -55 до+700С
при снижении электрической нагрузки до нуля… от -55 до+1550С
Относительная влажность воздуха при температуре +400С……до 95%
В качестве переменного резистора выберем углеродистый резистор RV16.
Технические характеристики:
Диаметр 16 мм;
Вал металлический диаметр 6 мм, длина от 8 до 30мм;
Диапазон сопротивления от 0,5 кОм до 1 мОм.
Мощность: 0,2 Вт.
Допустимое напряжение не более 150 В.
Для навесного и печатного монтажа.
Погрешность не более 10%.[8]
6.2 Выбор конденсаторов
Выбираем стеклокерамические конденсаторы серии К-21.
Эти конденсаторы относятся работают в цепях переменного, постоянного и
импульсного тока. Они состоят из тонких слоев диэлектрика, на которые нанесены
тонкие металлические пленки. Конденсаторы обладают высокой теплостойкостью и
могут работать при температурах до 300°С.
Таблица 4 - основные характеристики конденсаторов серии К-21
|
Тип
|
Группа по ГКЕ
|
Ном. Емкость, пФ
|
Пред. доп. отклонение
|
Ном. напряж.,В
|
Габариты
|
|
|
|
|
|
D, мм
|
L, мм
|
H, мм
|
|
КД1
|
М700
|
10-56
|
± 5%
|
160,250
|
4
|
8
|
4
|
|
КЛС1
|
М47
|
30-300
|
± 5%
|
80
|
6
|
4
|
4
|
|
КД2
|
М33
|
4,7-8,2
|
± 5%
|
160,250
|
8
|
6
|
6
|
|
КД2
|
М33
|
9,1-15
|
± 5 %
|
160,250
|
8
|
6
|
6
|
Так же используем конденсатор серии К71-4 предназначены для работы в
цепях постоянного, переменного и пульсирующего тока. С предельным допустимым
отклонением: ± 2%.
Температура окружающей среды:……………….от -60 до +850С
Таблица 5 - Основные характеристики конденсаторов серии К 1-4
|
Номинальная емкость, мкФ
|
Номинальное напряжение, В
|
Размеры, мм
|
|
|
D
|
L
|
d
|
|
0,1-1
|
250
|
22
|
48
|
10
|
.3 Выбор ОУ
Выбираем микросхему 1407УД4. Эта интегральная микросхема включает в себя
4 ОУ. Упакована в малогабаритный металлокерамический корпус, предназначена для
применения в переносной аппаратуре. Применяется в малошумящих усилительных
устройствах.
Рабочий диапазон температур -60…+125º С;[10]
Таблица 6 - Основные параметры микросхемы 1407УД4
|
Коэффициент усиления
|
Напряжение питание, В
|
Косс, дБ
|
Ток потребляемый, мА
|
|
50
|
±15
|
70
|
3,6
|
Рисунок
13- Расположение и название контактов микросхемы1407УД4
.4
Выбор мультиплексора
Выбираем
аналоговый мультиплексор 591КН3. Расположение и название выводов представлено
на рисунке 14.
Технические
характеристики аналогового мультиплексорa 591КН3:
· КМОП мультиплексор 16×1, 16×2;
· Время включения и выключения не более 300 нс;
· Ток утечки в закрытом состоянии не более 70 нА;
· Сопротивление канала в открытом состоянии не более 300 Ом
· Двухполярное питание +/-15 В
· Потребляемый ток: 1,2 мА;
· Имеется управляющий вход для наращивания числа коммутируемых
линий
· Совместим по уровням с КМОП логикой
Области применения
· Системы сбора данных
· Устройства связи
· Автоматизированное испытательное оборудование
· Микропроцессорные управляющие системы
· Системы регулирования и управления
Рисунок 14 - Расположение и название выводом мультиплексора 591КН3
.5 Выбор демультиплексора
Выберем 16-канальный аналоговый демультиплексор CD4067.
Технические характеристики аналогового демультиплексорa СD4067:
· Тип логики: КМОП-логика;
· Рабочая температура окружающей среды: -55...+125°С;
· Ток потребления, в состоянии покоя: 0,6 мА;
· Прямое сопротивление открытого ключа: 400 Ом;
Рисунок 15 -Расположение и название выводов демультиплексора CD4067
.6 Выбор транзистора
Выберем транзистор КТ683А
Технические характеристики транзистора:
· Структура:n-p-n;
· Максимальное напряжение коллектор-база при заданном обратном
токе к и разомкнутой цепи эмиттера 150В;
· Максимальное напряжение коллектор - эмиттер при заданном токе
коллектора и заданном сопротивлении в цепи база-эмиттер макс) 150В;
· Максимально допустимый ток коллектора 1А;
· Статический коэффициент передачи тока 40;
· Верхняя граничная частота коэффициента передачи тока
50.00МГц;
· Максимальная рассеиваемая мощность коллектора1.2 Вт.
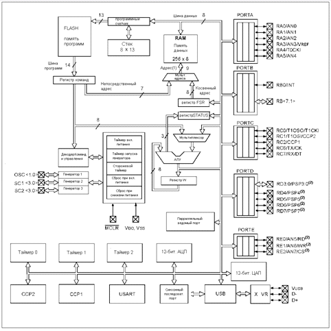
6.7 Выбор микроконтроллера
Исходя из расчетов необходимо подобрать микроконтроллер со встроенным 2
канальным 12-разрядным АЦП, ЦАП и USB. Этим требованиям удовлетворяет микроконтроллер марки PIC16С765 фирмы MicrochipTechnology. Это семейство дешевых
высокоэффективных 8 разрядных КМОП микроконтроллеров. Струкура микроконтроллера
представлена на рисунке 16, название используемых выводов - таблица 7.
Технические характеристики:
Ядро:PIC16;
Частота: от 1 до 24 МГц;
Память: RAM 25 кБ
Таймеры: два 8-битных, два 16- битных;
Интерфейсы: USB;
Аналоговые входы: 8 каналов 12-разрядого АЦП;
Питание: от 2,5 до 5,5;
Потребляемый ток: 5 мА;
Диапазон температур: от -40 до 85 °C;
Ключевые характеристики:
Высокопроизводительный RISC-процессор:
Всего 35 простых для изучения инструкции
Тактовая частота до 24 МГц
битовые команды
- битовые данные
До 12 внешних прерываний
-уровневый аппаратный стек
Прямой, косвенный и относительный режимы адресации для данных и
инструкций
· Периферия:: 8-разрядный таймер/счетчик: 16-разрядный
таймер/счетчик
ШИМ модуля
· Последовательные интерфейсы1.1
Параллельный Slave порт (только для PIC16С765)
· Особенности микроконтроллера:
Сброс при включении питания (POR)
Таймер включения питания (PWRT) и таймер запуска генератора (OST)
Сброс по снижению напряжения питания (BOR)
Сторожевой таймер (WDT) с собственным встроенным RC-генератором для
повышения надежности работы
Режим экономии энергии (SLEEP)
Выбор источника тактового сигнала
Программирование на плате через последовательный порт (ICSPT) (с
использованием двух выводов)
Программируемая защита кода
Рисунок 16 - Структура микроконтроллера PIC16C765
Таблица 7 - Название используемых контактов микроконтроллера
|
Наименование
|
№ Контакта
|
Описание
|
|
RA0/AN0
|
2
|
Вывод RA0/аналоговых
вход 0
|
|
RA1/AN1
|
3
|
Вывод RA1/аналоговых
вход 1
|
|
RD0/PSP0
|
19
|
Вход внешнего прерыванияRD0
|
|
RD1/PSP1
|
20
|
Вход внешнего прерыванияRD1
|
|
RD2/PSP2
|
21
|
Вход внешнего прерыванияRD2
|
|
RD3/PSP3
|
22
|
Вход внешнего прерыванияRD3
|
|
RD4/PSP4
|
23
|
Вход внешнего прерыванияRD4
|
|
RD5/PSP5
|
24
|
Вход внешнего прерыванияRD5
|
|
RB0/INT
|
33
|
Вывод RB0/подверждения
запроса прерывания
|
|
RB1
|
34
|
Вывод RB1
|
|
RB2
|
35
|
Вывод RB2
|
|
RB3
|
36
|
Вывод RB3
|
|
RB4
|
37
|
Вывод RB4
|
|
Наименование
|
№ Контакта
|
Описание
|
|
RB5
|
38
|
Вывод RB5
|
|
RB6
|
39
|
Вывод RB6
|
|
RB7
|
40
|
Вывод RB7
|
|
RC0/T1OSO/T1CK1
|
15
|
Вывод RC0/Выход
генератор - таймера 1
|
|
RC1/T10S1/CCP2
|
16
|
Вывод RC1/
Вывод Выход генератор - таймера 2
|
|
RC2/CCP1
|
17
|
Вывод RC2/Вход
ССР1 в режиме накопления
|
|
RC3/SCK/SCl
|
18
|
Вывод RC3/Выход
синхронизации ВУ
|
|
RC4/SDI/SDA
|
23
|
Вывод RC4/Выход
данных модуля SSP
|
|
CS1
|
29
|
Выход генератора 2
|
|
OSC0
|
13
|
Кварцевый резонатор - вход
|
|
OSC1
|
14
|
Кварцевый резонатор - выход
|
|
Vusb
|
24
|
Регулятор выходного
напряжения USB
|
|
D+
|
25
|
Дифференциальная шина USB
|
|
D-
|
26
|
Дифференциальная шина USB
|
|
Vdd
|
11
|
Напряжение питания (плюс)
|
|
Vcc
|
12
|
Напряжение питания (минус)
|
|
GND
|
31
|
Общий
|
6.8 Выбор
микроконтроллера ЖКИ
Необходимо выбрать микроконтроллер для подключения к дисплею. В задании
указано изображение размером 500000 точек, что примерно соответствует
разрешению 800×600. Выберем микроконтроллер SED1565 фирмы SERIES. Структура микроконтроллера представлена на рисунке 17. Название выводов
используемых приведены в таблице 8.
Таблица 8 - Название используемых выводов микроконтроллера SED 1565
|
Наименование
|
№ контакта
|
Описание
|
|
D0-D7
|
7-14
|
Входы данных
|
|
CLR
|
18
|
Сброс
|
|
WR/RD
|
22
|
Чтение/запись
|
|
СLK
|
25
|
Вход синхронизации
|
|
V1-V2
|
1-2
|
Входы подстройки
|
|
Vr
|
6
|
Подстройка яркости
|
|
IRS
|
15
|
Выход контроля мощности
|
|
Vcc
|
16
|
Напряжение питания (минус)
|
|
Vdd
|
17
|
Напряжение питания (плюс)
|
|
Сap1-Cap3
|
30-35
|
Регулировка питания
|
|
Com0-Com63
|
37-101
|
Выход на дисплей
вертикальная развертка
|
|
Seg0-Seg131
|
102-233
|
Выход на дисплей
горизонтальная развертка
|
Рисунок 17 - Структура микроконтроллера SED 1565
.9 Выбор ЖКИ
В соответствии с техническим заданием выбираем черно белый монитор с
разрешением 800×600. Монитор ТМ800600ACCWT фирмы TIANMA удовлетворяет поставленным задачам.
Габаритные размеры: 232×174 мм. Ток потребления: 100мА.
7. Расчет питания устройства
Для того что рассчитать емкость аккумулятора необходимо подсчитать
суммарный ток потребляемый микросхемами. Время работы должно составлять около 4
часов. Соответственно аккумулятор необходим емкостью не менее 121,4×4=485,6
мАч. Возьмем 15
вольтовый аккумулятор CGA-DU21 фирмы ENKATSU. Технические характеристики:
Описание: Литий-ионный аккумулятор;
Емкость:640 мА·ч;
Размеры внешние: 56,4×48,0×10,2 мм;
Вес нетто: 0.087 кг;
Таблица 9 - Потребляемый ток отдельных элементов цепи
|
Потребляющий элемент
|
Потребляемый ток, мА
|
|
Эмиттерный повторитель
|
1
|
|
Демодулятор
|
2
|
|
Мультиплексор
|
1,2
|
|
Демультиплексор
|
0,6
|
|
ОУ
|
3,6
|
|
Микроконтроллер
|
5
|
|
Микроконтроллер к ЖКИ
|
8
|
|
ЖКИ
|
100
|
|
Суммарный ток
|
121,4
|
Необходимо создать напряжение ±15 В, возьмем 2 таких аккумулятор и
соединим их последовательно. Для того что бы получить напряжение ±5В необходимо
снизить напряжение поставив резисторы. (Рисунок 21)
=U*/I*=10В/60,7мА=0,16 кОм (Выберем из ряда Е24 номиналом 160 Ом)
U*=15-5=10В;
I*=121,4мА/2=60,7мА.
Рисунок
18 - Схема питания УЗ - прибора
Суммарный
размер питающего устройства равен: 120×100×22 мм.
8. Разработка конструкции устройства
Расчет площади печатной платы начинаем с расчета общей площади элементов.
Таблица 11 - Общая площадь элементов
|
Название элементов
|
количество
|
площадь, мм2
|
|
Резисторы
|
22
|
355,4
|
|
Конденсаторы
|
23
|
2584,4
|
|
Микросхема 1407УД4
|
1
|
232,6
|
|
Микросхема 591КН3
|
1
|
186,3
|
|
Микросхема К174УР3
|
1
|
157,4
|
|
Микросхема СD4067
|
1
|
190,2
|
|
Микросхема АМР04
|
1
|
160,3
|
|
транзисторы
|
1
|
40,2
|
|
разъемы
|
3
|
6590
|
|
USB разъем
|
1
|
240
|
|
МК PIC16CF765
|
1
|
903,2
|
|
МК SED 1565
|
1
|
2001,9
|
|
Резонатор кварцевый
|
1
|
57,5
|
|
Общая площадь
|
|
13699,4
|
Берется
коэффициент заполнения К=0,4 и рассчитывается площадь печатной платы:
Получается
площадь печатной платы
мм2. Учитывая полученное значение площади,
расположение платы в приборе и конструкцию других узлов прибора в соответствии
с ГОСТ 10317-79 выбираем размер печатной платы 180 мм ×190 мм.
Исходя
из размеров печатной платы, дисплея, аккумулятора и клавитуры имеем следующее
соотношения размера корпуса: 300×200×70 мм. На передней панели расположен разъем для датчика,
а также USB- разъем, 9 кнопок управления, дисплей, кнопка
включения питания устройства, используем кнопку с подсветкой МПК1-4. На задней
панели расположен разъем для подключения сетевого питания. Чертеж общего вида
УЗ-прибора представлен в приложении 3.
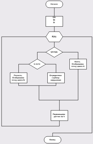
10. Разработка алгоритма
Блок-схема алгоритма сравнения диагностируемого и установленного изображения
представлена на рисунке 22.
Рисунок 19 - Алгоритм обработки сигналов поступающих на микроконтроллер
п -пороговое напряжение;
tп -
пороговое время;
tг -
граничное время;
R -
расстояние исследования;
h -
шаг перемещения;
11. Анализ составляющих погрешностей и их расчет
В данную схему погрешности будут вносить следующие факторы:
) погрешность вносимая усилителем;
) отклонение сопротивлений резисторов от номинальных значений;
) отклонение емкостей конденсаторов от номинальных значений;
) погрешности операционных усилителей;
) погрешность АЦП.
) Расчет погрешности усилителя
Рассчитаем погрешности усилителя. ОУ - 1407УД4. Основные характеристики
ОУ приведены ранее. В качестве элементов схемы выбраны резисторы C2-334 с допуском ±2%, температурный
коэффициент α которых в интервале температур от -60 до +155°С не превышает
±350·10-6 1/°С. Номинальные значения сопротивлений, соответствующие
ряду Е48:
;
.
Номинальное
значение напряжения на выходе усилителя:
,
где
Кн - номинальный коэффициент усиления.
.
Реальная
функция преобразования:
.
Коэффициент
усиления замкнутого операционного усилителя определяется по следующей формуле:
,
где
- значение коэффициента усиления разомкнутого
операционного усилителя; β
- коэффициент обратной связи.
Рассчитаем
аддитивную погрешность усилителя.
Она
представляет собой смещение на выходе усилителя и складывается из следующих
составляющих:
) смещение
нуля операционного усилителя:
;
) смещение
нуля на выходе, обусловленное разностью входных токов:
;
3) смещение нуля на выходе, вызванное различием сопротивлений во
входных цепях: к первому (инвертирующему) входу подключено сопротивление
;
;
;
4)
температурный дрейф смещения:
;
5) смещение нуля под действием температурного дрейфа разности входных
токов:
.
Среднеквадратическое отклонение систематической погрешности нуля:
.
Первые
три составляющие смещения нуля остаются постоянными в пределах рабочих условий
и могут быть частично устранены установкой нуля перед началом измерения.
Предположим, что погрешность установки нуля составляет не более
. Тогда смещение нуля в процессе измерения не
превышает:
.
Запишем
уравнение для погрешности усилителя, приведенной к выходу:
Найдем
погрешность коэффициента обратной связи γβ. Она складывается из:
) разброса
значений сопротивлений цепи обратной связи в пределах нормальных условий (при t=20 0С):
;
2) температурных изменений сопротивлений цепи обратной связи:
Общая
погрешность коэффициента обратной связи:
Мультипликативная
погрешность замкнутого усилителя, обусловленная погрешностью прямой цепи,
составляет:
Полная
погрешность коэффициента усиления каскада равна:
.
Среднеквадратическое
отклонение мультипликативной погрешности определяется:
.[8
Перейдем
к относительной погрешности:
.
;
.
Приведенная
погрешность при U=Um:
.
2) Погрешность, обусловленная отклонением значений сопротивлений
резисторов от номинальных:
Погрешность, обусловленная отклонением значений сопротивлений резисторов
от номинальных:
,
где
n - число резисторов одного типа в схеме;
-
отклонение значений сопротивлений резисторов от номинальных.

= 0,002,
3) Погрешность отклонения емкостей от номинальных значений:
,
где
n - число конденсаторов одного типа в схеме;
-
отклонение значений емкостей конденсаторов от номинальных.
=
=0.0016,
4) Мультипликативная погрешность коэффициента усиления операционного
усилителя:
,
где
k - собственный коэффициент усиления ОУ;
β - коэффициент передачи усиления по току.
,
Погрешность
от АЦП преобразователя:
5) Максимальную относительную погрешность АЦП (δацп) можно
рассчитать по следующей формуле:
где
n - разрядность АЦП;
Δацп -
суммарная абсолютная погрешность АЦП.
Основная
погрешность АЦП включает следующие составляющие:
,
где
Dинт -
интегральная нелинейность,
Dдиф - погрешность дифференциальной нелинейности,
Значения
этих погрешностей можно найти в технической документации.
Dинт= ±2;
Dдиф= ±0.2.
Итоговая
погрешность, которую вносит АЦП:
=
.
Общая
погрешность устройства:
Суммарная
погрешность, таким образом, будет складываться из погрешности аналоговой части
схемы и погрешности АЦП. Погрешность фильтров примем равной 0,1 %. Погрешность
в микроконтроллере можно не учитывать, т.к. она очень мала. Таким образом,
общая погрешность прибора равна:
Что
составляет:
Следовательно,
электронный блок прибора работает с точностью 1,7 %
Погрешность
излучателя и приемника можно представить следующими группами погрешностей:
1. Погрешность самого пьезопреобразователя:
- неровности поверхности излучателя и приемника,
влияние изменения температуры и др.
2. Угол
наклона излучателя и приемника.
аккумулятор портативный порт корпус
Таблица 11 - Погрешность сканирования для различных углов наклона
датчика.
|
Угол
|
0
|
10
|
30
|
40
|
50
|
60
|
70
|
80
|
|
Погрешность, %
|
0.1
|
1.1
|
2.0
|
3.1
|
4.6
|
6.4
|
9.2
|
14.3
|
29.9
|
У выборного датчика погрешность составляет 0,008 мм, что удовлетворяет
техническому заданию.
Заключение
В данной работе разработан портативный УЗ - прибор. Разработаны
структурные, функциональная и принципиальная схемы устройства. Подобран
аккумулятор. Разработан корпус и алгоритм сравнения диагностируемых и
установленных изображений. Предусмотрена возможность подключения устройства к
ЭВМ, через USB порт.
Технические параметры прибора обеспечивают хорошее качество и
стабильность регистрируемых сигналов. Наличие в приборе сервисных устройств,
позволяющих выводить информацию на ПК, ЖКИ, наличие кнопок управления делают
его в обращение простым и удобным.
Одним из путей усовершенствования разработанного прибора является
подключения устройства электромагнитного позиционирования.
В результате данного курсового проекта разработано устройство,
удовлетворяющее всем требованиям технического задания.