Ультразвуковые расходомеры

  • Вид работы:
    Дипломная (ВКР)
  • Предмет:
    Другое
  • Язык:
    Русский
    ,
    Формат файла:
    MS Word
    901,87 kb
  • Опубликовано:
    2011-09-10
Вы можете узнать стоимость помощи в написании студенческой работы.
Помощь в написании работы, которую точно примут!

Ультразвуковые расходомеры

РЕФЕРАТ

Пояснительная записка 85 с, 16 рисунков, 10 таблиц, 10 источников, 2 приложения.

ультразвуковые расходомеры, преобразователи электроакустические, погрешность, расчет, безопасность узла учета

В дипломной работе произведен анализ существующих ультразвуковых расходомеров, проанализирована работа различных схем.

Выявлены перспективные варианты. Определены их предельные возможности и области их применения.

Произведена оценка экологичности и безопасности работы.

содержание


Введение

1. Анализ ультразвуковых расходомеров

.1 Кустовая насосная станция как объект автоматизации

.2 Ультразвуковые расходомеры. Принцип действия

.3 Вибраторы ультразвуковых расходомеров

.4 Ультразвуковые фазовые расходомеры

1.5 Ультразвуковые частотные расходомеры

.6 Ультразвуковые время - импульсные расходомеры

.7 Ультразвуковые расходомеры со сносом излучения

.8 Ультразвуковые расходомеры для измерения массового расхода

2. Патентная проработка

. Перспективные разработки ультразвуковых расходомеров

3.1 Ультразвуковой расходомер Panametriсs "TransPort PT868-R"

.2 Ультразвуковой расходомер УРСВ-010М "ВЗЛЕТ РС"

. Анализ метрологических характеристик

.1 Источники погрешностей

.2 Расчет методической погрешности измерения расхода

.3 Программа расчета погрешностей

.4 Блок- схема алгоритма вычисления погрешностей

5. Безопасность и экологичность работы

5.1 Характеристика производственной среды и анализ производственных опасностей и вредностей

.2 Классификация помещений по взрывопожароопасности

.3 Мероприятия по обеспечению безопасности производства

.4 Расчет вентиляции в помещении узла замера

.5 Мероприятия по обеспечению экологической безопасности

Заключение

Список использованных источников

Приложение А. Перечень демонстрационных листов

Приложение В. Предельные относительные погрешности

ВВЕДЕНИЕ


Важнейшим условием повышения производительности и экономичности промышленных агрегатов является широкое внедрение автоматизированных систем контроля и управления.

Одним из условий эффективного использования этих систем является повышение точности входящих в них контрольно-измерительных приборов, в том числе расходомеров. Метрологические требования к последним становятся более жесткими также в связи с возрастающим потреблением промышленностью кислорода и природного газа.

Для удовлетворения этих требований необходимо изыскание, изучение и практическое использование аппаратурных и методических путей повышения точности измерения расхода.

Для измерения расхода наряду с ультразвуковыми расходомерами применяются тахометрические, массовые, тепловые, силовые расходомеры, расходомеры обтекания, расходомеры переменного перепада давления и т. д.

Акустический метод измерения расхода жидкостей и газов основан на том, что скорость распространения ультразвуковых колебаний в движущейся среде относительно выбранной системы отсчета определяется геометрической суммой скорости ультразвуковых колебаний с в среде и скоростью среды u. По измеренному значению суммарной скорости при известном значении с определяется величина u. Таким образом, в основе метода лежит смещение ультразвуковой волны измеряемой средой в направлении ее движения.

Практическое применение метода осложняется рядом присущих ему негативных факторов. Это, во-первых, зависимость собственной скорости ультразвуковых колебаний от физико-химических свойств измеряемой среды (температура, давление, концентрационный состав). Во-вторых, зависимость результата измерения скорости среды от числа Рейнольдса (при измерении скорость потока усредняется вдоль ультразвукового пучка, а не по сечению трубопровода), и, в-третьих, скорость распространения ультразвуковых колебаний много больше скорости движения измеряемой среды (на два-три порядка по отношению к скорости транспортировки жидкости по трубопроводам, используемой в промышленности).

Однако ультразвуковые расходомеры, являющиеся технической реализацией акустического метода, все шире используются в металлургической, нефтехимической и других отраслях промышленности, что связано с их достоинствами, к которым относятся:

отсутствие перепада давления на первичном преобразователе;

высокое быстродействие, что позволяет измерять пульсирующие потоки с большой частотой пульсаций;

возможность работать на жидкостях с любой вязкостью, а также криогенных и неэлектропроводных жидкостях /1/.

В данной дипломной работе рассматриваются ультразвуковые расходомеры применяемые для измерения расхода жидкости, газа и пара.

 

1 АНАЛИЗ УЛЬТРАЗВУКОВЫХ РАСХОДОМЕРОВ

.1 Кустовая насосная станция как объект автоматизации

Кустовые насосные станции (КНС) предназначены для закачки очищенной воды в продуктивные пласты. Число КНС, их расположение на местности (месторождении), а также мощность устанавливаемых в них агрегатов определяют на основе проекта разработки месторождения и технико-экономических расчетов. Во избежание больших гидравлических потерь в водоводах при закачке воды в пласт, а также уменьшения возможности попадания в призабойную зону пласта взвешенных механических примесей в виде продуктов коррозии КНС размещают вблизи нагнетательных скважин.

В связи с увеличением давления закачки возникла необходимость в реконструкции большинства КНС и переносе их за контур нефтеносности. Все это потребовало новых технических решений и, в частности, создания блочных кустовых насосных станций (БКНС). В зависимости от числа установленных агрегатов БКНС могут обеспечить подачу воды 3600, 7200, 10800 м3 в cутки.

В состав БКНС (рисунок 1.1) входят следующие технологические объекты: насосная, состоящая из насосных и аппаратурных блоков; камера переключается из одного или двух блоков напорного коллектора (гребенки); распределительное устройство РУ-6.

Принцип действия БКНС следующий. Из магистрального водовода 1 вода поступает в приемный коллектор 2, откуда попадает в центробежные насосы 4, приводимые в движение электродвигателями 5. Пройдя насосы и дистанционно управляемые задвижки 3, вода попадает в высоконапорный коллектор-распределитель 7, где давление доходит до 9,5-19 МПа. Из этого коллектора через задвижки 8 и 9 и расходомеры 6 вода направляется в нагнетательные скважины.

Рисунок 1.1 - Схема кустовой насосной станции

- магистральный водовод; 2 - приемный коллектор; 3 - дистанционно управляемые задвижки; 4 - центробежные насосы; 5 - электродвигатель; 6 - расходомеры; 7 - высоконапорный коллектор-распределитель; 8, 9 - задвижки, 10 - байпас

Для учета расхода жидкости закачиваемого в пласт в данной схеме используются ультразвуковые расходомеры, в частности УРСВ-010М. На рисунке 1.2 приведена функциональная схема автоматизации КНС.

1.2 Ультразвуковые расходомеры. Принцип действия

Классификация ультразвуковых расходомеров приведена на рисунке 1.3.

Рисунок 1.3 - Классификация ультразвуковых расходомеров

Ультразвуковые колебания (частота выше 20 кГц), нашедшие широкое применение в различных отраслях техники, в том числе и измерительной, могут быть применены и для целей измерений расхода жидкостей и газов вне зависимости от электрических свойств измеряемой среды /3/.

Ультразвуковой метод измерения расхода основан на явлении смещения звукового колебания движущейся средой. Поэтому, когда колебания распространяются по направлению скорости потока, то они тем быстрее достигают заданной (приемной) точки, чем больше скорость υ или расход потока.

Время t1 прохождения звуковым колебанием расстояния между излучателем и приемником

t1=,(1.1)

где L - расстояние между излучателем и приемником, м;

с - скорость звука в данной среде, м/с;

υ - скорость или расход потока, м/с.

При распространении колебаний против скорости потока имеет место обратное явление замедление распространения, также пропорциональное скорости потока. В этом случае время t2 прохождения звуковым колебанием расстояния против скорости потока определяется по формуле

t2=,(1.2)

Так как величина отношения  весьма мала по сравнению с единицей, особенно для жидкостей, где с приблизительно равен 1000…1500 м/с, a υ обычно не превосходит 3…4 м/с, то с большой степенью точности можно написать

t1=,(1.3)

t2=.(1.4)

Однако основывать ультразвуковые расходомеры только на измерении t1 и t2 было бы нерационально из-за погрешностей, связанных, с одной стороны, с возможными колебаниями скорости звука с (из-за изменения плотности потока), а главное с тем, что влияние скорости потока υ на времена t1 или t2 весьма мало по сравнению с влиянием скорости с. Иными словами полное изменение υ от нуля до υmax очень мало изменяет величины t1 и t2 (менее чем на 1 %).

Положение резко улучшится, если построить прибор, который реагировал бы на разность времени t1 и t2

Из (1.3) и (1.4) получим

Dt =t2 - t1=.(1.5)

Здесь чувствительность метода измерения будет нормальной и сохранится лишь незначительная погрешность, связанная с колебаниями величины с, причем во многих случаях есть средства для устранения и этой погрешности.

Имеется несколько путей выявления разности времени Dt для определения скорости υ:

- метод измерения разности фазовых сдвигов двух ультразвуковых колебаний, направляемых по потоку и против него;

метод измерения разности частот повторения коротких импульсов или пакетов ультразвуковых колебаний, направляемых одновременно по потоку и против него;

метод измерения разности времени прохождения коротких импульсов, направляемых одновременно по потоку и против него.

Кроме того, имеется еще четвертый метод определения скорости потока υ, который основан не на выявлении разности времен Dt, а на смещении потоком ультразвукового колебания, направляемого перпендикулярно оси трубы.

Устройство преобразователя и измерительной схемы ультразвукового расходомера, равно как и характер его работы, сильно зависят от того, производится ли излучение ультразвуковых колебаний по потоку и против него по одному или по двум разным электроакустическим каналам. В связи с этим ультразвуковые расходомеры разделяются на:

однолучевые или одноканальные;

двухлучевые или двухканальные.

В первом случае преобразователи несколько проще, но измерительные схемы, как правило, сложнее, так как возникает необходимость в запоминающем устройстве и в переключении пьезоэлементов с излучения на прием. Кроме того, возникают трудности в фазометрических измерительных схемах в связи многозначностью шкалы фазометров. С другой стороны, в двухлучевых приборах будут возникать погрешности, если в обоих электроакустических каналах будут наблюдаться неодинаковые температуры или различный состав среды. Фазовые расходомеры бывают как однолучевые, так и двухлучевые; частотные и импульсные расходомеры, как правило, изготовляются двухлучевыми.

Достоинства ультразвуковых расходомеров:

возможность измерения расхода любых жидкостей (не содержащих газовых включений), в том числе агрессивных и вязких, в любых трубах, имеющих диаметр, начиная от 10 до 20 мм и выше, при скоростях 0,02 м/с и выше;

принципиальная возможность измерения расхода газа;

высокое быстродействие, позволяющее измерять расходы, меняющиеся с частотой до 10 кГц;

бесконтактность приемных устройств;

очень небольшая величина или даже полное отсутствие дополнительной потери давления.

К недостаткам рассматриваемых приборов следует отнести:

относительную сложность их измерительной схемы;

зависимость показаний от плотности среды.

В первую очередь эти приборы должны применяться в тех случаях, где трудно использовать расходомеры других типов, например при измерении расхода агрессивных сред и пульп, неэлектропроводных жидкостей, больших расходов воды, например в гидротурбинах.

1.3 Вибраторы ультразвуковых расходомеров

Наибольшее применение для изготовления вибраторов ультразвуковых расходомеров получил титанат бария (ВаТiO3), относящийся к группе сегнетоэлектриков и обладающий исключительно высокой диэлектрической постоянной (порядка 1500) и большим пьезомодулем, в 100 раз большим, чем у кварца. Он позволяет получать интенсивные колебания при напряжениях во много раз меньших, чем это необходимо для кварца.

Во избежание непосредственного контакта с измеряемой средой, колебания от вибратора передаются через металлический или пластмассовый звукопровод в виде пластины или стержня.

В некоторых случаях вибраторы устанавливаются снаружи трубы и через ее стенки передают колебания измеряемой среде.

Обычно вибраторы изготовляются из круглых пластинок. Такие вибраторы (близкие к круглым поршневым мембранам) дают определенную направленность излучения, которое почти полностью сосредоточено внутри конуса, охватывающего пластину с углом раскрытия 2q, который определяется выражением

sin q =,

где f - частота колебаний;

D - диаметр излучателя.

Чем выше частота и радиус излучателя, тем меньше угол q и тем более направленным оказывается излучение.

Собственная или резонансная частота вибратора fd (МГц) обратно пропорциональна толщине пластины и определяется формулами

fd = для кварца,

fd =  для титаната бария,

где s - толщина пластины, мм.

Высокие частоты необходимы в двухканальных приборах для получения направленного излучения, кроме того, они повышают чувствительность прибора при фазовом методе измерения. Однако с ростом частоты увеличивается коэффициент поглощения в жидкостях и особенно в газах, поэтому для последних высокие частоты не подходят. В равной мере они не подходят для загрязненных жидкостей и пульп, так как, если длина ультразвуковой волны одного порядка с размером частиц, находящихся в измеряемой среде, то энергия колебаний будет рассеяна или поглощена.

Фазовые расходомеры работают обычно на частотах 0,1…2 МГц (верхние цифры только для чистых жидкостей), а частотные - на частотах 5…10 МГц или на коротких радиоимпульсах. Пользуясь приведенными формулами, можно подобрать необходимую толщину излучателя, чтобы он работал вблизи от резонанса, и его диаметр, обеспечивающий нужную направленность излучателя. Последняя особенно необходима при двух рядом расположенных электроакустических каналах.

При направленном излучении поверхность приемного вибратора должна располагаться против поверхности излучающего. В тех фазовых однолучевых расходомерах, которые работают на сравнительно невысоких частотах, угол 2q получается весьма значительным и колебания распространяются практически сферически. В этом случае противопоставление поверхностей излучающего и приемного вибраторов не обязательно.

Если вибратор установлен снаружи трубы, а внутрь последней введен звукопровод, соединенный с вибратором, например в виде стержня, то последний в случае невысоких частот будет создавать колебания, распространяющиеся равномерно во все стороны. Такой способ применялся при измерении расхода в прямоугольных каналах, подводящих воду к гидравлической турбине. Длина звукопроводящих стержней была около 8 м. Тип расходомера - фазовый с двумя вибраторами, возбуждаемыми поочередно.

На рисунке 1.4 показаны основные принципиальные схемы расположения вибраторов, из них первые три (а, б, в,) - одноканальные, а последние два (г, д) - двухканальные. Первая схема со сферическим излучением, остальные - с направленным, причем последняя может работать как с направленным, так и со сферическим излучением. Наиболее часто применяются схемы с излучением, направленным под углом к оси трубы ( см. рисунок 1.4, в, г, д и рисунок 1.5). В этом случае на трубопроводе делаются особые впадины - «карманы», в глубине которых размещаются вибраторы. При загрязненных жидкостях и пульпах наличие таких карманов крайне нежелательно из-за возможности выпадения в них осадков.


Рисунок 1.4 - Основные схемы расположения пьезоэлементов: а, б, в - одоканальные; г, д - двухканальные

Поэтому было предложено заполнять все свободное пространство «карманов» звукопроводом из металла или органического стекла. Подобные преобразователи (рисунок 1.5,б) называются преобразователями с преломлением, поскольку на границах между звукопроводами и средой изменяется направление распространения ультразвуковых колебаний. Угол преломления b зависит от акустических свойств звукопровода и среды. Преобразователи с преломлением, кроме того, способствуют снижению температурной погрешности и погрешности от реверберации. Первое достигается за счет выбора материала звукопровода и угла его расположения по отношению оси трубы, второе - за счет предотвращения попадания на излучатель отраженных колебаний.

Рисунок 1.5 - Двухканальные преобразователи с излучением под углом к оси трубы: а - преобразователь со звукопроводящими мембранами без преломления; б - преобразователь со звукопроводами с преломлением.

На рисунке 1.6 показана установка одного из пьезоэлементов преобразователя расходомера типа РУЗ-282. Преобразователь представляет собой отрезок трубы 2 длиною 400 мм и внутренним диаметром 70 мм с присоединительными фланцами 1 на концах. На трубе 2 имеются расположенные под углом 20° четыре отростка 10 длиною около 110 мм и внутренним диаметром 30 мм. Материал трубы и отростков - сталь марки 1Х18Н9Т, покрываемая в случае необходимости фторопластовой пленкой. Излучателем ультразвуковых колебаний является круглая пластина 7 из титаната бария диаметром 20 мм и толщиной 2,5 мм. Она плотно прижимается с помощью пружины 5 к звукопроводу 11 из органического стекла 2-55, закрепленному на резьбе во втулке 9. Для обеспечения плотного контакта между излучателем и звукопроводом торец последнего промасливается. На обе торцовые поверхности излучателя наносится распыленный слой металла.

Через эти слои осуществляется электрический контакт излучателя с генератором высокочастотных колебаний. Синусоидальные электрические колебания частотой 1 МГц и амплитудой около 20 В подводятся по высокочастотному кабелю 3 типа РД-13. Токоподводящая жила кабеля 3 соединена с верхней обкладкой пьезоэлемента через пружину 5 и латунный стакан 6, а экранирующая оплетка кабеля соединена с нижней обкладкой

Рисунок 1.6 - Преобразователь расходомера РУЗ-282: 1 - присоединительный фланец; 2 - труба; 3 - высокочастотный кабель; 4 - трансформатор высокочастотный; 5 - пружина; 6 - латунный стакан; 7 - излучатель; 8 - пружинный контакт; 9 - втулка; 10 - отросток; 11 - звукопровод пьезоэлемента через пружинный контакт 8, размещенный в узком пазу на торцовой поверхности звукопровода 11.

Мощность подводимых колебаний порядка 2 Вт. Между кабелем 3 и излучателем 7 помещен согласующий высокочастотный трансформатор 4, индуктивность вторичной обмотки которого вместе с емкостями двух параллельно подключенных излучателей образует контур, настроенный на частоту 1 МГц.

.3 Ультразвуковые фазовые расходомеры

Ультразвуковые фазовые расходомеры основаны на измерении разности фаз, поступающих на приемные пьезоэлементы двух ультразвуковых колебаний, из которых одно следует по направлению скорости потока υ, а другое - против этой скорости. Если путь L, проходимый в жидкости, и начальная фаза обоих колебаний совершенно одинаковы, то измеряемая разность фаз Dj будет зависеть лишь от разности времен Dt прохождения пути L обоими колебаниями и от периода Т или частоты f этих колебаний. Очевидно

Dj=,

Подставляя вместо Dt его значение из уравнения (1.5), получим

Dj ,(1.6)

где w= 2pf - круговая частота колебаний.

Если ультразвуковые колебания направляются под углом a к оси трубы или, что то же, к скорости υ, то будем иметь

Dj=,(1.7)

Очевидно, формула (1.6) есть частный случай формулы (1.7) при угле a = 0°.

При распространении ультразвуковых колебаний под углом a. Схема одноканального фазового расходомера с механическим переключателем и фазометрической лампой. к оси трубы, длина L пути, проходимого ультразвуком в движущейся среде, может быть выражена через диаметр D трубы. Действительно D = L sin a. Тогда уравнение (1.7) принимает вид

Dj =.(1.8)

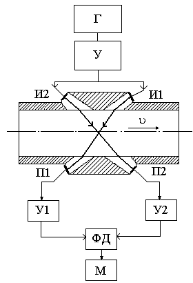
Одна из возможных схем ультразвукового фазового расходомера показана на рисунке 1.6.

На трубопроводе установлены два пьезоэлектрических вибратора 1 и 2. Один из них, скажем 1, в данный момент времени с помощью механического переключателя 7 подключен к генератору высокочастотных синусоидальных электрических колебаний 3 и создает ультразвуковые колебания в потоке жидкости. Другой вибратор воспринимает ультразвуковые колебания, прошедшие в жидкости расстояние L, и преобразует их в выходные электрические колебания, поступающие затем к усилителю 4, который кроме усиления еще с помощью ограничительного каскада преобразует синусоидальные колебания в прямоугольные колебания. Последние подаются на фазометр 6. Одновременно генератор 3 непрерывно подключен ко второму усилителю 5 (также с ограничительным каскадом), прямоугольные колебания от которого также поступают на фазометр 6.

Сдвиг между прямоугольными колебаниями, поступающими от усилителей 4 и 5 на фазометр 6, равен разности фаз между ультразвуковыми колебаниями, создаваемыми излучающим вибратором 2

Е0= A sin wt,

и колебаниями, поступающими к воспринимающему вибратору 1

E1 = kA sin w(t - t1),

где k - коэффициент затухания амплитуды колебаний;

А - амплитуда ультразвуковых колебаний;

w - круговая частота ультразвуковых колебаний;

t1 - время прохождения колебаниями расстояния между вибраторами.

Очевидно, эта разность фаз Dj1 равна

Dj1=wt -w(t -t1)=,

Чем больше сдвиг фаз Dj1, тем меньше период времени, в течение которого через фазометр проходит ток IФ, и тем меньше среднее значение тока IА за период и, наоборот, тем больше среднее значение напряжения Ea1, до которого заряжается конденсатор C1. Затем происходит переброс переключателя 7, в результате чего вибратор 1 становится генерирующим, а вибратор 2 - воспринимающим ультразвуковые колебания, а вместо конденсатора C1 подключается конденсатор С2. Частота переброса переключателя 10 Гц. Теперь разность фаз Dj2 колебаний, поступающих на фазометр 6, будет

Dj2=wt2= ,

поскольку колебания между вибраторами 1и 2 распространяются навстречу скорости потока υ.

Среднее напряжение Еа2, будет также и средним напряжением конденсатора С2. Между конденсатором C1 и С2 включен высокоомный вольтметр 8, .который будет измерять разницу напряжений Еа2 - Ea1. Можно показать, что

Еа2 = Ea1=.

Из полученного уравнения следует, что чувствительность метода возрастает с увеличением частоты ультразвуковых колебаний. Обычно частоту ультразвуковых колебаний для схем, подобных изображенной на рисунке 1.7 берут 100…500 кГц.

Рисунок 1.7 - Схема одноканального фазового расходомера; 1, 2 - пьезоэлектрический вибратор; 3 - высокочастотный генератор; 4,5 - усилитель; 6 - фазометр; 7 - переключатель

При дальнейшем увеличении частоты в подобных схемах может возникнуть погрешность, связанная с трудностью получения крутых фронтов прямоугольных колебаний, а также возможностью нарушения симметрии этих колебаний. Кроме того, надо иметь в виду, что чем больше частота, тем больше коэффициент поглощения звуковых колебаний. Брать же рабочие частоты ниже указанных цифр нерационально из-за снижения чувствительности метода, а при малых диаметрах трубопровода (порядка нескольких миллиметров) и недопустимо, поскольку минимально пороговая частота, обеспечивающая распространение звуковых колебаний в жидкости, находящейся в трубе, обратно пропорциональна диаметру трубы.

Была предложена схема для работы на высоких частотах порядка 1 МГц и выше, основанная на том, что разность фаз двух колебаний не меняется при одновременном одинаковом преобразовании частоты исходных колебаний. Генератор, стабилизированный кварцем, вырабатывает колебания частотой 1 МГц, которые через механический переключатель поступают на вибратор, излучающий ультразвуковые колебания. Приемный вибратор преобразует последние вновь в электрические колебания, поступающие на усилитель и далее в смеситель C1, где они смешиваются с колебаниями частот той 0,922 МГц, поступающими от гетеродинного генератора. После переключения на другом смесителе С2 смешиваются исходные колебания генератора частотой 1 МГц и колебания частотой 0,922 МГц от гетеродинного генератора. Таким образом, после смесителей C1 и C2 имеем колебания частотой 8 кГц, разность фазы которых зависит от скорости потока. Эта разность фаз измеряется при помощи схемы синхроннофазового детектора, вырабатывающей импульсы с частотой 8 МГц, амплитуда которых равна 1 мA, а длительность пропорциональна разности фаз поступающих сигналов. Прибор на выходе измеряет средний ток этих импульсов. Предел шкалы построенного прибора равен 150 см/с. Погрешность ± 1 % от предела шкалы.

Недостатками обеих рассмотренных схем являются:

помехи и ограничения, возникающие из-за наличия в схеме механического переключателя;

- зависимость показаний прибора от скорости звука в данной среде, которая может меняться, например, при изменении температуры.

Механический переключатель ограничивает возможность измерения быстроменяющихся расходов вследствие небольшой частоты переключения (порядка 10 Гц), достигаемой с его помощью, в то время, как эта частота должна быть по крайней мере в 3…4 раза больше частоты измеряемого процесса. Кроме того, механический переключатель является источником емкостной паразитной связи между вибраторами, а также «шумов», что может повести к возникновению дополнительных погрешностей. Поэтому были разработаны схемы ультразвуковых фазовых расходомеров с применением электронных переключателей. Одна из таких схем изображена на рисунке 1.8. Здесь связь излучающего вибратора с генератором Г и приемного вибратора с усилителем У осуществляется через электронные ключи K1, К2, K3 и К4, выполненные в виде многокаскадных усилителей (для достижения требуемого ослабления в запертом канале) на лампах с малой проходной емкостью.

Включение клапанов осуществляет мультивибратор М с помощью двух управляющих усилителей УП1 и УП2, создающих симметричные прямоугольные колебания напряжения, поступающие на K1 и К4 или K2 и К3.

Частота этих колебаний равна частоте переключения клапанов, а следовательно, и вибраторов. В данный момент включены ключи К1 и К4 (знак "+") и выключены K2 и К3. Остальная часть схемы, состоящая из синхроннофазового детектора СФД, на который поступают прямоугольные колебания от усилителей У1 и У2, работает так же как и у ранее рассмотренных фазовых расходомеров.

В предыдущих схемах производится поочередная посылка ультразвуковых колебаний по потоку и против него. Наряду с этими схемами предложен и осуществлен прибор, в котором оба вибратора в течение 500 мкс одновременно излучают колебания навстречу друг другу, а затем оба переключаются на прием, который длится тоже в течение 500 мкс. Принятые колебания после усиления и ограничения поступают на фазовый детектор, выходной ток которого пропорционален разности фаз колебаний, идущих по потоку и против него. Генератор вырабатывает электрические колебания с частотой 1,05 МГц, которые проходят ступень удвоения частоты. После нее колебания с частотой 2,1 МГц поступают на пьезоэлементы из титаната бария, собственная частота которых равна 2,2 МГц.

Рисунок 1.8 - Схема одноканального фазового расходомера с электронным переключателем: М - мультивибратор; УП1, УП2 - управляющий усилитель; К1, К2, К3, К4 - электронный ключ; У1, У2 - усилитель; СФД - синхроннофазовый детектор

Пьезоэлементы установлены на торцовых поверхностях отрезка трубы на расстоянии 750 мм друг от друга и с помощью дисков отделены от жидкости. Последняя входит и выходит через боковые штуцеры. Скорость прохождения ультразвука от одного вибратора до другого 500 мкс. Это время совпадает с периодом переключения вибраторов. Благодаря этому основные отраженные импульсы приходят на пьезоэлементы во время работы последних в качестве излучателей, что существенно уменьшает возможные погрешности от реверберации. Переключение вибраторов производится с помощью мультивибратора, который одновременно подает на каскад удвоения (вырабатывающий колебания частотой 2,1 МГц) и на оба приемных усилителя прямоугольные импульсы противоположной полярности длительностью 500 мкс. При этом положительный импульс открывает каскад удвоения и тем вводит пьезоэлементы в режим излучения, а в это же время отрицательный импульс запирает приемные усилители.

Наличие переключателя как механического, так и электронного значительно усложняет конструкцию приборов и, в частности, их фазометрическую схему.

Этот недостаток можно исключить, если в трубопроводе установить две пары вибраторов так, чтобы в одной паре излучатель непрерывно создавал колебания, направленные по потоку, а в другой - против потока. Расстояния L между излучателем и приемником должны быть одинаковы у каждой пары. Частота колебаний в подобном приборе обычно бывает высокой, чтобы обеспечить направленность излучений и избежать передачи колебаний на соседний вибратор. В таком расходомере на фазометр будут непрерывно поступать два синусоидальных колебания, фазовый сдвиг между которыми пропорционален скорости потока.

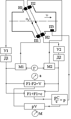
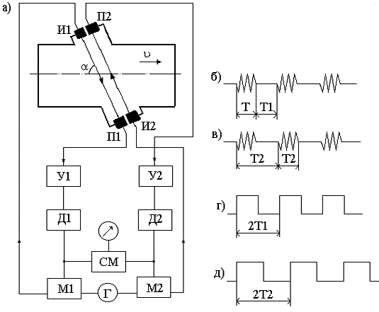
В качестве примера подобного двухлучевого или двухканального прибора на рисунке 1.9 приведена блок-схема расходомера РУЗ-282.

Ультразвуковые колебания, создаваемые излучателями И1 и И2, проходят через звукопроводы из органического стекла, преломляются при входе в жидкость, проходят через последнюю, и через приемные звукопроводы поступают на приемные пьезоэлементы П1 и П2, образуя на последних синусоидальные напряжения, разность фаз между которыми пропорциональна скорости потока. Каждый из пьезоэлементов П1 и П2 связан со своим усилителем У1 и У2 состоящим из четырех резонансных каскадов. В одном из усилителей имеется фазовращатель мостового типа, связанный со вторым и третьим каскадом усиления через два катодных повторителя и служащий для компенсации начального сдвига фаз между каналами приемного преобразователя. Выход обоих усилителей связан со схемой фазового.

Рисунок 1.9 - Схема двухканального фазового расходомера

Г - генератор; У,У1, У2 - усилитель; И1,И2 - излучатель; П1, П2 - приемник; ФД - Фазовый детектор; М - показывающий прибор

детектора ФД, в которой оба сравниваемых по фазе напряжения подаются на общее омическое сопротивление и складываются на нем. Суммарное напряжение на последнем зависит от сдвига фаз Dj между колебаниями, прошедшими по потоку и против него. Оно равно 2U0cos и (U0 - амплитуды сравниваемых напряжений). Это напряжение детектируется и поступает к стрелочному прибору М и включенному последовательно с ним проволочному сопротивлению в 100 Ом, напряжение с которого поступает на электронный потенциометр ПСР-1.

Как было уже сказано, показания фазовых расходомеров зависят от величины скорости звука в данной среде. Для устранения этой зависимости предлагалось включение особого блока, который преобразовывал бы напряжения, пропорциональные фазовым смещениям Dj1 и Dj2, в какие-либо обратно пропорциональные величины, например токи, и затем вычитал эти величины.

При этом имелось в виду, что разность

,

где k - коэффициент пропорциональности, не будет зависеть от скорости звука с.

Однако попытка реализовать эту идею не дала положительного результата, так как существующие приборы измеряют не полные фазовые смещения Dj1 и Dj2, а только их части - меньшие 2p.

Другой путь исключения влияния скорости звука на показания прибора основан на явлении преломления ультразвукового луча, падающего под углом на границу раздела двух сред (жидкость - материал звукопровода). Материал звукопровода подбирается так, чтобы изменение фазы на приемном вибраторе, вызванное изменением скорости звука в потоке и сопутствующим ему изменением угла преломления, компенсировало погрешность прибора от изменения скорости звука.

1.4 Ультразвуковые частотные расходомеры.

Ультразвуковые частотные расходомеры разделяются на частотно-пакетные и частотно-импульсные.

В ультразвуковых частотно-пакетных расходомерах колебания, направляемые по и против скорости потока, с помощью импульсной схемы преобразуются в такие колебания, периоды которых равны удвоенному времени прохождения ультразвука между вибраторами по потоку и против него. Измеряемая прибором разность частот полученных колебаний оказывается прямо пропорциональной скорости или расходу жидкости.

Блок-схема подобного расходомера показана на рисунке 1.10.

Рисунок 1.10 - Двухканальный частотно-пакетный расходомер: а - схема расходомера; б - колебания на тракте И1 и П1; в - колебания на тракте И2 и П2; г - работа модулятора М1; д - работа модулятора M2

Генератор Г, создающий синусоидальные колебания высокой частоты (10 МГц), подает последние через модуляторы M1 и М2 на излучающие вибраторы И1 и И2. Первый из них посылает ультразвуковые колебания под углом a к направлению скорости. Эти колебания воспринимаются приемным вибратором П1, находящимся на расстоянии L от вибратора И1. Время Т1 прохождения ультразвуковых колебаний между вибраторами И1 и П1 будет равно Т1 =. Аналогично время Т2 прохождения колебаний между вибраторами И2 и П2 равно Т2 =. Как только первые колебания, поступающие на приемные вибраторы П1 и П2, и затем проходящие через

усилители У1 и У2 и детекторы Д1 и Д2, достигнут модуляторов M1 и М2, последние, работающие в триггерном режиме, запирают проход колебаний от генератора к вибраторам И1 и И2, и излучение ультразвуковых колебаний прекращается. Оно возобновляется в те моменты, когда последние ультразвуковые колебания первых пакетов достигнут приемных вибраторов П1 и П2 и генерация последними электрических колебаний прекратится. В эти моменты модуляторы М1 и М2 вновь открывают проход электрических колебаний от генератора к излучателям И1 и И2 и процесс повторится. Легко видеть, что время работы и время «молчания» вибраторов И1 и П1 будет равно Т1, а время работы и время «молчания» вибраторов И2 и П2 будет равно Т2. Частота первого цикла f1будет очевидно равна , а второго f2 будет равна . Таким образом, на вход смесительного каскада СМ поступают два колебательных процесса: один с частотой f1 и второй с частотой f2. На выходе каскада получаем разность частот f1- f2 имеющую следующее значение

f1- f2=.

Весьма ценным является то, что разность частот (f1- f2) прямо пропорциональна скорости потока υ и не зависит от скорости распространения звука с.

В построенном приборе порядок частот f1 и f2 равен 5 кГц, а их разность f1- f2 при максимальном расходе равна 50 Гц. Расстояние между излучающими и приемными вибраторами 150 мм; диаметр трубопровода 100 мм; относительная погрешность прибора в пределах ±2 % от максимального значения шкалы.

Было бы весьма полезно повысить величину измеряемой разности частот f1- f2. Это позволило бы сократить время t, необходимое для измерения f1-f2 и, следовательно, повысить быстродействие прибора.

Одним из путей в этом направлении, позволяющим увеличить f1- f2 в два раза, является применение генератора, вырабатывающего не непрерывные колебания, а короткие импульсы, интервалы между которыми равны времени прохождения ультразвука по и против скорости потока. Подобный прибор называется частотно-импульсным расходомером.

Другим способом является предложение выделять из частот f1 и f2 n-е гармоники и затем уже определять их разностную частоту, которая очевидно будет равна n×(f1-f2).

Для устранения возможных перекрестных наводок в двух рядом расположенных акустических каналах иногда применяют в них разные несущие частоты, например, 85 и 135 кГц.

.5 Ультразвуковые время - импульсные расходомеры

В ультразвуковых время - импульсных расходомерах производится измерение разности времен Dt прохождения коротких импульсов по направлению скорости потока υ и против него. Величина Dt определяется формулой

Dt=,

из которой следует, что Dt прямо пропорционально скорости потока υ. Однако величина Dt весьма мала 10-6…10-7 c. при расходе, соответствующем пределу шкалы. Следовательно, измерять необходимо с точностью 10-8…10-9 с. Это является весьма трудной задачей, требующей для своей реализации весьма сложных электронных измерительных схем. В этом состоит причина, почему время- импульсные расходомеры применяются значительно реже, чем фазовые или частотные расходомеры, измерительные схемы которых оказываются более простыми.

1.6 Ультразвуковые расходомеры со сносом излучения

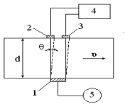
В данных ультразвуковых приборах для измерения расхода или скорости потока излучающий вибратор 1, показанный на рисунке 1.11, возбуждается генератором 5 и создает колебания, направленные перпендикулярно к оси потока. На противоположной стороне трубы установлены два приемных вибратора 2 и 3, обычно симметрично относительно излучающего вибратора. Чем больше скорость потока, тем сильнее отклоняются ультразвуковые колебания по направлению этой скорости.

Рисунок 1.11 - Схема расходомера со сносом ультразвукового излучения: 1 - излучатель; 2,3 - приемник; 4 - дифференциальный усилитель; 5 - генератор

При узко направленном луче, перпендикулярном стенке трубопровода, угол отклонения луча q определяется уравнением tg q = , а линейное отклонение у приемных вибраторов х = dq = d(). При скорости потока υ равным нулю оба приемных вибратора получают равное количество энергии. С повышением скорости количество энергии, поступающее на вибратор 3, увеличивается, а на вибратор 2 уменьшается. Сигналы с вибраторов 2 и 3 поступают на дифференциальный усилитель 4, сравнивающий интенсивности двух поступающих сигналов. Возможны и другие методы измерения величины отклонения ультразвуковых колебаний скоростью потока. С помощью приборов данного типа трудно получить высокую точность измерения, поскольку величина отклонения х очень мала особенно при измерении расхода жидкости. Так, при d= 100 мм, υ = 1,5 м/с и с = 1500 м/с имеем х = 0,1 мм.

Применение данных приборов для газа более оправдано, поскольку здесь скорости υ больше, чем у жидкости, а скорость с, наоборот, меньше. Здесь при d= 100 мм, υ= 15 м/с и с=350м/с имеем х = 4,2 мм.

Для увеличения чувствительности данного метода были предложены и осуществлены расходомеры со сносом, в которых излучаемые колебания направлены не по перпендикуляру: к оси трубы, а образуют небольшой угол с ним. Затем эти колебания многократно отражаются от стенок и попадают на два рядом расположенные приемные пьезоэлементы (рисунок 1.12), сигналы от которых поступают на дифференциальный усилитель УД.

Ультразвуковой импульс пересекает трубопровод, воспринимается двумя пьезоэлементами, симметрично расположенными относительно излучателя, и одновременно отражается от стенки трубопровода назад. Возвратившись к месту излучения, импульс вновь отражается и т. д.

Рисунок 1.12 - Схема расходомера со сносом и многократным отражением

Г-генератор; УД-дифференциальный усилитель; Д-детектор; ИП-измерительный прибор; СК-схема коррекции; ДК-детектор коррекции; СС-счетная схема

При этом приемные пьезоэлементы воспринимают импульсы, амплитуда которых уменьшается в результате поглощения и рефракции. Сигналы, образующиеся в приемных пьезоэлементах от одного из этих эхоимпульсов, отбираются, проходят усилители и детекторы, после чего поступают на логарифмический делитель, выходное напряжение которого приблизительно пропорционально скорости потока. Примерно после десяти отражений ультразвуковой импульс затухает и производится излучение нового импульса. Подобный прибор был построен для трубы диаметром 200 мм на расходы воды до 360 м3/ч.

Недостатком обоих описанных приборов с многократным отражением является зависимость их показаний от чистоты среды и чистоты отражающих поверхностей.

При коррозии трубы или образования в ней каких-либо наростов могут возникать значительные погрешности. Коэффициент затухания также должен быть невелик, чтобы обеспечить возможность прохождения большого пути.

.7 Ультразвуковые расходомеры для измерения массового расхода

Все ранее рассмотренные схемы ультразвуковых расходомеров дают показания пропорциональные скорости потока или его объемному расходу. Для получения массового расхода необходимо иметь особый элемент, вырабатывающий напряжение пропорциональное плотности или удельному весу среды, и затем блок для умножения этого напряжения на напряжение, пропорциональное объемному расходу. Одновременно при этом следует компенсировать и возможное влияние на показания прибора скорости ультразвука с.

Таким элементом может служить отдельный вибратор, возбуждаемый на резонансной частоте самостоятельным генератором. Напряжение, снимаемое с этого вибратора, пропорционально удельному акустическому сопротивлению среды rс (при условии, что последнее много меньше сопротивления генератора), где r плотность среды. Умножая это напряжение на напряжение, развиваемое схемой фазового расходомера, получим

,

где r - плотность среды;

k - коэффициент пропорциональности.

Таким образом, показания будут пропорциональны массовому расходу (rυ), но зависимость от с, хотя и снижена, но полностью не устранена. Для достижения этого надо ввести еще множитель пропорциональный с. Блок-схема подобного реализованного прибора показана на рисунке 1.13.

Рисунок 1.13 - Схема частотно-пакетного массового расходомера

И1, И2 - излучатель; П1, П2 - приемный пьезоэлемент; У1, У2 - усилитель; Д1, Д2 - детектор; М1, М2 - модулятор; Г - генератор

Для получения массового расхода М в частотном расходомере надо выполнить аналогичные процедуры, только здесь напряжение, пропорциональное с, надо вводить не в виде множителя, а в виде делителя. Тогда получим

k×υ×r×ck×r×υ.

Наиболее просто массовый расход может быть получен в расходомерах, измеряющих величину отклонения или сноса излучения. Здесь достаточно ввести в качестве множителя напряжение, пропорциональное акустическому сопротивлению r с, чтобы сразу получить весовой расход. Действительно

D,

где D - постоянная величина.

Элементы, необходимые для получения напряжения, пропорционального rс, и для его ввода в схему расходомера, показаны на рисунке 1.12 штрих - пунктиром.

Заметим, что вибратор, служащий для измерения акустического сопротивления среды, должен передавать колебания непосредственно измеряемой среде без промежуточного звукопровода. Это исключает возможность его применения для сред, могущих давать отложения на его поверхности.

2. ПАТЕНТНАЯ ПРОРАБОТКА


.1 Выбор и обоснование объекта патентного поиска

В дипломной работе поставлена задача анализа ультразвуковых расходомеров. В рассматриваемый ультразвуковой расходомер входят электроакустические преобразователи и электронный блок. Для оценки новизны разработки при проведении патентных исследований основное внимание было уделено перечисленным блокам.

.2 Регламент патентного поиска

Патентный поиск проводился с использованием фонда УГНТУ только по источникам патентной документации России из-за отсутствия иностранных бюллетеней.

Поскольку ультразвуковой способ измерения расхода развивается, была выбрана глубина поиска 5 лет (1996-2000 гг.).

Поиск производился по индексу МПК G 01 F 1/66 "Измерение частоты, фазового сдвига, времени распространения электромагнитных или других волн".

При этом были использованы следующие источники патентной информации:

) документы справочно-поискового аппарата;

) полные описания к патентам России;

) "Бюллетень изобретений" (1996-2000 гг.).

.3 Результаты поиска

Результаты просмотра источников патентной информации приведены в таблице 2.1.

Таблица 2.1

Результаты патентного поиска

Страна

Индекс МПК

№№ просмотренных патентов

Выявленные аналоги

Россия

G 01 F 1/66

Патенты №№ 2051547 - 2161385

2064164 "Способ определения расхода" 2064165 "Ультразвуковой расходомер" 2106602 "Ультразвуковой расходомер" 2106603 "Ультразвуковой расходомер" 2101681 "Акустический расходомер" 2160887 "Ультразвуковой расходомер"


.4 Анализ результатов патентного поиска

Анализ просмотренных материалов показал следующее.

Большинство авторских свидетельств и патентов, касающихся ультразвуковых расходомеров, защищает различные способы расположения преобразователей и построения схем электронных блоков.

Найденные схемы ультразвуковых расходомеров реализуют способ определения расхода, включающий излучение и прием ультразвукового сигнала, образование синхроколец и измерение их частот при зондировании по и против потока.

Рассмотрим более подробно аналоги, перечисленные в таблице 2.1. Среди них много ультразвуковых расходомеров содержащих два обратимых электроакустических преобразователя (патенты №№ 2064165, 2101681, 2106602). В последних разработках встречается использование микропроцессорного управления (патент № 2160887). В патенте № 2106603 наряду с двумя диаметрально расположенными преобразователями используется третий преобразователь. Оригинальная схема предложена в патенте № 2064164, где предусматривается измерение времени прохождения ультразвукового сигнала в электрических цепях.

Таким образом, проведенный патентный поиск показал необходимость и перспективность выбранного направления работы, что доказывается большим количеством патентов.

. ПЕРСПЕКТИВНЫЕ РАЗРАБОТКИ УЛЬТРАЗВУКОВЫХ РАСХОДОМЕРОВ

.1 Ультразвуковой расходомер Panametrics "TransPort PT868-R"

TransPort модель PT868-R представляет собой времяимпульсный и зондирующий ультразвуковой расходомер, сочетающий все возможности стационарного расходомера с ранее недоступными характеристиками. Transport это единственный расходомер с двумя методами измерения расхода: времяимпульсным и зондирующим TransFlection /9/.

При использовании стандартного времяимпульсного метода Transport измеряет акустически проводящие однофазные жидкости, в которых возможно наличие второй фазы. К ним относится большинство чистых жидкостей, сточные воды, некоторые суспензии, некоторые водонефтяные смеси и жидкости с небольшим процентным содержанием растворенных газовых пузырьков. Зондирующий TransFlection метод применяется для измерения расходов многофазных жидкостей с сильным затуханием акустических колебаний, таких как нефтеносные пески, сточные воды, пульпы, жидкости с высоким удержанием пузырьков газа.

Расходомер обеспечивает линейный (4-20 мА или 0-20 мА) аналоговый выход скорости течения или объемного расхода этих жидкостей, измеряя скорости в диапазоне от ±(0,3 - 9) м/с.

Диапазон измерений становится от минус 4,6 до плюс 4,6 м/с если активизирован зондирующий метод измерений.

ТransPort также обеспечивает два аналоговых входа (4-20) мА для подсоединения температурных датчиков с целью измерения потока энергии, переносимого жидкостями.

Transport имеет возможность сохранять данные по не более чем 20 объектам в файлах, к которым затем можно получить доступ. Transport имеет управляемую с помощью меню программу, которая запрашивает у вас все необходимые установочные данные для данного объекта. По завершении ответов на эти вопросы вы просто сохраняете информацию в файле.

Transport хранит эти файлы и другие данные в постоянной памяти даже при выключенном питании. Сам расходомер работает от перезаряжаемой батареи (от 3 до 10 часов в зависимости от используемого метода измерений) или от сети.

Этот небольшой легкий расходомер выдает результаты измерений как в цифровой, так и в графической форме на экран. Transport также имеет возможность внутреннего журналирования более 40000 значений данных.

Transport может пересылать или печатать журналированные данные так же, как и данные, получаемые в реальном масштабе времени и другие хранящиеся данные, используя коммуникационный порт RS232.

Для удобства Transport имеет окно помощи, получить доступ к которому можно в любой момент времени, нажав клавишу Help. Transport также имеет внутренние возможности диагностики и отыскания неисправностей, что позволяет выявить и устранить проблемы, возникающие в измерительном участке и преобразователе.

Transport работает со всеми стандартными преобразователями Panametrics - стационарными (смачиваемыми), накладными, гибридными (Раn-Adapta plug) и буферных типов, равно как и со всеми стандартными потоковыми ячейками Panametrics: осевой, зигзаговой, наклонного диаметра и среднего радиуса.

Transport также имеет встроенное ультразвуковое устройство измерения толщины для определения толщины стенки трубы при использовании с дополнительным преобразователем толщины.

.1.1Описание системы

Transport представляет собой одну из частей системы расходомера. Расходомер состоит из двух главных подсистем: потоковой ячейки и электронного устройства.

.1.1.1 Потоковая ячейка. Потоковая ячейка - это та часть системы, где происходит зондирование потока ультразвуковым импульсом. Потоковая ячейка состоит из трубы и преобразователей. Потоковая ячейка может быть создана в существующем трубопроводе (например, путем введения стационарных (смачиваемых) преобразователей внутрь трубы или укрепления накладных (несмачиваемых) преобразователей на трубе) или вставлена вместо участка трубы.

Потоковая ячейка должна содержать механическую систему установки преобразователей и обеспечивать стабильные условия течения для точного измерения потока.

В цикле передачи преобразователи конвертируют электрическую энергию в ультразвуковой импульс, а в цикле приема осуществляют обратное преобразование ультразвукового импульса в электрическую энергию. В системе Transport каждый преобразователь работает поочередно как приемник и передатчик по мере того, как последовательность ультразвуковых импульсов посылается через потоковую ячейку вверх и вниз по течению.

.1.1.2 Электронное устройство. Электронное устройство состоит из схем, которые генерируют, принимают и меряют время распространения ультразвуковых импульсов. Оно содержит также микрокомпьютер, контролирующий операции и вычисляющий параметры измерений потока. Отдельные схемы имеют следующие функции:

- генератор испускаемого сигнала синтезирует сигнал, управляющий передатчиком. Он контролируется микрокомпьютером и схемой таймера;

- передатчик усиливает сигналы от генератора испускаемого сигнала до уровня, необходимого для управления передатчиком преобразователя;

- приемник усиливает полученные сигналы до уровня, необходимого для работы схемы получения данных;

- схема получения данных оцифровывает полученный сигнал и сохраняет его в буфере для обработки микрокомпьютером;

- схема таймера генерирует частоту передатчика, открытие "окна" приемника, контролирует схему получения данных и направления распространения;

- микрокомпьютер контролирует функционирование расходомера Transport и вычисляет измеренные характеристики потока по излучаемому и оцифрованному полученному сигналу. Кроме того, микрокомпьютер постоянно контролирует сбои и позволяет использовать встроенную диагностику неполадок;

- схема ввода/вывода позволяет получить измеренные величины в виде токов в диапазоне от 4 до 20 мА или от 0 до 20 мА и произвести вывод на принтер или внешнее устройство;

плата DSP позволяет быстро обрабатывать большие объемы, данных, необходимые для измерения зондирующим методом.

3.1.2 Принцип работы

TransPort использует один из двух принципов работы в зависимости от того, каким методом ведутся измерения: время-импульсным или зондирующим.

3.1.2.1 Время-импульсный метод. Когда Transport использует время-импульсный метод, ультразвуковые импульсы распространяются сквозь движущуюся жидкость. Импульсы, распространяющиеся в направлении течения жидкости (вниз по течению) движутся немного быстрее, чем импульсы, распространяющиеся против течения (вверх по течению). Transport использует различные способы цифровой обработки сигналов, включая кросс-корреляцию, для определения разницы времени распространения и использует их для вычисления скорости потока.

.1.2.2 Зондирующий метод. Один из преобразователей передает группу импульсов (обычно 16) с регулярными интервалами (обычно от 5000 до 1000 передач/с). Ультразвуковые импульсы проходят через жидкость, отражаются от включений (таких как пузырьки, твердые частицы) и затем принимаются вторым преобразователем.

Принятые ультразвуковые сигналы представляют собой "картинки", непрерывно получаемые в данном месте трубы. Transport сравнивает эти "картинки одну с другой по мере их получения. Путем сравнения (усреднения) этих "картинок" Transport может исключить из рассмотрения неподвижные объекты. Transport измеряет разницу времени прохождения сигнала к движущимся объектам и от них в каждой "картинке". Разница времени (Тm) используется для вычисления скорости потока.

Расходомеры фирмы Panаmetrics, измеряют поток с использованием метода, основанного на измерении времени прохождения импульсов. При этом два преобразователя укрепляются на трубе, причем один выше другого по течению. Они поочередно посылают ультразвуковые импульсы сквозь жидкость и принимают их. Импульсы, направленные в ту же сторону, в которую течет жидкость (вниз по течению), распространяются немного быстрее, чем импульсы, идущие навстречу жидкости (вверх по течению). Соединенное с преобразователями электронное устройство расходомера измеряет время прохождения импульсов от одного преобразователя к другому как вверх, так и вниз по течению и на основании этой информации вычисляет скорость течения.

Точность и производительность работы расходомера в большой мере зависят от расположения преобразователей, расстояния между ними и их ориентации. Данная инструкция по установке преобразователей дает общие правила расположения и установки большинства видов преобразователей.

.1.2 Принцип действия ультразвукового датчика толщины

Все ультразвуковые датчики толщины основаны на измерении времени распространения звукового импульса в тестируемом материале по кольцевой траектории. Поскольку твердый металл имеет акустический импеданс, отличный от импеданса газов, жидкостей и продуктов коррозии, таких как ржавчина или накипь, звуковой импульс отражается от поверхности металла. Измерительные устройства запрограммированы на скорость звука в тестируемом материале и вычисляют толщину стенки по простой формуле

Расстояние = Скорость х Время.

Одноэлементные преобразователи используют один элемент в качестве как передатчика так и приемника. Преобразователи на двух элементах включают отдельные передающие и приемные элементы. Такие элементы устанавливаются на линиях задержки, которые обычно образуют угол с горизонтальной плоскостью (углом свода) так, что траектории передаваемого и принимаемого пучков пересекаются под поверхностью тестируемого участка. Такое устройство двухэлементных преобразователей обеспечивает эффект псевдофокусировки, оптимизирующий измерения минимальной толщины стенки при наличии коррозии. Двухэлементные преобразователи чувствительнее одноэлементных к отражениям от дна коррозионных изъязвлений, которые соответствуют минимуму остаточной толщины стенки. Кроме того, двойные преобразователи обычно более эффективны на шероховатой наружной поверхности, являющейся входной для звука, порождают длинные кольцевые интерфейсные отражения, понижающие приповерхностное разрешение одноэлементных преобразователей.

В двухэлементных преобразователях приемник не способен уловить это ложное эхо. Наконец, двухэлементные преобразователи могут применяться для высокотемпературных измерений, при которых контактные одноэлементные преобразователи могут быть повреждены.

Факторы, влияющие на выполнение операций и точность:

поверхностные условия, рыхлая или чешуйчатая накипь, ржавчина или пыль на наружной поверхности тестируемого куска препятствуют прохождению звуковой энергии из преобразователя в тестируемый материал. Таким образом, любые рыхлые наносы такого сорта должны быть удалены с образца проволочной щеткой или напильником до начала измерений. Вообще говоря, можно выполнить измерения сквозь тонкий слой ржавчины, если только ржавчина гладкая и плотно прилегает к нижележащему металлу. Некоторые очень покоробленные или коррелированные поверхности требуют обработки напильником или шлифовки для обеспечения достаточного звукового контакта. Может также оказаться необходимым удалить краску, если она намазана толстым слоем или отслаивается от металла. В то время, как обычно можно делать измерения толщины сквозь тонкий слой краски (от 0,1 до 0,2 мм), толстый слой будет поглощать сигналы или порождать ложные отражения, что приведет к неточным измерениям.

Может оказаться проблемой существование сильных неоднородностей внешней поверхности или резервуара. На некоторых шероховатых поверхностях помочь звуковой энергии проникнуть в тестируемый участок может использование геля или консистентной смазки вместо жидкой. В исключительных случаях может оказаться необходимым отшлифовать поверхность до гладкости, достаточной для обеспечения контакта с лицевой поверхностью преобразователя. В случаях, когда имеют место глубокие углубления на наружной поверхности трубы или резервуара, обычно бывает нужно измерить остаточную толщину металла от дна углублений до внутренней стенки. Существует сложная ультразвуковая техника, использующая сфокусированные иммерсионные преобразователи, способные измерять непосредственно от дна до внутренней стенки, но она обычно неприменима для полевых работ.

Распространенный метод состоит в измерении неизъязвленной толщины металла ультразвуковым датчиком, измерении глубины углублений механическим способом, и вычитании глубины из измеренной толщины стенки. По-другому, можно отшлифовать поверхность до уровня дна углублений и померить обычным способом.

Как и при любых сложных измерениях, наилучшим способом определения возможных сочетаний датчик - преобразователь для данной поверхности является экспериментирование с реальным образцом;

расположение, выравнивание преобразователя. Для хорошей передачи звука преобразователь должен быть плотно прижат к тестируемой поверхности. На цилиндрических поверхностях малого диаметра, таких, как трубы, устанавливают преобразователь так, чтобы видимая на зондирующем торце полоса звукоизолирующего материала была ориентирована перпендикулярно центральной оси трубы (рисунок 3.1).

Рисунок 3.1 - Расположение преобразователей на цилиндрических поверхностях

калибровка, точность измерений не превосходит точности калибровки датчика. В Transport внутренняя настройка калибровки отсутствует. Использование ультразвукового датчика толщины, даже если преобразователь заменен или имеются основания сомневаться в точности измерений. Периодические проверки на образцах известной толщины рекомендуются для проверки правильного функционирования датчика;

скос или эксцентричность, если контактная поверхность и задняя поверхность скошены или эксцентричны друг относительно друга, возвращающееся эхо снова искажается, и точность измерений снижается;

акустические свойства материала, у конструкционных материалов имеется несколько характеристик, которые могут существенно ограничить точность, а также диапазон пригодных для измерения толщины:

а) рассеяние звука, в некоторых материалах, особенно в некоторых видах литой нержавеющей стали, чугуне, а также композитах звуковая энергия рассеивается на отдельных кристаллитах в отливке или на разнородных материалах в композите. Этот эффект снижает возможность надежного различения сигнала, отраженного от обратной стороны материала, тем самым понижает возможность ультразвукового тестирования;

б) изменения скорости, в большом числе материалов скорость звука существенно меняется от точки к точке. В определенных видах литой нержавеющей стали и латуни этот эффект обусловлен сравнительно большими размерами зерна и анизотропией скорости звука по отношению к ориентации зерна. В других материалах скорость звука быстро меняется с температурой. Это типично для пластических веществ, в которых для обеспечения максимальной точности температура должна контролироваться;

в) ослабление или поглощение звука, во многих органических веществах, таких как пластики низкой плотности или каучук, звук очень быстро ослабляется на частотах, которые используются в обычных ультразвуковых датчиках толщины. Поэтому максимальная толщина, которую можно измерить в этих веществах, часто ограничена ослаблением звука.

.2 Ультразвуковой расходомер УРСВ-010М "ВЗЛЕТ РС"

Расходомер УРСВ-010М "ВЗЛЕТ РС" предназначен для измерения объемного расхода и объема различных жидкостей в широком диапазоне температур, в том числе холодной и горячей воды, в напорных металлических и пластмассовых трубопроводах в различных условиях эксплуатации, в том числе во взрывоопасных зонах. Расходомер выполняет измерения при постоянном и/или переменном (реверсивном) направлении потока жидкости в трубопроводе для каждого направления отдельно, с индикацией знака направления потока, архивирование измеренных значений, а также обеспечивает возможность вывода измеренных значений на внешние устройства /8/.

Расходомер обеспечивает возможность измерения в одном трубопроводе одной парой преобразователей электроакустических (ПЭА). ПЭА, входящие в состав расходомера, изготавливаются нескольких типов:

накладные (устанавливаются на наружную стенку трубопровода без его вскрытия) герметичные;

врезные (устанавливаются в монтажные патрубки, наваренные на противолежащие отверстия в стенках трубопровода) герметичные.

Расходомер предназначен для установки на трубопроводы диаметром DУ от 10 до 4200 мм.

Расходомер выполняет измерение и индикацию значений следующих параметров:

средних объемных расходов жидкости (независимо от направления потока жидкости - для каждого направления);

объемов жидкости нарастающим итогом (независимо от направления потока жидкости - для каждого направления);

объема жидкости нарастающим итогом, как суммы результатов измерения в обоих направлениях;

скорости потока жидкости (независимо от направления потока жидкости - для каждого направления);

направления потока жидкости в трубопроводе с указанием знака (знак плюс - соответствует "прямому", а знак минус - "обратному" направлению потока);

текущей даты и времени;

времени работы в штатных/нештатных режимах.

Расходомер обеспечивает хранение в архиве и вывод на устройство индикации:

измеренных значений объемов (часовых, суточных, месячных) для обоих направлений потока. Архивирование производится в энергонезависимой памяти расходомера за последние 728 часов, 64 суток, 64 месяца;

журнала аварийных и нештатных ситуаций с указанием типа события, даты и времени его начала и продолжительности. В журнале фиксируется 128 текущих событий.

Расходомер выполняет вывод измеренных значений среднего объемного расхода жидкости в виде токового выходного сигнала и объема жидкости в виде импульсов с нормированным весом.

Расходомер выполняет:

автоматический контроль аварийных и нештатных ситуаций и архивацию вида аварии или нештатной ситуации, с занесением в журнал аварийных (нештатных) ситуаций;

вывод измерительной, диагностической, справочной и архивной информации посредством коммуникационной связи через последовательный интерфейс RS 232 или RS 485 (в том числе с помощью модема по телефонной сети).

Интерфейс RS 232 обеспечивает непосредственную связь расходомера только с одним персональным компьютером (ПК) при длине линии связи не более 15 м. Интерфейс RS 485 позволяет обеспечивать непосредственную связь в сети из 32 абонентов (одним из которых является ПК) на расстояние до 1200 м. Дальность связи с помощью модема ограничена только длиной телефонной линии.

Коммуникационная связь через интерфейс RS 232 (RS 485) позволяет с помощью ПК получить и задокументировать следующую информацию:

текущие значения измеряемых параметров и результатов автодиагностики расходомера с привязкой к дате и времени съема параметров;

архивные значения измеряемых параметров и результатов автодиагностики, хранящиеся в часовом, суточном или месячном архиве (по выбору) и журнале аварий за весь период накопления или за требуемый период по выбору потребителя;

справочные параметры расходомера.

При переходе в аварийный режим или при возникновении нештатной ситуации расходомер обеспечивает коммутацию цепи сигнализации постоянного тока.

3.2.1 Технические характеристики расходомера

Таблица 3.1

Технические характеристики расходомера

Наименование параметра

Значение параметра

1

2

Диаметр условного прохода, Dy, mm : - накладные ПЭА - врезные ПЭА

любой из диапазона 50-4200 любой из диапазона 10-4200

Измеряемый средний объемный расход жидкости, м3/ч -наименьший, QV MAX -переходный, QV П -наибольший, QV MIN

Определяется в зависимости от Dy (мм) 0,0002 DУ2 0,001 DУ2 0,028 DУ2

Температура измеряемой жидкости,°С

минус 70-плюс 220

Наибольшее давление в трубопроводе, МПа

2,5

Наибольшая длина сигнального кабеля между ВП и ПЭА,м

100

Скорость передачи информации по RS связи, кБод

1.2; 2,4; 4,8; 9,6; 19,2

12


Расходомер обеспечивает выдачу измеренных значений объема в виде импульсов с нормированным весом.

В расходомере реализована возможность подключения к двум импульсным выходам. У одного из них выходной каскад выполнен на фототранзисторе с открытыми коллектором (вывод РК2) и эмиттером (вывод РЕ2) транзисторной оптопары, обеспечивающей гальваническую развязку выхода от основной схемы. При этом, наибольшие допустимые значения напряжения 15 В, а тока нагрузки 10 мА. Этот выход используется для подключения к тепловычислителю СПТ 960 фирмы "Логика". Другой импульсный выход (маркировка выводов POOUT, POGND) реализован на гальванически развязанном эмиттерном повторителе. При этом амплитуда выходного импульса составляет не менее 4 В на нагрузке не менее 1 кОм. Работают оба выхода одновременно.

Предусмотрена возможность установки с клавиатуры расходомера двух режимов работы:

с периодом следования импульсов 10 мс (при скважности 2);

с периодом следования импульсов 200 мс (при скважности 2).

Период следования импульсов 200 мс устанавливается при работе расходомера с тепловычислителем СПТ960.

Номинальная статическая характеристика расходомера по импульсному выходу

= N×К,

где V - объем воды, измеренный за интервал времени Т, м3;- количество импульсов, прошедших за интервал времени Т;

К - вес импульса, м3/имп.

Вес импульса К рассчитывается в расходомере автоматически после определения Dy трубопровода по формуле:

K=QMAX Tи/3600,

где Ти - установленный период следования импульсов, с.

Рассчитанное значение округляется в расходомере и выводится на дисплей. Это значение используется в качестве веса импульса К. При работе по импульсному выходу обязательно убедиться в соответствии веса импульса, установленного на устройстве регистрации и подключенного к импульсному выходу расходомера, весу импульса на импульсном выходе расходомера, считанному с индикатора.

Выход активен в диапазоне расходов

QVMIN <QV <QVMAX,

где QV - значение среднего объемного расхода жидкости, м3/ч;

QVMAX - наибольший измеряемый средний объемный расход жидкости для данного типоразмера расходомера, м3/ч;VMIN - минимальное значение измеряемого расхода, устанавливаемое пользователем, м3/ч.

Расходомер обеспечивает выдачу измеренных значений расхода в виде сигнала постоянного тока с пределами :

от 0 до 5 мА при нагрузке не более 1,5 кОм;

от 0 до 20 мА при нагрузке не более 250 Ом;

от 4 до 20 мА при нагрузке не более 250 Ом.

Расходомер обеспечивает коммутацию внешней цепи (релейная цепь, выводы которой обозначены на схеме подключения и кросс-плате РК1 и РЕ1) фототранзистором n-р-n типа с открытыми коллектором (вывод РК1) и эмиттером (вывод РЕ1) транзисторной оптопары, обеспечивающей гальваническую развязку прибора. Коммутируемые напряжение и ток при этом не должны превышать 15 В и 10 мА соответственно.

Расходомер обеспечивает возможность просмотра данных при контроле их значений, вводе или изменении (при вводе расходомера в эксплуатацию, эксплуатации, поверке и т.д.) с помощью системы функциональных меню, доступ к которым обеспечивается клавиатурой расходомера.

Относительные погрешности при выводе измеренных значений на индикатор, при регистрации в архиве, при выдаче данных по RS связи, импульсному и токовому выходам не превышают значений, указанных в таблице 3.2.

Таблица 3.2

Относительные погрешности при выводе измеренных значений

Измеряемый параметр

Относительная погрешность измерения, %

Средний объемный расход, объем, жидкости в диапазоне расходов: QV MIN - QV П QV П - QV MAX

 ± 4,0 ±1,5

3.2.2 Устройство и работа расходомера и его составных частей

.2.2.1. Принцип работы расходомера. По принципу работы расходомер относится к время-импульсным ультразвуковым расходомерам, работа которых основана на измерении разности времен прохождения коротких импульсов (зондирующих) ультразвуковых колебаний (УЗК) по направлению скорости потока жидкости в трубопроводе и против него. Возбуждение зондирующих импульсов производится первичными электроакустическими преобразователями, устанавливаемыми на трубопровод с измеряемым расходом.

По способу организации зондирования потока жидкости ультразвуковыми импульсами расходомер относится к автоциркуляционным расходомерам с попеременной коммутацией.

Особенностью этих ультразвуковых расходомеров (УЗР) является попеременное функционирование двух синхроколец. Синхрокольца образованы приемно-усилительным трактом, охваченным запаздывающей обратной связью через электроакустический тракт ПЭА1 - стенка трубопровода - жидкость - стенка трубопровода - ПЭА2.

Первичный преобразователь расхода включает в себя отрезок трубы и закрепленные на нем два электроакустических преобразователя - ПЭА1 и ПЭА2, обеспечивающие излучение ультразвуковых сигналов (УЗС) в жидкость под углом к оси трубопровода. При движении жидкости наблюдается снос ультразвуковой волны, который приводит к изменению полного времени распространения УЗС между ПЭА: по потоку жидкости (от ПЭА1 к ПЭА2) время распространения уменьшается, а против потока (от ПЭА2 к ПЭА1) - возрастает.

Вторичный измерительный преобразователь посредством попеременного излучения в движущуюся жидкость УЗС и их приема осуществляет измерение разности времен распространения УЗС по потоку и против потока жидкости dT. Данная величина dT, пропорциональная скорости, а следовательно, и расходу жидкости, определяется выражением

dT = T1-T2=2×n×v×D×tgq/c2+t 3,

где

T1,T2=,

T1 - полное время распространения УЗС по потоку жидкости;- полное время распространения УЗС против потока жидкости;

n - коэффициент установки ПЭА: для установки ПЭА с отражением УЗС от стенки трубопровода n=2; для установки без отражения n=1;- внутренний диаметр трубопровода;

q,с - угол и скорость распространения УЗС в неподвижной жидкости;

v - скорость жидкости, усредненная вдоль ультразвукового луча;

tСТ, tЗВ - дополнительная задержка УЗС в стенках трубопровода, звукопроводах ПЭА и электронном тракте при распространении УЗС по потоку и против потока жидкости.

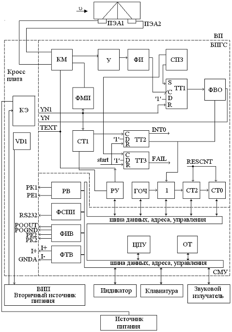
.2.2.2 Описание функциональной схемы расходомера. Функциональная схема расходомера приведена на рисунке 3.2.

Работа расходомера рассматривается на примере расходомера с накладными ПЭА. Для врезных ПЭА работа расходомера аналогична, за исключением способа ввода ультразвуковых сигналов в жидкость.

На схеме показаны следующие функциональные узлы расходомера:

первичный преобразователь расхода (ПП);

вторичный измерительный преобразователь (ВП) со встроенным стабилизированным вторичным источником питания (ВИП), выполняющий функции контроллера расходомера с помощью схемы микропроцессорного управления (СМУ), функции измерительного промежуточного преобразователя с помощью блока приема и генерации сигнала (БПГС), функции формирователя электрических выходных сигналов для информационной связи со вторичными регистрирующими приборами, средствами измерений и автоматизации, и функции устройства обработки, хранения и отображения данных;

индикатор жидкокристаллический;

пленочная клавиатура;

звуковой излучатель.

Рисунок 3.2 - Функциональная схема расходомера

БПГС работает следующим образом. После подачи запускающего импульса START от СМУ производится сброс триггеров ТТ2 (формирователя периода наполнения) и ТТЗ (триггера ошибки), а также происходит принудительный запуск формирователя временного окна (ФВО), чем обеспечивается формирование первого зондирующего импульса с помощью формирователя мощных импульсов (ФМИ). При длительном отсутствии импульсов на выходе триггера ТТ1 схема принудительного запуска (СПЗ) вырабатывает запускающий импульс, который устанавливает триггер ТТ1 в "1" состояние. Одновременно с этим происходит установка триггера ТТЗ в "1" состояние, свидетельствующее о неисправности акустического тракта (сигнал FAIL). При исправности акустического тракта запускается ФВО, который через 10...12 мкс выходным сигналом YN удерживает триггер ТТ1 в "0" состоянии. При этом запрещается установка триггера ТТ1 в "1" состояние от формирователя импульсов (ФИ), что необходимо для защиты от помех. Одновременно сигнал YN с выхода ФВО поступает на ФМИ. ФМИ формирует зондирующий импульс, который через коммутатор направления излучения (КМ) подается на один из ПЭА. Номер подключаемого к выходу КМ ПЭА (ПЭА1 или ПЭА2) зависит от значения потенциала управления TEXT, подаваемого на КМ с регистра управления РУ (предположим, что потенциал управления коммутатором Т=0, тогда зондирующий импульс поступит на ПЭА1 и УЗС будет излучен по потоку жидкости).

После прохождения через электроакустический тракт на выходе ПЭА2 (или ПЭА1 - при излучении против потока жидкости) сигнал имеет форму радиоимпульса. После усиления усилителем (У), ФИ преобразует его в пачку импульсов, первым из которых триггер ТТ1 устанавливается в "1" состояние. Таким образом происходит регенерация импульса YN в каждом такте излучения сигнала по или против потока жидкости.

Под действием импульсов YN происходит заполнение счетчика СТ1 и в момент его переполнения триггер ТТ2 устанавливается в "1" состояние и заканчивается цикл измерения по данному направлению длительностью, например, Tn1 -по направлению потока (тогда Тn2 - против направления потока). При этом формируется сигнал прерывания INTO.

Значения Tn1 (Тn2) пропорциональны; времени распространения сигнала в электроакустическом тракте T1 (T2)

Tn1=N×T1,

где N - коэффициент накопления (определяемый счетчиком СТ1).

Длительности интервалов Tn1 и Тn2 измеряются путем заполнения их импульсами с генератора образцовой частоты (ГОЧ). Код, пропорциональный длительности Tn1 (Тn2), формируется в счетчиках СТ0 и СТ2. Полученные коды считываются СМУ по сигналу прерывания INTO, после чего СМУ формируется сигнал начальной установки RESCNT для установки СТ0 и СТ2 в начальное состояние.

Для автоматического перезапуска СМУ (после сбоев, зависаний, пропадания питающего напряжения и т.д.) предусмотрена схема охранного таймера (ОТ).

СМУ осуществляет обработку результатов измерения, и вычисление (по значениям интервалов времени по обоим направлениям Tn1 и Тn2) измеряемого расхода жидкости Q

Q = Sпп×(Tn1-Тn2), м3/час

где Sпп - коэффициент преобразования расходомера, м3/(мкс×ч).

При градуировке расходомера на поверочной установке методом пропуска жидкости через ПП, этот коэффициент определяется по методике поверки сравнением результатов измерения расхода образцовым устройством и градуируемым расходомером.

При косвенной градуировке методом измерения параметров ПП и Потока жидкости в трубопроводе, в зависимости от типа ПЭА (накладной или врезной), этот коэффициент вычисляется программой расходомера.

Параметры первичного преобразователя расхода и другие градуировочные коэффициенты вводятся в расходомер с клавиатуры и запоминаются в энергонезависимом запоминающем устройстве. Ввод указанных коэффициентов осуществляется оператором в соответствующих режимах (меню) в процессе градуировки расходомера.

Объем жидкости V за интервал времени Т рассчитывается по формуле



Формирователь импульсных выходов (ФИВ) служит для преобразования результата измерения в импульсные сигналы.

Формирователь токового выхода (ФТВ) предназначен для преобразования результатов измерения в унифицированный токовый сигнал (I+, I-).

Формирователь сигналов последовательного интерфейса (ФСПИ) предназначен для преобразования сигналов в уровни интерфейсов RS232 и RS485.

Релейный выход предназначен для коммутации внешней цепи сигнализации постоянного тока.

.2.2.3 Конструкция расходомера. Накладные ПЭА, внешний вид которых показан на рисунке 3.3, выполнены в сплошном корпусе с нижней гранью 2, являющейся излучающей поверхностью. На боковой поверхности корпуса нанесена риска 3 акустического центра ПЭА. Корпус полностью герметизирован заливкой термостойкого электроизоляционного компаунда. На конце коаксиального радиочастотного кабеля ПЭА 1, жестко закрепленного в корпусе и выполненного длиной не менее 1,5 м, установлен разъем для его подключения к линии связи со вторичным преобразователем.

Рисунок 3.3 - Внешний вид накладного ПЭА

Взрывозащищенное исполнение ПЭА предусматривает выполнение соединения ПЭА без разъема в соединительной коробке взрывозащищенного исполнения или другим способом, удовлетворяющим соответствующим требованиям правил ПУЭ.

автоматизированный ультразвуковой расходомер метрологический

4. АНАЛИЗ МЕТРОЛОГИЧЕСКИХ ХАРАКТЕРИСТИК

.1 Источники погрешностей

Имеется ряд причин, которые могут вызвать появление погрешностей показаний в ультразвуковых расходомерах. Основными среди них являются:

зависимость показаний от профиля скоростей или числа Рейнольдса Re;

изменение скорости распространения ультразвука в среде вследствие изменения ее параметров - давления и температуры, а также и ее концентрации;

влияние реверберации - многократного отражения ультразвукового луча;

погрешности, вносимые электронной измерительно-преобразовательной схемой.

В двухлучевых приборах, кроме того, могут возникать погрешности из-за неодинаковости обоих электронно-акустических каналов расходомера. С другой стороны, и в однолучевых приборах, работающих с поочередным излучением, возможны погрешности из-за акустической не симметрии условий прохождения ультразвука по потоку и против него.

Зависимость показаний ультразвуковых расходомеров от числа Re является следствием того, что эти приборы измеряют не среднюю скорость потока по сечению трубы, а среднюю скорость по линии ультразвукового луча. Последний направляется либо параллельно оси трубы, либо под углом к ней. В первом случае измеряется местная скорость, совпадающая с траекторией движения ультразвукового луча; так, если последний движется по оси трубы, то и измеряться будет осевая скорость жидкости. Соотношение между средней uс и осевой umax скоростями зависит от числа Re. При ламинарном движении =0,5 при турбулентном движении это отношение растет с увеличением Re

=0,77(при Re = 5×103),

=0,87(при Re = 5×106).

В случае направления ультразвукового луча под углом к оси трубы будет измеряться уже не местная скорость потока, а скорость υD, осредненная по диаметру трубы, причем соотношение между υD и средней скоростью по сечению υC не зависит от угла наклона луча, а определяется только числом Re. При ламинарном движении =0,75. При турбулентном движении связь между υC и υD определяется уравнением

=1+0.442,

где l - коэффициент сопротивления трубы.

Для гладких труб

l = 0,0032 + 0,221 Re-0.237.

Из этого уравнения получается  = 0,925 при Re =5 103 и =0,961 при Re =5 106. Таким образом, для расходомера с ультразвуковым лучом, пересекающим поток под некоторым углом a, поправочный коэффициент значительно ближе к единице и величина его меньше меняется, чем для расходомера с лучом, параллельным оси трубы. В первом случае при десятикратном изменении расхода в турбулентной области величина  меняется всего на ±0,65 % от среднего значения, во втором же случае соответствующее изменение расхода меняет  на ±1,65 %.

Из сказанного следует, что показания ультразвуковых расходомеров хотя и сравнительно незначительны, но зависят от профиля скоростей. Поэтому желательно иметь прямолинейные участки трубы до и после того места, где установлены пьезоэлементы.

Изменение плотности и состава среды вызывает изменение скорости ультразвука с в ней. Для жидкостей скорость с зависит главным образом от температуры t и концентрации раствора q и при небольших колебаниях Dt и Dq изменяется линейно

Ct, q= с×(1 + b×Dt - a×Dq).

Относительный температурный коэффициент b скорости ультразвука для большинства органических жидкостей отрицателен и имеет значения 2 10-3 - 5 10-3 град -1. Для воды и водных растворов зависимость с от t имеет параболический характер. Максимум кривой для воды достигается при 74°. При невысоких температурах коэффициент b для воды и водных растворов положителен и имеет значение 1×10-3 - 2,5×10-3 град-1. Концентрационный коэффициент а для водных растворов обычно положителен и имеет значения 0,8 ×10-3 1,5×10-3 г/л.

Легко видеть, что для фазового расходомера, показания которого определяются уравнением (1.5), абсолютная погрешность от изменения температуры и концентрация будет равна

Dj t,q=,

а относительная погрешность

dj t,q=200×(b×Dt+aDq).

Отсюда следует, что даже незначительные колебания температуры и концентрации среды могут дать заметную погрешность. Так, для воды при Dt = 5° и b == 2,5×10-3 получим dj t = 1,25 %.

В однолучевых фазовых расходомерах колебания t и q вызывают еще одно обстоятельство, ограничивающее возможности применения таких приборов.

Даже очень незначительные колебания t, например на 1…2°, создают такие сдвиги фаз на приемных пьезоэлементах по сравнению с излучающими пьезоэлементами, которые выходят за пределы рабочей характеристики фазового детектора. В этом случае выходом из положения является использование однолучевых приборов с измерительными схемами, осуществляющими непосредственное сравнение фаз обоих принятых колебаний (по потоку и против него), или переход на применение двухлучевых расходомеров.

Многократные отражения или реверберация ультразвуковых колебаний от границ среды с мембранами приемных преобразователей могут быть источником больших погрешностей. Основной помехой является первый паразитный сигнал, приходящий на приемный преобразователь после двухкратного отражения от приемного и излучающего вибраторов. Величина этого сигнала может достигать до 75 % от величины полезного сигнала, создаваемого первичным неотраженным ультразвуковым колебанием. Погрешность от реверберации весьма трудно оценить количественно. Для борьбы с реверберацией в двухлучевых приборах целесообразно поверхности мембран приемных пьезоэлементов срезать под небольшим углом к плоскости, перпендикулярной ультразвуковому лучу. Тогда отраженные импульсы уйдут в сторону и повторные отражения не поступают на пьезоэлементы. По этой же причине преобразователи с преломлением в значительной мере лишены погрешностей, связанных с реверберацией.

Погрешности, вносимые электронной измерительной схемой, определяются характером и типом последней, и для каждой схемы должны оцениваться самостоятельно.

.2 Расчет методической погрешности измерения расхода

Большинство из разработанных расходомеров имеют преобразователи с преломлением ультразвуковых волн, выполнены с накладываемыми снаружи на трубопровод с измеряемым потоком узлами пьезоэлементов, например, Clampitron Flowmeter фирмы «Controlotron Corporation» (США) или УСРВ фирмы «Взлет» (Россия). Такие приборы с малыми затратами и быстро монтируются на трубе. В этих преобразователях ультразвуковые волны распространяются в потоке, претерпевая два преломления на границах раздела: звукопровод узла пьезоэлемента - труба и труба - измеряемый поток. Углы преломления ультразвуковых волн на границах раздела зависят от изменений скорости ультразвука (главным образом, в измеряемом потоке), обусловленной вариациями температуры, давления и состава измеряемого потока, что приводит к большим погрешностям измерений расхода.

Действительно, упрощенные уравнения расхода Q для одноканальных частотно-импульсных QF, импульсно-временных QT и фазовых QФ расходомеров соответственно имеют вид

QF=(p×D3 ×(1+Ca ×t×Sin)2/4×K×sin2×a)×F,(4.1)T=(p×D×C ×tg(a/8×K))×T,(4.2)ф=(p×D×C ×tg(a/8×K×w))×Ф,(4.3)

где D - внутренний диаметр трубы;

Ca - скорость ультразвука в потоке;

t = tЭЛ + tТР+ tЗВ

 

- время задержки ультразвуковых волн в электронной схеме и электрических кабелях tЭЛ, в трубе tТР и в звукопроводах tЗВ;

a - угол между направлением распространения ультразвуковых волн в потоке и осью трубы;

К- поправка на распределение скоростей потока;разность частот выходных сигналов;

Т - разность времен выходных сигналов;

ω - угловая частота ультразвукового сигнала;

Ф - разность фаз выходных сигналов.

Предельная относительная погрешность ∆j измерения функции Y(х,у) некоррелированных параметров х и у может быть выражена

Y=((¶Y/¶х/Y)2dх2+(¶Y/¶у/Y)2dУ2)1/2,(4.4)

где dх и dУ - предельные относительные погрешности параметров х и у.

Из уравнений (4.1), (4.2) и (4.3) на основании уравнения (4.4) получим выражения предельных относительных погрешностей ∆а измерений расхода за счет изменений угла a для соответствующих схем расходомеров

af =(2Cos aCa t /D/(1+( Ca t Sin a/D)-2ctg2a) da(4.5)

at=∆aj=2da/ Sin 2a,(4.6)

где da - предельная относительная погрешность угла a.

Значение угла a определяется из выражения

a = arccos (n cos g),(4.7)=Сag , (4.8)

где Cg - скорость ультразвука в звукопроводе узла пьезоэлемента;

g -угол между направлением распространения ультразвуковых волн в звукопроводе узла пьезоэлемента и осью трубы.

Из выражений (4.7) и (4.8) на основании уравнения (4.4) получим уравнение предельной относительной погрешности угла a

da =,(4.9)

Величина Сg является функцией температуры t, а Сa - функцией температуры t, давления р и состава q. Поэтому на основании уравнения (4) можно записать

dn=,(4.10)

где dnt, dnp и dnq - соответственно предельные относительные погрешности n за счет вариаций t, р и q.

Изменением геометрических размеров трубы от температуры пренебрегаем вследствие малости величины. Из уравнений (4.1), (4.2) и (4.3) на основании уравнения (4.4) получим выражения предельных относительных погрешностей DСа измерений расхода за счет изменений скорости ультразвука Са в измеряемом потоке для соответствующих схем расходомеров:

DСаf =(2Са t sin a/D(1+Са t sin a/D))dCa, (4.11)

DСаt =DCaj = 2dCa (4.12)

Скорость ультразвука в потоке Са является функцией температуры t, давления р и состава q. На основании уравнения (4.4) запишем

dCa=,

где dCat dCap и dCaq - соответственно предельные относительные погрешности Сa за счет вариаций t, р и q.

Поскольку dCat=dnt dCap=dnp и dCaq=dnq, то dCa=dn.

На основании уравнения (4.4) общая предельная относительная погрешность D измерения расхода для расходомеров с преобразователями с преломлением ультразвуковых волн за счет изменений угла излучения a и скорости ультразвука в измеряемом потоке Са получим

D=.(4.13)

Все выше перечисленные погрешности были рассчитаны на ЭВМ на PASKAL. Данные для расчета приведены в таблице 4.1.

Таблица 4.1

Данные для расчета погрешностей

Исходные данные

Значение

Диаметр трубы D, м Угол распространения ультразвуковых волн в звукопроводе по отношению к оси трубы g, рад Время задержки ультразвуковых волн t, с Предельная относительная погрешность за счет вариации температуры dnt, Предельная относительная погрешность за счет вариации давления dnp, Предельная относительная погрешность за счет вариации концентрации dnq, Величина n

0,1 0,78539 28,8×10-6 1,5×10-2 1×10-3 2,5×10-3 0,52


В программе приняты следующие обозначения:

D=DT, g=G, t=T, dnt=NT, dnp=NP, dnq=NQ, n=N, a=A, dn=BN, da=BA, ∆af=AF, ∆at=AT, ∆aj=AV, Са=V, DСаf =DF, DСаt=DC, DСаq=DV, dCa=CA, Df =FI, Dt=Dj =TF.

Результаты расчета приведены в таблице 4.2

Таблица 4.2 - Результаты расчета погрешностей

Вид погрешности

Значение, %

От изменения угла a: - для частотно-импульсных расходомеров - для импульсно-временных и фазовых расходомеров От изменения скорости ультразвука: - для частотно-импульсных расходомеров - для импульсно-временных и фазовых расходомеров

 3,51 5,60  0,27 3,05

Общая погрешность: - для частотно-импульсных расходомеров - для импульсно-временных и фазовых расходомеров

 3,52 6,38


Как видим, из расчетов при применении преобразователей с преломлением ультразвуковых волн предельные относительные погрешности измерений расхода Dа за счет изменений угла a в частотно-импульсных расходомерах могут быть 3,51 %, а в импульсно-временных и фазовых - 5,6 %. Этих погрешностей нет в расходомерах с преобразователями без преломления ультразвуковых волн. Относительные погрешности измерений расхода за счет изменения скорости ультразвука Са в частотно-импульсных расходомерах по расчетам составляют 0,27 %, а в импульсно-временных и фазовых - 3,05 %.

Итак общая предельная относительная погрешность измерения расхода для расходомеров с преобразователями с преломлением ультразвуковых волн за счет изменений угла излучения и скорости ультразвука в измеряемом потоке составит:

для частотно-импульсного расходомера 3,52 %;

для импульсно-временного расходомера 6,38 %.

.3 Программа расчета погрешностей

Расчет погрешностей выполнен на языке Turbo PASKAL 7.0.

Program 1;crt;N, BA, A, AF, AT, V, NT, NP, NQ, DF, DT, DV, DC, CA, DV, FI, TF, AV, T, G: real;;('Введите диаметр трубы DT');

readln(DT);('Введите угол распространения ультразвуковых волн G');(G);('Введите время задержки ультразвуковых волн Т');(T);('Введите скорость поперечной ультразвуковой волны V');(V);('Введите предельную относительную погрешность за счет вариации температуры NT');(NT);('Введите предельную относительную погрешность за счет вариации давления NP');(NP);('Введите предельную относительную погрешность за счет вариации концентрации NQ');

readln(NQ);('Введите N');(N);:=sqrt(NT*NT+NP*NP+NQ*NQ);:=BN/sqrt(1-(N*cos(G)));:=arctan((sqrt(1-sqr(N*cos(G))))/(N*cos(G)));:=(2*cos(A*T*V/DT/(1+(T*V*sin(A)/DT))-2*cos(2*A)/sin(2*A)))*BA;:=2*BA/sin(2*A);:= AV;:=BN;:=(2*V*T*sin(A/DT*(1+V*T*sin(A/DT))))*CA;:=2*CA;:=sqrt(AF*AF+DF*DF);:=sqrt(AT*AT+DС*DС);

Writeln('Результаты расчета погрешностей');

Writeln('AF=',AF:7:4);

Writeln('AT=',AT:7:4);('DF=',DF:7:4);('DC=',DC:7:4);('FI=',FI:7:4);('TF=',TF:7:4);;nd.

Результаты расчета погрешностей

AF=0,0351

AT=0,0560=0,0027=0,0305=0,0352=0,0638

4.4 Блок- схема алгоритма вычисления погрешностей

Блок-схема алгоритма вычисления погрешностей представлена на рисунке 4.1

 

Рисунок 4.1 - Блок-схема алгоритма вычисления погрешностей




5. БЕЗОПАСНОСТЬ И ЭКОЛОГИЧНОСТЬ РАБОТЫ


Темой данной дипломной работы, как уже было отмечено ранее, является анализ ультразвуковых расходомеров.

С целью обеспечения безопасности при монтаже и эксплуатации автоматизированной системы учета газа, в этом разделе, необходимо дать характеристику производственной среды, в которой будет эксплуатироваться рассматриваемая в проекте система и провести анализ производственных опасностей и вредностей. Безопасность производства и экологичная безопасность должна соблюдаться при всех видах работ, связанных с автоматизацией данной системой. Не соблюдение требований безопасности производства может привести к производственным травмам, а не соблюдение экологической безопасности к загрязнению окружающей среды.

.1 Характеристика производственной среды и анализ производственных опасностей и вредностей.

При монтаже и эксплуатации рассматриваемой системы автоматического контроля может возникнуть ряд опасных факторов (взрывы, пожары, загрязнение окружающей среды).

С целью обеспечения безопасных условий труда, при эксплуатации системы автоматизации, приведем описание вредных веществ имеющих место на узле учета газа.

Попутный газ - бесцветная смесь легких углеводородных паров, легче воздуха. Попутные газы по токсикологической характеристике относятся к веществам 4 класса опасности по ГОСТ 12.1.007-88.

«Вредные вещества. Классификация и общие требования». Они не оказывают токсикологического воздействия на организм человека, но при высоких концентрациях вызывают отравление, связанные с удушьем из-за недостатка кислорода. В связи с тем, что в попутных газах основным компонентом является метан, этан, пропан, (35 %) их взрывопожароопасные свойства принимаются как для этана, пропана, метана. Концентрационные пределы взрываемости 5,0 - 15,0 % объемных. Температура самовоспламенения - 537 °С.

Предельно допустимая концентрация (ПДК), для рассматриваемого нефтяного газа, представлена в таблице 5.1.

Таблица 5.1

Предельно - допустимая концентрация паров газа в воздухе

Наименование продукта

ПДК, мг/м3 (ОБУВ)

Попутный нефтяной газ

50


Кроме того, работая с данной автоматизированной измерительной системой обслуживающий персонал сталкивается с другими трудностями и опасностями, а также вредными факторами, которые оказывают неблагоприятное влияние на здоровье людей. Воздействие этих факторов приводит к понижению работоспособности и профзаболеваниям, а именно:

при регулировании или наладке датчиков температуры (преобразователей измерительных) может возникнуть опасность поражения электрическим током из-за возникновения токов короткого замыкания при неправильном подсоединении их к электрической схеме. Также может возникнуть опасность получения механических травм у обслуживающего персонала;

наличие в производственной среде взрывопожароопасных смесей, нефтепродукты способны легко воспламеняться или образовывать с воздухом взрывоопасные смеси, то отклонение от норм, правил и инструкций по технике безопасности при ремонте и проверке датчиков, установленных на измерительных емкостях, могут быть аварии, пожары и взрывы;

опасность пожара из-за короткого замыкания в электродвигателях. Питание аппаратных средств осуществляется от промышленной сети переменного тока 380В ± 25 %, 50 Гц и в связи с этим возникает угроза поражения электрическим током.

воздействие атмосферного (молния) и статического электричества на установку. Прямой удар молнии при котором ток может достигнуть 200 кА, напряжение 150 миллионов вольт, температура 200 °С вызывает разрушения большой силы;

санитарно-гигиенические и метеорологические условия производственной среды (освещение, понижение и повышение температуры...). При высокой температуре воздуха понижается внимание, появляется торопливость и неосмотрительность, а при низкой уменьшается подвижность конечностей вследствие интенсивности теплоотдачи организма. Неблагоприятно сказывается большая скорость воздуха.

.2 Классификация помещений по взрывопожароопасности

Исходя из вышеописанного в таблице 5.2 приведена характеристика помещений по взрывопожароопасности.

Таблица 5.2

Классификация помещений по взрывопожароопасности


Установка подготовки газа

1

2

Наименование продукта Категория по взрывопожарных зон НПБ 105-95 Класс взрыво-и пожароопасных зон в помещениях и наружных площадках установки ПУЭ 86 Помещения узлов вход шлейфов и замера газа Технологический цех Резервная электростанция

Природный газ А  В-1а В-1а П-1

Категории и группы взрывоопасной смеси по ГОСТ 12.1.011-78: попутный нефтяной газ

 ПА-Т1



5.3 Мероприятия по обеспечению безопасности производства.

Так как в дипломной работе рассматриваются вопросы улучшения возможности учета газа, то, следовательно, необходимо рассмотреть правила и требования, которые необходимо соблюдать, чтобы избежать воздействия вредных и опасных производственных факторов, возникающих при монтаже и эксплуатации рассматриваемой автоматизированной установки.

.3.1 Мероприятия по технике безопасности на узле.

В целях снижения опасности и вредности производства при монтаже и эксплуатации установки, где установлены приборы и средства автоматизации, предусматриваются в соответствии с РД 08-200-98 следующие мероприятия:

к работам по монтажу и эксплуатации указанных выше приборов допускаются лица, прошедшие инструктаж и сдавшие экзамен по технике безопасности, персонал проходит инструктаж (вводный, инструктаж на рабочем месте, специальный). После прохождения инструктажа сдаются экзамены (первичный, периодический, внеплановый);

изготовление и сооружение пунктов учета газа и конденсата, обеспечивающих гарантированную безопасность их эксплуатации и обслуживания;

проведение профилактических работ и операций для предотвращения различных аварийных ситуаций;

запрещение тех или иных работ, действий, применения приспособлений и устройств, которые могут представлять потенциальную опасность;

выполнение операций по управлению запорной арматурой, различных манипуляций с трубопроводной арматурой в последовательности, обеспечивающей безопасность всех работ на пунктах учета газа;

полная герметизация технологического процесса;

оборудование, арматура и трубопроводы по техническим характеристикам обеспечивают безопасную эксплуатацию объектов;

вторичные приборы и устройства обработки информации в нормальном исполнении вынесены за пределы взрывоопасной зоны и размещены в существующей операторной;

расстояния между сооружениями приняты в соответствии с требованиями действующих норм и правил;

средства автоматизации и электроаппаратура в нормальном исполнении размещены за пределами взрывоопасной зоны;

защита от статического электричества и молниезащита обеспечивают безопасную эксплуатацию оборудования, электроустановок, приборов и щитов;

технологическая последовательность одних производственных операций не является источником опасности при выполнении последующих;

для индивидуальной защиты обслуживающего персонала предусмотрены основные и вспомогательные изолирующие средства. Исправность защитных средств проверяется перед каждым их применением, а также через каждые 6-12 месяцев. Изолирующие средства подвергаются периодическим электроиспытаниям;

для защиты обслуживающего персонала от поражения электрическим током предусмотрено заземление электрооборудования. Сопротивление заземления не более 4 Ом;

применение автоматизированной системы управления позволяет осуществлять дистанционное управление процессом измерения необходимых параметров характеризующих свойства нефти (открывать и закрывать задвижки, включать и выключать насос). На токоведущих частях средств автоматизации работы производить при отключенном напряжении сети.

.3.2 Мероприятия по пожарной безопасности

Электрооборудования для взрывопожарных объектов должно быть взрывозащищенным по ГОСТ 12.2.020-76. Контрольно-измерительные устройства и приборы описанные выше, имеют взрывобезопасный уровень взрывозащиты, вид взрывозащиты - «взрывонепроницаемая оболочка», маркировку взрывозащиты - 1Ех42ВТ4 и предназначены для применения во взрывоопасных зонах. Взрывонепроницаемая оболочка, в которую занесены электрические части, выдерживает давление взрыва и снижает передачу взрыва в окружающую взрывопожарную среду. Взрывонепроницаемость оболочки обеспечивается применением целевой защиты.

Все производственные помещения узла учета газа оборудованы приточно-вытяжной вентиляцией для предотвращения образования взрывоопасной смеси, сигнализаторами до взрывоопасных концентраций, соединенных с автоматикой включения аварийной вентиляцией.

Строго запрещается пользоваться открытым огнем на пожарных объектах. Огневые работы проводятся по специальному разрешению - наряду - допуску для проведения огневых работ при тщательной подготовке.

Ремонт электропроводок, электрооборудования, а также замену в светильниках электроламп в помещении узла учета газа следует проводить только при снятом напряжении при наличии наряда - допуска. Одновременно должны вывешиваться на устройства предупреждающие плакаты о том, что линия или участок обесточены и на них ведутся ремонтные работы.

Устройства защиты узла учета газа от прямых ударов молнии, вторичных проявлений молний и разрядов статического электричества необходимо постоянно держать в технически исправном состоянии, проверять их в установленные сроки не реже одного раза в год.

Каждый оператор должен не только сам строго соблюдать правила пожарной безопасности, но и следить за тем, чтобы эти правила соблюдали другие. Необходимо поддерживать чистоту и немедленно удалять остатки пролитых горючих веществ (конденсата, ингибиторов и др.). Персонал пунктов учета должен знать и уметь пользоваться всеми средствами пожаротушения.

При возникновении пожара необходимо срочно сообщить в пожарную охрану, отключить опасный участок от источников газа и конденсата, принять активное участие в ликвидации пожара. Тушение пожара основано на устранении причин горения. Во-первых, необходимо прекратить поступление газа, конденсата или ингибиторов в очаг горения. Для этого немедленно перекрывают все краны и задвижки. Механическим воздействием (струями воды, песком) отрывают пламя от очага горения и вводят в эту зону обильное количество пены. Особенно эффективно тушение пожара пенообразующими веществами. Пены надежно и надолго изолируют горючие вещества от доступа кислорода.

При незначительном очаге возгорания операторы в состоянии самостоятельно прекратить пожар. Для этого перекрывают все линии подачи газа и конденсата и немедленно сбивают или накрывают пламя кошмой, песком или направляют струю пены от ручного огнетушителя.

В помещениях узла учета газа запрещено:

проводить газоопасные работы без выполнения всех подготовительных мероприятий и работ, предусмотренных нарядом - допуска и инструкциями по рабочим местам;

применять некалиброванные предохранители для защиты электросетей, а также прокладывать временные электросети;

осуществлять сушку спецодежды и других предметов на приборах центрального отопления и газовых помещений;

работать в обуви со стальными подковами и не медным инструментом;

загромождать проходы и выходы в помещениях, а также подступы к первичным средствам пожаротушения и к наружным стационарным лестницам;

применение средств индивидуальной защиты органов дыхания и длительности работы не отвечающим требованиям стандартов и технических условий и т.п.;

пользоваться незаземленным оборудованием в соответствии с технической документацией.

.3.3 Мероприятия по промышленной санитарии

Мероприятия по промышленной санитории выполняются в соответствии со СНИП 2.09.04-87.

На узле предусматривается рабочее и аварийное освещение. Напряжение сети аварийного и рабочего освещения равно 220В. для и рабочего освещения предусмотрены светильники с лампой накаливания ВЗГ-200 (взрывозащищенное исполнение) в соответствии со СНИП-23-05.95 Е=50 Лк. Естественное освещение предусмотрено через оконные проемы.

Вентиляция запроектирована приточно-вытяжная с механическим побуждением; кратность воздухообмена 15. Приточная вентиляция предусмотрена с помощью подачи воздуха в верхнюю зону воздухораспределителями эжекционного типа ВЭПМ. Вытяжная механическая вентиляция осуществляется из нижней зоны в объеме 2/3 oт общего воздухообмена, естественная - из верхней зоны в объеме 1/3 воздухообмена.

Отопление здания узла осуществляется нагревательными приборами, обеспечивающих создание в рабочей зоне температуры 18 оС. В качестве нагревательных приборов используются наборы ТЭНов.

.4 Расчет вентиляции в помещении узла замера

Производственная вентиляция на узле учета газа - это система санитарно-технических устройств и сооружений для удаления производственных вредностей и создание в рабочей зоне воздушной среды, отвечающей гигиеническим требованиям. Требования к производственной вентиляции изложены в документах ГОСТ 12.1.005-88 и СН 245-71.

Для расчета вентиляции возьмем следующие исходные данные:

) объем помещения, Vп=245 м3;

) суммарный объем аппаратуры, Vа=49 м3.

Определяем объем воздухообмена по формуле

V=Vп-Vа,(5.1)

V=245-49=196 м3

Определяем требуемый воздухообмен по формуле

L=K×V,(5.2)

где К=15 - кратность воздухообмена, то есть сменяемость воздуха (число полных смен) в объеме помещения за 1 час;

L=15×196=2940 м3/ час

По необходимому воздухообмену и кратности воздухообмена подбираем вентилятор, который удовлетворяет рассчитанным данным: L=2940 м3/ час и К=15.

К производственной вентиляции рассчитанной выше предъявляются следующие требования:

производственная вентиляция не должна быть источником дополнительной опасности и вредности;

производственная вентиляция должна быть взрывопожаробезопасной;

производственная вентиляция должна быть экономичной.

.5 Мероприятия по обеспечению экологической безопасности.

В процессе учета газа на узле, вредные выбросы незначительны. Но если все же выбросы имеют место, они представляют большую опасность.

Сброс утечек, дренаж и аварийное опорожнение аппаратов и оборудования предусмотрены в специальные емкости. Разлившиеся при аварии жидкости через сливные краны второго яруса сливаются в аварийную емкость.

Промышленные стоки собираются в емкости с последующей подачей на сжигание.

Трубопроводы, соединяющие оборудование с атмосферой, выведены на высотную отметку 14 метров, что обеспечивает рассеивание паров и газов в атмосфере.

Для охлаждения оборудования используются замкнутые системы.

С целью предотвращения загрязнения окружающей среды на узле учета газа предусмотрены следующие мероприятия:

технологические процессы на узле учета газа, непрерывны и полностью герметизированы;

для своевременного обнаружения утечек газа предназначены газоанализаторы ГАЗ-1М и сигнализатор ЩИТ -2;

технические а также аварийные сбросы попутного нефтяного газа направляются на факел по закрытой системе трубопровода;

утечки и переливы из емкостей, аппаратуры по закрытой дренажной системе сбрасываются в приемную резервуара с последующей перекачкой в рабочий цикл или направляются на сжигание;

все оборудование и коммуникации снабжены необходимой аппаратурой. Запорная арматура соответствует первому класса ГОСТ 9544-60.55.

Средства автоматизации, а именно система автоматического контроля и управления играет важную роль в охране окружающей среды. Система позволяет уменьшить время устранения аварийных ситуаций, что уменьшает выбросы вредных веществ и их паров уменьшает вред наносимый окружающей среде.

ЗАКЛЮЧЕНИЕ

Анализ существующего уровня развития расходомеров показал их широкое применение в различных областях промышленности.

В дипломной работе предложено использовать ультразвуковой расходомер УРСВ-010М "Взлет РС" (Россия) или его аналог, ультразвуковой расходомер Panametrics "TransPort PT868-R" (США).

Для визуального контроля за расходом продукта для вышеуказанных расходомеров имеется возможность графического отображения необходимой информации на мониторе компьютера.

В работе подробно рассмотрены одноканальные и двухканальные ультразвуковые расходомеры и различные способы реализации их электронных блоков.

Рассмотрены требования, предъявляемые к безопасности и экологичности на узле учета. Приведен расчет вентиляции узла учета. Рассмотрены вопросы экологической безопасности, а так же приведен перечень мероприятий по их обеспечению.

 



СПИСОК ИСПОЛЬЗОВАННЫХ ИСТОЧНКОВ


1. Бобровников Г.Н., Новожилов Б.М., Сарафанов В.Г. Бесконтактные расходомеры. - М.: Машиностроение, 1985.-128с.

. Гордюхин А.И., Гордюхин Ю.А. Измерение расхода и количества газа и его учет. - Л.: Недра, 1987.-213с.

. Кремлевский П.П. Расходомеры. - М.-Л.: Машгиз, 1964.-656с.

. Кузьмин С.Т., Липавский В.Н., Смирнов П.Ф. Промышленные приборы и средства автоматизации в нефтеперерабатывающей и нефтехимической промышленности. - М.: Химия, 1987.-272с

. Куцин П.В. Охрана труда в нефтяной и газовой промышленности. - М.: Недра, 1987.-247с.

. Кушелев В.П., Орлов Г.Г., Сорокин Ю.Г. Охрана труда в нефтеперерабатывающей и нефтехимической промышленности. - М.: Химия, 1983.-472с.

. Плотников В.М., Подрешетников В.А., Тетеревятников Л.Н. Приборы и средства учета природного газа и конденсата. - Л.: Недра, 1989. 238с.

. Расходомер - счетчик ультразвуковой УРСВ-010М "Взлет РС". Техническое описание и инструкция по эксплуатации.

. Расходомер ультразвуковой. Техническое описание и инструкция по эксплуатации.

. Филатов В.И. Выбор типа преобразователя ультразвукового расходомера //Измерительная техника, 1998. - № 7. - с. 18-20.

ПРИЛОЖЕНИЕ А (обязательное)

Перечень демонстрационных листов

1. Основные схемы расположения пьезоэлементов (копия рисунка 1.4) Основные расчетные формулы (копия формул (1.1) и (1.2)).

2. Схема одноканального фазового расходомера(копия рисунка 1.8).

3. Схема двухканального фазового расходомера(копия рисунка 1.9).

4. Двухканальный частотно-пакетный расходомер(копия рисунка 1.10)

5. Схема расходомера со сносом ультразвукового излучения (копия рисунка 1.1). Схема расходомера со сносом и многократным отражением (копия рисунка 1.12).

6. Классификация ультразвуковых расходомеров(копия рисунка 1.3). Результаты расчета погрешностей (копия таблицы 4.2).

7. Блок-схема алгоритма вычисления погрешностей(копия рисунка 4.1).

8. Функциональная схема автоматизации КНС(копия рисунка 1.2).

ПРИЛОЖЕНИЕ В (справочное)

Рассчитанные для различных жидкостей значения dnt в диапазоне изменения температуры 15 ± 5 оС приведены в таблице В.1.

Значения dnq рассчитанные для водных растворов различных веществ, приведены в таблице В.2.

В таблице В.3 приведены значения dnp для различных жидкостей в диапазоне изменения давления 0 ... 1 МПа.

Таблица B.1

Предельные относительные погрешности за счет вариации температуры

Измеряемая жидкость

dnt 10-2

n

Вода

1,30

0,55

Бензин

1.80

0,44

Дизельное топливо

1,80

0,50

Масло индустриальное

1,30

0,55

Спирт этиловый

1,50

0,46

Спирт метиловый

1,50

0,42

Бензол

2,00

0,50

Нефть

1,50

0,52


Таблица В.2

Предельные относительные погрешности за счет вариации концентрации

Измеряемая жидкость

Концентрация, %

dnq 10-3

40 ±1

4

NaCl

20 ±1

7

КС1

20 ±1

5

Каолин

35 ±1

2,5



Таблица В.3

Предельные относительные погрешности за счет вариации давления

Измеряемая жидкость

dnp 10-3

n

Вода

1

0,55

Эфир

8,8

0,37

Сероуглерод

3,9

0,43

Бензол

3,3

0.49

Толуол

3,4

0,50

Четыреххлористый углерод

5

0.34

Бромистый этил

4,3

0,33


Похожие работы на - Ультразвуковые расходомеры

 

Не нашли материал для своей работы?
Поможем написать уникальную работу
Без плагиата!
Без нейросетей!