Эксплуатация паровых котлов и их оборудования

  • Вид работы:
    Реферат
  • Предмет:
    Физика
  • Язык:
    Русский
    ,
    Формат файла:
    MS Word
    1,82 Mb
  • Опубликовано:
    2011-10-16
Вы можете узнать стоимость помощи в написании студенческой работы.
Помощь в написании работы, которую точно примут!

Эксплуатация паровых котлов и их оборудования














Эксплуатация паровых котлов и их оборудования

1. Подготовка котла к растопке

Растопку котла производят после очередного останова или ремонта. Предварительно проверяют качество выполнения ремонтных работ, а также устранены ли дефекты и учтены ли замечания, записанные в журнал дефектов перед остановом котла. Для этого осматривают котел и его вспомогательное оборудование, проверяя состояние горелок, обмуровки, обшивки, коллекторов, паро- и водопроводов, их арматуры и подвесок (опор). После значительных внутренних ремонтов контролируют состояние топочных экранов, внутренних элементов, горелок, поверхностей нагрева, их подвесок, опор, защитных и дистанционных устройств, обращая внимание на отсутствие трещин, свищей и вздутий, следов коррозии и загрязнений труб, правильность их установки и обеспечение термических расширений.

Кроме того, осматривают: вспомогательные механизмы и их приводы, тягодутьевые машины (вентиляторы, дымососы, воздуходувки, электро- и турбоприводы, системы охлаждения и смазки); мельницы, питатели сырого топлива и пыли, бункера; элементы системы пылеприготовления, обдувки и дробеочистки; системы шлакозолоулавливания и удаления. Обязательным условием является проверка связи, освещения, противопожарной готовности блока. Затем проверяют запасы топлива в бункерах и воды в баках конденсата, положение арматуры и гарнитуры на пароводяном и газовоздушном трактах, подготовку мазутного и газового хозяйства, работу защитно-запальных устройств, бесперебойность подачи пара от постороннего источника, правильность установки грузов предохранительных клапанов.

После осмотра основного и вспомогательного оборудования, проверки выполнения работ и закрытия нарядов начальник смены цеха делает соответствующую запись в оперативном журнале с указанием времени начала пусковых операций, о чем оповещаются связанные с пуском начальники электрического, химического, топливного и транспортного цехов, а также цеха контрольно-измерительных приборов и автоматики.

После сборки электрических схем дистанционного управления, сигнализации, блокировок, защит и автоматики, их проверки в соответствии с местными условиями и включения контрольно-измерительных приборов собирают электрические схемы электропривода собственных нужд блока и начинают собирать и готовить к включению технологические схемы котла (газовоздушного тракта, растопочного, паромазутного хозяйства, пылеприготовления, шлакозолоулавливания и удаления, обдувки и очистки).

К подготовке газовоздушного тракта относятся: открытие запорных шиберов на воздуховодах и индивидуальных на горелках, закрытие всех направляющих аппаратов тягодутьевых машин; открытие шиберов на стороне всасывания дымососов и напорной стороне вентиляторов, закрытие регулирующих шиберов подачи горячего воздуха на мельницы и добавки (присадки) в них холодного воздуха; открытие линий рециркуляции воздуха.


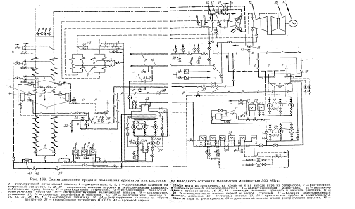
После проверки работы конденсатных и питательных насосов и завершения деаэрации питательной воды (до содержания О2<10 мкг/кг -для СКД) производится сборка пароводяного тракта. Рассмотрим в качестве примера последовательность операций сборки пароводяного тракта моноблока мощностью 300 МВт (рис. 1) при подготовке его к растопке после длительного останова (из холодного состояния). Перед заполнением котла водой закрывают встроенную задвижку 6 (ВЗ) и открывают регулирующий питательный клапан (РПК), воздушники на тракте до ВЗ, Дроссельные клапаны 3 и 5 (Др-1, Др-2) встроенного сепаратора 4 (ВС). Кроме того, при закрытии общей4/ (СЗ-7) и индивидуальной задвижек впрыска открывается арматура (СЗ-8) и 33 (Др-5) на линии слива из коллекторов впрыска в деаэратор 35. Во избежание заброса воды в перегревательный тракт за ВЗ и загрязненной воды из растопочного расширителя 2 (Р-20) закрывают клапан 7 (Др-3) на линии отвода от сепаратора 4 к перегревателю за ВЗ и на линиях отвода пара 37 (СЗ-4), 24 (РК.-2) и воды 38 (СЗ-3) от расширителя к конденсатору 19, открыв клапан 30 (Р/С-/) и задвижку 32 (СЗ-2) для сброса воды в циркуляционный водовод (ЦВ).

Одновременно с подготовкой циркуляционного растопочного контура производится сборка схемы паропроводов свежего и промежуточного пара, заключающаяся в открытии главной паровой задвижки 12 (ГПЗ) и ее дренажей, задвижек 36 (ПСБУ) и их впрысков, дренажей промперегрева и сбросной задвижки 42 (СЗ-9} и закрытии регулирующих клапанов ПСБУ, их охладителей и. впрысков в трубопроводе -сброса пара за быстродействующим включающим клапаном 18; задвижек, регулирующих байпасных клапанов 13 и воздушников промперегрева. После сборки схемы включают питательный электронасос 28 и заполняют котел водой. По мере заполнения ранее открытые воздушники постепенно закрывают. Далее повышают давление воды перед ВЗ до требуемого уровня и прокачивают растопочный расход воды (примерно 30%) по контуру: К - КЭН-1 - БОУ - КЭН-2 - ПНД - Д - БН - ПЭН - ПВД - РПК - ПГ (до ВЗ) - ВС - Р-20 - ЦВ. Для надежного удаления воздуха несколько раз увеличивают расход воды и снова возвращаются к растопочному расходу.

Завершив заполнение и прокачку котла водой, включают дымососы, дутьевые вентиляторы, регенеративные воздухоподогреватели, их вспомогательное оборудование и вентилируют газовоздушный тракт. При подготовке к растопке на газе заполняют и продувают газопроводы; используя мазут вставят под давление мазутные и паровые магистрали. При остановах более чем на трое суток параллельно с пуском котла производят водяную промывку тракта до ВЗ, пока содержание в воде соединений железа не достигнет нормы.

Отличия подготовки к растопке из холодного состояния котлов других конструкций, а также к растопкам из других состояний заключаются преимущественно в особенностях подготовки схемы пароводяного тракта. Так, при подготовке к растопке из горячего состояния отсутствуют операции, связанные с заполнением котла водой, и упрощаются операции подготовки пароводяного тракта. Подготовительные предпусковые работы, особенно касающиеся проверки и осмотра оборудования, значительно усложняются при подготовке пуска после капитальных ремонтов и еще более - после монтажа.

. Пусковые операции

В настоящее время все широкое распространение получил пуск на скользящих параметрах, т. е. при постепенно повышающихся давлении и температуре пара перед турбиной. Это обеспечивает постепенный прогрев металла труб, паропроводов и турбин без возникновения значительных термических напряжений пуск прямоточных котлов может производиться на прямоточном. или сепараторном режиме. В. первом случае рабочая среда (с одинаковым расходом) проходит последовательно все поверхности нагрева. При этом ее параметры (давление и температура) и состояние меняются непрерывно. При сепараторном режиме перед В3 рабочая среда направляется в сепаратор 4, после которого требуемое количество пара поступает в перегревательные поверхности, а остальная часть - в растопочный расширитель. Применение встроенной задвижки позволяет поддерживать номинальное давление среды до нее и переменные, постепенно повышающиеся давление и температуру в перегревательных поверхностях, паропроводах и перед турбиной. Это обеспечивает надежную работу напряженных поверхностей до ВЗ при постепенном прогреве их и паропроводов за ней. Повышение параметров за ВЗ определяется начальным состоянием котла перед пуском и требуемой скоростью прогрева наиболее толстостенных деталей - коллекторов, арматуры, корпусов устройств парораспределения и турбин.

Пуск из холодного состояния. После длительного останова пуск блока начинается при низком уровне температуры и давления рабочей среды и обычно сопровождается горячей промывкой поверхностей нагрева до ВЗ, проводимой при включенных растопочных горелках. Тракты промперегрева начинают прогреваться после толчка турбины и поступления в них пара. При этом постоянно контролируют температуру пара, стенок элементов котла и паропроводов и регулируют ее, включая впрыски и охлаждение. После прогрева паропроводов подают пар в ЦСД и начинают постепенно повышать нагрузку. Последовательность выполнения операций при пуске из холодного состояния блока 300 МВт с прямоточным однокорпусным котлом СКД и турбиной К-300-240 можно проследить по рис. 1.

Завершив подготовительные операции, включают форсунки, после чего сразу открывается клапак 7 (Др-3) во избежание последующих тепловых ударов при внезапном вводе в перегреватели разогретого пара и его конденсации на еще холодных поверхностях. При проведении горячей промывки до ее окончания устанавливают расход топлива В= (0,06…0,07) Вном. Окончив горячую промывку, переводят воду из расширителя Р-20 в конденсатор 19 и настраивают регулятор уровня Р-20. Затем начинают повышать параметры и расход пара, увеличивая расход топлива до растопочного Вр= (0,14-0,15) Вном. При этом контролируют температуру среды перед ВЗ (tвоз=300…310 °С) и газов в поворотной камере (JПК=420°C).

При температуре свежего пара более 180…200°С включают впрыск в ПСБУ и одновременно следят за тем, чтобы температура сбрасываемого в конденсатор пара превышала (на 15-20°С) температуру.насыщения. При дальнейшем повышении температуры перегретого пара (более 280°С) включают пусковой впрыск 43 и его регулятор, предварительно включив регулятор давления 33 (Др-5) в системе впрысков.

При температуре свежего пара 220…230°С открывают регулирующие клапаны ЦВД, при этом производится толчок ротора. Затем увеличивают частоту вращения ротора турбины да n=15 1/с (900 об/мин). Длительность работы при этом режиме определяется необходимостью прогрева ротора и увеличивается с уменьшением температуры стенок цилиндров турбин и их паровпуска. При температуре стенок «горячих» паропроводов промперегрева более 100°С открывают стопорные клапаны ЦСД.

После создания в конденсаторе вакуума 0,088 МПа повышают частоту вращения ротора до 50 1/с (3000 об/мин) и одновременно увеличивают вакуум в конденсаторе до номинального значения (0,097 МПа). Температуру промежуточного пара перед ЦСД регулируют клапаном байпасного паропровода промежуточного пароперегревателя 13 или ППТО, который открывают при 250…270°С.

После повышения частоты вращения ротора до 50 1/с синхронизируют и включают генератор 17, набирая начальную нагрузку (20 МВт), полностью открывая регулирующие клапаны турбины и закрывая ПСБУ, ее впрыски и дренажи паропроводов (свежего пара и пара промежуточного перегрева).

По мере нагружения блока переходят на рабочее питание механизмов собственных нужд при нагрузке 0,1-0,12 Nном, с байпасирования - на пусковые впрыски при регулировании температуры промперегрева (при нагрузке 0,2…0,22 Nном) и на подачу пара в деаэратор из отборов турбины (при нагрузке 0,25…0,28 Nnom), так как из-за прикрытия клапанов 3 (Др-2) давление в растопочном расширителе снижается до 0,13-0,15 МПа. После достижения перед ВЗ температуры t’B3=410°C, превышающей температуру насыщения, переходят на прямоточный режим, полностью закрывая клапан Др-2 и задвижки на сбросе воды и пара из сепаратора 4. Дальнейшее нагружение турбины проводят на прямоточном режиме, увеличивая тепловыделение в котле (расход топлива) и переходя в это время на основное топливо.

При нагрузке N=0,6 Nnom, прикрывая регулирующие клапаны, переводят свежий пар на номинальное давление 24 МПа, включают регулятор давления блока, полностью открывают ВЗ и переводят систему впрысков на полное давление, закрывая задвижки 40 и регулирующий клапан 33 (Др-5) на линии рециркуляции впрыска. С переходом на номинальное давление нагружают блок на 100%-ную нагрузку, постепенно повышая температуру пара. До достижения номинальной температуры свежего пара и пара промперегрева регулирование ведут пусковыми впрысками, а затем переходят на штатные впрыски, отключая пусковые. Дальнейшая работа блока ведется в соответствии с диспетчерским графиком на основе режимной карты и инструкций по эксплуатации.

Пуски блока из холодного состояния и их графики-задания являются базовыми для проведения пусков из других состояний. По описанной технологии пуск блока производят в том случае, когда предварительное охлаждение котла полное (при температуре коллекторов пароперегревателя менее 80°С).

Пуски из неостывшего и горячего состояния, из горячего резерва. При неполном охлаждении котла (температура коллектора превышает 80°С) пуск производят как из неостывшего состояния. Различают несколько разновидностей пусков блоков из неостывшего состояния в зависимости от продолжительности предыдущего останова и степени охлаждения коллекторов, паропроводов и толстостенных деталей турбин. Условно выделяют пуски из неостывшего состояния после длительных остановов (70…90 и 50…60 ч), когда требуется прогрев паропроводов промперегрева, и после остановов меньшей продолжительности (32…45, 24…30 и 12…18ч), когда предварительный прогрев не требуется.

При растопке после останова на 50…90 ч устанавливают расход топлива В=(0,17…0,18) Вном, переводят сброс воды и пара из расширителя в конденсатор, прогревая трубопроводы, а деаэратор - на питание паром из расширителя при температуре перед встроенной задвижкой 200…210°С. При температуре среды перед встроенной задвижкой 260…270°С медленно (по 5% от полного расхода до 30% и далее - 40, 50 и 100%) с выдержками 5…2 мин открывают клапан 7 (Др-3), сепаратора 4, направляя пар в перегревательный тракт за ВЗ. Постепенное открытие клапана 7 исключает заброс влаги в разогретую перегревательную часть.

Впрыск за ПСБУ открывают при тех же условиях, что при пуске из холодного состояния. Пусковые впрыски свежего пара включают для предупреждения превышения его температуры над температурой металла паровпуска ЦВД более 80…100°С. При получении перегретого пара открывают главную паровую задвижку и прогревают блок клапанов так, чтобы их температура не превышала температуру паровпускной части ЦВД более чем на 50°С. В это же время, готовясь к толчку турбины, начинают повышать расход топлива (до 21…22% номинального). После выравнивания температуры паропроводов и паровпускной части ЦВД производят толчок турбины открытием регулирующих клапанов при некотором закрытии клапана Др-3 и открытии ПСБУ.

Систему промперегрева прогревают также при частоте вращения ротора турбины n=15 1/с, пока температура паропроводов перед ЦСД не достигнет 100°С. Окончив прогрев паропроводов промперегрева, открывают доступ пара в ЦСД, закрывают сбросной паропровод в конденсатор и, повышая частоту вращения до 50 1/с, синхронизируют и включают генератор. Далее операции выполняют как при пуске из холодного состояния.

Пуск из неостывшего состояния после останова небольшой длительности отличается от описанного более высокими расходами топлива и меньшей продолжительностью операций.

Пуск из горячего состояния производится после останова блока на 2…8 ч и характеризуется более быстрым его включением, исключением сброса воды из расширителя в циркуляционный водовод, уменьшением или отсутствием пропуска пара на предварительный прогрев паропроводов, так как они могут быть более горячими, чем подаваемый пар, повышением частоты вращения после толчка турбины сразу до n=50 1/с без выдержек на промежуточной частоте. Время пуска из горячего состояния до полной нагрузки составляет до 2,5 ч, что в 1,8-2,5 раза меньше времени пуска из неостывшего и холодного состояния.

Пуск из горячего резерва (после простоя менее 30 мин) непродолжителен и может выполняться по прямоточному режиму.

Существующая тенденция развития энергетики и энергопотребления предполагает частый вывод блоков в горячий резерв или на останов, поэтому пуски их из неостывшего и горячего состояния становятся наиболее распространенными.

. Обслуживание работающего котла

Надежность и экономичность работы энергоблока и его оборудования связана с четкой организацией службы эксплуатации. В понятие организации технической эксплуатации входит широкий круг мероприятий:

постоянный контроль исправности работы оборудования, арматуры, контрольно-измерительных приборов, схем автоматики и уход за ними, обеспечение их работы в соответствии с нормативными.характеристиками;

обеспечение требуемых параметров рабочего тела, режима горения, соотношений расходов вода-пар-топливо-воздух, тяга-дутье и водного режима;

поддержание в эксплуатационной чистоте поверхностей нагрева и их очистка;

повышение производительности труда и квалификации персонала;

экономия топлива, теплоты, воды, вспомогательных материалов;

организация учета работы оборудования и планирование улучшения показателей работы блока и станции;

контроль соблюдения сроков и объемов планово-предупредительных и капитальных ремонтов.

Работа котла может проходить при постоянной (базовой) и переменной нагрузках. Изменение условий работы изменяет параметры теплоносителя и рабочего тела, о чем судят по показаниям контрольно-измерительных приборов и работе системы защит. При любых условиях требуется обеспечение в каждой ступени пароперегревателей и промпароперегревателей допустимой температуры. Уменьшение температуры снижает экономичность работы турбины (блока) и ведет к росту расходов пара, а повышение - опасность перегрева и пережога труб. В диапазоне 70…100%-ных нагрузок на выходе из котла должны быть номинальные давление и температура пара. Для котлов СКД возможно снижение параметров острого пара при промежуточных нагрузках, т. е. работа на скользящих параметрах, которая однако допустима лишь после проведения испытаний и получения соответствующих рекомендаций. Выработка пара зависит от потребностей турбины, которые определяются графиком тепловой и электрической нагрузок электоостанции и энергоблока. Если потребление пара турбиной больше его производства в котле, давление свежего пара снижается. Повысить давление пара можно соответствующим увеличением тепловыделения в топке вводом дополнительного количества топлива, воздействуя на привод питателей топлива. Одновременно увеличивают подачу воды в котел. Давление свежего пара является важнейшим показателем регулировки нагрузки котла и настройки схемы ее автоматического регулирования. Давление пара не должно превышать предельно допустимых значений, так как при этом возможен разрыв паропроводов и труб поверхностей нагрева. Для предупреждения чрезмерного повышения давления на выходе из котла устанавливают контрольные и рабочие импульсные предохранительные клапаны, соответственно срабатывающие при давлении на 3…5% выше номинального (при p£6 МПа); на 5 и 8% (6 МПа<р£14 МПа); на 8% (14 МПа<р<22,5 МПа); на 10% (р>22,5 МПа).

Температуру пара поддерживают на требуемом уровне (с отклонениями ±5°С) регуляторами перегрева и расходом воды в соответствии с тепловыделением в топке. В барабанных котлах соотношение между подачей воды и расходом пара контролируют по положению уровня воды в барабане, а в прямоточных котлах - по температуре пара за одной из поверхностей нагрева (например, за переходной зоной). Колебания уровня воды в барабане не должны выходить за пределы, регламентируемые заводами-изготовителями. Отсутствие колебаний является признаком засорения водомерных стекол, импульсных трубок или арматуры. Поэтому их периодически продувают.

Изменение нагрузки и расхода топлива должно сопровождаться соответствующим изменением расхода воздуха и загрузки вентиляторов и дымососов. О правильном соотношении расходов топлива и воздуха судят по показаниям газоанализаторов (О2 или CO2) или расходомеров, а тяги и дутья - по вакууму в топке. Содержание в дымовых газах О2 выше нормы свидетельствует об избыточной подаче воздуха. В этом случае необходимо снизить загрузку дутьевых вентиляторов, прикрыв их направляющие аппараты. Увеличение вакуума в топке свидетельствует о превышении тяги над дутьем и необходимости прикрытия направляющих аппаратов дымососов или переходе на более низкую частоту вращения (для двускоростных двигателей). Создание давления в топке негазоплотных котлов нежелательно, так как это вызывает повышенную загазованность помещения. Обычно в верхней части топки котлов с уравновешенной тягой, давление поддерживают на уровне 10…30 Па (1…3 кгс/м2).В ходе топочного процесса могут коробиться и обгорать горелочные устройства, забиваться пылью пылепроводы и горелки, что ведет к нарушению аэродинамических условий в топке и ухудшению процесса горения. Это, в свою очередь, способствует увеличению потерь (q3, q4), повышению температуры газов около топочных экранов и на выходе из топки, шлакованию экранов и конвективных поверхностей нагрева. К таким же последствиям ведет недостаточная подача воздуха в горелки и увеличение присосов в топке. Воздух, поступающий с присосами через неплотности малых размеров, двигаясь вблизи экранов, в зоне относительно невысоких температур, в процессе горения не используется, так как не может глубоко проникнуть внутрь топки. В основной же зоне горения воздуха не хватает, и часть топлива, не выгорев, выносится, поднимая температуру за топкой и создавая там восстановительную среду, что усиливает шлакование и загрязнение труб. Для поддержания оптимального воздушного режима топочного процесса при эксплуатации энергоблока необходимо постоянно следить за исправностью газоанализаторов (О2 или СО2) и вести текущий контроль плотности топки и конвективных газоходов наружным осмотром и определением присосов.

Чрезмерная подача воздуха снижает температуру газов в топке, понижает устойчивость горения, увеличивает потери с уходящими газами и затраты на привод дымососов и дутьевых вентиляторов. Поэтому при ведении топочного процесса необходимо: постоянно наблюдать за состоянием горелочных устройств, пылепроводов, обмуровки; осматривать топку, ширмы, фестон, пароперегреватель (для предупреждения шлакования); следить за устойчивостью воспламенения, достаточностью подачи воздуха, равномерностью поступления топлива и воздуха в горелки и распределения смеси по их сечению, качеством распыления жидкого топлива и появлением его протечек на топочные экраны, обмуровку и т. д. Чтобы обеспечить надежную работу поверхностей нагрева кроме визуального наблюдения контролируют температуру дымовых газов, рабочего тела, металла наиболее напряженных участков установки (в соответствии с «Инструкцией, по наблюдению и контролю за металлом трубопроводов и котлов»). При визуальном наблюдении и замере сопротивлений отдельных поверхностей нагрева определяют степень их загрязнения и забивания. Уменьшают последствия загрязнений своевременной обдувкой и очисткой поверхностей нагрева и топочных экранов. Периодичность обдувки определяется испытаниями и зависит от предельного сопротивления поверхностей нагрева

При эксплуатации энергоблока необходимо постоянно повышать его экономичность, снижать тепловые потери (q2, q3, q4) и затраты энергии на собственные нужды. Потери с химическим (q3) и.механическим (q4) недожогом определяются совершенством ведения топочного процесса, в первую очередь соотношением топливо - воздух, равномерностью их поступления, перемешивания и использования при горении. Потери с химическим недожогом косвенно оценивают по показаниям щитовых газоанализаторов (О2 или СО2). Потери с механическим недожогом при сжигании твердых топлив определяют по анализу проб уноса, обычно отбираемых не реже чем 1 раз в сутки, а для АШ и тощих углей - не реже 1 раза в смену. При повышенных потерях проверяют работу газоанализаторов, изменяют топочный режим, например увеличивая расход воздуха или перераспределяя его по горелкам, уплотняют топку. Снижение потерь с уходящими газами связано с интенсификацией топочных процессов, уменьшением загрязнения поверхностей нагрева и присосов в них. Присосы воздуха в конвективной шахте жестко регламентируются и не должны превышать 10 и 25% соответственно в современных котлах с трубчатыми и регенеративными воздухоподогревателями. Присосы контролируют внешним осмотром газового тракта и проведением анализов (не реже 1 раза в месяц).

Количество солей, выносимых из барабана котла в пароперегреватель, зависит от их содержания в питательной воде, солевом и чистом отсеках барабана, расхода продувочной воды и контролируется по показаниям приборов. О степени заноса в пароперегреватель солей можно косвенно судить по температуре металла обогреваемых труб. Для снижения солесодержания в паре улучшают работу химводоочистки, увеличивают расход воды непрерывной продувки, снижают уровень воды в барабане, включают периодическую продувку. Перед периодической продувкой следует убедиться, в исправности уровнемеров и линии продувки.

При значительном заносе пароперегревателя солями проводят промывки (водяные или химические), а если необходимо, - механическую чистку внутренних поверхностей труб. Водяные промывки барабанных котлов производятся конденсатом или обессоленной водой в соответствии с местными инструкциями. На мощных прямоточных котлах СКД водяные промывки тракта до встроенной задвижки производят деаэрированной питательной водой после каждого длительного останова и после длительной непрерывной работы (например, 1500 ч для моноблоков мощностью 300 МВт). При химической промывке используют растворы минеральных (соляная, фосфорная) и органических (лимонная, фталевая) кислот и комплексообразующие реагенты (трилон Б). Чтобы предупредить разъедающее действие растворов кислот, в них добавляют замедлители реакции - ингибиторы (уротропин, хромпик, каптакс) и проводят последующую нейтрализацию (например, щелочение с использованием аммиака).

В процессе эксплуатации ведут постоянный учет работы котла, регистрацию и обработку показаний контрольно-измерительных приборов, анализ проб топлива, воды, пара, занося результаты в бланки суточных ведомостей и эксплуатационные журналы. Регулярный контроль записей в ведомостях и журналах позволяет своевременно выявлять отклонения, их причину и разрабатывать меры для их устранения. На основе суточных ведомостей составляют пятидневные, декадные, месячные, квартальные, полугодовые и годовые отчеты о работе оборудования. Наряду с этой документацией эксплуатационный персонал ведет сменный (вахтенный) журнал, в котором фиксирует отклонения и нарушения режима работы, неполадки, аварии и др. Кроме того, ведутся ремонтный журнал и журнал дефектов и неисправностей, которые должны устраняться на работающем оборудовании, либо в ближайший останов, или ремонт.

Обработка всех материалов и отчетов позволяет выявить основные пути совершенствования работы оборудования, разработать конкретные меры и спланировать технические показатели экономичной и надежной эксплуатации, наметить последовательность, сроки и объемы планово-предупредительных и капитальных ремонтов,

паровой котел форсунка

4. Режимные карты

Режимные карты представляют собой документ, выполненный чаще всего в виде таблицы с указанием параметров, которые должны выдерживаться для надежной и экономичной работы энергоблока. Режимные карты составляют по результатам испытаний при оптимальных, наиболее экономичных и надежных режимах, определенных нагрузках, качестве топлива и сочетаниях основного и вспомогательного оборудования. В случае установки на станции однотипного оборудования для каждого конкретного последующего котла испытания проводят в сокращенном объеме или не проводят (при этом используют режимную карту ранее испытанных котлов).

Время от времени режимные карты пересматривают и на основе дополнительных испытаний изменяют. Изменение режимной карты производится при переходе на новые виды (сорта) топлива, после проведения реконструкционных работ и капитальных ремонтов, а также с целью усовершенствования и повышения надежности оборудования и экономичности его работы.

В режимную карту входят:

давление и температура острого и промежуточного пара, питательной воды;

температура уходящих газов;

количество и сочетание работающих мельниц, горелочных устройств, дутьевых вентиляторов и дымососов;

состав продуктов сгорания (О2 или СО2);

показатели надежности и экономичности работы поверхностей или элементов котла;

расход воздуха на мельницы и их загрузка;

температура среды и металла некоторых наиболее опасных с точки зрения перегрева поверхностей нагрева;

другие показатели, например характеризующие шлакование, загрязнение.

Кроме того, в режимной карте отражены:

периодичность включения средств очистки поверхностей нагрева и особые условия работы оборудования котла (например, степень открытия регулирующих воздушных и газовых шиберов, открытие шиберов первичного и вторичного воздуха горелок);

периодичность удаления шлака;

условия работы линий рециркуляции газов и рабочей среды.

При сжигании мазута в режимные карты дополнительно вносят температуру предварительного подогрева, при которой обеспечивается его надежное транспортирование по-трубопроводам и распыление в форсунках.

По параметрам, входящим в режимную карту, настраивают защиты и системы автоматического регулирования. Паровые котлы вводимые после монтажа, подлежат первичной наладке, на основе которой составляются временные режимные указания, действующие до завершения режимно-наладочных испытаний и появления режимной карты.

Испытания котлов разнообразны. Среди них можно выделить пусконаладочные, режимно-наладочные и исследовательские. Па необходимости проведения различают регулярные, плановые и экстренные работы, а по сложности - работы I, II и III категорий, отличающиеся объемом и точностью проведения.

Пусконаладочные испытания, включающие комплексное опробование котла и проверку гарантийных расчетных показателей его надежности и экономичности работы, проводят после окончания монтажных работ. В объем испытаний головных блоков входят также поэлементная проверка оборудования, его испытания и приемка.

Проводя эти испытания на определенных нагрузках, проверяют и фиксируют параметры при разных условиях топочного режима (воздушный режим горения, число и сочетание работающих горелок, мельниц, распределение первичного и вторичного воздуха) и работы системы пылеприготовления (степень сушки, тонина помола, вентиляция мельниц и др.), а также при сжигании различных видов топлива. Во время испытаний обращают внимание на надежность работы отдельных элементов котла (топки, горелочных устройств, поверхностей нагрева), явления, снижающие ее (шлакование, занос, высоко- и низкотемпературная коррозия, перегрев и пережог труб и т. д.), экономичность работы отдельных видов оборудования (удельные затраты электроэнергии, сопротивление тракта), маневренность, диапазон регулирования и другие специфические особенности (например, выход шлака в топках с жидким шлакоудалением).

Испытания проводят по заранее составленной программе, в которой отражают их цель, основные задачи, условия, объем, методику проведения и обработки результатов, потребность в рабочей силе, а также приводят перечень подготовительных мероприятий и указывают ответственных исполнителей. Программа утверждается руководством электростанции и доводится до сведения сменного вахтенного персонала, дежурного инженера и диспетчерской службы.

Перед испытаниями проверяют основные и вспомогательные щитовые приборы, устанавливают дополнительные приборы и специально изготовленные приспособления (газозаборные трубки штуцеры, зонды, линии отсоса газов и охлаждения приборов, пылезаборные трубки, топливоотборники и др.). С целью повышения качества проведения испытаний и исключения серьезных ошибок выделенный персонал проходит предварительную учебу. Все это входит в комплекс подготовительных мероприятий и отражается в программе. Испытания проводят работники цеха наладки совместно с эксплуатационным персоналом станции или специализированной наладочной организацией.

. Останов котла

При останове котла постепенно снижают нагрузку, уменьшая расход топлива, питательной воды, воздуха и загрузку дымососов. В схемах с прямым вдуванием пыли расход топлива уменьшают разгрузкой питателей сырого топлива и последующим постепенным остановом их и соответствующих мельниц. В схемах с промежуточными бункерами первоначально отключают питатели сырого топлива и мельницы, а затем уменьшают загрузку питателей пыли и постепенно выводят их из работы. Скорость снижения нагрузки определяется допустимой скоростью изменения температуры металла наиболее толстостенных элементов оборудования. Чтобы не появились значительные температурные напряжения в начальный период останова (иногда до минимально устойчивой нагрузки), поддерживают номинальную температуру пара.

Разгрузку барабанных и некоторых прямоточных котлов ведут при скользящем давлении. Скорость снижения давления в этом случае зависит от условий поддержания заданной температуры и допустимой скорости снижения температуры насыщения (в барабанных), определяемой давлением. Останов прямоточных котлов можно вести как в прямоточном, так и в сепараторном режиме. Переход на сепараторный режим останова начинают при расходе среды, меньшем пропускной способности растопочного узла. Перед переходом на сепараторный режим открывают дроссельные клапаны 5 и 3 (Др-1 и Др-2) встроенного сепаратора 4 и расширителя Р-20 (см. рис.1) и арматуру их сбросных трубопроводов с целью прогрева, после чего закрывают встроенную задвижку ВЗ. Изменяя открытие дроссельных клапанов, поддерживают регулятором рабочее давление в тракте до встроенной задвижки. Останов двухкорпусных котлов ведут либо разгрузкой обоих корпусов, либо чаще - постепенной разгрузкой с остановом сначала одного, а затем другого корпуса.

После разгрузки блока до минимально устойчивой нагрузки гасят топку, обязательно проверяя отключение горелок, прекращают подачу питательной воды и останавливают питательные и бустерные насосы. При снижении мощности до значений, на которые рассчитана пропускная способность пускосбросных устройств (ПСБУ), отключают турбину. Последующее обеспаривание промежуточного и основного пароперегревателей производится в конденсатор открытием арматуры на сбросных паропроводах промперегрева и ПСБУ. После останова котла в течение 5…10 мин вентилируют топку и газоходы. Действия персонала после останова котла и его оборудования зависят от вида останова (см. § 54).

При останове котла в ремонт его отсоединяют от общестанционных магистралей и трубопроводов соседних котлов, устанавливая соответствующие заглушки. При сжигании твердого топлива его полностью удаляют из бункеров. Внутренним и внешним осмотрами газоходов, топки, поверхностей нагрева основного и вспомогательного оборудования определяют неисправности, о чем делают соответствующие записи в журналах ремонта и дефектов. При последующих ремонтах контролируют устранение отмеченных недостатков.

6. Эксплуатация вспомогательного оборудования

Надежность котла в значительной степени определяется работой вспомогательного оборудования - вентиляторов, дымососов, арматуры, систем золоулавливания и шлакозолоудаления, устройств очистки и др. О совершенстве работы вспомогательного и основного оборудования судят по показаниям контрольно-измерительных приборов (КИП). Перед включением вспомогательного оборудования проверяют показания КИП и исправность технологических защит, арматуры, предохранительных и регулирующих устройств.

Тягодутьевые машины. Во избежание чрезмерной перегрузки электродвигателей пуск дымососов и вентиляторов производят при закрытых направляющих аппаратах и шиберах на стороне нагнетания. Предварительно проверяют:

наличие ограждений около вращающихся частей и сеток на всасывающей стороне вентиляторов;

затяжку фундаментных болтов;

наличие масла в подшипниках, подачу охлаждающей воды;

исправность отключающих шиберов и, направляющих аппаратов и их приводов;

дистанционное управление.

После капитального ремонта дополнительно при внутреннем осмотре проверяют: отсутствие посторонних предметов; легкость хода рабочего колеса и привода регулирующих устройств; зазоры и их соответствие техническим условиям; состояние рабочих колес, корпуса, лопаток направляющего аппарата. Выявленные неисправности устраняют. После оформления акта приемки из ремонта, проверки готовности к пуску и подачи напряжения производят пуск и постепенно открывают запорные шиберы и направляющие аппараты. В период загрузки электродвигателей и при дальнейшей работе постоянно контролируют силу тока, работу машин, подшипников и др.

Эксплуатационная загрузка тягодутьевых машин определяется потребностями котла и состоянием его поверхностей нагрева, а также работой системы пылеприготовления. Изменяют загрузку преимущественно регулировкой направляющих аппаратов и частоты вращения ротора. При эксплуатации наблюдают за смазкой и охлаждением подшипников, вибрацией рабочего колеса и корпуса (они нe должны задевать друг за друга), степенью нагрева электродвигателей и подшипников, правильностью работы КИП, систем управления, защиты и сигнализации. Перед каждой сменой (при приемке) проводят внешний осмотр оборудования. При останове одного из вентиляторов или дымососов необходимо обеспечить равномерность раздачи воздуха по горелкам и исключить переток его (или газа) через остановленную машину. Останов, как и пуск, производят дистанционно со щита управления, постепенно закрывая направляющий аппарат и отключая электродвигатель. После останова разбирают электрическую схему, чтобы исключить возможность подачи напряжения на остановленную машину.

Устройства золоулавливания. В современных мощных установках наибольшее распространение получили электрофильтры и мокрые золоуловители (скрубберы). Иногда в качестве первой ступени при двуступенчатой схеме очистки газов используют сухие инерционные золоуловители.

При работе электрофильтров особое внимание уделяют электробезопасности, качеству тепловой изоляции и обшивки, поддержанию режимов электропитания и встряхивания электродов, а также равномерности распределения газа по секциям, которая обеспечивается газораспределительными решетками и шиберами, установленными на входе. Важность стабильности режимов электропитаний объясняется тем, что наибольшую эффективность очистки получают при напряжении, близком к напряжению возникновения электрического разряда. Повышение напряжения эффективность очистки практически не улучшает и увеличивает энергетические затраты. На пробивное напряжение и ток коронного разряда сильное влияние оказывает загрязнение электродов. Так как золовые отложения снижают ток и эффективность очистки, электроды необходимо периодически встряхивать. Однако при частом встряхивании часть осыпающейся золы захватывается газовым потоком и выносится в атмосферу.

Работу электрофильтров значительно ухудшают неплотностии обшивки и возникающие в результате этого присосы, увеличивающие вторичный вынос золы из золоуловителей, а также скорость газового потока и ведущие к повышенному эрозионно-коррозионному износу мест присосов. При эксплуатации необходимо ежесуточно осматривать электрофильтры и следить за работой систем золоудаления, не допуская накопления и зависания золы в бункерах, а также электрофильтрах, что может привести к короткому замыканию в активной части фильтра и отключению напряжения. При останове котлов на длительный срок электрофильтры подлежат очистке, так как зола, осевшая на электродах и стенках, постепенно слеживается и увлажняется, что при последующем включении фильтра может вызвать короткое замыкание и нарушения в работе.

В котлах с мокрыми золоуловителями следует обращать внимание на изменение их сопротивления, температуру газов за ними, давление и расход орошающей воды. Для удаления отложений, повышающих сопротивление, периодически промывают решетки и входные патрубки. При значительном снижении температуры газов интенсивность выноса влаги (брызгоунос) растет, что способствует развитию коррозионных процессов и отложений увлажненной золы в газоходах за золоуловителями и на лопатках дымососов. Увеличение расхода орошающей воды позволяет улучшить улавливание золы но одновременно повышает охлаждение газов и брызгоунос. Повышенный брызгоунос отмечается также при росте давления воды в соплах орошения. При ежесуточном осмотре золоуловителей проверяют их состояние, закрытие лазов, люков, отсутствие присосов, подачу орошающей воды.

Устройство шлакозолоудаления. При эксплуатации шлаковых комодов важно обеспечить полное охлаждение и дробление шлака, достаточное поступление воды и поддержание ее уровня, исправность транспортеров, шнеков и др. Гляделки и лазы на шахте должны быть плотно закрыты. При выпадении значительных глыб шлака принимают меры к их измельчению и удалению. В золосмывных аппаратах следят за поступлением воды и ее давлением перед соплом, отсутствием присосов, равномерностью схода золы и отсутствием, забивания аппаратов.

При транспортировании шлакозоловодяной пульпы по каналам гидрозолоудаления (ГЗУ) обращают внимание на состояние облицовки каналов и качество смыва отложений. Чтобы в каналы не попадали посторонние предметы, а также для безопасности движения людей каналы закрывают съемными перекрытиями.

Надежность работы системы гидрозолоудаления, особенно багерных насосов, значительно снижается при попадании в них металлических предметов. Поэтому необходимо контролировать работу металлоуловителей (ловушек) и своевременно очищать их от уловленных предметов в соответствии с графиком и при остановах насосов.

Отложения в пульпопроводах от багерной до золоотвала и в обратных трубопроводах осветленной воды увеличивают сопротивление и создают условия для повышенного износа, поэтому их необходимо своевременно очищать через люки. Уплотнение и цементирование осевшей золы наблюдается при отключении золошлакопроводов. В связи с этим при выводе золошлакопроводов в резерв или ремонте их необходимо промывать чистой водой, которую сливают.

Арматура и средства очистки. Одним из недостаточно надежных элементов оборудования станций является арматура. При приеме смены контролируют основную арматуру, проверяют отсутствие трещин и плотность сальников, соответствие хода приводов перемещению штоков, а также табличкам и надписям.

Средства очистки поверхностей нагрева должны постоянно находиться в состоянии готовности. Обычно их включают дистанционно со щита управления или с местных щитов. Обдувочные аппараты ежесменно контролируют внешним осмотром для выявления неисправностей, неплотности уплотнений, парения. При обдувке необходимо следить за входом и выходом из котла вдвижных обдувочных аппаратов и подачей в них пара, за эффективностью обдувки. Перед включением обдувочных аппаратов для уменьшения водозолового износа конденсат дренируют из подводящих паропроводов.

При монтаже обдувочных аппаратов особое внимание обращают на правильность их установки и глубину ввода трубы-насадки в котел. Увеличенный по сравнению с рекомендуемым ввод маловдвижных обдувочных аппаратов не обеспечивает эффективную очистку экранных поверхностей, а уменьшенный - вызывает усиленный износ труб и обмуровки. В установках дробеочистки проверяют работу и состояние дробеотделителей, тракта подачи дроби в бункера, исправность и достаточность охлаждения дробераспределителей и подводящих труб. При останове котлов выявляют степень наклепа и износ очищаемых труб и распределителей дроби, контролируют правильность их установки и равномерность распределения дроби по очищаемой поверхности нагрева.

Дробеочистку включают пуском воздуходувки или эжектора. Вследствие создаваемого перепада давлений опорожняется нижний бункер и дробь подается в верхний. Заполнив верхний бункер, воздуходувку останавливают и открывают клапан для ввода дроби в распределители или пневмозабрасыватели-дробеметы, куда предварительно подается пар (воздух).для ее разброса.

В установках виброочистки проверяют действие вибраторов, исправность и достаточность охлаждения приводных штанг, плотность устройств их ввода в котел. Контролируют эффективность очистки.

. Эксплуатация топливоподачи и сушильно-мельничных установок

Обеспечение парового котла топливом требуемого качества является одной из важных операций работы энергетических блоков. Надежность снабжения котла твердым топливом в первую очередь определяется работой бункеров сырого топлива. При эксплуатации. равномерность поступления топлива проверяется с помощью щупов-индикаторов, а при прекращении его подачи включаются устройства, устраняющие зависание топлива, обогревающие стенки, осуществляющие пневмо- и виброобрушение. Учитывая неопределенность времени прекращения подачи топлива, эти устройства следует держать постоянно готовыми к действию. Зависание топлива в бункерах увеличивается при попадании крупногабаритных предметов, корней, щепы, которые в дальнейшем могут также вызывать остановы или поломку питателей, мельниц и др. Поэтому при эксплуатации постоянно контролируют работу дробилок, щепо- и металлоуловителей, а также удаляют уловленные предметы. Так как со временем слеживаемость топлива увеличивается, необходимо периодически (через 7…10 сут.) выбирать топливо из бункеров до минимального уровня, а перед выводом котла или системы пылеприготовления из работы на длительный срок - удалять его полностью и очищать стенки. Аналогично эксплуатируют пылевые бункера.

Расход топлива на горелки регулируют, изменяя загрузку питателей сырого топлива (в схемах прямого вдувания) и пыли (в схемах с промбункером). Расход топлива в питателях регулируется специальным устройством (регулятором слоя) и изменением частоты вращения приводного устройства, а в пылепитателях только изменением частоты вращения. При попадании в питатель крупных посторонних предметов и увеличении влажности топлива увеличивается потребляемый приводом ток. В этом случае следует выявить причину перегрузок и устранить ее. При забивании бункеров посторонними предметами, зависании и застревании (обрывах) топлива его поступление прекращается, о чем сигнализируют установленные на питателе индикаторы и приборы защиты, включающие пневмо- и виброобрушение.

Требуемое качество пыли обеспечивают мельницы, сепараторы и весь тракт пылеприготовления. В работе мельниц наблюдаются перегрузки или расхолащивание. Перегрузки возникают из-за чрезмерной подачи топлива или попадания посторонних предметов, а также при уменьшении вентиляции. В этих случаях увеличивают поступление воздуха на вентиляцию мельницы, а если это не помогает, отключают питатель до снятия перегрузки. Расхолащивание происходит при прекращении подачи топлива или чрезмерной вентиляции.

Мелющие органы постепенно изнашиваются, что ухудшает размол и увеличивает потери теплоты с механическим недожогом. Поэтому необходимо систематически осматривать изнашивающиеся элементы и заменять их (по графику). При эксплуатации систем топливоподачи и пылеприготовления следует своевременно удалять скопления и отложения пыли, особенно с горячих поверхностей, регулярно убирать помещения и оборудование. Появление пыли в помещении происходит из-за неплотностей в элементах топливоподачи и пылеприготовления, а также изношенных участков пылепроводов; их выявляют и своевременно устраняют.

Наряду с наружными загораниями пыли часто наблюдаются загорания, хлопки и взрывы внутри самой системы пылеприготовления из-за внутренних отложений на стенках пылепроводов, сепараторов, циклонов. Для выявления внутренних отложений пыли оборудование после остановов регулярно осматривают. Ликвидация отложений на работающем оборудовании (открытие лазов и люков) запрещена. При повышении температуры сушильного агента в конце установки загорания учащаются. Хлопки и взрывы происходят при взрыхлении тлеющей пыли, например при пусках и остановах мельниц, случайных ударах. Учитывая зависимость загораний от температуры сушильного агента за мельницей, для каждого вида топлива регламентируется определенное ее значение. Для ликвидации загораний в системе пылеприготовления служат средства пожаротушения, которые применяют при повышении температуры, а также видимом разогреве элементов мельницы.

Склонностью пыли к загораниям определяется последовательность операций при пусках и остановах системы пылеприготовления. При включении системы пускают мельницу, подают сушильный агент и включают питатель сырого топлива, а при выключении сначала останавливают питатель, затем мельницу и после ее вентиляции перекрывают подачу сушильного агента.

Качество готовой пыли регулируют створками сепараторов. Для каждого топлива в результате испытаний находят наиболее оптимальную тонину помола пыли и обеспечивающие ее режимы работы установки, которые отражаются в режимных картах и местных инструкциях.

При эксплуатации пылеприготовительных установок следят за:

поступлением топлива и равномерностью загрузки питателей и мельниц;

контролируют уровни сырого топлива и пыли в бункерах, не допуская отклонения за предельные отметки;

поддерживают требуемые температуру и состав сушильного агента за мельницей;

контролируют температуру пыли в бункере и принимают меры безопасности при превышении ею предельных значений;

проверяют состояние изоляции и взрывных клапанов, исправность и правильность работы всего оборудования, плотность соединения элементов.

Для текущего контроля и надежной работы топливный тракт, пылеприготовительные установки оборудуют измерительными приборами, автоматическими регуляторами, системами защиты и блокировки. Эксплуатация систем топливоподачи и пылеприготовления, применяемые приборы и оборудование должны соответствовать требованиям «Правил взрывопожаробезопасности топливоподач электростанций» и «Правил взрывобезопасности установок для приготовления и сжигания топлива в пылевидном состоянии».


Не нашли материал для своей работы?
Поможем написать уникальную работу
Без плагиата!
Без нейросетей!