Усилители следящих систем
Балтийский
Государственный Технический Университет
"Военмех"
им. Д.Ф. Устинова
Кафедра Н1
"Мехатроника и робототехника"
Курсовой
проект
Усилители
следящих систем
Выполнил: Данилов А.Е
Группа: Н 182
Проверил: Логинов А.В.
Санкт-Петербург
2011г
Введение
В курсовом проекте разрабатывается полупроводниковый усилитель для
управления приводным двигателем следящей системы.
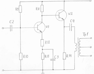
Расчет усилителя начинается с оконечного каскада.
Оконечный каскад, нагруженный на обмотку управления двигателя, обычно выполняют
двухтактным. В основу расчета оконечного каскада положено требование
обеспечения заданной мощности в нагрузке, поэтому одним из основных параметров
оконечного каскада является коэффициент усиления по мощности, потребляемой
обмоткой управления.
Число остальных каскадов определяется коэффициентом усиления по
напряжению, требуемым техническим заданием.
Предоконечный каскад, должен обеспечивать на выходе расчетное значение входного
сигнала оконечного каскада. Расчет предоконечного каскада основан на достижении
максимального значения выходного сигнала во всем диапазоне рабочих температур.
Схема входного каскада выбирается с учетом обеспечения заданного
входного сопротивления усилителя. В настоящее время входные каскады выполняются
на интегральных операционных усилителях. При этом гарантируется стабильность
работы устройства в широком диапазоне температур, а охват обмотки управления
глубокой отрицательной обратной связью по переменному току определяет высокую
стабильность усилительных параметров.
Техническое
задание
Вид
нагрузки АДП-123Б
Чувствительность5 мВ
Входное сопротивление5 кОм
Входной сигналпеременный ток
Напряжение питания.20 В
Диапазон рабочих температур-10…+60°С
Примечание
1. Фазовый сдвиг, вносимый усилителем,
не должен превышать 15 градусов
2. Нестабильность коэффициента усиления,
вызванная технологическим разбросом параметров транзисторов, не более 20%
3. При мощности нагрузки более 5 Вт
выходное сопротивление усилителя должно составлять не более 20% от
сопротивления нагрузки.
Основные
характеристики двигателя АДП-123Б
Напряжение на обмотке управления110 В
Потребляемая мощность обмотки управления13,5 Вт
Ток в обмотке управления0,23 А
Частота цепи400 Гц
Расчет
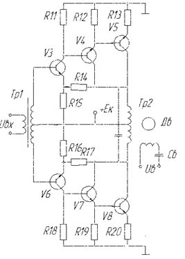
оконечного каскада
Тип оконечного каскада выбирается по мощности, потребляемой обмоткой
управления. При мощности управления более 5 Вт, оконечный каскад должен
обеспечивать низкое входное сопротивление(Rвых не более 0.2Rн ), поэтому выбираем такой усилительный каскад:
Обмотка управления асинхронного двигателя представляет собой
активно-индуктивную нагрузку для оконечного каскада усилителя. С целью
уменьшения мощности потребляемой обмоткой управления, а также для улучшения
условий пуска, индуктивная составляющая сопротивления обычно компенсируется
включением конденсатора параллельно обмотке управления.
896,3 Ом
Ом
здесь:
Uу, Iу, Pу -
напряжение, ток в ОУ и мощность, потребляемая ОУ
Rа, RL - активная и индуктивная составляющая сопротивления
ОУ
мкФ
(выбираем
конденсатор К73-11-250В-0.68мкФ)
необходимость
в наличии выходного трансформатора определяется следующим выражением
, где
ЕП
- напряжение источника питания 20 В
UКэмин - минимально допустимое напряжение на транзисторе
UКэмин = (2…3)UКэнас
UКЭнас - падение напряжения на транзисторе в режиме
насыщения
UЭ - падение напряжения на эмиттерном сопротивлении R12, R13
U КЭ нас = 1 В
U КЭ мин = 2 В
U Э = 0,5 Е К = 2 В
E К = 20 В
2(E
К - U КЭ мин - U Э) = 44 В
В
Неравенство
не выполняется, следовательно, необходим трансформатор. Для согласования с
нагрузкой применяют выходной трансформатор с коэффициентом трансформации:
h=0,85- к.п.д
трансформатора
Выбираем
транзисторы V5, V8:
Приведенное
сопротивление нагрузки:
Ом
Максимальная
амплитуда напряжения между коллектором и эмиттером: U КЭ макс=2ЕП=40 В
Максимальная
амплитуда коллекторного тока:
А
С
учетом того, что транзистор может перегреваться во время пиков мгновенной
мощности, достигающей 0,5 РНП, максимальная средняя мощность,
рассеиваемая в коллекторном переходе каждого транзистора:
Рmax=
РНП, где
Вт
Полученным значениям UКЭ
макс, IК макс, PК выберем транзистор, параметры которого удовлетворяют
условиям: Pkдоп>PK, Ikдоп>Ikmax, Ukдоп>UKэmax
Выбираю транзистор КТ819В
P kдоп = 1.5
(60) Вт - без и (с) теплоотводом,
I
К доп =10 А
U
К доп =60 В
Диапазон рабочих температур: -40…100 ˚С
Статический коэффициент передачи тока в ОЭ

-средний
статический коэффициент передачи тока в ОЭ
-находиться
по входной характеристике транзистора при

-напряжение
эмиттер-база в режиме покоя
11э 3,6=
Расчет
теплового режима транзистора:
здесь
RПС=41.6 -
тепловое сопротивление переход-среда транзистора
tП=125°С предельно допустимая
температура перехода
tС=60°С максимальная температура среды
Pk=5,4
Вт.
Т.к.
неравенство не выполняется, необходим радиатор с поверхностью охлаждения:
здесь
-
коэффициент теплоотдачи,
-
тепловое сопротивление перехода-корпус транзистора
-
тепловое сопротивление корпус-радиатор
Выбор
транзисторов V4, V7
Uкэ v2 max=Uкэ v3 max=2Eк=40 В
Где
Выбираю транзистор КТ815Б
Uкэ
v2 доп=50Вт
Iк
v2 доп=1,5А
Pк
v2 доп=10Вт - с теплоотводом
Pк
v2 доп=1Вт - без теплоотвода.
h11э
2,5=300 Ом
βmin=40
βmax=120
β25=0,5(40+120)=80
диапазон рабочих температур: от -40 до 100˚С
Выбор транзисторов V3 V6:
кэ max=Eк(1+-
=20(1+
)=26,6В
где Ku=(1…3) коэффициент усиления по
напряжению ОК
к1 max=
к1=
Вт
По этим параметрам выбираю транзистор КТ361Д который имеет
следующие характеристики.
Iк
v1 доп=50мА
Uкэ
v1 доп=35В
Pv1=150
мВт без теплоотвода
Диапазон рабочих температур -60…+100°С
Статический коэффициент передачи тока в ОЭ
βmin=10
βmax=90
β14=40
Iб
max=
Iб =
A
эбmax=0,3Вэб=0,27В
11 14 э=
Расчет резисторов оконечного каскада:
Резисторы эмитерных цепей R13,R20:
э=
Где Smax=
- максимальная крутизна транзисторов в партии
δI|=1,05…1,15 - допустимая разбалансировка коллекторных токов
δI=
- технологический разброс
мощность, рассеиваемая не каждом резисторе
PRэ=0,25I2кmax*Rэ=0,25*2,52*0,8=1,25 Вт
Выбираю
резисторы С2-23-2-1Ом
5%
Остальные
резисторы выбираются из условия трех-пятикратного превышения входных
сопротивлений транзисторов V2, V3 и V5, V6:
R11=R18=(3…5)h11
14=5*947=4,7кОм
Выбираю
резистор С2-23 - 4,7 кОм
R12=R19=(3…5)h11
25=5*300=1,5 кОм

Выбираю
резистор С2-23 560 Ом
С2-23-110
Ом
Минимальная
величина R4 и R7 ограничена следующим
неравенством:
R14+R15
5Rнп
Неравенство
выполняется на резисторах R4…R7 рассеивается не более 10% выходной мощности.
Характеристики
оконечного каскада
Коэффициент
усиления по напряжению:
Входное
сопротивление:
Нестабильность
коэффициента усиления по напряжению:
, где
Максимальная
амплитуда входного сигнала ОК:
Мощность потребляемая оконечным каскадом от источника сигнала:
Расчет
предоконечного каскада
Мощность, необходимая для управления двигателем, обеспечивается оконечным
каскадом; входное сопротивление усилителя - входным каскадом. Предоконечный
каскад должен обеспечить на входе расчетное значение мощности входного сигнала
оконечного каскада и, что самое главное, максимальный коэффициент усиления:
к=
=10 кОм
Где, Rнп=
-
амплитуда выходного сигнала
Pн- входная мощность оконечного каскада
Uкэ- напряжение коллектор -
эмиттер в режиме покоя
Uкэ- допустимое температурное смещение
рабочей точки
Iк
min- минимально допустимое значение
коллекторного тока.
гдеUКЭ1=(0,3…0,4)Eк=0,3*20=6 В
DUКЭ1=(0,1…0,2)Eк =0,1*20=2 В
Uэ=(0,1…0,2)Eк=0,1*20=2В
к min=(0,5…1)мА= 1мА
Uкм=8-2-2=4В
к2=
Iк2 max=
кэ max=Eк=20Вк2=Uкэ*Iк2=6*1,97*10-3=12 мВт
Выбираю транзистор V2 КТ312Б
Uкэ=35 В
Pк=225 мВт
Iк=30 мА
Диапазон рабочих температур от -60 до +100°С
βmin=25
βmax=100
β2=60
h11
э1=400 Ом
Выбор транзистора V1
Коллекторный резистор
=156 кОм
R14=
Iэ2=Iэ2 min+
=0,77 мА, Где
э2 min=(0,5…1)мА=0,75мА
14=0,25*(Iэ2)2R14=0,4 мВт
Выбор резистора R14
C2-33- 2,7 кОм±10% P=0,125 Вт
Iк1=
к1 max=
Rк1=R11=
=5243 Ом
Выбор резистора R11
Uкэ
max=Eк=20В
P11=Uкэ*Iк1=20*1,7*103=0,034 Вт
Выбираю транзистор V2 КТ312Б
Uкэ=35 В
Pк=225 мВт
Iк=30 мА
Диапазон рабочих температур от -60 до +100°С
βmin=25
βmax=100
β2=60
h11
э1=400 Ом
Коэффициент трансформации согласующего трансформатора:
Rн=Rвх сопротивление последующего каскада
=
где W2 - число витков вторичной обмотки
W1
- число витков
первичной обмотки
Расчет элементов в цепи смещения:
э=R12+R13=
где
DUэб1=-2DT мВ=-2*80*10-3=0,16В
Iк0
Rб
7,6 кОм
Rб
удволетворяет
R9=
P9=
Выбираю С2-33 470 кОм±10% P=0,125
Вт
R10=
P10=
Выбираю С2-33 51 кОм±10% P=0,125
Вт
Рассмотрим
стабилизацию коэффициента усиления по напряжению введением ООС по переменному
току. Зададимся нестабильностью коэффициента усиления каждого каскада равным dkU =
0.05, тогда требуемый коэффициент стабилизации
, где db - относительный разброс коэффициента
передачи тока в схеме с ОЭ
тогда
Rос=R12=
P12=
R12=(1,7*
=0,7 мВт
Выбираю
R12 C2-33-240Ом±10%
P=0,125Вт
R13=Rэ-R12=1,2кОм-240Ом=960 Ом
P13=
R13=(1,7*
Выбираю
R13 C2-33-1кОм±10%
P=0,125Вт
коэффициент
усиления по напряжению каскада охваченного ОС
Входное
сопротивление каскада:
Ом
Выходное
сопротивление:
Ом
Расчет
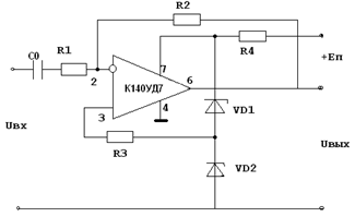
входного каскада
Коэффициент усиления всего усилительного устройства:
, где S =
0.005 В
-
чувствительность
Коэффициент
усиления ОУ:
Для
обеспечения заданного КUОУ и
входного сопротивления необходимо выбрать входной каскад на ОУ.
Но
так как питание усилителя однополярное, а ОУ требует двухполярного питания, то
используем схему с параметрическим стабилизатором.
Основные
параметры К140УД7:
В;
;
Ом;
mA.
Ом
Выбираем
резистор С2-33Н-0.125-5,1кОм +10%
Ом
Выбираем
резистор С2-33Н-0.125-120кОм +10%
Ом
Выбираем
резистор С2-33Н-0.125-4,7кОм +10%
Для обеспечения питания ОУ применим два стабилитрона для обеспечения
средней точки. Выбираем стабилитроны КС121А.
С2-33Н-0.125-6,8кОм
+10%
Расчет
реактивных элементов
Выбор трансформатора обуславливается передаваемой мощностью,
коэффициентом трансформации и индуктивностью первичной обмотки, необходимо, так
же, принимать во внимание, что действующие значения напряжений на обмотках
должны быть меньше паспортных, а для реализации необходимого КПД, сопротивления
обмоток должны быть меньше расчетных.
, пусть DFС = 0,122
рад, тогда
мГн
Ом
Расчет емкостей реактивных элементов.
Выбираю:
С0-
К52-18-16В 220 мкФ
С1-К53-18-16В-220 мкФ-
К53-18-16В-220 мкФ-К53-4А-16В-150 мкФ
С4
- К73-17 1 мкФ х 400В ±5%
Используемая литература
1). Логинов
А.В. "Усилители следящих систем", учебное пособие по курсовому
проектированию,1981г.
.) Логинов
А.В "Аналоговые усилительно-преобразовательные устройства", учебное
пособие,2008.
).
И.И.Четвертков, В.М. Терехов, "Резисторы" справочник,1991
). Справочник
по электрическим конденсаторам под ред. И.И.Четветкова и В.Ф.Смирнова,1983
). В.Ф.
Лярский, О.Б.Мурадян, "Электрические соединители",справочник,1988
). С.Т.
Усатенко, Т.К. Каченюк, М.В.Терехова "Выполнение электрических схем по
ЕСКД",справочник,1989.
).Н.Н.Горюнов
"Полупроводниковые приборы: транзисторы",справочник,1985
).Б.Л.Перельман
"Транзисторы для аппаратуры широкого применения",справочник,1981
). А.В.
Голомедов "Мощные полупроводниковые приборы:
транзисторы",справочник,1985