|
Технологические переходы
|
Элементы припуска, мкм
|
2Zmin, мкм
|
Расчетный размер, мм
|
d, мкм
|
Предельный размер, мм
|
Предельные значения, мкм
|
|
Rz
|
Т
|
r
|
e
|
|
|
|
dmin
|
dmax
|
Zmin
|
Zmax
|
|
Заготовка Растачивание:
Черновое Чистовое Тонкое
|
400 50 25,2 12,8
|
250 50 25 10
|
943 57
|
- 40
|
- 3186 339 100
|
349,485 352,671 353,01
353,11
|
4300 890 230 57
|
345,185 351,781 352,78
353,053
|
349,485 352,671 353,01
353,11
|
3186 339 100
|
6596 999 273
|
Величина пространственных отклонений rз заготовки
Где
rэкс=800 мкм - эксцентричность отверстия
rсм=500 мкм -
смещение отверстия в поковке
Тогда
После
чернового растачивания
r1=ку×rз=0,06×943=57 мкм
ку
- коэффициент уточнения
Погрешность
установки заготовки в приспособлениях eу определяем из при
черновом растачивании eу=40 мкм
Так
как деталь симметрична, то расчетная формула минимального припуска
На
тонкое растачивание
На
чистовое растачивание
На
черновое растачивание
Графу
расчетный размер заполняем, начиная с конечного, т.е. 353,11 мм
Dp1=353,11-0,1=353,01
мм
Dp2=353,01-0,339=352,671
мм
Dp3=352,671-3,186=349,485
мм
Dmax в данном
случае равна Dp.
3.5
Расчет режимов резания и норм штучного времени
Расчет режима резания при черновом растачивании внутренней поверхности.
Исходные данные: d =
352,226 мм; Lрез = 18 мм.
Так как это черновая обработка, то глубину резания t назначаем 5 мм. Для растачивания
используем резец из быстрорежущего сплава.
1. Длина рабочего хода суппорта: Lр.х. = Lрез +
y + Lдоп
Lр.х.
=27+11+0=38 мм [5, с.300].
2. Подача суппорта на оборот шпинделя: по [5, с.25] S0 = 0,4 мм/об.
3. Т - среднее значение стойкости инструмента, Т=47 мин [5, с.26].
. Скорость резания при растачивании по[5, с.29], u = uтабл · К1 ·К2 · К3
Коэффициенты uтабл
=30 м/мин, К1=1,0, К2=1,3, К3=0,85 приняты по [5, с.32], где
К1 - коэффициент, зависящий от обрабатываемого материала;
К2 - коэффициент, зависящий от стойкости и марки твердого сплава;
К3 - коэффициент, зависящий от вида обработки.
Тогда скорость резания J = 30 · 1,0 ·1,15 · 1,0=34,5 м/мин.
5. Число оборотов шпиндельного станка:
=31 об/мин.
[5, с.14]
6. Расчет основного машинного времени обработки
tм=
=
=3,06мин.
7.
Определение сил резания
Рz = Ртабл · К1 · К2 по [5, с.35].
Ртабл=500 кг; К1=0,9, К2=1,0
Где К1 - коэффициент, зависящий от обрабатываемого материала;
К2 - коэффициент, зависящий от скорости резания и переднего угла при
точении сталей твердосплавным инструментом.
Рz = 500 · 0,9 · 1 = 450 кг
8. Расчет мощности резания
=2,5 кВт
9. Расчетная мощность станка
кВт
Где: h=0,8 - КПД
станка.
Мощность станка паспортная (Nст п=11,2 кВт) больше мощности станка расчетной (Nст р=3,125 кВт), следовательно токарный станок полуавтомат
1А73ЧН047 подходит для выполнения этой операции.
10. Определение основного времени резания при растачивании:

мин.
Расчет
режима резания при черновом точении торца.
Исходные
данные: d = 416,3 Lрез = 34,65 мм.
Так
как это черновая обработка, то глубину резания t назначаем 2
мм. Для точения используем резец из быстрорежущего сплава.
1. Длина рабочего хода суппорта: Lр.х. = Lрез +
y + Lдоп
Lр.х.
=34,65+3+0=37,65 мм [5, с.300].
2. Подача суппорта на оборот шпинделя: по [5, с.25] S0 = 0,6 мм/об.
3. Т - среднее значение стойкости инструмента, Т=100 мин [5, с.26].
. Скорость резания при растачивании по[5, с.29], u = uтабл · К1 ·К2 · К3
Коэффициенты uтабл
=26 м/мин, К1=1,0, К2=1,0, К3=1,05 приняты по [5, с.32], где
К1 - коэффициент, зависящий от обрабатываемого материала;
К2 - коэффициент, зависящий от стойкости и марки твердого сплава;
К3 - коэффициент, зависящий от вида обработки.
5. Число оборотов шпиндельного станка:
=20,87
об/мин.
6. Расчет основного машинного времени обработки
tм=
=
=3,01 мин
7. Определение сил резания
Рz = Ртабл · К1 · К2 по
Ртабл=270 кг; К1=0,9, К2=1,0
Где К1 - коэффициент, зависящий от обрабатываемого материала;
К2 - коэффициент, зависящий от скорости резания и переднего угла при
точении сталей твердосплавным инструментом.
Рz = 60 · 0,9 · 1 = 243 кг
8. Расчет мощности резания
=1,08 кВт
9. Расчетная мощность станка
кВт
Где: h=0,8 - КПД
станка.
Мощность станка паспортная (Nст п=11,2 кВт) больше мощности станка расчетной (Nст р=1,35 кВт), следовательно токарный станок полуавтомат
1А73ЧН047 подходит для выполнения этой операции.
10. Определение основного времени резания при растачивании:

мин.
Вывод
Таким
образом, произведена оценка технологичности, разработан маршрут механической
обработки обода маховика, подобрано оборудование, рассчитаны нормы основного
времени резания.
4
ЭКОНОМИЧЕСКАЯ ЧАСТЬ
4.1 Общая
часть
4.1.1 Обоснование
проектирования
Обоснование необходимости создания того или иного двигателя проводят в
основном на стадии разработки типажа. При этом используют методы научного
прогнозирования с учетом потребностей отдельных отраслей народного хозяйства в
том или ином двигателе. После принятия решения о целесообразности создания
двигателя, проводят научное исследование двигателя в области рабочего процесса,
конструктивных цен, применяемых материалов и т.д. для обеспечения высоких
технико-экономических показателей будущего двигателя и выполнения им
действующих и перспективных норм по экологичности двигателя ЕЭК ООН.
В техническом задании на создание нового двигателя определяется:
· назначение двигателя
· его основные конструктивные размеры (диаметр и число
цилиндра)
· материалы доступные для использования при создании этого
класса двигателей
· существующие эксплуатационные материалы
· масштабы производства
· заданный моторесурс
· пусковые качества
· данные о действующих и перспективных нормах по экологичности
двигателя ЕЭК ООН
· данные о достигнутых удельных показателях экономичности и
мощности.
4.1.2 Содержание
модернизации
Модернизация заключается в том, что на двигатель ЯМЗ-534 для обеспечения
пуска двигателя при пониженных температурах вместо электрофакельного устройства
устанавливается принципиально новая система для пускового наддува двигателя
сжатым воздухом из тормозной системы автомобиля.
4.1.3 Общие
положения экономической эффективности
1) Степень рациональности новой или модернизированной конструкции
двигателя определяется ее новизной, техническим совершенством и экономической
эффективностью.
Определение экономической эффективности на стадии конструирования
двигателя необходимо для экономической оценки принимаемых технических решений,
выбора наилучших параметров. При расчетах экономической эффективности
необходимо исходить из народнохозяйственных интересов. Расчеты должны носить
комплексный характер, в которых двигатель рассматривается и как объект производства,
и как объект эксплуатации.
Среди показателей, характеризующих двигатель как объект производства,
следует отметить: материалоемкость, трудоемкость, себестоимость, оптовая цена,
капитальные вложения в производство.
Показателями, характеризующими двигатель в сфере эксплуатации, являются:
мощность, производительность транспортных средств, на которые он
устанавливается, затраты на эксплуатацию, необходимые капитальные вложения,
связанные с приобретением.
2) Оценка экономической эффективности конструкции двигателя должна
производится согласно «Методике определения экономической эффективности
использования в народном хозяйстве новой техники, изобретений и
рационализаторских предложений» и «Методических указаний по определению
экономической эффективности новой техники, изобретений и рационализаторских
предложений в автомобильной промышленности».
Согласно названных методик решение о целесообразности создания и
внедрения новой или модернизированной конструкции двигателя принимается на
основе экономического эффекта, определяемого на годовой объем производства
новой конструкции.
4.2 Аналитическая
часть
4.2.1 Выбор
базы для сравнения
При экономическом обосновании новой конструкции определяется
сравнительная народнохозяйственная эффективность по сравнению с действующей
конструкцией. При этом величина экономического эффекта зависит от варианта,
выбранного для сравнения.
Таким образом, выбор базы для сравнения имеет важное значение.
Потребность в сопоставлении варианта двигателя возникает в нескольких случаях:
· производится модернизация;
· изменяются потребительские свойства по сравнению с
действующим образцом;
· создается принципиально новая конструкция;
Различные варианты конструкции двигателя функционально однородные
изделия, предназначенные для выполнения одинаковой работы, благодаря чему есть
возможность сопоставлять их друг с другом как конструктивно подобные.
В качестве базы для сравнения является двигатель ЯМЗ-534, на основе
которого производится модернизация.
|
Двигатель ЯМЗ-534
|
Двигатель проектируемый
|
|
Ne=118 кВТ i=4 ge=206 г/кВт×ч ЭФУ
|
Ne=118 кВт i=4 ge=206 г/кВт×ч пусковой наддув
|
Одновременно с этим мы учитываем, что проектируемый двигатель, как и
базовый, устанавливается на те же модели транспортного средства.
4.2.2 Обоснование
метода определения себестоимости
Основными технико-экономическими показателями, характеризующими двигатель
в сфере производства, являются: оптовая цена, себестоимость и капитальные
вложения.
Рассмотрим некоторые методы определения себестоимости и ее составляющих:
1) Метод структурной аналогии.
Для определения себестоимости этот метод используется в том случае, когда
есть аналогичные изделия и известная структура себестоимости их изготовления.
Себестоимость проектируемого двигателя рассчитывается по формуле
Где
Сн - себестоимость проектируемого двигателя, руб;
Аi -
величина i-го элемента затрат для проектируемого двигателя
(получена в результате расчета), руб;
аi -
удельный вес i-го элемента затрат в себестоимости в %.
2) Расчет по удельным показателям.
Укрупненный расчет себестоимости изготовления может базироваться на
статистических данных удельной себестоимости единицы веса или мощности.
Сп=Су×Gп
Где Сп - примерная себестоимость изготовления проектируемого двигателя,
руб;
Су - удельная себестоимость, руб/кг;
Gп -
расчетный вес двигателя, кг;
3) Агрегатный метод.
Часто новая конструкция двигателя отличается от существующих несколькими
узлами и деталями. В этом случае при прогнозировании себестоимости проектируемого
двигателя можно воспользоваться агрегатным методом.
Сп=Сб±SСизм
Где Сп - себестоимость изготовления проектируемого двигателя, руб;
Сб - себестоимость базового двигателя, руб;
SСизм - себестоимость агрегатов установленных (снятых) с двигателя, руб;
4.3 Расчетная
часть
4.3.1 Расчет
себестоимости и цены двигателя
Для определения себестоимости двигателя воспользуемся агрегатным методом.
Известно что цена базового двигателя
ЯМЗ-534 Цб =120000 руб.
тогда себестоимость базового двигателе
Сб дв. = Цб/(1+Р)/(1+НДС)=118000/1,15×1,18=87000 руб.
Цена покупаемой системы ЭФУ: комплект трубок с электромагнитным клапаном
- 262.50 р.+ свеча ЭФУ - 150 р. = 412.50 руб., комплекта системы пускового
наддува: шланг подвода воздуха - 120 р. + электропневмоклапан - 480 р. + штуцер
- 50 р. =650 р.
Поэтому себестоимость базового двигателя без комплекта ЭФУ:
С б дв =87000-412.50= 86587.50 руб
Тогда себестоимость проектируемого двигателя
С пр. дв =86587.50+650= 87237.50 руб
Цена двигателя должна быть экономически обоснованной, т.е. определена
применительно к уровню действующих цен с учетом экономических обоснованных
затрат на производство и эффективность применения в народном хозяйстве.
Цдв.=С×(1+Р)×(1+НДС)
Цена проектированного двигателя:
Цпр дв.=87237.50×(1+0,15)×(1+0,18)=
118381,29 руб
4.3.2 Расчет
производительности транспортных средств
Годовая производительность пассажирского автобуса в человеко километрах
рассчитывается на основе данных взятых по «Маршрутным такси» города Ярославля
W=Lгод×q×g×b
Где: Lгод - годовой пробег, км;- полная
вместимость автобуса, чел;
g - коэффициент использования вместимости;
b - коэффициент использования пробега;
Годовой пробег определяется:
Lгод
=Дг×aн× Тн×Jэ
Где: Дг = 365 - дней в году.
aн=0,75
Тн=12 ч в наряде
Jэ=30 км/ч - эксплуатационная скорость.
Таким образом:
= 40 чел;
g = 0,75;
b =0,65;
Lгод
=365×0,75×12×30=98550 км=98550×40×0,75×0,65= 1921725 чел×км/год
4.3.3 Расчет
эксплуатационных расходов
4.3.3.1 Затраты
на топливо
Затраты на топливо, руб/км рассчитываются исходя из норм расхода по
формуле
Зт=0,01×aт×ст.
Где: aт - расход топлива, л/100 км.
ст - стоимость топлива согласно прейскуранту оптовых цен, руб/л.
aт=(Кз+К-1)×а0
Где: Кз=1,042 - коэффициент, учитывающий надбавку в расходе топлива на
зимний период
К=1 - коэффициент, учитывающий надбавку или снижение расхода топлива в
зависимости от вида перевозок.
а0.б.=17 л/100 км - линейная норма расхода топлива с учетом затрат на
ЭФУ.
а0.пр.=16.5 л/100 км - линейная норма расхода топлива с учетом экономии
топлива при пуске.
Получаем
т б=(1,042+1-1)×17=17.714 л/100 кмт пр=(1,042+1-1)×16.5=17.193 л/100 км
Зтб=0,01×17,714×9=1,59 руб./км.
Зтбпр=0,01×17,193×9=1,55
руб./км
4.3.3.2 Затраты
на смазочные материалы
Затраты на смазочные материалы определяются по формуле
Зсм=
где
- соответственно норма расхода масла для двигателя,
трансмиссионного масла (л/100 л топлива) и консистентной смазки (кг/100 л
топлива)
Nд.б. =0,2 л/100
л топлива
Nд.пр. =0,2
л/100 л топлива
Nт.б. = 0,8
л/100 л топлива
Nт.пр. =0,8
л/100 л топлива
Nс.б. =0,6
кг/100 л топлива
Nс.пр. = 0,6
кг/100 л топлива
Цд
= 13,25 руб/кг
Цт
= 17,5 руб/кг
Цс
= 50 руб/кг
По
формуле
Зсм.б.
=
руб/км
Зсм.пр.=
руб/км
4.3.4 Амортизационные
отчисления
Амортизационные отчисления на капитальный ремонт
За = 10-3× Ца × Nа
где Ца - цена автомобиля, руб;
Nа -
норма амортизационных отчислений на капитальный ремонт, % на тыс. км.
Ца.б. =738000 р.
Ца.пр. =738520 р.
Nа=0.2
%
По формуле
За.б.= 10-3× 738000 ×
0.002=1,476 руб/км
За.пр.= 10-3× 738520 ×
0.002=1,477 руб/км
4.3.5 Расчет
годовой экономии текущих расходов в расчете на один новый двигатель
Годовая экономия эксплуатационных затрат у потребителя в расчете на новый
двигатель рассчитывается по формуле:
Рэ=(Sб-Sпр)×W
где Sб,Sпр - себестоимость перевозки пассажира на 1 км для базового и
проектируемого двигателя;
где
åЗ - сумма затрат в эксплуатации, руб/км.
åЗб
=1,59+0,083+1,476=3,15 руб/км
åЗпр=1,55+0,080+1,477=3,11
руб/км
по
формуле:
Sб=
Sпр=
Рэ
=(0,162-0,159)× 1921725= 5765,18 руб
4.4 Расчет
экологического ущерба
4.4.1 Особенности
оценки экономической эффективности затрат на охрану окружающей среды
В основе расчетов лежат основные положения и единые принципы
экономической эффективности капитальных вложений. Выбор наилучшего варианта
средозащитного мероприятия должен исходить из следующих соображений:
отбираются варианты, удовлетворяющие социальным стандартам, экологическим
требованиям. При этом рассматриваются варианты наиболее прогрессивные ,
технико-экономические показатели, которых превосходят или соответствуют лучшим
мировым стандартам;
по каждому варианту определяются затраты, результаты и экономический
эффект с учетом динамики;
лучшим признается вариант, у которого величина экономического эффекта
максимальна или затраты на достижение адекватного результата - минимальны.
Экономический эффект рассчитывается за расчетный период;
Зт - стоимостная оценка затрат на осуществление мероприятия за расчетный
период.
Затраты на реализацию мероприятий за расчетный период включают затраты
при производстве и при использовании продукции:
Величина
социально-экономического ущерба от загрязнения атмосферы выбросами
автомобильного транспорта определяется по формуле:
Уа
= g×s×f×М,
где
g - константа, равная 2,4 руб./усл.т, s - показатель относительной опасности загрязнения атмосферного
воздуха([3], с.10), f - безразмерная величина, равная для автотранспортных
средств 10, М - приведенная масса годового выброса загрязнений
автотранспортными средствами:
где
n - общее число вредных примесей, Аi - показатель относительной агрессивности примеси i-го вида, усл.т/т; mi - масса годового выброса примесей i-го вида в атмосферу, т/год.
Масса
выброса вредной примеси i-го вида в атмосферу автотранспортными средствами
конкретной марки определяется по формуле:
За
год автомобилем
miгод = кi × Тн × 10-3× Дк,
где
кi - массы выбросов в час, г/час; ([3].с.12); Тн - время
в наряде, ч; Дк - количество календарных дней в году.
Стоимостная
оценка результатов осуществления мероприятия за расчетный период определяется
по формуле:
где
n1, n2 - годовые эксплуатационные издержки
автотранспортного предприятия при эксплуатации автомобиля с использованием
соответственно базового и предлагаемого двигателя, руб. Кр - норма реновации
основных фондов при использовании продукции, определяемой с учетом фактора
времени; Ен - норматив приведения разновременных затрат и результатов, равный
нормативу эффективности капитальных вложений (Ен=0,1).
Срок
службы автомобильного транспорта:
где
Lпр - пробег до капитального ремонта; Ккр -
коэффициент, учитывающий пробег после капитального ремонта; Кпр - коэффициент,
учитывающий работу с прицепом; Lг - годовой пробег автомобиля.
Затраты
на реализацию мероприятий за расчетный период:
где
Nв - годовой объем производства двигателей, шт; DС = Спр - Сб, - изменение себестоимости двигателя.
На
данной стадии расчетов мы не имеем данных по DК и Книр,
поэтому приравниваем их к нулю.
4.5 Экономический
эффект
Экономический эффект от уменьшения загрязнений окружающей среды
отработавшими газами автомобилей определяется:
.
Массы
выбросов вредных примесей определяем по формуле:
По
СО
mб=280×12×365=1,226400 т/год
mпр=280×12×365=1,226400 т/год
По
СН
mб=84×12×365=0,367920 т/год
mпр=84×12×365=0,367920 т/год
По
NO
mб=700×12×365=3,066000 т/год
mпр=700×12×365=3,066000 т/год
По
саже
mб=14×12×365=0,061320 т/год
mпр=14×12×365=0,061320 т/год
Результаты
расчета значений, приведенной массы годового выброса загрязнений, приведены в
таблице 1.
Таблица
1 Расчет приведенной массы годового выброса загрязнений
|
Загрязняющие вещества
|
Масса годового выброса,
т/год
|
Значение, Аi
|
Приведенная масса годового
выброса Мi=Аi×mi, усл.т./год
|
|
Базовый
|
Проектный
|
|
Базовый
|
Проектный
|
|
СО
|
1,226400
|
1,226400
|
1,0
|
1.226400
|
1.226400
|
|
СН
|
0,367920
|
0,367920
|
1,5
|
0.55188
|
0.55188
|
|
NO
|
3,066000
|
3,066000
|
42,1
|
129.0786
|
129.0786
|
|
Сажа
|
0,061320
|
0,061320
|
200
|
12.264
|
12.264
|
|
Итог
|
143.12088
|
143.12088
|
Определяем величину экономического ущерба от загрязнения атмосферы
выбросами отработавших газов:
Уа б =2.4*8*10*143.12088=27479.21 руб
Уа пр =2.4*8*10*143.12088=27479.21 руб
Уа пр-Уа б= 27479.21-27479.21= 0 руб/год
величина экономического ущерба за год от загрязнения окружающей среды.
По формуле

лет
откуда
Кр = 1/tсл = 1/5,48=0,182
Тогда
по формуле

руб
Таблица
2 Технико-экономические показатели
|
Наименование показателей
|
Базовый вариант
|
Проектируемый вариант
|
Отношения к базовому
варианту
|
|
Тип двигателя
|
Дизель
|
Дизель
|
-
|
|
Мощность, кВт
|
118
|
118
|
0
|
|
Удельный расход топлива,
г/кВт×ч
|
206
|
206
|
0
|
|
Себестоимость двигателя,
руб./шт.
|
87000
|
87237,5
|
237.5
|
|
Удельная себестоимость
руб./кВт
|
737,29
|
739,3
|
2,01
|
|
Оптовая цена двигателя,
руб.
|
118000
|
118381,29
|
381,29
|
|
Тип автомобиля
|
Автобус
|
Автобус
|
-
|
|
Производительность автомобиля,
чел.км/год
|
1921725
|
1921725
|
0
|
|
Затраты на топливо, руб./км
|
1.59
|
1.55
|
-0.04
|
|
Затраты на смазочные
материалы, руб./км
|
0.083
|
0.080
|
-0.003
|
|
Амортизация, руб./км
|
1,476
|
1,477
|
0.001
|
|
Экономический эффект,
руб./год
|
19601,7
|
Заключение
Модернизация заключается в том, что на двигатель ЯМЗ-534 для обеспечения
пуска двигателя при пониженных температурах вместо электрофакельного устройства
устанавливается принципиально новая система для пускового наддува двигателя
сжатым воздухом из тормозной системы автомобиля. Расчет показал, что
себестоимость проектного двигателя выше чем базового. Экономический эффект от
модернизации получился за счет уменьшения расхода на горюче-смазочные материалы
при пуске двигателя в холодное время (что и было целью модернизации двигателя).
5
ОХРАНА ТРУДА
5.1 Задачи
в области охраны труда
Во время производственной деятельности работающие подвергаются опасности
поражения или возникновения профессионального заболевания, так как абсолютно
безопасных производств не существует. Поэтому в задачи охраны труда входит
обеспечение минимальной опасности поражения или заболевания в условиях
максимальной производительности труда.
Современное машиностроение характеризуется многообразием оборудования,
значительным расширением станочного парка, применением современных методов
получения разнообразных деталей.
В настоящее время в технологических процессах широко используются
ультразвуковые установки, электрооборудование и электроинструменты, подвижно
транспортные устройства, гальваническая обработка и так далее. Все это вызывает
необходимость применения новейших достижений в области охраны труда и техники
безопасности, с целью предупреждения травматизма и профессиональных
заболеваний.
В связи с этими основными задачами по охране труда в области машиностроения
на современном этапе являются:
·
осуществление
мероприятий по механизации и автоматизации трудоемких и опасных процессов;
·
усиление надзора
за безопасным ведением работ и предупреждение профессиональных заболеваний;
·
повышение
культуры производства;
·
использование
новых станков, машин и оборудования, соответствующих технике безопасности и
производственной санитарии;
·
проведение
организационной работы, направленной на обеспечение безопасных и здоровых
условий труда;
·
широкое
обеспечение работающих спецодеждой, специальной обувью и индивидуальными
средствами защиты.
В нашей стране действует система стандартов по безопасности, в
соответствии с которой выполнена часть по охране труда данной дипломной работы.
5.2 Характеристика
испытательного стенда
Согласно заданию на дипломный проект было предложено улучшить пусковые
качества дизеля ЯМЗ - 534 в холодных условиях. Эта работа проводится в камере
холода экспериментального цеха ЯМЗ.
Целью данной работы является выявление целесообразности использования
средств облегчения пуска двигателя.
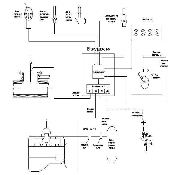
В состав испытательной установки помимо двигателя, аккумуляторных батарей
и электростартера, используемого для запусков двигателя, входят:
·
подмоторная рама
для установки двигателя;
·
устройство и
системы управления, теплоконтроля, измерения параметров работы двигателя. Для
регистрации величин параметров работы двигателя установленных по плану
эксперимента использовались датчики, комплекс усилителей и регистрирующая
аппаратура;
·
системы питания и
обслуживания испытательной обстановки;
·
шумопоглощающие,
противопожарные и аварийные системы.
5.3 Условия
испытаний
К вопросу условий испытаний относится весь комплекс оборудования
устройств и организационно-технических мероприятий, исключающих травматизм и
профессиональные заболевания и обеспечивающих нормально допустимые санитарные
условия труда, безвредные для здоровья работающих на данном производстве.
Основные требования, которым должна удовлетворять камера холода,
заключаются в том, чтобы испытания двигателя в камере проводились в условиях,
максимально приближенных к эксплуатационным.
Современные камеры холода в большинстве случаев сложные и дорогостоящие
сооружения, к которым предъявляется целый ряд требований.
5.3.1 Характеристика
шума
Источниками шума при работе испытуемого двигателя являются выпуск
отработавших газов, работа механизмов следствие движения и трения шестерен,
стука клапанов, пружин, кулачков и других деталей, а также шум, излучаемый
вибрацией картера, рамы и соединительных трубок. Однако наибольший уровень шума
происходит от газовыпуска и частично от воздуховпуска в результате истечения
газа и воздуха и резкого изменения давления в выпускных и впускных каналах и
трубопроводах.
Общий уровень шума и характеристика его спектра по частотам и поршневых двигателей
зависит от мощности, числа цилиндров, частот вращения и других конструктивных
особенностей.
Конкретно, для двигателя ЯМЗ-534, который находится в камере холода,
общий уровень шума при работе его на номинальной частоте вращения составил 110 ¸ 120 дБ, при этом область получаемых
частот составляет 20 ¸ 8000 Гц.
В соответствии с санитарно-техническими нормами и требованиями
Государственной санитарной инспекции для среднечастотных шумов, к которым
следует отнести шум, получаемый при работе двигателя ЯМЗ, допустимый уровень
шума составляет 85¸90 дБ. Следовательно, действительный уровень шума при работе двигателя
превышает допустимый на 25¸30 дБ. Следовательно, при произведении испытании необходимо
предусмотреть специальные меры по снижению уровня шума.
Поскольку испытательная установка расположена в изолированной камере, то
это в сочетании с устройством стендовых глушителей явится наиболее
действительным средством по снижению шума. Во время работы таких установок
обслуживающий персонал находится в изолированных от шума кабинах управления.
Практически этот способ не имеет каких-либо ограничений и поэтому он
пригоден для всех двигателей, включая и те, которые выделяют самые высокие
уровни шумов.
Необходимую эффективность глушителей определяют по формуле:
Lгл = Lуст - Lдоп (5.1)
где: Lгл - эффективность глушителя, то есть
требуемая величина глушения, дБ;
Lуст -
общий уровень шума, излучаемый установкой, дБ;
Lдоп -
общий допустимый уровень шума в помещении испытательной установки, дБ.
Lгл =
120 - 90 = 30 дБ
В устройстве глушителей следует применить звукопоглащающий материал, к
которому предъявляются следующие требования:
·
стойкость к
температурному режиму, принятому для глушителей выпуска отработавших газов.
Конструкция глушителя в целом, включая и звукопоглощающие элементы, должна быть
выполнена из огнестойких материалов;
·
стойкость к
вибрациям и выветриванию, происходящим под действием газовоздушного потока;
·
минимальная
гигроскопичность.
В воздухоприемных глушителях звукопоглощающие материалы не должны
выделять твердых частиц пыли и прочих механических примесей. В качестве
звукопоглощающего материала глушителей принимаем стекловолокно, которое
удовлетворяет всем перечисленным требованиям и обладает высоким коэффициентом
звукопоглощения, что дает возможность сократить длину шумопоглощающих
элементов, а, следовательно, и всей конструкции глушителя.
Для стекловолокна диаметром 25 мкм в пластинчатых или облицовочных
глушителях значение коэффициента звукопоглощения a (среднее для всех частот): a = 0,48.
С целью повышения эффективности звукопоглощения в камере следует
порекомендовать дополнительную облицовку стен и потолочных перекрытий
звукопоглощающими панелями. Общая поверхность покрытия звукопоглощающей
облицовки должна составлять не менее 50 ¸ 60 процентов от всей внутренней поверхности шумозаглушаемого
помещения.
Такая облицовка дает общее снижение шума на 5 ¸ 10 дБ и в большей степени по высоким
частотам. Следует отметить, что такое снижение шума составляет весьма ощутимую
величину, которая субъективно воспринимается слухом, как снижение громкости
соответственно на 30 ¸ 50 процентов.
Это дополнительно позволит повысить уровень звукоизоляции между соседними
помещениями.
5.3.2 Санитарно-технические
требования к освещению
Согласно санитарно-техническим требованиям, предъявляемым к камере
холода, все помещения должны иметь освещение с действующими нормами.
В соответствии с СНиП 23 - 05 - 95 все работы, проводимые в испытательном
помещении камеры, следует отнести по характеристике зрительной работы к работам
малой точности с наименьшим объектом различения от 1 до 5 мм.
Для контраста объекта различения с фоном «Малый - средний», применительно
к системе общего равномерного освещения, освещенность в испытательном помещении
камеры холода составляет 100 лк.
Работы, проводимые в кабине наблюдений, следует отнести к работам средней
точности с наименьшим размером объекта различения от 0,5 до 1 мм (в основном
работа с электроизмерительной аппаратурой). Для такого типа работ требуется
система общего освещения.
Для нее, исходя из характеристики зрительной работы, освещенность
составляет 200 лк.
Количество светильников определяется исходя из размеров помещения (по
площади и кубатуре), мощности светильников, их требуемого расположения и
необходимой освещенности, требуемой для данного вида работ.
5.3.3 Требования,
предъявляемые к пожарной безопасности
В соответствии с ГОСТ 12.4.009-83 «Пожарная техника для защиты объектов.