Система технического обслуживания и ремонта винтового конвейера

  • Вид работы:
    Дипломная (ВКР)
  • Предмет:
    Другое
  • Язык:
    Русский
    ,
    Формат файла:
    MS Word
    758,43 kb
  • Опубликовано:
    2012-03-24
Вы можете узнать стоимость помощи в написании студенческой работы.
Помощь в написании работы, которую точно примут!

Система технического обслуживания и ремонта винтового конвейера

Содержание

Введение

1.   Специальная часть

.1   Общие сведения об оборудовании

1.2     Расчет и выбор привода

.3       Расчет соединений, передач

.4       Расчет фундамента

.5       Система смазывания

2.   Система технологического обслуживания и ремонта

.1   Составление графика ремонтов оборудования на 2012 год

2.2     Определение численности ремонтных рабочих

.3       Определение численности слесарей

.4       Определение численности станочников

.5       Определение общей численности персонала .Определение площади цеха и мастерской

.6       Перечень работ при ремонтах и их длительность

.7       Перечень быстроизнашивающихся деталей и причины износа

.8       Порядок сборки и регулировки сборочного узла

.9       Технологический процесс изготовления детали.

3.   Технологическая эксплуатация оборудования.

.1   порядок монтажа

3.2     Возможные неисправности, их причины, способы устранения

.3       Средства обеспечения безопасности эксплуатации оборудования

4.   Охрана труда

.1   Требования безопасности при проведении ремонта

4.2     Требования к освещению рабочего участка

.3       Мероприятия по электро и пожаробезопасности

Список литературы

Введение

Тема моего курсового проекта «Система технического обслуживания и ремонта винтового конвейера». Винтовым конвейером называют устройство, осуществляющее транспортирование материала по желобу с помощью вращающегося винта. Винтовые конвейеры применяют для перемещения сыпучих грузов, главным образом порошковых и реже мелкокусковых.

В легкой промышленности эти конвейеры используют для транспортировки раздробленных дубителей, Корья, сухой извести, химикатов, древесных опилок, различных мелких кусковых отходов. В основном винтовые конвейеры перемещают груз по горизонтали, но могут и поднимать груз под углом 15-20⁰ и опускать его под углом 20 - 30⁰. Специальные конструкции винтовых конвейеров при достаточно большей частоте вращения винта позволяет перемещать насыпные грузы вертикально вверх.

1.Специальная часть

.1 Общие сведения об оборудовании

Винтовой конвейер представляет собой устройство для непрерывного перемещения штучных и сыпучих грузов в горизонтальном направлении под углом. Его тяговым органом является винтовая лента.

Эти конвейеры получили широкое распространение в поточном производстве, для межоперационного и межцехового транспортирования сырья, полуфабрикатов и готовых изделий, а так же для удаления отходов.

Винтовые конвейеры отличаются значительной длиной транспортирования, высокой производительностью, простотой конструкции, малой собственной массой, надежностью в работе и удобством эксплуатации.

.2 Расчет и выбор привода

Рисунок-1 Кинематическая схема привода.

винтовой конвейер технологический ремонт

Исходные данные:

1.   Тяговая сила ленты F =2.8кН;

2.       Скорость ленты V = 1.3 м/с;

.        Диаметр барабана D = 500мм;

.        Длина конвейера L = 8м;

.        Вес приводной станции G=900кг

.2.1   
Определяем требуемую мощность рабочей машины

P=F*V,                                          [2]                                  ( 1 )

где F - тяговое усилие ленты, Кн;

v - Скорость ленты, м/с;

.

1.2.2Определяем общий коэффициент полезного действия привода

,  [2]     ( 2 )

где ηред - КПД редуктора;

ηм и η2м - КПД муфт 1 и 2 соответственно;

- КПД редуктора = 0,97

 


.2.3 Определяем требуемую мощность двигателя.

,    [2]     ( 3 )

где Ррм - требуемая мощность рабочей машины, Квт;

 - КПД привода

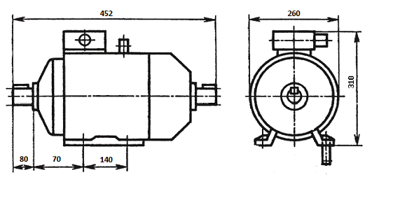
1.2.4 По таблице К9 выбираем двигатель серии 4А с Рном = 4Квт

Двигатель 4АМ112МА6У3 с n = 950 об/мин

Рисунок - 2 Электродвигатель 4АМ112МВ6У3

.2.5 Определяем частоту вращения барабана

[2] ( 5 )

где v - скорость ленты, м/с;

D - диаметр барабана, мм;


.2.6 Находим передаточное число привода.

1.2.7 Расчет соединений, передач.

Производим выбор муфты.


.2.8 Определяем расчетный вращающий момент

,         [2]     ( 7 )

где Тдв - Вращающий момент на валу двигателя, Нм;

Крн - коэффициент распределения нагрузки (=1,5)


Исходя из расчета выбираем муфту МУВП-63 ГОСТ 21425-93

Рисунок - 3. МУВП - 63 ГОСТ 21425-93

.2.8 Определяем вращающий момент на валу привода

,     [2]     ( 8 )

где Ррм - мощность рабочей машины, Квт;

nв - частота вращения выходного вала привода, об/мин;


.2.9 Определяем вращающий момент на муфте редуктора и производим выбор муфты.

,       [2]     ( 9 )

где Трм - вращающий момент на выходном валу привода, Нм;

Крн - коэффициент распределения нагрузки

Исходя из расчета выбираем муфту МУВП-710 ГОСТ 21425-93

Рисунок-4. МУВП - 710 ГОСТ 21425-93

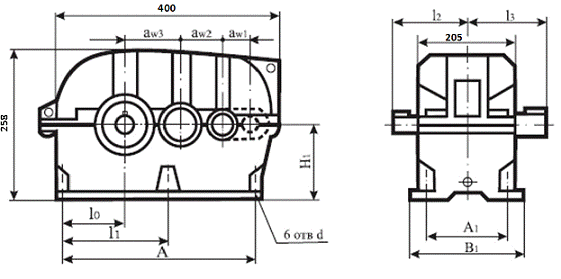
Исходя из выше произведённого расчета выбираем редуктор 2Ц2-100Н с:

Тр = 1000Нм;

U = 20.

Рисунок - 5. Редуктор Ц2У-160

1.3 Расчет соединений, передач

В данном разделе мы произведем расчет на прочность шпонки приводного барабана конвейера.

.3.1 Определяем диаметр вала приводного барабана конвейера.

     

где Трм - крутящий момент на валу барабана, Нм;

[τ] - допускаемое напряжение кручения; [τ] = 15Нм

,

Принимаем стандартное значение d = 90мм

1.3.2 Исходя из таблицы К42 [2] выбираем размеры шпонки:

h = 14 мм;

t1 = 9 мм

Определяем длину шпонки.

; или ,    [2]     ( 12 )

 

Lст = 1.5*D = 1.5*90 =135 мм,

где lcn - длина ступицы

 

Lр = 78 - (5÷8) = 135 - 5 = 130 мм.

.3.3 Производим расчет шпонки на смятие

,    [2]    ( 13 )

где F1 - тяговое усилие ленты;

Асм - Площадь поверхности, находящейся под нагрузкой, м²;

[ σ ]см - допускаемое напряжение смятия; [ σ ]cм = 70 Н/мм²

[2]     ( 14)


Из расчета следует вывод, что шпонка нагрузку выдержит.

1.4 Расчет фундамента

.4.1 Находим вес фундамента.

Gф =Gобор * К,                                                                        [2]     ( 15 )

где Gобор - вес оборудования, кг;

К - коэффициент, учитывающий характер нагрузки в процессе эксплуатации оборудования; К = 1,2 - 1,5

Gф = 900 * 1,5 = 1350 кг

.4.2 Находим площадь основания фундамента:

Fосн = a *b,                               [2]                                         ( 16 )

где a и b - длина и ширина привода конвейера соответственно, мм; Размеры муфт, двигателя и редуктора указаны выше.

Fосн =900*1.5= 1,3м²

.4.3 Определяем плотность бетона. Принимаем стандартное значение:


.4.4 Определяем глубину заложения фундамента.

,    [2]     ( 17 )

где Gф - вес фундамента, т;

Gобор - вес оборудования, т;

Fосн - площадь основания фундамента, м²

ϒв - плотность бетона, т/м³


.4.5 Исходя из условий работы оборудования принимаем марку бетона М-120

.5 Система смазывания оборудования

Рисунок - 6 Схема смазки.

1. - Редуктор;

2.       - Подшипники качения;

.        - Подвесной подшипник.

Таблица 1. Карта смазки оборудования

Объект смазки

Смазочный материал

Способ смазки

Периодичность смазки

Расход за единицу времени

1

Редуктор Ц2У-160

Масло И-Г-АП-46 ГОСТ 2079-88

Заливка

6 мес.

3 л.

2

Подшипник качения

Смазка Литол - 24 ГОСТ 21150 - 87

Индив., закладка

3 мес.

1.3 кг.

 3

Подвесной подшипник

И- 20 л 20709-88

 Индив., закладка

3 мес.

1.5 кг.


.5.1 Определяем годовой расход смазочного материала.

Для ленточного конвейера:

.5.1.1 Поз.1 - Редуктор 2Ц2-100Н

Расход масла И-Г-АП-46 на год = 2*2=4л/год

.5.1.2 Поз.2 - Опора вала

Расход смазки Литол - 24 на год:

,08 * 4 шт = 0,32

,32 * 4 = 1,28кг

.5.1.3 Поз.3 - Опора винта

Расход смазки И - 20А 20709 - 88 на год:

1.5*3 = 4.5кг

.5*4 = 18 кг

2. Система технического обслуживания и ремонта.

.1 Составление годового графика ремонтов оборудования ( см. приложение к ПЗ)

.2 Определение численности ремонтных рабочих.

,               ( 1 )

где Фф - фактический фонд времени работ за год = 1815 час.;

Кн - коэффициент выработки нормы времени = 1,15

.2.1 Для раскройного агрегата (2шт.)

Трем = Rм * ( nто * tто + nс * tс + nкр * tкр ),                                    ( 2 )

где Rм - категория ремонтной сложности;

nто, nс, nкр - количество тех. обслуживания, капитального и среднего ремонтов в году соответственно.

tто, tс, tкр - удельная трудоемкость при проведении технологического осмотра, среднего ремонта и капитального ремонта соответственно.

Таблица 2. Трудоемкость при проведении определенного вида работ.

Вид ремонта

Трудоемкость работ (чел*час)


Слесарные

Станочные

Прочие

Всего

КР СР ТО

 20 14 4

 11 7 3

 2 2 _

 33 23 7


трем = 16 * (1 * 7) = 112чел*час

трем = 16 * (1 * 23) = 368чел*час

В дальнейшем расчет будет производиться исходя из данной формулы в соответствии с годовым графиком ремонта оборудования.

.2.2 Сушильно-пропитачный агрегат(2шт.)

Трем =10*(1*23+1*7) = 300 чел*час

Трем = 10*(1*7+1*23) = 300 чел*час

.2.3 Трем = 35*(1*7+1*33) = 1400 чел*час

Трем = 35*(1*7+1*23) = 1050 чел*час

.2.4 Трем = 8*(1*7) = 56 чел*час

Трем = 8*(1*23) = 184 чел*час

.2.5 Трем = 12*(1*7+1*23) = 360 чел*час

Трем = 12*(1*7+1*23) = 360 чел*час

Трем = 12*(1*7+1*23) = 360 чел*час

.2.6 Трем = 8*(1*23) = 184 чел*час

Трем =8*(1*7) = 56 чел*час

.2.7 Трем = 10*(1*7+1*23) = 300чел*час

Трем = 10*(1*7+1*23) = 300чел*час

.2.8 Трем = 16*(1*33) = 528 чел*час

Трем = 16*(1*23) = 368 чел*час

Трем = 16*(1*7) = 112 чел*час

2.2.9 Трем = 12*(1*7) = 87 чел*час

Трем = 12*(1*23) = 276 чел*час

.2.10 Трем = 8*(1*7+1*23) = 240 чел*час

.2.11 Трем = 14*1*7+1*23) = 420 чел*час

.2.12 Трем =20*(1*7) = 140 чел*час

Трем =20*(1*23) =460 чел*час

Трем =20*(1*23) =460 чел*час

.2.13 Трем = 10*(1*7+1*33) = 400 чел*час

.3 Определение численности слесарей

Тслес = Rм * ( nто * tто + nс * tс + nкр * tкр ),

Все данные нам известны, исходя из Таблицы 1 и графика проведения ремонтов оборудования на 2012 год.

.3.1 Для раскройного агрегата.

Тслес = 16*(1*4) = 64чел*час

Тслес = 16*(1*14) = 224чел*час

Дальнейший расчет производим в соответствии с графиком ремонтов оборудования.

2.3.2 Тслес =10*(1*4+1*14) = 180 чел*час

Тслес =10*(1*4+1*14) = 180чел*час

.3.3 Тслес = 35*(1*4+1*20) = 840 чел*час

Тслес = 35*(1*4+1*14) = 630 чел*час

.3.4 Тслес = 8*(1*4) = 32 чел*час

Тслес = 8*(1*14) = 112 чел*час

.3.5 Тслес = 12*(1*4+1*14) = 216 чел*час

Тслес = 12*(1*4+1*14) = 216 чел*час

Тслес = 12*(1*4+1*14) = 216 чел*час

.3.6 Тслес =8*(1*14) = 32 чел*час

Тслес = 8*(1*4) = 32 чел*час

.3.7 Тслес = 10*(1*14) = 140 чел*час

Тслес = 10*(1*4) = 40 чел*час

.3.8 Тслес = 16*(1*20) = 320 чел*час

Тслес = 16*(1*14) = 224 чел*час

Тслес = 16*(1*4) = 64 чел*час

.3.9 Тслес = 12*(1*4) = 144 чел*час

Тслес = 12*( 1*14) = 168 чел*час

.3.10 Тслес =8*(1*4+1*14) = 144 чел*час

.3.11 Тслес = 14*(1*4+1*14) = 252 чел*час

2.3.12 Тслес =20*(1*4) = 80 чел*час

Тслес =20*(1*14) = 280 чел*час

Тслес =20*(1*14) = 280 чел*час

.3.13 Тслес = 10*(1*4+1*20) = 240чел*час

( 3 )

.4 Определяем численность станочников

Тстан = Rм * ( nто * tто + nс * tс + nкр * tкр ),

Все данные нам известны, исходя из Таблицы 1 и графика проведения ремонтов оборудования на 2012 год.

Расчет будем производить в соответствии с графиком ремонтов оборудования на 2012 год.

.4.1 Для раскройного агрегата.

Тстан = 16*( 1*3) =48 чел*час

Тстан = 16*( 1*7) =112 чел*час

.4.2 Тстан = 10*(1*3+1*7) = 100 чел*час

Тстан = 10*(1*3+1*7) = 100 чел*час

.4.3 Тстан = 35*(1*3+1*11) =490 чел*час

Тстан = 35*(1*3+1*7) =350 чел*час

.4.4 Тстан = 8*(1*3) = 24 чел*час

Тстан = 8*(1*7) = 56 чел*час

2.4.5 Тстан = 12*(1*3+1*7) = 120 чел*час

Тстан = 12*(1*3+1*7) = 120 чел*час

Тстан = 12*(1*3+1*7) = 120 чел*час

.4.6 Тстан = 8*(1*7) = 56 чел*час

Тстан = 8*(1*3) = 24 чел*час

.4.7 Тстан = 10*(1*3+1*7) = 100 чел*час

Тстан = 10*(1*3+1*7) = 100 чел*час

.4.8 Тстан = 16*(1*11) = 176 чел*час

Тстан =16*(1*3) = 48 чел*час

Тстан =16*(1*7) = 112 чел*час

.4.9 Тстан = 12*(1*7) = 84 чел*час

Тстан = 12*(1*3) = 36 чел*час

.4.10 Тстан = 8*(1*3+1*7) = 80 чел*час

.4.11 Тстан = 14*(1*3+1*7) = 140 чел*час

.4.12 Тстан = 20*(1*3) = 60 чел*час

Тстан = 20*(1*7) = 140 чел*час

Тстан = 20*(1*7) = 140 чел*час

.4.13 Тстан = 10*(1*7) = 140чел*час

 ( 4 )

2.5 Определение общей численности персонала в слесарно-механической мастерской.

,   ( 5 )

где Чсв - численность сварщиков; (2-3)

Чсмаз - численность смазчиков. (1-2)

Остальные величины определены выше.


Определение общей площади цеха

Sцеха = Sру + Sмаст + Sсклада + Sбыт,

где Sру - площадь рабочего участка;

Sмаст - площадь мастерской;

Sсклада - площадь склада;

Sбыт - площадь бытовых помещений

На единицу оборудования условно берем 20 м²

Sру = So*n,

где So - уд. Площадь, приходящаяся на единицу оборудования.

Sмаст = Sслес + Sстан + Sинстр, где Sсклада = 60м²

Sслес - слесарный участок = 20*5 = 100м² Sбыт. Помещ = 70м²

Sстан - станочный участок = 20*3 = 60м² Sру = 24*20 = 480м²

Sинстр - площадь инструментальной кладовой = 10м²

Sмаст = 54+70 = 124 м²

Sцеха = 124+650 = 774м²

2.6 Перечень работ при плановых видах ремонта и длительность их проведения

Инструкция по обслуживанию изделия:

.6.1 Виды и периодичность обслуживания

При техническом обслуживании Конвейера следует использовать настоящее руководство по эксплуатации.

Для обеспечения надежной работы Конвейера проводятся следующие виды технического обслуживания:

ежесменное техническое обслуживание (ЕО) - после окончания смены;

техническое обслуживание (ТО) - после каждых 250-280 часов непрерывной работы;

текущий ремонт (ТР) - после 900-960 часов непрерывной работы, т.е. производить при замеченных отклонениях в работе двигателя (повышенный нагрев корпуса, увеличение шума и вибрации и других неисправностях электрооборудования);

капитальный ремонт (КР) - после 3000-4000 часов непрерывной работы в зависимости от вида транспортирования грузов. Категория ремонтной сложности конвейера Rм = 11

.6.2 Порядок выполнения обслуживания

Техническое обслуживание необходимо производить в обстановке, исключающей попадание грязи и пыли на узлы и агрегаты.

Во время технического обслуживания и ремонта изделия:

·      Ремонт и техническое обслуживание должны производиться при выключенном оборудовании.

·        Ремонт и техническое обслуживание изделия могут производиться только при отключении изделия от электрической сети.

·        Категорически запрещается производить ремонт, регулировку, смазку, крепление сборочных единиц и деталей во время работы изделия.

·  Не реже четырех раз в месяц необходимо проверять исправность изоляции, состояние заземления, отсутствие замыкания на корпус, состояние корпусных деталей, резиновых манжет, надежность болтовых и сварных соединений.

·        Перечень работ для ежесменного технического обслуживания (ЕО).

Таблица 3. Перечень работ для ежемесячного технического обслуживания (ЕО)

Таблица 4. Перечень работ по ТО


Длительность проведения технического обслуживания Dто.


где Rм - категория ремонтной сложности конвейера, Rм = 10;

tто - уд. трудоемкость на одну единицу ремонтной сложности, tто =7 чел*час;

Кто - количество ремонтников при ТО, Кто = 2 чел.


.6.3 Перечень работ при среднем ремонте:

Проводятся все работы, предусмотренные ТО и дополнительно:

·    Замена подшипников качения в корпусах;

·        Проверка натяжного устройства;

·        Демонтаж конвейера;

·        Наплавка изношенных поверхностей валов;

·        Замена смазки.

Длительность проведения среднего ремонта Dср

,        ( 7 )

где tср - удельная трудоемкость при СР, tср = 23 чел*час;

Кср - количество ремонтников при СР, Кср = 3 чел.


.6.4 Перечень работ при капитальном ремонте:

Проводятся все работы, предусмотренные при СР и дополнительно:

·    Снятие натяжной и приводной станций;

·        Замена ленты;

·        Очистка и промывка зубчатых колес редуктора;

·        Замена подшипников роликоопор;

·        Покраска корпусов деталей конвейера.

Длительность проведения капитального ремонта Dкр

,         ( 8)

где tкр - удельная трудоемкость при КР, tкр = 33 чел*час;

Ккр - количество работников при КР, Ккр = 4 чел.


2.7 Перечень быстроизнашивающихся деталей, причины износа

Таблица 5. Перечень быстроизнашивающихся деталей.

Наименование быстроизнашиваемой детали

Причины износа

Подшипники качения

Попадание абразивного материала в корпус подшипника, излом сепаратора.

Винт натяжной станции

Износ резьбы из-за нерегулярной смазки и попадания абразивных частиц

Валы

Износ наружной поверхности валов из-за ударов , некачественной смазки.

Винт конвейера

Чрезмерное натяжение ленты.

.8 Порядок сборки и регулировки сборочного узла

В качестве рассматриваемого сборочного узла в конвейере выделяем узел цилиндрической передачи.

.8.1 Порядок сборки зубчатой пары.

Шестерня насаживается на вал электродвигателя за счет призматической шпонки. Соединение шестерни с валом производиться по плотной посадке.

Ведомое зубчатое колесо насаживается на вал приводного барабана конвейера по плотной посадке тоже за счет призматической шпонки.

Далее ведомое и ведущее колеса проверяются на радиальное и торцевое биение при помощи индикатора часового типа. Значения этих биений должны находиться строго в ограниченных допустимых пределах с целью исключения износа зубьев.

.8.2 Регулировка цилиндрической передачи.

Необходимо убедиться в том, что колеса находятся строго в одной плоскости. Для этого прикладываем прямолинейную рейку к наружной поверхности ведомого колеса. Допускается отклонение от плоскостности не более 1˚. Цилиндрическая передача должна быть постоянно смазана. После установки передачи необходимо проверить ее на наличие стуков и шумов. После проверки прогнать вхолостую.

.9 Разработка технологического процесса изготовления детали

2.9.1 Служебное назначение детали

Вал предназначен для передачи крутящего момента или в качестве опор.

В процессе эксплуатации вал подвергается воздействию нагрузок, работает при больших скоростях и средних давлениях. Цементируемая деталь с высокой твёрдостью и невысокой прочностью сердцевины. Поэтому можно сделать вывод, о том, что материал и термообработка должны обеспечить высокую прочность детали, износостойкость рабочих поверхностей. Поэтому в качестве материала принята Сталь45 ГОСТ 1050-88.

 

2.9.2 Анализ технических требований на деталь и ее технологичности

Проанализировав чертеж детали, можно сделать вывод о том, что деталь является технологичной. Конструкция имеет поверхности, удобные для базирования и закрепления при установке на станках. Доступность всех поверхностей для обработки на станках и непосредственного измерения. Конструкция детали обеспечивает нормальный вход и выход режущего инструмента.

.9.3Определяем припуск и выбираем заготовку.

В соответствии с тем .что вал имеет цилиндрическое сечение, выбираем прокатный пруток из стали 45 ГОСТ 1050-88


2.9.4 Технологический процесс изготовления детали

Выбираем материал вала: сталь 45. Выбираем заготовку цилиндрической формы и обрабатываем её до нужных размеров.

005 Заготовительная.

Выбираем заготовку цилиндрической формы, производим промеры размеров.

010 Точение

Обтачивание внешнего наибольшего диаметра 90 до диаметра 85.

Обработка производится в 3 прохода: 1 черновой и 2 чистовых.

При черновой обработке:      глубина резания при 1 проходе t=1,5мм 

глубина резания при 2 проходе t=1,5мм 

При чистовой обработке:      глубина резания t=0,5мм

Выбираем скорость резания (V) и частоту вращения вала (n)

n=159об/мин; V=45м/мин

Выбираем подачу резца по таблице 175 [ 7 ]:

SЧЕР=5мм/об; SЧИСТ=3мм/об

Определяем длину прохода резца

L=l+y+Δ,                                                                               [6] (1)

где l-длина обрабатываемого участка, l=750мм;

y-величина врезания,y=2мм;

Δ - перебег резца,Δ=2мм;

L=750+2+2=754мм

Рассчитываем основное время по формуле 2.6:

;                                                                              [6] (2)

где S0 - подача резца, мм/об;

T0 = T0ЧИСТ + T0ЧЕРН

Т0 = 3,32+0,94=4,26мин

015 Точение

Обтачивание конца вала с диаметра 85мм до 80 на длине 260мм.

Обработка производится в 3 прохода: 2 черновых и 1 чистовой.

При черновой обработке:      глубина резания при 1 проходе t=1мм

глубина резания при 2 проходе t=1мм

При чистовой обработке:      глубина резания t=0,5мм

Выбираем скорость резания и частоту вращения заготовки

n=200об/мин; V=50м/мин

Выбираем подачу резца:

SЧЕР=5мм/об; SЧИСТ=3мм/об

Определяем длину прохода резца

l=260мм; Δ=2мм; y=2мм;

L=260+2+2=264мм

Рассчитываем основное время

Т0 = 0,52+0,44=0,96мин

020 Точение

Обтачиваем поверхности под диаметр 70мм на длине 150мм

Обработка производится в 3 прохода: 2 черновых и 1 чистовой.

При черновой обработке:      глубина резания при 1 проходе t=2мм

глубина резания при 2 проходе t=2мм

При чистовой обработке:      глубина резания t=1мм

Выбираем скорость резания и частоту вращения заготовки

n=200об/мин; V=50м/мин

По таблице 175 [ 6 ] выбираем подачу резца:

SЧЕР=5мм/об; SЧИСТ=3мм/об

Определяем длину прохода резца

L=150мм; Δ=2мм; y=2мм;

z=150+2+2=154мм

Рассчитываем основное время

Т0 = 0,32+0,26=0,58мин

025 Точение

Протачивание канавки шириной 3 мм, глубиной 1мм.

Глубина резания t=1мм

Выбираем скорость резания и частоту вращения заготовки

V=40м/мин; n=305об/мин

По таблице 175 [ 7 ] выбираем подачу резца:

S=0,1мм/об

Рассчитываем основное время


030 Точение

Протачивание канавки шириной 3 мм, глубиной 1мм.

Глубина резания t=1мм

Выбираем скорость резания и частоту вращения заготовки

V=40м/мин; n=305об/мин

Выбираем подачу резца:

S=0,1мм/об

Рассчитываем основное время


035 Точение

Точение фаски на торце вала величиной 2мм под углом 45 градусов.

Глубина резания t=2мм

Выбираем скорость резания

n=305об/мин; V=55м/мин

Принимаем основное время равное 0,05мин

040 Точение

Обтачивание конца вала с диаметра 85мм до 80 на длине 50мм.

Обработка производится в 3 прохода: 2 черновых и 1 чистовой.

При черновой обработке:      глубина резания при 1 проходе t=1мм

глубина резания при 2 проходе t=1мм

При чистовой обработке:      глубина резания t=0,5мм

Выбираем скорость резания и частоту вращения заготовки по

n=200об/мин; V=50м/мин

По таблице 175 [ 7 ] выбираем подачу резца:

SЧЕР=5мм/об; SЧИСТ=3мм/об

Определяем длину прохода резца

l=50мм; Δ=2мм; y=2мм;

L=50+2+2=54мм

Рассчитываем основное время

Т0 = 0,1+0,09=0,19мин

045 Точение

Точение фаски на торце вала величиной 2мм под углом 45 градусов.

Глубина резания t=2мм

Выбираем скорость резания по

n=305об/мин; V=55м/мин

Принимаем основное время равное 0,05мин

050 Точение

Протачивание канавки шириной 3 мм, глубиной 1мм.

Глубина резания t=1мм

Выбираем скорость резания и частоту вращения заготовки

V=40м/мин; n=305об/мин

По таблице 175 [ 7 ] выбираем подачу резца:

S=0,1мм/об

Рассчитываем основное время


055 Точение

Протачивание канавки шириной 3 мм, глубиной 1мм. Под стопорное кольцо.

Глубина резания t=1мм

Выбираем скорость резания и частоту вращения заготовки

V=40м/мин; n=305об/мин

Выбираем подачу резца:

S=0,1мм/об

Рассчитываем основное время


060 Фрезерование

Фрезеруем шпоночный паз под шпонку на ступени диаметром 85мм.

Обработка производится в 3 прохода.

Глубина резания t=3мм

Выбираем скорость резания и частоту вращения заготовки

n=120об/мин; V=138м/мин

Выбираем подачу резца:

S0 =0,4мм/об

Длина прохода фрезы l=118мм

Диаметр фрезы B=22мм

Определяем минутную подачу фрезы

SM = S0 ģ n                                                                             [ 6 ]   (3)

SM = 0,4 ģ 120 = 48мм/мин

Определяем основное время

                                                                                 [ 6 ]   (4)


065 Фрезерование

Фрезеруем шпоночный паз под шпонку на ступени диаметром 70мм.

Обработка производится в 3 прохода.

Глубина резания при первом проходе t=3мм

Глубина резания при втором проходе t=3мм

Глубина резания при третьем проходе t=1,5мм

Выбираем скорость резания и частоту вращения заготовки

n=120об/мин; V=126м/мин

Выбираем подачу резца:

S0 =0,4мм/об

Длина прохода фрезы l=130

Диаметр фрезы B=20мм

Определяем минутную подачу фрезы

SM = 0,4 ģ 120 = 48мм/мин

Определяем основное время


Определяем суммарное основное время

Т0 =T0ТОЧ1 +T0ТОЧ2 +T0ТОЧ3 +T0ТОЧ4 +T0ТО5 +T0ТОЧ6 +T0ТОЧ7 +T0ЧТО8 +T0ТОЧ9 +T0ТОЧ10 +T0Ф1 +T0Ф2 [6]             (5)

Т0 = 4,26 + 0,96 + 0,58 + 0,03 + 0,03 + 0,05 + 0,19 + 0,05 + 0,03 + 0,03 + 7,37 + 8,13 = 21,71мин

Определяем машинное время

ТМ = Т0 ģ К

где К- коэффициент зависимости оперативного времени от основного.

ТМ = 21,71 ģ2,8=61 минута

3. Техническая эксплуатация оборудования

.1 Порядок монтажа

При монтаже винтового конвейера необходимо иметь в наличии необходимые грузоподъемные механизмы и приспособления. Перед монтажом фундамент под конвейер должен быть готов и территория должна быть прибрана от ненужных материалов.

Последовательность монтажа конвейера:

·    устанавливают металлоконструкции опор конвейера, проверяют правильность их установки и сдают под подливку;

·        устанавливают раму конвейера (привод и опоры);

·        Устанавливают корпус конвейера и входящие в него узлы.

·        Ставят винт;

·        по окончании монтажных работ производят опробование.

3.2 Возможные неисправности и их причины, способы устранения

Таблица 6. Неисправности оборудования

Соединения

Неисправности

Способ устранения

Резьбовое соединение

Забоины и вмятины на резьбе Смятие граней шлицов, отверстий для ключей Износ внутренней или внешней резьбы

Проточка резьбовыми инструментами Запиливание Наплавка с последующей обработкой Протачивание резьбы до номинально размера

Шпоночное соединение

Смятие, срез шпонки Износ, смятие шпоночного паза вала Износ паза в ступице

Замена шпонки Обработка паза под шпонку след. Стандартного размера

Подшипники качения

Повышенный шум при работе Износ посадочного места Поврежденный сепаратор

Замена подшипника Отремонтировать шейку вала или отверстие в корпусе Замена подшипника

Муфта

Смятие шпонки Повреждение пальцев и отверстий на втулке

Замена шпонки Фрезерование пазов после наплавки под первоначальный размер

Редуктор

Износ зубьев по рабочему профилю Трещины в венце

Замена зубчато колеса, а так же наплавка или сварка Заварка трещин


3.3 Средства обеспечения безопасной эксплуатации оборудования

В процессе эксплуатации винтового конвейера должны соблюдаться следующие меры безопасности:

·   Корпус электродвигателя должен иметь заземление.

·        Вращающиеся части оборудования должны быть закрыты кожухами.

·        Постоянный контроль за температурой нагрева корпусов подшипников, при необходимости их пополнение смазкой.

·        Содержать в чистоте рабочее место.

·        На рабочем участке должно быть достаточно освещения.

·        Следить за температурой рабочей части конвейера.

4. Охрана труда

.1 Требования безопасности при проведении монтажных и ремонтных работ

Перед ремонтом оборудование должно быть выключено; электродвигатель отключен от питающей сети; на пульте управления должен быть вывешен плакат «Не включать - работают люди». На раме транспортера должен висеть плакат «Оборудование в ремонте». Отключает оборудование от сети и подключает его после ремонта или монтажа электромонтер с разрешения администрации. Для ремонта, монтажа и демонтажа на высоте от 1,5м. на месте работ должны быть установлены устойчивые леса и помосты. При пользовании ручными переносными лампами должно применятся напряжение не выше 36В.

На рабочих местах слесарей - ремонтников должны быть установлены шкафы и стеллажи для деталей. Запасные части перед ремонтом должны быть приготовлены заранее. Необходимо четко распределять обязанности среди членов ремонтной бригады, причем каждый член бригады должен пройти инструктаж по технике безопасности .

.2 Требования к освещению рабочего участка

Рабочее место должно иметь хорошую равномерную освещенность, не должно быть большой разницы в освещенности различных участках рабочего места. В дневное время желательно использовать естественное освещение, в вечернее - искусственное. Искусственное освещение может быть двух систем: общее - при котором светильники располагаются в верхней зоне рабочего участка и комбинированное - когда светильники концентрируются непосредственно на рабочем месте. В местах повышенной опасности должно быть предусмотрено дополнительное освещение. Аварийное и эвакуационное освещение предусматривается для эвакуации людей при отключенном питании.

.3 Мероприятия по электро- и пожарной безопасности

.3.1 Мероприятия по электробезопасности.

Поражение человека электрическим током возможно только при замыкании электрической цепи через тело человека и может произойти при контакте человека с токонесущими частями оборудования, в результате нарушения изоляции проводки и токоведущих частей.

Для защиты от поражения эл. током применяются следующие технические меры защиты:

·    Применение малых напряжений

·        Электрическое разделение сетей

·        Электрическая изоляция

·        Защита от случайного прикосновения к токоведущим частям

·        Контроль и профилактика повреждения изоляции

·        Защитное заземление, зануление, защитное отключение.

·        Применение индивидуальных защитных средств.

Для исключения опасности прикосновения к токоведущим частям, необходимо обеспечить их недоступность. Это достигается средством ограждения и расположения токоведущих частей в недоступном месте.

.3.2 Мероприятия по пожарной безопасности.

На рабочем участке не должно находится легковоспламеняющихся материалов, должно быть ограничено использование открытого огня. В рабочих зонах должно быть отведено место для противопожарного инвентаря. Для обеспечения пожарной безопасности различают пассивные и активные меры.

Пассивные меры:

·  Архитектурно - планировочные решения (удобство проходов, быстрое проникновение к очагам пожаров)

·        Противопожарные разрывы.

·        Противопожарные перекрытия.

·        Использование легкосбрасываемых конструкций.

·        Противодымная защита.

·        Устройство для удаления дыма.

Активные меры:

·  Использование пожарной сигнализации

·        Поддержание средств пожаротушения в постоянной работоспособности

·        Автоматическая передача сигнала на пульт дежурного.

·        Звуковое и световое оповещение.

·        Использование автоматической системы тушения в рабочих помещениях.

Список литературы

1.   Эрлих В.Д. «Подъемно - транспортное оборудование».

2.       Шейнблит А.Е. Курсовое проектирование деталей машин. - Калининград: Янтарный Сказ, 2003.

.        Чернавский С.А. и др. Курсовое проектирование деталей машин. - М.: Машиностроение, 1979

.        Ю.Н. Воронкин «Методы профилактики и ремонта оборудования».

.        Методические пособия для студентов специальности 150411

.        Басов А.И., Ельцев Ф.П. Справочник механика заводов цветной металлургии. - М.: Металлургия, 1981.

.        В.А. Девясилов «Охрана труда»

Похожие работы на - Система технического обслуживания и ремонта винтового конвейера

 

Не нашли материал для своей работы?
Поможем написать уникальную работу
Без плагиата!
Без нейросетей!