Система управления специального зубофрезерного полуавтомата
ПОЯСНИТЕЛЬНАЯ ЗАПИСКА
к курсовой работе по
дисциплине «Системы управления станками»
«Система управления
специального зубофрезерного полуавтомата»
Содержание
Введение
1. Техническое
задание на разработку системы управления
1.1 Перечень
функций станка. Режимы работы. Требования по технике безопасности
1.1.1 Функции
станка
1.1.2
Требования к системе управления по технике безопасности
1.1.3 Режимы
работы станка
1.2 Эскиз
обрабатываемой детали
1.3 Эскиз
инструмента
1.4 Схема
обработки заготовки
1.4.1
Разработка схемы резания
1.4.2
Разработка схемы обработки
1.4.3
Расчетные перемещения
1.5 Схемы
установки зажима детали
1.6 Разработка
схемы установки зажима инструмента
2. Макропроект
управляемого станка
2.1
Структурная кинематическая схема
2.1.1 Структурная
кинематическая схема
2.2 Компоновка
станка. Координатные оси
2.3 Полный
перечень перемещений и движений с обозначениями и указанием способа реализации
2.4 Выбор и
схема расположения органов управления, датчиков и исполнительных двигателей
2.5 Схема
панели управления и индикации
2.6.
Гидравлическая схема станка
2.7 Схема
включения силовых двигателей
2.8 Перечень
элементов управления
2.9
Тактограмма работы станка
3.
Релейно-контактная схема управления циклом станка
3.1
Функционально-логическая схема работы элементов управления
3.2
Релейно-контактная схема управления работой станка
3.3 Схема
управляющих элементов силовых двигателей
Заключение
Литература
Введение
Курсовая работа имеет своей целью обобщить и закрепить знания
студентов, полученные при изучении курса «Системы управления станками», а также
развить у студентов навыки в использовании полученных знаний для решения
конкретных инженерных задач - проектирование современных систем управления
станками (полуавтоматами и автоматами). При этом акцент делается на комплексный
характер работы, на взаимосвязь системы формообразования, системы смены
инструмента и системы смены заготовки, с одной стороны, и системы управления с
другой.
Задачей данного курсового - спроектировать систему управления
специального зубофрезерного полуавтомата для колес-дисков с установкой детали
на тумбе, с зажимом с помощью прошивки и гидроцилиндра. Необходимо по
возможности спроектировать более автоматизированную систему управления, чем у
станков-аналогов, используя оригинальные конструкторские решения.
1. Техническое задание на разработку системы
управления
1.1 Перечень функций станка. Режимы работы.
Требования по технике безопасности
.1.1 Функции станка
Специальный зубофрезерный полуавтомат для колес дисков с
установкой детали на тумбе, с зажимом с помощью прошивки и гидроцилиндра
предназначен для нарезания прямозубых цилиндрических зубчатых колес червячными
фрезами методом обкатки в условиях серийного, мелкосерийного и индивидуального
производства.
Полуавтомат используется для получистовой обработки зубьев
под последующее шевингование и для окончательной обработки по 6...7 степени
точности по ГОСТ 1643-72.
Смазка полуавтомата - дозированная.
Полуавтомат снабжен магнитным транспортером очистки
смазочно-охлаждающей жидкости и удаления стружки. Электрооборудование
смонтировано в электронише. Комплекс электрических блокировок и сигнализации
дает полное представление о ходе цикла обработки деталей и исключает аварийные
ситуации.
При оснащении станка сборочными единицами, поставляемыми по
особому заказу, возможна обработка червячных колес методом радиальной и
тангенциальной подачи.
1.1.2 Требования к системе управления по технике
безопасности
Общие требования перед началом работы
. Принять от сменщика станок: проверить, хорошо ли убран
станок и рабочее место; ознакомиться с имевшимися неполадками в предыдущей
смене в работе станка и с принятыми мерами по их устранению.
. О неисправности станка заявить мастеру, до устранения
неисправности к работе не приступать.
. Перед каждым включением станка убедись, что пуск станка
никому не угрожает опасностью.
. Работать только исправным инструментом и приспособлениями и
применять их по назначению.
. Проверить на холостом ходу станка:
а) исправность органов управления (механизмов главного движения,
подачи, пуска, остановки движения и др.):
б) исправность фиксации рычагов включения и переключения
(убедиться в том, что возможность самопроизвольного переключения с холостого
хода на рабочий исключена).
. Пользоваться режущим инструментом, имеющим правильную
заточку. Применение неисправного инструмента и приспособлений запрещается.
. Не допускать разбрызгивания масла и жидкости на пол.
. Выполнять указания по обслуживанию и уходу за станками,
изложенные в «Руководстве к станку», а также требования предупредительных
таблиц, имеющихся на станке.
. Устанавливать и снимать режущий инструмент только после
полного останова станка.
. Обязательно останови станок и выключи электродвигатель при:
уходе от станка даже на короткое время;
временном прекращении работы;
перерыве в подаче электроэнергии;
уборке, смазке, чистке станка;
обнаружении неисправности в оборудовании;
установке, измерении и съеме детали.
. При использовании для закрепления деталей пневматических,
гидравлических и электромагнитных приспособлений оберегать от механических
повреждений трубки подачи воздуха или жидкости, а также электропроводку.
1.1.3 Режимы работы станка
Подача для червяных фрез и быстрорежущей стали определяется
по формуле:
, [7, стр. 148];
где KS - коэффициент, зависящий от обрабатываемого
материала, (KS =1,2; [7, стр. 149]),- угол наклона зуба к оси
косозубого колеса (для нашего случая =0).
Выбираем червяную фрезу со следующими параметрами De =
100 мм0 табл = 2,1 мм/об.
,
Принимаем стандартную S0 = 2,5 мм/об.
Скорость резания определяется по формуле:
[7, стр. 148];
К1 = 1,1; K2 = 1,0. Vтабл. = 40
м/мин.
Частота вращения фрезы
об/мин.
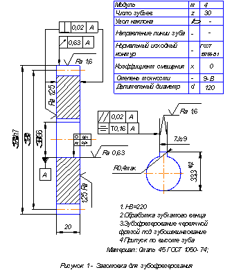
1.2 Эскиз обрабатываемой детали
Эскиз детали показан на рисунке 1. Он содержит все
необходимые данные для выбора режимов резания. Параметры зубчатого колеса
соответствуют следующим нормам точности 7В ГОСТ 1643-81 [1]. Для настройки
зубофрезерного станка необходимо дополнительно знать допуск на межосевое
расстояние фрезы и инструмента. Этот допуск зависит от допуска на толщину зуба
Tc.. Для его определения сначала находим радиальное биение по
таблице 27 из [1] для 8-ой степени точности и заданных параметров колеса
(d<125 мм и m=4) допустимое радиальное биение колеса Fr = 50 мкм.
Принимаем вид сопряжения B. При найденном радиальном биении при принятом виде
сопряжения находим допуск на толщину зуба Тс = 100 мкм.
Обрабатываемая деталь представляет собой колесо-диск, на
которм необходимо нарезать зубья рис. 1. Материал детали - Сталь 45 ГОСТ
1050-74.
1.3 Эскиз инструмента
Для нарезания зубьев прямозубых колес выбираем червячную
фрезу. Согласно заданному модулю колеса m=4 мм, по табл. 11 [6, стр.509]
выбираем червяную фрезу со следующими параметрами De = 100 мм; d =
32 мм, L = 90 мм; z = 10.
Эскиз инструмента показан на рис. 2. Для 7-ой степени
точности выбираем цельную фрезу класса АА. Материал фрезы - сталь Р6М5.
1.4 Схема обработки заготовки
.4.1 Разработка схемы резания
Схема резания показана на рис. 3.
Схема резания характеризуется следующими движениями и
перемещениями:
- вращением фрезы;
-- вращением заготовки;
- осевой подачей фрезы;
Из схемы резания вытекает необходимость линейной постоянной
контурной связи между вращением фрезы и заготовки с коэффициентом
,
где
-- число заходов червячной фрезы;
-- число зубьев заготовки (детали).
Схема резания характеризуется следующими установочными
(настроечными) параметрами;
-- межосевым расстоянием;
-- величиной врезания;
D1 -
величиной подвода;
D2 -
перебегом;
-- длиной прохода;
-- глубиной резания (высотой зуба);
-- углом поворота суппорта;
1.4.2 Разработка схемы обработки
Схема обработки показана на рис. 4.
Схеме обработки характеризуется следующими (дополнительными)
движениями и перемещениями:
подводом заготовки;
отводом заготовки;
холостым ходом фрезы;
Схема обработки характеризуется параметрами:
-- скоростью подвода;
-- скоростью отвода;
-- скоростью холостого хода
Схема обработки характеризуется следующими допустимыми
погрешностями:
-- погрешностью остановки подачи;
погрешностью подвода;
погрешность отвода;
-- погрешность холостого хода;
Производится выбор и расчет режимов резания и параметров движения.
1.4.3 Расчетные перемещения
Расчеты параметров функций, осуществляемых системой
управления
Передаточное отношение
Частота вращения стола
об/мин.
Длина врезания по таблице 26 из [7]
мм.
Подвод
мм.
Перебег
мм.
Длина прохода
мм.
Погрешность остановки подачи
мм.
Величина подвода
мм.
Погрешность подвода равна погрешности межосевого расстояния
. Принимаем 0,3 допуска на толщину зуба
мкм
мм.
Скорость подвода по станкам-аналогам
мм/мин.
Параметры движения отвода такие же:
мм.
мм.
мм/мин
Параметры холостого хода такие же как параметры прохода, за
исключением скорости:
мм.
мм.
Скорость по станкам-аналогам
Таблица 1 - Рабочие
функции станочной системы управления
|
№
|
Наименование
|
Обозначение
|
Единицы
измерения
|
Значение
|
Погрешность
|
|
1
|
Вращение фрезы
(частота)
|
n
|
об/мин
|
140
|
2,5%
|
|
2
|
Вращение стола
(детали)
|
nст
|
об/мин
|
4,67
|
2,5%
|
|
3
|
Осевая подача
|
so
|
мм/об
|
2,5
|
2,5%
|
|
4
|
Длина прохода
|
Lпр
|
мм
|
55
|
±0,5
|
|
5
|
Подвод
заготовки
|
lz
|
мм
|
100
|
0,03
|
|
6
|
Отвод заготовки
|
lz
|
мм
|
100
|
0,03
|
|
7
|
Холостой ход
|
ly
|
мм
|
55
|
±0,5
|
|
8
|
Контурная связь
|
i
|
-
|
1/30
|
|
1.5 Схемы установки зажима детали
зубофрезерный полуавтомат управление станок
Схема установки зажима детали, рис. 5, характеризуется
следующими движениями:
- установка детали;
- зажим детали;
опускание подкладной шайбы с прорезью (опускание верхнего
центра);
подъем подкладной шайбы с прорезью (подъем верхнего центра);
разжим детали;
снятие детали.
Все движения (кроме зажима и разжима от гидроцилиндра)
выполняются вручную, их параметры не рассчитываются.
1.6 Разработка схемы установки зажима инструмента
Схема установки и зажима инструмента, рис. 6, характеризуется
следующими движениями:
установка оправки с фрезой;
установка контрподдержки;
снятие контрподдержки (после затупления фрезы);
разжим оправки;
снятие оправки с фрезой.
Все движения выполняются вручную, их параметры не
рассчитываются.

2. Макропроект управляемого станка
.1 Структурная кинематическая схема
2.1.1 Структурная кинематическая схема
Кинематическая схема станка состоит из следующих цепей:
1) Цепь главного движения. Связывает вал
электродвигателя с червячной фрезой.
2) где nдв и nфр - частоты
вращение двигателя и фрезы;
2) Цепь деления (цепь обката). Служит для согласования
вращения фрезы с вращением установленного на столе нарезаемого колеса.
Коэффициент деления i1 контурной связи
,
где n и nст - частоты вращение фрезы и стола;
,
где z - число зубьев нарезаемого колеса; k - число заходов фрезы.
) Цепь осевых подач
об. ст → S0
Коэффициент передачи преобразователей вращение/прямолинейное
движение может быть принят равным или шагу пар винт-гайка качения, или длине
окружности реечной шестерни
;
.
Коэффициент деления цепи подачи
.
Диапазон изменения i3
.
) Цепь ускоренного хода. Осуществляет холостой ход фрезы от
дополнительного электродвигателя М2.
) Суппорт заготовки. Подвод и отвод заготовки к/из зоне обработки.
) Зажим заготовки. Подъем/опускание верхнего центра.
Структурно-кинематическая схема представлена на рис. 7.
.2 Компоновка станка. Координатные оси
Компоновка станка и расположение осей определяется по
следующим правилам:
1. Стационарный блок обозначается символом О
2. Координаты Х,У не зависимо от расположения оси
шпинделя обозначают наиболее распространенную плоскостную обработку заготовки.
При этом ось Х всегда горизонтальна.
. За положительное направление оси Z принимается
направление от заготовки к инструменту. При этом ось Z совпадает с осью
вращения инструмента.
. Если ось Z горизонтальная, то положительное
направление оси Х будет вправо, если смотреть в направлении от шпинделя к
заготовке.
. Положение оси Y определяется по расположению двух
других осей с учетом правила правой руки.
Исходя из этих правил, определяем координатные оси и строим 2
варианта компоновки станка.
Первый вариант компоновки представлен на рис. 8.
2.3 Полный перечень перемещений и движений с
обозначениями и указанием способа реализации
Из полученных на предыдущих этапах данных формируем таблицу
перечня перемещения и движений с указанием способа реализации.
Таблица 2 - Полный
перечень перемещений и движений с обозначениями и указанием способа реализации
|
Наименование
движения (реализация)
|
Обозначение,
единицы измерения
|
Значение
|
Допуск, %
|
Метод
|
|
Опускание
верхнего центра (гидроцилиндр)
|
-
|
-
|
-
|
автомат
|
|
Осевая подача
(двигатель суппорта)
|
S0,
мм/об
|
2,5
|
2,5%
|
автомат
|
|
Вращение фрезы
(двигатель гл.движения)
|
, об/мин4,672,5%автомат
|
|
|
|
|
Вращение
заготовки (двигатель гл.движения)
|
, об/мин1402,5%автомат
|
|
|
|
|
Включение СОЖ
(двигатель СОЖ)
|
-
|
-
|
-
|
автомат
|
|
Выключение СОЖ
(двигатель СОЖ)
|
-
|
-
|
-
|
автомат
|
Lподв
|
100
|
0,03
|
автомат
|
|
Зажим заготовки
(гидроцилиндр)
|
-
|
-
|
-
|
автомат
|
|
Разжим
заготовки (гидроцилиндр)
|
-
|
-
|
-
|
автомат
|
|
Поднятие верхнего
центра (гидроцилиндр)
|
-
|
-
|
-
|
автомат
|
2.4 Выбор и схема расположения органов
управления, датчиков и исполнительных двигателей
Схема расположения
органов управления, датчиков и исполнительных двигателей представлена на
рисунке 9.
2.5 Схема панели управления и индикации
На рисунке 10 показана условная схема панели управления.
Буками подписаны цвета кнопок панели управления.
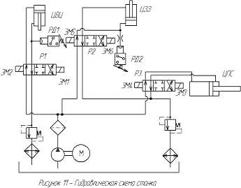
2.6. Гидравлическая схема станка
Гидропривод станка представлен на рисунке 11:
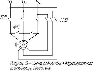
2.7 Схема включения силовых двигателей
Схему подключения и включения двигателей рассмотрим на
примере подключения двигателя главного движения М1.
Аналогичную схему подключения будут иметь двигатель суппорта
фрезы, двигатель смазки, вращения заготовки и двигатель насоса гидросистемы
станка.
2.8 Перечень элементов управления
Схема расположения элементов управления показана на рис. 10,
а их спецификация представлена в таблице 3
Таблица 3 - Описание элементов управления
|
Обозначение
|
Наименование
|
Функция
|
|
КУ1
|
Кнопка
управления
|
Пуск цикла
|
|
ВК1
|
Выключатель
конечный
|
Верхний центр
вверху
|
|
ВК2
|
Выключатель
конечный
|
Салазки
суппорта вверху
|
|
ВК3
|
Выключатель
конечный
|
Стол отведен
|
|
ВК4
|
Выключатель
конечный
|
Салазки
суппорта внизу
|
|
ВК5
|
Выключатель
конечный
|
Стол подведен
на глубину прохода
|
|
РД1
|
Реле давления
|
Верхний центр
опущен
|
|
РД2
|
Реле давления
|
Заготовка
зажата
|
|
ЭМ1
|
Электромагнит
|
Опускание
верхнего центра
|
|
ЭМ2
|
Электромагнит
|
Подъем верхнего
центра
|
|
ЭМ3
|
Электромагнит
|
Отвод стола
|
|
ЭМ4
|
Электромагнит
|
|
ЭМ5
|
Электромагнит
|
Зажим заготовки
|
|
ЭМ6
|
Электромагнит
|
Разжим
заготовки
|
|
КМ1
|
Контактор
магнитный
|
Пускатель
двигателя главного движения
|
|
КМ2
|
Контактор
магнитный
|
Пускатель
двигателя салазок суппорта
|
|
КМ3
|
Контактор
магнитный
|
Пускатель
двигателя салазок суппорта
|
|
КМ4
|
Контактор
магнитный
|
Пускатель
двигателя смазки
|
|
КМ5
|
Контактор
магнитный
|
Пускатель
двигателя гидравлики
|
|
М1
|
Электромотор
асинхронный
|
Мотор привода
главного движения
|
|
М2
|
Электромотор асинхронный
|
Мотор хода
салазок суппорта
|
|
M3
|
Электромотор
асинхронный
|
Мотор смазки
|
|
M4
|
Электромотор
асинхронный
|
Мотор
гидравлики
|
|
Ц1
|
Гидроцилиндр
|
Гидроцилиндр
подъема/опускания верхнего центра
|
|
Ц2
|
Гидроцилиндр
|
Гидроцилиндр
подвода стола
|
|
Ц3
|
Гидроцилиндр
|
Гидроцилиндр
зажима заготовки
|
|
МЭ1
|
Муфта
электрическая
|
Включение/выключение
подачи
|
2.9 Тактограмма работы станка
Цикл работы станка имеет следующую последовательность:
• установка заготовки (вручную),
• установка подкладной шайбы (вручную),
• закрытие ограждения (вручную),
• опускание верхнего центра,
• зажим заготовки,
• вращение фрезы,
• вращение заготовки,
• включение СОЖ,
• подвод стола на глубину первого,
• рабочая подача вниз,
• рабочая подача вверх,
• остановка шпинделя фрезы,
• остановка заготовки,
• выключение СОЖ,
• разжим изделия,
• подъем верхнего центра,
• открытие ограждения (вручную),
• снятие подкладной шайбы (вручную),
• снятие заготовки (вручную).
Примечание. Инструмент устанавливается и передвигается
вручную.
Рисунок 13 - Тактограмма работы станка
3. Релейно-контактная схема управления циклом
станка
.1 Функционально-логическая схема работы
элементов управления
Функционально-логическая схема представлена на рис. 14.
Описание работы функционально-логической схемы:
При нажатии на кнопку управления КУ1 подаётся сигнал на
электромагнит ЭМ1, в результате чего происходит опускание верхнего центра. При
достижении заготовки центром, давление в напорной линии увеличивается и реле
давления РД1 выключает электромагнит ЭМ1, переводя распределитель в среднее
положение. Верхний центр опущен.
При включении конечного выключателя ВК5, подвод стола
прекращается, т.к. выключается электромагнит ЭМ3. Реле давления РД2 включает
магнитный контактор КМ2 (включается двигатель подачи) и электромуфту МЭ1.
Осуществляется рабочая подача вниз. При срабатывании конечного выключателя ВК4
подача прекращается, т.к отключается электромуфта МЭ1. Включается электромагнит
ЭМ3. Происходит подвод стола на величину 2го прохода.
При срабатывании конечного выключателя ВК2 подача
прекращается, т.к отключается электромуфта МЭ1 и магнитный контактор КМ3
(выключается двигатель подачи). Включается электромагнит ЭМ4. Происходит отвод
стола в исходное положение. Срабатывает конечного выключателя ВК3, отвод
прекращается, т.к. выключается электромагнит ЭМ4. ВК3 отключает магнитный
контактор КМ1 - т.е. отключается вращение фрезы. Выключение КМ1 включает
электромагнит ЭМ6 - происходит разжим заготовки. Срабатывает реле давления РД2,
выключая электромагнит ЭМ6 и включая электромагнит ЭМ2. Осуществляется подъем
верхнего центра. Реле давления РД1 срабатывает и выключает электромагнит ЭМ2.
При включении конечного выключателя ВК1 - кнопка управления отключает
гидросистему станка и цикл обработки завершается.
Снятие детали производят вручную. Устанавливают вручную новую
заготовку и цикл повторяется.
Рисунок 14 - Функционально-логическая схема работы элементов
управления
3.2 Релейно-контактная схема управления работой
станка
На основе функционально-логической схемы работы станка
составляем релейно-контактную схему управления.
Релейно-контактная схема управления работой станка
представлена на рисунке 15.
Заключение
Результатом курсовой работы стала спроектированная система
управления специального зубофрезерного полуавтомата для колес дисков с
установкой детали на тумбе, с зажимом с помощью подкладной шайбы с прорезью и
гидроцилиндра.
Данная система управления позволяет полностью
автоматизировать процесс нарезания колёс-дисков, оставляя за оператором лишь
такие функции как снятие/установка заготовки и снятие/установка инструмента.
Использование гидросистемы для зажима заготовки позволяет получить более точное
и надежное закрепление заготовки, что особенно важно при нарезании
цилиндрических колёс.
Список используемой литературы
1.
Анурьев
В.И. Справочник конструктора-машиностроителя. В 3-х т. Т. 2. - 6-е изд.,
перераб. и доп. - М.: Машиностроение, 1982. - 584 с.
2.
Справочник
технолога-машиностроителя: В 2-х т. Т. 2. / Под ред. А.Г. Косиловой, Р.К.
Мешерякова. - 4-е изд., перераб и доп. - М.: Машиностроение, 1985. - 656 с.
3.
Справочник
инструментальщика / ИА. Ординарцев, Г.В. Филлипов, А.Н. Шевченко и др.; под.
общ. Ред. И.А. Ординарцева. - Л.: Машиностроение. Ленинград. отд., 1987. - 846
с.
4.
Ящерицын
П.И., Еременко М.Л., Жигалко Н.И. Основы резания металлов и режущий инструмент:
Учеб. - 2-е изд. доп. и перераб. - Мн.: Выш. шк., 1981. 560 с.: ил.
5.
Нефедов
Н.А., Осипов К.А. Сборник задач и примеров по резанию металлов и режущему
инструменту: Учеб. Пособие. - М.: машиностроение, 1984. - 400 с.: ил.
6.
Справочник
металлиста: В 5-и т. Т.3./Под ред. А.Н. Малого. - М.: Машиностроение, 1977. -
750 с.
7.
Барановский
Ю.В. Режимы резания. Справочник. - М.: Машиностроение, 1972. - 410 с.