Расчет резервуара и опорной стержневой конструкции

  • Вид работы:
    Дипломная (ВКР)
  • Предмет:
    Физика
  • Язык:
    Русский
    ,
    Формат файла:
    MS Word
    392,70 kb
  • Опубликовано:
    2011-12-12
Вы можете узнать стоимость помощи в написании студенческой работы.
Помощь в написании работы, которую точно примут!

Расчет резервуара и опорной стержневой конструкции

Министерство образования и науки Республики Казахстан

Павлодарский государственный университет им. С. Торайгырова

Архитектурно-строительный факультет

Кафедра БЖДиЗОС






курсовая работа

По дисциплине "Теоретическая и прикладная механика"

Тема: "Расчет резервуара и опорной стержневой конструкции"

Члены комиссии:

зав. каф ТППиЗОС, канд. техн. наук

К.Ш. Арынгазин

Руководитель

профессор, докт. техн. наук

В.Н. Украинец

Студент

З.М. Рамазанова



Содержание

Задание на курсовую работу

Введение

1. Расчёт резервуара

1.1 Исследование изменения окружных и меридиональных напряжений по высоте резервуара

1.2 Определение толщины стенок резервуара

2. Подбор болтов

3. Расчёт фермы

Список использованных источников

Задание на курсовую работу

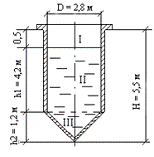
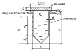
Цилиндрическо-конический резервуар, заполненный до уровня h жидкостью с удельным весом g и в верхней части наполненный газом под давлением p0 (рисунок 1), свободно опирается на симметрично расположенные вокруг него четыре одинаковые фермы (рисунок 3) в средних верхних узлах.

Требуется:

Исследовать изменения окружных и меридиональных напряжений по высоте резервуара.

Определить требуемую толщину d стенок резервуара, применив гипотезу максимальных касательных напряжений.

Подобрать из условия прочности количество и размеры болтов, крепящих крышку (рисунок 2) к верхней части резервуара.

Определить усилия в стержнях опорных ферм.

Примечания:

Собственный вес резервуара и ферм в расчётах не учитывать.

Данные варианта задания взять из таблицы 1.

Рисунок 1 - Разрез резервуара по диаметральному сечению

Рисунок 2 - Общий вид крышки

Рисунок 3 - Опорные фермы

Таблица 1 - Исходные данные варианта задания

Сумма двух последних цифр шифра

g, кН/м3

D, м

H, м

h1, м

h2, м

Предпоследняя цифра шифра

[sб] (допускаемое напряжение для болтов), МПа

[sр] (допускаемое напряжение для резервуара), МПа

p0, МПа

Последняя Цифра шифра

Опорная ферма по рис. 3

1, 18

26

2,0

2,5

1,8

0,6

1

200

60

0,1

1

1

2, 17

24

2,2

3,0

2,2

0,7

220

65

0,2

2

2

3, 16

22

2,4

3,5

2,6

0,8

3

240

70

0,3

3

3

4, 15

20

2,6

4,0

3,0

0,9

4

260

75

0,7

4

4

5, 14

18

2,8

4,5

3,4

1,0

5

280

80

0,6

5

5

6, 13

16

3,0

5,0

3,8

1,1

6

300

85

0,5

6

6

7, 12

14

2,8

5,5

4,2

1,2

7

320

90

0,4

7

7

8, 11

12

2,6

6,0

4,6

8

340

95

0,3

8

8

9, 10

10

2,4

6,5

5,0

1,4

9

360

100

0,2

9

9

0

8

2,2

7,0

5,4

1,5

0

380

110

0,1

0

0


Исходные данные варианта задания: g = 12,5 кН/м3, D = 2,3 м, H = 6,5 м, h1 = 4,2 м, h2 = 1,8 м, допускаемое напряжение материала болта [sб] = 200 МПа, допускаемое напряжение материала резервуара [sр] = 70 МПа, р0 = 0,2 МПа, номер опорной фермы -


Введение

Резервуары для жидкостей и газов обычно представляют собой тонкостенные оболочки, срединная поверхность которых является поверхностью вращения. Срединной называется поверхность, делящая пополам толщину стенки оболочки. Наиболее распространены резервуары, состоящие из цилиндрических, сферических и конических оболочек. Нагрузкой служит либо равномерно распределенное по всей внутренней поверхности оболочки давление газа, либо переменное по высоте резервуара давление заключенной в нем жидкости. Реже приходится встречаться с расчетами резервуаров на действие наружного давления. Расчеты на прочность при действии внутреннего и наружного давления принципиально выполняются одинаково, но при наружном давлении дополнительно должен быть выполнен расчет на устойчивость.

Для резервуаров рассматриваемого типа (тонкостенных осесимметричных оболочек) при отсутствии нагрузок в виде сосредоточенных сил и моментов, постоянной или плавно изменяющейся кривизне меридианов, можно считать, что напряжения по толщине стенки резервуара распределены равномерно - стенка не испытывает изгиба. При этом места жесткого закрепления оболочки из рассмотрения исключаются. Теория расчета, соответствующая указанным предпосылкам, носит название безмоментной теории оболочек.

Напряжения, возникающие в стенках оболочек в местах жестких закреплений и в местах изломов меридианов, носят местный характер, т.е. быстро затухают уже на незначительном расстоянии от зоны их возникновения. Таким образом, расчет по безмоментной теории для областей, достаточно удаленных от мест, где в стенках оболочки возникают изгибающие моменты, обеспечивает вполне удовлетворительную точность расчета.

Рассматриваемый в работе резервуар свободно опирается на средние верхние узлы четырех одинаковых ферм, симметрично расположенных вокруг него.

Каждая ферма, соединяемая с фундаментом тремя связями, представляет собой плоскую решетчатую статически определимую и геометрически неизменяемую конструкцию, состоящую из прямых стержней с парными уголками в поперечных сечениях. В узлах (местах пересечения осей стержней) стержни соединены с помощью фасонок прямоугольного или трапециевидного очертания и сварки.

При узловом нагружении фермы каждый из стержней может испытывать только деформацию растяжения или сжатия (вес стержней при этом не учитывается). Поскольку ферма состоит из тонкостенных стержней, то недостаточно выполнить только их прочностной расчет, который производится только для растянутых стержней. Для сжатых стержней необходимо произвести расчет на устойчивость.

1. Расчёт резервуара

1.1 Исследование изменения окружных st и меридиональных sm напряжений по высоте резервуара

Для определения напряжений необходимо разделить резервуар на части в зависимости от конфигурации диаметрального сечения по высоте и уровня жидкости и рассмотреть отдельно каждую из частей, отмеченных на рисунке 1.1.

Рисунок 1.1

Часть I - цилиндрическая часть резервуара выше уровня свободной поверхности жидкости, заполненная газом под давлением р0=0,2 МПа.

Рассекая резервуар произвольной плоскостью, перпендикулярной к его оси симметрии и рассматривая условие равновесия нижней части (рисунок 1.2), не учитывая при этом собственный вес резервуара, получаем

+ gVк + gVц,

где Vк и Vц - объёмы жидкости соответственно в конической и цилиндрической частях резервуара.

Рисунок 1.2

 МПа,

где d - в метрах.

Величину окружных напряжений stI определяем из уравнения

, (1.1)

где rt=D/2=1,4 м.

Подставляя в (1.1)числовые значения, получим

 МПа,

где d - в метрах.

Часть II - цилиндрическая часть резервуара ниже уровня свободной поверхности жидкости.

Меридиональные напряжения определяются из условия равновесия отсеченной части резервуара (рисунок 1.3).

Рисунок 1.3

Действие отброшенной верхней части жидкости заменено давлением на уровне проведённого сечения р=р0+g(h1-z):

,

 МПа,

где d - в метрах.

Из уравнения (1.1) при rt=D/2 и давлении на уровне проведённого сечения р=р0+g(h1-z), имеем

.

Из последнего следует, что по высоте II части резервуара окружные напряжения изменяются по линейному закону:

при z=h1  МПа,

где d - в метрах.

Часть III - коническая часть резервуара.

Для определения меридионального напряжения smIII проводим перпендикулярное к меридиану коническое сечение на уровне z1 (рисунок 1.4)

Рисунок 1.4

и из условия равновесия нижней отсечённой части получаем

,

Или ,

где r=z1tga, .

Т.е. функция smIII имеет аналитическое выражение квадратной параболы. В пределах 0 £ z1 £ h2 функция не имеет экстремума. Находим частные значения smIII:

при z1=0 min smIII=0;

при z1=h2

 МПа,

где d - в метрах.

Заметим, что для рассматриваемой части резервуара радиус кривизны rt является переменной величиной.

Действительно, из рисунка 1.5

Рисунок 1.5

следует , откуда . Давление на уровне z1: р=р0+g(h1+h2-z1). Из уравнения (1.1) получаем


Из последнего выражения следует, что по высоте конической части резервуара stIII также изменяется по параболическому закону. Эта функция в пределах 0 £ z1 £ h2 не имеет экстремума. Определим частные значения stIII:

при z1=0 min stIII=0;

при z1=h2

 МПа,

где d - в метрах.

Эпюры меридиональных и окружных напряжений приведены на рисунке 1.6.

Рисунок 1.6

.2 Определение толщины стенок резервуара

Толщину стенок резервуара определяем, используя гипотезу наибольших касательных напряжений. Так как в нашем случае s3=0, то опасными будут точки, в которых s1 максимально, т.е. точки верхней кромки конической части резервуара. Условие прочности, при этом, примет вид

[sр],

откуда d ³ 0,346/[sр] = 0,768/70 = 0,0109м = 10,9мм.

С учётом возможного коррозионного ослабления толщину стенки увеличиваем на 1 мм и по сортаменту прокатной стали (табл. 1 Приложения [3]), окончательно принимаем d = 6 мм. В месте перехода от цилиндрической части резервуара к конической во избежание местного изгиба стенок следует установить распорное кольцо.

2. Подбор болтов

При действии на крышку (рисунок 2.1) резервуара равномерного внутреннего давления р0, нагрузка, воспринимаемая всеми болтами, определится по формуле

S = p0Fк,

где Fк =

- рабочая площадь крышки.

Рисунок 2.1

Тогда, условие прочности для болтов, крепящих крышку к верхней части резервуара, можно записать в виде

s = N/Fб £ [sб],

где N = PS/n,

n - число болтов, Fб =  - площадь поперечного сечения одного болта, d1 - его внутренний диаметр, [sб] - допускаемое напряжение материала болта.

Принимаем число болтов n = 8, расположенных симметрично относительно центра крышки. Из последней формулы получим

Fб ³ (p0Fк)/(n[sб]),

откуда

м = 29 мм.

Определяем номинальный диаметр болта мм, и его длину l = 3d + + 2d + 0,15d + 0,8d + 0,3d = 3×6 + 2×6 + 0,15×34 + 0,8×34 + 0,3×34 = 18 + 12 + 5,1 + 27,2 + 10,2 = 72,5 мм.

Для крепления крышки к верхней части резервуара, согласно табл. 2 Приложения [3], принимаем 8 болтов диаметром d=29 мм, длиной l= 72,5 мм класса прочности 5,8 с крупным шагом резьбы класса точности 9: М30´70.58 ГОСТ 7798-70 (рисунок 2.2).

Рисунок 2.2

3. Расчёт фермы

Находим узловую нагрузку на ферму от веса жидкости в резервуаре:

кН.

Нумеруем узлы и стержни фермы (рисунок 3.1) и проверяем её статическую определимость:

количество стержней с = 15;

количество узлов у = 9,

т.к. равенство с = 2у-3 выполняется, то ферма статически определима.

Определяем опорные реакции RA и RВ: RA=RB=P/2=31,15 кН.

Для определения усилий в стержнях фермы используем метод вырезания узлов.

Вырезаем узел 7 и составляем уравнения равновесия плоской системы сходящихся сил : åXi =N10=0, åYi =N9=0

Где N10 и N9 - усилия в стержнях 10 и 9соответственно.

Из соображений симметрии находим усилия в третьем и четвёртом стержнях: N9=N12, N10=N14, т.е. N12=0, N14=0.

Вырезаем узел 8:

резервуар болт узел усилие напряжение

.

åXi =N11cosa-N13cosa=0ÞN11=N13

Вырезаем узел 5:

åXi =N13cosg+N7cosa =0Þ N7cosa= -N13cosg

=

åYi =-N1+N13cosj- N7cosb =0Þ-N1= -N13cosj+ N7cosb

N1=N13cosj-N7cosb=

Из симметрии имеем:

N7=N8, N1=N6, т.е. N8=, N6=.

Вырезаем узел 1:

. Тогда

åXi =N3+N2cosa =0ÞN3=-N2cosa =

åYi =N1 +N2cosb=0ÞN2=-=-

Из симметрии:

N2=N5, N3=N4, т.е. N5 =-, N4 =

Вырезаем узел 2:

åXi =-N3+N4 =0

åYi =N15 =0

Таким образом, с учетом того, что Р=99,08 кН, имеем:

1=N6==-63,025кН

N2=N5=-=-90,037кН

N3=N4==-63.025кН

N7=N8==19,26кН

N9= N10 =N12=N14=N15=0

N13=N11==-55,04кН

Список использованных источников

1 Писаренко Г.С., Агарев В.А. и др. Сопротивление материалов. - Киев: Вища школа, 1974. - 670 с.

Любошиц М.И., Ицкович Г.М. Справочник по сопротивлению материалов. - М.: Высшая школа, 1972. - 460 с.

Методические указания к выполнению курсовых проектов по дисциплине "Теоретическая и прикладная механика". - ПГУ, 2007. - 29 с.

Похожие работы на - Расчет резервуара и опорной стержневой конструкции

 

Не нашли материал для своей работы?
Поможем написать уникальную работу
Без плагиата!
Без нейросетей!