Расчёт транзисторного ключа, пробника-индикатора
Федеральное
государственное образовательное учреждение
среднего
профессионального образования
«Бийский
государственный колледж»
Курсовой
проект
Расчёт
транзисторного ключа, пробника-индикатора.
Студента Муратов И.Л.
Бийск 2011
Введение
При поиске неисправностей и налаживании устройств автоматики и различных
электрорадиоустановок электрослесарю приходится использовать два, а то и три
измерительных прибора: токоискатель, авометр, устройство для проверки цепей
(батарея элементов, включенная последовательно с лампой накаливания). Это
создает определенные неудобства как в передвижении, так и при работе.
Вместе с тем в подавляющем большинстве практических случаев измерение
точного значения параметров не требуется, нужно лишь подтверждение заранее
известных фиксированных значений. Поэтому естественно стремление создавать
простые комбинированные пробники, отвечающие требованиям конкретных условий
работы.
Очевидно также, что невозможно изготовить простой прибор, который смог бы
удовлетворять всем потребностям, возникающим в различных областях техники. В
своем пробнике, который и предлагаю вниманию читателей, я объединил те виды
испытаний, которые на практике чаще всего бывают необходимы. Пробник,
выполненный в виде щупа, удобен в эксплуатации, имеет малые габариты и массу,
способен длительное время работать без смены источника питания.
Отсутствие стрелочных измерительных приборов повышает его устойчивость к
случайным падениям и ударам. Пробник позволяет определять наличие в проверяемой
цепи переменного и постоянного напряжения от 60 до 400 В, а также подтверждать
фиксированные значения 6,12 и 24 В, индицировать сопротивление в пределах
5...50 Ом и 50...500 Ом, проверять исправность конденсаторов емкостью 4 мкФ и
более.
Налаживая разнообразные радиоэлектронные устройства, собранные на
цифровых микросхемах, достаточно часто приходится проверять уровни логических
сигналов на выводах микросхем, определять наличие напряжения и его полярность,
контролировать исправность электрической цепи. Подобные операции можно
выполнить при помощи омметра или авометра, но существенным недостатком таких
приборов будут их большие размеры и цена. Гораздо проще в подобных целях
использовать универсальные пробники. Основное достоинство пробника по сравнению
с авометром - минимальные габариты, позволяющие держать пробник в ладони и
информативность, так как наличие напряжения индицируются при помощи зажигания
светодиодов определенного цвета и сопровождаются (при наличии в конструкции)
звуковой индикацией.
Пробники, выпускаемые промышленностью, имеют самые различные размеров и
функциональные возможности. Условно их можно разделить на две категории. Первая
- дешевые индикаторы наличия напряжения, вторая - сложные и дорогие приборы,
определяющие уровень напряжения и представляющие, по сути, малогабаритные
авометры. И первая и вторая группа имеет свои плюсы и минусы.
Кроме того, имеется возможность проверки исправности цепи на обрыв и
приблизительной оценки величины сопротивления цепи.
Конструктивно рассматриваемый пробник представляет собой малогабаритный
прибор, питающийся от внутренней батареи и обеспечивающий индикацию при помощи
светодиодов.
1.
Описание схемы
.1 Описание структурной схемы
Входной сигнал поступает через щупы на устройство индикации сигнала
диапазоном измерений 100-400В. После сигнал идёт на индикатор высокого
напряжения и при замыкании ключа на Защитную цепь, с которой сигнал передаётся в
Омметр. Напряжение с блока питания так же поступает в Омметр и проходит дальше
с сигналом вышедшем из индикатора высокого напряжения, при замыкании очередного
ключа на индикаторы низкого напряжения. В зависимости от его составляющей
загораются индикаторы соответствующих номиналов, 6, 12, 24 Вольта.
.2 Описание принципиальной схемы
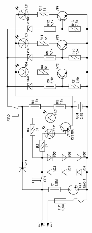
При всех видах испытаний его подключают к проверяемой цепи щупом 1,
смонтированным на корпусе прибора, и щупом 2, соединенным с прибором гибким
многожильным проводом. Показанное на схеме положение кнопок S81 и SВ2
соответствует режиму индикации напряжения 60...400 В. В этом же режиме цепь
VD1, R4, R5 позволяет заряжать аккумуляторную батарею GB1. При нажатии на
кнопку S82 прибор работает в режиме индикации фиксированных значений
напряжения. Если включился светодиод НL4 в испытуемой цепи напряжение не менее
6, но не более 12 В, если светят сразу НL4 и НL5 - то в пределах от 12 до 24 В,
в если все три светодиода НL4, НL5, НL6 - более 24 В. При измерении напряжения
постоянного тока щуп 1 подключают к плюсовому проводу проверяемой цепи. При
нажатии на кнопку SВ1 (S82 отпущена) прибор работает в режиме индикации
сопротивления. Готовность прибора к работе проверяют одновременным нажатием на
кнопку SВ1 и замыканием щупов.
При этом свечение светодиодов НL2 и НL3 одинаково и максимально, что
соответствует нулевому измеряемому сопротивлению. Сопротивление в интервале
5...50 Ом индицирует светодиод НL2, меняя яркость свечения в обратной
пропорциональности; при этом яркость светодиода НL3 остается неизменной и
максимальной. Если между щупами включено сопротивление более 50 Ом, светодиод
НL2 не светит, а светодиод НL3 уменьшает яркость свечения с увеличением
сопротивления. Это дает возможность при определенном навыке определять значение
сопротивления с точностью, достаточной для практики. В этом же режиме
определяют целостность р-п-переходов диодов, транзисторов и т. п. Исправность
конденсаторов значительной емкости определяют по интенсивности вспышки
светодиода НL3 в момент касания щупами выводов конденсатора. Прибор защищен от
ошибочного подключения под напряжение 220 В в режиме измерения сопротивления
или фиксированных значений низкого напряжения. Узел на транзисторах VТ2-VТ4 в
течение времени, необходимого для измерения, такое аварийное подключение
выдерживает, а узел на транзисторе VT1 защищают диоды VD2-VD7 и предохранитель
FU1.
2. Расчетная часть
.1 Расчет транзисторного ключа


3. Описание конструкции изделия
Все детали пробнике, за исключением батареи питания GB1 и
предохранителя FU1, смонтированы на двух печатных платах из фольгированного
стеклотекстолита толщиной 1 мм. Здесь же показаны все перемычки и межплатные
соединения. Обе платы скрепляют между собой четырьмя винтами М2,5, при этом
платы должны быть расположены печатными проводниками внутрь. Между платами
необходимо уложить изолирующую прокладку из стеклотекстолита (без фольги)
толщиной 1 мм, размеры прокладки равны размерам плат. К торцу платы, не которой
размещены светодиоды, пaйкой к фольговым площадкам, обозначенным буквами А и Б,
крепят фальшпенель из фольгмрованного стеклотекстолите толщиной 1 мм. В
фальшпанели сверлит отверстия под светодиоды и окно под неоновую лампу.
. Необходимые надписи можно нанести на фальшпанель травлением
фольги или краской. Микровыключатели МП-5 закрепляют скобами из медной
проволоки толщиной 1 мм, впаянными в плату к специально предусмотренным для
этого площадкам. Предохранитель вмонтирован в щуп
. Корпус пробника склеен из листового непрозрачного
полистирола толщиной 3 мм. Со стороны индикаторов в корпусе вырезают
прямоугольное окно, в которое вклеивают таких же размеров пластину из
прозрачного органического стекла, а также сверлят отверстия для кнопок, которые
также изготовлены из полистирола. Два аккумулятора Д-0,1 фиксируют скобой из медной
проволоки, на концы которой надеты ПВХ трубки. Концы скобы впаяны в небольшую
плату из фольгированного стеклотекстолита. Компоновка щупа представлена на рис.
. Неоновую лампу НИ следует защитить поролоновыми прокладками
от порчи при ударах. Собственно щупы изготовлены из латуни. Один из них - щуп 1
- привинчен к плате 1, а другой - ввинчен в трубку из пластмассы. В этой же
трубке находится и зажатый пружиной предохранитель. Транзисторы КТ315Б в
пробнике можно заменить на КТ315А, КТ315Г, а КТ816А - на КТ816Б, КТ816Г, а
также на КТ814А, КТ814Б. Предохранитель FU1- ВГП-1 0,5 А, или, лучше, на 0,25
А. Светодиоды АЛ102А и АЛ307А лучше заменить на более яркие по свечению АЛ102Б
и АЛ307Б, Вместо Д-0,1 можно применить аккумуляторы Д-0,06. Неоновую пампу ИНС-1
можно заменить на ИН-3.
4. Технологическая часть
.1 Организация рабочего места для изготовления
пробника-индикатора и охрана труда
Т.к. проектируемым устройством является пробник-индикатор, то приборы,
нужные для настройки и проверки, должны быть соответствующими. Рабочее место
должно быть так же соответствующим образом организовано.
Изделие несложное и можно обойтись следующими приборами и инструментами:
- Мультиметр - для определения номиналов сопротивлений, напряжений и
токов в нужных узлах и блоках, для проверки работоспособности радиоэлементов;
- Осциллограф - для проверки правильности формирования импульсов и
осциллограмм в контрольных точках.
Внутреннее сопротивление прибора, включаемого в цепь последовательно,
должно быть меньше сопротивления участка цепи. Входное сопротивление прибора,
включаемого в цепь параллельно, должно быть на порядок (в десять и более раз)
больше сопротивления цепи, куда включается прибор.
Радиоизмерительные приборы выбирают из числа имеющихся на ремонтном
предприятии или в учебном заведении. Если нужного прибора нет, то необходимо
заменить его на другой прибор, выполняющий аналогичные или сходные функции.
Организация рабочего места обосновывается в соответствии с требованиями
научной организации труда (НОТ) и техническими нормами. При этом необходимо
знать, что НОТ предусматривает не только комплекс необходимой технологической и
организационной оснастки, но и определенный порядок ее хранения и размещения на
рабочем месте.
Для создания благоприятных условий труда на рабочем месте необходимо
руководствоваться следующими требованиями:
. Планировка рабочего места должна обеспечивать рациональное
размещение оборудования, контрольно-измерительных приборов, инструмента,
приспособлений.
. Рабочее место должно иметь рациональное освещение в соответствии
с характером работы и действующими санитарными нормами. Основными признаками
рационального освещения являются достаточная интенсивность света, оптимальная
контрастность предметов в поле зрения, отсутствие бликов.
. Рабочее место должно быть оснащено необходимой технической и
конструкторской документацией.
. Рабочее место должно полностью отвечать требованиям охраны труда
и техники безопасности.
Выбор оснащения производят в следующей последовательности:
технологическое оборудование, технологическая и организационная оснастка.
К основному технологическому оборудованию относятся рабочий стол и
контрольно-измерительная аппаратура.
При выборе рабочего стола необходимо учитывать следующие соображения:
. Рабочий стол должен соответствовать характеру выполняемой
работы, содержанию труда радиомеханика.
. На рабочем столе должны свободно размещаться ремонтируемый
аппарат, контрольно-измерительная аппаратура, инструмент и приспособления,
необходимые при ремонте.
. Блок питания стола должен обеспечивать ремонтируемый аппарат и
контрольно-измерительную аппаратуру, а также электроинструмент необходимыми
напряжениями.
Рабочий стол радиомеханика выбирается из числа выпускаемых нашей или
зарубежной промышленностью.
Технологическая оснастка, включающая в себя инструмент, приспособления и
т. д., и должна обеспечивать возможность
применения рациональных методов ремонта. Организационная оснастка предназначена
для хранения на рабочем месте материалов, инструментов, технической
документации и т. д., и также нужна для создания радиомеханику благоприятных
условий труда
.1 Требования охраны труда перед началом работы
Перед началом работы необходимо:
Осмотреть рабочее место, привести его в порядок, освободить
проходы и не загромождать их.
Осмотреть, привести в порядок и надеть средства индивидуальной
защиты.
.1. При пользовании паяльником:
проверить его на соответствие классу защиты от поражения
электрическим током;
проверить внешним осмотром техническое состояние кабеля и
штепсельной вилки, целостность защитного кожуха и изоляции рукоятки;
проверить на работоспособность механизированную подачу припоя в
случаях ее установки в паяльнике.
.2. Включить и проверить работу вентиляции.
.3. Проверить наличие и исправность:
ограждений и предохранительных приспособлений;
токоведущих частей электрической аппаратуры (пускателей,
трансформаторов, кнопок и других частей);
заземляющих устройств;
средств пожаротушения.
.4. Проверить освещенность рабочего места. Напряжение для местного
освещения не должно превышать 50 В.
.2 Требования охраны труда во время работы.
Во время работы необходимо:
.1. Содержать рабочее место в чистоте, не допускать его загромождения.
.2. При выполнении работ соблюдать принятую технологию пайки изделий.
.3. Паяльник, находящийся в рабочем состоянии, устанавливать в зоне
действия местной вытяжной вентиляции.
.5. Нагретые в процессе работы изделия и технологическую оснастку
размещать в местах, оборудованных вытяжной вентиляцией.
.6. При пайке крупногабаритных изделий применять паяльник со встроенным
отсосом.
.7. Для перемещения изделий применять специальные инструменты (пинцеты,
клещи или другие инструменты), обеспечивающие безопасность при пайке.
.8. Сборку, фиксацию, поджатие соединяемых элементов, нанесение припоя,
флюса и других материалов на сборочные детали проводить с использованием
специальных приспособлений или инструментов, указанных в технологической
документации.
.9. Излишки припоя и флюса с жала паяльника снимать с применением
материалов, указанных в технологической документации (хлопчатобумажные
салфетки, асбест и другие).
.10. Пайку паяльником в замкнутых объемах проводить паяльником с
напряжением не выше 12 В и при непрерывной работе местной приточной и вытяжной
вентиляции.
.11. Пайку малогабаритных изделий в виде штепсельных разъемов,
наконечников, клемм и других аналогичных изделий производить, закрепляя их в
специальных приспособлениях, указанных в технологической документации (зажимы,
струбцины и другие приспособления).
.12. Во избежание ожогов расплавленным припоем при распайке не
выдергивать резко с большим усилием паяемые провода.
.13. Паяльник переносить за корпус, а не за провод или рабочую часть. При
перерывах в работе паяльник отключать от электросети.
.14. При нанесении флюсов на соединяемые места пользоваться кисточкой или
фарфоровой лопаточкой.
.15. При проверке результатов пайки не убирать изделие из активной зоны
вытяжки до полного его остывания.
.16. Изделия для пайки паяльником укладывать таким образом, чтобы они
находились в устойчивом положении.
.17. На участках пайки паяльником, не производить прием и хранение пищи,
а также курение.
.3 Требования охраны труда в аварийных ситуациях
В аварийных ситуациях необходимо:
.1. При обнаружении неисправной работы паяльника отключить его от
питающей электросети и известить об этом своего непосредственного или
вышестоящего руководителя.
.2. При травмировании, отравлении и внезапном заболевании работника
оказать ему первую (доврачебную) помощь и, при необходимости, организовать
доставку в учреждение здравоохранения.
.3. При поражении электрическим током работника принять меры к скорейшему
освобождению пострадавшего от действия тока.
.4. При возникновении пожара:
прекратить работу;
отключить электрооборудование;
сообщить непосредственному или вышестоящему руководителю о
пожаре;
сообщить о пожаре в пожарную охрану;
принять по возможности меры по эвакуации работников, тушению
пожара и сохранности материальных ценностей.
4.4 Требования охраны труда по окончании работы
По окончании работы необходимо:
.1. Отключить от электросети паяльник, пульты питания, освещение.
.2. Отключить местную вытяжную вентиляцию.
.3. Неизрасходованные флюсы убрать в вытяжные шкафы или в специально
предназначенные для хранения кладовые.
.4. Привести в порядок рабочее место, сложить инструменты и
приспособления в инструментальный ящик.
.5. Снять спецодежду и другие средства индивидуальной защиты и повесить
их в специально предназначенное место.
.6. Вымыть руки и лицо теплой водой с мылом, при возможности принять душ.
В процессе регулировки нередко приходится выполнять монтажные работы, при
которых категорически запрещается принимать пищу и курить в помещениях, где
паяют припоями, содержащими свинец; перед обеденным перерывом и после работы
необходимо тщательно обмывать руки однопроцентным раствором соды и тщательно
мыть их теплой водой; после работы следует принять душ. На рабочем месте
регулировщика существует опасность поражения электрическим током в результате прикосновения
к токоведущим частям, находящимся под напряжением; к обесточенным токоведущим
частям с остаточным электрическим зарядом; к металлическим нетоковедущим
частям, соединенным (вследствие нарушения целостности изоляции) с токоведущими
частями.
Действие тока на организм человека зависит от его силы, напряжения
прикосновения, частоты, продолжительности воздействия, пути прохождения тока и
индивидуальных особенностей организма.
Различают следующие воздействия электрического тока на организм человека:
тепловое (ожог), механическое(разрыв тканей), химическое (электролиз) и
биологическое (сокращение мышц, паралич дыхания и сердца).
Токи высокой частоты вызывают ожоги. С уменьшением частоты и увеличением
времени воздействия опасность поражения увеличивается. Чем больше значение
напряжения прикосновения, тем больше опасность поражения. Безопасным для жизни
человека считают напряжение не выше 42 В. Напряжение 220 В и 380 В является
источником повышенной опасности поражения электрическим током. Поэтому неукоснительное
выполнение и соблюдение правил и требований безопасности резко уменьшают
электротравматизм.
Основные требования при проведении регулировочно-настроечных работ
следующие:
все доступные для прикосновения токоведущие части оборудования должны
быть ограждены;
рубильники и выключатели общего питания должны быть мгновенного действия;
все электрооборудование, а также его части и механизмы, которые могут
оказаться под напряжением, подлежат заземлению;
рабочий электроинструмент и лампы местного освещения должны быть
рассчитаны на рабочее напряжение не более 42 В; при необходимости понижения
сетевого напряжения 220 В (380 В) до 42 В необходимо применять разделительные
понижающие трансформаторы. Использовать с этой целью автотрансформаторы
недопустимо.
Основные правила при проведении регулировочно-настроечных работ
следующие:
не отсоединяйте заземления, убедитесь в том, что оно имеется во всех
необходимых местах, не используйте приспособлений, прерывающих цепи заземления;
не пытайтесь внести изменения в работу схемы защиты, не отсоединяйте
систему блокировки, удостоверьтесь, что она работает нормально;
никогда не полагайте, что схема или приборы отключены, проверьте при
помощи специального прибора все ли функционирует в соответствии с условиями
работы;
не измеряйте напряжения и токи переносными приборами с неисправными
щупами;
используйте инструменты, приборы и защитные средства, предусмотренные
инструкциями по технике безопасности;
содержите рабочий инструмент, оборудование в хорошем состоянии,
используйте его только по назначению;
производите замену неисправных элементов, доработку монтажа или другие
работы в схеме прибора только при отключенном питании;
при замене одних элементов другими следите за точным соответствием между
ними, т. к. некоторые электроэлементы оказывают решающее влияние на
безопасность функционирования изделия;
не пытайтесь работать со сложными схемами или оборудованием до получения
специальной подготовки;
перед началом работы снимите кольца, браслеты и другие металлические
предметы вашего туалета;
не работайте во влажной одежде;
не работайте при плохом освещении;
не работайте, если чувствуете усталость или сонливость (например,
вследствие принятия медикаментов);
помните, что более полные сведения по технике безопасности при работе с
изделием находятся в руководстве по эксплуатации или паспорте данного изделия.
При выполнении монтажных и регулировочных работ особое внимание
необходимо обращать на освещенность рабочих мест, т. к. операции, выполняемые
на этих местах, сопряжены со значительным напряжением зрения и внимания
работающих.
Соблюдение требований и выполнение правил техники безопасности,
регулярное проведение соответствующих мероприятий способствуют повышению
производительности труда, качества продукции и сохранению здоровья трудящихся.
Важно помнить и о техники пожарной безопасности. Нельзя использовать в
устройстве легко плавкие и легко воспламеняющиеся материалы. Нужно также
предусмотреть и условия, в которых будет работать данное устройство.
Недопустимы резкие скачки температуры, перегревы, повышенная влажность воздуха,
резкие скачки питающего U.
Техника пожарной безопасности предусматривает и наличие огнетушителей,
устройств по оперативному отключению приборов от сети и устройств оповещения.
Алгоритм поиска неисправностей
Заключение
Корпус пробника склеен из листового непрозрачного полистирола толщиной 3
мм. Со стороны индикаторов в корпусе вырезают прямоугольное окно, в которое
вклеивают таких же размеров пластину из прозрачного органического стекла, а
также сверлят отверстия для кнопок, которые также изготовлены из полистирола.
Два аккумулятора фиксируют скобой из медной проволоки, на концы которой надеты
ПВХ трубки. Концы скобы впаяны в небольшую плату из фольгированного
стеклотекстолита. Неоновую лампу следует защитить поролоновыми прокладками от
порчи при ударах. Собственно щупы изготовлены из латуни. Один из них - щуп 1 -
привинчен к плате, а другой - ввинчен в трубку из пластмассы. В этой же трубке
находится и зажатый пружиной предохранитель. Светодиоды АЛ102А и АЛ307А лучше
заменить на более яркие по свечению АЛ102Б и АЛ307Б. Неоновую пампу ИНС-1 можно
заменить на ИН-3.
пробник
индикатор транзисторный ключ
Литература
Забродин Ю.С.
Промышленная электроника.
Терещук Р.М.,
Терещук К.М. Полупроводниковые приемно-усилительные устройства: справочник
радиолюбителя. - Киев: Наукова думка, 1988.
Полупроводниковые
приборы: транзисторы, справочник под ред. Горюнова Н.Н. М.: Энергоатомиздат,
1983.
Бродский,
М.А. Стационарные цветные телевизоры / М.А. Бродский. - Мн. : Высш. шк., 1995.
Войшвилло,
Г.В. Проектирование усилительных устройств на транзисторах / Г.В. Войшвилло [и
др.]. - М. : Связь, 1972.
Перечень элементов
|
Зона
|
Позиционное обозначение
|
количествo
|
примечание
|
|
VD1-VD7
|
Диоды КД105Б
|
7
|
|
|
VD8
|
Диод KC156A
|
1
|
|
|
VD9-VD11
|
Диоды Д814В
|
3
|
|
|
HL1
|
Лампа ИНС-1
|
1
|
|
|
HL2, HL3
|
Светодиоды АЛ307А
|
2
|
|
|
HL4-HL6
|
Светодиоды АЛ102А
|
3
|
|
|
VT1
|
Транзистор KT816A
|
1
|
|
|
VT2-VT4
|
Транзисторы KT315Б
|
3
|
|
|
SB1, SB2
|
Ключи МП-5
|
2
|
|
|
R1
|
Резистор МЛТ-125 1,5M
±10%
|
1
|
|
|
R2
|
Резистор МЛТ-125
27Ом ±10%
|
1
|
|
|
R3
|
Резистор МЛТ-125 51Ом ±10%
|
1
|
|
|
R4
|
Резистор МЛТ-125
11кОм ±10%
|
1
|
|
|
R5
|
Резистор МЛТ-125
11кОм ±10%
|
1
|
|
|
R6
|
Резистор МЛТ-125
5,1кОм ±10%
|
1
|
|
|
R7
|
Резистор МЛТ-125
7,5кОм ±10%
|
1
|
|
|
R8
|
Резистор МЛТ-125
51Ом ±10%
|
1
|
|
|
R9
|
Резистор МЛТ-125
5,1кОм ±10%
|
1
|
|
|
R10
|
Резистор МЛТ-125
7,5кОм ±10%
|
1
|
|
|
R11
|
Резистор МЛТ-125
51Ом ±10%
|
1
|
|
|
R12
|
Резистор МЛТ-125
5,1кОм ±10%
|
1
|
|
|
R13
|
Резистор МЛТ-125
7,5кОм ±10%
|
1
|
|
|
R14
|
Резистор МЛТ-125 51Ом ±10%
|
|
|
FU1
|
Предохранитель 0,5А
|
1
|
|
|
|
|
|
|
|
|
|
|
|
|
|
|
|
|
|
|
|
|
|
II. Графическая часть
Схема электрическая принципиальная