Система стабилизации подачи руды в мельницу
Технические
средства автоматизации
На
тему: "Система стабилизации подачи руды в мельницу"
Содержание
Введение
1. Анализ методов и средств
измерения технологического параметра (физической величины) в заданных
производственных условиях
2. Выбор датчика. Общие
положения
. Техническая характеристика,
выбранного средства измерения
. Выбор параметров
"интеллекта" датчика в соответствии с требованиями конкретных условий
эксплуатации
. Конструкция, монтаж датчика
по месту эксплуатации и монтажный символ датчика
. Градуировка и методика
поверки выбранного датчика
. Выбор вторичного прибора.
Анализ функциональных возможностей прибора в заданной системе
. Техническая характеристика
измерительного прибора
9. Конструкция, принцип работы
с приведением структурной и/или функциональной, и принципиальной электрической
схем вторичного прибора
10. Градуировка, краткая
методика поверки вторичного прибора
. Монтаж и монтажный символ
вторичного прибора
. Анализ функциональных
возможностей регулирующего устройства в заданной структуре системы управления
. Выбор регулирующего
устройства из современных систем технических средств регулирования
. Техническая характеристика
выбранного регулирующего устройства
15. Конструкция, принцип работы
с приведением структурной и/или функциональной, или упрощенной принципиальной
схем регулирующего устройства
16. Статическая и динамическая
настройка регулирующего устройства для заданного закона регулирования (методика
программирования микропроцессорного контроллера)
17. Монтаж и монтажный символ
регулирующего устройства
. Выбор типов исполнительного
механизма и регулирующего органа. Выбор типовой схемы соединений
исполнительного механизма и регулирующего органа для заданной системы
. Конструкция, принцип работы
с приведением структурной (или функциональной) и принципиальной схемы
исполнительного устройства
20. Технические характеристики
составных частей исполнительного устройства
21. Структурная схема системы
автоматизации
Заключение
Список литературы
Введение
Автоматизация является важной инженерной наукой
и охватывает технические концепции, методы и средства управления и
регулирования автоматизированного производства, включая его разработку,
проектирование и модернизацию. Целью автоматизации является разработка и
реализация концепций управления как простыми, так и сложными объектами.
Автоматика обеспечивает: оптимизацию процессов по определённым заданным
критериям (например, таких как максимально возможная экономия ресурсов,
минимально возможный ущерб окружающей среде или возможно лучшее качество
продукции), защиту человека от опасных, непредвиденных или вредных для здоровья
ситуаций, а также поддержку и помощь человеку при выполнении им
профессиональных функций и в его повседневной жизни.
В данной работе необходимо стабилизировать подачу
руды в мельницу. Объектом управления является конвейер, выполняющий процесс
перемещения руды. Регулирование будет осуществляться за счет изменения мощности
двигателя, с помощью которого регулируется скорость конвейерной ленты.
1. Анализ методов и средств измерения
технологического параметра (физической величины)
весоизмерительный
техника двигатель конвейерный
Многие задачи современной весоизмерительной
техники предусматривают последующую обработку результатов взвешивания или их
использование для управления процессами. Для этих целей необходим
пропорциональный результатам взвешивания метрический, пневматический или
гидравлический выходной сигнал. Подлежащая измерению величина преобразуется в
удобную для дальнейшей обработки физическую величину измерительным
преобразователем, называемым также сенсорным датчиком. Входной величиной таких
преобразователей обычно является усилие, развиваемое подлежащей взвешиванию
массой, а их выходной величиной - электрическая, пневматическая или
гидравлическая величина. Таким образом, речь идет о силоизмерительных
элементах, которые применительно к весоизмерительной технике называются
датчиками веса. Обычно датчик веса состоит из деформируемого элемента, крайне
жесткой пружины и датчика, преобразующего деформацию пружины в другую, чаще
всего электрическую величину.
Датчики веса описывают следующими
характеристиками:
1) видом выходного сигнала:
2) требованиями к линии передачи выходного
сигнала
3) динамической характеристикой
4) линейностью статической характеристики
5) вариацией показаний
) гистерезисом
7) температурной характеристикой
8) влиянием мешающих воздействий
) эксплуатационной надежностью
10) надежностью (достоверностью) результатов
измерений
11) влиянием окружающей среды
12) видом используемой внешней энергии.
Электромеханические датчики веса. Датчики веса с
тензорезисторами.
Датчики веса с тензорезисторами являются в
настоящее время наиболее точными силоизмерительными устройствами, применяемыми
для взвешивания. Весы, оснащенные этими датчиками, допускаются к тарировке, так
как их погрешности отвечают законодательно установленным диапазонам
погрешностей торговых весов. Наряду с тензорезисторами в датчики весов встроены
сопротивления, предназначенные для настройки мостовой схемы в процессе
изготовления, что обеспечивает взаимозаменяемость датчиков, а также возможность
при необходимости включать в общую схему несколько датчиков. Характеристика
тензометрического весового датчика указывает величину выходного напряжения в
милливольтах при номинальной нагрузке, отнесенную к 1В напряжения питания.
Обычно эта величина составляет 1-2мВ/В. Перегрузка в 150 % номинальной не
вызывает смещения нуля. При перегрузках до 500 % номинального значения
механические повреждения также не возникают.
Магнитоупругие датчики веса.
Магнитоупругий эффект обусловливает в
соответствующих материалах (пермаллое), подвергаемых нагрузке, изменение их
магнитной восприимчивости. Такой материал используют в качестве сердечника
обмотки, полное сопротивление которой снижается при увеличении нагрузки
вследствие уменьшения магнитной восприимчивости. Подобные чувствительные
элементы обладают относительно высокой выходной мощностью, что позволяет
присоединять к их выходу показывающие приборы без усилителя. Однако линейный
диапазон характеристики недостаточен для осуществления точных измерений.
Индуктивные датчики веса.
В индуктивных датчиках изменение индуктивности
обмотки вызывается смещением железного сердечника под действием измеряемого
усилия.
Особое значение в области весоизмерительной
техники имеют следующие устройства:
а) с двумя или четырьмя изменяемыми
индуктивностями (сдвоенный дроссель с втяжным или поперечным якорем);
б) с изменяющейся взаимоиндуктивностью
(дифференциальный трансформатор с втяжным якорем). По сравнению с
тензометрическими датчиками индуктивные датчики веса обладают большим выходным
напряжением, меньшей чувствительностью к воздействию температуры и влажности и
большими перемещениями якоря. Эти свойства позволяют использовать мягкие
пружины, что в свою очередь обеспечивает возможность измерения малых усилий,
около 10-2 Н. Однако точность, обеспечиваемая тензометрическими
датчиками веса, недостижима.
Устройство электромагнитной силовой компенсации.
В этом устройстве чаша весов соединена рычагом с
компенсационной катушкой, которая находится в поле постоянного магнита. Током в
обмотке этой катушки управляет датчик положения, связанный с усилителем.
Изменение тока в обмотке компенсационной катушки происходит до момента
достижения равновесия. При изменении нагрузки в чаще весов изменяется соответственно
сила тока в обмотке, являющаяся мерой веса груза.
Весоизмерительные ячейки с вибрирующей струной.
Принцип действия ячейки предусматривает
возбуждение вибрации постоянной частоты предварительно натянутой струны при
помощи электромагнитной системы и передачу на струну усилия, развиваемого
находящимся в грузовой чаше весов грузов при помощи рычагов.
Это усилие увеличивает натяжение струны и, как
следствие, - частоту ее вибрации. Изменение частоты является мерой определяемой
массы груза. Ячейка выдает дискретный сигнал.
Гидравлические датчики веса.
Сила определяется путем измерения давления,
развиваемого нагрузкой на поршне или мембране гидравлической системы. Давление
жидкости измеряется манометром. Конструкция вывода с резиновой мембраной
исключает трение, возникающее в поршневых месдозах и в месдозах с плоскими
мембранами. Кроме того, датчики этого типа допускают отклонения направления
действующего усилия до 4° от вертикали без дополнительных погрешностей. Прогиб
резиновой мембраны при наибольшей нагрузке составляет 1 - 3 мм. Погрешность
оценивается в ± 0,2 % в пределах взвешивания. Наибольшие пределы взвешивания от
50 кг до 500 т.
Ионизационные методы измерения.
Взвешивание с применением радиоактивных изотопов
можно осуществлять двумя методами: методом просвечивания (абсорбции) и методом
рассеяния.
При использовании метода просвечивания измеряют
поглощение излучения взвешиваемым грузом. Применение жесткого излучения
позволяет считать значение массового коэффициента ослабления независимым от
химического состава материала. При использовании метода рассеяния прямое
излучение экранируется. Боковое излучение рассеивается материалом и
направляется в детектор. Бесконтактность метода взвешивания позволяет
использовать весы этого типа в качестве транспортерных или автомобильных весов,
работающих в тяжелых внешних условиях, при которых весы с обычными
измерительными системами быстро изнашиваются. Достигнутые диапазоны
погрешностей составляют несколько процентов (2, 4, 6, 7).
Я выберу датчик веса с тензорезисторами.
2. Выбор датчика. Общие положения
Выбор датчика для заданных условий эксплуатации
осуществлялся на основании следующих базовых характеристик:
универсальность;
точность;
безопасность;
удобство.
В соответствии с этими характеристиками были
выбраны конвейерные весы модели Milltronics
MSI компании "Siemens".
Конвейерные весы с одной роликовой опорой MSI
- одна из самых совершенных конвейерных весов с одной роликовой опорой. Они
обеспечивают непрерывное взвешивание свободного потока разнообразных материалов
как в сырьевых, так и в перерабатывающих отраслях промышленности. Использование
в MSI тензодатчиков
запатентованной прямоугольной формы обеспечивает быструю реакцию на
вертикальное усилие и мгновенный отклик на появление нагрузки. Это гарантирует
исключительную точность и измерений и повторяемость даже при неравномерно
распределенной нагрузке и высокой скорости ленты.
Работая совместно с микропроцессорным
интегратором, MSI
обеспечивает отображение на экране: расхода в конкретный момент времени,
суммарного расхода, нагрузки на ленту и скорости потока сыпучих материалов на
ленточном конвейере. Датчик скорости измеряет скорость ленты конвейера,
передавая результаты на интегратор. Весы просто устанавливаются на конвейер и
могут быть закреплены четырьмя болтами и имеющимися роликами, в свою очередь
закрепленными на динамической балке. Так как подвижные части у прибора
отсутствуют, обслуживание сводится к минимуму, необходимо только периодически
проверять калибровку.
Принцип действия:
Чувствительными элементами весов являются
тензодатчики, воспринимающие вертикальную составляющую веса ленты конвейера с
находящимся на ней материалом. Тензометрические датчики генерируют
электрический сигнал, пропорциональный нагрузке. Так как расход материала
зависит от скорости ленты, для подачи сигнала пропорционально скорости ленты
используется датчик скорости. Сигнал тензодатчиков и датчика скорости
регистрируются на электронном интеграторе. В результате вычисляется текущий и
суммарный расход материала. На весовом мосту MSI
установлены 2 высокоточных тензометрических датчика.
Датчик скорости:
Тип датчика скорости выбирается исходя из
условий эксплуатации и измеряемого материала. Я выбрал индуктивный датчик RBSS,
который устанавливается на холостую ветвь ленты.
Также весовой мост комплектуется интегратором
Milltronics BW100.
Функциональные возможности:
Электронные конвейерные весы быстро реагируют на
отклонения нагрузки конвейера. Благодаря уникальной конструкции они не
чувствительны к боковым силам, смещению груза и трению опорных валиков. Этот
патентованный прибор обеспечивает высокую степень надежности и точности
измерений в широком диапазоне применений, а также имеет ряд дополнительных
функций. В частности, весы обеспечивают предохранение от перегрузки конвейера и
аварийный сигнал в случае пробуксовки ремня. При необходимости к весам могут
быть подключены дистанционные индикаторы потока и веса, а также счетчик расхода
и печатающее устройство (принтер). Кроме того, электронные весы легко
интегрируются в автоматизированные системы управления производством.
3. Техническая характеристика, выбранного
средства измерения
Таблица 1 - Техническая характеристика датчика
|
Наименование
характеризуемого параметра
|
Значение
измеряемого параметра
|
|
Параметры
измеряемого материала:
|
|
Максимальная
линейная плотность взвешиваемого материала
|
420
кг/м
|
|
Минимальная
линейная плотность взвешиваемого материала
|
10,5
кг/м
|
|
Весовой
мост:
|
|
Погрешность
|
+
0,5 % суммарного расхода
|
|
Ширина
конвейерной ленты
|
300…2200
мм
|
|
Скорость
ленты
|
0,02…3
м/с
|
|
Загрузка
|
До
5000 т/час при максимальной скорости конвейера
|
|
Угол
наклона конвейера
|
+
20° от горизонтали
|
|
Диаметр
ролика
|
50…175
мм
|
|
Расстояние
между роликоопорами
|
0,5…1,5
м
|
|
Пылевлагозащищенность
|
IP65
|
|
Тензодатчики
|
|
Питание
|
10
В (номинал), 15 В (максимум) (блок питания тензодатчиков интегральный, с
обратной связью, встроен в BW100/BW500)
|
|
Выходной
сигнал
|
2
мВ/В
|
|
Нелинейность
|
0,02
% шкалы
|
|
Гистерезис
|
0,02
% шкалы
|
|
Воспроизводимость
|
0,01
% шкалы
|
|
Нагрузка
|
23;
45; 113; 227; 340; 454 кг
|
|
Перегрузка
|
допустимая
150 % диапазона разрушающая 300 % диапазона
|
|
Температура
окружающей среды
|
грузоподъемное
устройство -40…65 °С
|
|
Датчик
скорости RBSS
|
|
Наименование
характеризуемого параметра
|
Значение
измеряемого параметра
|
|
Входной
сигнал
|
однонаправленное
вращение зубчатки (60 зубьев) с полиуретановым колесом диаметром 152 мм
|
|
Выходной
сигнал
|
60
импульсов/оборот 125,3
импульса/метр
|
|
Питание
от индикатора
|
5…18
В / 10 мА пост. тока
|
|
Температура
окружающей среды
|
-40…105
°С
|
|
Пылевлагозащищенность
|
IP65
|
4. Выбор параметров "интеллекта"
датчика в соответствии с требованиями конкретных условий эксплуатации
Выбранный датчик имеет следующие параметры
интеллекта:
предохранение от перегрузки конвейера;
аварийный сигнал в случае пробуксовки ремня;
. Конструкция, монтаж датчика по месту
эксплуатации и монтажный символ датчика

Рис. 1 - Конструкция весов
Рис. 2 - Габаритный чертеж
Таблица 2 - Габаритные размеры
|
Ширина
ленты конвейера, мм
|
Ширина
крепления весов А, мм
|
Минимальная
ширина вставки В, мм
|
С,
мм
|
D, мм
|
E, мм
|
Масса,
кг
|
|
457
|
686
|
591
|
241
|
140
|
178
|
37
|
|
508
|
737
|
641
|
241
|
140
|
178
|
39
|
|
610
|
838
|
743
|
241
|
140
|
178
|
41
|
|
762
|
991
|
895
|
241
|
140
|
178
|
45
|
|
914
|
1143
|
1048
|
241
|
140
|
178
|
49
|
|
1067
|
1295
|
1200
|
241
|
140
|
178
|
53
|
|
1219
|
1448
|
1353
|
241
|
140
|
178
|
57
|
|
1372
|
1600
|
1505
|
305
|
203
|
178
|
79
|
|
1524
|
1753
|
1657
|
305
|
203
|
178
|
88
|
|
1676
|
1905
|
1810
|
305
|
203
|
203
|
104
|
|
1829
|
2057
|
1962
|
305
|
203
|
203
|
112
|
Рис. 3 - Датчик скорости
Монтаж конвейерных весовпоставляются с
транспортировочным фиксатором как один компонент. При получении необходимо
распаковать MSI и проверить на предмет наличия повреждений при транспортировке.
Убедиться, что система подачи отвечает
требованиям по монтажу ленточных весов MSI. Поперечины транспортерной ленты в
области монтажа ленточных весов должны быть стабильными, прямыми,
параллельными, и находиться под прямым углом к оси ленты. Весоизмерительный
ролик для использования с весами и минимум две предшествующие и последующие
станции должны быть одного типа и в хорошем состоянии.
Сварочные работы
При осуществлении сварочных работ вблизи от
весоизмерительной системы требуется предельная осторожность. Убедиться, что
сварочный ток не проходит через весоизмерительную ячейку. Сварочный ток может
повредить весоизмерительную ячейку.
Обращение с весоизмерительными ячейками
Без повреждений весоизмерительные ячейки могут
подвергаться только очень незначительным, механическим отклонениям.
При работе с MSI оба транспортировочных
фиксатора для защиты весоизмерительных ячеек должны быть переведены в
вертикальное положение. Запрещено приподнимать MSI за динамичную раму или
подвергать воздействиям ударам молотком при монтаже.
Действия при монтаже
. Демонтировать роликовую опору в месте монтажа.
Рис. 4 - Монтаж роликовой опоры
. Удалить основания роликовой опоры и
согласовать раму на обоих концах как показано выше.
Обработка роликовой опоры и крепеж ленточных
весов на ее внутренней монтажной позиции может вызвать необычные вибрации. В
этом случае необходимо приварить угловые элементы жесткости к соединительной
детали горизонтального держателя и наружной, вертикальной части опоры.
Рис. 5 - Типичная роликоопора с желобом
. Установить MSI на место удаленной роликовой
опоры. Концепция MSI позволяет использовать уже имеющие отверстия поперечин,
поэтому новых отверстий не требуется. Установить монтажные винты и гайки, но не
затягивать их.
Рис. 6 - Схема установки весов
Обеспечить достаточное расстояние безопасности
между обратной лентой, MSI и тестовым грузом (при использовании во время
калибровки).
. Установить весы по центру и под прямым углом к
поперечинам. Зажать модифицированный опорный ролик по центру на весах.
Выровнять ленточные весы таким образом, чтобы
стрелки на монтажном хомуте показывали в направлении подачи.
. Удалить транспортировочный фиксатор для освобождения
весоизмерительного механизма. Ослабить винты 'A' и вращать транспортировочные
фиксаторы внутрь до тех пор, пока прорезь на нижней стороне не будут скользить
вокруг винтов 'B'. Для крепежа затянуть винты А.
Рис. 8 - Расположение винтов А и В
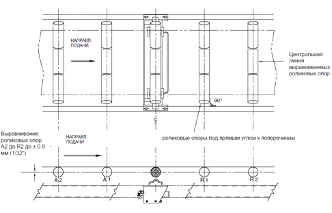
. Роликовые опоры в области взвешивания с
помощью подкладных плит должны быть выровнены в ряд и на одной высоте. Разница
по высоте обоих роликовых опор на входе и выходе не должна превышать ± 0.8 мм
(1/32"). Необходимо убедиться, что роликовые опоры располагаются по центру
и под прямым углом к транспортерной ленте.
Рис. 9 - Выравнивание роликовых опор
7. Точное выравнивание роликовых опор очень
важно для оптимальной точности весоизмерительной системы. Из-за неправильного
выравнивания роликовых опор на роликовые опоры в области взвешивания действуют
нежелательные силы. Следствием являются ошибки калибровки и измерения.
Использовать нивелировочный шнур хорошего качества для проверки выравнивания.
Этот шнур должен выдерживать высокое натяжение, чтобы избежать провисаний.
Согласовать подкладные плиты таким образом, чтобы все ролики опор A2 до R2 были
выровнены в один ряд на одной высоте ± 0.8 мм (1/32").
Рис. 10 - Точное выравнивание роликовых опор
Несмотря на допуск в ± 0.8 мм (1/32")
роликовая опора ленточных весов никогда не должна быть ниже соседних опор.
Выравнивание это важнейший этап при монтаже ленточных весов. Оно
непосредственно влияет на точность весоизмерительной системы. Поэтому
действовать внимательно и осторожно.
Рис. 11 - Схема соединения MSI
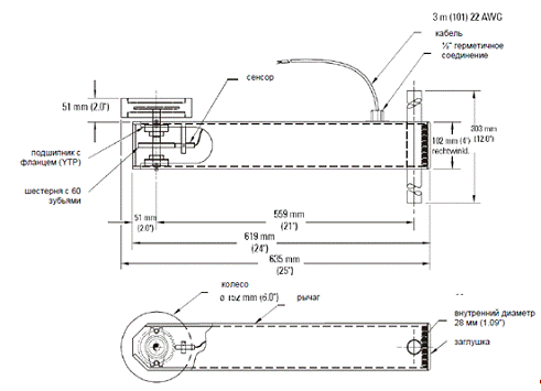
Монтаж датчика скорости
Для упрощения проводки рекомендуется
смонтировать сенсор скорости RBSS вблизи от ленточных весов. Колесо должно
прилегать к обратной ленте, либо непосредственно перед, либо после роликовой
опоры обратного хода.
Рис. 12 - Монтаж датчика скорости
Указания по монтажу
. Измерить расстояние между внутренними
сторонами продольных балок и обрезать поперечный держатель 24 мм (1") на
измеренную длину.
. Выровнять сенсор скорости RBSS так, как это
показано на рисунке ниже.
. Вставить поперечный держатель через отверстие
в конце RBSS и после надеть по одной шайбе 24 мм (1") на концы держателя.
. Смонтировать всю конструкцию таким образом,
чтобы колесо сенсора лежало по центру на обратной ленте.
. Убедиться, что между сторонами сенсора и
шайбами имеется промежуток в 3 мм (1/8") и закрепить шайбы на поперечном
держателе.
. Закрепить один конец поперечного держателя на
одной продольной балке.
. Установить всю конструкцию под прямым углом к
транспортерной ленте, чтобы колесо шло непосредственно по ленте.
. Закрепить другую сторону держателя на
противоположной продольной балке. Еще раз убедиться, что конструкция находится
под прямым углом к ленте.
Рис. 13 - Установка RBSS
на держатель
9. Запустить ленту. Колесо должно крутиться на
ленте правильно и не уходить в сторону. При необходимости снова разъединить
сварное соединение и передвинуть всю конструкцию таким образом, чтобы колесо
заняло правильную позицию.
. Подключить кабели следующим образом:
• КРАСНЫЙ - управление
• БЕЛЫЙ - сигнал
• ЧЕРНЫЙ - общий кабель
. Градуировка и методика поверки выбранного
датчика
После правильной установки MSI необходимо
осуществить калибровку в комбинации с измерительным преобразователем. Указания
по программированию и калибровке можно найти в соответствующем руководстве по
эксплуатации. Для первой калибровки используются тестовые грузы. Для абсолютной
точности рекомендуется проверка с подаваемым материалом.
Контрольный груз
Значение контрольного груза для MSI см.
прилагаемый технический паспорт. Это значение в соответствующих единицах
(килограмм на метр/ фунт на фут) должно быть введено в предусмотренный параметр
программирования измерительного преобразователя.
Если фактическое расстояние между роликовыми
опорами отличается от значения, указанного в техническом паспорте, но
необходимо заново вычислить контрольный груз следующим образом. В ином случае
контрольное значение технического паспорта является недействительным.
Контрольный груз = Общий вес всех тестовых
грузов
Расстояние между опорными роликами
Коррекция нуля
Осуществить коррекцию нуля согласно описанию в
разделе "Калибровка" руководства измерительного преобразователя.
Полная компенсация
Для калибровки использовать прилагаемые тестовые
грузы (от 1 до 12 шт.). Тестовые грузы необходимо подвесить на хомут согласно
рисунку. Осуществить полную компенсацию согласно описанию в разделе
"Калибровка" руководства по эксплуатации измерительного преобразователя.
После завершения полной компенсации удалить и
сохранить тестовые грузы.
Рис. 14 - Расположение тестовых грузов
Тест с материалом
МSI обеспечивают гарантированную точность в +/-
0.5%, если они монтируются на ленточный транспортер с соблюдением правил этого
руководства и отвечают требованиям "Руководств по использованию". Эта
гарантия основывается на осуществленных с тестовыми грузами калибровках.
Если же указанные выше требования к монтажу не
могут быть выполнены, то рекомендуется осуществить тест с материалом. Это
позволяет пользователю сравнить актуальные результаты взвешивания с
результатами теста с материалом. В этом случае весы могут быть установлены
таким образом, чтобы последующие калибровки на основе тестовых грузов совпадали
с фактическим усилием подачи.
. Выбор вторичного прибора. Анализ
функциональных возможностей прибора в заданной системе
Весовой мост MSI
комплектуется интегратором Accumass
BW100. Интегратор
работает с конвейерными весами с одним или двумя тензодатчиками. При
использовании и датчика скорости, он вычисляет расход и суммарный вес твердых
сыпучих материалов. Чтобы обеспечить исключительную точность измерений, прибор
проводит электронную балансировку нагрузочных ячеек, объединенных в мостовую
схему. На систему не влияет неравномерность нагрузки - необязательно
уравновешивать нагрузку на ячейки или механически балансировать весы.
Большой дисплей с подсветкой отображает
гистограмму, на которой сравнивается текущий расход с максимальным, что уменьшает
вероятность ошибки оператора.
Интегратор оснащен четырехкнопочной панелью
управления с кнопками тактильной обратной связи, используемыми для установки
всех параметров. Кроме того, для программирования и загрузки параметров с
настольного или портативного ПК, Вы можете воспользоваться программным
обеспечением Dolphin
Plus фирмы Milltronics.
Особенности:
· Многосегментный ЖК-дисплей с
подсветкой
· 2 контакта удаленногосумматора
· Функция автоматического обнуления
· Линеаризация потока
· Изолированный токовый выход
· Программируемое рел
8. Техническая
характеристика измерительного прибора
Таблица 3 - Техническая характеристика
измерительного прибора
|
Наименование
характеризуемого параметра
|
Значение
параметра
|
|
Питание
|
стандартно:
100/115/200/230 В переменного тока ± 15 %, 50/60 Гц, 15 ВА
|
|
Применение
|
совместим
с конвейерными весами MSI, MLC, MUS и MTS, или
аналогичными
|
|
Точность
|
0.1
% полной шкалы
|
|
Разрешение
|
0.02
% полной шкалы
|
|
Условия
эксплуатации
|
установка:
внутрицеховая / наружная высота над уровнем моря: не более 2000 м
температура: от -20 до 50° С относительная влажность: подходит для наружного
применения категория установки: II степень загрязнения: 4
|
|
Корпус
|
сплав
полипропилена тип 4Х / NEMA 4Х / IP 65 с
герметизированным электронным блоком встроенная клеммная коробка с контактным
блоком для - полупров. провода 0.2 - 4 мм2 или - витого провода
0.2 - 2.5 мм2 (12-24 AWG)
|
|
Программирование
|
через
локальную клавиатуру с защитным силиконовым покрытием и/или с помощью П.О. Dolphin
|
|
Дисплей
|
38
х 100 мм (1.5 х 4") жидкокристаллический с несколькими полями
|
|
Входы
|
нагрузочная
ячейка: 0 - 45 мВ пост, тока на одну ячейку датчик скорости: серия импульсов
- - 0-5 В (низкие), до 0-15 В (высокие), 1 -2000 Гц, или - переключатель с
открытым коллектором, или - окисленный контакт реле автоматическое обнуление:
окисленный контакт от внешнего устройства
|
|
Выходы
|
аналоговый:
- оптически изолированный 0/4 - 20 мА - максимальная нагрузка - 750 Ом -
разрешающая способность: 0.1% от 20 мА тензодатчик: компенсация 10 В пост,
тока на натяжной элемент, не более 2 шт. датчик скорости: 12 В пост, тока,
макс. ток возбуждения - 50 мА. удаленный сумматор 1: - длительность замыкания
контакта 32 - 288 мс - переключатель с открытым коллектором на 30 В
постоянного тока, не более 100 мА. удаленный сумматор 2: - длительность
замыкания контакта 32 - 288 мс - переключатель с открытым коллектором на 240
В постоянного/переменного тока, не более 100 мА. релейный выход: - 1
программируемый контакт реле формы 'С' SPDT, 5А при
250 В переменного тока, неиндуктивный
|
|
Дополнительные
опции
|
датчик
скорости: Mass
Dynamics
MD-36, MD-256 или TASS, RBSS или
аналогичный Dolphin
Plus:
интерфейс программного обеспечения Milltronics под Windows и
инфракрасная связь ComVerter CVCC: Milltronics
биполярная петля к RS-232 или RS-422
пассивному конвертеру, интерфейс связи BIC-2: Milltronics
биполярная петля к RS-232 или RS-422
буферному конвертеру, интерфейс связи, не более 6 BW100 на BIC-2
Компенсатор Наклона Mass Dynamics, для
компенсации сигнала от конвейеров с переменным наклоном.
|
9. Конструкция, принцип работы с приведением
структурной и/или функциональной, и принципиальной электрической схем
вторичного прибора
Рис. 15 - Конструкция вторичного прибора
Рис. 16 - Схема электрических соединений
вторичного прибора
. Градуировка, краткая методика поверки
вторичного прибора
Для того чтобы сохранить точность системы
взвешивания, необходимо периодически проводить перекалибровку. Частота поверки
зависит от условий работы. На начальном этапе выполняются частые поверки, но с
течением времени частота поверок может быть сокращена.
Поверяемые параметры:
· Обычный ноль - Необходимо запустить
конвейер пустым в течение нескольких минут. Весы при этом не используются.
· Начальный ноль - Настраивается если
необходимо.
· Обычный диапазон - Настраивается при
помощи тестового веса.
· Начальный диапазон - Настройка
диапазона измерения
· Прямой диапазон - Настраивается при
замене программного обеспечения или аппаратных средств.
. Монтаж и монтажный символ вторичного прибора
Устанавливать данный прибор можно как внутри
цеха, так и снаружи. Габаритные размеры см. рис 15.
Рис. 17 - Схема электрических соединений
датчиков
Сокращения на схеме: RED
- Красный
BLK - Черный
WHT - Белый
GRN - Зеленый
SHIELD - Экран
EXC - Питание
тензодатчиков
SIG - Сигнал.
. Анализ функциональных возможностей
регулирующего устройства в заданной структуре системы управления
Для заданной системы управления регулирующее
устройство должно реализовывать пропорционально-интегрально-дифференциальный
(ПИД) закон регулирования. Также регулятор должен обладать универсальными
входами и выходами.
. Выбор регулирующего устройства из современных
систем технических средств регулирования
Я выбрал микропроцессорный контроллер с цифровой
индикацией модели UT-350
компании "Yokogawa".
Контроллер с цифровой индикацией модели UT-350
- это высокоточный прибор с размером панели по стандарту 1/4DIN
и универсальным входом/выходом. Контроллер оснащен большим дисплеем для
отображения показаний и предоставляет отличную возможность оперативного
мониторинга с помощью переключателя автоматического и ручного режимов. В
приборе реализованы такие функции регулирования, как ПИД-регулирование с
автонастройкой, функция подавления перерегулирования "SUPER"
и функция подавления рыскания "SUPER
2". Кроме того, стандартно встроены возможности ретрансляции переменных и
питание контура 15 В пост. тока. По заказу возможно добавление функции связи и
функции питания контура 24 В пост. тока. Таким образом, контроллер UT350
обладает более широким набором функций и возможностей по сравнению с обычными
контроллерами аналогичного размера.
. Техническая характеристика выбранного
регулирующего устройства
Таблица 4 - Техническая характеристика
регулирующего устройства
|
Наименование
характеризуемого параметра
|
Значение
параметра
|
|
Относительный
диапазон
|
0,1
- 999,9%
|
|
Время
интегрирования
|
1
- 6000 секунд или выключено
|
|
Время
дифференцирования
|
1
- 6000 секунд или выключено
|
|
Ручной
сброс
|
-5
- 105% выходного диапазона
|
|
Гистерезис
двухпозиционного регулирования
|
0
- 100% полного диапазона измерительного входа
|
|
Настройка
скорости изменения задания
|
выключено
или 0 - 100% /час или /мин
|
|
Время
цикла управляющего выхода
|
1
- 1000 с
|
|
Предварительная
установка выхода
|
-5
- 105% диапазона выхода
|
|
Ограничитель
выхода
|
верхний
предел: от нижнего предела до 105% диапазона выхода нижний предел: от -5%
диапазона выхода до верхнего предела
|
|
Токовый
выход
|
|
Число
точек выхода
|
1,
возможность переключения между выходом импульса напряжения и токовым выходом
|
|
Выходной
сигнал
|
4-20
мА пост. тока
|
|
Сопротивление
нагрузки
|
≤
600 Ом
|
|
Погрешность
выходного сигнала
|
±
0,3% шкалы
|
|
Выход
импульса напряжения
|
|
Число
точек выхода
|
1,
возможность переключения между выходом импульса напряжения и токовым выходом
|
|
Выходной
сигнал
|
напряжение
включения: ≥ 12 В пост. тока напряжение выключения: ≤ 0,1 В пост.
тока
|
|
Сопротивление
нагрузки
|
≥
600 Ом
|
|
Разрешение
|
10
мс
|
|
Наименование
характеризуемого параметра
|
Значение
параметра
|
|
Релейный
контактный выход
|
|
Количество
точек выхода
|
1
|
|
Выходной
сигнал
|
трехконтактный
переключатель состояний: NC/Нормально замкнут, NO/Нормально
разомкнут и Common/Общий
|
|
Номинал
контактов
|
250
В переем. тока, 3 А или 30 В пост. тока, 3 А (активная нагрузка)
|
|
Разрешение
|
10
мс
|
|
Контактные
входы
|
|
Количество
точек входа
|
2
|
|
Тип
входа
|
контакт
с нулевым напряжением или транзистор с открытым коллектором
|
|
Номинал
контактов входа
|
12
В пост. тока, 10 мА или более (для контактного входа с нулевым напряжением)
|
|
Условия
окружающей среды
|
|
Температура
окружающей среды
|
0
- 50°С
|
|
Колебания
температуры
|
не
более 10°С/час
|
|
Относительная
влажность окружающей среды
|
20
- 90% (без конденсации)
|
|
Магнитное
поле
|
не
более 400 А/м
|
|
Непрерывная
вибрация (5 - 14 Гц)
|
полная
амплитуда не более 1,2 мм
|
|
Непрерывная
вибрация (14 - 150 Гц)
|
не
более 4,9 м/с2
|
|
Кратковременная
вибрация
|
14,7
м/с2, не более 15 с
|
|
Удар
|
не
более 147 м/с2, в течении 11 мс
|
|
Высота
монтажной площадки
|
не
более 2000 метром над уровнем моря
|
|
Время
прогрева
|
не
менее 30 минут
|
|
Монтаж
|
|
IP
|
55
|
|
Материал
корпуса
|
АБС
пластик и поликарбонат
|
|
Вес
|
не
более 1 кг
|
|
Габаритные
размеры
|
96
(ширина) х 96 (высота) х 100 (толщина) (мм)
|
|
Наименование
характеризуемого параметра
|
Значение
параметра
|
|
Монтаж
|
крепление
на панель; 2 монтажных скобы (верхняя и нижняя)
|
|
Размеры
монтажного выреза в панели
|
920+0,8(ширина)
х 920+0,8(высота) мм
|
|
Положение
при монтаже
|
Отклонение
от горизонтальной плоскости не более 30°. Не монтировать лицевой панелью
вниз.
|
|
Электрические
соединения
|
контакты
под винт М3,5 для сигнальной, силовой и заземляющей проводки
|
15. Конструкция, принцип работы с приведением
структурной и/или функциональной, или упрощенной принципиальной схем
регулирующего устройства
Рис. 18 - Передняя панель регулирующего
устройства
Рис. 19 - Функциональная блок-схема
регулирующего устройства UT350
Рис. 20 - Схема расположения клемм регулятора
UT350
технологический датчик градуировка
прибор
16. Статическая и динамическая настройка
регулирующего устройства для заданного закона регулирования (методика
программирования микропроцессорного контроллера)
Функции дисплея и управляющих клавиш
Дисплей измеряемого входного значения (PV)
- 4-разрядный цифровой дисплей для отображения технических данных.
Дисплей Задания (SP):
4-разрядный цифровой дисплей для отображения различных данных, таких как
Задание (SP).
Индикаторы состояния - 3 индикатора
сигнализации: AL1, AL2
и AL3 и 3 индикатора
номера Задания - SP2,
SP3, SP4
(при выборе SP1 не горят).
Индикатор ручного режима работы (MAN)
- загорается при работе в ручном режиме.
Управляющие клавиши:
· Клавиши ▲▼ служат для
изменения значения Заданий или других параметров.
· Клавиша SET/ENT
используется для ввода данных и для смены дисплеев.
· Клавиша А/М переключение режимов Auto/Man
(Автоматический/Ручной)
Дисплей выбора/регистрации SELECT
- панель выбора и регистрации рабочих параметров, часто изменяемых в процессе
работы. Например, регистрация установки Сигнализации-1 на дисплее SELECT
значительно упростит ее вывод на дисплей во время работы.
Могут быть выбраны следующие типы вычислений
управляющего воздействия:
· Непрерывное ПИД-регулирование
· Широтноимпульсное ПИД-регулирование
· Релейное двухпозиционное
регулирование.
Длительность цикла управления: 250 мс
Количество наборов Заданий и параметров ПИД: 4
Целевое Задание и параметры ПИД: Параметры ПИД
комплектуются для каждого Задания, группа параметров ПИД выбирается
одновременно с номером Задания.
Выбор "ПИД-зон": Параметры ПИД
выбираются в зависимости от значения PV.
Для выбора используются контрольная точка (Задание выбора параметров ПИД) или
контрольное отклонение.
Метод контрольной точки: Диапазон измерительного
входа разделяется максимум на три зоны, не более чем с двумя контрольными
точками; для каждой из этих зон выбираются параметры ПИД (от ПИД №1 до ПИД №3)
см. рис
Контрольная точка: Диапазон входа PV
(0%) < Контрольная точка 1 < Контрольная точка 2 < Диапазон
измерительного входа (100%)
Гистерезис контрольной точки: фиксируется как
0,5% полного диапазона измерительного входа.
Метод контрольного отклонения: Параметры ПИД
(ПИД №4) выбираются, если отклонение превышает контрольное отклонение. Функция
имеет приоритет по отношению к методу контрольной точки.
Контрольное отклонение: выключено (OFF)
или 0,1 - 100,0% полного диапазона измерительного входа.
Рис. 21 - График ПИД-регулирования
Автоматическая настройка: Предлагается как
стандартная функция. При запуске автонастройки константы ПИД устанавливаются
автоматически (методика ограниченного цикла).
Функция подавления пререгулирования "SUPER":
Служит для подавления выбросов, возникающих из-за резкого изменения Задания или
вследствие внешних воздействий.
Функция подавления рыскания "SUPER
2": Функция стабилизирует состояние регулирования, стабильность которого
нарушается из-за рыскания или по иным причинам, без необходимости внесения
каких-либо изменений в константы ПИД, если происходит значительное изменение
нагрузки и/или коэффициента усиления, а также при разных характеристиках
температурных зон.
17. Монтаж и монтажный символ регулирующего устройства
Рис. 22 - Габаритные размеры UT350
Если устанавливается больше 1 регулятора
допускается минимальное расстояние в 53 мм со всех сторон, как показано ниже.
Рис. 23 - Монтаж нескольких регуляторов
Регулятор устанавливается на монтажный профиль
DIN, таким образом, что данная система может быть легко установлена или снята с
монтажного профиля DIN. Для установки регулирующего устройства на монтажный
профиль DIN:
. Установить профиль DIN.
. Зацепить верхнюю прорезь за профиль DIN.
. При нажатии на базовое устройство сверху вниз
по отношению к рельсу, защелкнуть нижнюю часть базового устройства.
Удостовериться, что защелка DIN установлена в верхнее (закрытое) положение.
. Оставить защитную наклейку до тех пор, пока не
закончится подключение базового и других устройств.
Для снятия базового устройства с профиля DIN:
. Поместить плоскую отвертку в защелку профиля
DIN внизу базового устройства.
. Удерживая базовое устройство, нажать вниз на
защелку, пока она не установится в открытое положение. Повторить эту процедуру
со второй защелкой.
18. Выбор типов исполнительного механизма и
регулирующего органа. Выбор типовой схемы соединений исполнительного механизма
и регулирующего органа для заданной системы
В качестве регулирующего органа я выбрал
частотный преобразователь фирмы "Schneider
Electric" модель Altivar
71 (ATV 71).
Серия преобразователей частоты Altivar
71 отвечает самым строгим требованиям применений благодаря использованию разнообразных
законов управления двигателем и многочисленным функциональным возможностям. Она
адаптирована для решения наиболее сложных задач электропривода:
· Момент и повышенная точность при
работе на очень низкой скорости и улучшенные динамические характеристики с
алгоритмами векторного управления потоком в разомкнутой или замкнутой системе
привода;
· Расширенный диапазон выходной
частоты для высокоскоростных двигателей;
· Параллельное включение двигателей и
специальные приводы с использованием скалярного закона управления;
· Точность поддержания скорости и
энергосбережение для разомкнутого привода с синхронным двигателем;
· Плавное, безударное управление
несбалансированными механизмами с помощью системы адаптации мощности (Energy
Adaptation
System - ENA).
Многофункциональность преобразователя Altivar
71 увеличивает производительность и гибкость использования машин для
многочисленных применений.
Подъемно-транспортное оборудование:
· Управление тормозом, адаптированное
для приводов перемещения, подъема и поворота.
· Весоизмерение.
· Подъем с повышенной скоростью.
· Контроль состояния тормоза.
· Управление воздействием концевых
выключателей окончания хода.
В качестве исполнительного механизма будет
выступать асинхронный электродвигатель. Мощность двигателя рассчитывается по
формуле:
Где Q -
производительность конвейера
L - длина
конвейера- высота подъема
Kз
- коэффициент запаса
с - расчетный коэффициент
η - КПД передач
Асинхронные электродвигатели, основными рабочими
элементами которых являются статор, ротор, магнитопровод, выполненный из
электротехнической стали, и обмотка, считаются самыми распространенными и
универсальными механизмами, служащими для преобразования электрической энергии
в механическую.
Я выбрал электродвигатель общего назначения
серии АИР. Электродвигатель асинхронный общего назначения (унифицированные
модели АИР) может эксплуатироваться в условиях повышенной влажности и в широком
температурном диапазоне.
19. Конструкция, принцип работы с приведением
структурной (или функциональной) и принципиальной схемы исполнительного
устройства
Серия преобразователей частоты Altivar
71 предназначена для двигателей мощностью от 0,37 до 500 кВт с тремя типами
сетевого питания:
· однофазное 200 - 240 В от 0,37 до
5,5 кВт;
· трехфазное 200 - 240 В от 0,37 до 75
кВт;
· трехфазное 380 - 480 В от 0,75 до
500 кВт.
Преобразователь частоты Altivar
71 имеет встроенные протоколы Modbus
и CANopen, функциональность
преобразователя может быть увеличена с помощью дополнительных карт расширения
входов-выходов, коммуникационных карт и интерфейсных карт датчика обратной
связи по скорости.
Преобразователь частоты Altivar
71 включается в цепь безопасности производственных установок. Он обладает
защитной функцией блокировки, исключающей несанкционированный пуск двигателя.
Рис. 24 - Схема подключения ATV
71 при однофазном сетевом питании
Рис. 25 - Схема подключения ATV
71 при 3-фазном сетевом питании
Рис. 26 - Конструкция электродвигателя
- электродвигатель серии АИР (АИС);
- кожух тормоза и крыльчатки;
- задний щит двигателя;
- вал двигателя;
- квадрат;
- втулка-удлинитель вала двигателя;
- крыльчатка ;
- винт крепления втулки;
- болты крепления электромагнита;
- коробка выпрямителя (может отсутствовать);
- электромагнит;
- пружины;
- якорь;
- тормозной диск;
- установочный диск тормоза;
- винты крепления тормоза к щиту двигателя;
- дистанционные втулки;
- рукоятка расфиксации тормоза;- размер
шестигранника для ручного проворота вала
Рис. 27 - Габаритные размеры электродвигателя
Таблица 5 - Габаритные размеры электродвигателя
|
b10
|
l10
|
l30
|
l31
|
h
|
h31
|
d30
|
d24
|
h37
|
l1
|
d1
|
d10
|
d20
|
d22
|
d25
|
n
|
|
190
|
178
|
625
|
108
|
112
|
435
|
246
|
350
|
160
|
80
|
42
|
15
|
300
|
19
|
250
|
4
|
. Технические характеристики составных частей
исполнительного устройства
Таблица 6 - Техническая характеристика
исполнительного механизма
|
Наименование
характеризуемого параметра
|
Значение
измеряемого параметра, единицы измерения
|
|
Мощность
|
15
кВт
|
|
Обороты
в минуту
|
2930
|
|
Ток
при 380 В
|
30
А
|
|
КПД
|
88
%
|
|
Коэффициент
мощности
|
0,86
|
|
Номинальный
ток
|
7,5
А
|
|
Номинальный
момент
|
2,1
Н*м
|
|
Максимальный
момент
|
3
Н*м
|
|
Момент
инерции
|
0,05
кг*м2
|
|
Масса
|
116
кг
|
|
Степень
защиты
|
IP54
|
Таблица 7 - Техническая характеристика
регулирующего органа
|
Наименование
характеризуемого параметра
|
Значение
измеряемого параметра, единицы измерения
|
|
Диапазон
мощности при частоте сети 50-60 Гц
|
0,37-500
кВт
|
|
Однофазная,
200-240 В
|
0,37-5,5
кВт
|
|
Трехфазная,
200-240 В
|
0,37-75
кВт
|
|
Трехфазная,
380-480 В
|
0,75-500
кВт
|
|
Электропривод
|
|
Наименование
характеризуемого параметра
|
Значение
измеряемого параметра, единицы измерения
|
|
Выходная
частота
|
0-1000
Гц
|
|
Закон
управления: асинхронный двигатель
|
Векторное
управление потоком в разомкнутой и замкнутой системе, закон
напряжение/частота (2 или 5 точек), система адаптации мощности
|
|
синхронный
двигатель
|
Векторное
управление в разомкнутой системе
|
|
Переходный
момент
|
220
% номинального момента двигателя в течении 2 с, 170 % в течении 60 с
|
|
Функции
|
|
Количество
функций
|
>150
|
|
Количество
предварительно заданных скоростей
|
16
|
|
Количество
входов-выходов: аналоговые входы
|
2-4
|
|
дискретные
входы
|
6-20
|
|
аналоговые
выходы
|
1-3
|
|
дискретные
выходы
|
0-8
|
|
релейные
выходы
|
2-4
|
|
Встроенная
коммуникационная связь
|
Modbus и CANopen
|
21.
Структурная схема системы автоматизации
Рис. 28 - Структурная схема всей системы
автоматизации
Заключение
В данном курсовом проекте я выбрал элементы
системы автоматического регулирования подачи руды в мельницу. В качестве
первичного прибора я выбрал конвейерные весы модели Milltronics
MSI компании "Siemens"
и индуктивный датчик скорости RBSS.
Выбранное мною регулирующее устройство - микропроцессорный контроллер с
цифровой индикацией модели UT-350
компании "Yokogawa",
в качестве регулирующего органа я взял частотный преобразователь фирмы "Schneider
Electric" модель Altivar
71 (ATV 71), и
исполнительный механизм - электродвигатель общего назначения серии АИР.
Я дал полную характеристику всех элементов САР,
а также привел чертежи по установке, функциональные схемы и схемы соединений.
Список литературы
. Методическое пособие по
выполнению курсового проекта
. Профос П. Измерения в
промышленности. - М., 1990. - 382 с.
3. <http://electricalschool.info/>
. <http://www.schneider-electric.com>
. <http://www.siemens.com>
. <http://www.yokogawa.ru>