Конструирование консольного насоса
Содержание
Введение
. Назначение и область применения
насоса
. Описание и обоснование выбранной
конструкции насоса
.1 Описание
конструкции насоса
.2
Обоснование выбранной конструкции
. Расчеты гидравлические
.1 Расчет
проточной части насоса
.2 Расчет
гидравлической осевой силы
.3 Расчет
гидравлической радиальной силы
. Выбор концевого уплотнения вала
. Расчеты по выбору двигателя
.1 Выбор
двигателя
.2 Расчет
пусковой моментной характеристики
. Механические расчеты
.1 Расчет
реакций в опорах
.2 Расчет
долговечности подшипников
.3 Расчет на
статическую прочность
.4 Расчет
шпоночного соединения вала с колесом
Список
литературы
насос
двигатель подшипник шпоночный вал
Введение
В последнее время во многих отраслях народного
хозяйства для гидротранспорта абразивных и легкоповреждаемых веществ,
гидросмесей, содержащих твердые и волокнистые включения, газосодержащих
жидкостей используют свободновихревые насосы (СВН), которые имеют простую и
удобную в эксплуатации конструкцию, высокую надежность, долговечность работы на
гидросмесях и обусловливают экономическую эффективность их применения для
транспортирования различных твердых веществ и продуктов.
По конструктивным признакам и по характеру рабочего
процесса СВН существенно отличаются от центробежных и имеют следующие
особенности:
рабочее колесо (РК) СВН расположено в нише корпуса,
имеющего свободную камеру, не пересекаемую вращающимися деталями. Поэтому часть
потока жидкости, поступающего в насос, проходит через свободную камеру, не
соприкасаясь с лопатками рабочего колеса;
рабочий объем СВН - односвязный. Это означает, что
любой замкнутый контур, взятый внутри объема, может быть стянут в точку без
пересечения границ объема. Рабочий объем центробежных насосов многосвязный -
если взять замкнутый контур в жидком объеме вокруг лопасти, то он не может быть
стянут в одну точку без пересечения ее поверхности. В практике использования
насосов это означает, что волокна, взвешенные в жидкости при перекачивании
загрязненных и волокнистых смесей, могут наматываться на лопасти центробежного
насоса, засоряя его;
в СВН нет передних уплотнений, следовательно,
отсутствуют проблемы, связанные с ними (износ, засорение, регулировка, промывка
и т.д.);
более простая форма проточной части снижает
металлоемкость насоса, облегчает его сборку, создает более благоприятные
условия для высокой степени унификации;
конструктивное исполнение рабочих органов позволяет с
небольшими затратами производить ремонт и изготовление запасных частей на месте
эксплуатации.
Кроме этого, СВН обладают рядом положительных свойств:
обеспечивают высокую надежность работы при перекачивании газообразных смесей с
содержанием газа до 50%, вязких жидкостей, крупных включений с размером 0,8
напорного патрубка, имеют высокую всасывающую способность (высота всасывания 8
м) и мало чувствительны ж кавитации.
Основной недостаток СВН - низкая экономичность,
которая в зависимости от конструктивного типа и размеров насоса составляет
35-58%.
Насосы свободновихревого типа широко применяются в
коммунальном хозяйстве для перекачивания фекальных жидкостей, грунтовых и
сточных вод, канализационного ила; в сельском хозяйстве для гидротранспорта
органических удобрений, картофеля, фруктов, рыбы; в пищевой промышленности для
перекачивания легкоповреждаемых продуктов, соков, сиропов, суспензий и прочего,
а также в целлюлозно-бумажной и химической промышленностях для
транспортирования древесной массы, макулатуры, полимеров, вискозного сырья,
газообразных жидкостей и других продуктов. СВН перспективно применять в черной
металлургии для гидротранспорта шлама, золы, руд, хвостов на
горнообогатительных фабриках; в угольной промышленности для гидротранспорта
угля и угольного шлама. Эти насосы также можно применять при подаче песка,
грунта, гравия и других абразивных веществ.
1. Назначение и область применения
насоса
Насос консольный свободно-вихревой СВН 21-10 ( подача Q=25 м 3/ч
и напор H=10 м ) предназначен для перекачивания бытовых и промышленных
загрязненных жидкостей, химически не агрессивных масс, а также суспензий,
фекальных и сточных вод с водородным показателем pH от 6 до 8.5, температурой
365 К ( 90 0С ) и плотностью до 1100 кг/м 3 , с
содержанием твердых частиц до 20% по объему, с максимальным размером до 15 мм.
В случае перекачивания абразивных взвешенных частиц содержание их по объему не
более 1%, размер до 5 мм и микротвердость не более 9000 Мпа.
2. Описание и обоснование выбранной
конструкции
2.1
Описание выбранной конструкции
Насос СВН 25-10 - свободновихревой, горизонтальный, консольный с рабочим
колесом, расположенным в расточке задней стенки корпуса. Отличительная
особенность электронасоса - наличие свободной камеры между колесом и передней
стенкой корпуса.
Базовая деталь электронасоса - корпус с входным и напорным патрубками.
Входной патрубок направлен горизонтально по оси, напорный - вертикально вверх.
Рабочее колесо выполнено в виде диска с наклонными лопатками. Концевое
уплотнение насоса сальникового типа с мягкой набивкой. Смазка подшипников -
консистентная.
Привод насоса от синхронного электродвигателя через соединительную упругую
втулочно-пальцевую муфту.
Направление вращения ротора - по часовой стрелке, если смотреть со
стороны приводного конца вала.
2.2
Обоснование выбранной конструкции
Данное конструктивное решение обусловлено повышением надежности работы и
снижением засоряемости проточной части насоса при перекачивании загрязненных
жидкостей с твердыми включениями. Конструкция насоса типа СВН имеет более
простую форму проточной части, меньшую металлоемкость, создает благоприятные
условия для высокой степени унификации. Конструктивное исполнение рабочих колес
позволяет с небольшими затратами производить ремонт и изготовление запасных
частей на месте эксплуатации.
3. Расчеты гидравлические
3.1 Расчет
проточной части
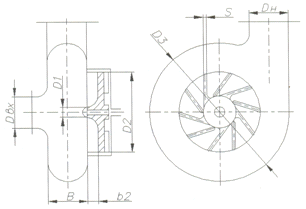
Расчеты проводим по методике, изложенной в [1] . Основные геометри-ческие
размеры проточной части показаны на рис. 3.1.
3.1.1
Исходные данные:
Q
= 25 м 3/ч; Н = 10 м; n = 1450 об/мин;
= 1100 кг/м 3.
3.1.2
Определяем коэффициент быстроходности насоса:
, (3.1)
.
3.1.3
Задаёмся соотношениями основных геометрических размеров рабочего колеса.
;
;
; Z = 10.
3.1.4 По
геометрическим зависимостям [1] определяем к.п.д., относительную ширину
свободной камеры В и функции F1 и F2.
;
;
-2;
.
- к.п.д.
указано для насосной части.
3.1.5
Наружный диаметр рабочего колеса определяем по формуле:
, (3.2)
где
. (3.3)
Здесь:
- механический к.п.д. насоса;
;
k
- коэффициент;
-3.
Рисунок
3.1 - Основные геометрические размеры проточной части насоса
Тогда
;
м.
Принимаем
наружный диаметр рабочего колеса D2 = 185мм.
3.1.6
Абсолютные размеры рабочего колеса:
D1
= 36 мм; b2 = 27 мм;
=5мм.
3.1.7 Ширина
свободной камеры електронасоса:
мм.
3.1.8 Принимаем
спиральный отвод.
Основные геометрические параметры отвода.
Диаметр входа:
, (3.4)
где
V0 =
- скорость на входе в насос;
-
коэффициент входной скорости.
;
м/с;
м.
С
учетом рекомендации ИСО 2858 принимаем Dвх = 65 мм.
3.2 Расчет
гидравлической осевой силы
Определение осевого усилия проводим по методике [2].
Результирующее осевое усилие, действующее на ротор электронасоса,
определяем по формуле:
F = F1 - F2 + F0 - Fm , (3.5)
где F1 , F2 , F0 , Fm -
составляющие полной осевой силы (рис. 3.2)
3.2.1
Определяем силу Fm.
, (3.6)
; (3.7)
м/с.
Тогда
Н.
3.2.2 Сила F1
определяем по формуле:
, (3.8)
где
r2 = 0,0925 м - наружный диаметр рабочего колеса; rВ =
0,0275 м - радиус вала под уплотнением;
= 1100
кг/м3 - плотность жидкости;
-
угловая скорость вращения ротора.
, (3.9)
с
-1.
= 0,452
- отношение средней скорости вращения жидкости в пазухе к скорости вращения
ротора.
Пьезометрический
напор:
, (3.10)
При этом окружная скорость:
, (3.11)
м/с.
Окружная
составляющая абсолютной скорости:
, (3.12)
м/с.
м.

Н.
Рисунок 3.2 - Схема действия осевых сил в СВН
3.2.3 Сила F0
будет равна:
, (3.13)
где Р0 = 2,5 кгс/см2 - максимальное давление во
всасывающем патрубке.
Тогда
10 5 = 829 Н.
3.2.4 Силу F1
определяем по формуле:
, (3.14)
, (3.15)
где
К коэффициент, зависящий от геометрических размеров электронасоса.
.
Тогда
Н.
Результирующая
осевая сила, действующая на ротор электронасоса:
F = F1 - F2 + F0 - Fm ,
(3.16)
F = 1372 - 936,44 + 829 - 156,84 = 1108 Н.
Для уменьшения осевой силы применяем импеллеры.
Уменьшение осевой силы от действия лопаток импеллера определяем по
формуле [3].
, (3.17)
где D2u - наружный
диаметр лопаток импеллера, D2u = 0,185 м;1u - внутренний
диаметр лопаток импеллера, d1u = 0,08 м;2u - окружная
скорость на выходе импеллера;1u - окружная скорость на входе
импеллера.
, (3.18)
м/с,
, (3.19)
м/с.
Н.
Величина
осевого усилия, воспринимаемого подшипниками насоса, будет равна:
А = F - ТЛ , (3.20)
А = 1108 - 723,69 = 384,3 Н.
Осевая сила будет направлена на выход рабочего колеса.
3.3 Расчет
гидравлической радиальной силы
Расчет гидравлической радиальной силы выполнен по методике, изложенной в
работе [3].
Радиальную силу, действующую на рабочее колесо в спиральном отводе,
определяем по формуле:
, (3.21)
где Кr - безразмерный коэффициент радиальной силы;, Qопт
- текущее значение подачи;2g - ширина рабочего колеса на выходе,
включающая в себя толщину его дисков, м; Кr = 0,18; b2g =
0,033 м.
Максимальная радиальная сила будет на нулевой подаче Q = 0.
Н.
4. Выбор концевого уплотнения вала
Для разработанной конструкции насоса в качестве концевого уплотнения вала
применяем сальниковое уплотнение (рис. 4.1).
Рисунок 4.1 - Схема сальникового уплотнения
Для надежной работы насоса необходимо обеспечить подпор на входе в насос.
Подпор, измеренный во всасывающем патрубке, должен быть не менее 1 м.
С целью защиты сальникового уплотнения от износа в узел уплотнения
подается затворная жидкость под давлением, превышающим давление на выходе из
насоса на 0,05 МПа. В качестве затворной жидкости используется технически
чистая вода с температурой не выше 40°С. Расход воды, подаваемой в сальнике,
0,01 м 3/ч.
Согласно [3] толщина кольца набивки:
, (4.1)
где d - диаметр вала в месте набивки сальника, мм (d = 55 мм);
мм.
Принимаем
S = 10 мм.
Длина
сальникового уплотнения равна:
, (4.2)
где I - количество колец набивки, шт. (I = 5);- толщина кольца набивки,
мм.
мм.
В
соответствии с ГОСТом 5152-84 выбираем сальниковую набивку с однослойным
оплетением марки АГИ 10х10.
5. расчеты по выбору двигателя
.1 Выбор
двигателя
Мощность
насоса на номинальном режиме при плотности жидкости
кг/м 3:
, КВт,
(5.1)
КВт,
-
расчетный к.п.д. насоса.
, (5.2)
где К = 1,1 - 1,3 - коэффициент, учитывающий допустимое предельное
отклонение напора, К = 1,1.
КВт.
Для
привода насоса выбираем электродвигатель АИРС90L4У2 с параметрами:
Мощность
- 2,2 КВт;
Напряжение
- 220/380 В;
Частота
вращения (синхронная) - 1500 об/мин.
5.2 Расчет
пусковой моментной характеристики
Зависимость момента сопротивления ротора насоса от частоты вращения при
пуске насоса представляет собой параболу:
, (5.3)
где К - коэффициент параболы; n - частота вращения ротора, об/мин.
График зависимости момента сопротивления строится по трем точкам:
начального момента трогания (n = 0);
минимального момента сопротивления агрегата ( точка С);
полного разворота электродвигателя (n = 1500 об/мин).
В начальный момент времени при n = 0:
, (5.4)
где Мном - момент электродвигателя:
, (5.5)
с
-1.
КВт -
номинальная мощность двигателя.
-1
= 14,01
.
.
Момент
сопротивления агрегата при полном развороте электродвигателя Mmax:
, (5.6)
где Mmax - максимальна мощность насоса.
max = NДВ = 1,75 КВт;
-1
= 11,15
.
Минимальному
моменту сопротивления соответствует точка "С" с координатами:
и
, (5.7)
об/мин;
.
Коэффициент
параболы определяется по величине момента при полном развороте двигателя:
, (5.8)
где
-6
Данные
расчеты моментной характеристики сводим в табл. 5.1.
Таблица
5.1 - Пусковая моментная характеристика:
|
n, об/мин
|
0
|
250
|
500
|
750
|
1000
|
1250
|
1500
|
|
М, 00,321,282,885,117,9911,5
|
|
|
|
|
|
|
|
Пусковая моментная характеристика насосного агрегата представлена на рис.
5.1.
Рисунок 5.1 - Пусковая моментная характеристика
6. механические расчеты
.1 Расчет
реакций в опорах
Расчетная схема действия сил на ротор насоса представлена на рис. 6.1.
Рисунок 6.1 - Схема нагружения вала
Нагрузку P1 определяем по формуле:
, (6.1)
где GK - вес рабочего колеса, Н; G1в - вес вала на
участке l1 , Н4; R - радиальная сила, Н; GK = 245 Н; G1в
= 27 Н; R = 119 Н.
Н.
, (6.2)
где G2в - вес вала на участке l2 , Н; G2в
= 38 Н.
Н.
Нагрузка
Р3:
, (6.3)
где GПМ - вес полумуфты;3В -вес вала на участке l3
, Н.
ПМ = 18,6 Н; G3В = 12 Н.
Н.
Для
определения реакции в подшипниковых опорах составим уравнение моментов сил
относительно точек опор.A и RB - реакции в опорах А и В.
Размеры
вала: l1 = 0,220 м; l2 = 0,175 мм; l3 = 0,0975
м.
, (6.4)
, (6.5)
Н.
, (6.6)
, (6.7)
6.2 Расчет
долговечности подшипников
В опорах А и В установлены одинаковые шарикоподшипники. По диаметру вала
d (мм) выбираем подшипник шариковый однорядный радиальный средней серии 311
ГОСТ 8338-75.
Статическая грузоподъемность: С0 = 41790 Н.
Динамическая грузоподъемность: С = 54936 Н.
По условиям работы передний подшипник (опора А) воспринимает осевую и
радиальную нагрузки и является более нагруженным. Проверяем его на
долговечность.
Расчетная долговечность подшипника [6]:
, (6.8)
где С - динамическая грузоподъемность подшипника, Н;
Р - эквивалентная динамическая нагрузка, Н.
Эквивалентная динамическая нагрузка на подшипник:
. (6.9)
По
условиям работы подшипника принимаем: коэффициент безопасности
= 1,2; температурный коэффициент КТ = 1,0;
коэффициент вращения V = 1.
Радиальная
и осевая силы, действующие на подшипник: Fr = RA = 836 H;
Fa = A = T = 385 H. Определяем отношение осевой нагрузки к радиальной:
.
Определяем
отношение:
.
При
этом е = 0,2. Т.к.
, то коэффициент радиальной нагрузки Х = 0,56.
Коэффициент осевой нагрузки Y: Y = 2,2. Динамическая нагрузка:
Н.
Расчетная
долговечность подшипника:
ч.
6.3 Расчет
вала на статическую прочность
Расчет
проводим по методике [7].
Для определения напряжений в сечениях вала построим эпюру изгибающих
моментов.
Рисунок 6.2 - Эпюра изгибающих моментов
Определим максимальный изгибающий момент в сечении А:
, (6.10)
Р1 = 373 Н; l1 = 0,220 м.
.
Наибольший
крутящий момент на валу:
, (6.11)
где
N - мощность насоса; N = 1,59 КВт.
.
Момент
сопротивления сечения вала в точке А:
, (6.12)
где d = 55 мм - диаметр вала под подшипником.
-6 м3.
Момент
сопротивления кручению:
, (6.13)
-6 м3.
Напряжение
изгиба:
, (6.14)
Па = 4,9
МПа.
Напряжение
кручения:
, (6.15)
Па =
0,32 МПа.
Эквивалентное
напряжение:
, (6.16)
МПа.
Материал
вала - Сталь 45;
Предел
текучести
МПа.
Запас
прочности по пределу текучести:
, (6.17)
.
Условие
прочности выполняется.
6.4 Расчет шпоночного соединения вала с колесом
Основные исходные данные для расчета.
Материал вала - Сталь 45.
Предел
текучести -
МПа.
Материал
шпонки - сталь 45.
Предел
текучести -
МПа.
Материал
колеса - 20x13л.
Предел
текучести -
МПа.
Крутящий
момент на валу:
.
Размер
шпонки под рабочим колесом, мм: bхhхl = 8х7х24.
При расчете шпоночного соединения вала с колесом определяющим является
напряжение смятия:
, (6.18)
где lp - рабочая
длина шпонки;1 - глубина паза вала;- высота шпонки;- диаметр вала; d
= 28 мм; lp = l - b = 24 -8 = 16 мм; t1 = 4 мм; h = 7 мм.
Па =
15,6 МПа.
Допускаемое
напряжение смятия вычисляем для материала (вал), имеющего самый низкий предел
текучести.
Допустимое
напряжение смятия:
, (6.19)
МПа.
.
Условие
прочности на смятие выполняется.
Список литературы
1
Свободновихревые
насосы: Учеб. пособие/И.А. Ковалев, В.Ф. Герман. - К.: УМК ВО, 1990. - 60 с.
2
Анализ осевого
напора, действующего на ротор насоса свободного течения. Перевод статьи
Grychowski I, Gontarczuk Z. из журнала Zcszyty naukowe politechnika staska,
1978, № 532.
3
Михайлов А.К.,
Малюшенко В.В. Лопастные насосы -М.: Машиностроение, 1977. - 288с.
4
Лопастные насосы:
Справочник/В. А. Зимницкий, А. В. Каплун, А. Н. Папир, В. А. Умов; Под общ.
ред. В. А. Зимницкого и В. А. Умова. - Л.: Машиностроение. Ленингр. отд-ние,
1986. - 334 с.
5
Анурьев В.И.
Справочник конструктора машиностроителя Т.2 - М.: Машиностроение, 1980.
6
Дунаев П.Ф.,
Леликов О.П. Конструирование узлов и деталей машин: Учебное пособие для
машиностроительных вузов. - М.: Высшая школа, 1985.
7
Биргер И.А., Шор
Б.Ф. Расчет на прочность деталей машин. 3 издание. - М.: Машиностроение, 1979.