Моделирование многокаскадного усилителя с использованием PSpice

  • Вид работы:
    Дипломная (ВКР)
  • Предмет:
    Информатика, ВТ, телекоммуникации
  • Язык:
    Русский
    ,
    Формат файла:
    MS Word
    49,46 kb
  • Опубликовано:
    2011-08-07
Вы можете узнать стоимость помощи в написании студенческой работы.
Помощь в написании работы, которую точно примут!

Моделирование многокаскадного усилителя с использованием PSpice

Казанский государственный технический университет

им. А.Н. Туполева

Кафедра КиП МЭА









Курсовая работа

на тему:

«Моделирование многокаскадного усилителя с использованием PSpice»











Казань, 2011

Оглавление

Задание

Моделирование первого каскада

Моделирование второго каскада

Моделирование третьего каскада

Каскадирование

Вывод

Список литературы

Приложение А

Приложение Б

Задание

Требуется смоделировать трехкаскадный усилитель на биполярном транзисторе. Тип транзистора NPN . Усилитель должен состоять из трех каскадов на биполярном транзисторе включенным по схеме с общим эмиттером. На вход усилителя подается прямоугольные импульсы с амплитудой 7,14 мкВ и частотой 1 кГц. График входного сигнала представлен на рисунке 1 Приложения Б

Моделирование

 

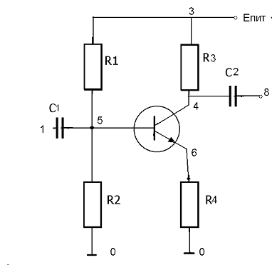
Моделирование первого каскада


Для моделирования 1 каскада возьмем

R1=9225 Ом

R2=1200 Ом

R3=343.3 Ом

R4=0.1 Ом=1 мФ=1 мФ

Запишем часть программы, которая описывает первый каскад.

*** 1***

          R1 3 5 9225

          R2 5 0 1200

          R3 3 4 343.3

          R4 6 0 0.1

         

          C1 1 5 1E-3

          C2 4 8 1E-3

          Q1 4 5 6 npn

 

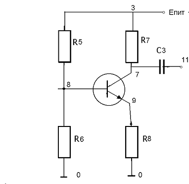
Моделирование второго каскада


Для моделирования второго каскада возьмем

R5=9350 Ом

R6=1200 Ом

R7=343 Ом

R8=0.1 Ом=1 мФ

Запишем часть программы, которая описывает второй каскад.

***2***      

          3 8 9350

          R6 8 0 1200

          R7 3 7 371

          R8 9 0 0.1

          Q2 7 8 9 NPN

          C3 7 11 1E-3

 

Моделирование третьего каскада


Для моделирования второго каскада возьмем

R9=9373 Ом

R10=1200 Ом

R11=343 Ом

R12=0.1 Ом

RL=10000 Ом=1 мФ

Запишем часть программы, которая описывает третий каскад с нагрузкой.

***3***

          R9 3 11 9373

          R10 11 0 1200

          R11 3 10 334

          R12 12 0 0.1

          C4 10 2 1E-3

          Q3 10 11 12 NPN

          RL 2 0 10000

Каскадирование

Соединим все три полученных нами каскада, и введем источник питания и источник сигнала, зададим контрольные точки схемы, Зададим параметры вывода графиков.

Параметры:

R1=9225 Ом

R2=1200 Ом

R3=343.3 Ом

R4=0.1 Ом=1 мФ=1 мФ

R5=9350 Ом

R6=1200 Ом

R7=371 Ом

R8=0.1 Ом=1 мФ

R9=9373 Ом

R10=1200 Ом

R11=334 Ом

R12=0.1 Ом

RL=10000 Ом=1 мФ

Между Узлами 1 и 0 подключен источник сигнала

Между Узлами 3 и 0 подключен источник питания (источник постоянного напряжения 10 В).

Вывод

трехкаскадный усилитель напряжение сигнал

Смоделировав весь усилитель мы получим на нагрузочном сопротивлении прямоугольные импульсы с амплитудой 1,1017 В. Импульс будет в противофазе со входным. Рисунок 2 приложения Б.

Найдем коэффициенты усиления каждого каскада.

K1=Uсигн/Uвых1=52.095 мкВ/0.714 мкВ= 72,96

K2=U вых2/Uвых1=3558,4 мкВ / 52.095 мкВ= 68,3

K2=U вых/Uвых2= 1101.7 мВ / 3,5584 мВ = 309,6

Общий коэффициент усиления равен произведению коэффициентов усиления всех каскадов, а также отношению выходной амплитуды к входной амплитуде.

К= U вых/Uвх= 1101700 мкВ / 0.714 мкВ=1542997

Выходное напряжение 1,1017 В

Список Литературы

1. Деньдобренько Б. Н. , Малика А. Н. Автоматизация конструирования РЭА: Учебник для вузов. Москва, Высшая школа, 1980. 384 с.

2. Полупроводниковые приборы: Транзисторы. Справочник под общей редакцией Н. Н. Горюнова. Москва энергоатомиздат 1985 г. 904 с.

3. Сагдиев Р.К.СИСТЕМЫ АВТОМАТИЧЕСКОГО ПРОЕКТИРОВАНИЯ РЭА.

ПРИЛОЖЕНИЯ

Приложение А

output

**** 05/30/105 01:35:21 ******** NT Evaluation PSpice (July 1997) ************

***E***

**** CIRCUIT DESCRIPTION

******************************************************************************


***1***

R1 3 5 9225

R2 5 0 1200

R3 3 4 343.3

R4 6 0 0.1

C1 1 5 1E-3

C2 4 8 1E-3

Q1 4 5 6 npn

V1 3 0 DC +10

V2 1 0 PULSE ( 0 7.14e-7 5E-4 1E-6 1E-6 5E-4 1E-3 )

***2***

R5 3 8 9350

R6 8 0 1200

R7 3 7 371

R8 9 0 0.1

Q2 7 8 9 NPN

C3 7 11 1E-3

***3***

R9 3 11 9373

R10 11 0 1200

R11 3 10 334

R12 12 0 0.1

C4 10 2 1E-3

Q3 10 11 12 NPN

RL 2 0 10000

.TRAN 2.5E-5 5E-3

.PRINT TRAN VM(1) VM(2) VM(4) VM(11)

.PLOT TRAN VM(1) VM(2) VM(4) VM(11)

.PROBE VM(1) VM(2) VM(4) VM(11)

.MODEL NPN NPN

.END

**** 05/30/105 01:35:21 ******** NT Evaluation PSpice (July 1997) ************

***E***

**** BJT MODEL PARAMETERS

******************************************************************************

npn

NPN

IS 100.000000E-18

BF 100

NF 1

BR 1

NR 1

**** 05/30/105 01:35:21 ******** NT Evaluation PSpice (July 1997) ************

***E***

**** INITIAL TRANSIENT SOLUTION TEMPERATURE = 27.000 DEG C

******************************************************************************

VOLTAGE NODE VOLTAGE NODE VOLTAGE NODE VOLTAGE

( 1) 0.0000 ( 2) 0.0000 ( 3) 10.0000 ( 4) .6664

( 5) .8624 ( 6) .0027 ( 7) .3604 ( 8) .8611

( 9) .0026 ( 10) 1.3935 ( 11) .8608 ( 12) .0026



VOLTAGE SOURCE CURRENTS

NAME CURRENT

V1 -8.188E-02

V2 0.000E+00

TOTAL POWER DISSIPATION 8.19E-01 WATTS

*** 05/30/105 01:35:21 ******** NT Evaluation PSpice (July 1997) ************

***E***

**** TRANSIENT ANALYSIS TEMPERATURE = 27.000 DEG C

******************************************************************************VM(1) VM(2) VM(4) VM(11)

0.000E+00 0.000E+00 0.000E+00 6.664E-01 8.608E-01

2.500E-05 0.000E+00 -2.842E-07 6.664E-01 8.608E-01

5.000E-05 0.000E+00 -2.878E-07 6.664E-01 8.608E-01

7.500E-05 0.000E+00 -2.730E-07 6.664E-01 8.608E-01

1.000E-04 0.000E+00 -2.717E-07 6.664E-01 8.608E-01

1.250E-04 0.000E+00 -2.704E-07 6.664E-01 8.608E-01

1.500E-04 0.000E+00 -2.712E-07 6.664E-01 8.608E-01

1.750E-04 0.000E+00 -2.722E-07 6.664E-01 8.608E-01

2.000E-04 0.000E+00 -2.733E-07 6.664E-01 8.608E-01

2.250E-04 0.000E+00 -2.743E-07 6.664E-01 8.608E-01

2.500E-04 0.000E+00 -2.744E-07 6.664E-01 8.608E-01

2.750E-04 0.000E+00 -2.744E-07 6.664E-01 8.608E-01

3.000E-04 0.000E+00 -2.744E-07 6.664E-01 8.608E-01

3.250E-04 0.000E+00 -2.744E-07 6.664E-01 8.608E-01

3.500E-04 0.000E+00 -2.744E-07 6.664E-01 8.608E-01

3.750E-04 0.000E+00 -2.743E-07 6.664E-01 8.608E-01

4.000E-04 0.000E+00 -2.743E-07 6.664E-01 8.608E-01

4.250E-04 0.000E+00 -2.743E-07 6.664E-01 8.608E-01

4.500E-04 2.181E-15 -2.774E-07 6.664E-01 8.608E-01

4.750E-04 4.661E-15 -2.808E-07 6.664E-01 8.608E-01

5.000E-04 7.140E-15 -2.843E-07 6.664E-01 8.608E-01

5.250E-04 7.140E-07 -1.101E+00 6.663E-01 8.644E-01

5.500E-04 7.140E-07 -1.101E+00 6.663E-01 8.644E-01

5.750E-04 7.140E-07 -1.101E+00 6.663E-01 8.644E-01

6.000E-04 7.140E-07 -1.101E+00 6.663E-01 8.644E-01

6.250E-04 7.140E-07 -1.100E+00 6.663E-01 8.644E-01

6.500E-04 7.140E-07 -1.100E+00 6.663E-01 8.644E-01

6.750E-04 7.140E-07 -1.100E+00 6.663E-01 8.644E-01

7.000E-04 7.140E-07 -1.099E+00 6.663E-01 8.644E-01

7.250E-04 7.140E-07 -1.099E+00 6.663E-01 8.644E-01

7.500E-04 7.140E-07 -1.099E+00 6.663E-01 8.644E-01

7.750E-04 7.140E-07 -1.098E+00 6.663E-01 8.644E-01

8.000E-04 7.140E-07 -1.098E+00 6.663E-01 8.644E-01

8.250E-04 7.140E-07 -1.098E+00 6.663E-01 8.644E-01

8.500E-04 7.140E-07 -1.097E+00 6.663E-01 8.644E-01

8.750E-04 7.140E-07 -1.097E+00 6.663E-01 8.644E-01

9.000E-04 7.140E-07 -1.097E+00 6.663E-01 8.644E-01

9.250E-04 7.140E-07 -1.096E+00 6.663E-01 8.644E-01

9.500E-04 7.140E-07 -1.096E+00 6.663E-01 8.644E-01

9.750E-04 7.140E-07 -1.096E+00 6.663E-01 8.644E-01

1.000E-03 7.140E-07 -1.096E+00 6.663E-01 8.644E-01

1.025E-03 0.000E+00 8.192E-03 6.664E-01 8.608E-01

1.050E-03 0.000E+00 8.189E-03 6.664E-01 8.608E-01

1.075E-03 0.000E+00 8.187E-03 6.664E-01 8.608E-01

1.100E-03 0.000E+00 8.184E-03 6.664E-01 8.608E-01

1.125E-03 0.000E+00 8.182E-03 6.664E-01 8.608E-01

1.150E-03 0.000E+00 8.180E-03 6.664E-01 8.608E-01

1.175E-03 0.000E+00 8.177E-03 6.664E-01 8.608E-01

1.200E-03 0.000E+00 8.175E-03 6.664E-01 8.608E-01

1.225E-03 0.000E+00 8.173E-03 6.664E-01 8.608E-01

1.250E-03 0.000E+00 8.170E-03 6.664E-01 8.608E-01

1.275E-03 0.000E+00 8.168E-03 6.664E-01 8.608E-01

1.300E-03 0.000E+00 8.166E-03 6.664E-01 8.608E-01

1.325E-03 0.000E+00 8.163E-03 6.664E-01 8.608E-01

1.350E-03 0.000E+00 8.161E-03 6.664E-01 8.608E-01

1.375E-03 0.000E+00 8.159E-03 6.664E-01 8.608E-01

1.400E-03 0.000E+00 8.156E-03 6.664E-01 8.608E-01

1.425E-03 0.000E+00 8.154E-03 6.664E-01 8.608E-01

1.450E-03 0.000E+00 8.152E-03 6.664E-01 8.608E-01

1.475E-03 1.926E-15 8.149E-03 6.664E-01 8.608E-01

1.500E-03 7.140E-15 8.147E-03 6.664E-01 8.608E-01

1.525E-03 7.140E-07 -1.095E+00 6.663E-01 8.644E-01

1.550E-03 7.140E-07 -1.095E+00 6.663E-01 8.644E-01

1.575E-03 7.140E-07 -1.095E+00 6.663E-01 8.644E-01

1.600E-03 7.140E-07 -1.094E+00 6.663E-01 8.644E-01

1.625E-03 7.140E-07 -1.094E+00 6.663E-01 8.644E-01

1.650E-03 7.140E-07 -1.094E+00 6.663E-01 8.644E-01

1.675E-03 7.140E-07 -1.093E+00 6.663E-01 8.644E-01

1.700E-03 7.140E-07 -1.093E+00 6.663E-01 8.644E-01

1.725E-03 7.140E-07 -1.093E+00 6.663E-01 8.644E-01

1.750E-03 7.140E-07 -1.092E+00 6.663E-01 8.644E-01

1.775E-03 7.140E-07 -1.092E+00 6.663E-01 8.644E-01

1.800E-03 7.140E-07 -1.092E+00 6.663E-01 8.644E-01

1.825E-03 7.140E-07 -1.091E+00 6.663E-01 8.644E-01

1.850E-03 7.140E-07 -1.091E+00 6.663E-01 8.644E-01

1.875E-03 7.140E-07 -1.091E+00 6.663E-01 8.644E-01

1.900E-03 7.140E-07 -1.090E+00 6.663E-01 8.644E-01

1.925E-03 7.140E-07 -1.090E+00 6.663E-01 8.644E-01

1.950E-03 7.140E-07 -1.090E+00 6.663E-01 8.644E-01

1.975E-03 7.140E-07 -1.089E+00 6.663E-01 8.644E-01

2.000E-03 7.140E-07 -1.089E+00 6.663E-01 8.644E-01

2.025E-03 0.000E+00 1.629E-02 6.664E-01 8.608E-01

2.050E-03 0.000E+00 1.628E-02 6.664E-01 8.608E-01

2.075E-03 0.000E+00 1.628E-02 6.664E-01 8.608E-01

2.100E-03 0.000E+00 1.627E-02 6.664E-01 8.608E-01

2.125E-03 0.000E+00 1.627E-02 6.664E-01 8.608E-01

2.150E-03 0.000E+00 1.626E-02 6.664E-01 8.608E-01

2.175E-03 0.000E+00 1.626E-02 6.664E-01 8.608E-01

2.200E-03 0.000E+00 1.625E-02 6.664E-01 8.608E-01

2.225E-03 0.000E+00 1.625E-02 6.664E-01 8.608E-01

2.250E-03 0.000E+00 1.625E-02 6.664E-01 8.608E-01

2.275E-03 0.000E+00 1.624E-02 6.664E-01 8.608E-01

2.300E-03 0.000E+00 1.624E-02 6.664E-01 8.608E-01

2.325E-03 0.000E+00 1.623E-02 6.664E-01 8.608E-01

2.350E-03 0.000E+00 1.623E-02 6.664E-01 8.608E-01

2.375E-03 0.000E+00 1.622E-02 6.664E-01 8.608E-01

2.400E-03 0.000E+00 1.622E-02 6.664E-01 8.608E-01

2.425E-03 0.000E+00 1.621E-02 6.664E-01 8.608E-01

2.450E-03 0.000E+00 1.621E-02 6.664E-01 8.608E-01

2.475E-03 1.926E-15 1.620E-02 6.664E-01 8.608E-01

2.500E-03 7.140E-15 1.620E-02 6.664E-01 8.608E-01

2.525E-03 7.140E-07 -1.089E+00 6.663E-01 8.644E-01

2.550E-03 7.140E-07 -1.088E+00 6.663E-01 8.644E-01

2.575E-03 7.140E-07 -1.088E+00 6.663E-01 8.644E-01

2.600E-03 7.140E-07 -1.088E+00 6.663E-01 8.644E-01

2.625E-03 7.140E-07 -1.087E+00 6.663E-01 8.644E-01

2.650E-03 7.140E-07 -1.087E+00 6.663E-01 8.644E-01

2.675E-03 7.140E-07 -1.087E+00 6.663E-01 8.644E-01

2.700E-03 7.140E-07 -1.086E+00 6.663E-01 8.644E-01

2.725E-03 7.140E-07 -1.086E+00 6.663E-01 8.644E-01

2.750E-03 7.140E-07 -1.086E+00 6.663E-01 8.644E-01

2.775E-03 7.140E-07 -1.085E+00 6.663E-01 8.644E-01

2.800E-03 7.140E-07 -1.085E+00 6.663E-01 8.644E-01

2.825E-03 7.140E-07 -1.085E+00 6.663E-01 8.644E-01

2.850E-03 7.140E-07 -1.084E+00 6.663E-01 8.644E-01

2.875E-03 7.140E-07 -1.084E+00 6.663E-01 8.644E-01

2.900E-03 7.140E-07 -1.083E+00 6.663E-01 8.644E-01

2.925E-03 7.140E-07 -1.083E+00 6.663E-01 8.643E-01

2.950E-03 7.140E-07 -1.083E+00 6.663E-01 8.643E-01

2.975E-03 7.140E-07 -1.082E+00 6.663E-01 8.643E-01

3.000E-03 7.140E-07 -1.082E+00 6.663E-01 8.643E-01

3.025E-03 0.000E+00 2.429E-02 6.664E-01 8.608E-01

3.050E-03 0.000E+00 2.428E-02 6.664E-01 8.608E-01

3.075E-03 0.000E+00 2.427E-02 6.664E-01 8.608E-01

3.100E-03 0.000E+00 2.427E-02 6.664E-01 8.608E-01

3.125E-03 0.000E+00 2.426E-02 6.664E-01 8.608E-01

3.150E-03 0.000E+00 2.425E-02 6.664E-01 8.608E-01

3.175E-03 0.000E+00 2.425E-02 6.664E-01 8.608E-01

3.200E-03 0.000E+00 2.424E-02 6.664E-01 8.608E-01

3.225E-03 0.000E+00 2.423E-02 6.664E-01 8.608E-01

3.250E-03 0.000E+00 2.423E-02 6.664E-01 8.608E-01

3.275E-03 0.000E+00 2.422E-02 6.664E-01 8.608E-01

3.300E-03 0.000E+00 2.421E-02 6.664E-01 8.608E-01

3.325E-03 0.000E+00 2.421E-02 6.664E-01 8.608E-01

3.350E-03 0.000E+00 2.420E-02 6.664E-01 8.608E-01

3.375E-03 0.000E+00 2.419E-02 6.664E-01 8.608E-01

3.400E-03 0.000E+00 2.418E-02 6.664E-01 8.608E-01

3.425E-03 0.000E+00 2.418E-02 6.664E-01 8.608E-01

3.450E-03 0.000E+00 2.417E-02 6.664E-01 8.608E-01

3.475E-03 1.926E-15 2.416E-02 6.664E-01 8.608E-01

3.500E-03 7.140E-15 2.416E-02 6.664E-01 8.608E-01

3.525E-03 7.140E-07 -1.082E+00 6.663E-01 8.643E-01

3.550E-03 7.140E-07 -1.081E+00 6.663E-01 8.643E-01

3.575E-03 7.140E-07 -1.081E+00 6.663E-01 8.643E-01

3.600E-03 7.140E-07 -1.081E+00 6.663E-01 8.643E-01

3.625E-03 7.140E-07 -1.080E+00 6.663E-01 8.643E-01

3.650E-03 7.140E-07 -1.080E+00 6.663E-01 8.643E-01

3.675E-03 7.140E-07 -1.080E+00 6.663E-01 8.643E-01

3.700E-03 7.140E-07 -1.079E+00 6.663E-01 8.643E-01

3.725E-03 7.140E-07 -1.079E+00 6.663E-01 8.643E-01

3.750E-03 7.140E-07 -1.079E+00 6.663E-01 8.643E-01

3.775E-03 7.140E-07 -1.078E+00 6.663E-01 8.643E-01

3.800E-03 7.140E-07 -1.078E+00 6.663E-01 8.643E-01

3.825E-03 7.140E-07 -1.078E+00 6.663E-01 8.643E-01

3.850E-03 7.140E-07 -1.077E+00 6.663E-01 8.643E-01

3.875E-03 7.140E-07 -1.077E+00 6.663E-01 8.643E-01

3.900E-03 7.140E-07 -1.076E+00 6.663E-01 8.643E-01

3.925E-03 7.140E-07 -1.076E+00 6.663E-01 8.643E-01

3.950E-03 7.140E-07 -1.076E+00 6.663E-01 8.643E-01

3.975E-03 7.140E-07 -1.075E+00 6.663E-01 8.643E-01

4.000E-03 7.140E-07 -1.075E+00 6.663E-01 8.643E-01

4.025E-03 0.000E+00 3.220E-02 6.664E-01 8.607E-01

4.050E-03 0.000E+00 3.219E-02 6.664E-01 8.607E-01

4.075E-03 0.000E+00 3.218E-02 6.664E-01 8.607E-01

4.100E-03 0.000E+00 3.217E-02 6.664E-01 8.607E-01

4.125E-03 0.000E+00 3.216E-02 6.664E-01 8.607E-01

4.150E-03 0.000E+00 3.215E-02 6.664E-01 8.607E-01

4.175E-03 0.000E+00 3.214E-02 6.664E-01 8.607E-01

4.200E-03 0.000E+00 3.213E-02 6.664E-01 8.607E-01

4.225E-03 0.000E+00 3.212E-02 6.664E-01 8.607E-01

4.250E-03 0.000E+00 3.211E-02 6.664E-01 8.607E-01

4.275E-03 0.000E+00 3.210E-02 6.664E-01 8.607E-01

4.300E-03 0.000E+00 3.209E-02 6.664E-01 8.607E-01

4.325E-03 0.000E+00 3.209E-02 6.664E-01 8.607E-01

4.350E-03 0.000E+00 3.208E-02 6.664E-01 8.607E-01

4.375E-03 0.000E+00 3.207E-02 6.664E-01 8.607E-01

4.400E-03 0.000E+00 3.206E-02 6.664E-01 8.607E-01

4.425E-03 0.000E+00 3.205E-02 6.664E-01 8.607E-01

4.450E-03 0.000E+00 3.204E-02 6.664E-01 8.607E-01

4.475E-03 1.926E-15 3.203E-02 6.664E-01 8.607E-01

4.500E-03 7.140E-15 3.202E-02 6.664E-01 8.607E-01

4.525E-03 7.140E-07 -1.075E+00 6.663E-01 8.643E-01

4.550E-03 7.140E-07 -1.074E+00 6.663E-01 8.643E-01

4.575E-03 7.140E-07 -1.074E+00 6.663E-01 8.643E-01

4.600E-03 7.140E-07 -1.074E+00 6.663E-01 8.643E-01

4.625E-03 7.140E-07 -1.073E+00 6.663E-01 8.643E-01

4.650E-03 7.140E-07 -1.073E+00 6.663E-01 8.643E-01

4.675E-03 7.140E-07 -1.073E+00 6.663E-01 8.643E-01

4.700E-03 7.140E-07 -1.072E+00 6.663E-01 8.643E-01

4.725E-03 7.140E-07 -1.072E+00 6.663E-01 8.643E-01

4.775E-03 7.140E-07 -1.071E+00 6.663E-01 8.643E-01

4.800E-03 7.140E-07 -1.071E+00 6.663E-01 8.643E-01

4.825E-03 7.140E-07 -1.070E+00 6.663E-01 8.643E-01

4.850E-03 7.140E-07 -1.070E+00 6.663E-01 8.643E-01

4.875E-03 7.140E-07 -1.070E+00 6.663E-01 8.643E-01

4.900E-03 7.140E-07 -1.069E+00 6.663E-01 8.643E-01

4.925E-03 7.140E-07 -1.069E+00 6.663E-01 8.643E-01

4.950E-03 7.140E-07 -1.069E+00 6.663E-01 8.643E-01

4.975E-03 7.140E-07 -1.068E+00 6.663E-01 8.643E-01

5.000E-03 7.140E-07 -1.068E+00 6.663E-01 8.643E-01

**** 05/30/105 01:35:21 ******** NT Evaluation PSpice (July 1997) ************

***E***

**** TRANSIENT ANALYSIS TEMPERATURE = 27.000 DEG C

******************************************************************************

LEGEND:

*: VM(1)

+: VM(2)

=: VM(4)

$: VM(11)

TIME VM(1)

(*)---------- 0.0000E+00 2.0000E-07 4.0000E-07 6.0000E-07 8.0000E-07

(+)---------- -1.5000E+00 -1.0000E+00 -5.0000E-01 0.0000E+00 5.0000E-01

(=)---------- 2.0000E-01 4.0000E-01 6.0000E-01 8.0000E-01 1.0000E+00

($)---------- 8.6000E-01 8.6200E-01 8.6400E-01 8.6600E-01 8.6800E-01

_ _ _ _ _ _ _ _ _ _ _ _ _ _ _ _ _ _ _ _ _ _ _ _ _ _ _

0.000E+00 0.000E+00 * $ . . = + .

2.500E-05 0.000E+00 * $ . . = + .

5.000E-05 0.000E+00 * $ . . = + .

7.500E-05 0.000E+00 * $ . . = + .

1.000E-04 0.000E+00 * $ . . = + .

1.250E-04 0.000E+00 * $ . . = + .

1.500E-04 0.000E+00 * $ . . = + .

1.750E-04 0.000E+00 * $ . . = + .

2.000E-04 0.000E+00 * $ . . = + .

2.250E-04 0.000E+00 * $ . . = + .

2.500E-04 0.000E+00 * $ . . = + .

2.750E-04 0.000E+00 * $ . . = + .

3.000E-04 0.000E+00 * $ . . = + .

3.250E-04 0.000E+00 * $ . . = + .

3.500E-04 0.000E+00 * $ . . = + .

3.750E-04 0.000E+00 * $ . . = + .

4.000E-04 0.000E+00 * $ . . = + .

4.250E-04 0.000E+00 * $ . . = + .

4.500E-04 2.181E-15 * $ . . = + .

4.750E-04 4.661E-15 * $ . . = + .

5.000E-04 7.140E-15 * $ . . = + .

5.250E-04 7.140E-07 . + . . $= . * .

5.500E-04 7.140E-07 . + . . $= . * .

5.750E-04 7.140E-07 . + . . $= . * .

6.000E-04 7.140E-07 . + . . $= . * .

6.250E-04 7.140E-07 . + . . $= . * .

6.500E-04 7.140E-07 . + . . $= . * .

6.750E-04 7.140E-07 . + . . $= . * .

7.000E-04 7.140E-07 . + . . $= . * .

7.250E-04 7.140E-07 . + . . $= . * .

7.500E-04 7.140E-07 . + . . $= . * .

7.750E-04 7.140E-07 . + . . $= . * .

8.000E-04 7.140E-07 . + . . $= . * .

8.250E-04 7.140E-07 . + . . $= . * .

8.500E-04 7.140E-07 . + . . $= . * .

8.750E-04 7.140E-07 . + . . $= . * .

9.000E-04 7.140E-07 . + . . $= . * .

9.250E-04 7.140E-07 . + . . $= . * .

9.500E-04 7.140E-07 . + . . $= . * .

9.750E-04 7.140E-07 . + . . $= . * .

1.000E-03 7.140E-07 . + . . $= . * .

1.025E-03 0.000E+00 * $ . . = + .

1.050E-03 0.000E+00 * $ . . = + .

1.075E-03 0.000E+00 * $ . . = + .

1.100E-03 0.000E+00 * $ . . = + .

1.125E-03 0.000E+00 * $ . . = + .

1.150E-03 0.000E+00 * $ . . = + .

1.175E-03 0.000E+00 * $ . . = + .

1.200E-03 0.000E+00 * $ . . = + .

1.225E-03 0.000E+00 * $ . . = + .

1.250E-03 0.000E+00 * $ . . = + .

1.275E-03 0.000E+00 * $ . . = + .

1.300E-03 0.000E+00 * $ . . = + .

1.325E-03 0.000E+00 * $ . . = + .

1.350E-03 0.000E+00 * $ . . = + .

1.375E-03 0.000E+00 * $ . . = + .

1.400E-03 0.000E+00 * $ . . = + .

1.425E-03 0.000E+00 * $ . . = + .

1.450E-03 0.000E+00 * $ . . = + .

1.475E-03 1.926E-15 * $ . . = + .

1.500E-03 7.140E-15 * $ . . = + .

1.525E-03 7.140E-07 . + . . $= . * .

1.550E-03 7.140E-07 . + . . $ = . * .

1.575E-03 7.140E-07 . + . . $ = . * .

1.600E-03 7.140E-07 . + . . $ = . * .

1.625E-03 7.140E-07 . + . . $ = . * .

1.650E-03 7.140E-07 . + . . $ = . * .

1.675E-03 7.140E-07 . + . . $ = . * .

1.700E-03 7.140E-07 . + . . $ = . * .

1.725E-03 7.140E-07 . + . . $ = . * .

1.750E-03 7.140E-07 . + . . $ = . * .

1.775E-03 7.140E-07 . + . . $ = . * .

1.800E-03 7.140E-07 . + . . $ = . * .

1.825E-03 7.140E-07 . + . . $ = . * .

1.850E-03 7.140E-07 . + . . $ = . * .

1.875E-03 7.140E-07 . + . . $ = . * .

1.900E-03 7.140E-07 . + . . $ = . * .

1.925E-03 7.140E-07 . + . . $ = . * .

1.950E-03 7.140E-07 . + . . $ = . * .

1.975E-03 7.140E-07 . + . . $ = . * .

2.000E-03 7.140E-07 . + . . $ = . * .

2.025E-03 0.000E+00 * $ . . = + .

2.050E-03 0.000E+00 * $ . . = + .

2.075E-03 0.000E+00 * $ . . = + .

2.100E-03 0.000E+00 * $ . . = + .

2.125E-03 0.000E+00 * $ . . = + .

2.150E-03 0.000E+00 * $ . . = + .

2.175E-03 0.000E+00 * $ . . = + .

2.200E-03 0.000E+00 * $ . . = + .

2.225E-03 0.000E+00 * $ . . = + .

2.250E-03 0.000E+00 * $ . . = + .

2.275E-03 0.000E+00 * $ . . = + .

2.300E-03 0.000E+00 * $ . . = + .

2.325E-03 0.000E+00 * $ . . = + .

2.350E-03 0.000E+00 * $ . . = + .

2.375E-03 0.000E+00 * $ . . = + .

2.400E-03 0.000E+00 * $ . . = + .

2.425E-03 0.000E+00 * $ . . = + .

2.450E-03 0.000E+00 * $ . . = + .

2.475E-03 1.926E-15 * $ . . = + .

2.500E-03 7.140E-15 * $ . . = + .

2.525E-03 7.140E-07 . + . . $ = . * .

2.550E-03 7.140E-07 . + . . $ = . * .

2.575E-03 7.140E-07 . + . . $ = . * .

2.600E-03 7.140E-07 . + . . $ = . * .

2.625E-03 7.140E-07 . + . . $ = . * .

2.650E-03 7.140E-07 . + . . $ = . * .

2.675E-03 7.140E-07 . + . . $ = . * .

2.700E-03 7.140E-07 . + . . $ = . * .

2.725E-03 7.140E-07 . + . . $ = . * .

2.750E-03 7.140E-07 . + . . $ = . * .

2.775E-03 7.140E-07 . + . . $ = . * .

2.800E-03 7.140E-07 . + . . $ = . * .

2.825E-03 7.140E-07 . + . . $ = . * .

2.850E-03 7.140E-07 . + . . $ = . * .

2.875E-03 7.140E-07 . + . . $ = . * .

2.900E-03 7.140E-07 . + . . $ = . * .

2.925E-03 7.140E-07 . + . . $ = . * .

2.950E-03 7.140E-07 . + . . $ = . * .

2.975E-03 7.140E-07 . + . . $ = . * .

3.000E-03 7.140E-07 . + . . $ = . * .

3.025E-03 0.000E+00 * $ . . = .+ .

3.050E-03 0.000E+00 * $ . . = .+ .

3.075E-03 0.000E+00 * $ . . = .+ .

3.100E-03 0.000E+00 * $ . . = .+ .

3.125E-03 0.000E+00 * $ . . = .+ .

3.150E-03 0.000E+00 * $ . . = .+ .

3.175E-03 0.000E+00 * $ . . = .+ .

3.200E-03 0.000E+00 * $ . . = .+ .

3.225E-03 0.000E+00 * $ . . = .+ .

3.250E-03 0.000E+00 * $ . . = .+ .

3.275E-03 0.000E+00 * $ . . = .+ .

3.300E-03 0.000E+00 * $ . . = .+ .

3.325E-03 0.000E+00 * $ . . = .+ .

3.350E-03 0.000E+00 * $ . . = .+ .

3.375E-03 0.000E+00 * $ . . = .+ .

3.400E-03 0.000E+00 * $ . . = .+ .

3.425E-03 0.000E+00 * $ . . = .+ .

3.450E-03 0.000E+00 * $ . . = .+ .

3.475E-03 1.926E-15 * $ . . = .+ .

3.500E-03 7.140E-15 * $ . . = .+ .

3.525E-03 7.140E-07 . + . . $ = . * .

3.550E-03 7.140E-07 . + . . $ = . * .

3.575E-03 7.140E-07 . + . . $ = . * .

3.600E-03 7.140E-07 . + . . $ = . * .

3.625E-03 7.140E-07 . + . . $ = . * .

3.650E-03 7.140E-07 . + . . $ = . * .

3.675E-03 7.140E-07 . + . . $ = . * .

3.700E-03 7.140E-07 . + . . $ = . * .

3.725E-03 7.140E-07 . + . . $ = . * .

3.750E-03 7.140E-07 . + . . $ = . * .

3.775E-03 7.140E-07 . + . . $ = . * .

3.800E-03 7.140E-07 . + . . $ = . * .

3.825E-03 7.140E-07 . + . . $ = . * .

3.850E-03 7.140E-07 . + . . $ = . * .

3.875E-03 7.140E-07 . + . . $ = . * .

3.900E-03 7.140E-07 . + . . $ = . * .

3.925E-03 7.140E-07 . + . . $ = . * .

3.950E-03 7.140E-07 . + . . $ = . * .

3.975E-03 7.140E-07 . + . . $ = . * .

4.000E-03 7.140E-07 . + . . $ = . * .

4.025E-03 0.000E+00 * $ . . = .+ .

4.050E-03 0.000E+00 * $ . . = .+ .

4.075E-03 0.000E+00 * $ . . = .+ .

4.100E-03 0.000E+00 * $ . . = .+ .

4.125E-03 0.000E+00 * $ . . = .+ .

4.150E-03 0.000E+00 * $ . . = .+ .

4.175E-03 0.000E+00 * $ . . = .+ .

4.200E-03 0.000E+00 * $ . . = .+ .

4.225E-03 0.000E+00 * $ . . = .+ .

4.250E-03 0.000E+00 * $ . . = .+ .

4.275E-03 0.000E+00 * $ . . = .+ .

4.300E-03 0.000E+00 * $ . . = .+ .

4.325E-03 0.000E+00 * $ . . = .+ .

4.350E-03 0.000E+00 * $ . . = .+ .

4.375E-03 0.000E+00 * $ . . = .+ .

4.400E-03 0.000E+00 * $ . . = .+ .

4.425E-03 0.000E+00 * $ . . = .+ .

4.450E-03 0.000E+00 * $ . . = .+ .

4.475E-03 1.926E-15 * $ . . = .+ .

4.500E-03 7.140E-15 * $ . . = .+ .

4.525E-03 7.140E-07 . + . . $ = . * .

4.550E-03 7.140E-07 . + . . $ = . * .

4.575E-03 7.140E-07 . + . . $ = . * .

4.600E-03 7.140E-07 . + . . $ = . * .

4.625E-03 7.140E-07 . + . . $ = . * .

4.650E-03 7.140E-07 . + . . $ = . * .

4.675E-03 7.140E-07 . + . . $ = . * .

4.700E-03 7.140E-07 . + . . $ = . * .

4.725E-03 7.140E-07 . + . . $ = . * .

4.750E-03 7.140E-07 . + . . $ = . * .

4.775E-03 7.140E-07 . + . . $ = . * .

4.800E-03 7.140E-07 . + . . $ = . * .

4.825E-03 7.140E-07 . + . . $ = . * .

4.850E-03 7.140E-07 . + . . $ = . * .

4.875E-03 7.140E-07 . + . . $ = . * .

4.900E-03 7.140E-07 . + . . $ = . * .

4.925E-03 7.140E-07 . + . . $ = . * .

4.950E-03 7.140E-07 . + . . $ = . * .

4.975E-03 7.140E-07 . + . . $ = . * .

5.000E-03 7.140E-07 . + . . $ = . * .

- - - - - - - - - - - - - - - - - - - - - - - - - - -



JOB CONCLUDED

TOTAL JOB TIME .12

Приложение Б

Графики

Рисунок 1. Входной сигнал

Рисунок 2. Выходной сигнал

Рисунок 3 Напряжение на выходе первого каскада

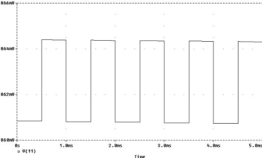
Рисунок 4. Напряжение на выходе второго каскада

Похожие работы на - Моделирование многокаскадного усилителя с использованием PSpice

 

Не нашли материал для своей работы?
Поможем написать уникальную работу
Без плагиата!
Без нейросетей!