Исследование электрических цепей при переходных процессах первого и второго родов

  • Вид работы:
    Дипломная (ВКР)
  • Предмет:
    Физика
  • Язык:
    Русский
    ,
    Формат файла:
    MS Word
    1,06 Mb
  • Опубликовано:
    2011-07-22
Вы можете узнать стоимость помощи в написании студенческой работы.
Помощь в написании работы, которую точно примут!

Исследование электрических цепей при переходных процессах первого и второго родов

Московский Государственный Институт Электронной Техники (ТУ).










Курсовая работа по электротехнике

“Исследование электрических цепей при переходных процессах первого и второго родов”


Цель работы: Расчёт и исследование электрических цепей при переходных процессах.

1. Каждый вариант курсовой работы предполагает расчёт шести схем. Все шесть задач должны быть решены классическим методом.

2. Для пятой и шестой схем необходимо произвести расчёт операторным методом.

3. Для каждой из схем необходимо написать полное решение. Полное решение помимо прочего должно включать в себя схему электрической цепи, приблизительный график поведения искомой зависимости, а также точный вид этой зависимости на осциллографе.

4. К работе, выполненной на бумаге, прилагается дискета, содержащая исходные тексты работы в электронном виде, а также схемы, построенные в программе Electronics Workbench 5.12 и графики.

Используемое программное обеспечение: Electronics Workbench 5.12

Mathcad Professional 2000Photoshop 6.0 Word 2000 (вёрстка работы)

Вариант №3


Ниже приведены задачи для решения в исходной форме.

Дано: R1 = 1 Ом R2 = 3 Ом C = 1 Ф E = 10 B Найти: UC(t)

Дано: R1 = R2 = R3 = 1 Ом L = 0,1 мГн e(t) = 14.4sin(104t + 45°) Найти: iL(t)


Дано: R1 = R2 = R3 = R4 = 1 Ом L = 1 Гн Е = 1 В Найти: i3(t)

Дано: R1 = R2 = R3 = 1 Ом Е2 = 2 В Е1 = 1 В L = 1 Гн Найти: i1(t)


E = 10 B C = 1 Ф R1 = R2 = 1 Ом L = 1 Гн Найти UC(t)

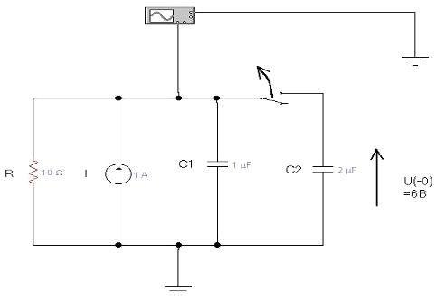
UC2 = 6 B J = 1 A R = 10 Ом C1 = 10-6 Ф C2 = 2 10-6 Ф Определить UC1,2(t) Построить графики UC1(t) UC2(t)


Решение задач.

Задача№1

 

Дано:

R1=1Ohm;=3Ohm;=10V;=1F;

Найти: Uc(t)

Решение (классический метод).(*)


Uc(t)=Ucпр(t)+Ucсв(t);

Iуст=E/(R1+R2)=10/4=2,5(В);

Ucпр=Iуст*R2=7,5(В);

Ucсв(t)=A*ept;

где p=-1/T=-1/(C*Rз)

где Rз=R1*R2/(R1+R2)=3/4(Ом);=-4/3;(0-)=10(В);= Uc(0-)- Ucпр=2,5(В);

Тогда Uc(t)=7,5+2,5*e-4/3*t

Результат полученный на Mathcad’е

Результат полученный на Workbench’e

Задача№2



Д ано:

R1= R2= R3=1Ohm;

L=0,1mH;(t)=14,4sin(104 *t+450 );

Найти:iL (t)

Решение (классический метод).(*)

(t)=iLпр(t)+iLсв(t); =14.4/21/2 ej45°=10 ej45°;=R1+(jωL+R2)R3/(R3+R2+ jωL)=1+(1+j)/(2+j)=1+(2/5)1/2 * ej45°/ ej26,5°=1+(2/5)1/2* ej18,5°=3,72+j0,2=3,73e j3°;

· ·=E/Z=10 ej45°/3,73e j3°=2,7e j42°

· ·пр=I*R3/( jωL+R2)= 2,7e j42°/(1+j)=1,9e -j3°;пр(t)=1,9*21/2sin(10000t-3°)=2,7sin(10000t-3°);св(t)=Aept; где p=-1/T=-Ro/L=-(R1R3/(R1+R3)+R2)/L=-3/(2*10-4)=-15000(A),A=-i(-0)+iпр(0)(-0)=0(A),тогда :A=0+0.14=0,14(A);

Таким образом :i(t)= 2,7sin(10000t-3°)+0,14e -15000t

Результат полученный на Mathcad’е

Результат полученный на Workbench’e

Задача№3


Дано:

R1= R2= R3=1Ohm;

L=1H;=1V;

Найти: i3(t)

Решение (классический метод).(*)

(t)=iпр(t)+iсв(t); пр(t)=E/(R4R1/(R4+R1)+R2+R3)=1/2,5=0,4(A);св(t)=Aept; где p=-1/T=-Ro/L=-(R4(R3+R2)/(R3+R2+R4)+R1)/L=-5/3(A);(-0)=E/(R4R1/(R4+R1)+R3)=1/1,5=0,6666(A);= i(-0)- iпр(t)=0,6666-0,4=0,2666(A);

Таким образом : i3 (t)= 0,4+0,2666e-5/3t;

Результат полученный на Mathcad’е

Результат полученный на Workbench’e

Задача№4


Дано:

= R2= R3=1Ohm;=1H;=1V;=1V;

Найти: ir(t)

Решение (классический метод).(*)

пр=E1/(R3+R1)=0,5(A);

Методом наложения найдем iL(t):

A=IL(-0)- ILпр= -1/3-0,5= -0,63333(A);

Тогда iL(t)=0,5-0,63333e-2t;

По закону Кирхгофа:

(t)= iL(t)*R2/(R1+R2)= iL(t)/2=0,25-0,316666 e-2t

Найдем ток через R1 до коммутации методом наложения :

(-0)=E1/1,5+E2/1,5*1/2=2/1,5=1,3333(A);

Результат полученный на Mathcad’е

Результат полученный на Workbench’e

Задача№5


Дано:= R2= 1Ohm;=1H;=10V;=1F;

Найти: Uc(t)

Решение:

a) классический метод

1)Uc(-0)=0(В);

Uc∞=E;

ic(+0)=E/R2=10(A);

)по законам комутации:

(-0)= Uc(+0)=0(В);

)Найдем p для Z(p)=0:

(p)=R2(R1+pL)/(R1+R2+pL)+1/(pC)=0;

(1+p)/(2+p)+1/p=0;+2p+2=0;= -δ +jω=-1+j;

p2= -δ -jω= -1-j;

)исходя из полученного: δ=1 и ω=1;

так как U=U∞ +(M1sin(ω t)+ M2cos(ω t))e -δt (1)

Uc(-0)= Uc∞+ M2= Uc(+0)=0;

Поэтому M2= - Uc∞= -E= -10(В);

C Uc|(0)=C[Uc∞| +M1 ω -M2 δ]=ic(+0)=10;

Uc∞|=0;

M1+10=10;

M1=0

Тогда исходя из формулы (1):

=E-Ecos(t)e-t;=10-10cos(t)e-t

б) операторный метод:

cоставим схему замещения:

так как Uc(-0)=0 и ic(-0)=0 то ЭДС Li(-0) и Uc(-0)/p равны 0 то схема замещения выглядит так:

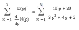
(p)=(E/p)/R(p);(p)=1/(pC)+(R1+pL)R2/(R2+R1+pL)=1/p+(1+p)/(2+p)=p(2+p)/(p2+2p+2)

Тогда I(p)=E(2+p)/ (p2+2p+2);(p)=I(p)*1/pC=E(2+p)/ (p3+2p2+2p)

Решаем уравнение p3+2p2+2p=0

p1 =0, p2 = -1+j, p3 = -1-j,

Так как Uc=

=10+10(1-j)/(6j-4-4j+2)e(-1-j)t+10(1+j)/(-6j-4+4j+2)e(-1+j)t

После упрощения получаем:

=10(1+ e-t(-e-jt- e+jt)/2)

Ответ:Uc = 10-10cos(t)e-t

Результат полученный на Mathcad’е

Результат полученный на Workbench’e

Задача№6


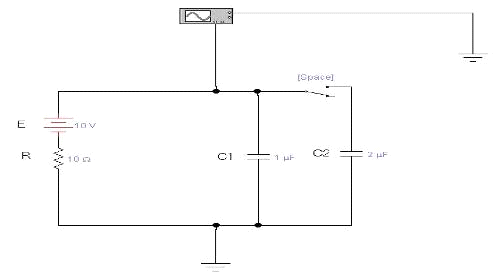
Дано:= R2= 1Ohm;=1H;=10V;=1F;

Найти: Uc(t)

Решение:

а)классический метод:

Преобразовываем схему по методу эквивалентного генератора к следующему виду:

(t)=Ucпр+Ucсв(t);пр=E;

Где С=С1+С2=3*10-6

Ucсв(t) =Аеpt;p=-1/Ro С= -1/(10*3*10-6)= -10-5/3;

По обобщенному закону комутации:

*UC1(-0)+ C2*UC2(-0)=(C1+C2)* UC(+0);

Тогда:

(+0)=(10-2*6)/3= -2/3;= UC(+0)- Ucпр=-10,6666(t)=10-10,6666e-33333t

Ответ: Uc(t)=10-10,6666e-33333t

б) операторный метод:

так как Uc1(-0)=10(В) и Uc2(-0)=-6(В) то схема замещения выглядит так:


Рассчитаем схему методом наложения:

)

I1r (p)= (E/p)/(1/(pC1*pC2/(1/pC1+1/pC2))+R)=

=1/(105/3+p); r=1*e-33333t;(t)=E-R I1r=10-10 e-33333t;

)r (p)= -( U1(-0)/p)/(R*pC2/(R+1/pC2))+1/pC1)*(1/pC2)/(R+1/pC2)=

= -1/(3p+105)r= 1/3*e-33333t;(t)=R I2r = 10/3*e-33333t;

)

I3r (p)= -( U2(-0)/p)/(R*pC1/(R+1/pC1))+1/pC2)*(1/pC1)/(R+1/pC2)=

=6*2/(30p+106);r=12/30*e-33333t;(t)= -R I3r = -10*12/30*e-33333t=-12/3*e-33333t;

Так как U(t)= U1(t)+ U2(t)+ U3(t)=10-10 e-33333t+10/3*e-33333t-12/3*e-33333t=10-10,66666 e-33333t;

Ответ: 10-10,66666 e-33333t;

электрический цепь ток напряжение


Выводы и решения

При решении задач использовались законы коммутации:

(0-)=iL(0+) ; UC(0-) = UC(0+).

Также использовался метод наложения при определении некоторых токов и напряжений в промежуточных стадиях решения задач.

Решение практически всех задач сводилось к следующим стадиям:

.Решение характеристического уравнения (входное сопротивление=0) для определения p.

Также использовался метод решения с t.

.Разделение искомой величины на принуждённую и свободную составляющую и нахождение принуждённой составляющей.

.Нахождение свободной составляющей величины: нахождение A (A1 и A2, если нужно) через известные параметры схемы.


Не нашли материал для своей работы?
Поможем написать уникальную работу
Без плагиата!
Без нейросетей!